Федеральное агентство железнодорожного транспорта РФ
Иркутский государственный университет путей сообщения
Кафедра: Электроснабжение железнодорожного транспорта
Дисциплина: Электромагнитная совместимость устройств электрифицированных железных дорог.
Курсовая работа
Расчет опасных и мешающих влияний электрифицированной железной дороги на смежную линию
Вариант - 14
Выполнил:
ст-т. гр. ЭНС-02-1
Росяйкин В. В.
Проверил:
профессор
Закарюкин В. П.
Иркутск 2006
Содержание
Введение…………………………………………………………………….…….3
Реферат…………………………………………………………………….………4
Задание на курсовую работу……………………………………………………..5
Исходные данные…………………………………………………………………6
1. Моделирование с помощью программного комплекса Flow 3…………….8
2. Типовой расчет………………………………………………………………..12
2.1 Расчёт токов короткого замыкания и эквивалентного влияющего тока..12
2.2 Расчёт наводимых опасных напряжений………………………………….13
3. Расчет ширины сближения для соблюдения нормированных значений опасных влияний………………………………………………………………..16
4. Расчет напряжения мешающего влияния…………………………………..17
5. Сравнение результатов расчетов…………………………………………….19
6. Выводы………………………………………………………………………...20
7. Список литературы……………………………………………………………21
Введение
Термин «Электромагнитная совместимость» трактуется достаточно широко и включает в себя вопросы взаимовлияния друг на друга различных видов электроэнергетического и слаботочного электрооборудования. С точки зрения железнодорожной энергетики это прежде всего взаимные влияния друг на друга контактных сетей соседних путей многопутных участков, влияние тяговой сети на смежные линии низкого напряжения, линии связи и продольного вещания, на любые протяжённые проводящие объекты, расположенные вблизи электрифицированной железной дороги, а также вопросы взаимовлияния электровозов переменного тока с тиристорными преобразователями. Вплотную к этому кругу проблем примыкают вопросы электрокоррозионного разрушения подземных сооружений и опор при электрификации на постоянном токе.
Наряду с тяговыми сетями, высокими напряжениями и большими токами характеризуются высоковольтные линии электропередачи, высоковольтные цепи автоблокировки и продольного электроснабжения. Создаваемые ими электромагнитные поля наводят напряжения и токи в обесточенной контактной сети, в цепях автоматики, телемеханики и связи, которые могут быть опасными для людей или производить разрушения аппаратуры, а также могут нарушать нормальную работу устройств [1].
Полностью электромагнитное и гальваническое влияние одного электротехнического оборудования на другое, одних электрических цепей на другие практически невозможно, поэтому стремятся снизить его до такой степени, при которой не нарушалась бы нормальная работа электрических цепей, подверженных влиянию, и выполнялись требования ГОСТ 13109-97 «Нормы качества электрической энергии в системах электроснабжения общего назначения» [2].
Реферат.
В курсовой работе рассчитаны опасные наводимые напряжения на смежной линии связи для трёх режимов работы тяговой сети:
1) холостой ход;
2) короткое замыкание;
3) вынужденный режим.
Расчёт проведен с помощью программного комплекса Flow3 и по формулам, приведённым в [3].
Рассчитано расстояние относа линии связи для получения нормированного значения опасного наводимого напряжения в ней. Определено напряжение мешающего влияния
Работа содержит 13 формул, 14 таблиц, 6 рисунков.
Задание на курсовую работу.
Для участка однопутной железной дороги между двумя смежными тяговыми подстанциями, электрифицированной на переменном токе 1х25 кВ, с рельсами Р-65, и расположенной параллельно ей двухпроводной воздушной линии связи необходимо выполнить следующее.
1. В соответствии с вариантом расчета изобразить расчетную схему для расчета опасных влияний.
2. Определиться с расчетными точками для расчета тока короткого замыкания и влияния его на смежную линию.
3. С помощью программного комплекса Flow3 подготовить расчетную схему для расчета опасных влияний, рассчитать по ней сопротивление тяговой сети, токи короткого замыкания и вынужденного режима, а также наведенные напряжения опасного влияния по следующим вариантам:
отсутствие нагрузок в тяговой сети, заземленный конец линии связи;
отсутствие нагрузок в тяговой сети, изолированная от земли линия связи;
короткое замыкание в тяговой сети, заземленный конец линии связи;
короткое замыкание в тяговой сети, изолированная от земли линия связи;
вынужденный режим тяговой сети, заземленный конец линии связи;
вынужденный режим тяговой сети, изолированная от земли линия связи.
4. Токи короткого замыкания и вынужденного режима рассчитать по формулам «Правил защиты…» [3], используя сопротивление тяговой сети, полученное в п.3. Определить величину эквивалентного влияющего тока вынужденного режима.
5. Рассчитать наводимые в смежной воздушной линии опасные напряжения при коротком замыкании в тяговой сети и при вынужденном режиме по формулам «Правил защиты…». Расчеты провести по тем же вариантам, что и в п. 3.
6. Определить необходимое увеличение расстояния между линией связи и электрифицированной железной дорогой, при котором опасные влияния на линию связи не будут превышать нормированных значений.
7. Рассчитать напряжение мешающего влияния на воздушную линию. Расчет проводить для случая расположения двухсекционного электровоза с суммарным потребляемым током 300 А возле отключенного поста секционирования в середине фидерной зоны.
По пунктам 3, 5, 6, 7 необходимо сделать соответствующие выводы. Сравнить результаты расчетов с помощью программного комплекса и результаты расчетов по формулам [3]. Сравнить расчетные величины с допустимыми значениями опасных и мешающих напряжений. Принять значения допустимых напряжений при коротком замыкании равным 1500 В, при вынужденном режиме 60 В, допустимое мешающее напряжение – 1,5 мВ.
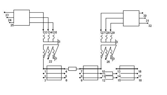
Исходные данные.
Расчетная схема для расчета опасных влияний тяговой сети приведена на рис. 1, исходные данные в соответствии с двухзначным вариантом даны в табл. 1 и 2. Расчетная схема отражает соотношение расстояний по исходным данным и заданное число поездов в зоне для вынужденного режима. В таблицах приняты обозначения в соответствии с рис. 1, а также следующие обозначения:
a – ширина сближения;
с – высота подвеса проводов воздушной линии связи;
S1кз, S2кз, S1н, S2н – мощности короткого замыкания и мощности трансформаторов подстанций 1 и 2;
m – число поездов на участке при вынужденном режиме работы тяговой сети:
σ – удельная проводимость земли.
На рис. 1а изображена схема расчета влияния при коротком замыкании в тяговой сети, на рис.1 б – схема расчета вынужденного режима при трех поездах.
Таблица №1
Исходные данные
| Параметр |
Значение |
Параметр |
Значение |
Параметр |
Значение |
| Подвеска |
2 |
S1КЗ, МВА |
900 |
Марка НТ |
ПБСМ-95 |
| а, м |
20 |
S1Н, МВА |
40 |
Высота, см |
730 |
| Lт, км |
40 |
S2КЗ, МВА |
1100 |
Марка КП |
МФ-100 |
| l, км |
45 |
S2Н, МВА |
40 |
Высота, см |
590 |
| Lн, км |
5 |
m |
4 |
| с, м |
7 |
σ, См/м |
0.05 |
Воздушная линия связи со стальными проводами характеризуется коэффициентом чувствительности и коэффициентом распространения, приведенными в табл. 5 и 6 [4]; в табл. 5 даны также значения коэффициента акустического воздействия для расчета мешающих влияний.
Таблица №2
Параметры контактных проводов, несущих тросов и рельсов
| Марка |
Макс. длительный ток, А |
Площадь сечения, мм |
Сечение в медном эквиваленте, мм |
Радиус, см |
Омическое сопротивление, Ом/км |
| МФ-100 |
600 |
100 |
100 |
0.62 |
0.177 |
| ПБСМ1-95 |
280 |
93 |
32 |
0.63 |
0.575 |
| Р-65 |
- |
8290 |
- |
11.1 |
0.200 |
| БСМ-1 |
- |
12 |
- |
0.2 |
4.00 |

Рис.1. Расчётная схема для расчёта опасных влияний
1. Моделирование с помощью программного комплекса
Flow
3
Программный комплекс предназначен для моделирования и расчета установившегося режима систем тягового электроснабжения переменного тока при синусоидальных токах и напряжениях в фазных координатах. Расчеты проводятся с использованием визуальных компонент из набора элементов.
В результате расчета режима получаются значения модулей и фаз напряжений в узлах системы, величины генерируемых источниками мощностей, потери мощности в узлах системы и величины токов и потоков мощностей по ветвям. Кроме того, рассчитываются потери мощности в отдельных элементах схемы с выделением потерь холостого хода в трансформаторах и токи, втекающие в узел элемента со стороны смежных соединенных с узлом элементов.
При моделировании элементы электрической схемы со взаимоиндуктивными связями (многопроводные системы, включая сложные тяговые сети и линии внешнего электроснабжения, кабельные линии, однофазные и трехфазные многообмоточные трансформаторы) эквивалентируются решетчатыми схемами с RLC-элементами. Эквивалентирование производится со следующими допущениями:
· все провода считаются тонкими (кроме кабельных линий) прямолинейными, параллельными друг другу (в группе проводов) и поверхности плоской однородной земли с заданной удельной электропроводностью;
· автоматически учитываются собственные и взаимные емкости проводов, внутренние и внешние индуктивности проводов и взаимные индуктивности;
· при моделировании многообмоточных трансформаторов с любыми схемами соединения обмоток учитываются потери в меди трансформатора и индуктивность рассеивания (параметры короткого замыкания трансформатора), а также потери в стали и индуктивность ветви намагничивания (параметры холостого хода); для трехфазных трехстержневых трансформаторов учитывается магнитный поток, замыкающийся через масло и стенки бака.
Моделирование и расчеты будут проводиться следующим образом:
подготовка элементов схем с помощью редактора элементов, составление расчетной схемы из графических представлений элементов с графическим соединением узлов между собой и дальнейшим расчетом режима.
Модель многопроводной системы, составленная редактором элементов, представлена на рис. 2.
На рисунке 3 приведено поперечное сечение системы проводов.

Рис.2. Модель многопроводной системы

Рис.3. Поперечное сечение модели

Рис.4. Соединение проводов внутри элемента
ТДТНЖ-40000/110/27,5
u
к
=17%
|
|
 Рис.5. Расчётная схема
Таблица 3
Входные сопротивления 1 км проводов
| R1, Ом/км |
X1, Ом/км |
| Среднее |
0,0249 |
0.139 |
| Контактная сеть |
0,205 |
0.437 |
| Провод 1 |
-0,0649 |
-0.01 |
| Провод 2 |
-0.0651 |
-0.0101 |
Моделирование в программном комплексе Flow3 производится согласно методике представленной в [4]. Расчет начинается с определения длин ЛЭП для соблюдения Sкз. Длины левой и правой ЛЭП представлены в табл.4.
Таблица 4
Длины ЛЭП 110 кВ
| Наименование |
Sкз, МВА |
Длина, км |
| Левая ЛЭП 110 кВ |
900 |
33.43 |
| Правая ЛЭП 110 кВ |
1100 |
27.36 |
Результаты дальнейшего моделирования при различных случаях работы контактной сети и состоянии смежной линии связи представлены в таблицах ниже.
Таблица 5
Отсутствие нагрузок в тяговой сети и изолированная смежная линия
| Узел |
U, кВ |
Узел |
U, кВ |
Узел |
U, кВ |
Узел |
U, кВ |
Узел |
U, кВ |
Узел |
U, кВ |
| 1 |
27.492 |
4 |
27.498 |
7 |
27.498 |
10 |
27.489 |
13 |
0.026 |
16 |
0.026 |
| 2 |
1.05 |
5 |
1.052 |
8 |
0.921 |
11 |
0.919 |
14 |
0.919 |
17 |
0.919 |
| 3 |
1.033 |
6 |
1.034 |
9 |
0.906 |
12 |
0.904 |
15 |
0.904 |
18 |
0.904 |
Таблица 6
Отсутствие нагрузок в тяговой сети и заземленная смежная линия
| Узел |
U, кВ |
Узел |
U, кВ |
Узел |
U, кВ |
Узел |
U, кВ |
Узел |
U, кВ |
Узел |
U, кВ |
| 1 |
27.492 |
4 |
27.498 |
7 |
27.498 |
10 |
27.489 |
13 |
0 |
16 |
0 |
| 2 |
1.05 |
5 |
1.052 |
8 |
0.004 |
11 |
0.001 |
14 |
0.001 |
17 |
0 |
| 3 |
1.033 |
6 |
1.034 |
9 |
0.004 |
12 |
0.001 |
15 |
0.001 |
18 |
0 |
Таблица 7
Короткое замыкание в точке 1 и изолированная смежная линия
| Узел |
U, кВ |
Узел |
U, кВ |
Узел |
U, кВ |
Узел |
U, кВ |
Узел |
U, кВ |
Узел |
U, кВ |
| 1 |
10.355 |
4 |
0.025 |
7 |
0.003 |
10 |
19.012 |
13 |
0.059 |
16 |
0.059 |
| 2 |
1.292 |
5 |
0.898 |
8 |
1.948 |
11 |
2.078 |
14 |
2.078 |
17 |
2.078 |
| 3 |
1.285 |
6 |
0.897 |
9 |
1.946 |
12 |
2.067 |
15 |
2.067 |
18 |
2.067 |
Таблица 8
Короткое замыкание в точке 1 и заземленная смежная линия
| Узел |
U, кВ |
Узел |
U, кВ |
Узел |
U, кВ |
Узел |
U, кВ |
Узел |
U, кВ |
Узел |
U, кВ |
| 1 |
10.355 |
4 |
0.025 |
7 |
0.003 |
10 |
19.013 |
13 |
0 |
16 |
0 |
| 2 |
1.292 |
5 |
0.898 |
8 |
4.028 |
11 |
0.002 |
14 |
0.002 |
17 |
0 |
| 3 |
1.285 |
6 |
0.897 |
9 |
4.015 |
12 |
0.002 |
15 |
0.002 |
18 |
0 |
Таблица 9
Короткое замыкание в точке 2 и изолированная смежная линия
| Узел |
U, кВ |
Узел |
U, кВ |
Узел |
U, кВ |
Узел |
U, кВ |
Узел |
U, кВ |
Узел |
U, кВ |
| 1 |
20.227 |
4 |
15.737 |
7 |
15.733 |
10 |
0.004 |
13 |
0.034 |
16 |
0.034 |
| 2 |
1.161 |
5 |
0.219 |
8 |
2.136 |
11 |
1.196 |
14 |
1.196 |
17 |
1.196 |
| 3 |
1.148 |
6 |
0.209 |
9 |
2.125 |
12 |
1.195 |
15 |
1.195 |
18 |
1.195 |
Таблица 10
Короткое замыкание в точке 2 и заземленная смежная линия
| Узел |
U, кВ |
Узел |
U, кВ |
Узел |
U, кВ |
Узел |
U, кВ |
Узел |
U, кВ |
Узел |
U, кВ |
| 1 |
20.227 |
4 |
15.737 |
7 |
15.733 |
10 |
0.004 |
13 |
0 |
16 |
0 |
| 2 |
1.161 |
5 |
0.219 |
8 |
3.333 |
11 |
0.001 |
14 |
0.001 |
17 |
0 |
| 3 |
1.148 |
6 |
0.209 |
9 |
3.322 |
12 |
0.001 |
15 |
0.001 |
18 |
0 |
Таблица 11
Вынужденный режим и изолированная смежная линия
| Узел |
U, кВ |
Узел |
U, кВ |
Узел |
U, кВ |
Узел |
U, кВ |
Узел |
U, кВ |
Узел |
U, кВ |
| 1 |
25.063 |
4 |
23.714 |
7 |
23.714 |
10 |
19.00 |
13 |
0.007 |
16 |
0.007 |
| 2 |
1.079 |
5 |
0.785 |
8 |
1.294 |
11 |
0.262 |
14 |
0.262 |
17 |
0.262 |
| 3 |
1.063 |
6 |
0.77 |
9 |
1.28 |
12 |
0.252 |
15 |
0.252 |
18 |
0.252 |
Таблица 12
Вынужденный режим и заземленная смежная линия
| Узел |
U, кВ |
Узел |
U, кВ |
Узел |
U, кВ |
Узел |
U, кВ |
Узел |
U, кВ |
Узел |
U, кВ |
| 1 |
25.063 |
4 |
23.714 |
7 |
23.714 |
10 |
19.00 |
13 |
0 |
16 |
0 |
| 2 |
1.079 |
5 |
0.785 |
8 |
1.028 |
11 |
0 |
14 |
0 |
17 |
0 |
| 3 |
1.063 |
6 |
0.77 |
9 |
1.025 |
12 |
0 |
15 |
0 |
18 |
0 |
2. Типовой расчет
2.1 Расчёт токов короткого замыкания и эквивалентного влияющего тока
Ток короткого замыкания определяется как ток двухфазного короткого замыкания по формуле 1:
, А (1)
где: Uном=27500 В – номинальное напряжение контактной сети;
Sкз – мощность короткого замыкания, ВА;
Sн – номинальная мощность трансформатора подстанции, ВА;
uк=17% - напряжение короткого замыкания трансформатора;
Xо=0,4094 Ом/км – реактивное сопротивление тяговой сети;
Rо=0,1456 Ом/км – активное сопротивление тяговой сети;
lкз – расстояние от соответствующей подстанции до места КЗ, км
Рассчитаем токи КЗ для 2-х подстанций в точках 1 и 2 по рис.1а:
Ток короткого замыкания от ТП 1 до точки 2 (на рис.1)

Ток короткого замыкания от ТП 2 до точки 2 (на рис.1)
Под эквивалентным влияющим током Iэкв подразумевается ток, одинаковый на всем участке сближения, который наводит в смежной линии связи такое же опасное напряжение, какое возникает при действительном (ступенчатом) распределении токов в контактной сети:
, А(2)
где Iрез - результирующий ток расчетного плеча питания при вынужденном режиме работы тяговой сети, А;
Km - коэффициент, характеризующий уменьшение эквивалентного то ка по сравнению с результирующим в зависимости от количества поездов m, одновременно находящихся в пределах расчетного плеча питания при вынужденном режиме.
Последний определяется по следующему выражению:
(3)
где m - количество поездов, одновременно находящихся в пределах расчетного плеча питания;
lн, lэ, lт – соответствуют рисунку 1, км.
Результирующий ток расчетного плеча питания при вынужденном режиме работы тяговой сети:
, А (4)
где ΔUкс - максимальная потеря напряжения в тяговой сети между подстанцией и наиболее удаленным от нее электровозом, равная 8500 В при lт более 30 км и 5500 В при lт от 15 км до 30 км включительно;
m - количествj поездов, одновременно находящихся в пределах рас четного плеча питания;
Xо=0.437 Ом/км – реактивное сопротивление тяговой сети;
Rо=0.205 Ом/км – активное сопротивление тяговой сети;
cosφ - коэффициент мощности электровоза, равный 0.8;
lТ – расстояние между ТП, км.
Сделаем расчёт эквивалентного влияющего тока по выше приведённым формулам:



2.2 Расчёт наводимых опасных напряжений
Опасные напряжения на одном из концов провода расчетного участка цепи, обусловленные магнитным влиянием, рассчитывают при условии заземления его на противоположном конце для двух режимов работы тяговой сети: короткого замыкания и вынужденном. Для режима короткого замыкания и параллельного сближения в курсовой работе наводимое напряжение Uм вычисляется по формуле (5) для наибольшего тока короткого замыкания:
, В (5)
а для вынужденного режима – по формуле (6):
, В (6)
где: ω=314 рад/с – угловая частота влияющего тока;
M – взаимная индуктивность между контактной подвеской и проводом связи, Гн/км;
Iкз – наибольший ток КЗ, А;
lэ – длина сближения, км;
sp– коэффициент экранирующего действия рельсов, значение которого при удельной проводимости земли 0,05..0,1 См/м равно 0,55..0,60.
Взаимная индуктивность между контактной подвеской и проводом связи определяется по формуле (7):
, Гн/км (7)
где: а – ширина сближения, м;
σ– удельная проводимость земли, См/м;
f– частота влияющего тока, Гц;
Kф=1,15 – коэффициент, характеризующий увеличение индуцированного напряжения вследствие несинусоидальности тока тяговой сети, обусловленной работой выпрямительных устройств электровозов;
При изолированном от земли проводе связи на нем наводится дополнительное напряжение за счет электрического влияния, которое рассчитывается по формуле (8):
, В (8)
где: k=0,4 – коэффициент, учитывающий количество влияющих проводов, расположенных на опорах тяговой сети, который для однопутного участка и двух проводов контактной подвески равен 0.4;
b=6,8 м, c - высоты подвеса провода, эквивалентного контактной подвеске, и провода связи над землей, м.
Результирующее напряжение влияния на изолированный от земли провод определяется суммированием напряжений электрического и магнитного влияний по формуле (9):
, В (9)
где: UM – наводимое напряжение от влияния магнитного поля, В;
lС иl – в соответствии с рисунком 1, км;
UЭ - наводимое напряжение от влияния электрического поля, В.
Произведём расчёт по выше изложенной методике:
Взаимная индуктивность между контактной подвеской и проводом связи:

Напряжения магнитного влияния при условии заземления смежной линии на противоположном конце:
для режима КЗ:

для вынужденного режима:

Напряжения электрического влияния при изолированном от земли проводе связи:

Режим холостого хода, заземлённый конец линии связи
Влияния электрического и магнитных полей в таком режиме незначительно, поэтому можно предположить что:

Режим холостого хода, изолированный конец линии связи
Существенное влияние оказывает электрическое поле:

Режим короткого замыкания, заземлённый конец линии связи
В рассматриваемом случае влиянием электрического поля можно пренебречь:

Режим короткого замыкания, изолированный конец линии связи
Магнитное поле в данной ситуации будет определяющим:

Вынужденный режим тяговой сети, заземлённый конец линии связи
Влиянием электрического поля можно пренебречь, так как оно незначительно:

Вынужденный режим тяговой сети, изолированный конец линии связи
В этой ситуации на результирующее напряжение влияют магнитное и электрическое поля:

3. Расчет ширины сближения для соблюдения нормированных значений опасных влияний.
При расчете расстояния относа линии связи для снижения наводимых напряжений необходимо принять во внимание, что напряжение электрического влияния с ростом расстояния снижается очень быстро. По этой причине рассчитывается относ с целью снижения только магнитного влияния, у которого от расстояния зависит взаимная индуктивность M.
По формулам (5) и (6) с подстановкой в них допустимых значений наводимых напряжений вычисляются два значения взаимной индуктивности, из которых выбирается наименьшее.


Из выражения 7 определяется необходимое расстояние относа линии связи:

4. Расчёт напряжения мешающего влияния
Расчетная схема для расчета напряжения мешающего влияния изображена на рис.6.

Рис.6. Схема расположения объектов для расчетов мешающего влияния
«Правила защиты…» [3] регламентируют для двухпроводных телефонных цепей расчет псофометрического значения мешающего напряжения (напряжения шума) в диапазоне тональных частот (300..3400 Гц) при нормальном режиме работы тяговой сети. Расчет выполняют применительно к ближнему концу участка линии связи, складывая гармонические составляющие напряжения шума для гармоник с номерами от 7 до 69. В курсовой работе допускается усеченный расчет только до 41-й гармоники:
, мВ (10)
где мешающее напряжение для k-й гармоники вычисляют по формуле (6):
, мВ (11)
где: ωk=314 kрад/с – угловая частота k-ой гармоники тягового тока;
Mk – модуль взаимной индуктивности между контактной сетью и проводом связи для гармоники k, Гн/км;
Ik – эквивалентный ток k-ой гармоники тягового тока, А;
pk – коэффициент акустического воздействия для k-ой гармоники;
ηk – коэффициент чувствительности двухпроводной телефонной цепи к помехам для k-ой гармоники тягового тока;
sр – результирующий коэффициент экранирующего действия для k-ой гармоники тягового тока;
γk – коэффициент распространения канала провод линии связи – земля для k-ой гармоники,γk=αk+jβk– комплексное число, составленное коэффициентом затухания и коэффициентом фазы;
lС ,lЭ, lk – соответствуют рисунку 6, км;
103 – коэффициент перевода вольт в милливольты.
Ток гармонической составляющей тягового тока определяется из выражения:
, А (12)
где: Ik’– гармоника тока электровоза, работающего в конце плеча питания при нормальном режиме;
KB– волновой коэффициент, учитывающий изменение тягового тока по длине тяговой сети и вычисляемый по методике «Правил защиты…» [3], в расчете курсовой работы его можно принять равным единице.
Входящие в формулу (11) гиперболические функции от комплексного аргумента вычисляются в соответствии с выражением (13), а затем модуль выражения подставляется в формулу (12). Результаты расчетов сведены в таблицу 13.
(13)
Таблица 13.
Сводная таблица расчетов псофометрического напряжения шума
| k |
f, Гц |
M, Гн/км |
ηk |
pk |
Ik,A |
Дробь |
Uшk, мВ |
| 7 |
350 |
0,0004463 |
0,0035 |
0,376 |
7,071 |
6,3716 |
64,005 |
| 9 |
450 |
0,0004215 |
0,0038 |
0,582 |
4,950 |
6,4473 |
92,514 |
| 11 |
550 |
0,0004017 |
0,0042 |
0,733 |
3,253 |
6,5362 |
99,950 |
| 13 |
650 |
0,0003853 |
0,0045 |
0,851 |
2,263 |
6,6470 |
99,709 |
| 15 |
750 |
0,0003714 |
0,0048 |
0,955 |
1,697 |
6,7473 |
101,040 |
| 17 |
850 |
0,0003592 |
0,0051 |
1,035 |
1,273 |
6,8766 |
97,483 |
| 19 |
950 |
0,0003484 |
0,0055 |
1,109 |
1,004 |
6,9985 |
98,041 |
| 21 |
1050 |
0,0003387 |
0,0058 |
1,109 |
0,764 |
7,1509 |
86,334 |
| 23 |
1150 |
0,0003299 |
0,0061 |
1,035 |
0,566 |
7,3136 |
68,491 |
| 25 |
1250 |
0,0003219 |
0,0065 |
0,977 |
0,481 |
7,4635 |
63,377 |
| 27 |
1350 |
0,0003145 |
0,0068 |
0,928 |
0,396 |
7,6283 |
55,937 |
| 29 |
1450 |
0,0003077 |
0,0071 |
0,881 |
0,354 |
7,7474 |
52,831 |
| 31 |
1550 |
0,0003013 |
0,0075 |
0,842 |
0,325 |
7,8036 |
51,744 |
| 33 |
1650 |
0,0002954 |
0,0078 |
0,807 |
0,297 |
7,7915 |
49,067 |
| 35 |
1750 |
0,0002898 |
0,0081 |
0,775 |
0,269 |
7,6468 |
45,215 |
| 37 |
1850 |
0,0002846 |
0,0084 |
0,745 |
0,255 |
7,4248 |
43,039 |
| 39 |
1950 |
0,0002796 |
0,0086 |
0,720 |
0,226 |
7,0537 |
37,246 |
| 41 |
2050 |
0,0002749 |
0,0088 |
0,698 |
0,212 |
6,5882 |
33,441 |

5. Сравнение результатов расчета.
При расчёте методикам, изложенным в [4] получены следующие результаты:
Таблица 14
Результаты расчетов
| Режим |
Flow3 |
«Правила защиты…» |
| Uначала л/с, В |
Uконца л/с, В |
Uл/с, В |
| ХХ, л/c изолирована |
921 |
919 |
822.3 |
| ХХ, л/с заземлена |
4 |
Заземлено |
0 |
КЗ, л/с заземлена:
точка 1
точка 2
|
4028
3333
|
Заземлено
Заземлено
|
3957 |
КЗ, л/с изолирована:
точка 1
точка 2
|
1948
2136
|
2078
1196
|
2418 |
| Вынужденный, л/с заземлена |
1028 |
Заземлено |
2630 |
| Вынужденный, л/с изолирована |
1294 |
262 |
1805 |
6. Выводы
После проведения расчетов с помощью программного комплекса Flow 3 и по формулам «Правил защит…» получили, что наводимое напряжение на линии связи превышает допустимые значения, кроме случая холостого хода и заземленной линии связи:
· для режима короткого замыкания 1500 В
· для остальных режимов 60 В
При моделировании в программном комплексе Flow 3 значения наводимых напряжений на линию связи выше, чем при расчете по формулам «Правил защит…», в случаях короткого замыкания и заземленной линии связи, а так же при холостом ходе и заземленной линии связи. В остальных случаях ручной расчет дал более высокие величины наводимых напряжений.
Увеличение наводимого напряжения наблюдается в случаях:
· холостой ход, линия связи изолирована
· короткое замыкание в точках 1 и 2, линия связи заземлена
· вынужденный режим, изолированная линия связи
В связи с тем, что соблюдение допустимых величин наводимых напряжений требуется во всех режимах работы контактной сети необходимо, в качестве защитного мероприятия, увеличить ширину сближения линии связи с контактной сетью. При проведении соответствующего расчета оказалось, что это расстояние необходимо с 20 м увеличить до 1302 м, т.е. более чем в 65 раз. При такой ширине сближения величины наведенного напряжения не превышают допустимых значений.
Суммарное псофометрическое напряжение шума, равное 308.1 мВ, превышает допустимое 1.5 мВ более чем в 205 раз. Максимальное псофометрическое напряжение шума наблюдается на частоте 750 Гц (15 гармоника, 101.04 мВ). Можно сделать вывод о том, что в качестве защитной меры, линию связи необходимо отодвинуть от контактной сети.
7. Список литературы
1. Закарюкин В.П. Электромагнитная совместимость устройств электрифицированных железных дорог. – Иркутск.: ИрИИТ, 2002. – 137 с.
2. Бадер М.П. Электромагнитная совместимость / Учебник для вузов железнодорожного транспорта. – М.: УМК МПС, 2002. – 638 с.
3. Правила защиты устройств проводной связи и проводного вещания от влияния тяговой сети электрифицированных железных дорог переменного тока. – М.: Транспорт, 1989. – 134 с.
4. Закарюкин В.П. Электромагнитная совместимость устройств электрифицированных железных дорог. Задание на курсовую работу и методические указания по выполнению для студентов специальности "Электроснабжение железнодорожного транспорта". – Иркутск: ИрГУПС, 2004. – 18 с.
|