Создание эффективной химико-технологической системы
производства алюминия
ВВЕДЕНИЕ
Впервые металлический алюминий был получен в 1825 году Эрстедом химическим методом восстановлением хлорида алюминия амальгамой калия. В 1856 году этот метод был усовершенствован, и алюминий стали получать восстановлением двойной соли  металлическим натрием. Н.Н. Бекетов в 1865 году предложил метод получения алюминия восстановлением криолита магнием. Производство алюминия химическим методом просуществовало до 1890 года, и за 35 лет его использования было получено всего около 200 тонн алюминия.
В 1886 году Н. Эру во Франции и Ч. Холи в США разработали метод производства алюминия электролизом расплава глинозема в криолите, который до настоящего времени является единственным методом промышленного производства алюминия.
Теоретической основой производства явились исследования отечественных ученых (конец XIX – начало XX вв.) П.П. Федотьев изучил и разработал теоретические основы электролиза системы "глинозем – криолит", в том числе растворимость алюминия в электролите, анодный эффект и другие условия процесса. В 1882 – 1892 гг. К.И. Байер разработал "мокрый" метод получения глинозема выщелачиванием руд, а в 1895 году Д. Н. Пеняков предложил метод производства глинозема из бокситов спеканием с сульфатом натрия в присутствии угля. А.И. Кузнецов и Е.И. Жуковский разработали в 1915 году способ получения глинозема методом восстановительной плавки низкосортных алюминиевых руд.
Алюминий относится к числу важнейших легких цветных металлов. По масштабам производства и потребления он занимает второе место среди всех металлов (после железа) и первое место среди цветных металлов. Поэтому в цветной металлургии производство этого металла выделено в отдельную специализированную подотрасль "Алюминиевая промышленность", включающую добычу сырья для алюминиевой промышленности, производство алюминия, глинозема и фтористых солей.
Алюминий – твердый серебристо-серый металл. Легко поддается ковке, прокатке, волочению и резанию. Пластичность алюминия возрастает с повышением его чистоты. Плотность алюминия , температура плавления 660,2°С, температура кипения 2520°С. В расплавленном состоянии жидкотекуч и легко поддается литью.
Алюминий имеет высокие тепло- и электропроводность, которые зависят от его чистоты. Для алюминия высокой чистоты электропроводность составляет 65% от электропроводности меди.
Алюминий химически активен, легко окисляется кислородом воздуха, образуя прочную поверхностную пленку оксида , что обуславливает его высокую коррозионную стойкость. В мелкораздробленном состоянии при нагревании на воздухе воспламеняет и сгорает. Алюминий реагирует с серой и галогенами. При нагревании образует с углеродом карбид и с азотом нитрид . Как амфотерный металл алюминий растворяется в сильных кислотах и щелочах. Нормальный электродный потенциал алюминия равен 1,66 В при рН< 7 и 3,25 при рН>7.
Вследствие комплекса ценных свойств (малая плотность, пластичность, высокие тепло- и электропроводность, нетоксичность, немагнитность, коррозионная стойкость в атмосфере), а также недефицитности сырья и относительно низкой стоимости. Алюминий в чистом виде и в сплавах широко применяется в различных отраслях техники и народного хозяйства.
Алюминий высокой степени чистоты используют в ядерной энергетике, полупроводниковой электронике, радиолокации, для изготовления отражающих поверхностей рефлекторов и зеркал. В металлургической промышленности алюминий применяется в качестве восстановителя при получении ряда металлов, раскисления стали, для сварки деталей.
Алюминий используют главным образом для получения алюминиевых сплавов. Покрытия из алюминия наносят на стальные изделия для повышения их коррозионной стойкости.
Алюминий – в виде порошка и гранул – раскислитель чугуна и стали, восстановитель оксидов при получении металлов и сплавов методом алюмотермии, компонент твердых ракетных топлив, пиротехнических составов. Алюминиевая пудра и паста – пигменты лакокрасочных материалов; пудра используется также как газообразователь в производстве ячеистых бетонов.
В строительстве и транспортном машиностроении расходуется приблизительно по 24% чистого алюминия и его сплавов, в производстве упаковочных материалов и консервных банок – около 17%, в электротехнике – около 10%, в производстве потребительских товаров – около 8%.
1. ОБОСНОВАНИЕ СОЗДАНИЯ ЭФФЕКТИВНОЙ ХТС
1.1 СЫРЬЕ ДЛЯ ПРОИЗВОДСТВА АЛЮМИНИЯ
Алюминий входит в состав многих металлов, однако в качестве алюминиевых руд используются только бокситы, нефелины, алуниты и каолины. Они различаются составом и концентрацией оксида алюминия. Важнейшей алюминиевой рудой являются бокситы, содержащие гидратированный оксид алюминия . В зависимости от степени гидратации алюминиевый компонент в бокситах может находиться в форме диаспора (или ) или в форме гидроаргелита (или ). Помимо оксида алюминия в состав бокситов входит оксид кремния и различные соединения железа, кальция и магния. Основная характеристика бокситов, от которой зависит выбор метода их переработки – отношение содержания в них оксида алюминия к содержанию оксида кремния . Для бокситов, используемых в алюминиевой промышленности, модуль должен быть не ниже 2,6; для бокситов среднего качества он составляет 5-7, чему соответствует содержание оксида алюминия 46-48%.
Нефелины представляют собой сложную тройную соль состава и входят как составная часть в апатит-нефелиновую руду, содержащую кроме нефелина апатит . Для производства алюминия используют нефелиновый конденсат с содержанием оксида алюминия 20-30%.
Алуниты представляют двойную основную сернокислую соль алюминия и калия состава . Содержание оксида алюминия в алунитах не превышает 20%.
1.2 ОБЩАЯ СХЕМА ПРОИЗВОДСТВА АЛЮМИНИЯ
Технология получения металлического алюминия из руд очень сложна и состоит из четырех производств, связанных между собой технологической цепочкой и производными продуктами. Она включает:
- производство глинозема;
- производство фтористых солей и криолита;
- производство угольных изделий (электродов и блоков футеровки);
- производство электролитического алюминия.
Основными производствами, составляющими технологическую цепочку
 Руда Глинозем Алюминий,
являются производства глинозема и алюминия. Территориально они обычно разделены. Вследствие высокой энергоемкости процесса электролитического восстановления алюминия алюминиевые заводы располагаются в районах с дешевой электроэнергией ГЭС. Производства глинозема, наоборот, базируются в местах добычи алюминиевых руд с тем, чтобы сохранить расходы на перевозку сырья.
Производство фтористых солей и криолита ставит целью получение растворителя для глинозема и добавок, снижающих температуру плавления электролита.
Организация отдельного производства угольных изделий вызвана тем, что в процессе электролиза угольные аноды и футеровка электролизеров расходуются и требуют непрерывного пополнения.

Рис. 4.1. Принципиальная схема производства алюминия.
1.3 ПРОИЗВОДСТВО ГЛИНОЗЕМА
Исходный материал для электролитического производства алюминия – это чистый оксид алюминия – глинозем. Для выделения глинозема из алюминиевых руд его переводят в растворимую соль (алюминат натрия), которую отделяют от остальных компонентов руды, осаждают из ее раствора гидроксид алюминия и кальцинацией последнего получают глинозем.
Метод выделения глинозема из руды зависит от ее состава. Эти методы подразделяются на химико-термические (пирометаллургические), кислотные и щелочные (гидрометаллургические). К пирометаллургическим методам относится метод спекания; к гидрометаллургическим методам – щелочной метод Байера.
МЕТОД БАЙЕРА (мокрый метод, метод выщелачивания) является наиболее распространенным методом производства глинозема. В основе метода лежит обратимый процесс взаимодействия гидратированного оксида алюминия с водным раствором гидроксида натрия с образованием алюмината натрия. Метод применяется для выделения глинозема из бокситов с малым (менее 5%) содержанием оксида кремния. При большем содержании метод становится экономически невыгодным вследствие высокого расхода дорогой щелочи на взаимодействие с оксидом кремния.
МЕТОД СПЕКАНИЯ. В основе лежит процесс образования алюминатов натрия в результате взаимодействия при высокой температуре оксида алюминиевой руды с карбонатами металлов, с последующим выщелачиванием алюминатов водой и разложением их оксидом углерода (IV).
Процесс производства глинозема методом спекания универсален и пригоден для переработки всех видов алюминиевого сырья. На практике его применяют для нефелинов и бокситов с высоким (более 5%) содержанием оксида кремния.
При рассмотрении этих методов получения глинозема был выбран метод Байера, так как он является основным и наиболее распространенным методом производства глинозема.
Процесс выделения глинозема по методу Байера состоит из следующих операций:
1. Дробление боксита и мокрый размол его в среде оборотного щелочного раствора с образованием пульпы.
2. Выщелачивание оксида алюминия оборотным раствором гидроксида натрия по реакциям:
(диаспор)
(гидроаргелит)
Одновременно протекает реакция образования силиката натрия, на что расходуется часть реакционной щелочи:

Выщелачивание представляет гетерогенный процесс насыщения водного щелочного раствора оксидом алюминия, скорость которого зависит от дисперсности твердой фазы, концентрации раствора гидроксида натрия и температуры. Режим процесса выщелачивания определяется степенью гидратации оксида алюминия в боксите: диаспор выщелачивают при 240°С и р=3МПа; гидроаргелит – при 100°С и р=0,1МПа. Степень извлечения оксида алюминия достигает 0,92% за три часа и в дальнейшем практически не изменяется; концентрация гидроксида натрия в растворе щелочи при этом падает.
3. Разбавление-самоочищение при добавлении к пульпе воды с образованием нерастворимого гидратированного алюмината натрия:

В результате этой реакции часть алюминиевого компонента теряется, при этом тем больше, чем выше содержание оксида кремния в боксите. Осадок алюмосиликата, окрашенный оксидом железа (III) в красно-бурый цвет, получил название красного шлама.
4. Фильтрование раствора алюмината натрия, отделение и промывка красного шлама.
5. Декомпозиция раствора алюмината натрия при понижении температуры и интенсивном перемешивании пульпы:

Декомпозиция – это самопроизвольный протекающий процесс гидролиза алюмината натрия. Он ускоряется введением кристаллического гидроксида алюминия, что одновременно способствует образованию крупных кристаллов гидроксида алюминия за счет создания в системе центров кристаллизации.
6. Сгущение пульпы с последующим отделением гидроксида алюминия на вакуум-фильтре и классификация полученного продукта с выделением основной фракции.
7. Упаривание маточного раствора до образования оборотного щелока и его подкрепление гидроксидом натрия.
8. Каустификация образовавшегося карбоната натрия гидроксидом кальция и возвращение образовавшегося белого шлама в технологический процесс:

9. Кальцинация гидроксида алюминия при 1200°С:

Полученный по методу Байера глинозем представляет смесь -модификации (корунд) и -модификации оксида алюминия. Технический продукт представляет белое кристаллическое вещество и выпускается нескольких марок, различающихся чистотой. Наиболее вредными примесями в глиноземе являются оксид кремния, оксид железа (III) и оксид титана (IV).

Рис. 4.2. Принципиальная схема производства глинозема по методу Байера
Из принципиальной схемы процесса следует, что в методе выщелачивания Байера осуществляется замкнутый технологический цикл щелочи. Щелочь, затраченная на выщелачивание оксида алюминия из боксита, регенерируется на стадиях декомпозиции и каустификации и возвращается в процесс на обработку новых порций боксита. Таким образом, в методе Байера реализуется принцип организации малоотходного производства.
1.4 ЭЛЕКТРОЛИТИЧЕСКОЕ ПРОИЗВОДСТВО АЛЮМИНИЯ
Единственным промышленным методом получения металлического алюминия из его оксида является электролиз его расплава.
Температура плавления чистого оксида алюминия в его -модификации, устойчивой выше 900°С, равна 2053°С. Электролиз его расплава связан с весьма высоким расходом электроэнергии на расплавление и поддержание высокой температуры ванны и приводит к низкому выходу по энергии. Поэтому в производстве алюминия применяют не чистый оксид алюминия, а систему, состоящую из оксида алюминия и криолита , то есть криолит-глиноземный расплав.
Криолит плавится при 1100°С. Он образует с оксидом алюминия при содержании последнего около 15% мас. эвтектику с температурой плавления 938°С. Дальнейшее увеличение содержания глинозема в расплаве приводит к резкому повышению температуры плавления системы.
Для снижения температуры плавления электролита, увеличения его электропроводности, улучшения смачиваемости им анода в расплав вводятся добавки фторидов алюминия, магния, лития и кальция. Промышленный электролит имеет состав:
 2-4%, .
В результате диссоциации основных компонентов системы

и 
а также добавок фтористых солей, расплавленный электролит представляет сложную многокомпонентную систему, содержащую ионы:
.
Таблица 4.1. Первичные процессы при электролизе
| Электрод |
Потенциал разряда, В |
Первичная реакция |
| Катод |
+2,71
+1,66
|


|
| Анод |
более -0,5
-0,47
|


|
Следовательно, при электролизе криолитоглиноземного расплава разряжаются ионы .
Вторичные процессы при электролизе криолитоглиноземного расплава протекают как в анодном, так и в катодном пространствах.
В анодном пространстве при температуре электролиза происходит непрерывное окисление угольных анодов с образованием смеси оксида углерода (II) и оксида углерода (IV):

Суммируя реакции первичных и вторичных процессов, получаем суммарные уравнения реакций электролиза:

Основным аппаратом в процессе электролитического получения алюминия является электролизер или алюминиевая ванна.

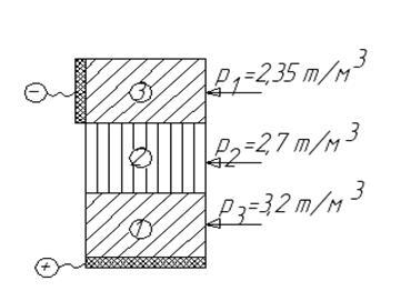
Рис. 4.3. Схема электролизера: а – ванна с самообжигающимися анодами, б – блок с предварительно обожженным анодом 1-кожух, 2-огнеупорная футеровка, 3-футеровка из угольных плит, 4-глинозем, 5-слой расплавленного электролита, 6-гарнисаж, 7-слой алюминия, 8-рабочий блок обожженного электрода, 9-токоподводы, 10-наращиваемый блок, 11-кожух анодной массы, 12-анодная масса.
Электролизер состоит из катодного и анодного устройств. Катодное устройство представляет металлический кожух прямоугольной формы с огнеупорной изоляцией, футерованный изнутри угольными плитами и блоками. Нижние блоки являются одновременно токоподводами для расплавленного алюминия, играющего роль катода. Электролизер снабжен системой газоулавливания и дожигания оксида углерода (II), устройством для непрерывной подачи глинозема и системой откачивания металлического алюминия.
Анодное устройство состоит из угольных анодов, частично погруженных в расплавленный электролит, и запрессованных в них токоподводов. Применяют непрерывные аноды различной конструкции. В современных электролизерах используют непрерывные аноды двух типов: самообжигающиеся и предварительно обожженные. Самообжигающийся анод состоит из алюминиевого кожуха, в который помещена брикетированная анодная масса с запрессованными в нее токоподводами.
В современных электролизерах высокой мощности применяют предварительно обожженные аноды, которые состоят из блоков, наращиваемых сверху по мере их обгорания. Токоподводы впрессованы сбоку в готовые блоки.
Вследствие разности плотностей жидкий алюминий отделяется от криолит-глиноземного расплава и собирается на дне ванны. В процессе электролиза в результате охлаждения ванны наружным воздухом на поверхности расплава образуется твердый слой электролита (гарнисаж), который утепляет ванну и снижает расход энергии. Для извлечения из ванны расплавленного алюминия используют вакуумные ковши или сифоны, засасывающая труба которых вводится в жидкий алюминий через слой гарнисажа.
Глинозем непрерывно подается в электролизер с помощью пневматического штокового устройства, позволяющего пробивать корку гарнисажа и дозировать глинозем.
Система газоулавливания электролизера предназначена для сбора выделяющихся при электролизе газов и удаления их в газоочистную систему.
2. ОЧИСТКА И РАФИНИРОВАНИЕ АЛЮМИНИЯ
Примеси значительно ухудшают механические, электрические и литейные свойства алюминия и снижают его коррозионную стойкость. Для очистки от механических примесей и растворенных газов алюминий, выкаченный из ванны, хлорируют в вакуум-ковшах. При этом хлорируются водород и некоторые металлы, а образовавшиеся хлориды и механические примеси, всплывают на поверхность металла и удаляются:


Рис. 4.4. Схема электролитического рафинирования алюминия: 1-слой рафинируемого (верхний слой) – очищенный алюминия, содержащего медь, 2-слой электролита, 3-слой чистого алюминия.
После хлорирования алюминий выдерживают в электрических печах для удаления остатков примесей и усреднения состава, после чего отливают в слитки. После такой очистки получают алюминий марки А85, который содержит не менее 99,85% металла. Для получения алюминия высокой и особой чистоты его подвергают дополнительному рафинированию. В промышленности применяют два метода рафинирования: электролитический и с помощью субсоединений алюминия.
В основе электролитического трехслойного метода рафинирования лежит процесс анодного окисления и последующего катодного восстановления алюминия. Анодом электролизера является рафинируемый алюминий, содержащий для увеличения
Между катодом и анодом располагается расплавленный электролит, состоящий из смеси хлоридов бария и натрия и фторидов алюминия и натрия.В процессе рафинирования алюминий растворяется на аноде:
,
ионы его, вследствие разности плотностей слоев загрязненного алюминия и электролита, проходят через слой последнего и восстанавливаются на катоде:

В то же время примеси с большим потенциалом остаются в слое рафинируемого металла и накапливаются в слое электролита. По мере накопления примесей анодный сплав и электролит периодически заменяют. Полученный этим методом рафинирования алюминий имеет чистоту 99,99%.
Рафинирование с помощью субсоединений основано на возгонке легколетучих субсоединений одновалентного алюминия, образующихся при высокотемпературной обработке рафинируемого алюминия хлоридом алюминия (III). Примеси при этом не перегоняются и остаются в остатке от рафинирования.
Чистота алюминия, полученного через субсоединения равна 99,9995%.
Алюминий сверхвысокой чистоты (99,9999%) может быть получен методом зонной плавки.
3. ОПРЕДЕЛЕНИЕ ТЕХНОЛОГИЧЕСКОЙ ТОПОЛОГИИ ХТС
Определение видов связи между аппаратами в технологической схеме производства глинозема по методу Байера.
В этой схеме в основном используется последовательный тип соединения аппаратов.
Смеситель пульпы, подогреватель пульпы, греющие автоклавы и реакционные автоклавы имеют последовательное соединение, таким образом, бокситовая пульпа проходит через эти аппараты последовательно, где происходит ее дробление, мокрый размол и выщелачивание. Реакционные автоклавы соединены с сепаратором пара и жидкости и с разбавителем последовательно-обводной связью. Сепаратор пара соединен с подогревателем обратной связью, так как образовавшийся в сепараторе пар возвращается в подогреватель для его обогрева. Пульпа из сепаратора подается последовательно в разбавитель, далее в сгуститель шлама, а затем на отделение красного шлама в вакуум-фильтр. Вакуум-фильтр параллельно соединен с промывателем шлама и декомпозером, так как отделившийся на фильтре шлам поступает на промывание, а раствор алюмината натрия поступает в декомпозер, где перемешивается воздухом. Далее декомпозер, сепаратор глинозема, бункер, трубчатая печь и трубчатый холодильник соединены между собой последовательно.
Так как в схеме существует обратная технологическая связь, то схема является замкнутой.
В методе выщелачивания Байера осуществляется замкнутый технологический цикл по щелочи. В результате чего реализуется принцип организации малоотходного производства.
4. УСТАНОВЛЕНИЕ ТЕХНОЛОГИЧЕСКИХ И КОНСТРУКЦИОННЫХ ПАРАМЕТРОВ ХТС, ТЕХНИЧЕСКИХ ПАРАМЕТРОВ РЕЖИМА И ПОТОКОВ
Реакционный автоклав для выщелачивания боксита представляет вертикально расположенный сварной сосуд диаметром до 2,5 м и высотой 14 – 18 м. степень разложения сырья до 0,9 долей ед.
Наиболее совершенный декомпозер с воздушным перемешиванием представляет собой стальной бак с коническим дном диаметром 9 м и высотой до 35 м.
Таблица 4.2. Расходные коэффициенты на 1 т глинозема.
| Боксит |
2,0 – 2,5 т |
| Гидроксид натрия |
0,07 – 0,09 т |
| Известняк |
0,12 т |
| Пар |
7 – 9 т |
| Вода |
150  |
| Электроэнергия |
300 кВт |
Таблица 4.3. Характеристики электролизеров для производства алюминия с непрерывными предварительно обожженными анодами.
| Сила тока |
50 – 150 кА |
| Расход электроэнергии |
13,8 – 15,0 МВт×ч/т |
| Рабочее напряжение |
4,2 – 4,5 В |
| Выход по току |
0,9 долей ед. |
| Выход по энергии |
0,3 долей ед. |
Производительность подобных электролизеров составляет от 0,5 до 1,2 тонны алюминия в сутки и может быть рассчитана по формуле:

где П – производительность электролизера, т/сут;
J – Сила тока, А;
- время электролиза, ч;
- выход по току, долей ед.
Таблица 4.4. Расходные коэффициенты на 1 тонну алюминия.
| Глинозем |
2,0 т |
| Анодная масса |
0,7 |
| Криолит |
0,1 т |
| Электроэнергия |
18 Вт×ч |
5. ИЗОБРАЖЕНИЕ ГРАФИЧЕСКИХ МОДЕЛЕЙ ХТС
Химическая схема

 


Функциональная схема

Структурная схема
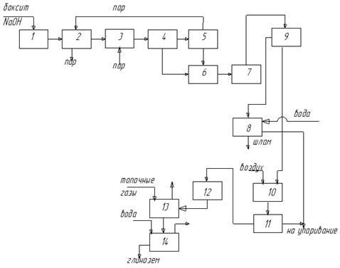
1 – смеситель пульпы
2 – подогреватель пульпы
3 – греющие автоклавы
4 – реакционные автоклавы
5 – сепаратор пара и жидкости
6 – разбавитель
7 – сгуститель шлама
8 – промыватель шлама
9 – вакуум-фильтр
10 – декомпозер
11 – сепаратор глинозема
12 – бункер
13 – трубчатая печь
14 – трубчатый холодильник
Технологическая схема

1-смеситель пульпы,
2-подогреватель пульпы,
3-греющие автоклавы (два),
4-реакционные автоклавы (6),
5-сепаратор пара и жидкости,
6-разбавитель,
7-сгуститель шлама,
8-промыватель шлама,
9-вакуум-фильтр,
10-декомпозер,
11-сепаратор глинозема,
12-бункер,
13-трубчатая печь,
14-трубчатый холодильник.
Технологический процесс производства глинозема по методу Байера организуется следующим образом. Бокситовая пульпа из смесителя 1 подается в подогреватель 2, обогреваемый паром из сепаратора 5. Из подогревателя пульпа поступает в батарею греющих автоклавов 3 и затем в батарею реакционных автоклавов 4, где протекает процесс выщелачивания, откуда направляется в сепаратор 5. В сепараторе давление снижается от 3 МПа до атмосферного, вследствие чего пульпа вскипает и образовавшийся пар направляется в подогреватель 2. После этого пульпа, состоящая из щелочного раствора алюмината натрия и красного шлама, разбавляется в разбавителе 6 и поступает в сгуститель пульпы 7 и, далее, для отделения красного шлама на фильтр 9. Отделившийся шлам промывается водой в промывателе 8, а раствор алюмината натрия поступает в декомпозер 10, где перемешивается барботирующим воздухом. Из декомпозера гидратная пульпа, состоящая из кристаллов гидроксида алюминия и маточная раствора, направляется в сепаратор кристаллов 11, где кристаллы отделяются от маточного раствора и, пройдя бункер 12, поступают в трубчатую печь кальцинации 13, после чего охлаждаются в трубчатом холодильнике 14. Отделенный маточный раствор соединяется с раствором из промывателя шлама 8 и направляется на упаривание.
Основные аппараты: реакционный автоклав и декомпозер.
|