ЗАДАЧА 1
1. Приведите логическую схему четырехразрядного регистра заданного типа (см.табл.1) на D– триггерах. Обозначьте входы и выходы.
2. Выберите из табл.1 микросхему регистра для заданного варианта.
2.1 Приведите условное графическое обозначение заданной микросхемы.
2.2 Укажите назначение всех выводов.
2.3 Укажите тип регистра.
2.4 Перечислите основные функции, выполняемые заданным регистром.
2.5 Определите разрядность регистра ( n ).
3. Укажите на рисунке п.2.1 сигналы, подаваемые на информационные входы регистра в режиме записи заданного двоичного числа ( см.табл.1 ) в параллельной форме.
4. Укажите номера и типы входов, на которые надо подавать управляющие сигналы в режиме параллельной записи.
5. Укажите на выходах ( рис.п.2.1 ) двоичное число, зафиксированное в регистре после выполнения сдвига вправо на 4 разряда. Постройте диаграмму сдвига. Укажите номер входа, на который поступают импульсы сдвига.
Таблица 1
Номер
варианта
|
Тип регистра |
Тип микросхемы |
Двоичное число |
| 3 |
параллельный |
К155ИР13 |
11101010 |

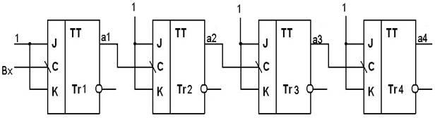
Рис.1 Логическая схема четырёхразрядного параллельного регистра выполненного на D – триггерах.
К155ИР13

Рис.2 Условное графическое обозначение микросхемы регистра типа К155ИР13.
1,23 – входы выбора режима (последовательный – параллельный ввод);
2 – вход информации при сдвиге вправо;
22 – вход информации при сдвиге влево;
3,5,7,9,15,17,19,21 – информационные входы;
4,6,8,10,14,16,18,20 – выходы;
11 – вход синхронизации;
12 – общий;
13 – вход сброса;
24 – Uп
К155ИР13 – комбинированная микросхема регистра; может быть использована в качестве параллельного или последовательного регистра, а также, как регистр левого и правого сдвигов.
Микросхема регистра анализируемого типа К155ИР13 способна производить следующие виды операций:
а) хранение восьмиразрядного двоичного числа; введённого параллельным или последовательным способом;
б) сдвиг хранимого в регистре восьмиразрядного двоичного числа на определённое количество разрядов влево и вправо.
Разрядность данного регистра определяется количеством информационных входов ( D0 – D7 ), в данном случае, К155ИР13 – восьмиразрядный регистр.
Режим параллельной записи двоичного числа обеспечивается возбуждением прямого статического входа S0 выбирающего параллельный режим ввода ( 1-й вывод микросхемы регистра ).
При подаче уровня логической единицы, стробирующего импульса, на прямой динамический вход синхронизации C микросхемы ( 11-й вывод ), триггеры установятся в состояние определённые действующим на входах D0 – D7 двоичным числом ( 1110101 ).
Строим диаграмму сдвига двоичного восьмиразрядного числа, вправо на четыре разряда.

Рис.3 Содержимое регистра в процессе выполнения последовательных сдвигов вправо на четыре разряда восьмиразрядного двоичного числа ( в скобках указаны номера выводов микросхемы ).
ЗАДАЧА 2
1. Приведите логическую схему суммирующего счётчика на асинхронных Т – триггерах с инверсными динамическими входами.
1.1 Постройте временную диаграмму работы данного счётчика.
2. Выберите из табл.2 микросхему счётчика для своего варианта.
2.1 Приведите условное графическое обозначение заданной микросхемы.
2.2 Укажите назначение всех выводов.
2.3 Объясните назначение данного счётчика.
3. Определите разрядность счётчика ( n ) и коэффициент пересчёта (N). Определите максимальное значение числа, которое может быть зафиксировано счётчиком в одном цикле, и запишите его двоичным кодом.
4. Укажите на рисунке п.2.1. сигналы, подаваемые на входы счетчика для предварительной записи двоичного кода, заданного в табл.2. Укажите номер входа, на который поступают импульсы, подлежащие счету в режиме сложения.
5. Выполните расчет и укажите на выходах (рис. П.2.1) двоичный код, зафиксированный в счетчике в режиме сложения после поступления заданного числа входных импульсов, если предварительно в нем был записан заданный двоичный код.
Данные приведены в табл.2.
Таблица 2
Тип микросхемы
|
Двоичный код
|
Число входных импульсов
|
| К531ИЕ15 |
1000 |
75 |

Рис.4.Логическая схема четырехразрядного суммирующего счетчика на асинхронных Т-триггерах типа JK с инверсными динамическими входами

Рис.5.Временная диаграмма работы счетчика, представленного на рисунке 4.

Рис.6 Условное графическое обозначение микросхемы счётчика типа К531ИЕ15.
1 – вход разрешения предварительной установки; 13 – вход сброса;
8 – вход счётный 1; 6 – вход счётный 2; 4 – вход разряда 1; 10 – вход разряда 2;
3 – вход разряда 3; 11 – вход разряда 4; 5 – выход разряда 1; 9 – выход разряда 2;
2 – выход разряда 3; 12 – выход разряда 4; 7 – общий; 14 – Un.
Микросхема К531ИЕ15 представляет собой четырёхразрядный двоичный счётчик с возможностью переустановки.
Поступление на вход микросхемы счётчика, рассматриваемого типа ( К531ИЕ15 ), очередного импульса ( уровня логической 1 ) вызывает увеличение, на одну единицу хранимого в счётчике четырёхразрядного двоичного числа. Таким образом, данное логическое устройство, осуществляет операцию суммирования предыдущего значения двоичного числа с единицей.
3.Разрядность счётчика ( n ) определяется количеством выходов разрядов, и в нашем случае: n=4
Коэффициент пересчёта определяем по формуле:
N=2 =2 =16
Максимальное значение числа, зафиксированное счётчиком в одном цикле:
N – 1 = 16 – 1 = 15 = 1111
4.Входы ( С1 и С2 ), на которые подаются тактовые импульсы, инверсные динамические.
5. Так как представленный, в нашем случае, счётчик – четырёхразрядный, то, следовательно при суммировании поступающих на вход микросхемы 75 импульсов с хранимым в триггерах этого счётчика двоичного числа 1000 (2), на выходах микросхемы (Q1 ÷ Q4 ) зафиксируется следующее двоичное число:
Дано: N = 16
M = 75
A= 1000;
Двоичный код = ?
5.1 Определим, сколько импульсов предварительно просчитал счётчик, зафиксировав исходный код 1000:
А = 1000(2) = 8(10)
5.2Определим общее число импульсов, поступивших в счётчик :
8 + 75 = 83
5.3 Чтобы зафиксировать число 83, счётчик просчитает 5 полных циклов и в последнем цикле зафиксирует остаток :
83 – К × 16 = 83 – 5 × 16 = 3(10) = 0011(2)
Остаток – число 3 двоичным кодом 0011 будет зафиксирован на выходах счётчика.
ЗАДАЧА 3
1. Выберите из таблицы данных микросхему запоминающего устройства (ЗУ):
1.1 Приведите условное графическое микросхемы.
1.2 Определите, к какому типу ЗУ она относится.
1.3 Объясните назначение заданной микросхемы и укажите режимы ее работы.
1.4 Укажите назначение всех выводов микросхемы.
2. Определите организацию памяти данной микросхемы.
3. Выполните расчёт информационной ёмкости (М).
4. Определите и укажите ( на рис.п.1.1 ) значение логических сигналов, подаваемых на входы микросхемы ЗУ для обеспечения заданного режима работы.
5. Запишите адрес ячейки памяти, к которой происходит обращение в десятичной и шестнадцатеричной системах счисления.
Таблица 3
Тип
Микросхемы
|
Режим
работы
|
Адрес ячейки
памяти
|
| К176РУ2 |
Запись 0 |
11010011 |
1.1

Рис.7 Условное графическое обозначение микросхемы ОЗУ, типа К176РУ2.

Рис.8 Функциональная схема ОЗУ К176РУ2 емкостью 256 бит.
1.2 Микросхема ЗУ, типа К176РУ2, относится к оперативным запоминающим устройствам ( ОЗУ ) статического типа.Для выбора 256 ячеек необходимы восемь адресных входов. Они разделены на две четверки, каждая из которые управляет дешифратором на 16 положений. При любой комбинации сигналов A1-A8 единичные значения сигналов на шине строки и шине столбца окажутся только у одного элемента памяти. Только этот элемент будет воспринимать управляющие сигналы, идущие по общим шинам: выбор микросхемы CS (Chip Select), разрядная шина 1, разрядная шина 0. Анализ логической структуры блока местного управления (три элемента И) позволяет составить таблицу режимов работы этого ОЗ
Таблица 4
| CS |
R / W |
Функция |
| 0 |
1 |
Запись в выбранную ячейку |
| 0 |
0 |
Считывание из выбранной ячейки |
| 1 |
0 |
Хранение информации |
| 1 |
1 |
Хранение информации |
1.3 Оперативное запоминающее устройство используется в условиях, когда необходимо выбирать и обновлять хранимую информацию в высоком темпе работы цифрового устройства. В виду этого, в ОЗУ предусматриваются режимы чтения хранимых слов и записи новых слов с высоким быстродействием.
В цифровых устройствах ОЗУ используется для хранения данных, а также исходных, промежуточных и конечных результатов обработки данных.
1.4 Выводы 1,2,3,6,7,9,10,11 (А0 ÷ А7)- адресные входы; 14(D1)- вход данных;
14 (D1)- вход данных;
15 (WR/RD)- комбинационный вход;для подачи сигнала записи (прямой статический )/ для подачи сигнала считывания ( инверсный статически )
16 (CS)-вход выбора микросхемы (прямой статический);
12 (D0) - выход данных (прямой статический );
13 (D0) - выход данных (инверсный прямой статический ).
2. Определяем число хранимых слов (N)
N=2m=28=256
Организация памяти рассматриваемой микросхемы: 256×1
3.Информационная емкость микросхемы:
M=N·n=256·1=256 бит=32 байт.
4. Определим сигналы, необходимые для подачи на соответствующие выводы микросхемы ОЗУ К176РУ2, в целях обеспечения режима записи логического 0, по адресу 11010011.
а) адрес 11010011 поступает на адресные входы микросхемы (А0 ÷ А7),
б) режимы записи устанавливается при подаче сигнала логической 1 на вход WR/RD.
в) обращение к ячейке памяти микросхемы (выполнение операции записи) происходит при подаче на вход CS сигнала логической 1.
г) на информационный вход DI поступает сигнал логического 0 (сигнал записи).
Определяем десятичный адрес ячейки памяти, в которую производится запись 0, путем перевода двоичного адреса в десятичную систему счисления
11010011(2)=1·27+·1·26+·1·24+1·21+·1·20=211(10)
Определим шестнадцатеричный адрес ячейки :
11010011(2)=D3(16)
ЗАДАЧА 4
1. Дайте определение понятий: микропроцессор (МП), микропроцессорный комплект (МПК), микро ЭВМ, микропроцессорная система (МПС).
2. Приведите структурную схему МПС на базе МПК 580.
2.1 Кратко укажите назначение основных устройств МПС.
2.2 Дайте определение понятий “шина”.
2.3 Какие шины имеются в данной МПС?
Укажите назначение и разрядность каждой из них.
1. Микропроцессор (МП) - это программно –управляемое устройство для обработки цифровой информации, построенное на одной или нескольких больших интегральных схем (БИС).
Микропроцессорный комплект (МПК) – это совокупность микропроцессорных и других интегральных схем микросхем, совместимых по архитектуре, конструктивному исполнению и электрическим параметрам.
Микро-ЭВМ-это ЭВМ, состоящая из МП, полупроводниковой памяти, устройства ввода-вывода и блоков сопряжения с периферийными устройствами. Микро-ЭВМ имеет законченную конструкцию и стандартное программное обеспечение, является универсальным средством обработки информации, применяется для исследований, проектирования, вычислений, управления и т.д.
Микропроцессорная система (МПС) - представляет собой, специализированную цифровую систему, включающую в себя микро-ЭВМ и средства сопряжения с объектом. Обычно МПС выполняет ограниченный набор программ, хранящихся в ПЗУ; применяется в управляющих и информационных системах. Примеры применения:
-управление коммутацией в электронных АТС
-обработка информации в радиотехнических системах;
-управление роботизированными комплексами в технологии.
2.1 МПК К580 - универсальный МПК широкого применения, является наиболее функционально полным микропроцессорным комплектом. Микропроцессорная система состоит из МП, генератора тактовых импульсов, оперативной памяти, устройства ввода-вывода;
МП содержит:
Счетчик команд (СК) - регистр, содержащий адрес следующей команды;
Регистр команд (РК) - регистр, содержащий прочитанный из памяти код команды;
Устройство управления (УУ) - управляет работой всех частей МПС. УУ получает код команды, которую надо выполнить и настраивает систему на ее выполнение.
АЛУ - арифметическое логическое устройство, где происходит обработка информации; выполняет арифметические и логические операции;
Аккумулятор (А) - регистр, где хранятся результаты работы АЛУ.
Рабочие регистры – регистры, предназначенные для хранения промежуточной информации.
МП выполняет два действия:
1. Из счетчика команд выдается адрес ячейки, из которой читается очередная команда, код которой записывается в регистр команд;
2. МП выполняет эту команду.
Примерами таких команд является: ввод данных из устройства ввода в аккумулятор, обработка введенных данных, сохранение результата предыдущей обработки в память данных, команды вывода результата обработки.
Таким образом, работу МП можно свести к 5 видам основных команд:
1) Ввод;
2) Вывод;
3) Чтение памяти (ЧтПм);
4) Запись памяти (ЗпПм);
Стр.11
5) Команды внутри МП.
Подробная структурная схема МПС приведена на рис. 9.
Шина адреса (ША) - совокупность линий, по которым передается адрес.
Шина данных (ШД) - совокупность линий, по которым передаются данные.
Шина управления (ШУ) - предает команды всем устройствам. Шина управления передает сигналы: чтение памяти (ЧтПм), запись памяти (ЗпПм), чтение ввода (Ввод), запись вывода (Вывод).
Буфер адреса - в него поступает информация из СК и РА ( адреса команд и данных);
Буфер данных - согласует между собой внешнюю и внутреннюю ЩД.
Дешифратор - предназначен для формирования индивидуальных сигналов при поступлении на вход дешифратора соответствующих адресов.
Регистры, имеющие адрес называются портами.
Оперативная память –основная память МПС. Различают два вида памяти: оперативную (ОЗУ); постоянную (ПЗУ).
ПЗУ - предназначено для записи и считывания команд в ходе выполнения программы, а также хранения исходных данных и результатов вычислений.
ПЗУ - предназначено для хранения стандартных программ. Информация в ПЗУ, будучи однажды записана, не изменяется.
Основная память состоит из однотипных ячеек, длина (разрядность) которых составляет 8 бит(1 байт). Ячейки пронумерованы, номера их называются адресами, и для обращения к ячейке, достаточно указать ее адрес.
УВВ - устройства ввода-вывода информации, предназначены для взаимодействия МПС с внешними (периферийными) устройствами.
ГТИ - генератор тактовых импульсов, синхронизирует во времени работу микропроцессора. В качестве
2.2 Шина – это совокупность линий, объединенных общим функциональным назначением, обеспечивающих ввод информации в микропроцессор ( или вывод из него ) в виде параллельного двоичного кода.
2.3 Различают три вида шин:
Адресная шина ( ША ) – однонаправленная, служит для трансляции адреса от микропроцессора к памяти и УВВ. Так же ША служит для указания номера ячейки памяти, в которой хранится очередная команда программы или байт операнда. ША имеет 16 линий, код адреса 16-ти разрядный, при этом ёмкость памяти равна
216= 64 кбайт. При записи адресов чаще всего используют шестнадцатеричную систему счисления, поэтому диапазон адресов составляет от 0000 до FFFF.
Шина данных ( ШД ) – двунаправленная, служит для передачи данных в двух направлениях. Для МПК580 шина данных восьми разрядная.
ШД является основным информационным трактом МПС. Её образует восемь двунаправленных линий D7÷ D0, посредством которых осуществляется обмен информацией между всеми компонентами микропроцессорной системы : передаются команды, операнды, результаты операций, входящие и исходящие данные.
Шина управления ( ШУ ) – состоит из линий, по которым передаются тактовые и синхронизирующие импульсы и информация о состоянии устройства.
ШУ имеет часть однонаправленных, часть двунаправленных линий. ШУ МПК580 состоит из двенадцати линий для передачи управляющих сигналов.
ЗАДАЧА 5
1, Приведите структурную схему центрального процессорного элемента ( микропроцессора ) серии К580.
2. Объясните, какие функции выполняет микропроцессор.
3. На структурной схеме микропроцессора цветным карандашом выделите узлы, указанные в таблице 5для вашего варианта. Кратко опишите их назначение.
4. Запишите мнемокод команды, заданной в таблице 5. Укажите содержание и формат команды. Запишите шестнадцатеричный и двоичный код заданной команды.
Таблица 5
| Узлы микропроцессора |
Мнемокод команды |
| А, РОН, БД, БА |
LDA 84 F5 |

Рис.10 Структурная схема микропроцессора КР580ВМ80А.
2. Микропроцессор выдаёт в шину адреса, адрес ячейки оперативной памяти, хранящей вызываемую команду, и по управляющей цепи подаётся сигнал на чтение из оперативной памяти. Выданная команда, через шину выходных данных принимается в микропроцессор. По принятой команде в управляющей памяти микропроцессора находится соответствующая команде микропрограмма, и затем, осуществляется её исполнение.
3. Аккумулятор (А)– 8-ми разрядный регистр. Этот регистр всегда используется в качестве источника одного из операндов, а также местом, где фиксируется результат операции. В команде аккумулятор в явном виде не адресуется, т.е. на его использование всегда указывает код операции команды.
Использование аккумулятора и общих регистров позволяет при выполнении команд уменьшить обращение к памяти, а следовательно, повысить быстродействие
Регистры общего назначения (РОН) B, C, D, E, H, L – 8ми разрядные регистры, используются для хранения операндов, промежуточных и конечных результатов, являются программно доступными. Эти регистры могут использоваться как одиночные восьмиразрядные регистры или в случаях, когда возникает необходимость хранить шестнадцатиразрядные числа, они объединяются в пары BC, DE, HL.
Буфер данных ( БД ) и буфер обмена ( БА ) – те же регистры, имеющие третье состояние, предназначенное для согласования работы внутренней и внешней шин данных и адреса. Наличие в МПС буферных схем позволяет обеспечить реализацию магистрального принципа межмодулярных связей. обеспечивают связь процессора с внешними шинами данных и адреса. Буфер адреса - в него поступает информация из СК и РА ( адреса команд и данных); Буфер данных - согласует между собой внешнюю и внутреннюю ЩД.
4. Команда LDA
По команде LDA в аккумулятор загружается содержимое ячейки памяти, адрес которой следует за кодом операции.
LDAaddr16
; addr16
®A
Команды LDA и STA являются трехбайтными. В первом байте содержится код операции, во втором байте - младший байт адреса ( addrмл ), а в третьем байте - старший байт адреса ( addrст ).
Таблица 6
| Мнемокод |
LDA 84 F5 |
| Содержание |
A [< B3, B2 >] ; A [< 84F5>] |
| Формат |
3 байта |
| Код операции В1 |
3А(16) 00111010(2) |
| Младший байт В2 |
F5(16) 11110101(2) |
| Старший байт В3 |
84(16) 10000100(2) |
Использованная литература:
1. Б.А. Калабеков В.А., Мамзелев И.А. Цифровые устройства и микропроцессорные системы - М : Радио и связь, 1987 год.
2. Шило В.Л. Популярные цифровые микросхемы : Справочник. – М.: Радио и связь.
3. Методические указания по выполнению контрольных заданий для студентов колледжа телекоммуникаций всех технических специальностей. – Москва 1998 г.
|