Балтийский Государственный технический университет
им. Д.Ф.Устинова (“Военмех”)
|
Кафедра И4
|
Курсовая работа
Расчет радиочастотной части радиовещательного транзисторного приемника длинных волн и УРЧ радиовещательного приемника
|
| |
|
|
| Группа
|
|
| Студент
|
|
| Преподаватель
|
Соколов В.К.
|
| |
Санкт-Петербург
|
Электрический расчет УРЧ радиовещательный приемников
УРЧ с автотрансформаторным включением контура
Исходные данные берем из эскизного расчета приемника:
Минимальная частота диапазона fmin = 200 кГц
Максимальная частота диапазона fmax = 400 кГц
Эквивалентная добротность контура Qэ = 12
Данные транзистора П423:
Y21 = 30 мСм; Rвх = 1,5 кОм; C12 = 5 пф; h21э = 30
Напряжение источника питания Ek = 10 В
- Определяем коэффициент перекрытия по частоте
Kf = fmax/fmin = 400/200 = 2
- Определяем коэффициент перекрытия по емкости

Cнmax = 280 пф
Cнmin = 9 пф
С0
= 40 пф
Спср = 20 пф
Так как Kc>Kf, то условие (26) выполняется
- Определяем индуктивность контура

Для ДВ C0
= 40 пф
- Определяем устойчивый коэффициент усиления

- Определяем коэффициент включения контура в цепь базы транзистора следующего каскада (смесителя)

где Rвх = 1,5 кОм
Rэмах = 6.28 ∙ 0.4 ∙ 106
∙ 2360 ∙ 10-6
∙ 12 = 71∙103
Ом
- Определяем коэффициент включения контура в цепь коллектора
 
- Определяем резонансный коэффициент усиления на fmin
K0
min
= Pk ∙ Pб ∙ Y12 ∙ Rэmin = 0.12 ∙ 0.14 ∙ 10 ∙ 35 = 5.88
Rэ
min
= Rmin Qэ = 3.5 ∙ 103
Ом
- Определяем резонансный коэффициент усиления на fmax
K0
max
= Pk ∙ Pб ∙ Y12 ∙ Rэmax = 0,12 ∙ 0,14 ∙ 10 ∙ 71 = 11,93
Так как K0
max
>Kуст,
то условие (2) выполняется
- Определяем сопротивление резистора Rф
Rф = 0.1Eк / Iобщ = 280 Ом,
где Iобщ = Iко + Iбо + Iд = 3.6 мА
Iко = 3 мА
Iбо = Iко/h21
= 0,1 мА
Iд = 5 ∙ Iбо = 0.5 мА
- Определяем конденсатор фильтра
Сф = 100/2πfmin
Rф = 0.28 мкФ
- Определяем постоянное напряжение на делителе Rб1, Rб2
E`к
= Eк – Iобщ ∙ Rф = 9 В
- Определяем сопротивление резистора в цепи эмиттера
Rэ = 0.1 E`к
/ (Iко + Iбо) = 290 Ом
- Определяем емкость конденсатора в цепи эмиттера
Сэ =100 / 2πfmin
Rвх = 0.24 мкФ
- Определяем емкость разделительного конденсатора
Сб = 20 / 2πfmin
Rвх = 0.008 мкФ
- Определяем сопротивление резистора делителя

E/
к
= 9 В
Eбо = 0.23 В
ER
э
= 0.1 ∙ 9 = 0.9 В
Iд = 0.5 мА
Iбо = 0.1 мА
- Определяем сопротивление резистора делителя
Rб2
= (Eбо + ER
э
) / Iд = 2.26 кОм
Сводная таблица результатов
| Параметр
|
Величина параметра
|
Параметр
|
Величина параметра
|
| расчет
|
по стандарту
|
расчет
|
по стандарту
|
| K
Kc
Cн
min
, пФ
Lk
, мкГ
Kуст
Pб
Pк
K0
min
K0max
|
2
2,2
67
2360
12
0,14
0,12
5,88
11,9
|
-
-
-
-
-
-
-
-
-
|
Rф
, Ом
Сф
, Ом
Ек
, В
Rэ
, Ом
Сэ
, мкФ
Cб
, пФ
Rб1
, кОм
Rб1
, кОм
|
280
0,28
9
290
0,24
6000
13,1
2,26
|
270
0,33
-
300
0,22
5800
13,0
2,2
|
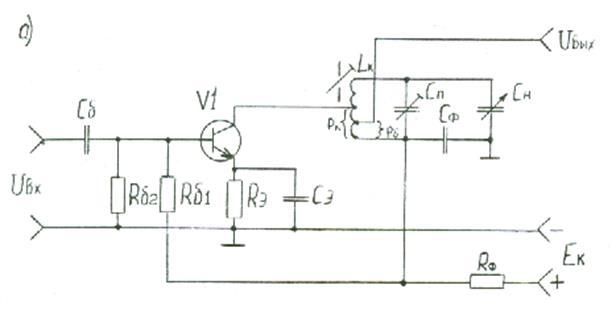
Принципиальная электрическая схема УРЧ с автотрансформаторным включением контура
Выбор элементов.
резисторы МЛТ-0,125;
конденсаторы: КМ5 или КМ6.
Резисторы МЛТ-0,125

Конденсаторы КМ6

Электрический предварительный расчет радиочастотной части транзисторного приемника
Исходные данные:
- Тип радиоприемника – транзисторный
- Источник питания – батарея (с номинальным напряжением 9В)
- Оконечное устройство – громкоговоритель
- Номинальная выходная мощность 0.6 Вт при коэффициенте гармоник по напряжению УЗЧ не более 7%.
- Чувствительность УЗЧ не хуже 0.25 В
- Неравномерность частотной характеристики по напряжению УЗЧ не более 3.5 дБ в диапазоне частот 200-4000 Гц
- Диапазон настройки приемника – ДВ
- Поддиапазон частот настройки приемника, для которого необходимо выполнить расчет – 200-400 кГц
- Тип антенны – наружная.
- Чувствительность приемника ( в телефонном режиме при коэффициенте модуляции 30%, выходной мощности 50 мВт и отношении сигнала к собственным шумам не менее 20 дБ) при приеме на наружную открытую антенну не хуже 150 мкВ.
- Полоса пропускания тракта ВЧ 8 кГц при неравномерности усиления в пределах полосы не более 6 дБ
- Ослабление соседнего канала (т.е. канала, отстающего от полезного на ±10 кГц) не менее 38 дБ при полосе пропускания 8 кГц
- Ослабления дополнительных каналов приема: зеркального канала – не менее 40 дБ, канала промежуточной частоты – не менее 30 дБ
- Действие АРУ: при увеличении э.д.с. в антенне на 28 дБ, напряжение на выходе не должно изменяться более чем на 8 дБ
- Выбор промежуточной частоты
В соответствии с требованиями к промежуточной частоте, а также ГОСТ 5651-64, выбираем промежуточную частоту fпр = 465 кГц
- Выбор транзисторов тракта радио- и промежуточной частот
f0
max
= 400 кГц
f0
min
= 200 кГц
Из табл. 1.1 выбираем транзистор П423, который имеет наименьшую емкость ОС C12
= 5 пФ и высокую предельную частоту fs = 66 Мгц


=> ВЧ y-параметры транзистора П423
S|y12| = 25 мА/В
R11 = 1.5 кОм
С11 = 120 пФ
R22 = 120 кОм
С22 = 8 пФ
С12 (Ск) = 5 пФ
rб
/
= 80 Ом
- Выбор параметров избирательной системы тракта радиочастоты
Исходные данные:
f0
max
= 400 кГц
f0
min
= 200 кГц
dзк = 40 дБ
dк.пр. = 30 дБ
fпр = 465 кГц
П = 8 кГц
Fв = 4 кГц
Определяем эквивалентную добротность контуров преселектора Qэ



Δfсопр
= 2кГц
Мк = 0.7
Выбираем величину эквивалентной добротности
Qэп > Qэ > Qэи
Qэ = 12
Определяем фактическую избирательность по зеркальному каналу

d зкфакт
= 41.58 > d зкзад
= 40 дБ
Определяем ослабление соседнего канала контурами преселектора

Определяем фактически вносимые частотные искажения Mk контурами преселектора:

Определяем ослабление канала промежуточной частоты контурами преселектора

- Выбор избирательной системы тракта промежуточной частоты
fпр
= 465 кГц
dскзад
= 34 дБ
П = 8 кГц
Выбираем четырехзвенный ФСС, который при П=8 кГц дает ослабление соседнего канала 28 дБ
Определяем величину ослабления соседнего канала, приходящуюся на остальные каскады УПЧ
dск
/
= dскз
-dскФСС
– dскпр
= 4.06 дБ
Определяем ослабление соседнего канала каскадом УПЧ с одиночным резонансным контуром

Определяем ослабление соседнего канала каскадом УПЧ с двухконтурным фильтром

Определяем общее ослабление соседнего канала всеми контурами приемника
dскобщ
= 28+1.94+10.4 = 38.4 дБ
Условие dскобщ
> dскз
выполняется
- Определение числа каскадов тракта радиочастоты и распределение усиления по каскадам
Выбираем тип детектора – диодный
Напряжение диодного детектора
Uвхд = Uвх(узч) / Кд
m = 0.25 / 0.15 = 1.67 В
Определяем общий коэффициент радиочастотной части приемника от антенны до входа детектора

Определяем общий коэффициент усиления тракта радиочастоты
Ктрч = 0.5 ∙ 10 ∙ 10 ∙ 1 ∙ 15 ∙ 15 = 11.2 ∙ 103
- Выбор схемы АРУ
Исходные данные:
q = 28 дБ (25 раз) – изменение входного напряжения в антенне приемника
p = 8 дБ (2.51 раза) – изменение выходного напряжения приемника
Определяем требуемое изменение коэффициента усиления приемника под действием системы АРУ
Tп = q / p =25 / 2.51 = 10
Определяем необходимое число регулируемых каскадов УПЧ
NАРУ
= lgTп / lgVT1 = 0.5
Выбираем в качестве регулируемого каскада приемника апериодический каскад УПЧ
Список литературы
1. Методические указания по предварительному расчету радиочастотной части радиовещательного транзисторного приемника ДВ, СВ и КВ. –ЛРПТ, 1985.
2. Методические указания по электрическому расчету УРЧ радиовещательных приемников. –ЛРПТ, 1988.
3. Резисторы, справочник. М: Энергоиздат, 1981.
4. Справочник по электрическим конденсаторам. М: Радио и связь, 1983.
|