Электрические цепи постоянного тока и методы их расчета
1.1. Электрическая цепь и ее элементы
В электротехнике рассматривается устройство и принцип действия основных электротехнических устройств, используемых в быту и промышленности. Чтобы электротехническое устройство работало, должна быть создана электрическая цепь, задача которой передать электрическую энергию этому устройству и обеспечить ему требуемый режим работы.
Электрической цепью называется совокупность устройств и объектов, образующих путь для электрического тока, электромагнитные процессы в которых могут быть описаны с помощью понятий об электрическом токе, ЭДС (электродвижущая сила) и электрическом напряжении.
Для анализа и расчета электрическая цепь графически представляется в виде электрической схемы, содержащей условные обозначения ее элементов и способы их соединения. Электрическая схема простейшей электрической цепи, обеспечивающей работу осветительной аппаратуры, представлена на рис. 1.1.

Рис. 1.1
Все устройства и объекты, входящие в состав электрической цепи, могут быть разделены на три группы:
1) Источники электрической энергии (питания).
Общим свойством всех источников питания является преобразование какого-либо вида энергии в электрическую. Источники, в которых происходит преобразование неэлектрической энергии в электрическую, называются первичными источниками. Вторичные источники – это такие источники, у которых и на входе, и на выходе – электрическая энергия (например, выпрямительные устройства).
2) Потребители электрической энергии.
Общим свойством всех потребителей является преобразование электроэнергии в другие виды энергии (например, нагревательный прибор). Иногда потребители называют нагрузкой.
3) Вспомогательные элементы цепи: соединительные провода, коммутационная аппаратура, аппаратура защиты, измерительные приборы и т.д., без которых реальная цепь не работает.
Все элементы цепи охвачены одним электромагнитным процессом.
В электрической схеме на рис. 1.1 электрическая энергия от источника ЭДС E, обладающего внутренним сопротивлением r0
, с помощью вспомогательных элементов цепи передаются через регулировочный реостат R к потребителям (нагрузке): электрическим лампочкам EL1
и EL2
.
1.2. Основные понятия и определения для электрической цепи
Для расчета и анализа реальная электрическая цепь представляется графически в виде расчетной электрической схемы (схемы замещения). В этой схеме реальные элементы цепи изображаются условными обозначениями, причем вспомогательные элементы цепи обычно не изображаются, а если сопротивление соединительных проводов намного меньше сопротивления других элементов цепи, его не учитывают. Источник питания показывается как источник ЭДС E с внутренним сопротивлением r0
, реальные потребители электрической энергии постоянного тока заменяются их электрическими параметрами: активными сопротивлениями R1
, R2
, …, Rn
. С помощью сопротивления R учитывают способность реального элемента цепи необратимо преобразовывать электроэнергию в другие виды, например, тепловую или лучистую.
При этих условиях схема на рис. 1.1 может быть представлена в виде расчетной электрической схемы (рис. 1.2), в которой есть источник питания с ЭДС E и внутренним сопротивлением r0
, а потребители электрической энергии: регулировочный реостат R, электрические лампочки EL1
и EL2
заменены активными сопротивлениями R, R1
и R2
.

Рис. 1.2
Источник ЭДС на электрической схеме (рис. 1.2) может быть заменен источником напряжения U, причем условное положительное направление напряжения U источника задается противоположным направлению ЭДС.
При расчете в схеме электрической цепи выделяют несколько основных элементов.
Ветвь электрической цепи (схемы) – участок цепи с одним и тем же током. Ветвь может состоять из одного или нескольких последовательно соединенных элементов. Схема на рис. 1.2 имеет три ветви: ветвь bma, в которую включены элементы r0
, E, R и в которой возникает ток I; ветвь ab с элементом R1
и током I1
; ветвь anb с элементом R2
и током I2
.
Узел электрической цепи (схемы) – место соединения трех и более ветвей. В схеме на рис. 1.2 – два узла a и b. Ветви, присоединенные к одной паре узлов, называют параллельными. Сопротивления R1
и R2
(рис. 1.2) находятся в параллельных ветвях.
Контур – любой замкнутый путь, проходящий по нескольким ветвям. В схеме на рис. 1.2 можно выделить три контура: I – bmab; II – anba; III – manbm, на схеме стрелкой показывают направление обхода контура.
Условные положительные направления ЭДС источников питания, токов во всех ветвях, напряжений между узлами и на зажимах элементов цепи необходимо задать для правильной записи уравнений, описывающих процессы в электрической цепи или ее элементах. На схеме (рис. 1.2) стрелками укажем положительные направления ЭДС, напряжений и токов:
а) для ЭДС источников – произвольно, но при этом следует учитывать, что полюс (зажим источника), к которому направлена стрелка, имеет более высокий потенциал по отношению к другому полюсу;
б) для токов в ветвях, содержащих источники ЭДС – совпадающими с направлением ЭДС; во всех других ветвях произвольно;
в) для напряжений – совпадающими с направлением тока в ветви или элемента цепи.
Все электрические цепи делятся на линейные и нелинейные.
Элемент электрической цепи, параметры которого (сопротивление и др.) не зависят от тока в нем, называют линейным, например электропечь.
Нелинейный элемент, например лампа накаливания, имеет сопротивление, величина которого увеличивается при повышении напряжения, а следовательно и тока, подводимого к лампочке.
Следовательно, в линейной электрической цепи все элементы – линейные, а нелинейной называют электрическую цепь, содержащую хотя бы один нелинейный элемент.
1.3. Основные законы цепей постоянного тока
Расчет и анализ электрических цепей производится с использованием закона Ома, первого и второго законов Кирхгофа. На основе этих законов устанавливается взаимосвязь между значениями токов, напряжений, ЭДС всей электрической цепи и отдельных ее участков и параметрами элементов, входящих в состав этой цепи.
Закон Ома для участка цепи
Соотношение между током I, напряжением UR и сопротивлением R участка аb электрической цепи (рис. 1.3) выражается законом Ома
 Рис. 1.3
(1.1)
или UR
= RI.
В этом случае UR
= RI – называют напряжением или падением напряжения на резисторе R, а – током в резисторе R.
При расчете электрических цепей иногда удобнее пользоваться не сопротивлением R, а величиной обратной сопротивлению, т.е. электрической проводимостью:
.
В этом случае закон Ома для участка цепи запишется в виде:
I = Uq.
Закон Ома для всей цепи
Этот закон определяет зависимость между ЭДС Е источника питания с внутренним сопротивлением r0
(рис. 1.3), током I электрической цепи и общим эквивалентным сопротивлением RЭ
= r0
+ R всей цепи:
(1.2)
.
Сложная электрическая цепь содержит, как правило, несколько ветвей, в которые могут быть включены свои источники питания и режим ее работы не может быть описан только законом Ома. Но это можно выполнить на основании первого и второго законов Кирхгофа, являющихся следствием закона сохранения энергии.
Первый закон Кирхгофа
В любом узле электрической цепи алгебраическая сумма токов равна нулю
(1.3)
,
где m – число ветвей подключенных к узлу.
При записи уравнений по первому закону Кирхгофа токи, направленные к узлу, берут со знаком «плюс», а токи, направленные от узла – со знаком «минус». Например, для узла а (см. рис. 1.2) I - I1
- I2
= 0.
Второй закон Кирхгофа
В любом замкнутом контуре электрической цепи алгебраическая сумма ЭДС равна алгебраической сумме падений напряжений на всех его участках
(1.4)
,
где n – число источников ЭДС в контуре; m – число элементов с сопротивлением Rк
в контуре; Uк
= Rк
Iк
– напряжение или падение напряжения на к-м элементе контура.
Для схемы (рис. 1.2) запишем уравнение по второму закону Кирхгофа:
E = UR
+ U1
.
Если в электрической цепи включены источники напряжений, то второй закон Кирхгофа формулируется в следующем виде: алгебраическая сумма напряжений на всех элементах контру, включая источники ЭДС равна нулю
(1.5)
.
При записи уравнений по второму закону Кирхгофа необходимо:
1) задать условные положительные направления ЭДС, токов и напряжений;
2) выбрать направление обхода контура, для которого записывается уравнение;
3) записать уравнение, пользуясь одной из формулировок второго закона Кирхгофа, причем слагаемые, входящие в уравнение, берут со знаком «плюс», если их условные положительные направления совпадают с обходом контура, и со знаком «минус», если они противоположны.
Запишем уравнения по II закону Кирхгофа для контуров электрической схемы (рис. 1.2):
контур I: E = RI + R1
I1
+ r0
I,
контур II: R1
I1
+ R2
I2
= 0,
контур III: E = RI + R2
I2
+ r0
I.
В действующей цепи электрическая энергия источника питания преобразуется в другие виды энергии. На участке цепи с сопротивлением R в течение времени t при токе I расходуется электрическая энергия
(1.6)
W = I2
Rt.
Скорость преобразования электрической энергии в другие виды представляет электрическую мощность
(1.7)
.
Из закона сохранения энергии следует, что мощность источников питания в любой момент времени равна сумме мощностей, расходуемой на всех участках цепи.
(1.8)
.
Это соотношение (1.8) называют уравнением баланса мощностей. При составлении уравнения баланса мощностей следует учесть, что если действительные направления ЭДС и тока источника совпадают, то источник ЭДС работает в режиме источника питания, и произведение E I подставляют в (1.8) со знаком плюс. Если не совпадают, то источник ЭДС работает в режиме потребителя электрической энергии, и произведение E I подставляют в (1.8) со знаком минус. Для цепи, показанной на рис. 1.2 уравнение баланса мощностей запишется в виде:
EI = I2
(r0
+ R) + I1
2
R1
+ I2
2
R2
.
При расчете электрических цепей используются определенные единицы измерения. Электрический ток измеряется в амперах (А), напряжение – в вольтах (В), сопротивление – в омах (Ом), мощность – в ваттах (Вт), электрическая энергия – ватт-час (Вт-час) и проводимость – в сименсах (См)
Кроме основных единиц используют более мелкие и более крупные единицы измерения: миллиампер (1мA = 10–3А), килоампер (1кA = 103А), милливольт (1мВ = 10–3В), киловольт (1кВ = 103В), килоом (1кОм = 103Ом), мегаом (1мОм = 106Ом), киловатт (1кВт = 103Вт), киловатт-час (1кВт-час = 103 ватт-час).
1.4. Способы соединения сопротивлений и расчет эквивалентного сопротивления электрической цепи
Сопротивления в электрических цепях могут быть соединены последовательно, параллельно, по смешанной схеме и по схемам «звезда», «треугольник». Расчет сложной схемы упрощается, если сопротивления в этой схеме заменяются одним эквивалентным сопротивлением Rэкв
, и вся схема представляется в виде схемы на рис. 1.3, где R=Rэкв
, а расчет токов и напряжений производится с помощью законов Ома и Кирхгофа.
Электрическая цепь с последовательным соединением элементов
 Рис. 1.4 |
 Рис. 1.5 |
Последовательным называют такое соединение элементов цепи, при котором во всех включенных в цепь элементах возникает один и тот же ток I (рис. 1.4).
На основании второго закона Кирхгофа (1.5) общее напряжение U всей цепи равно сумме напряжений на отдельных участках:
U = U1
+ U2
+ U3
или IRэкв
= IR1
+ IR2
+ IR3
,
откуда следует
(1.5)
Rэкв
= R1
+ R2
+ R3
.
Таким образом, при последовательном соединении элементов цепи общее эквивалентное сопротивление цепи равно арифметической сумме сопротивлений отдельных участков. Следовательно, цепь с любым числом последовательно включенных сопротивлений можно заменить простой цепью с одним эквивалентным сопротивлением Rэкв
(рис. 1.5). После этого расчет цепи сводится к определению тока I всей цепи по закону Ома
,
и по вышеприведенным формулам рассчитывают падение напряжений U1
, U2
, U3
на соответствующих участках электрической цепи (рис. 1.4).
Недостаток последовательного включения элементов заключается в том, что при выходе из строя хотя бы одного элемента, прекращается работа всех остальных элементов цепи.
Электрическая цепь с параллельным соединением элементов
Параллельным называют такое соединение, при котором все включенные в цепь потребители электрической энергии, находятся под одним и тем же напряжением (рис. 1.6).

Рис. 1.6
В этом случае они присоединены к двум узлам цепи а и b, и на основании первого закона Кирхгофа (1.3) можно записать, что общий ток I всей цепи равен алгебраической сумме токов отдельных ветвей:
I = I1
+ I2
+ I3
, т.е. ,
откуда следует, что
(1.6)
.
В том случае, когда параллельно включены два сопротивления R1
и R2
, они заменяются одним эквивалентным сопротивлением
(1.7)
.
Из соотношения (1.6), следует, что эквивалентная проводимость цепи равна арифметической сумме проводимостей отдельных ветвей:
gэкв
= g1
+ g2
+ g3
.
По мере роста числа параллельно включенных потребителей проводимость цепи gэкв возрастает, и наоборот, общее сопротивление Rэкв
уменьшается.
Напряжения в электрической цепи с параллельно соединенными сопротивлениями (рис. 1.6)
U = IRэкв
= I1
R1
= I2
R2
= I3
R3
.
Отсюда следует, что
,
т.е. ток в цепи распределяется между параллельными ветвями обратно пропорционально их сопротивлениям.
По параллельно включенной схеме работают в номинальном режиме потребители любой мощности, рассчитанные на одно и то же напряжение. Причем включение или отключение одного или нескольких потребителей не отражается на работе остальных. Поэтому эта схема является основной схемой подключения потребителей к источнику электрической энергии.
Электрическая цепь со смешанным соединением элементов
Смешанным называется такое соединение, при котором в цепи имеются группы параллельно и последовательно включенных сопротивлений.

Рис. 1.7
Для цепи, представленной на рис. 1.7, расчет эквивалентного сопротивления начинается с конца схемы. Для упрощения расчетов примем, что все сопротивления в этой схеме являются одинаковыми: R1
=R2
=R3
=R4
=R5
=R. Сопротивления R4
и R5
включены параллельно, тогда сопротивление участка цепи cd равно:
.
В этом случае исходную схему (рис. 1.7) можно представить в следующем виде (рис. 1.8):

Рис. 1.8
На схеме (рис. 1.8) сопротивление R3
и Rcd
соединены последовательно, и тогда сопротивление участка цепи ad равно:
.
Тогда схему (рис. 1.8) можно представить в сокращенном варианте (рис. 1.9):

Рис. 1.9
На схеме (рис. 1.9) сопротивление R2
и Rad
соединены параллельно, тогда сопротивление участка цепи аb равно
.
Схему (рис. 1.9) можно представить в упрощенном варианте (рис. 1.10), где сопротивления R1
и Rab
включены последовательно.
Тогда эквивалентное сопротивление исходной схемы (рис. 1.7) будет равно:
.
 Рис. 1.10 |
 Рис. 1.11 |
В результате преобразований исходная схема (рис. 1.7) представлена в виде схемы (рис. 1.11) с одним сопротивлением Rэкв
. Расчет токов и напряжений для всех элементов схемы можно произвести по законам Ома и Кирхгофа.
Соединение элементов электрической цепи по схемам «звезда» и «треугольник»
В электротехнических и электронных устройствах элементы цепи соединяются по мостовой схеме (рис. 1.12). Сопротивления R12
, R13
, R24
, R34
включены в плечи моста, в диагональ 1–4 включен источник питания с ЭДС Е, другая диагональ 3–4 называется измерительной диагональю моста.
 Рис. 1.12 |
 Рис. 1.13 |
В мостовой схеме сопротивления R13
, R12
, R23
и R24
, R34
, R23
соединены по схеме «треугольник». Эквивалентное сопротивление этой схемы можно определить только после замены одного из треугольников, например треугольника R24
R34
R23
звездой R2
R3
R4
(рис. 1.13). Такая замена будет эквивалентной, если она не вызовет изменения токов всех остальных элементов цепи. Для этого величины сопротивлений звезды должны рассчитываться по следующим соотношениям:
(1.8)
; ; .
Для замены схемы «звезда» эквивалентным треугольником необходимо рассчитать сопротивления треугольника:
(1.9)
; ; .
После проведенных преобразований (рис. 1.13) можно определить величину эквивалентного сопротивления мостовой схемы (рис. 1.12)
.
1.5. Источник ЭДС и источник тока в электрических цепях
При расчете и анализе электрических цепей реальный источник электрической энергии с конечным значением величины внутреннего сопротивления r0
заменяют расчетным эквивалентным источником ЭДС или источником тока.
 Рис. 1.14
Источник ЭДС (рис. 1.14) имеет внутреннее сопротивление r0
, равное внутреннему сопротивлению реального источника. Стрелка в кружке указывает направление возрастания потенциала внутри источника ЭДС.
Для данной цепи запишем соотношение по второму закону Кирхгофа
(1.10)
E = U + Ir0
или E = U - Ir0
.
Эта зависимость напряжения U на зажимах реального источника от тока I определяется его вольт-амперной или внешней характеристикой (рис. 1.15). Уменьшение напряжения источника U при увеличении тока нагрузки I объясняется падением напряжения на его внутреннем сопротивлении r0
.
 |
| Рис. 1.15 |
Рис. 1.16 |
У идеального источника ЭДС внутреннее сопротивление r0
<< Rн
(приближенно r0
»0). В этом случае его вольт-амперная характеристика представляет собой прямую линию (рис. 1.16), следовательно, напряжение U на его зажимах постоянно (U=E) и не зависит от величины сопротивления нагрузки Rн
.
 Рис. 1.17
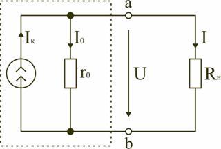
Источник тока, заменяющий реальный источник электрической энергии, характеризуется неизменным по величине током Iк
, равным току короткого замыкания источника ЭДС , и внутренним сопротивление r0
, включенным параллельно (рис. 1.17).
Стрелка в кружке указывает положительное направление тока источника. Для данной цепи запишем соотношение по первому закону Кирхгофа
Iк
= I0
+ I; .
В этом случае вольт-амперная (внешняя) характеристика I(U) источника тока определится соотношением
(1.11)
I = Iк
- I0
= Iк
- U/r0
и представлена на рис. 1.18.
 |
| Рис. 1.18 |
Рис. 1.19 |
Уменьшение тока нагрузки I при увеличении напряжения U на зажимах ab источника тока, объясняется увеличением тока Iо, замыкающегося в цепи источника тока.
В идеальном источнике тока r0
>>Rн
. В этом случае можно считать, что при изменении сопротивления нагрузки Rн
потребителя Iо»0, а I»Iк
. Тогда из выражения (1.11) следует, что вольт-амперная характеристика I(U) идеального источника тока представляет прямую линию, проведенную параллельно оси абсцисс на уровне I = Iк
= E/r0
(рис. 1.19).
При сравнении внешних характеристик источника ЭДС (рис. 1.15) и источника тока (рис. 1.18) следует, что они одинаково реагируют на изменение величины сопротивления нагрузки. Покажем, что в обоих случаях ток I в нагрузке определяется одинаковым соотношением.
Ток в нагрузке Rн
для схем источника ЭДС (рис. 1.14) и источника тока (рис. 1.17) одинаков и равен .
Для схемы (рис. 1.14) это следует из закона Ома, т.к. при последователь-ном соединении сопротивления r0
и Rн
складываются. В схеме (рис. 1.17) ток распределяется обратно пропорционально сопротивлениям r0
и Rн
двух параллельных ветвей. Ток в нагрузке Rн
,
т.е. совпадает по величине с током при подключении нагрузки к источнику ЭДС. Следовательно, схема источника тока (рис. 1.17) эквивалентна схеме источника ЭДС (рис. 1.14) в отношении энергии, выделяющейся в сопротивлении нагрузки Rн
, но не эквивалентна ей в отношении энергии, выделяющейся во внутреннем сопротивлении источника питания.
Каким из двух эквивалентных источников питания пользоваться, не играет существенной роли. Однако на практике, особенно при расчете электротехнических устройств, чаще используется в качестве источника питания источник ЭДС с внутренним сопротивлением r0
и величиной электродвижущей силы Е.
В тех случаях, когда номинальное напряжение или номинальный ток и мощность источника электрической энергии оказываются недостаточными для питания потребителей, вместо одного используют несколько источников. Существуют два основных способа соединения источников питания: последовательное и параллельное.
Последовательное включение источников питания (источников ЭДС) применяется тогда, когда требуется создать напряжение требуемой величины, а рабочий ток в цепи меньше или равен номинальному току одного источника ЭДС (рис. 1.20).

Рис. 1.20
Для этой цепи на основании второго закона Кирхгофа можно записать
E1
+ E2
+ E3
= I(r01
+ r02
+ r03
+ Rн
),
откуда
.
Таким образом, электрическая цепь на рис. 1.20 может быть заменена цепью с эквивалентным источником питания (рис. 1.21), имеющим ЭДС Eэ
и внутреннее сопротивление rэ.
 Рис. 1.21 |
 Рис. 1.22 |
При параллельном соединении источников (рис. 1.22) соединяются между собой положительные выводы всех источников, а также их отрицательные выводы. Характерным для параллельного соединения является одно и то же напряжение U на выводах всех источников. Для электрической цепи на рис. 1.22 можно записать следующие уравнения:
I = I1
+ I2
+ I3
; P = P1
+ P2
+ P3
= UI1
+ UI2
+ UI3
= UI.
Как видно, при параллельном соединении источников ток и мощность внешней цепи равны соответственно сумме токов и мощностей источников. Параллельное соединение источников применяется в первую очередь тогда, когда номинальные ток и мощность одного источника недостаточны для питания потребителей. На параллельную работу включают обычно источники с одинаковыми ЭДС, мощностями и внутренними сопротивлениями.
1.6. Режимы работы электрической цепи
При подключении к источнику питания различного количества потребителей или изменения их параметров будут изменяться величины напряжений, токов и мощностей в электрической цепи, от значений которых зависит режим работы цепи и ее элементов.
Реальная электрическая цепь может быть представлена в виде активного и пассивного двухполюсников (рис. 1.23).

Рис. 1.23
Двухполюсником называют цепь, которая соединяется с внешней относительно нее частью цепи через два вывода а и b – полюса.
Активный двухполюсник содержит источники электрической энергии, а пассивный двухполюсник их не содержит. Для расчета цепей с двухполюсниками реальные активные и пассивные элементы цепи представляются схемами замещения. Схема замещения пассивного двухполюсника П представляется в виде его входного сопротивления
.
Схема замещения активного двухполюсника А представляется эквивалентным источником с ЭДС Eэ
и внутренним сопротивлением r0э
, нагрузкой для которого является входное сопротивление пассивного двухполюсника Rвх
= Rн
.
Режим работы электрической цепи (рис. 1.23) определяется изменениями параметров пассивного двухполюсника, в общем случае величиной сопротивления нагрузки Rн
. При анализе электрической цепи рассматривают следующие режимы работы: холостого хода, номинальный, короткого замыкания и согласованный.
Работа активного двухполюсника под нагрузкой Rн
определяется его вольт-амперной (внешней) характеристикой, уравнение которой (1.10) для данной цепи запишется в виде
(1.12)
U = Eэ
- Ir0э
.
Эта вольт-амперная характеристика строится по двум точкам 1 и 2 (рис. 1.24), соответствующим режимам холостого хода и короткого замыкания.
1. Режим холостого хода
В этом режиме с помощью ключа SA нагрузка Rн
отключается от источника питания (рис. 1.23). В этом случае ток в нагрузке становится равным нулю, и как следует из соотношения (1.12) напряжение на зажимах ab становится равным ЭДС Eэ
и называется напряжением холостого хода Uхх
U = Uхх
= Eэ
.

Рис. 1.24
2. Режим короткого замыкания
В этом режиме ключ SA в схеме электрической цепи (рис. 1.23) замкнут, а сопротивление Rн
=0. В этом случае напряжение U на зажимах аb становится равным нулю, т.к. U = IRн
, а уравнение (1.12) вольт-амперной характеристики можно записать в виде
(1.13)
.
Значение тока короткого замыкания Iк
.з соответствует т.2 на вольт-амперной характеристике (рис. 1.24).
Анализ этих двух режимов показывает, что при расчете электрических цепей параметры активного двухполюсника Eэ
и r0э
могут быть определены по результатам режимов холостого хода и короткого замыкания:
(1.14)
Eэ
= Uхх
; .
При изменении тока в пределах активной двухполюсник (эквивалентный источник) отдает энергию во внешнюю цепь (участок I вольт-амперной характеристики на рис. 1.24). При токе I<0 (участок II) источник получает энергию из внешней цепи, т.е. работает в режиме потребителя электрической энергии. Это произойдет, если к зажимам аb двухполюсника присоединена внешняя цепь с источниками питания. При напряжении U<0 (участок III) резисторы активного двухполюсника потребляют энергию источников из внешней цепи и самого активного двухполюсника.
3. Номинальный режим
Номинальный режим электрической цепи обеспечивает технические параметры как отдельных элементов, так и всей цепи, указанные в технической документации, в справочной литературе или на самом элементе. Для разных электротехнических устройств указывают свои номинальные параметры. Однако три основных параметра указываются практически всегда: номинальное напряжение Uном
, номинальная мощность Рном и номинальный ток Iном
.
Работа активного двухполюсника под нагрузкой в номинальном режиме определяется уравнением (1.12), записанном для номинальных параметров
(1.15)
Uном
= Eэ
- Iном
r0э
.
На вольт-амперной характеристике (рис. 1.24) это уравнение определяется точкой 3 с параметрами Uном
и Iном
.
4. Согласованный режим
Согласованный режим электрической цепи обеспечивает максимальную передачу активной мощности от источника питания к потребителю. Определим параметры электрической цепи (рис. 1.23), обеспечивающие получение согласованного режима. При подключении нагрузки Rн
к активному двухполюснику (рис. 1.23) в ней возникает ток
.
При этом на нагрузке выделится активная мощность
(1.16)
.
Определим соотношение между сопротивлением нагрузки Rн
и внутренним сопротивлением r0э
эквивалентного источника ЭДС, при котором в сопротивлении нагрузки Rн
выделяется максимальная мощность при неизменных значениях Eэ
и r0э
. С этой целью определим первую производную Р по Rн
и приравняем ее к нулю:
.
Так как выражение в знаменателе – конечное, то, отбрасывая не имеющее физического смысла решение Rн
= -r0э
, получим, что значение сопротивления нагрузки, согласованное с сопротивлением источника
(1.17)
Rн
= r0э
.
Можно найти вторую производную и убедиться в том, что она отрицательна , поэтому соотношение (1.17) соответствует максимуму функции P = F(Rн
).
Подставив (1.17) в (1.16), получим значение максимальной мощности, которая может выделена в нагрузке Rн
(1.18)
.
Полезная мощность, выделяющаяся в нагрузке, определяется уравнением (1.16). Полная активная мощность, выделяемая активным двухполюсником,
.
Коэффициент полезного действия
(1.19)
.
если Rн
= r0э
, то .
Для мощных электротехнических устройств такое низкое значение КПД недопустимо. Но в электронных устройствах и схемах, где величина Р измеряется в милливаттах, с низким КПД можно не считаться, поскольку в этом режиме обеспечивается максимальная передача мощности на нагрузку.
1.7. Расчет электрических цепей с использованием законов Ома и Кирхгофа
Законы Ома и Кирхгофа используют, как правило, при расчете относительно простых электрических цепей с небольшим числом контуров, хотя принципиально с их помощью можно рассчитать сколь угодно сложные электрические цепи.
При расчете электрических цепей в большинстве случаев известны параметры источников ЭДС или напряжения, сопротивления элементов электрической цепи, и задача сводится к определению токов в ветвях цепи. Зная токи, можно найти напряжения на элементах цепи, мощность, потребляемую отдельными элементами и всей цепью в целом, мощность источников питания и др.
Расчет цепи с одним источником питания
Электрическая цепь, схема которой приведена на рис. 1.25, состоит из одного источника питания, имеющего ЭДС E и внутреннее сопротивление r0
, и резисторов R1
, R2
, R3
, подключенных к источнику по смешанной схеме. Операции расчета такой схемы рекомендуется производить в определенной последовательности.

Рис. 1.25
1. Обозначение токов и напряжений на участках цепи.
Резистор R1
включен последовательно с источником, поэтому ток I1
для них будет общим, токи в резисторах R2
и R3
обозначим соответственно I2
и I3
. Аналогично обозначим напряжения на участках цепи.
2. Расчет эквивалентного сопротивления цепи.
Резисторы R2
и R3
включены по параллельной схеме и заменяются согласно (1.7) эквивалентным сопротивлением:
.
В результате цепь на рис. 1.25 преобразуется в цепь с последовательно соединенными резисторами R1
, R23
и r0
. Тогда эквивалентное сопротивление всей цепи запишется в виде:
Rэ
= r0
+ R1
+ R23
3. Расчет тока в цепи источника. Ток I1
определим по закону Ома (1.2):
I1
= U/Rэ
4. Расчет напряжений на участках цепи. По закону Ома (1.1) определим величины напряжений:
U1
= I1
R1
; U23
= I1
R23
Напряжение U на зажимах ab источника питания определим по второму закону Кирхгофа (1.4)для контура I (рис. 1.25):
E = I1
r0
+ U; U = E - I1
r0
.
5. Расчет токов и мощностей для всех участков цепи. Зная величину напряжения U23, определим по закону Ома токи в резисторах R2
и R3
:
; .
По формуле (1.8) определим величину активной электрической мощности, отдаваемую источником питания потребителям электрической энергии:
P = EI1
.
В элементах схемы расходуются активные мощности:
; ; .
На внутреннем сопротивлении r0
источника питания расходуется часть электрической мощности, отдаваемой источником. Эту мощность называют мощностью потерь :
.
6. Проверка правильности расчетов. Эта проверка производится составлением уравнения баланса мощностей (1.8): мощность, отдаваемая источником питания, должна быть равна сумме мощностей, расходуемых в резистивных элементах схемы:
.
Кроме того, правильность вычисления токов можно проверить, составив уравнение по первому закону Кирхгофа (1.3) для узла схемы:
I1
= I2
+ I3
.
Расчет разветвленной электрической цепи с несколькими источниками питания
Основным методом расчета является метод непосредственного применения первого и второго законов Кирхгофа.
В качестве примера рассмотрим цепь, схема которой приведена на рис. 1.26. Схема цепи содержит 6 ветвей (m=6) и 4 узла: a, b, c, d (n=4). По каждой ветви проходит свой ток, следовательно число неизвестных токов равно числу ветвей, и для определения токов необходимо составить m уравнений. При этом по первому закону Кирхгофа (1.3) составляют уравнения для (n–1) узлов. Недостающие m–(n–1) уравнения получают по второму закону Кирхгофа (1.4), составляя их для m–(n–1) взаимно независимых контуров. Рекомендуется выполнять операции расчета в определенной последовательности.

Рис. 1.26
1. Обозначение токов во всех ветвях. Направление токов выбираем произвольно, но в цепях с источниками ЭДС рекомендеются, чтобы направление токов совпадало с направлением ЭДС.
2. Составление уравнений по первому закону Кирхгофа. Выбираем 4–1=3 узла (a, b, c) и для них записываем уравнения:
узел a: I1
- I2
- I3
= 0;
узел b: I2
- I4
+ I5
= 0;
узел c: I4
- I5
+ I6
= 0.
3. Составление уравнений по второму закону Кирхгофа. Необходимо составить 6–3=3 уравнения. В схеме на рис. 1.26 выбираем контура I, II, III и для них записываем уравнения:
контур I: E1
= I1
(r01
+ R1
) + I3
R3
;
контур II: 0 = I2
R2
+ I4
R4
+ I6
R7
- I3
R3
;
контур III: -E2
= -I5
(r02
+ R5
+ R6
) - I4
R4
.
4. Решение полученной системы уравнений и анализ результатов. Полученная система из шести уравнений решается известными математическими методами. Если в результате расчетов численное значение тока получено со знаком «минус», это означает, что реальное направление тока данной ветви противоположно принятому в начале расчета. Если в ветвях с ЭДС токи совпадают по направлению с ЭДС, то данные элементы работают в режиме источников, отдавая энергию в схему. В тех ветвях, где направления тока и ЭДС не совпадают, источники ЭДС работает в режиме потребителя.
5. Проверка правильности расчетов. Для проверки правильности произведенных расчетов можно на основании законов Кирхгофа написать уравнения для узлов и контуров схемы, которые не использовались при составлении исходной системы уравнений:
узел d: I3
+ I6
- I1
= 0
внешний контур схемы: E1
- E2
= I1
(r01
+ R1
) + I2
R2
- I5
(r02
+ R5
+R6
) +I6
R7
.
Независимой проверкой является составление уравнения баланса мощностей (1.8) с учетом режимов работы элементов схемы с ЭДС:
.
Если активная мощность, поставляемая источниками питания, равна по величине активной мощности, израсходованной в пассивных элементах электрической цепи, то правильность расчетов подтверждена.
1.8. Основные методы расчета сложных электрических цепей
С помощью законов Ома и Кирхгофа в принципе можно рассчитать электрические цепи любой сложности. Однако решение в этом случае может оказаться слишком громоздким и потребует больших затрат времени. По этой причине для расчета сложных электрических цепей разработаны на основе законов Ома и Кирхгофа более рациональные методы расчета, два из которых: метод узлового напряжения и метод эквивалентного генератора, рассмотрены ниже.
Метод узлового напряжения
Этот метод рекомендуется использовать в том случае, если сложную электрическую схему можно упростить, заменяя последовательно и параллельно соединенные резисторы эквивалентными, используя при необходимости преобразование треугольника сопротивлений в эквивалентную звезду. Если полученная схема содержит несколько параллельно соединенных активных и пассивных ветвей, как, например, схема на рис. 1.27, то ее расчет и анализ весьма просто можно произвести методом узлового напряжения.
Пренебрегая сопротивлением проводов, соединяющих ветви цепи, в ее схеме (рис. 1.27) можно выделить два узла: a и b. В зависимости от значений и направлений ЭДС и напряжений, а также значений сопротивлений ветвей между узловыми точками a и b установится определенное узловое напряжение Uab
. Предположим, что оно направлено так, как показано на рис. 1.27, и известно. Зная напряжение Uab
легко найти токи во всех ветвях.
Выберем положительные направления токов и обозначим их на схеме. Запишем уравнения по второму закону Кирхгофа для контуров (1.4), проходящих по первой и второй ветви, содержащих источники ЭДС, совершая обход контуров по часовой стрелке.
Первая ветвь: E1
= I1
(r01
+ R1
) + Uab
.
Вторая ветвь: -E2
= -I2
(r02
+ R2
) + Uab
.
 Рис. 1.27
Определим значения токов, возникающих в первой и второй ветвях,
(1.20)
,
(1.21)
,
где: ; – проводимости соответственно первой и второй ветвей.
Запишем уравнения по второму закону Кирхгофа для ветвей (1.5), содержащих источники напряжений, совершая обход контуров также по часовой стрелке.
Третья ветвь: Uab
- U1
+ I3
R3
= 0.
Четвертая ветвь: Uab
+ U2
- I4
R4
= 0.
Определим значения токов, возникающих в третьей и четвертой ветвях,
(1.22)
,
(1.23)
,
где: ; – проводимости соответственно третьей и четвертой ветвей.
Ток в пятой ветви определим по закону Ома:
(1.24)
,
где – проводимость пятой ветви.
Для вывода формулы, позволяющей определить напряжение Uab
, напишем уравнение по первому закону Кирхгофа (1.3) для узла a:
I1
- I2
+ I3
- I4
- I5
= 0.
После замены токов их выражениями (1.20) – (1.24) и соответствующих преобразований получим
.
Формула узлового напряжения в общем случае имеет вид
(1.25)
.
При расчете электрической цепи методом узлового напряжения после определения величины напряжения Uab
значения токов в ветвях находят по их выражениям (1.20) – (1.24).
При записи формулы (1.25) следует задаться положительным направлением узлового напряжения Uab
. Со знаком «+» в (1.25) должны входить ЭДС, направленные между точками a и b встречно напряжению Uab
, и напряжения ветвей, направленные согласно с Uab
. Знаки в формуле (1.25) не зависят от направления токов ветвей.
При расчете и анализе электрических цепей методом узлового напряжения рекомендуется выбирать положительные направления токов после определения узлового напряжения. В этом случае при расчете токов по выражениям (1.20) – (1.24) положительные направления токов нетрудно выбрать таким образом, чтобы все они совпадали с их действительными направлениями.
Проверка правильности произведенных расчетов проводится по первому закону Кирхгофа для узла a или b, а также составлением уравнения баланса мощностей (1.8).
Метод эквивалентного генератора
Метод эквивалентного генератора позволяет произвести частичный анализ электрической цепи. Например, определить ток в какой-либо одной ветви сложной электрической цепи и исследовать поведение этой ветви при изменении ее сопротивления. Сущность метода заключается в том, что по отношению к исследуемой ветви amb (рис. 1.28, а) сложная цепь заменяется активным двухполюсником А (смотри рис. 1.23), схема замещения которого представляется эквивалентным источником (эквивалентным генератором) с ЭДС Eэ
и внутренним сопротивлением r0э
, нагрузкой для которого является сопротивление R ветви amb.
Если известны ЭДС и сопротивление эквивалентного генератора, то ток I в ветви amb определяется по закону Ома
.
Покажем, что параметры эквивалентного генератора Eэ
и r0э
можно определить соответственно по режимам холостого хода и короткого замыкания активного двухполюсника.
В исследуемую схему (рис. 1.28, а) введем два источника, ЭДС которых E1
и Eэ
равны и направлены в разные стороны (рис. 1.28, б). При этом величина тока I в ветви amb не изменится. Ток I можно определить как разность двух токов I = Iэ
- I1
, где I1
– ток, вызванный всеми источниками двухполюсника А и ЭДС E1
(рис. 1.28, в); Iэ
– ток, вызванный только ЭДС Eэ
(рис. 1.28, г).
Если выбрать ЭДС E1
такой величины, чтобы получить в схеме (1.28, в) ток I1
=0, то ток I будет равен (рис. 1.28, г)
,
где r0э
– эквивалентное сопротивление двухполюсника А относительно выводов а и b.

Рис. 1.28
Так как при I1
= 0 (рис. 1.28, в) активный двухполюсник А будет работать относительно ветви amb в режиме холостого хода, то между выводами a и b установится напряжение холостого хода U = Uхх
и по второму закону Кирхгофа для контура amba получим E1
= I1
R + Uхх
= Uхх
. Но по условию Eэ
= E1
, поэтому и Eэ
= Uхх
. Учитывая это, формулу для определения тока I можно записать в такой форме:
(1.26)
.
В соответствии с (1.26) электрическая цепь на рис. 1.28, а может быть заменена эквивалентной цепью (рис. 1.28, д), в которой Eэ
= Uхх
и r0э
следует рассматривать в качестве параметров некоторого эквивалентного генератора.
Значения Eэ
= Uхх
и r0э
можно определить как расчетным, так и экспериментальным путем. Для расчетного определения Uхх
и r0э
необходимо знать параметры элементов активного двухполюсника и схему их соединения.
Для определения величины r0э
необходимо удалить из схемы двухполюсника все источники, сохранив все резистивные элементы, в том числе и внутренние сопротивления источников ЭДС. Внутренние сопротивления источников напряжений принять равными нулю. Затем рассчитать известными методами эквивалентное сопротивление относительно выводов ab.
Для определения величины Eэ
разомкнем цепь и определим по методу узлового напряжения напряжение Uab
= Uхх
= Eэ
между выводами ab активного двухполюсника.
Экспериментально параметры эквивалентного генератора можно определить по результатам двух опытов. Разомкнув ветвь с сопротивление R (рис. 1.28, д), измеряем напряжение между выводами a и b Uab
= Uхх
= Eэ
(опыт холостого хода).
Для определения r0э
проводится (если это допустимо) опыт короткого замыкания: заданная ветвь замыкается накоротко и в ней измеряется ток короткого замыкания Iкз
. По закону Ома рассчитываем величину r0э
= Eэ
/Iкз
.
| Лицензия |
Model.Exponenta.Ru |
Jigrein |
© Н.В. Клиначёв, 1999-2008. Все права защищены. 800x600.
|