Министерство по образованию Российской Федерации
Сибирская государственная автомобильно-дорожная академия
(СибАДИ)
Кафедра: "АТП и Э"
Курсовая работа
на тему:
"Проектирование управляющего микропроцессорного устройства (МПУ)".
Вариант №20
Выполнил: студент гр.АП04Т1:
Сергеев Е.И.
Проверил к. т. н.:
Руппель А.А.
Омск 2007 г.
Оглавление:
Введение
Задание на курсовую работу
1. Структура и описание микроЭВМ
2. Алгоритм управления №1
3. Алгоритм управления №2
Заключение
Список используемой литературы
Введение
В связи с усложнением производственных процессов в последнее время процесс контроля над ходом производства, а также само производство, становится все более сложным. Многие производственные процессы, к тому же, являются слишком трудоемкими или сложными для участия в них человека.
В наши дни все большее применение получает автоматизация производства, т.е. введение в производственные процессы автоматов, помогающих, или вовсе заменяющих человека. В первую очередь, это применяется при опасных производствах, участие в которых человека нежелательно, или вовсе невозможно. Также часто автоматизируются процессы, слишком скоротечные для визуального контроля человека. Там все чаще устанавливаются автоматические датчики, показания с которых поступают на накопители, или в память компьютера, где они хранятся для дальнейшего изучения. Контроль скоротечных процессов также осуществляется автоматами.
Кроме того, перспективным является автоматизация конвейерных производств, так как для человека вредны длительные повторяющиеся движения, которые он производит, находясь за конвейерной лентой. При этом человека заменяют промышленные роботы-манипуляторы.
Цель курсовой работы: Разработка управляющего микропроцессорного устройства реализующего заданное взаимодействие с объектом управления и разработка программных средств системы, обеспечивающих выполнение заданного алгоритма управления.
Задание на курсовую работу
Исходные данные:
| БИСМП (МЭВМ) |
f1 ,t1 |
f2,t2,t3 |
ОЗУ |
ПЗУ |
| МС68НС11Е9 |
10 |
6 |
К537РУ8 |
К541РЕ1 |
Функция:
Y1=f1(X1; X2; X3;X4)
t1=60 мкс.
__
Y1=X1 & X2 & X3 vX4
Функция:
NU= f2(NU1, NU2, K)
NU= (NU1- NU2*K)
t2=90мкс.
t3=40мкс.
1. Структура и описание микроЭВМ
Общая структура разрабатываемого МПУ:
Изготовленный по КМОП-технологии с высокоплотной структурой восьмиразрядный микроконтроллер MC68HC11E9 предназначается для выполнения широкого круга прикладных задач. Для достижения номинальной частоты шины 2 МГц были использованы новые технологии. Кроме того, полностью статическая схемотехника позволяет работать на очень низких частотах, что позволяет при необходимости уменьшать потребление энергии.
ОЭВМ имеет ряд особенностей в аппаратном и программном обеспечении, которые перечислены ниже:
Особенности аппаратного обеспечения:
· 12 Кбайт ПЗУ;
· 512 байт ЭСППЗУ;
· 512 байт ОЗУ;
· 16-разрядный таймер с расширенными функциями:
à 4-разрядный определитель частоты.
à Три функции входной фиксации и пять - выходного сравнения или
à Четыре функции входной фиксации и четыре - выходного сравнения.
· восьмиразрядный счетчик внешних импульсов;
· последовательный асинхронный интерфейс связи расширенного формата NRZ (SCI);
· последовательный периферийный интерфейс (SPI);
· восьмиканальный, восьмиразрядный АЦП;
· система прерываний реального времени;
· система слежения за правильностью работы ОЭВМ (COP-Watchdog);
· 52-выводной квадратный пластиковый корпус.
Особенности программного обеспечения:
· система команд представляет собой надмножество системы команд семейства M6800;
· операции дробного и целочисленного 16x16 деления;
· операции манипуляцией отдельными битами данных;
· режимы малого потребления энергии (WAIT и STOP);
Внутренняя структура микроконтроллера MC68HC11E9 показана на рис 5.27. На кристалле микроЭВМ располагается 8-разрядный центральный процессор CPU11, 12 Кбайт однократно программируемого ПЗУ, 512 байт ППЗУ с электрическим стиранием, статическое ОЗУ объемом 512 байт, два устройства последовательных интерфейсов, пять параллельных портов ввода/вывода, 8-разрядный 8-канальный АЦП с входным мультиплексором, блок таймеров и прерываний, тактовый генератор и блок управления режимами работы.
Внутренний генератор может работать как в режиме автогенерации (при подключении кварцевого резонатора), так и от внешнего генератора.
Назначение линий портов A, D и E не зависит от режима работы. Порт B является портом вывода общего назначения в однокристальном режиме работы и является источником старшего байта адреса в расширенном. Порт C является портом ввода/вывода общего назначения в однокристальном режиме работы. В расширенном режиме работы порт C используется как мультиплексированная шина адреса/данных.
 Рис.5.27. Внутренняя структура ОЭВМ МС68НС11Е9
Пульт управления оператора:
Пульт управления обеспечивает ввод в МПУ следующих значений:
- 8-разрядной двоичной константы K;
- ввод двоичного сигнала «СТОП»;
- формирование сигнала начальной установки системы (RESET)
- Пульт управления обеспечивает вывод из МПУ следующих значений:
- на световую индикацию значений x1, x2, x3, x4, y1, y2, y3, NU1, y4.
Необходимо предусмотреть светодиод зуммер аварийной сигнализации

Рис. 3. Пульт управления оператора.
Назначение управляющих клавиш:
| Клавиша |
Функции |
| Пуск |
Переводит систему в режим выполнения алгоритма управления. В этом режиме на индикаторы выводится текущее значение принимаемых с выводов АЦП 8-разрядных двоичных кодов NU1, NU2, NU3 |
| K |
Перевод в режим ввода кода 8-разрядной двоичной константы K; по умолчанию на все индикаторы выводится 000. Набирается произвольное число цифр (со сдвигом влево). Набор фиксируется по нажатию Ввод. Если код константы равен нулю просто нажимается клавиша Ввод. |
| Q |
Переводит в режим ввода кода 8-разрядной двоичной константы Q. |
| Сброс |
RESET – начальная установка и переход в режим набора K и Q |
| Стоп |
Режим прерывания программы |
| Ввод |
Фиксирует текущий набор и переходит к следующему набору. |
| Авария |
Сигнал красного цвета – отказ системы, сигнал не горит – система в работоспособном состоянии. |
NU1
NU2
NU3
|
Дисплей вывода 8-разрядных двоичных кодов NU1, NU2, NU3, принимаемых с АЦП |
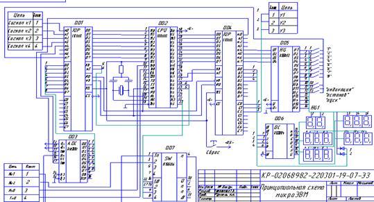
На рисунке представлена принципиальная схема микроЭВМ:

Рис.4Принципиальная схема микроЭВМ
2. Алгоритм 1:
Для формирования управляющего воздействия y1 снимается информация с цифровых датчиков x1, x2, x3 x4 и вычисляется значение булевой функции (т.е. логической) f1(x1, x2, x3 x4 ):
vx4
При единичном значении f1 вырабатывается управляющий сигнал y1 длительностью t1. Это означает, что через время t1 после выдачи y1 необходимо выработать y1=0.
Блок-схема программы

3. Алгоритм 2
При обработке информации с аналоговых датчиков МПУ принимает коды NU1 и NU2 с выходов АЦП и код константы k с тумблерного регистра пульта управления. Далее вычисляются значения функции NU = f2 (NU1, NU2, k) и сравнивается с константой Q1, хранящейся в ПЗУ. В зависимости от результатов сравнения вырабатывается один из двух управляющих сигналов Y2 или Y3 заданной длительности по следующему правилу. Если NU < Q, то выдать Y2 длительностью t2, иначе выдать Y3 длительностью t3. Далее формируется управляющее воздействие Y4, для чего с АЦП вводится значение NU3 и производится вычисление по формуле:
,
и значение Y4 в виде 8-разрядного кода выдается на вход АЦП.
Все двоичные константы и переменные, участвующие в вычислениях NU1, NU2, k, Q, Y4 рассматриваются как целые без знака.
Блок-схема программы

Заключение
В ходе данной курсовой работы, нами были составлена принципиальная схема микроЭВМ на базе микропроцессора MC68HC11E9, два алгоритма управления им. В целом нами при разработке получены те знания, которые в будущем помогут в профессиональной деятельности.
Список использованной литературы:
1. Руппель А.А. Лекции по МПУ Автоматики. 2007г.
2. А.П. Жмакин. Микропроцессорные системы для автоматизации технологических процессов.
|