Банк рефератов содержит более 364 тысяч рефератов, курсовых и дипломных работ, шпаргалок и докладов по различным дисциплинам: истории, психологии, экономике, менеджменту, философии, праву, экологии. А также изложения, сочинения по литературе, отчеты по практике, топики по английскому.
Полнотекстовый поиск
Всего работ:
364139
Теги названий
Разделы
Авиация и космонавтика (304)
Административное право (123)
Арбитражный процесс (23)
Архитектура (113)
Астрология (4)
Астрономия (4814)
Банковское дело (5227)
Безопасность жизнедеятельности (2616)
Биографии (3423)
Биология (4214)
Биология и химия (1518)
Биржевое дело (68)
Ботаника и сельское хоз-во (2836)
Бухгалтерский учет и аудит (8269)
Валютные отношения (50)
Ветеринария (50)
Военная кафедра (762)
ГДЗ (2)
География (5275)
Геодезия (30)
Геология (1222)
Геополитика (43)
Государство и право (20403)
Гражданское право и процесс (465)
Делопроизводство (19)
Деньги и кредит (108)
ЕГЭ (173)
Естествознание (96)
Журналистика (899)
ЗНО (54)
Зоология (34)
Издательское дело и полиграфия (476)
Инвестиции (106)
Иностранный язык (62791)
Информатика (3562)
Информатика, программирование (6444)
Исторические личности (2165)
История (21319)
История техники (766)
Кибернетика (64)
Коммуникации и связь (3145)
Компьютерные науки (60)
Косметология (17)
Краеведение и этнография (588)
Краткое содержание произведений (1000)
Криминалистика (106)
Криминология (48)
Криптология (3)
Кулинария (1167)
Культура и искусство (8485)
Культурология (537)
Литература : зарубежная (2044)
Литература и русский язык (11657)
Логика (532)
Логистика (21)
Маркетинг (7985)
Математика (3721)
Медицина, здоровье (10549)
Медицинские науки (88)
Международное публичное право (58)
Международное частное право (36)
Международные отношения (2257)
Менеджмент (12491)
Металлургия (91)
Москвоведение (797)
Музыка (1338)
Муниципальное право (24)
Налоги, налогообложение (214)
Наука и техника (1141)
Начертательная геометрия (3)
Оккультизм и уфология (8)
Остальные рефераты (21692)
Педагогика (7850)
Политология (3801)
Право (682)
Право, юриспруденция (2881)
Предпринимательство (475)
Прикладные науки (1)
Промышленность, производство (7100)
Психология (8692)
психология, педагогика (4121)
Радиоэлектроника (443)
Реклама (952)
Религия и мифология (2967)
Риторика (23)
Сексология (748)
Социология (4876)
Статистика (95)
Страхование (107)
Строительные науки (7)
Строительство (2004)
Схемотехника (15)
Таможенная система (663)
Теория государства и права (240)
Теория организации (39)
Теплотехника (25)
Технология (624)
Товароведение (16)
Транспорт (2652)
Трудовое право (136)
Туризм (90)
Уголовное право и процесс (406)
Управление (95)
Управленческие науки (24)
Физика (3462)
Физкультура и спорт (4482)
Философия (7216)
Финансовые науки (4592)
Финансы (5386)
Фотография (3)
Химия (2244)
Хозяйственное право (23)
Цифровые устройства (29)
Экологическое право (35)
Экология (4517)
Экономика (20644)
Экономико-математическое моделирование (666)
Экономическая география (119)
Экономическая теория (2573)
Этика (889)
Юриспруденция (288)
Языковедение (148)
Языкознание, филология (1140)

Реферат: Пассажирский самолёт BOEING 747-400

Название: Пассажирский самолёт BOEING 747-400
Раздел: Рефераты по астрономии
Тип: реферат Добавлен 07:51:10 18 июня 2011 Похожие работы
Просмотров: 854 Комментариев: 16 Оценило: 2 человек Средний балл: 5 Оценка: неизвестно     Скачать

Министерство общего и профессионального образования

Российской Федерации

Самарский государственный аэрокосмический университет

имени академика С. П. Королёва

Кафедра прочности летательных аппаратов

Пассажирский самолёт BOEING 747-400

Пояснительная записка к курсовому проекту

Студент А. А. Парамончев

Группа 1401

Руководитель проекта Ю. Л. Тарасов

2008

Задание

Реферат

Содержание

Введение

1 Определение геометрии сечений основных силовых элементов конструкции крыла.

Цель расчёта – определение геометрических характеристик сечений основных элементов силовой схемы крыла (площадей сечений стрингеров, толщины обшивки и стенок лонжеронов) с учётом ограничений по их прочности и устойчивости.

Максимальное число Маха полёта самолёта - прототипа на высоте - .

Определению подлежит максимальная скорость полёта самолёта – прототипа:

, (1)

где - скорость звука на высоте .

Значение предельного скоростного напора может быть определено из выражения:

, (2)

где - плотность воздуха на высоте ;

- предельная скорость, которая фиксируется в конце отвесного пикирования, соответствующая величине .

Эта скорость, согласно рекомендациям, предложенным в /1/, может быть определена из выражения:

. (3)

Тогда согласно формуле (2):

. (4)

Число Маха, соответствующее скорости , определится из выражения:

. (5)

1.1 Геометрические параметры крыла.

Согласно заданию, крыло имеет следующие геометрические характеристики:

размер концевой хорды крыла: ,

размер корневой хорды крыла: ,

размер размаха крыла: ,

площадь крыла:

, (6)

относительное удлинение крыла:

, (7)

относительное сужение крыла:

. (8)

Согласно заданию расчётное сечение крыла соответствует координате . Величина хорды крыла в этом сечении может быть определены согласно формуле:

, (9)

где - относительная координата, которая может быть определена по формуле:

. (10)

Толщины крыла в концевом и корневом сечениях определятся из выражений:

, (11)

. (12)

Толщина крыла в сечении может быть найдена из выражения:

. (13)

С учётом выражений (9) и (13) будет построен профиль крыла в расчётном сечении (см. приложение 1). Координаты эпюрного профиля и приведены в задании.

Координаты профиля крыла в расчётном сечении могут быть определены из выражений:

, (14)

. (15)

1.2 Определение конструктивно – силовой схемы крыла.

Ввиду того, что масса конструкции крыла самолёта превышает 20…25 т. (то есть выходит из области рационального использования лонжеронной КСС), в качестве КСС крыла будет принята моноблочная силовая схема с тремя лонжеронами.

Стенки лонжеронов в расчётном сечении крыла будут расположены, соответственно, на расстояниях от носка профиля:

, (16)

, (17)

. (18)

Высоты стенок в этом случае могут быть приближенно приравненными к толщине крыла на соответствующих расстояниях от носка профиля крыла:

, (19)

, (20)

, (21)

где величины , и могут быть определены графически (см. приложение 1) или по формуле:

. (22)

Шаг стрингеров принимается согласно рекомендациям, предложенным в /1/, , а расстояние между нервюрами .

1.3 Определение перерезывающих сил, изгибающих и крутящих моментов.

Для подбора силовых элементов конструкции крыла в расчётном сечении необходимы значения перерезывающих сил, изгибающих и крутящих моментов в этом сечении.

1.3.1 Построение эпюр погонных нагрузок, перерезывающих сил и изгибающих моментов для нестреловидного крыла большого удлинения.

Определение интенсивности нормальной расчётной нагрузки производится по формуле:

, (23)

где - расчётное значение вертикальной составляющей интенсивности ;

- расчётное значение горизонтальной составляющей интенсивности ;

- угол атаки, соответствующий расчётному случаю А’.

Зависимость интенсивностей от определится из выражения:

. (24)

Тогда уравнение (32) может быть приведено к виду:

, (25)

где - угол между векторами интенсивностей и ;

- интенсивность распределённой воздушной нагрузки.

При этом для расчётного случая A’ произведение , ввиду чего последнее выражение может быть преобразовано к виду:

(26)

Величина может быть определена согласно формуле:

(27)

где - теоретический коэффициент безопасности в расчётном случае A’;

- эксплуатационное максимальное значение перегрузки;

- полётная масса самолёта;

- масса конструкции рыла;

- местная хорда крыла;

- часть хорды, занятая баком;

- масса топлива, распределённая по всему размаху крыла;

- часть площади крыла в плане, занятая топливом;

- часть местной хорды крыла, отведённой под топливный бак.

1.3.2 Определение потребного объёма топливного бака и способа размещения топлива в крыле.

Потребный объём топливного бака может быть определён по формуле:

, (28)

где - плотность керосина.

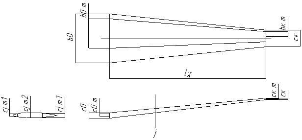
В рамках проектировочного расчёта топливо может быть распределено по всему размаху крыла, при этом объём топливного бака определится из следующих соображений (см. рисунок 2).

Площадь топливного бака в плане согласно рисунку 1 может быть определена по формуле:

, (29)

где и - размеры, определяющие торцевые части топливного бака.

Средняя высота топливного бака на полуразмахе крыла может быть определена из выражения:

, (30)

где и - высоты топливного бака соответственно в концевой и корневой части крыла.

Рисунок 1 – К расчёту внутреннего объёма топливного бака.

Чтобы определить величины, входящие в формулу (40), можно воспользоваться выражением:

(31)

и

. (32)

Тогда согласно выражению (40):

. (33)

Пусть топливо будет размещено между стенками первого и третьего лонжеронов. Тогда значения величин и могут быть определены из следующих соотношений:

(34)

и

. (35)

Согласно выражению (39):

. (36)

Искомый объём топливного бака во всём крыле определится из выражения:

. (37)

При сравнении результатов, полученных по формулам (38) и (47), делается вывод, что полученный бак может вмещать необходимое количество топлива, расположенного в крыле.

Очевидно, что отношение площади всего крыла в плане к площади крыла в плане, занятой топливом (см. рисунок 1), составит:

. (38)

1.3.3 Определение перерезывающих сил и изгибающих моментов.

Согласно формуле (36), а также выводам, представленным в 1.3.2:

. (39)

Поперечные силы и изгибающих моментов в сечении крыла могут быть определены с помощью численного интегрирования по методу трапеций:

(40)

и

, (41)

где , (42)

, (43)

а сосредоточенное усилие, действующее в сечении крыла определится из выражения:

, (44)

где - масса груза, агрегата или топлива, расположенного на отсечённой части крыла.

Результаты вычислений сведены в таблицу 1.

1.3.4 Определение крутящих моментов в сечении крыла.

Построение эпюр крутящих моментов производится для случая B, так как профиль крыла является безмоментным (). В связи с малостью угла атаки при вычислении погонных крутящих моментов можно учитывать только составляющие воздушных и массовых сил в направлении оси y:

. (45)


Координата центра жёсткости сечения крыла приближенно может быть определена по формуле:

, (46)

- число продольных стенок,

- расстояние до j-го лонжерона от носка сечения и его габаритная высота.

Толщина эпюрного профиля может быть определена по формуле:

. (47)

Тогда выражение (56) преобразится к виду:

. (48)

Центр давления в случае безмоментного профиля определится из выражения:

, (49)

где - абсолютная величина производной без учёта сжимаемости, для профиля сечения берётся из профильной характеристики.

, (50)

где - поправочный коэффициент подъёмной силы крыла определяется по графику, приведённому в /1/.

Величина в формуле (59) учитывается только для сечений, проходящих через отклонённый элерон. Для этих сечений величина .

Коэффициент может быть определён из выражения:

, (51)

где . (52)

Эффективный угол отклонения элерона может быть определён по формуле:

, (53)

где угол отклонения элерона для безмоментного профиля - .

Тогда: . (53)

Значение может быть определено согласно /1/, при отношении средней хорды элерона к хорде крыла - . Тогда .

Согласно выражению (62): . (54)

Коэффициент определяется с помощью графика, представленного в /1/, и составляет .

Согласно выражению (61): . . (55)

Коэффициент приближенно находится по формуле:

, (56)

Крутящий момент в сечении крыла будет определён по формуле:

, (57)

где - сосредоточенные моменты от массовых сил агрегатов или грузов.

Результаты вычислений сведены в таблицу 2.

Таблица 1 – К расчёту поперечной силы и изгибающего момента.

1,00 4,86 61,26 0 0 0 0 0 0 0
0,90 5,63 71,00 66,13 3,22 212,65 212,65 106,32 341,88 341,88
0,89 5,73 72,27 71,64 0,42 29,94 242,59 227,62 95,15 437,03
0,80 6,40 80,75 76,51 2,80 214,03 456,62 349,61 978,02 1415,05
0,70 7,18 90,49 85,62 3,22 275,27 731,89 594,26 1910,65 3325,70
0,70 7,18 90,49 90,49 0,00 0,03 731,92 731,91 0,24 3325,94
0,65 7,56 95,36 92,92 1,61 149,40 881,32 806,62 1296,82 4622,76
0,60 7,95 100,23 97,79 1,61 157,20 890,90 812,30 1305,71 5928,50
0,50 8,72 109,97 105,10 3,22 337,96 1228,89 1059,91 3408,14 9336,92
0,47 8,95 112,90 111,43 0,96 107,49 1336,38 1282,63 1237,25 10574,17
0,40 9,49 119,72 117,62 1,38 162,63 1598,17 1516,85 2097,30 13874,79
0,37 9,72 122,64 121,18 0,96 116,89 1715,06 1656,61 1598,00 15472,79
0,30 10,27 129,46 127,95 0,99 127,13 1851,16 1787,59 1776,13 19318,09
0,20 11,04 139,20 134,33 3,22 431,94 2283,10 2067,13 6646,85 25964,93
0,12 11,66 146,99 145,53 0,96 140,38 2651,20 2581,00 2489,68 32308,32
0,10 11,81 148,94 147,97 0,64 95,16 2658,42 2610,84 1679,03 33987,43
0 12,58 158,69 153,81 3,22 494,59 3153,01 2905,72 9343,33 43330,77

Таблица 2 – К расчёту крутящего момента.

1,00 4,86 0 83,94 0 0 0
0,90 5,63 3,22 112,76 98,35 316,24 316,24
0,89 5,73 0,42 116,82 114,79 47,98 364,22
0,80 6,40 2,80 170,24 153,31 428,88 793,11
0,70 7,18 3,22 213,80 192,02 617,38 1410,49
0,70 7,18 0,00 213,80 213,80 0,07 1410,56
0,65 7,56 1,61 237,44 225,62 362,74 1773,29
0,60 7,95 1,61 224,69 214,04 344,05 1678,71
0,50 8,72 3,22 270,50 247,60 796,16 2432,30
0,47 8,95 0,96 285,07 277,79 267,96 2687,47
0,40 9,49 1,38 320,55 309,53 427,98 3338,94
0,37 9,72 0,96 336,39 328,47 316,85 3643,00
0,30 10,27 0,99 374,85 366,23 363,88 3846,77
0,20 11,04 3,22 433,39 404,12 1299,45 5060,94
0,12 11,66 0,96 483,28 473,77 457,00 6171,32
0,10 11,81 0,64 496,18 489,73 314,94 6677,49
0 12,58 3,22 563,21 529,69 1703,23 8309,08

Эпюры поперечных сил, изгибающего и крутящего моментов представлены ниже (см. соответственно рисунки 3 и 2).

Рисунок 2 – Эпюра погонного крутящего и крутящего моментов.

Рисунок 3 – Эпюры интенсивностей нормальной расчётной нагрузки, поперечной силы и изгибающего момента.

1.4 Подбор сечений элементов силовой схемы крыла.

1.4.1 Определение геометрических параметров продольного силового набора крыла в растянутой зоне.

Определяется приведённая толщина обшивки из условия работы продольного силового набора крыла на растяжение:

, (58)

где - коэффициент, определяющий долю нормальной силы, воспринимаемой поясами лонжеронов;

- величина нормальной силы в расчётном сечении ;

- значение разрушающего напряжения стрингера для выбранного материала Д16Т;

- расстояние между крайними лонжеронами в сечении , перпендикулярном линии центра жёсткости крыла;

- количество лонжеронов;

- высота стенки j-ого лонжерона (в рамках проектировочного расчёта принимается равной толщине профиля крыла в расчётном сечении);

- наибольшая из высот продольных стенок.

Величина нормальной силы в расчётном сечении крыла определяется по величине изгибающего момента в том же сечении с учётом стреловидности крыла. Изгибающий момент в расчётном сечении с учётом стреловидности крыла будет найден из выражения:

. (59)

Тогда величина нормальной силы будет найдена из выражения:

, (60)

где - средняя высота среди стенок лонжеронов, определится из выражения:

. (61)

Значение разрушающего напряжения стрингеров (при растяжении) определится из выражения:

, (62)

где - предел прочности материала стрингера;

и - коэффициенты, учитывающие ослабление сечения растянутых элементов отверстиями под заклёпки и возможную концентрацию напряжений, соответственно.

Отношение будет найдено из выражения:

. (63)

Согласно выражению (68): . (64)

Для растянутой зоны толщину обшивки принимают равной:

. (65)

По стандартным значениям толщины листов, принимается .

Тогда потребная площадь стрингера определится из выражения:

, (66)

где - расстояние между стрингерами.

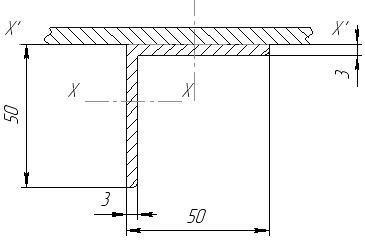
По /1/ подбирается прессованный профиль Пр-100 № 62 со следующими геометрическими характеристиками:

, , , , , .

Рисунок 4 – Профиль стрингера в растянутой зоне с размерами, положением главной центральной оси X-X и оси X’-X’.

В случае полёта самолёта с отрицательными углами атаки и скоростным напором, равным (расчётный случай D’), нижняя панель крыла будет подвергаться сжатию, а значит, при определённых нагрузках, возможна её потеря устойчивости. Задача состоит в определении критических напряжений сжатой нижней панели в расчётном случае D’.


Выражение для определения критического напряжения местной потери устойчивости стрингера запишется в виде:

, (67)

где - коэффициент, учитывающий геометрические размеры пластинки (лапки стрингера) и способ закрепления;

- модуль упругости первого рода для материала Д16Т;

- толщина пластинки;

- ширина пластинки.

Величины коэффициентов определятся из выражений:

. (68)

Величина критического напряжения определится из выражения:

. (69)

Критическое напряжение, найденное из выражения (79), не превышает предел пропорциональности для материала Д16Т (). Последнее означает, что уточнения напряжение, полученное по формуле (79), не требует.

Стрингер может терять общую устойчивость. Формула для определения критического напряжения общей потери устойчивости приведена ниже:

, (70)

где - коэффициент, учитывающий заделку стрингера на нервюрах;

- радиус инерции сечения стрингера относительно оси X’-X’;

- шаг нервюр, постоянный на всём размахе крыла.

Величину можно определить из выражения:

, (71)

где - расстояние между главной осью инерции X-Xстрингера и осью X’-X’, которое может быть определено по формуле:

. (72)


Согласно формуле (80):

. (73)

После подстановки результата выражения (83) в формулу (80) будет определено значение критического напряжения общей потери устойчивости стрингера (при условии, что потеря устойчивости произошла до предела пропорциональности материала):

. (74)

Напряжение в формуле (84) превышает предел пропорциональности материала стрингера. Пересчёт величины будет произведён по формуле:

. (75)

Минимальным значением разрушающего напряжения сжатой нижней панели будет значение критического напряжения местной потери устойчивости .

1.4.2 Определение геометрических параметров силового продольного силового набора крыла в сжатой зоне.

Определению подлежит приведённая толщина обшивки в сжатой зоне. Так как разрушающим напряжением стрингера верхней панели крыла является критическое напряжение потери устойчивости, которое, в свою очередь, может быть найдено только при известных геометрических параметрах стрингера, то для начала данное напряжение будет принято равным .

Согласно формуле (68): . (76)

Согласно рекомендациям, представленным в /1/, толщина обшивки составит:

. (77)

Принимается стандартное значение толщины листа обшивки .

Определяется площадь сечения стрингера в сжатой зоне:

. (78)

По /1/ принимается стрингер Пр-100 №22 со следующими геометрическими характеристиками: , , , , .

Рисунок 5 - Профиль стрингера в сжатой зоне с размерами, положением главной центральной оси X-X и оси X’-X’.

Критическое напряжение местной потери устойчивости стрингера определится из выражения:

, (79)

где величина коэффициента определится из выражения:

. (80)

Согласно уравнению (89):

. (81)

Очевидно, что полученное по формуле (91) напряжение завышено. Его пересчёт будет производиться согласно выражению:

. (82)

Расстояние от главной оси инерции X-X до оси X’-X’будет найдено по формуле:

. (83)

Радиус инерции поперечного сечения стрингера относительно оси X’-X’ определится из выражения:

. (84)


Критическое напряжение общей потери устойчивости стрингера определится из выражения:

. (85)

Напряжение, полученное по формуле (95) превышает предел пропорциональности. Его пересчёт приведён ниже.

. (86)

Минимальным из вышеуказанных напряжений будет напряжение местной потери устойчивости .

Значение толщины обшивки при разрушающем напряжении, равном , определится из выражения, аналогичного (86):

(87)

По /1/ принимается стандартное значение толщины обшивки . Таким образом, начальное разрушающее напряжение было выбрано удачно.

1.4.3 Определение толщины продольных стенок крыла.

Определению подлежит толщина продольных стенок крыла самолёта. Известно, что поперечная сила будет распределяться между стенками лонжеронов пропорционально их изгибным жёсткостям.

Величина поперечной силы, воспринимаемой всеми продольными стенками, с учётом конусности крыла определится из выражения:

, (88)

где - угол сужения стенок лонжеронов, который может быть определён по формуле:

(89)

Нагрузки на каждую продольную стенку от поперечной силы определятся из выражений:

. (90)

. (91)

. (92)

Разрушающим напряжениям каждой стенки лонжерона будет напряжение потери устойчивости стенки сдвига от поперечной силы, действующей непосредственно на эту стенку. Так как данные напряжения определить можно лишь при известных габаритных размерах стенки, то принимается вначале в качестве такого напряжения величина , что составляет от материала Д16Т.

При использовании результатов, полученных в формулах (100), (101) и (102), будут найдены величины толщин продольных стенок по формулам:

, (93)

, (94)

. (95)

Для каждой стенки принимаются стандартное значение толщины по /1/: , , .

Критическое напряжение местной потери устойчивости продольной стенки определятся из выражения:

. (96)

Коэффициент зависит от способа закрепления стенки на стрингерах и нервюре, а также от отношения её меньшей стороны к большей - . При условии, что все стороны продольной стенки заделаны, может быть определён по формуле:

, (97)

где коэффициент 1,7 определяет во сколько раз величина в случае заделанной стенки больше величины при её свободном оперании по /2/.

Тогда для каждого лонжерона данный коэффициент будет равен:

, (98)

, (99)

, (100)

где - шаг стоек на стенке лонжеронов.

Значения критических напряжений сдвига определится из выражений:

, (101)

, (102)

. (103)

Указанные выше в формулах (111) – (113) напряжения превышают предел пропорциональности (). Они будут уточнены согласно выражениям:

, (104)

, (105)

. (106)

Действующие в продольных стенках напряжения определятся из выражений:

, (107)

, (108)

. (109)

При сравнении результатов, полученных из формул (114) – (116) с соответствующими результатами формул (117) – (119), можно сделать вывод, что от восприятия поперечной нагрузки первая и третья стенки будет терять устойчивость. Для предотвращения потери ими устойчивости, их толщина будет увеличена до следующих стандартных величин , .

Тогда действующее и критическое напряжение в первой стенке будут определены по формулам:

, (110)

(111)

и

. (112)

Таким образом, обеспечение устойчивости стенки первого лонжерона была обеспечена.

Аналогично для стенки третьего лонжерона:

, (113)

(114)

и

. (115)

Устойчивость стенки третьего лонжерона также была обеспечена.

1.4.3 Определение толщины обшивки крыла.

Согласно выбранной КСС крыла, его сечение будет образованно тремя замкнутыми контурами (см. приложение 1). Первый контур расположен между носовой частью профиля крыла и первым лонжероном, второй образован обшивкой, первым и вторым лонжеронами, а третий – обшивкой, вторым и третьим лонжеронами.

Толщина обшивки в каждом контуре может быть определена по формулам:

, (116)

где - крутящий момент в расчётном сечении крыла с учётом стреловидности крыла;

- разрушающее напряжение для обшивки, работающей на кручение;

- периметр k-ого контура;

- удвоенная площадь контура.

Величина крутящего момента с учётом стреловидности крыла определится из выражения:

. (117)

Разрушающее касательное напряжение может быть принято равным:

. (118)

Величины периметров и площадей каждого контура могут быть определены графически (см. прил. 1), и составляют: , , , , , .

Тогда согласно выражению (120):

, (119)

, (120)

. (121)

Принимается стандартная толщина обшивки, согласно /1/: , , .

Ввиду того, что потребная толщина третьего контура не превышает толщину стенки третьего лонжерона, окончательно принимается толщина этой стенки равной .

1.4.4 Подбор сечений поясов лонжеронов в растянутой зоне.

Потребная площадь сечения растянутого пояса наиболее высокого лонжерона может быть определена из выражения:

, (122)

где - разрушающее напряжение пояса лонжерона при его растяжении, которое может быть определено из выражения (пояса выполнены из материала 30ХГСА):

. (123)

Потребные площади поясов в растянутой зоне первого и третьего лонжеронов могут быть определены из выражений:

(124)

и

. (125)

Согласно /1/, подбираются стандартные профили поясов.

Для первого лонжерона принимается профиль ПР-201 № 1: , , , .

Для второго лонжерона принимается профиль ПР-207 № 10: , , , , .

Для третьего лонжерона принимается профиль ПР-201 №3: , , , .

В расчётном случае D’, как уже ранее указывалось, нижняя панель крыла будет растянута. При этом пояса лонжеронов от сжимающих сил могут терять местную устойчивость.


Критические напряжения местной потери устойчивости поясов в пределах пропорциональности определится из выражений:

, (126)

, (127)

, (128)

где коэффициенты , , могут быть определены по формулам:

, (129)

, (130)

. (131)

Предел пропорциональности материала поясов лонжеронов 30ХГСА составляет . Таким образом, критические напряжения местной потери устойчивости поясов лонжеронов, найденные по формулам (136) – (138) завышенными не являются и пересчёта не требуют.

1.4.5 Подбор сечений поясов лонжеронов в сжатой зоне.

Потребная площадь сечения сжатого пояса наиболее высокого лонжерона может быть определена из выражения, аналогичного (132):

, (133)

где - разрушающее напряжение пояса лонжерона при его сжатии, которое может быть приближено принято:

. (134)


Потребные площади поясов в растянутой зоне первого и третьего лонжеронов могут быть определены из выражений:

(135)

и

. (136)

Согласно /1/, подбираются стандартные профили поясов.

Для первого лонжерона принимается профиль ПР-207 № 6: , , , ,

Для второго лонжерона принимается профиль ПР-207 № 8: , , , , .

Для третьего лонжерона принимается профиль ПР-201 №2: , , , .

Критические напряжения потери устойчивости сжатых поясов в пределах пропорциональности могут быть определены по следующим формулам:

, (137)

, (138)

, (139)

где коэффициенты , , могут быть определены, согласно (81), по формулам:

, (140)

, (141)

. (142)

Полученные напряжения во втором и третьем сжатых поясах превышают предел пропорциональности материала, а значит завышены. Их уточнение приведено в следующих формулах.

, (143)

. (144)

1.4.6 Проверка на устойчивость нижней панели крыла.

Проверка на устойчивость нижней панели крыла будет проводиться для расчётного случая D’ по формуле:

, (145)

где - значение нормальной силы, действующей на панель для указанного выше расчётного случая, определится из выражения:

; (146)

- минимальное критическое напряжение (при рассмотрении общей и местной потерь устойчивости) потери устойчивости стрингера;

Проверка нижней зона продольного силового набора крыла на устойчивость будет произведена по формуле:

, (147)

где - количество стрингеров на нижней панели крыла;

- приведённая ширина обшивки, определяемая как произведение длины шага стрингеров и редукционного коэффициента, приведённого для обшивки;

- расстояние от носка крыла до последнего лонжерона.

Величина редукционного коэффициента, найденного для нижней панели крыла определится из выражения:

. (148)

Согласно выражению (91):

. (149)

Таким образом, можно сделать вывод, что верхняя панель будет терять устойчивость. Для предотвращения потери устойчивости панели и как следствие её разрушения, будет увеличена площадь стрингеров до .

Тогда принятый профиль ПР-100 № 13 будет иметь следующие геометрические характеристики: , , , .

Аналогично для этого профиля будет определено критическое напряжение потери устойчивости.

Коэффициент определятся из выражений:

. (150)

Величина критического напряжения местной потери устойчивости определится из выражения:

. (151)

Расстояние от центральной оси поперечного сечения стрингера до оси, принадлежащей плоскости сопряжения полки стрингера с обшивкой будет найдено по формуле:

. (152)

Радиус инерции поперечного сечения стрингера определится из выражения:

(153)

Величина критического напряжения общей потери устойчивости в пределах пропорциональности определится из выражения:

. (154)

Напряжение в формуле (164) превышает предел пропорциональности материала стрингера. Пересчёт величины будет представлен ниже.

. (155)

Минимальным значением разрушающего напряжения сжатой нижней панели будет значение критического напряжения местной потери устойчивости .

Редукционный коэффициент для обшивки в данном случае будет определён из выражения:

. (156)

При повторном использовании формулы (155) будет определена степень выполнения условия устойчивости нижней панели:

. (157)

Таким образом, условие устойчивости нижней панели в расчётном случае D’ выполняется.

1.4.7 Проверка на устойчивость верхней панели крыла.

Проводится проверка устойчивости продольного силового набора верхней панели крыла согласно расчётному случаю A’ по формуле:

, (158)

Величина редукционного коэффициента, найденного для верхней панели крыла определится из выражения:

. (159)

Согласно выражению (167):

(160)

Таким образом, условие устойчивости верхней панели в расчётном случае A’ выполняется.

Оценить/Добавить комментарий
Имя
Оценка
Комментарии:
Делаю рефераты, курсовые, контрольные, дипломные на заказ. Звоните или пишите вотсап, телеграмм, вайбер 89675558705 Виктория.
22:57:51 17 октября 2021
Срочная помощь учащимся в написании различных работ. Бесплатные корректировки! Круглосуточная поддержка! Узнай стоимость твоей работы на сайте 64362.ru
03:03:36 12 сентября 2021
Привет студентам) если возникают трудности с любой работой (от реферата и контрольных до диплома), можете обратиться на FAST-REFERAT.RU , я там обычно заказываю, все качественно и в срок) в любом случае попробуйте, за спрос денег не берут)
Olya05:43:45 26 августа 2019
.
.05:43:45 26 августа 2019
.
.05:43:44 26 августа 2019

Смотреть все комментарии (16)
Работы, похожие на Реферат: Пассажирский самолёт BOEING 747-400

Назад
Меню
Главная
Рефераты
Благодарности
Опрос
Станете ли вы заказывать работу за деньги, если не найдете ее в Интернете?

Да, в любом случае.
Да, но только в случае крайней необходимости.
Возможно, в зависимости от цены.
Нет, напишу его сам.
Нет, забью.



Результаты(286344)
Комментарии (4153)
Copyright © 2005-2021 HEKIMA.RU [email protected] реклама на сайте