|
На сьогодні величезна кількість автомобілів буквально заполонила вулиці міст і сіл. Щоб цей величезний автопарк постійно перебував у справному стані, необхідна спеціальна служба з діагностики несправностей і ремонту автомобілів. Працівниками цієї служби є автослюсарі. Зазвичай це лише чоловіки.
У завдання автослюсаря входить, перш за все, виявлення несправностей автомобіля, загальна оцінка стану авто, а також подальший ремонт, регулювання і налагодження його механізмів.
У міру того як розвивався автотранспорт, все більше виникала необхідність у фахівцях, які б могли стежити за робочим станом автомобіля, а також уміти усувати несправності.
На сьогодні професія автослюсаря є однією з найбільш затребуваних в автосервісах. Щодня нам постійно доводиться стикатися з будь-яким видом автотранспорту – будь то особистий автомобіль або громадський транспорт, за усіма потрібен професійний і своєчасний догляд. Саме тому кваліфікований фахівець з ремонту і діагностики автомобіля сьогодні є досить затребуваним.
Постійне збільшення кількості автомобілів на дорогах, а також вдосконалення і ускладнення конструкції і механізмів потребують великої кількості обслуговуючого персоналу на станціях техобслуговування. Таким чином, професія автослюсаря до сьогодні затребувана і не втрачає своєї популярності.
Робота автослюсаря потребує хорошого технічного і логічного мислення, чудового зорового і слухового сприйняття, а також хорошої координації рухів та фізичної підготовки, доброго здоров'я, максимальної відповідальності та зосередженості.
Автомобіль ЗАЗ- 1102 "Таврія" є новою моделлю другої групи особливо малого класу, що принципово відрізняється від своїх попередників не лише деталями, але і компонуванням і найважливішими технічними рішеннями.
Сучасніша передньопривідна схема прийшла на зміну задньомоторній, що застосовувалася раніше на усіх автомобілях ЗАЗ. Силовий агрегат тепер розміщується не в задній частинікузова, а в передній і розташований упоперек в моторному відсіку. Охолодження двигуна рідинне замість повітряного.
Завдяки великим бічним дверям, бічним гнутим стеклам, переднім анатомічним сидінням з безступінчатим регулюванням нахилу спинок і великим діапазоном подовжнього переміщення, заднім досить широким сидінням (автомобіль став ширший на 64 мм) забезпечений зручний вхід і вихід водія і пасажирів, комфортабельна їзда чотирьох-п’яти людей.
Найважливішим показником автомобіля є його економічність. Висока економічність досягнута передусім завдяки двигуну з високою мірою стискування, двокамерним карбюратором і вентилятором, що відключається, в системі охолодження. Маса автомобіля понижена на 130 кг в порівнянні із ЗАЗ-968М, застосована нова конструкція шин і п'ятиступінчаста коробка з прискорюючою вищою передачею. У "Таврії" досконаліша форма кузова. При їзді по умовному міському циклу на швидкості 90 км/год ЗАЗ- 1102 на 30 % економічніше за стару модель.
Пасивна безпека забезпечується конструкцією кузова. Завдяки ній при аварії поглинається енергія удару і зберігається заданий простір в салоні. Випробування бічним ударом об нерухому перешкоду виявили, що вітрове скло залишається в отворі, а двері не відкриваються.
Окрім цього, автомобіль обладнаний інерційними ременями безпеки, м'якою оббивкою стійок кузова, енергоємними бамперами з удароміцної пластмаси, травмобезпечною рульовою колонкою і тришаровим вітровим склом. Паливний бак винесений в захищену від ударів зону над задньою віссю.
1.1. Схема електрообладнання
Автомобіль ЗАЗ-1102 оснащений складною сучасною системою електроустаткування, яка включає джерела електроенергії і комутаційну апаратуру.
Електроустаткування виконане за однопровідною схемою: негативні виводи джерел і споживачів електроенергії сполучені з "масою", яка виконує функції другого дроту.
Схема з'єднань електроустаткування показана на мал. 1, а, б. Більшість ланцюгів включаються ключем запалення. Завжди включені (незалежно від положення ключа в замку запалення) ланцюг живлення звукових сигналів, сигналу гальмування, світла фар, плафона освітлення салону і штепсельної розетки переносної лампи.
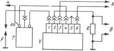
Електроустаткування автомобіля захищене плавкими запобіжниками (мал. 2), встановленими в нижній частині панелі приладів з лівого боку в спеціальному монтажному блоці. Перш ніж замінити запобіжник, що перегорів, слід з'ясувати причину його згорання і усунути її. При пошуках несправності рекомендується проглянути список ланцюгів (табл. 1), які захищає цей запобіжник.
1.2 Акумуляторна батарея
На автомобілях, що виходять із заводу, встановлені акумуляторні батареї 6СТ-44А (не обслуговуються), залиті електролітом і заряджені. У запасні частини ці батареї поступають також залитими електролітом і зарядженими.
Корпус (моноблок) батареї виготовлений з напівпрозорої із загальною кришкою і міжелементними з'єднаннями крізь перегородку моноблока (мал. 3).
У зв'язку з тим що на батареї блоки електродів (пластини) опущені до самого дна, над пластинами більш ніж в два рази збільшився об'єм електроліту. Це дозволило зменшити періодичність доливки дистильованої води.
Таблиця 1 - Ланцюги, що захищаються запобіжниками
| № запобіжника
|
Сила струму, А
|
Ланцюг, що захищається
|
1
2
3
4
5
6
7
8
9
10
11 (висить окремо)
|
16
8
8
8
8
8
8
8
8
8
16
|
Електродвигун вентилятора радіатора, реле включення вентилятора і датчик, електродвигун склоомивача вітрового скла, електродвигун і склоомивач дверей задка (за наявності)
Лампи задніх протитуманних вогнів, передніх і задніх габаритних вогнів, освітлення комбінації приладів, освітлення номерного знаку
Реле включення і контрольна лампа заряду акумуляторної батареї, лампа заднього ходу
Реле-переривник покажчиків поворотів, контрольна лампа покажчиків поворотів, покажчик рівня палива, покажчик температури рідини в двигуні, контрольна лампа тиску масла, контрольна лампа гальмівної системи
Нитка ближнього світла лівої фари
Нитка ближнього світла правої фари
Нитка далекого світла правої фари
Нитка далекого світла лівої фари
Розетка підключення переносної лампи, плафон внутрішнього освітлення салону, звуковий сигнал, лампи стоп-сигналу і габаритних вогнів
Реле-переривник покажчиків поворотів і аварійної сигналізації, контрольна лампа покажчиків поворотів, лампи покажчиків поворотів
Електродвигун отоплювача
|
При нормальному зарядному струмі батарея потребує доливки дистильованої води не більше одного разу за чотири місяці експлуатації. Батареї мають малий саморозряд і можуть зберігатися залитими електролітом і зарядженими протягом 12 місяців без заряджання.
Технічна характеристика
Тип
Номінальна напруга, В
Номінальна місткість, А-год
Параметри розряду стартера при температурі - 18 °С:
струм розряду, А
тривалість розряду, хв
Саморазряд після бездіяльності протягом 90 діб, %
Маса, кг:
з| електролітом
без електроліту
Термін зберігання, років
Термін служби, років
|
6СТ-44А|
12
44
220
2,5
10
14
10
1
4...5
|

Мал. 1 - Блок запобіжників і схема комутації: 1 - запобіжник 16 А; 2..10 - запобіжники 8 А; 3 - корпус блоку
1.3 Генератор
На двигуні встановлений генератор змінного струму (мал. 2) Г222, який є трифазною шестиполюсною електричною машиною з| електромагнітним збудженням, вбудованим випрямним блоком БПВ6-50-02 і інтегральним регулятором напруги Я112 В.
Технічна характеристика
| Напрям обертання
|
Праве (з боку приводу)
|
| Номінальна напруга, В |
12 |
Частота обертання ротора генератора, при якій
на його затисках досягається напруга 12 В хв-1
|
1000 ± 20
|
Зарядний струм, що подається на акумуляторну
батарею при напрузі 13 В і частоті обертання
ротора 5000 ± 100 хв-1
при сталому
режимі, А
|
47
|
| Максимальна частота обертання, хв-1
: |
| при тривалій роботі |
12000 ± 600 |
| короткочасно (до 10 с) |
17600 ± 500| |
| Межі регульованої напруги, В |
14,1 ± 0,4 |
| Опір обмотки збудження при 20 ± 5 °С, Ом |
3,7 + 0,2 |
| Розмір щіток, мм |
5х8х|18 |
| Зусилля притиску щіток, Н| (кгс) |
2,5|±0,6 ( 0,25 ± 0,06) |
| Маса генератора, кг |
4,74 |
Передавальне відношення шківа колінчастого валу
до шківа генератора
|
1: 2,014 |
Генератор встановлений з правого боку двигуна, кріпиться до кронштейна болтом і фіксується на натяжній планці гайкою. Привід генератора здійснюється від шківа, розташованого на кінцівці колінчастого валу, за допомогою клиновидного ременя.

Мал. 2 - Генератор в зборі: 1 - шків з вентилятором; 2, 9 - полюсні наконечники ротора; 3 - дистанційна втулка 4, 18 - передній і задній підшипники; 5, 13 - кришки з боку приводу і контактних кілець; 6 - обмотка ротора; 7 - статор; 8 - обмотка статора; 10 - буферна втулка; 11 - втулка; 12 - підтискна втулка; 14 - випрямний блок; 15 - діод; 16 - гвинт кріплення випрямного блоку; 17 - контактне кільце; 19 - конденсатор; 20 - вал ротора; 21 - вивід "30" генератора; 22 - вивід "0" генератора регулятор напруги; 24 - щіткотримач; 25 - щітка; 26 - шпилька кріплення генератора до натяжної планки

Мал. 3 - Схема з'єднань генератора в загальній схемі електроустаткування автомобіля
Трифазний змінний струм, що індукується в обмотці, перетвориться в постійний випрямний блоком 14, прикріплені до кришки 13. Електронний регулювальник 23 з щіткотримачем 24 і захисною кришкою закріплений в кришці 13.
Схема з'єднань генератора показана на мал. 5.
Напруга для збудження генератора при включенні запалення подається від акумуляторної батареї до клеми 6 і через реле 8 на контрольну лампу 10 - лампа горить.
Після пуску двигуна під дією випрямленої напруги від клеми 0 якір реле притягується до сердечника і розмикає контакти, струм через лампу не проходить і вона не горить.
Управляюча напруга подається на вивід В регулювальника безпосередньо від клеми 30.
Генератор охолоджується за допомогою вентилятора 1 (див. мал. 4), встановленого в передній частині на шківі.
Статор 8 являє собою пакет пластин з| електротехнічної сталі, в 36 пазах якого закладена трифазна обмотка, що складається з 6 безперервно намотаних котушок по 9 витків в кожній (у фазі 54 витки) емальованого дроту діаметром 0,95 мм. Кінці фазних обмоток виведені на сполучну колодку. Обмотки статора сполученізіркою.
Ротор складається з обмотки збудження 6, розташованої в поліамідному каркасі, який встановлений на двох клювоподібних половинках ротора 2 і 9, напресованих на вал до упору в їх торці. На вал на ізольованій втулці напресовано два контактні кільця 17, до яких припаяні виводи обмотки збудження. Обмотка збудження має 485 ± 3 витки емальованого дроту діаметром 0,71 мм.|
Ротор обертається в двох кулькових підшипниках 4 і 18 закритого типу, що не вимагають мастила в експлуатації і розміщених в передній 5 (з боку приводу) і задній 13 кришках.
На задній кришці розташовані: зовні щіткотримач 24 з інтегральним 23 регулятором напруги Я112 В і конденсатор 19, а усередині випрямний 14 блок БПВ6-50-02. Інтегральним регулювальником підтримується напруга 14,1 ±0,4 В і регулюванню не підлягає.
Передня і задня кришки з розташованим між ними статором стягнуті чотирма болтами; зусилля затягування гайок болтів 3,6..5 Н-м (0,36..0,5 кгс- м).
На передній кінець валу якоря на сегментній шпонці встановлений шків 1 з| крильчаткою. Шків на валу закріплений гайкою моментом затягування 45..72 Н-м (4,5..7,2 кгс - м); при цьому шайба встановлюється опуклою стороною до гайки.
1.4 Стартер
Стартер 40.3708 (мал. 4) призначений для пуску двигуна і є електродвигуном постійного струму змішаного збудження.
Він включається за допомогою електромагнітного тягового реле типу 26.37088, змонтованого на фланці кришки стартера.
Встановлений з лівого боку двигуна і кріпиться з двома шпильками до картера зчеплення, момент затягування гайок 40.. 52 Н-м (4,0..5,2 кгс- м).
Схема з'єднання стартера в загальній схемі автомобіля показана на мал. 7.

Мал. 4 - Стартер в зборі: 1 - кришка реле; 2 - контактний диск; 3 - шток реле в зборі; 4 - пружина контактного диска; 5 - корпус реле; 6 - обмотка реле; 7 - якір реле; 8 - пружина якоря; 9 - сережка; 10 - важіль; 11 - прокладка; 12 - вісь важеля; 13-кришка| з боку приводу; 14, 27 - втулки якоря; 15, 16, 23 - упорні шайби; 17 - стопорне кільце; 18 - упорне кільце; 19 - роликова муфта; 20 - якір в зборі; 21-статор; 22 - стяжний болт; 24 - ізоляційна прокладка; 25 - гвинт; 26 - ковпак; 28 - пружина щітки; 29 - пластмасовий щіткотримач; 30 - кришка з боку колектора; 31 - контактні болти тягового реле; 32-неізольована щітка; 33 - ізольована щітка; 34- збудження; 35 - полюс; 36-полюсний гвинт; 37 – вивід від котушки збудження; 38 - вивід обмоток реле (штекер внутрішній)
Технічна характеристика
| Номінальна напруга, В |
12 |
| Номінальна потужність, кВт (л. с.|) |
1,13 (1,54) |
| Пускова потужність, кВт (л. с.|) |
0,65 (0,885) |
| Струм холостого ходу, А, не більш |
70 |
| Частота обертання якоря; |
5000
|
| при холостому ході, хв-1
, не менше |
| при пусковій потужності, хв-1
, не менше |
1630 |
| Струм при гальмівному моменті 6,6 Н- м |
| (0,(0,674 кгс- м), А, не більш |
260 |
| при напрузі на виводах, В, не більш |
7 |
Напруга включення тягового реле в момент
дотику шестерні приводу з| прокладкою
завтовшки 18,5 мм, поміщеною між шестернею
і її упором, В, не більш
|
9 |
Тиск пружини щіткотримача на щітки
Н| (кгс)
|
9,5...12,5(0,95...1,25) |
| Число зубів шестерні приводу |
9 |
| Модуль зубів шестерень приводу, мм |
2,1116 |
| Маса, кг |
4,35 |
Статор 21 (див. мал. 5) має чотири полюси, на яких розташовані котушки збудження, три з яких сполучені між собою послідовно, одна паралельно їм. Кожна котушка має 5 витків дроту ПММ 1,8X4,75, ізольованих внахлест бавовняною стрічкою 0,25x25.
Якір 20 стартера з 23 секцій дроту ПЕТВ- 2-2,24 завдовжки 375 мм.
Вал якоря обертається в двох бронзографітових втулках 14 і 27, встановлених в передній 13 (з боку приводу) і задній 30 кришках. Ковпак 26, задня 30 і передня 13 кришки з розташованим між ними статором 21 стягнуті двома стяжними болтами 22. На задній кришці гвинтами 25 закріплений пластмасовий щіткотримач 29, що має фігурні гнізда під щітки. Щітки підтискаються до колектора циліндричними пружинами 28, які знаходяться в отворах пластмасового щіткотримача і упираються в ізоляційну прокладку 24. Усі щітки мають гнучкі канатики; канатики "масових" щіток до кришки кріпляться тими ж гвинтами 25, що і пластмасовий щіткотримач.
Ізольовані щітки сполучені між собою і мають загальний вивід від одного з кінців послідовно сполучених котушок обмотки збудження. Другий кінець котушок приєднаний до контактного болта 31 тягового реле.
На кінці валу якоря знаходиться привід стартера, що складається з шестерні з роликовою муфтою 19 вільного ходу. За допомогою приводу, що переміщається по гвинтових шліцах валу, здійснюється зачеплення шестерні стартера з ободом маховика і передача крутячого моменту від стартера до двигуна. Наявність муфти вільного ходу оберігає обмотку і колектор якоря від рознесення.

Мал. 5 - Схема з'єднань стартера в загальну схему електроустаткування автомобіля
Електромагнітне тягове реле 26.37088 служить для переміщення приводу по гвинтових шліцах валу якоря і введення шестерні в зачеплення з ободом маховика. Реле прикріплене двома гвинтами до кришки стартера.
Котушка реле має дві обмотки: послідовну (див. мал. 7) і паралельну - кожен з 167.. 170 витків, намотаних в чотири шари. Послідовна обмотка з дроту ПЕТВ 2-0,9, а паралельна - ПЕТВ 2-0,8. Опір обмоток при 20°С відповідно до 0,41..0,47 Ом і 0,67..0,73 Ом.
Усередині котушки знаходиться якір, що пересувається, 7 (див. мал. 6) реле з поворотною пружиною 8. На одному кінці якоря є сережка 9, сполучена з важелем 10 включень приводу стартера, інший кінець якоря упирається в шток з контактним диском 2.
При включенні стартера напруга від акумуляторної батареї подається на обидві обмотки реле: втягуючу і утримуючу. Після замикання контактів реле втягуюча обмотка відключається, оскільки обидваїї кінці виявляютьсясполученими з "плюсом" акумуляторної батареї.
1.5 Система запалення
Система запалення двигуна батарейна, безконтактна, номінальна напруга 12 В. Складається з датчика-розподільника 5 (мал. 8) запалень, комутатора 4, котушки 3 запалення, свічок запалення і дротів високої напруги з перешкодоподавлюючими наконечниками. Ланцюг живлення первинної обмотки котушки запалення преривається електронним комутатором. Управляючі імпульси на комутатор подаються від електронного мікроперемикача в датчику-розподільнику запалення.

Мал. 6 - Схема системи запалення:
Датчик-розподільник запалення типу 53.013706 (мал. 6) чотирьохіскровий, неекранований, з вакуумним і відцентровим регулювальниками випередження запалення, встановлений на корпусі приводу розподільника і паливного насоса, жорстко прикріплений до нього і приводиться в обертання від шестерні приводу розподільника. Напрям обертання лівий. Датчик-розподільник запалення має вбудований електронний мікроперемикач, що видає імпульси напруги при проходженні через його зазор сталевого екрану з прорізами.
Валик датчика-розподільника запалення обертається в двох ковзаючих підшипниках: що центрується 27 і запресованому 17 в корпусі 18.
Переривник датчика складається з шторки 10, закріпленої на муфті, і електронного мікроперемикача 22, який закріплений на пластині 8, сполученого з вакуум-корректором 5. Пластина 8 електронного мікроперемикача закріплена на корпусі 28 верхньої втулки і має можливість обертатися на деякий кут залежно від розрідження, що підводиться до вакуум-корректора.
Шторка переривника має чотири рівномірно розташованих вирізи. Проходячи між електронним мікроперемикачем, шторка періодично екранує магнітне поле електронного мікроперемикача, внаслідок чого виробляються імпульси.

Мал. 7 - Датчик-розподільник запалення: 1 - кришка; 2 - резистор; 3 - ротор (бігунок); 4 - пружина; 5-вакуум-корректор; 6, 7, 23 - гвинти; 8-пластина кріплення електронного мікроперемикача; 9 - стопорне кільце; 10 - шторка з муфтою; 11-пружина відцентрового автомата; 12 - кільце ущільнювача; 13 - упорна шайба; 14 - стопорна пружина; 15 - штифт; 16-муфта|; 17 - нижня втулка; 18 - корпус; 19 - фіброва шайба; 20 - упорна шайба; 21 – важок відцентрового регулювальника; 22 - електронний мікроперемикач;. 24 - клемна колодка; 25-стопорне кільце верхньої втулки; 26 - фетр; 27 - верхня центруюча втулка; 28 - корпус верхньої втулки; 29 - валик з основою відцентрового регулювальника; 30 - контактна вуглинка; 31 - пружина контактної вуглинки; 32 - тяга вакуум-коректора; Вид А - кришка 1 і рознощик 3 зняті
Іскра утворюється у момент припинення екранування магнітного поля шторкою 10 (початок вирізу шторки поєднується з віссю електронного мікроперемикача).
Розподільник струму високої напруги складається з бігунка (ротора) 3 з контактною пластиною і кришки 1 з електродами, які з'єднуються дротами зі свічками і котушкою запалення. Для пригнічення радіоперешкод в бігунку 3 (роторі) вмонтований резистор 2 (1000+100 Ом). У центральний електрод кришки розподільника вмонтована комбінована вуглинка, що складається з контактної вуглинки 30 і пружини 31, що підтискає її до контактної пластини бігунка.
Бігунок розподільника, обертаючись, передає струм високої напруги від котушки запалення через центральний електрод кришки на бічні електроди і далі по високовольтних дротах на електроди свічок (в порядку роботи циліндрів двигуна).
Відцентровий регулювальник призначений для зміни кута випередження запалення залежно від частоти обертання. Від відцентрової сили важки 21 розходяться, повертаючи муфту з жорстко закріпленою на ній шторкою 10 по напряму обертання, забезпечуючи більш ранню появу іскри і, отже, збільшення кута випередження запалення. Пружини 11 утримують важки в початковому положенні. При зменшенні частоти обертання колінчастого валу двигуна під дією пружини важки переміщають муфту у зворотному напрямі і кут випередження запалення зменшується. Маса важків і зусилля натягнені пружини підібрані так, щоб забезпечувалася зміна моменту запалення залежно від частоти обертання колінчастого валу двигуна.
Вакуум-коректор 5 змінює кут випередження запалення залежно від навантаження двигуна. Із зміною навантаження двигуна змінюється розрідження у впускній системі двигуна і відповідно в порожнині корпусу вакуумного регулювальника, сполученоютрубкою з камерою змішувача карбюратора.
У корпусі вакуум-коректора знаходиться діафрагма, виготовлена із спеціальної тканини. Металевою тягою 32 діафрагма через шарнір сполучена з пластиною 8 кріплень електронного мікроперемикача. З протилежного боку на діафрагму натискає пружина. Коли двигун працює з малим навантаженням, у впускній системі створюється велике розрідження, під дією якого діафрагма вигинається і тягне за собою пластину кріплення безконтактного мікроперемикача. Пластина провертається разом з електронним мікроперемикачем проти напряму обертання ротора, і кут випередження запалення збільшується.
Октан-коректор призначений для зміни кута випередження запалення залежно від октанового числа бензину. Чим вище октанове число вживаного бензину, тим більше має бути кут випередження запалення. На фланці корпусу 4 (мал. 8) нанесена шкала зі знаком "плюс" і "мінус", що вказують необхідний напрям руху для збільшення і зменшення кута випередження запалення. Одне ділення відповідає зміні кута випередження запалення на 4° (по куту повороту колінчастого валу двигуна).
Комутатор 3620.3734 перетворить імпульси електронного мікроперемикача, що управляють, в імпульси струму в первинній обмотці котушки запалення.

Мал. 8 - Установка датчика-розподільника запалення: 1 - провідна шестерня приводу датчика-розподільника; 2 - розподільний вал; 3 - корпус приводу розподільника і паливного насоса; 4-датчик-розподільник запалення; 5 - гумове кільце ущільнювача; 6 - ведена шестерня приводу датчика-розподільника; 7-упорне кільце; В - прилив на корпусі для установки октан-коректора; А - А - вісь, паралельна подовжній осі двигуна.

Мал. 9 - Форма імпульсів на екрані осцилографа: І - імпульси комутатора; ІІ - імпульси генератора; А - час накопичення струму; В-максимальное значення струму
Uмакс
(мал. 10, ІІ) від електронного мікроперемикача походить поступове (протягом 4..8 мс|) наростання струму в первинній обмотці котушки запалення до максимального значення В (мал. 10, І), рівного 8..9 А. В мить, коли напруга на виході електронного мікроперемикача падає до Umin
, вихідний транзистор комутатора закривається і струм через первинну обмотку котушки запалення різко уривається. В результаті в її вториннійобмотці індукується імпульс високої напруги.
Комутатор перевіряється тільки після перевірки роботи електронного мікроперемикача датчика-розподільника.
Комутатор перевіряється за допомогою осцилографа і генератора прямокутних імпульсів (мал. 11) при напрузі живлення 12 В.
На клеми 3 і 6 комутатора подаються прямокутні імпульси з частотою 3,33..233 Гц від генератора, імітуючі імпульси датчика. Шпаруватість імпульсів визначається по формулі Т|/Тu
- 3, де Tu
- тривалість імпульсу генератора.
Максимальна напруга Umах
=10 В, а мінімальне t/min<0,4 В (див. мал. 9, ІІ). Вихідний опір генератора має бути 100..500 Ом.
Бажано застосовувати двоканальний осцилограф. 1-й канал - для імпульсів генератора, а 2-й - для імпульсів комутатора.
У справного комутатора форма імпульсів струму повинна відповідати осцилограмі І. Значення струму В повинно бути 8..9 А, а час накопичення струму А≤8,5 мс при частоті 33,3 Гц і А≥4 мс при частоті 150 Гц.
Якщо форма імпульсів комутатора спотворена, то можуть бути перебої з іскроутворенням або воно відбуватиметься із запізненням. При цьому двигун перегріватиметься і не розвиватиме номінальної потужності.
Попередження. Не можна від'єднувати від комутатора штепсельний роз’їм при включеному запаленні, оскільки при цьому на окремих елементах схеми комутатора може виникнути напруга до 400 В і комутатор буде пошкоджений. Неприпустимо прокладати дроти високої і низької напруги в одному джгуті.

Мал. 10 - Схема для перевірки комутатора; А - до генератора прямокутних імпульсів; В - до осцилографа
Котушка запалення 53.3705 є трансформатором, який перетворює низьку напругу первинного ланцюга у високу напругу вторинного ланцюга, необхідну для пробою іскрового проміжку між електродами свічок і займання робочої суміші двигуна.
Котушка запалення встановлена на щитку передка під капотом і має первинну і вторинну обмотки. Обмотки і магнітопровід поміщені в металевому кожусі і залиті маслом. Кожух закритий пластмасовою кришкою, на якій розташовані клеми низької напруги і одна - високої напруги.
При випробуванні на спеціальному стенді котушка запалення повинна забезпечувати безперебійне іскроутворення на стандартних трьохелектродних голчастих розрядниках з проміжком 7 мм при частоті обертання валика розподільника до 2500 хв-1
. При цьому напруга на клемах первинного ланцюга котушки при замкнутих контактах переривника-розподільника має бути 12±0,2 В. Тривалість перевірки на безперебійність іскроутворення 30 с; перевірка безперебійності виробляється візуально і на слух за допомогою імпульсного кіловольтметра. При перевірці опір первинної обмотки при температурі 25°С повинен складати 0,45±0,05 Ом, а вторинної 4±0,5 кОм. Опір ізоляції на "масу" має бути не менше 50 мОм.
Свічки запалення А 17ДВ-| 10 або А 17ДВР| (мал. 12) виконані з якісного ізоляційного керамічного матеріалу, стійкого до електричних, хімічних і термічних дій. Герметизація свічки забезпечується тепловідвідною шайбою 8 і пластичною деформацією корпусу. По центральному електроду свічка герметизована струмопровідним герметиком 5. Гартівне число 16..18 одиниць. Застосовувати свічки з нижчим гартівним числом не рекомендується.
Контактна голівка 3 має різьблення М4, а ввертна частина - спеціальне різьблення М14ХГ25-6е завдовжки 19 мм. Момент затягування свічки 31,4..39,2 Н-м (3,14..3,92 кгс-м). Ущільнення свічки і голівки циліндрів досягається установкою кільця ущільнювача 2.

Мал. 11 - Свічка запалення а і екранований наконечник свічки б: 1 - бічний електрод; 2 - кільце ущільнювача; 3 - контактна голівка; 4 - ізолятор; 5 - струмопровідний герметик; 6 - корпус; 7 - центральний електрод; 8 - тепловідвідна шайба; 9 - клема; 10 - пружина; 11 - резистор; 12 - наконечник; 13 - скоба; 14 - екран; 15-корпус
Забруднені свічки запалення або з нагаром перед установкою на двигун очистити струменем піску і продути стислим повітрям. Нагар світло-коричневого кольору можна не видаляти, оскільки він з'являється на справному двигуні і не порушує роботи системи запалення.
Екранований наконечник свічки 3501.3707 служить для приєднання дротів високої напруги до свічки запалення.
Наконечник має пружинну скобу 13, яка забезпечує кріплення наконечника на різьбовій контактній частині центрального електроду свічки.
Клема має кільцеву канавку, куди входить наконечник дроту. Цим забезпечується надійне електричне і механічне приєднання дроту до наконечника.
Для пригнічення радіоперешкод зовні наконечник екранований, а усередині вмонтований резистор 11 (5600±560 Ом).
Дроти високої напруги ПВВП вінілхлоридні, перешкодоподавляючі, червоного кольору, із зовнішнім діаметром 7,0..7,4 мм.
При експлуатації необхідно стежити за щільною посадкою дротів на усю глибину в наконечники і в кришку датчика-розподільника.
2.1 Технічне обслуговування акумуляторної батареї
автомобіль електроприлад технічне обслуговування
Готовність батарей до експлуатації при установці на автомобіль перевіряється шляхом виміру статичної напруги (після зберігання) і щільності електроліту. При напрузі менше 12,5 В батарею слід зарядити (див. нижче). Напругу контролювати вольтметром з класом точності 1,0, шкалою 30 В і ціною ділення 0,2 В. Щільність електроліту повинна відповідати значенням, вказаним в таблиці 2.
Не рідше за один раз в місяць:
· перевірити надійність кріплення батареї в гнізді і наконечників дротів до виводів батареї;
· при необхідності очистити батарею від бруду і пилу;
· перевірити, чи немає видимих ушкоджень (тріщин і руйнувань моноблока, кришки), що викликають витік електроліту. При виявленні течі зняти батарею з автомобіля і усунути ушкодження.

Мал. 12 - Акумуляторна батарея: 1 - моноблок; 2 - блок електродів; 3 - кришка; 4 - планка; 5 - пробка; а - лінії рівня електроліту (не нижче нижньої і не вище верхньою)
Таблиця 2 - Вибір щільності електроліту
| Кліматичний район (середня місячна температура повітря в січні, °С) |
Пора року |
Плотность електроліту, приведена до 25 "З, зарядженої батареї, г/см 3 |
Дуже холодний (від мінус 50
до мінус 30)
|
Зима |
1,30 |
| Літо |
1,28 |
| Круглий рік |
1,28 |
| Помірний (від мінус 15 до мінус 8) |
| Круглий рік |
1,28 |
| Теплий вологий (від 0 до плюс 4) |
| Круглий рік |
1,23 |
| Жаркий сухий (від мінус 15 до плюс 4) |
| Круглий рік |
1,23 |
Примітка. Допускаються відхилення щільності електроліту від значень, приведених в таблицю. 9, на ±0,01 г/см3
|.
Після пробігу перших 5000 км, а надалі через кожні 15 000 км пробігу перевірити рівень електроліту в усіх акумуляторах батареї. При значному зниженні рівня електроліту перевірити справність електроустаткування. Регульована (зарядне) напруга реле-регулювальника має бути 14,1 ± 0,4 В.
Для доливки дистильованої води зняти планку 4 (див. мал. 13) і вивернути пробку 5. Рівень електроліту повинен підтримуватися в межах верхньої і нижньої ліній а, вказаних на корпусі моноблока. Не допускається експлуатація батарей з рівнем електроліту нижче за нижню лінію. Доливати в акумулятори електроліт забороняється, за винятком тих випадків, коли точно відомо, що пониження рівня електроліту сталося за рахунок його випліскування; при цьому щільність доливаного електроліту має бути такою ж, яку мав електроліт в акумуляторі до випліскування.
При відмові в процесі експлуатації, а також періодично через кожні чотири місяці перевірити заряджену батареї виміром щільності електроліту акумуляторним ареометром. Одночасно заміряти його температуру, щоб врахувати температурну поправку (таблиця 3).
Після визначення щільності електроліту в акумуляторах встановити міру зарядженої батареї по таблиці 4.
Зняту з автомобіля батарею повністю зарядити і довести щільність електроліту до значень, вказаних в таблиці 4 для відповідного кліматичного району. Щільно укрутити пробки і вставити планку. Таку батарею, по можливості, слід зберігати в неопалювальному сухому приміщенні при температурі не нижче мінус 50 °З, захистивши її від прямого попадання сонячних променів.
Таблиця 3 - Температурна поправка щільності електроліту
| Температура електроліту при вимірі щільності, 0 З |
Поправка до свідчення ареометра, г/см 3 |
Від мінус 40 до мінус 26 вкл|.
Від мінус 25 до мінус 11 вкл|.
Від мінус 10 до мінус 4
Від мінус 5 до плюс 19 вкл|.
Від плюс 20 до плюс 30 вкл.
Від плюс 31 до плюс 45
|
-0,04
-0,03
-0,02
- 0,01
0,00
+ 0,01
|
Примітка. При температурі електроліту вище плюс 30°С величина поправки додається до фактичного свідченняареометра. При температурі електроліту нижче плюс 20°С величина поправки відповідно віднімається. Коли температура електроліту плюс 20..30°С, поправка не вводиться.
Таблиця 4 - Щільність електроліту, приведена до температури 25 °З, г/см 3
| Повністю заряджена батарея |
Батарея, розряджена на,: |
| 25 % |
50 % |
| 1,30 |
1,26 |
1,22 |
| 1,28 |
1,24 |
1,20 |
| 1,23 |
1,19 |
1,15 |
Через кожні 15 000 км пробігу очистити від оксиду і змастити технічним вазеліном вивідні штирі і наконечники дротів.
Батарею, розряджену більш ніж на 25 % взимку і більш ніж на 50 % влітку, зняти з автомобіля і зарядити. Після 12 місяців бездіяльності акумуляторну батарею зарядити і встановити на автомобіль або на наступний період зберігання. Таких періодів може бути не більше трьох.
Для заряджання акумуляторну батарею зняти з автомобіля, приєднати позитивний ввід батареї до позитивного полюса постійного струму, а негативний - до негативного. Зняти з батареї планку і відвернути пробки. Встановити зарядний струм 2,2 А. В процесі заряду підтримувати температуру електроліту в межах плюс 15.. плюс 45 °С.
Заряд проводити до тих пір, поки напруга і щільність електроліту не будуть постійними протягом 3 ч. Щільність електроліту батареї у кінці заряду повинна відповідати приведеною в таблицю 4. Якщо у кінці заряду щільність електроліту, заміряна з урахуванням температурної поправки по таблиці 3, відрізнятиметься від вказаної, слід відкоригувати її, доливши дистильованої води, коли щільність вища за норму, або розчину сірчаної кислоти щільністю 1,40 г/см3
, коли щільність нижча за норму.
Після коригування продовжити заряд протягом 30 хв для повного перемішування електроліту, потім відключити батарею і через 30 хв заміряти рівень електроліту в усіх акумуляторах. Якщо рівень виявиться нижче за лінію а, в акумулятори додати електроліт щільності, відповідної значенню цього кліматичного району по таблиці 3. При рівні вище за норму відібрати надлишок електроліту гумовою грушею. Після заряду батарею встановити на автомобіль.
2.2 Технічне обслуговування генератора
Після перших 5000 км і після кожних 15 000 км пробігу перевірити стан ременя приводу генератора і при необхідності відрегулювати його натягнення.
Через кожні 60 000 км пробігу зняти з автомобіля генератор, промити і очистити його. Перевірити і зачистити контактні кільця генератора дрібнозернистою шліфувальною шкіркою, перевірити знос і прилягання щіток до кілець і при необхідності замінити щіткотримач з щітками. Якщо щітки зносилися і виступають з щіткотримача менше ніж на 5 мм, замінити щіткотримач з щітками. Для заміни висунути щіткотримач з корпусу регулятора напруги, натиснувши на вивід 0 (заздалегідь зняти регулятор напруги).
Перед установкою регулятора напруги з новим щіткотримачем на місце продути гніздо в генераторі і видалити протиранням масло, змішане з вугільним пилом. Нові щітки повинні вільно переміщатися в щіткотримачі.
Замінити ремінь генератора. Для цього ослабити гайку кріплення генератора до планки (мал. 14) розпору і болт нижнього шарніра і, переміщаючи генератор у бік двигуна, звільнити ремінь від натягнення, зняти його і встановити на шківи новий ремінь. Для регулювання натягнення ременя змістити генератор від двигуна, затягнути гайку планки розпору і перевірити натягнення ременя. Нормальний прогин А має бути 6..8 мм при зусиллі 80..100 Н-м (8..10 кгс-м). Після правильної установки (регулювання) натягнення ременя генератора остаточно затягнути гайку натяжної планки і болт шарнірного з'єднання генератора. При регулюванні уникати зайвого натягнення ременя, щоб уникнути перевантаження підшипників і передчасного їх виходу з ладу.

Мал. 13 - Перевірка натягнення ременя генератора: 1 - гайка; 2 - планка; 3 - генератор; 4 - шків приводу генератора; 5 - ремінь; 6 - болт шарнірного кріплення генератора; 7-- шків на колінчастому валу; А - прогин; В - послаблення; Г - натягнення
2.3 Технічне обслуговування стартера
Через кожні 60 000 км пробігу автомобіля зняти стартер, очистити від бруду і пилу і розібрати. Ретельно промити і продути стислим повітрям усі деталі стартера. Оглянути робочу поверхню торцевого колектора. Поверхня колектора має бути гладкою і не мати слідів підгорання. Промити колектор серветкою, змоченою в бензині, і зачистити дрібнозернистою абразивною шкіркою. Щітки повинні вільно переміщатися в щіткотримачах і мати висоту не менше 9 мм. При необхідності замінити щітки, заздалегідь притерши їх до колектора.
Перевірити втягуюче реле, контакти, що підгоріли, зачистити. Очистити втулки якоря в кришках і шестерню включення і змастити їх моторним мастилом, а повідкове кільце приводу - мастилом Литол- 24. Для зняття і установки стартера необхідно мати гайкові ключі 9, 12 і 17мм.
Знімати стартер в такій послідовності: поставити автомобіль над оглядовою канавою, від'єднати дроти від акумуляторної батареї і від стартера; відвернути дві гайки шпильок кріплення стартера до картера зчеплення, зрушити на довжину шпильок стартера у бік генератора і зняти його.
Установку стартера виробляти в зворотній послідовності.
2.4 Технічне обслуговування системи запалення
Для справної і надійної роботи системи запалення, особливо в зимову пору року, необхідно усі прилади тримати в чистоті, не допускаючи появи на них масла і бруд. Усі гумові захисні чохли при виявленні тріщин і розривів замінювати новими. Дроти високої напруги не повинні торкатися металевих деталей і повинні мати надійний контакт з приладами. В процесі експлуатації не залишати включеним запалення при непрацюючому двигуні, протирати пластмасові кришку датчика-розподільника і котушку запалення серветкою, змоченою в спирті або бензині, оберігати котушку і комутатор від механічних ушкоджень.
Через кожні 15 000 км пробігу: зняти кришку датчика розподільника і ретельно протерти її усередині і зовні чистою серветкою, змоченою в спирті або бензині, оглянути кришку і рознощик, при необхідності очистити високовольтні контакти на кришці. Перевірити надійність приєднань дротів і рухливість контактної вуглинки в кришці. Перевірити надійність посадки трубки вакуум-коректора на штуцері датчика і карбюратора; вивернути і зняти з двигуна свічки запалення. Перевірити стан внутрішньої і зовнішньої частин ізолятора. Очистити нагар, промити і продути свічку. Перевірити проміжок між електродами, при необхідності встановити проміжок, підгинаючи зовнішній контакт (0,7..0,85 мм). Укрутити свічки в двигун спочатку від руки, потім трубчастим ключем. Момент затягування 28..40 Н-м (2,8..4 кгс-м); перевірити і при необхідності встановити момент запалення.
Через кожні 30 000 км пробігу замінити свічки. Заздалегідь промити свічки в бензині, продути повітрям і встановити проміжок 0,7..0,85 мм.
Порядок операцій при установці запалення наступний: встановити колінчастий вал в положення, відповідне початку такту стискування в першому циліндрі. Для цього, повільно провертаючи колінчастий вал двигуна, поєднати мітку 13 на шківі 10 приводу генератора з міткою МЗ кожуха 1 плоскозубчатого ременя, при цьому бігунок повинен знаходитися проти контакту кришки, сполученого з дротом, що йде до свічки запалення першого циліндра; ослабити затягування гайок кріплення корпусу датчика - розподільника і під'єднати до клемної колодки 24
Включити запалення і обережно повернути корпус датчика-| розподільника в ту або іншу сторону точно до моменту спалаху світлодіода, або лампи розжарювання. Для збільшення кута випередження запалення корпус датчика-розподільника повернути за годинниковою стрілкою, а для зменшення - проти годинної стрілки (якщо дивитися з боку кришки датчика-розподільника). Для зручності регулювання моменту запалення на фланці датчика-розподільника запалення є ділення і знаки "+" і "-", а на корпусі приводу розподільника - настановний виступ. Одне ділення на фланці відповідає 4° повороту колінчастого валу.

Мал. 14 - Схема пристрою для перевірки працездатності електронного мікроперемикача в датчику-розподільнику і установки кута випередження запалення: І - зі світлодіодом; ІІ- з лампою розжарювання
утримуючи корпус датчика-розподільника від провертання, затягнути гайки кріплення корпусу. Після цього проконтролювати установку кута випередження запалення, провертаючи колінчастий вал двигуна колесом або за шків;
перевірити приєднання дротів від свічок, починаючи з першого циліндра, в порядку 1-3-4-2, рахуючи їх проти годинної стрілки.
Якщо є діагностичний стенд з осцилоскопом, то з його допомогою легко перевірити установку моменту запалення, керуючись інструкцією з експлуатації стенду.
При необхідності знімати датчик-розподільник в такій послідовності:
від'єднати дроти високої напруги, трубку вакуум- коректора і роз'єднати штепсельний роз'єм;
відвернути гайки кріплення корпусу датчика-розподільника. Погойдуючи корпус датчика-розподільника за вакуум-коректор навколо осі, вийняти його з корпусу приводу розподільника. Встановлювати розподільник в зворотній послідовності: провернути колінчастий вал в положення, відповідне ВМТ ходу стискування в першому циліндрі;
встановити ротор проти контакту кришки, сполученого з дротом, що йде до свічки запалення першого циліндра. Для полегшення посадки хвостовика розподільника злегка змастити кільце ущільнювача 12 маслом, виставити муфту 16 датчика-розподільника запалення меншим сектором вгору, при цьому камера вакуум-коректора повинна знаходитися з боку маховика, а вісь штекера електронного мікроперемикача під кутом 40° до подовжньої осі двигуна.

Мал. 15 - Установка веденої шестерні приводу розподільника: І - положення паза до установки шестерні; II - положення паза після установки шестерні; 1 - менший сектор повідця шестерні приводу; А-А - подовжня вісь двигуна
Під'єднати дроти високої напруги і з'єднати штепсельний роз'єм. При цьому дроти високої напруги до кришки датчика-розподільника під'єднати згідно з порядком роботи циліндрів двигуна 1-3-4-2, дріт до свічки першого циліндра встановити в гніздо електроду кришки розподільника з цифрою 1.
Технічне обслуговування і ремонт автомобілів виконують у призначених для цього місцях (на постах). На робочих місцях повинні забезпечуватися безпечні умови для проведення робіт; обладнання, інструмент та прилади повинні відповідати характеру виконуваної роботи і виключати травматизм.
В разі примусового переміщення автомобілів з поста на пост потокової лінії передбачають світлову або звукову сигналізацію. Після сигналу про початок пересування конвеєра, робітники повинні покинути робочі місця, вийти з оглядової канави і відійти від конвеєра.
Для екстреної зупинки конвеєра на кожному посту є кнопки “Стоп”.
Електричне обладнання діагностичного стенду з біговими барабанами (пульт керування, апаратні шафи, блоки барабанів тощо) повинні бути надійно заземлені.
В кінці зміни слід вимкнути рубильник стенду, закрити крани паливних баків, перекрити вентиль подачі стисненого повітря.
Пуск двигуна необхідно здійснювати стартером, як виняток – пусковою рукояткою. Аби уникнути травмування кисті, рукоятку слід брати так, щоб всі пальці правої руки розташовувалися по один бік ручки. Повертати колінчастий вал необхідно тільки знизу вгору, довкола – забороняється.
Запускати газовий двигун, якщо є витікання газу, не дозволяється.
Регулювальні роботи з двигуном, що працює, слід виконувати на спеціальному посту з місцевою вентиляцією для відпрацьованих газів.
В приміщеннях для ТО і ремонту автомобілів забороняється залишати порожню тару з паливом та мастильними матеріалами.
Розлите паливо або масло слід негайно прибрати, використовуючи пісок чи тирсу. Після завершення роботи всі використані ганчірки скласти в спеціальну тару.
ТО і ремонт приладів системи живлення, знятих з автомобіля, виконують в цеху (на дільниці). Біля ванн для миття деталей системи живлення, біля верстаків для розбирання-складання, перевірки і регулювання приладів, а також токарного станка повинні бути вентиляційні витяжки.
Роботи, пов’язані із зачищенням деталей перед паянням та лудінням, виконують на робочих місцях, обладнаних місцевою вентиляцією. Паливні баки і тару з-під пальних сумішей перед ремонтом необхідно помити гарячою водою, пропарити парою, промити каустичною содою та просушити гарячим повітрям. Перед паянням, зварюванням слід відкрити пробки.
Загоряння необхідно гасити за допомогою вогнегасників, піском або струменем розпиленої води. Балони з газом слід поливати холодною водою, щоб запобігти підвищенню тиску в них.
Роботи з акумуляторними батареями необхідно виконувати в ізольованих приміщеннях з дотриманням вимог безпеки, викладених нижче.
Всі особи, причетні до роботи з акумуляторними батареями, повинні пройти спеціальний інструктаж з техніки безпеки.
У разі попадання електроліту або кислоти на шкіру необхідно негайно змити їх водою, 10%-м розчином соди чи нашатирного спирту.
Закінчивши роботу з акумуляторами, перед вживанням їжі необхідно прополоскати рот і старанно помити руки.
На робочих місцях повинні бути аптечки з йодом, ватою, марлею та 10% розчинами соди і нашатирного спирту.
Питну воду слід зберігати у шафі в закритій ємності.
В робочих приміщеннях забороняється палити, а також зберігати продукти харчування.
Після закінчення кожної зміни необхідно робити вологе прибирання підлог, столів, верстаків та інструментів.
При акумуляторному цеху повинні бути обладнані роздягальня та вмивальник з шафами для зберігання домашнього одягу і окремо – спецодягу.
Забороняється транспортувати акумуляторні батареї вручну (незалежно від кількості їх).
В акумуляторних та зарядних приміщеннях повинні бути вікна, що відчиняються.
Підлога робочого приміщення (акумуляторного цеху), де ремонтують акумулятори, повинна бути цегляною або бетонною, неслизькою і без вибоїн.
Покриття стелажів, стін, підлоги повинно бути кислотостійким, а поверхня стін, крім того, гладенькою до висоти не менше ніж 1,75 м.
Поверхня робочих столів, на яких розбирають і збирають акумуляторні батареї, повинна бути рівною, без щілин і тріщин, а покриття – стійким проти сірчаної кислоти.
Свинцевий порошок, глет і сурик для акумуляторних майстерень необхідно доставляти в металевій, герметично закритій тарі і зберігати в окремому приміщенні.
Непридатні пластини, свинець та його відходи необхідно зберігати в окремому ящику, що закривається.
В акумуляторному цеху обов’язково повинен бути водопровід, щоб у разі попадання кислоти на шкіру робітника її можна було б змити.
Електропроводка в акумуляторній повинна бути герметичною, в металевих трубах, покритих асфальтовим лаком. Освітлення акумуляторного цеху і зарядного приміщення, а також зарядна установка повинна бути вибухобезпечного виконання. В зарядному приміщенні не можна встановлювати генератори і відкриті електродвигуни. Воно повинно бути обладнане вентиляцією для видалення газів, які виділяються під час зарядження акумуляторів. В приміщенні категорично забороняється палити і користуватися відкритим вогнем, оскільки водень, який виділяється під час заряджання акумуляторів, сполучаючись з киснем повітря, утворює гримучий газ, який легко вибухає.
Тріщини в мастиці акумуляторних баків необхідно згладжувати металевим предметом. Не допускається розплавляти мастику на діючий батареї полум’ям паяльної лампи, оскільки гази, що містяться в акумуляторі, можуть вибухнути.
Електроліт слід готувати шляхом вливання тонкою струминкою кислоти в дистильовану воду. Не можна впливати воду в сірчану кислоту, оскільки розчинення кислоти у воді супроводжується розбризкуванням, що може спричинити тяжкі опіки. Забороняється приготовляти електроліт в скляній нетермостійкій посудині, оскільки вона може тріснути від тепла, яке виділяється в процесі розчинення сірчаної кислоти.
Зберігати кислоту і електроліт дозволяється тільки в спеціально відведеному приміщенні, підлога та стіни якого мають кислотостійке покриття.
В приміщенні для зарядження акумуляторних батарей не можна виконувати інші роботи (розбирання, ремонт). Температура в цьому приміщенні повинна бути не нижчою ніж +10˚С.
В зарядному приміщенні повинні бути вмивальники, бочки з 10% розчином питної соди, а також протипожежні засоби (вогнегасники, вода, пісок, лопати тощо).
Одночасне зарядження понад десяти акумуляторних батарей повинно відбуватися в ізольованих приміщеннях зі стелажами.
Одночасне зарядження менше ніж десяти акумуляторних батарей можна виконувати в приміщеннях ремонтних цехів, але акумуляторні батареї обов’язково слід встановлювати у витяжній шафі. Будова шаф повинна виключати просочування водню в приміщення.
Під час зарядження акумуляторних батарей не можна користуватися навантажувальною вилкою.
З’єднуватися акумуляторні батареї, які заряджуються, необхідно за допомогою освинцьованих затискачів, які щільно прилягають і виключають можливість іскріння. Забороняється з’єднувати акумуляторні батареї дротом.
Зварювальні, кузовні, фарбувальні роботи слід виконувати в окремих ізольованих приміщеннях, обладнаних вентиляцією.
Миття автомобілів, агрегатів і деталей виконують на мийній дільниці, підлога якої має вологостійке покриття та уклон для стікання рідини. Дільницю обладнують вентиляцією, а мийні ванни – витяжними зонтами. Перед приготуванням і використанням мийних розчинів слід надягти гумові фартух, чоботи, рукавички, а також захисні окуляри.
Щоб запобігти ураженню електричним струмом, використовують засоби колективного і індивідуального захисту, а також засоби додаткового захисту.
До засобів колективного захисту належать:
- захисне вимикання аварійної мережі в цілому або її ділянки;
- захисне заземлення електрообладнання;
- застережні, заборонні, наказові, переносні щити;
- ізолювальні прокладки, тимчасові переносні заземлення;
- спеціальні знаки безпеки, сигналізація, блокування.
До спеціальних засобів індивідуального захисту належать:
- діелектричні рукавиці, боти, калоші, килимки, ізолювальні підставки;
- переносні безпечні світильники напругою 12…48 В, знижувальні трансформатори напругою 220/12 або 220/42 В, захисне заземлення.
До засобів додаткового захисту належать:
- діелектричні доріжки;
- захисні окуляри;
- спеціальні рукавиці з важкозаймистої тканини;
- захисні пристрої тощо.
Правила безпеки при виконанні роботи:
- перед початком роботи з ручним електроінструментом слід пересвідчитися в тому, що він справний і є захисне заземлення;
- для роботи з інструментом під напругою 127…220 В необхідно надіти захисні окуляри, гумові рукавиці, калоші і користуватися гумовим килимком або сухим дерев’яним стелажем;
- залишаючи робоче місце навіть ненадовго, слід вимкнути електроінструмент;
- у разі виявлення будь-якої несправності електроінструменту, заземлювального пристрою або штепсельної розетки слід негайно припинити роботу;
- в приміщеннях без підвищеної і особливої небезпеки використовують світильники напругою 42 В. В приміщеннях з особливою і підвищеною небезпекою, в тісноті, в незручному положенні працюючого застосовуються переносні світильники місцевого освітлення напругою 12 В.
До організаційних протипожежних заходів належать:
- розроблення правил та інструкцій з протипожежної безпеки;
- організація вивчення цих правил та інструкцій;
- організація проведення інструктажів;
- організація протипожежного нагляду за об’єктами.
Кожне АТП повинне мати первинні засоби пожежогасіння, до яких належать:
- внутрішні крани з пожежними рукавами і стволами;
- вогнегасники пінні, вуглекислотні, порошкові;
- ящики, бочки з піском, водою;
- покривала азбестові, брезентові;
- ручний пожежний інструмент (відра, гаки, сокири, ломи).
Вимоги пожежної безпеки:
- проходи, проїзди на територію не можна захаращувати;
- забороняється виконувати на території стоянки автомобілів роботи із застосуванням відкритого вогню;
- заряджати акумуляторні батареї;
- палити;
- зберігати використаний матеріал для обтирання;
- розлите паливо або масло слід негайно прибрати;
- водій повинен стежити за справністю електрообладнання і пересвідчуватися, що не підтікає паливо;
- в разі загоряння автомобіля слід негайно вивести його із зони стоянки і вжити заходів для гасіння пожежі.
1. Г.В. ЧуйкоАкционерное обшество «АвтоЗАЗ» Запорожский автомобильный завод.Руководство по эксплуатации автомобилей «Таврия» 1102-3902004. - Днепропетровск: «Сiч», 1995. - С. 136.
2. Н.Н.Стрюк Автомобиль ЗАЗ 1102 Таврия.
3. Фучаджи К.С. Автомобиль ЗАЗ-1102 "Таврия", устройство, ТО, ремонт. – 1993.
4. ЗАЗ Таврия, Славута, ЗАЗ-1102, ЗАЗ 1103, ЗАЗ-1105 -Руководство по ремонту и эксплуатации автомобиля.
5. www.avtozaz.com/
6. wikipedia.org
7. zaz1102.org.ua
Додаток 1
Стартер ЗАЗ-1102

Додаток 2
Генератор ЗАЗ-1102

|