Задание 1: Для своего цеха определить категорию надёжности электроснабжения, вычертить вариант цеховой схемы электроснабжения
№
п/п
(№ варианта)
|
Наименование сооружения (цеха, здания) |
Потребители электроэнергии расположенные в здании |
Мощность потребителей, кВт.(каждого) |
| 4 |
Термический цех |
1. Термические печи, 3 шт.
2. Вентилятор, 4 шт.
|
15
1,2
|
электроснабжение сеть кабельный нагрузка
Надежность, как одно из требований к системам ЭСПП, определяется числом независимых источников питания и схемой электроснабжения. По надежности электроснабжения в соответствии с требованиями ПУЭ электроприемники разделяются на три категории:
К 1 категории относят электроприемники (ЭП), перерыв в электроснабжении которых может повлечь за собой опасность для жизни людей, значительный ущерб народному хозяйству, предприятию, массовый брак продукции, расстройство сложного технологического процесса и др. Пример ЭП 1 категории: насосы водоснабжения и канализации, газоочистка, приводы вращающихся печей, газораспределительные пункты, вентиляторы промыт-ленные, аварийное освещение и др.
Из состава I категории выделяется особая группа ЭП. бесперебойная работа которых необходима для безаварийной остановки производства с целью предотвращения угрозы жизни людей, взрывов, пожаров и повреждения дорогостоящего оборудования..
Электроприемники I категории должны обеспечиваться электроэнергией от двух независимых взаимно резервирующих источников питания (ИП). Перерыв в электроснабжении от одного из источников питания может быть допущен лишь на время автоматического восстановления питания от другого.
К числу независимых ИП относятся две секции или системы шин одной или двух электростанций и подстанций при одновременном соблюдении двух условии:
- каждая из секций или систем шин, в свою очередь, имеет питание от независимого ИП:
- секции (системы) шин не связаны между собой или имеют связь, автоматически отключающуюся при нарушении нормальной работы одной из секций (систем) шин.
Термическому цеху соответствует первая категория надёжности электроснабжения.
Предлагаемая цеховая схема электроснабжения представлена на рисунке 1.

Рисунок 1
Задание 2: Для своего цеха выполнить чертёж схемы питающей сети переменного тока напряжением 380 В, с выбором кабелей для запитки оборудования установленного в цеху
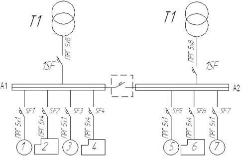
Чертёж схемы питающей сети термического цеха представлен на рисунке 2.

Рисунок 2
Для выбора кабелей необходимо для каждого электроприёмника определить величину тока.
Токи (в амперах) в линии определяются но формуле

Для потребителей 1, 3, 5, 7 (вентилляторы) Р = 1,2 кВт

Выбираем кабель ПРГ5х1
Для потребителей 2, 4. 6 (термопечи) Р = 15 кВт

Выбираем кабель ПРГ5х4
Кабеля для подключения распределительных пунктов к трансформаторам на случай автоматического включения резерва должны выдерживать нагрузку от всех потребителей

Выбираем кабель ПРГ5х8
Схема питающей сети цеха с выбранными
кабелями будет выглядеть так, как показано на рисунке 3.

Задание 3: Описать способы прокладки кабельных линий для подключения своего оборудования (см. таблицу 1).
Так как в данном случае, необходимо защищать кабели от механических повреждений, и блуждающих токов, их необходимо прокладывать в трубах. Для этой цели применяем стальные, трубы.
Внутренний диаметр труб для прокладки кабеля выбираем не менее двукратного наружного диаметра кабеля.
Трубы должны удовлетворять следующим требованиям:
· внутренняя поверхность их должна быть гладкой;
· торцы труб с внутренней стороны должны быть скруглены с радиусом не менее 5 м и не иметь выступов, изломов, заусенцев;
· соединения труб должны быть строго соосны;
· торцы труб в местах входа (выхода) в туннели, каналы должны быть заделаны заподлицо с внутренними поверхностями стен.
· Трубы должны быть уложены с уклоном не менее 0,2 %. Соединение труб должно выполняться с помощью металлических муфт.
Задание 4: Для своего цеха выбрать вариант электропроводки для подключения светильников общего освещения. Начертить в масштабе разметку мест установки светильников в шахматном порядке (см. таблицу 2).
Таблица 2
№ п\п
(№ варианта)
|
Ширина цеха, м. |
Длина цеха, м. |
Количество светильников, шт. |
Количество рядов, шт. |
| 4 |
45 |
94 |
41 |
3 |
Базовыми светильниками для освещения цеха принимаем светильники типа РВЛ – 40 м (Рсв
= 40 Вт,hсв
= 0.8, cosjсв
= 0.7).
Расстояние между данными светильниками Lсв1
= 8-12 м.
Определим мощность осветительного трансформатора

где hс
=0.95¸0.97 – кпд сети; hсв
, и hс
– кпд светильника; cosjсв
, – коэффициент мощности светильника; - суммарная мощность всех ламп, Вт.
Определяем сечение жилы осветительного кабеля по методу момента мощности М, кВт×м:
1,5 мм²
где M – момент нагрузки, М = SРл
×L/2 ; кВт / м; L – длина осветительной линии, L = 282 м; Мветви
=1640×282/2=62,5 кВт/м; С – табличный коэффициент, С = 8,5; ∆U – максимально допустимое падение напряжения на самом удалённом светильнике, DU = 4-7% .
Для сети освещения принимается кабель: КГЭШ 3 ´4+1 ´2 ,5.
При разметке мест установки светильников, учитываем, что расстояние от стен при заданной ширине помещения (45м) и расположении ламп в 3 ряда должно составлять 7-8м
Располагаем светильники по 14 штук в крайних рядах и 13 в среднем.
Расстояние от стен по длине помещения 4 м.

Рисунок 4
Задание 5: Рассчитать электрическую нагрузку, которая требуется для нормальной работы вашего цеха, и выбрать защитную аппаратуру для питающей сети вашего цеха (см. таблицу 1).
Согласно распределению нагрузки по распределительным устройствам заполним сводную ведомость
| Наименование |
нагрузка установленная |
нагрузка средняя за смену |
нагрузка максимальная |
| А 1 |
кол-во |
Р |
ΣР |
Кн |
cosφ |
tgφ |
Рсм кВт |
Qсм квар |
Sсм кВА |
Рм кВт |
Qм квар |
Sм кВА |
| 1 |
2 |
3 |
4 |
5 |
6 |
7 |
8 |
9 |
10 |
11 |
12 |
13 |
| Печь термическая (2,4) |
2 |
15 |
30 |
0,75 |
0,95 |
0,33 |
22,50 |
7,40 |
23,68 |
51,75 |
11,83 |
53,09 |
| Вентиллятор (1,3) |
2 |
1,2 |
2,4 |
0,8 |
0,85 |
0,62 |
1,92 |
1,19 |
2,26 |
4,42 |
1,90 |
4,81 |
| итого по А1 |
6 |
16,2 |
32,4 |
0,8 |
0,9 |
0,47 |
24,42 |
8,59 |
25,94 |
56,17 |
13,74 |
57,89 |
| А 2 |
| Печь термическая (6) |
1 |
15 |
15 |
0,75 |
0,95 |
0,33 |
11,25 |
3,70 |
11,84 |
25,88 |
5,92 |
26,54 |
| Вентиллятор (5,7) |
2 |
1,2 |
2,4 |
0,8 |
0,85 |
0,62 |
1,92 |
1,19 |
2,26 |
4,42 |
1,90 |
4,81 |
| итого по А2 |
3 |
16,2 |
17,4 |
0,8 |
13,17 |
4,89 |
14,05 |
30,29 |
7,82 |
31,28 |
| ВСЕГО |
49,8 |
37,59 |
13,47 |
39,99 |
86,46 |
21,56 |
89,18 |
В столбце 1 указываем наименование оборудования, для которого рассчитываются параметры.
В столбце 2 указываем количество электроприёмников, подключенных к данному шинопроводу.
В столбце 3 по формуле вычисляем суммарную мощность всех электроприёмников, указанных в столбце 1 на данном РП.
Столбцы 4,5 и 6 заполняем, используя табличные данные
Ки
– коэффициент использования электроприёмников, определяется на основании опыта эксплуатации. Для дальнейших расчетов определяем и среднее значение данного коэффициента по распределительному устройству.
– коэффициент реактивной мощности
В столбце 8 рассчитываем среднесменную активную мощность:

Где Рном
- номинальная активная мощность электропотребителя без учёта резервных электроприёмников.
Далее для заполнения колонки 9 находим для каждого электроприёмника среднюю реактивную мощность за наиболее нагруженную смену 

В столбце 10 находим среднюю полную нагрузку по формуле

В колонках 11, 12 и 13 производим расчёт максимальных нагрузок электроприёмников по формулам:
; ; 
Где - максимальная активная нагрузка кВт
- максимальная реактивная нагрузка квар
– коэффициент максимума активной нагрузки
- коэффициент максимума реактивной нагрузки
Для А1: = 2,3 
Для А2: = 2,3 
С учетом того, что ток потребляемый вентиляторами равен 1.9А в качестве автоматических выключателей SF1, SF3, SF5, SF7 выбираем ВА51-25
Номинальный ток, 25 А
Ток срабатывания отсечки 
Отключающая способность, 3кА
С учетом того, что ток потребляемый термическими печами равен 23А в качестве автоматических выключателей SF2, SF4, SF6, выбираем ВА51-31
Номинальный ток, 100 А
Ток срабатывания отсечки 40
Отключающая способность, 5кА
В качестве автоматических выключателей 1SF выбираем ВА51-33
Номинальный ток, 160 А
Ток срабатывания отсечки 100
Отключающая способность, 12.5кА
|