Министерство образования и науки РФ
Волгоградский Государственный Технический Университет
(ВолгГТУ)
Кафедра Автомобильный транспорт
Основы безопасного управления автомобилем
Реферат
«Тормозная система автомобиля. Устройство и работа»
Выполнил:
студент гр. АЭ-513
Солдатов П.В.
Проверил:
ст. пр. Еронтаев В.В.
Волгоград 2011
Содержание
Классификация и устройство тормозных систем
Основные типы тормозных механизмов
Гидравлический привод тормозов
Тормозные жидкости
Гидровакуумный усилитель тормозов
Пневмопривод тормозного управления
Устройство и работа стояночной, вспомогательной и запасной тормозных систем
Возможные неисправности тормозной системы
Список источников
Классификация и устройство тормозных систем
Классификация.
Эксплуатация любого автомобиля допускается в том случае, если он имеет исправную тормозную систему. Тормозная система необходима на автомобиле для снижения его скорости, остановки и удерживания на месте.
Тормозная сила возникает между колесом и дорогой по направлению, препятствующему вращению колеса. Максимальное значение тормозной силы на колесе зависит от возможностей механизма, создающего силу торможения, от нагрузки, приходящейся на колесо, и от коэффициента сцепления с дорогой. При равенстве всех условий, определяющих силу торможения, эффективность тормозной системы будет зависеть в первую очередь от особенностей конструкции механизмов, производящих торможение автомобиля.
На современных автомобилях в целях обеспечения безопасности движения устанавливают несколько тормозных систем, выполняющих различное назначение. По этому признаку тормозные системы подразделяют на:
- рабочую,
- запасную,
- стояночную,
- вспомогательную.
Рабочая тормозная система используется во всех режимах движения автомобиля для снижения его скорости до полной остановки. Она приводится в действие усилием ноги водителя, прилагаемым к педали ножного тормоза. Эффективность действия рабочей тормозной системы самая большая по сравнению с другими типами тормозных систем.
Запасная тормозная система предназначена для остановки автомобиля в случае отказа рабочей тормозной системы. Она оказывает меньшее тормозящее действие на автомобиль, чем рабочая система. Функции запасной системы может выполнять чаще всего исправная часть рабочей тормозной системы или полностью стояночная система.
Стояночная тормозная система служит для удерживания остановленного автомобиля на месте, чтобы исключить его самопроизвольное трогание (например, на уклоне).
Управляется стояночная тормозная система рукой водителя через рычаг ручного тормоза.
Вспомогательная тормозная система используется в виде тормоза-замедлителя на автомобилях большой грузоподъемности (МАЗ, КрАЗ, КамАЗ) с целью снижения нагрузки при длительном торможении на рабочую тормозную систему, например на длинном спуске в горной или холмистой местности.
Устройство тормозной системы
В общем виде тормозная система состоит из тормозных механизмов и их привода. Тормозные механизмы при работе системы препятствуют вращению колес, в результате чего между колесами и дорогой возникает тормозная сила, останавливающая автомобиль. Тормозные механизмы (см. рис. 1) 2 размещаются непосредственно на передних и задних колесах автомобиля.
Тормозной привод передает усилие от ноги водителя на тормозные механизмы. Он состоит из главного тормозного цилиндра 5 с педалью 4 тормоза, гидровакуумного усилителя 1 и соединяющих их трубопроводов 3, заполненных жидкостью.
Работает тормозная система следующим образом. При нажатии на педаль тормоза поршень главного цилиндра давит на жидкость, которая перетекает к колесным тормозным механизмам. Поскольку жидкость практически не сжимается, то, перетекая по трубкам к тормозным механизмам, она передает усилие нажатия. Тормозные механизмы преобразуют это усилие в сопротивление вращению колес, и наступает торможение. Если педаль тормоза отпустить, жидкость перетечет обратно к главному тормозному цилиндру и колеса растормаживаются. Гидровакуумный усилитель 1 облегчает управление тормозной системой, так как создает дополнительное усилие, передаваемое на тормозные механизмы колес.

Рис. 1- Схема тормозной системы
автомобиль барабанный тормоз
Для повышения надежности тормозных систем автомобилей в приводе применяют различные устройства, позволяющие сохранить ее работоспособность при частичном отказе тормозной системы. Так, на автомобиле ГАЗ-24 «Волга» для этого применяют разделитель, который автоматически отключает при торможении неисправную часть тормозного привода в момент возникновения отказа.
Рассмотренный принцип действия тормозной системы позволяет представить взаимодействие основных элементов тормозной системы, имеющей гидравлический привод. Если в приводе тормозной системы используется сжатый воздух, то такой привод называется пневматическим, если жесткие тяги или металлические тросы - механическим. Действие указанных приводов имеет существенные отличия от гидропривода и рассматривается ниже.
Основные типы колесных тормозных механизмов
В тормозных системах автомобилей наиболее распространены фрикционные тормозные механизмы, принцип действия которых основан на силах трения вращающихся деталей о невращающиеся. По форме вращающейся детали колесные тормозные механизмы делят на барабанные и дисковые.
Барабанный тормозной механизм с гидравлическим приводом (рис. 2 а) состоит из двух колодок 2 с фрикционными накладками, установленных на опорном диске 3. Нижние концы колодок закреплены шарнирно на опорах 5, а верхние упираются через стальные сухари в поршни разжимного колесного цилиндра 1. Стяжная пружина 6 прижимает колодки к поршням цилиндра 1, обеспечивая зазор между колодками и тормозным барабаном 4 в нерабочем положении тормоза. При поступлении жидкости из привода в колесный цилиндр 1 его поршни расходятся и раздвигают колодки до соприкосновения с тормозным барабаном, который вращается вместе со ступицей колеса. Возникающая сила трения колодок о барабан вызывает затормаживание колеса. После прекращения давления жидкости на поршни колесного цилиндра стяжная пружина 11 возвращает колодки в исходное положение и торможение прекращается.
Рассмотренная конструкция барабанного тормоза способствует неравномерному износу передней и задней по ходу движения колодок. Это происходит в результате того, что при движении вперед в момент торможения передняя колодка работает против вращения колеса и прижимается к барабану с большей силой, чем задняя. Поэтому, чтобы уравнять износ передней и задней колодок, длину передней накладки делают больше, чем задней, или рекомендуют менять местами колодки через определенный срок.

Рис. 2 - Колесный барабанный тормозной механизм
В другой конструкции барабанного механизма опоры колодок располагают на противоположных сторонах тормозного диска и привод каждой колодки выполняют от отдельного гидроцилиндра. Этим достигается больший тормозной момент и равномерность изнашивания колодок на каждом колесе, оборудованном по такой схеме.
Барабанный тормозной механизм с пневматическим приводом (рис. 2 б) отличается от механизма с гидравлическим приводом конструкцией разжимного устройства колодок. В нем используется для разведения колодок разжимный кулак 7, приводимый в движение рычагом 8, посаженным на ось разжимного кулака. Рычаг отклоняется усилием, возникающем в пневматической тормозной камере 9, которая работает от давления сжатого воздуха. Возврат колодок в исходное положение при оттормаживании происходит под действием стяжной пружины 11. Нижние концы колодок закреплены на эксцентриковых пальцах 10, которые обеспечивают регулировку зазора между нижними частями колодок и барабаном. Верхние части колодок подводятся к барабану при регулировке зазора с помощью червячного механизма.

Рис. 3 - Колесный дисковый тормозной механизм:
а - в сборе, б - разрез по оси колесных тормозных цилиндров;
1 - тормозной диск, 2 - шланги, 3 - поворотный рычаг, 4 - стойка передней подвески,5 - грязезащитный диск, 6 - клапан выпуска воздуха, 7 - шпилька крепления колодок, 8, 9 –половины скобы,10 - тормозная колодка,11 - канал подвода жидкости, 12 - поршень малый, 13 - поршень большой
Колесный дисковый тормозной механизм с гидроприводом состоит из тормозного диска 1, закрепленного на ступице колеса. Тормозной диск вращается между половинками 8 и 9 скобы, прикрепленной к стойке 4 передней подвески. В каждой половине скобы выточены колесные цилиндры с большим 13 и малым 12 поршнями.
При нажатии на тормозную педаль жидкость из главного тормозного цилиндра перетекает по шлангам 2 в полости колесных цилиндров и передает давление на поршни, которые, перемещаясь с двух сторон, прижимают тормозные колодки 10 к диску 1, благодаря чему и происходит торможение.
Отпускание педали вызывает падение давления жидкости в приводе, поршни 13 и 12 под действием упругости уплотнительных манжет и осевого биения диска отходят от него, и торможение прекращается.
Преимущества барабанных тормозов:
- низкая стоимость, простота производства;
- обладают эффектом механического самоусиления. Благодаря тому, что нижние части колодок связаны друг с другом, трение о барабан передней колодки усиливает прижатие к нему задней колодки. Этот эффект способствует многократному увеличению тормозного усилия, передаваемого водителем, и быстро повышает тормозящее действие при усилении давления на педаль.
Преимущества дисковых тормозов:
- при повышении температуры характеристики дисковых тормозов довольно стабильны, тогда как у барабанных снижается эффективность.
- температурная стойкость дисков выше, в частности, из-за того, что они лучше охлаждаются;
- более высокая эффективность торможения позволяет уменьшить тормозной путь;
- меньшие вес и размеры;
- повышается чувствительность тормозов;
время срабатывания уменьшается
- изношенные колодки просто заменить, на барабанных приходится предпринимать усилия на подгонку колодок чтобы одеть барабаны;
- около 70% кинетической энергии автомобиля гасится передними тормозами, задние дисковые тормоза позволяют снизить нагрузку на передние диски;
- температурные расширения не влияют на качество прилегания тормозных поверхностей.
Гидравлический привод тормозов
Тормозную систему с гидравлическим приводом тормозов применяют на всех легковых и некоторых грузовых автомобилях. Она выполняет одновременно функции рабочей, запасной и стояночной систем. Чтобы повысить надежность тормозной системы на легковых автомобилях ВАЗ, АЗЛК, ЗАЗ применяют двухконтурный гидравлический привод, который состоит из двух независимых приводов, действующих от одного главного тормозного цилиндра на тормозные механизмы отдельно передних и задних колес. На автомобиле ГАЗ-24 с этой же целью применяют в приводе тормозов разделитель, позволяющий использовать исправную часть тормозной системы в качестве запасной, если в другой части тормозной системы произошло нарушение герметичности.
Главный тормозной цилиндр (рис.4) приводится в действие от тормозной педали, установленной на кронштейне кузова. Корпус 2 главного цилиндра выполнен совместно с резервуаром для тормозной жидкости. Внутри цилиндра находится алюминиевый поршень 10 с уплотнительным резиновым кольцом. Поршень может перемещаться под действием толкателя 1, соединенного шарнирно с педалью.

Рис. 4 - Главный тормозной цилиндр
Днище поршня упирается через стальную шайбу в уплотнительную манжету 9, прижимаемую пружиной 8. Она же прижимает к гнезду впускной клапан 7, внутри которого расположен нагнетательный клапан 6.
Внутренняя полость цилиндра сообщается с резервуаром компенсационным 4 и перепускным 3 отверстиями. В крышке резервуара сделано резьбовое отверстие для заливки жидкости, закрываемое пробкой 5. При нажатии на тормозную педаль под действием толкателя 1 поршень с манжетой перемещается и закрывает отверстие 4, вследствие чего давление жидкости в цилиндре увеличивается, открывается нагнетательный клапан 6 и жидкость поступает к тормозным механизмам. Если отпустить педаль, то давление жидкости в приводе снижается, и она перетекает обратно в цилиндр. При этом избыток жидкости через компенсационное отверстие 4 возвращается в резервуар. В то же время пружина 8, действуя на клапан 7, поддерживает в системе привода небольшое избыточное давление после полного отпускания педали.
При резком отпускании педали поршень 10 отходит в крайнее положение быстрее, чем перемещается манжета 9, и жидкость начинает заполнять освобождающуюся полость цилиндра. Одновременно в полости возникает разрежение. Чтобы устранить его, в днище поршня имеются отверстия, сообщающие рабочую полость цилиндра с внутренней полостью поршня. Через них жидкость перетекает в зону разрежения, чем и устраняется нежелательный подсос воздуха в цилиндр. При дальнейшем перемещении манжеты жидкость вытесняется во внутреннюю полость поршня и далее через перепускное отверстие 3 в резервуар.
Колесный тормозной цилиндр тормозного механизма заднего колеса состоит из чугунного корпуса, внутри которого помещены два алюминиевых поршня с уплотнительными резиновыми манжетами. В торцовую поверхность поршней для уменьшения изнашивания вставлены стальные сухари. Цилиндр с обеих сторон закрыт защитными резиновыми чехлами. Жидкость в полость цилиндра поступает через отверстие, в которое ввернут присоединительный штуцер. Для выпуска воздуха из полости цилиндра используется клапан прокачки, закрытый снаружи резиновым колпачком. В цилиндре имеется устройство для регулировки зазора между колодками и барабаном, представляющее собой пружинное упорное кольцо, вставленное с натягом в корпус цилиндра.
Во время торможения внутри цилиндра создается давление жидкости, под действием которого поршень перемещается и отжимает тормозную колодку. По мере изнашивания фрикционной накладки ход поршня при торможении становится больше и наступает момент, когда он своим буртиком передвигает упорное кольцо, преодолевая усилие его посадки. При обратном перемещении колодки под действием стяжной пружины упорное кольцо остается в новом положении, так как усилия стяжной пружины недостаточно, чтобы сдвинуть его назад. Таким образом, достигается компенсация износа накладок и автоматически устанавливается минимальный зазор между колодками и барабаном.
Колесный цилиндр тормозного механизма переднего колеса действует только на одну колодку, поэтому отличается от колесного цилиндра заднего колеса внешними размерами и количеством поршней: в цилиндре заднего колеса размещены два поршня, в цилиндре переднего - один. Все остальные детали цилиндров, за исключением корпуса, одинаковы по конструкции.
Тормозные жидкости
Тормозная жидкость является одной из наиболее важных эксплутационных жидкостей в автомобиле, от качества которой зависит надежность работы тормозной системы и безопасность. Ее основная функция – передача энергии от главного тормозного к колесным цилиндрам, которые прижимают тормозные накладки к тормозным дискам или барабанам. Тормозные жидкости состоят из основы (ее доля 93–98%) и различных добавок, присадок, иногда красителей (остальные 7–2%). По своему составу они делятся на минеральные (касторовые), гликолевые и силиконовые.
Минеральные (касторовые) – представляющие собой различные смеси касторового масла и спирта, например бутилового (БСК) или амилового спирта (АСК) имеют сравнительно невысокие вязкостно-температурные свойства, так как застывают при температуре -30...-40 градусов и закипают при температуре +115 градусов.
Такие жидкости обладают хорошими смазывающими и защитными свойствами, негигроскопичны, не агрессивны к лакокрасочным покрытиям.
Но они не соответствуют международным стандартам, имеют низкую температуру кипения (их нельзя применять на машинах с дисковыми тормозами) и становятся слишком вязкими уже при минус20°С.
Минеральные жидкости нельзя смешивать с жидкостями на другой основе, так как возможно набухание резиновых манжет, узлов, гидропривода и образование сгустков касторового масла.
Гликолевые тормозные жидкости, состоящие из спиртогликколевой смеси, многофункциональных присадок и небольшого количества воды. У них высокая температура кипения, хорошие вязкостные и удовлетворительные смазывающие свойства.
Основным недостатком гликолевых жидкостей является гигроскопичность (склонность поглощать воду из атмосферы). Чем больше воды растворено в тормозной жидкости, тем ниже ее температура кипения, больше вязкость при низких температурах, хуже смазываемость деталей и сильнее коррозия металлов.
Отечественная тормозная жидкость «Нева» имеет температуру кипения не ниже +195 градусов и окрашена в светло-желтый цвет.
Гидротормозные жидкости «Томь» и «Роса» по свойствам и цвету аналогичны "Неве", но имеют более высокие температуры кипения. У жидкости «Томь» эта температура составляет +207 градусов, а у жидкости «Роса» +260 градусов. С учетом гигроскопичности при содержании влаги 3.5% фактические температуры кипения для этих жидккостей равны соответственно +151 и +193 градусов, что превосходит аналогичный показатель (+145) для жидкости «Нева».
В России нет единого государственного или отраслевого стандарта, регламентирующего показатели качества тормозных жидкостей. Все отечественные производители ТЖ работают по собственным ТУ, ориентируясь на нормы, принятые в США и странах Западной Европы. (стандарты SAE J1703 (SAE – Общество автомобильных инженеров (США), ISO (DIN) 4925 (ISO (DIN) – Международная организация по стандартизациии FMVSS №116 (FMVSS – Федеральный стандарт США по безопасности автомобилей).
Наиболее популярными на данный момет являются отечественные и импортные гликолевые жидкости, классифицируемые по температуре кипения и по вязкости в соответствии с нормами DOT – Department of Transportation (Министерство транспорта, США).
Различают температуру кипения «сухой» жидкости (не содержащей воды) и увлажненной (с содержанием воды 3,5%). Вязкость определяют при двух значениях температуры: +100°C и –40°C.
| | Стандарт |
Точка кипения (свежая /сухая) |
Точка кипения (старая / мокрая) |
Вязкость при 400оС |
Цвет |
Основа |
| DOT 3 |
205 оС |
140 оС |
1500 |
бесцветная или янтарная |
Полиалкилен гли
оль
|
| DOT 4 |
230 оС |
155 оС |
1800 |
бесцветная или янтарная |
борная кислота / гликоль |
| DOT 4+ |
260 оС |
180 оС |
1200 1500 |
бесцветная или янтарная |
борная кислота / гликоль |
| DOT 5.1 |
260 оС |
180 оС |
900 |
бесцветная или янтарная |
борная кислота / гликоль |
DOT 3 – для относительно тихоходных автомобилей с барабанными тормозами или дисковыми передними тормозами;
DOT 4 – на современных быстроходных автомобилях с преимущественно диcковыми тормозами на всех колесах;
DOT 5.1 – на дорожных спортивных автомобилях, где тепловые нагрузки на тормоза значительно выше.
Силиконовые изготавливаются на основе кремний-органических полимерных продуктов. Их вязкость мало зависит от температуры, они инертны к различным материалам, работоспособны в диапазоне температур от –100 до +350°С и не адсорбируют влагу. Но их применение ограничивают недостаточные смазывающие свойства.
Основанные на силиконе жидкости несовместимы с другими
Силиконовые жидкости класса DOT 5 следует отличать от полигликолевых DOT 5.1, так как сходство наименований может привести к путанице.
Для этого на упакове дополнительно обозначают:
ДОТ 5 – SBBF («silicon based brake fluids» - тормозная жидкость, основанная на силиконе).
DOT 5.1 – NSBBF («non silicon based brake fluids» - тормозная жидкость, не основанная на силиконе).
Жидкости класса DOT 5 на обычных транспортных средствах практически не применяются.
Кроме основных показателей – по температуре кипения и величине вязкости, тормозные жидкости должны отвечать другим требованиям.
Воздействие на резиновые детали. Между цилиндрами и поршнями гидропривода тормозов установлены резиновые манжеты. Герметичность этих соединений повышается, если под воздействием тормозной жидкости резина увеличивается в объеме (для импортных материалов допускается расширение не более 10%). В процессе работы уплотнения не должны чрезмерно разбухать, давать усадку, терять эластичность и прочность.
Воздействие на металлы. Узлы гидропривода тормозов изготавливаются из различных металлов, соединенных между собой, что создает условия для развития электрохимической коррозии. Для ее предотвращения в тормозные жидкости добавляют ингибиторы коррозии, защищающие детали из стали, чугуна, алюминия, латуни и меди.
Смазывающие свойства. Смазывающие свойства тормозной жидкости определяют износ рабочих поверхностей тормозных цилиндров, поршней и манжетных уплотнений.
Термостабильность. Тормозные жидкости в интервале температур от, минус 40 до, плюс 100°C должны сохранять исходные свойства (в определенных пределах), противостоять окислению, расслаиванию, а также образованию осадков и отложений.
Гигроскопичность. Склонность тормозных жидкостей на полигликолевой основе поглощать воду из окружающей среды. Чем больше воды растворено в ТЖ, тем ниже ее температура кипения, ТЖ раньше закипает, сильнее густеет при низких температурах, хуже смазывает детали, а металлы в ней корродируют быстрее.
На современных автомобилях, в силу целого ряда преимуществ, применяются в основном гликолевые тормозные жидкости. К сожалению, за год они могут «впитать» до 2-3% влаги и их нужно периодически заменять, не дожидаясь, когда состояние приблизится к опасному пределу. Периодичность замены указывается в инструкции по эксплуатации автомобиля и обычно составляет от 1 до 3 лет или 30-40 тыс.км.
Гидровакуумный усилитель тормозов
Работа гидровакуумного усилителя основана на использовании энергии разрежения во впускном трубопроводе двигателя, благодаря чему создается дополнительное давление жидкости в системе гидропривода тормозов. Это позволяет при сравнительно небольших усилиях на тормозной педали получать значительные усилия в тормозных механизмах колес, оборудованных такой системой привода. Гидровакуумные усилители применяют на легковых автомобилях, а также на грузовых.
Основными частями гидровакуумного усилителя (рис. 5) являются цилиндр 9 с клапаном управления и камера 15. Гидроусилитель соединен соответствующими трубопроводами с главным тормозным цилиндром 13, впускным трубопроводом 14 двигателя и разделителем 12 тормозов. Камера 15 состоит за штампованного корпуса и крышки, между которыми зажата диафрагма 16. Она жестко соединена со штоком 10 поршня 11 и отжимается конической пружиной 1 в исходное положение после растормаживания. В поршне 11 имеется запорный шариковый клапан. Сверху на корпусе цилиндра расположен корпус 6 клапана 7 управления. Поршень 8 жестко соединен с клапаном 7, закрепленном на диафрагме 4. Внутри корпуса 6 размещен вакуумный клапан 3 и связанный с ним с помощью штока атмосферный клапан 2. Полости I и II клапана сообщаются соответственно с полостями III и IV камеры, которая через запорный клапан соединена с впускным трубопроводом двигателя.
При отпущенной педали и работающем двигателе в полостях камеры существует разрежение и под действием пружины 1 все детали гидроцилиндра находятся в левом крайнем положении.
В момент нажатия на педаль тормоза жидкость от главного тормозного цилиндра 13 перетекает через шариковый клапан в поршне 11 усилителя к тормозным механизмам колес. По мере повышения давления в системе поршень 8 клапана управления поднимается, закрывая вакуумный клапан 3 и открывая атмосферный клапан 2.

Рис. 5 - Гидровакуумный усилитель автомобиля ГАЗ-24 «Волга»
При этом атмосферный воздух начинает проходить через фильтр 5 в полость IV, уменьшая в ней разрежение. Поскольку в полости III разрежение продолжает сохраняться, разность давлений перемещает диафрагму 16 сжимая пружину 1 и через шток 10 действуя на поршень 11. При этом на поршень усилителя начинают действовать две силы: давление жидкости от главного тормозного цилиндра и давление со стороны диафрагмы, которые усиливают эффект торможения.
При отпускании педали давление жидкости на клапан управления снижается, его диафрагма 4 прогибается вниз и открывает вакуумный клапан 3, сообщая полости 111 и IV. Давление в полости IV падает, и все подвижные детали камеры и цилиндра перемещаются влево в исходное положение, происходит растормаживание. Если гидроусилитель неисправен, привод будет действовать только от педали главного тормозного цилиндра с меньшей эффективностью.
Пневматический привод тормозов
Принцип действия пневматического привода тормозов.
Тормозную систему с пневматическим приводом применяют на большегрузных грузовых автомобилях и больших автобусах. Тормозное усилие в пневматическом приводе создается воздухом, поэтому при торможении водитель прикладывает к тормозной педали небольшое усилие, управляющее только подачей воздуха к тормозным механизмам. По сравнению с гидравлическим приводом пневмопривод имеет менее жесткие требования к герметичности всей системы, так как небольшая утечка воздуха при работе двигателя восполняется компрессором. Однако сложность конструкции приборов пневмопривода, их габаритные размеры и масса значительно выше, чем у гидропривода. Особенно усложняются системы пневмопривода на автомобилях, имеющих двухконтурную или многоконтурную схемы. Такие пневмоприводы применяют, например, на автомобилях МАЗ, ЛАЗ, КамАЗ и ЗИЛ-130 (с 1984 г.).
Сущность двухконтурной схемы пневмопривода автомобилей МАЗ состоит в том, что все приборы пневмопривода соединены в две независимые ветви для передних и задних колес. На автобусах ЛАЗ также применены два контура привода, действующие от одной педали через два тормозных крана на колесные механизмы передних и задних колес раздельно. Этим повышается надежность пневмопривода и безопасность движения в случае выхода из строя одного контура.
Наиболее простую схему имеет пневмопривод тормозов на автомобиле ЗИЛ-130 (рис.6) выпуска до 1984 г.. В систему привода входят компрессор 1, манометр 2, баллоны 3 для сжатого воздуха, задние тормозные камеры 4, соединительная головка 5 для соединения с тормозной системой прицепа, разобщительный кран 6, тормозной кран 8, соединительные трубопроводы 7 и передние тормозные камеры 9.
При работе двигателя воздух, поступающий в компрессор через воздушный фильтр, сжимается и направляется в баллоны, где находится под давлением. Давление воздуха устанавливается регулятором давления, который находится в компрессоре и обеспечивает его работу вхолостую при достижении заданного уровня давления. Если водитель производит торможение, нажимая на тормозную педаль, то этим он воздействует на тормозной кран, открывающий поступление воздуха из баллонов в тормозные камеры колесных тормозов.
Для наблюдения за работой пневматического тормозного привода и своевременной сигнализации о его состоянии и возникающих неисправностях в кабине на щитке приборов имеются пять сигнальных лампочек, двухстрелочный манометр, показывающий давление сжатого воздуха в ресиверах двух контуров (I и II) пневматического привода рабочей тормозной системы, и зуммер, сигнализирующий об аварийном падении давления сжатого воздуха в ресиверах любого контура тормозного привода.

Рис. 6 - Схема пневмопривода тормозов автомобиля ЗИЛ-130
Тормозные камеры поворачивают разжимные кулаки колодок, которые разводятся и нажимают на тормозные барабаны колес, производя торможение.
При отпускании педали тормозной кран открывает выход сжатого воздуха из тормозных камер в атмосферу, в результате чего стяжные пружины отжимают колодки от барабанов, разжимный кулак поворачивается в обратную сторону и происходит растормаживание. Манометр, установленный в кабине, позволяет водителю следить за давлением воздуха в системе пневматического привода.
На автомобилях ЗИЛ-130 начиная с 1984 г. введены изменения в конструкцию тормозной системы, которые удовлетворяют современным требованиям безопасности движения. С этой целью в пневматическом тормозном приводе использованы приборы и аппараты тормозной системы автомобилей КамАЗ.
Привод обеспечивает работу тормозной системы автомобиля в качестве рабочего стояночного и запасного тормозов, а также выполняет аварийное растормаживание стояночного тормоза, управление тормозными механизмами колес прицепа и питание других пневматических систем автомобиля.
Устройство и работа стояночной, вспомогательной и запасной тормозных систем
Вспомогательная тормозная система
Вспомогательная тормозная система используется в виде тормоза-замедлителя на автомобилях большой грузоподъемности (МАЗ, КрАЗ, КамАЗ) с целью снижения нагрузки при длительном торможении на рабочую тормозную систему, например на длинном спуске в горной или холмистой местности.

Рис. 7 - Механизм вспомогательной тормозной системы: 1 - корпус; 2 - рычаг поворотный; 3 - заслонка; 4 - вал
Механизм вспомогательной тормозной системы (рис. 293). В приемных трубах глушителя установлены корпус 1 и заслонка 3, закрепленная на валу 4. На валу заслонки закреплен также поворотный рычаг 2, соединенный со штоком пневмоцилиндра. Рычаг 2 и связанная с ним заслонка 3 имеют два положения. Внутренняя полость корпуса сферическая. При выключении вспомогательной тормозной системы заслонка 3 устанавливается вдоль потока отработавших газов, а при включении — перпендикулярно потоку, создавая определенное противодавление в выпускных коллекторах. Одновременно прекращается подача топлива. Двигатель начинает работать в режиме компрессора.
Стояночная тормозная система служит для удерживания остановленного автомобиля на месте, чтобы исключить его самопроизвольное трогание (например, на уклоне).
Управляется стояночная тормозная система рукой водителя через рычаг ручного тормоза. При отказе одного контура рабочей тормозной системы стояночная тормозная система может использоваться как аварийная совместно с исправным контуром рабочей тормозной системы.
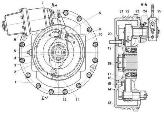
Устройство стояночной тормозной системы на примере автомобиля БЕЛАЗ 75483.
Стояночная тормозная система состоит из тормозного механизма колодочного типа с тормозным цилиндром и крана управления. В системе установлен датчик, включающий сигнальную лампу на панели приборов в кабине. Тормозной механизм стояночной тормозной системы установлен на валу главной передачи заднего моста и блокирует только ведущие колеса. Пневматический привод стояночной тормозной системы запитан от ресивера. При повороте рукоятки крана в положение "расторможено" воздух из ресивера и кран управления поступает в штоковую полость цилиндра. Поршень цилиндра перемещается, сжимая пружины, поворачивает регулировочный рычаг вместе с разжимным кулаком и разблокирует тормозной механизм. Давление воздуха в полости цилиндра, а следовательно, и перемещение поршня зависит от угла поворота рукоятки крана управления, что позволяет регулировать эффективность стояночной тормозной системы при использовании ее в качестве аварийной при торможении движущегося самосвала.
Тормозной механизм стояночной тормозной системы (рис.8) колодочного типа с двумя внутренними колодками, установлен на валу главной передачи заднего моста и блокирует только ведущие колеса.

Рис. 8 Тормозной механизм стояночной тормозной системы:
1 — главная передача; 2 — тормозная колодка; 3 — щиток; 4 — ведущий вал главной передачи; 5 — палец крепления пружины; 6 — цилиндр тормозного механизма; 7 — кронштейн; 8 — разжимной кулак; 9 — верхняя стяжная пружина; 10 — суппорт; 11 — ось колодок; 12 — нижняя стяжная пружина; 13 — барабан тормозного механизма; 14, 20 — упорные кольца; 15, 21, 25 — шайбы; 16 — болт; 17 — фланец; 18 — пружинные шайбы; 19 — болт крепления барабана и карданного вала; 22 — уплотнительное кольцо; 23 — масленка; 24 — регулировочный рычаг;
Две тормозные колодки 2 с приклепанными тормозными накладками опираются на общую ось 11. Стяжной пружиной 9 колодки прижаты к разжимному кулаку 8, а пружиной 12 — к оси 11. На валу разжимного кулака на шлицах закреплен регулировочный рычаг 24, который соединен со штоком цилиндра тормозного механизма.При затормаживании самосвала сжатый воздух из цилиндра тормозного механизма через кран управления выходит в атмосферу, и усилием пружин тормозного цилиндра регулировочный рычаг поворачивается вместе с разжимным кулаком, который прижимает колодки к барабану, закрепленному на ведущей шестерне главной передачи заднего моста. Тормозной механизм блокирует вращающиеся элементы трансмиссии с картером передачи.
Перечень возможных неисправностей тормозной системы
| Признаки неисправности |
Причина неисправности |
Способ устранения неисправности |
| Педаль тормоза проваливается и пружинит |
Воздух в тормозной системе |
Удалить воздух из тормозной системы автомобиля |
| В расширительном бачке мало тормозной жидкости |
Долить тормозную жидкость в расширительный бачок. Удалить воздух из тормозной системы |
| Образование пузырьков пара. Проявляется при большой нагрузке на тормоза |
Заменить тормозную жидкость. Удалить воздух из тормозной системы автомобиля. |
| Повышенный свободный ход педали тормоза |
Частичный или полный износ тормозных колодок, тяжелый ход установочного механизма |
Обеспечить легкость хода установочного механизма или заменить тормозные колодки автомобиля |
| Повреждение манжеты в главном тормозном или в одном из колесных цилиндров |
Заменить поврежденные детали |
| Отказ одного тормозного контура |
Проверить утечки тормозной жидкости в тормозных контурах |
| Повышенные люфты подшипников колес |
Заменить подшипники колес |
| Боковое биение или выход из допуска по толщине тормозного диска |
Проверить биение и толщину. Диск проточить или заменить |
| Тормозной суппорт не параллелен тормозному диску |
Проверить поверхности тормозного суппорта |
| Попадание воздуха в тормозную систему |
Удалить воздух из тормозной системы |
| Несоответствующие тормозные колодки |
Заменить тормозные колодки на рекомендованные заводом-изготовителем |
| Негерметична тормозная система |
Проверить герметичность тормозной системы |
| Не функционирует устройство установки тормозных колодок (для барабанных тормозов) |
Обеспечить легкость хода установочного механизма |
| Снижение эффекта торможения, жесткая педаль тормоза |
Утечки в трубопроводе |
Подтянуть крепления или заменить трубки |
| Повреждение манжет в колесных или в главном тормозном цилиндрах |
Заменить манжеты, внутренние детали главного тормозного цилиндра или сам цилиндр. |
| При торможении автомобиль уводит в одну сторону |
Неправильное давление в шинах |
Проверить давление в шинах и откорректировать |
| Односторонний износ шин |
Заменить изношенные шины |
| Замаслены накладки тормозных колодок |
Заменить накладки тормозных колодок |
| Различный материал накладок тормозных колодок на одной оси |
Заменить тормозные колодки. Установить; тормозные колодки, пригодные для данной модели автомобиля |
| Повреждение поверхностей накладок тормозных колодок |
Заменить накладки |
| Загрязнение шахт тормозных суппортов |
Очистить посадочные и направляющие шахты колодок в тормозном суппорте |
| Коррозия цилиндра суппорта |
Заменить суппорт |
| Неравномерный износ тормозных колодок |
Заменить тормозные колодки (на обоих колесах) |
| Загрязнение или повреждение направляющих пальцев суппортов |
Заменить направляющие пальцы |
| Нарушена геометрия заднего моста |
Произвести обмер ходовой части |
| Дефект амортизаторов |
Проверить и, если требуется, заменить амортизаторы |
| Колодки суппорта изношены или затвердели |
Заменить тормозные колодки суппорта |
| Приржавели поршни в колесных тормозных цилиндрах (для барабанных тормозов) |
Заменить колесные тормозные цилиндры |
| Разогрев тормозов в движении |
Засорено компенсационное отверстие в главном тормозном цилиндре |
Очистить цилиндр, заменить внутренние детали |
| Мал зазор между тягой и поршнем главного тормозного цилиндра |
Проверить зазор |
| Засорено дроссельное отверстие в специальном клапане избыточного давления в главном тормозном цилиндре |
Очистить цилиндр, заменить внутренние детали. Заменить тормозную жидкость. |
| Разбухание резиновых деталей из-за использования тормозной жидкости не рекомендованного сорта |
Отремонтировать или заменить главный тормозной цилиндр. Заменить тормозную жидкость. |
| Сломана распорная пружина |
Заменить распорную пружину |
| Ослабли возвратные пружины тормозных колодок (для барабанных тормозов) |
Заменить возвратные пружины |
| Не отпущен рычаг ручного тормоза |
Отрегулировать ручной тормоз или заменить трос ручного тормоза |
| Подтормаживание колес |
Засорено компенсационное отверстие в главном тормозном цилиндре |
Очистить цилиндр, заменить внутренние детали |
| Мал зазор между тягой и поршнем главного тормозного цилиндра |
Проверить зазор |
| Стук тормозов |
Несоответствующие тормозные колодки |
Заменить тормозные колодки на рекомендованные заводом-изготовителем |
| Частичная коррозия тормозных дисков |
Тщательно отшлифовать тормозные диски |
| Боковое биение тормозных дисков |
Проточить или заменить тормозные диски |
| Овальность тормозного барабана |
Расточить или заменить тормозной барабан |
| Накладки тормозных колодок не отделяются от тормозного диска, колесо тяжело проворачивается рукой |
Коррозия цилиндра тормозного суппорта |
Отремонтировать или заменить тормозной суппорт |
| Неравномерный износ тормозных колодок |
Несоответствующие тормозные колодки |
Заменить тормозные колодки на рекомендованные заводом-изготовителем |
| Загрязнение тормозного суппорта |
Очистить шахты тормозного суппорта |
| Тяжелый ход поршней |
Проверить установку поршней |
| Негерметична тормозная система |
Проверить тормозную систему |
| Повреждение пыльников |
Заменить пыльники |
| Разбухание резинового кольца поршня |
Отремонтировать суппорт или колесный цилиндр |
| Клинообразный износ тормозных колодок |
Тормозной диск не параллелен тормозному суппорту |
Проверить плоскости установки тормозного суппорта |
| Коррозия в тормозном суппорте |
Очистить тормозной суппорт |
| Неправильная работа поршня |
Проверить установку поршней |
| Скрип тормозов |
Зачастую зависит от климатических воздействий (влажность) |
Ничего не делать, если скрип появляется после долгой стоянки автомобиля в условиях повышенной влажности, а затем пропадает после первых торможений |
| Несоответствующие тормозные колодки |
Заменить тормозные колодки. Установить тормозные колодки, рекомендованные для данной модели автомобиля |
| Тормозной диск не параллелен тормозному суппорту |
Проверить плоскости установки тормозного суппорта |
| Загрязнение тормозного суппорта |
Очистить шахты тормозного суппорта |
| Ослабление распорных пружин |
Заменить распорные пружины |
| Велик люфт колесных подшипников |
Заменить колесные подшипники |
| Коррозия края тормозного диска |
Обработать или заменить тормозные диски |
| Отделение накладки тормозной колодки |
Заменить тормозные колодки |
| Овальность тормозного барабана (для барабанных тормозов) |
Расточить или заменить тормозной барабан |
| Загрязнение тормозного барабана |
Очистить и проверить тормозной барабан |
| Снижение эффекта торможения несмотря на высокое усилие на педаль |
Замаслены накладки тормозных колодок |
Заменить накладки |
| Несоответствующие тормозные колодки |
Заменить тормозные колодки на рекомендованные заводом-изготовителем |
| Дефект усилителя тормозов |
Проверить усилитель |
| Износ накладок тормозных колодок |
Заменить тормозные колодки |
| Отказ одного из тормозных контуров |
Проверить герметичность тормозной системы |
| Пульсация тормозов |
Функционирование АБС |
Нормально, ничего не предпринимать |
| Повышенное биение или отклонение от нормальной толщины тормозного диска |
Проверить биение и толщину. Диск обточить или заменить. |
| Тормозной диск не параллелен тормозному суппорту |
Проверить плоскость установки тормозного суппорта |
| Велик люфт колесных подшипников |
Заменить колесные подшипники |
| Недостаточная эффективность стояночного тормоза |
Увеличен свободный ход тормозных колодок или тросов |
Отрегулировать стояночный тормоз автомобиля |
| Замаслены тормозные колодки |
Заменить тормозные колодки |
| Коррозия распорного замка или тросов |
Установить новые детали |
| Нарушение регулировки тросов стояночного тормоза |
Отрегулировать тросы стояночного тормоза автомобиля |
Список источников
1) tezcar.ru
2) trackbus.ru
3) bibliotekar.ru
|