ПЕРЕДМОВА
Автомобіль ВАЗ 2109 випускається Волжським автомобільним заводом (ВАЗ) м. Тольяті (Куйбишевська обл.).
Підприємство побудоване в 19667-1971р.р. З 1974 р. головне ВО АвтоВАЗ випускає легкові автомобілі малого класу марки “Жигулі” (експортне найменування “Лада”), “Нива”.
На рубежі 10-ї та 11-ї п’ятирічки сімейство автомобілів ВАЗ поповнилось новими моделями ВАЗ 2108 та ВАЗ 21099.
Ці нові моделі і модифікації на їх базі створили групу моделей, яка прийшла на зміну перших автомобілів Волзького автозаводу.
В сучасних умовах існує величезна кількість різних типів автомобілів, але усі вони мають у своєму складі однакові за призначенням системи.
В цій роботі описується зчеплення автомобіля ВАЗ 2109. Цей автомобіль досить популярний на даний час. Вин поєднує приємливу ціну, надійність і гарні експлуатаційні характеристики. Але розглядаючи цей автомобіль з боку ремонту та обслуговування він є досить складний в ремонті. В його обслуговуванні та ремонті вимагають великих професійних знань, вмінь та навичок.
Автомобілі ВАЗ представляють собою моделі, які уособлюють в собі хороші динамічні та економічні характеристики, що роблять його собівартість і можливий доступ до широкого кола споживачів.
Автомобіль ВАЗ 2109 модель заводу. Двигун розташований спереду, ведучими являються передні колеса. Двигун максимально продвинутий вперед, що забезпечує оптимальне розподілення по осям, а відповідно стійкість автомобіля в дорозі. Салон розташовується в середині бази тобто в зоні найкращої плавності ходу. Що підвищує комфортабельність авто при експлуатації на дорогах з поганим покриттям. Кузов автомобіля цільнометалевий, несучої конструкції до якого кріпляться силовий агрегат та всі інші вузли і механізми автомобіля. В конструкції автомобілів враховані вимоги активної і пасивної безпеки.
Активна безпека автомобіля це сума факторів, що сприяє запобіганню аварій. До них відносяться: хороша стійкість і керованість, високі тягові якості, ефективне і стабільне уповільнення при гальмуванні, хороша оглядовість і комфортабельність, що забезпечує мінімальне стомлення водія. Автомобілі мають хорошу комфортабельність, що визначається легкістю і зручністю керування, формою, розмірами, розташуванням і м’якістю сидінь, забезпечують зручну посадку водія, ефективною вентиляцією кузова, хорошою оглядовістю з місця водія, малою шумністю в салоні, мінімальним впливом коливань і вібрацією кузова. Гальма автомобіля не втрачають ефективності після багатократного гальмування з високою швидкістю і забезпечує зберігання заданого по напрямку руху при різкому гальмуванні.
Пасивна безпека це сума факторів направлена на зменшення наслідків, якщо аварії все ж не вдалося уникнути. До них відносяться: забезпечення найменших деформацій при фронтальному і боковому ударі, а також перекиданні та ударі ззаду, ремені безпеки, безпечний руль і безпечне внутрішнє оздоблення кузова, що зменшує травмування водія і пасажирів, безпечність зовнішньої форми без виступаючих елементів, що при наїзді на пішохода або односторонньому зіткненні з іншим автомобілем та сприяє ковзанню, нормування пожежобезпечності автомобіля.
1. ТЕХНІКО-ЕКОНОМІЧНЕ ОБГРУНТУВАННЯ
Зчеплення автомобіля слугує для короткочасного роз’єднання колінчастого вала двигуна з коробкою передач та плавного з’єднання їх, що потрібно в разі перемикання передач і рушання автомобіля з місця.
На автомобілях ВАЗ 2109 встановлюється однодискове зчеплення з центральною пружиною. Воно на всіх моделях має майже однакову будову.
Але через комплектацію автомобілів ВАЗ двигунами різної потужності, їх зчеплення відрізняється характеристиками нажимної пружини, розмірами фрикційних накладок відомого диску, самим ведомим диском і кожухом зчеплення. ВАЗ 2109 застосовується сухе однодискове зчеплення з центральною нажимною пружиною та механічним приводом.

Рисунок 1 - Зчеплення ВАЗ-2107: 1. Нажимна пружина; 2. Фрикційні накладки ведомого диска; 3. Заклепка нажимной пружини; 4. Ведомий диск: 5. Заклепка-упор демпфера (гасителя крутильних коливань); 6. Передняя пластина Демпфера; 7. Задня пластина демпфера; 8. Маточина ведомого диска; 9. Пружина демпфера; 10. Нажимний диск; 11. Маховик; 12. Кришка картера зчеплення; 13. Картер зчеплення: 14. Кожух зчеплення: 15. Передня кришка коробки передач; 16. Ведучий вал коробки передач; 17. Муфта підшипника вимикання зчеплення; 18. Фрикційне кільце завзятого фланця: 19. Кульова опора вилки вимикання зчеплення: 20. Пружина вилки вимикання зчеплення; 21. Кільце натискної пружини: 22. Штовхальник вилки вимикання зчеплення; 23. Вилка вимикання зчеплення; 24. Робочий циліндр вимикання зчеплення; 25. Обтяжна пружина вилки вимикання зчеплення: 26. Фрикційні кільця демпфера: 27. Опорне кільце пружинної шайби: 28. Пружинна шайба демпфера: 29. Пластина. з'єднуючий натискний диск із кожухом зчеплення; 30. Фіксатор натискної пружини: 31. Сполучна пластина завзятого фланця і кожуха зчеплення: 32. Завзятий фланець натискної пружини; 33. Підшипник вимикання зчеплення: 34. Сполучна пружина вилки і муфти вимикання зчеплення; 35.1.Схема дії демпфера.

Рисунок 2 - Зчеплення і його привід: 1 - маховик; 2 - картер зчеплення; 3 – відомий диск; 4 - натискний диск; 5, 6 і 13 - підшипники; 7 - маслінка; 8 - регулювальна гайка; 9 - опорна вилка; 10 - кожух зчеплення;. 11 - відтяжний важіль; 12 - муфта виключення зчеплення; 14 - кульовий палець; 15 - натискна пружина; 16 - регулювальна тяга; 17 - важіль привода; 18 - кронштейн педалей зчеплення й гальма; 19 - пружина педалі зчеплення; 20 - валик педалей зчеплення й гальма; 21 -педаль зчеплення; 22 - вилка виключення зчеплення; 23 - пружина вилки вимикання зчеплення; 24 - завзятий палець; 25 - маточина відомого диска; 26 - пружина гасителя крутильних коливань; 27 - передній кронштейн; 28 - пробка; 29 - головний циліндр; 30 - захисний ковпак; 31 - задній кронштейн; 32 - эксцентриковий болт; 33 - промежуточньій важіль; 34 - тяга; 35 і 45 - штовхальники; 36 і 43 - поршні; 37 - манжета; 38 - стяжная пружина; 39 й 41 - трубопроводи; 40 і 42 - гнучкі шланги; 44 - рабочий цилиндр; А - компенсаційний отвір; Б - перепускний отвір; а - зчеплення автомобіля ГАЗ-53А; б - привод зчеплення автомобіля ГАЗ-66
На автомобілях ГАЗ-53А, ГАЗ-53-12 встановлено однодискове зчеплення (див. Рисунок 2а) з периферійними нажимними пружинами, механічним приводом, його включення і гасителем крутильних коливань.
Зчеплення ГАЗ-66 (Рисунок 2б) відрізняється від зчеплення автомобіля ГАЗ-53 наявністю гідравлічного приводу.

Рисунок 3 - Гідравлічний привід зчеплення автомобілів сімейства КамАЗ: 1- кронштейн педалі; 2 - важіль штовхальника поршня; 3 - відтяжна пружина; 4 - педаль зчеплення; 5 - головний циліндр; 6 -обмежник ходу педалі; 7 - захисний чохол; 8 - штовхальник поршня; 9 - поршень; 10 - манжета поршня; 11 - корпус; 12 - пружина; 13 - ущільнювальне кільце; 14 - пробка; 15 - трубка підведення повітря; 16 - важіль вимикання зчеплення; 17 - сферична гайка; 18 - контргайка; 19 - штовхальник поршня пневмогідропідсилювача; 20 - поворотна пружина; 21 -пневмогідропідсилювача.
На відміну від автомобілів ГАЗ-53А та ГАЗ-66 в автомобілі КамАЗ встановлений гідропневмопідсилювач (див. Рисунок 3), який зменшує зусилля, які треба прикласти до педалі зчеплення.
В автомобілях ВАЗ (див. Рисунок 1) застосовується сухе однодискове зчеплення.з центральною діафрагменною пружиною та гідравлічним приводом. Але зчеплення автомобілів ВАЗ відрізняються характеристиками нажимної пружини, розмірами фрикційних накладок відомого диску, самим ведомим і кожухом зчеплення.
2. БУДОВА ТА ПРИНЦИП ДІЇ

Рисунок 4 - Зчеплення ВАЗ-2109: 1. Картер зчеплення; 2. Опорна втулка вала вилки вимикання зчеплення; 3. Вилка вимикання чеплення; 4. Підшипник вимикання зчеплення; 5. Натискна пружина; 6. Відомий диск;7. Маховик;8. Натискний диск; 9. Шкала для перевірки моменту запалювання; 10. Болт кріплення зчеплення до маховика; 11. Кожух зчеплення; 12. Опорні кільця натискної пружини; 13. Направляюча втулка муфти підшипника вимикання зчеплення; 14. Сальник первинного вала коробки передач; 15. Підшипник первинного вала; 16. Первинний вал; 17. Втулка вала качани вимикання зчеплення;18. Захисний чохол вилки вимикання зчеплення; 19. Фрикційні накладки ведомого диска; 20. Передня пластина демпфера; 21. Фрикційні кільця демпфера; 22. Маточина ведомого диска; 23. Упор демпфера; 24. Задня пластина демпфера; 25. Пружина демпфера; 26. Опорне кільце пружинної шайби; 27. Пружинна шайба демпфера; 28. Пластина, що з'єднує кожух зчеплення з натискним диском; 29. Муфта підшипника вимикання зчеплення; 30. Сполучна пружина вилки і муфти підшипника вимикання зчеплення
Зчеплення (див. Рисунок 4) кріпиться на маховику 7 шістьма болтами і трьома установочними штифтами, що центрують зчеплення щодо маховика. Воно закривається алюмінієвим картером 1, що кріпиться до блоку двигуна. З боку двигуна картер зчеплення закривається верхньою і нижньою кришками. У верхньої кришки мається шкала 9 з поділками, а на маховику мітка, по яких встановлюють і перевіряють момент запалювання. З цією метою на картері виконаний оглядовий люк. В отвір нижнього приливу картера зчеплення запресована втулка 2, на яку спирається нижній кінець вилки 3 вимикання зчеплення. Верхній кінець вилки заходить у пластмасову втулку 17. Важіль вилки виходить через люк назовні і з'єднується з тросом привода вимикання зчеплення. На виході важіль вилки ущільнюється захисним чохлом 18. У картері зчеплення виконані гнізда під підшипники первинного і вторинного валів коробки передач. Підшипник 15 первинного вала герметизується сальником 14. До внутрішнього торця гнізда цього підшипника кріпиться болтами направляюча втулка 14 муфти 29 підшипника вимикання зчеплення. Ведуча частина зчеплення, що складається з кожуха 11, натискного диска 8 і натискної пружини 5, виконана нероз'ємним вузлом і має тверде з'єднання з маховиком. Ця частина зчеплення призначена для передачі крутящого моменту на відому частину зчеплення. Кожух зчеплення відштампований зі спеціальної сталі. До нього заклепками кріпляться три пари пружних пластин 28, що з'єднують кожух зчеплення з натискним диском 8. Такий пружний зв'язок забезпечує передачу крутящого моменту від кожуха зчеплення на натискний диск і осьове переміщення натискного диска в кожусі при вимиканні зчеплення. Крім того, за рахунок пружності сполучних пластин нажимний диск відводиться від ведомого диска при вимиканні зчеплення. У гніздах кожуха приварені опорні кільця 12 круглого перетину. Вони є опорами для натискної пружини 5. щодо яких відбувається її прогин при вимиканні зчеплення. Нажимний диск 8 чавунний, має три приливи, через отвори яких проходять заклепки кріплення пружних пластин 28. З боку кожуха зчеплення на натискному диску виконані поглиблення для вентиляції зчеплення і кільцевий виступ, на який давить зовнішня кромка натискної пружини. Натискна пружина 5 відштампована з листової сталі, має форму усіченого конуса. Радіальні прорізи, що поділяють пружину на дванадцять секторів, утворять на поверхні пружини пелюстки, що працюють як важелі вимикання зчеплення. Прорізу на периферії переходять у фігурні отвори, у які при зборці заходять виступи кожуха зчеплень, після чого кінці їхній загинаються. При цьому пружина розміщується між опорними кільцями 12. Кінці пелюстків у місці контакту з підшипником вимикання зчеплення загнуті до заокруглення. Натискна пружина фосфатована і піддається дробоструйній обробці. Ведома частина зчеплення складається з ведомого диска 6 у зборі з фрикційними накладками 19 і гасителем крутильних коливань (демпфером). Ведома частина розташована на шліцах первинного вала коробки передач і приймаючи крутящий моментвід деталей ведучої частини, передає його на вал 16. Ведомий диск сталевий з фігурними прорізами, що поділяють його на вісім пелюстків, загнутих у різні сторони. Це додає хвилеподібну форму робочої поверхні диска. До пелюстків ведомого диска незалежно друг від друга приклепані сталевими заклепками фрикційні накладки 19. Голівки заклепок утопають в отворах накладок, а їхні стержні розклепані з боку диска через отвори протилежної накладки. Таким чином, до кожного пелюстка приклепані обидві накладки, кожна своєю заклепкою. Таке кріплення накладок зберігає хвилеподібну поверхню ведомого диска, а це забезпечує плавне включення зчеплення, тому що відомий диск стає плоским поступово, у міру збільшення зусилля притиснення його до поверхні маховика. При цьому ведомий диск спочатку прослизає щодо поверхонь маховика і натискного диска, і переданий крутящий момент крутить, зростає поступово. Це охороняє деталі трансмісії від перевантажень і забезпечує плавне зрушення з місця. З цією же метою, а також для гасіння крутильних коливань, відомий диск з'єднується з маточиною 22 через деталі гасителя крутильних коливань, що забезпечують пружний зв'язок між ними. В фланці маточини виконані шість прямокутних вікон і три підковообразні вирізи. Через них проходять упори 23 гасителя, що з'єднують передню 20 і задню 24 пластини демпфера з відомим диском. У пластинах демпфера й у відомому диску, як і в маточині, маються прямокутні вікна, у яких розташовані три пари пружин 25 різної пружності і кольору покриття. Пружини однакового кольору розташовані навпроти один одної. Застосування пружин різної і визначеної пружності розширює зону дії демпфера і забезпечує потрібну характеристику його роботи. По обидва боки фланця установлені фрикційні кільця 21: одне сталеве, інше з фрикційного матеріалу. Пружинна шайба 27 демпфера через опорне кільце 26 створює постійний момент тертя між поверхнями фрикційних кілець і маточини. Вимикання зчеплення здійснюється через механічний привід, зусилля від якого через важіль вилки 3 передається на муфту 29 підшипника вимикання зчеплення. Муфта 29 у зборі з підшипником 4 розташована на направляючій утулці 13. До виступів муфти притискається пружиною 30 вилка 3 вимикання зчеплення.

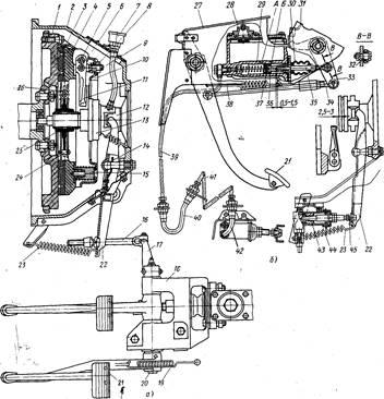
Рисунок 5 - Привод зчеплення ВАЗ-2109: 1. Педаль зчеплення;2. Трос; 3. Обойма гумового буфера троса; 4. Верхній наконечник оболонки троса; 5. Оболонка троса; 6. Нижній наконечник оболонки троса; 7. Кронштейн кріплення нижнього наконечника троса; 8. Пластина кріплення наконечника троса; 9. Захисний чохол; 10. Повідець троса; 11. Регулювальні гайки; 12. Вакуумний підсилювач; 13. Головний циліндр гідроприводу гальм;14. Бачок головного циліндра;15. Кронштейн вакуумного підсилювача; 16. Кронштейн педалей зчеплення і гальма; 17. Стопорна скоба; 18. Вісь педалей; 19. Відтяжна пружина педалі гальма; 20. Відтяжна пружина педалі зчеплення; 21. Дистанційна втулка; 22. Педаль гальма
Привод зчеплення механічний тросовий (див. Рисунок 5). Педалі зчеплення і гальма підвішені до кронштейна 16 на загальній осі 18. Кронштейн педалей приварений до щитка передка і до коробки воздухопритоку. Кожна з педалей установлена на осі на двох пластмасових втулках, встановлених у маточинах педалей. Між педаллю гальма і щокою кронштейна на осі встановлена пластмасова дистанційна втулка 21. Педаль зчеплення розташована на осі між щокою кронштейна і завзятою шайбою,установленої під голівку осі педалей. Вісь утримується в кронштейні стопорною скобою 17.Верхній кінець педалі з'єднується пальцем із тросом 2, що розташований в оболонці 5, по обох кінцях якої закріплені наконечники. Верхній наконечник 4 розташований у гумовому буфері, а він, у свою чергу, у сталевій обоймі 3. Буфер упирається торцем у гніздо передка кузова, а хвостовик буфера заходить в отвір передка, чим забезпечується фіксація буфера в гнізді. Нижній наконечник 6 оболонки троса затиснутий у гнізді кронштейна 7 коробки передач двома гайками 11 і фіксується пластиною 8. Гайками регулюється хід педалі. Кінець троса з'єднується з повідцем 10, у проріз якого заходить гачок важеля вилки вимикання зчеплення. Гачок важеля охоплює палець повідця. Оголена частина троса закривається захисним чохлом 9.
Зчеплення постійне замкнутого типу, тобто постійно включено. При цьому педаль 1 зчеплення відтягається у вихідне положення пружиною 19 до упора підшипника вимикання зчеплення в пелюстки натискної пружини. Ведомий диск під дією зусилля натискної пружини зажимається між поверхнями маховика і натискного диска. За рахунок сил тертя між поверхнями дисків крутящий момент від маховика і натискного диска передається на ведомий диск і через деталі демпфера на маточину ведомого диска і на первинний вал коробки передач. Для вимикання зчеплення натискають на педаль 1, що повертається на осі 18 і верхнім плечем тягне за собою трос. Переміщаючи в оболонці, трос через повідця і важіль повертає вилку вимикання зчеплення. Вилка переміщає по направляючій втулці муфту з підшипником вимикання зчеплення, що давить на пелюстки натискної пружини, і вона прогинається на опорних кільцях кожуха. При цьому зовнішня крайка пружини перестає давити на нажимний диск і ведомий диск ненабагато відходить від поверхні маховика. Передача крутящого моменту на ведомий диск припиняється. Внаслідок беззазорного привода зменшується повний хід педалі зчеплення і забезпечується більш чітке вимикання зчеплення, за рахунок чого поліпшуються умови роботи синхронізаторів коробки передач. Коли педаль відпускають, то вона під зусиллям пружини 19 повертається у вихідне положення, і підшипник вимикання зчеплення перестає давити на пелюстки натискної пружини,тому вона приймає свою первісну форму. Роблячи тиск, він переміщає нажимний диск в бік маховика. При натисканні на ведомий диск його хвиляста поверхня поступово стає плоскою, дозволяючи спочатку прослизати дискові,- унаслідок чого зчеплення включається плавно. При цьому крутящий момент від маховика передається на кожух і натискний диск і за рахунок сил тертя на ведомий диск, потім від нього через деталі демпфера на маточину ведомого диска і через шліцеве з'єднання на первинний вал коробки передач. Крутильні коливання колінчатого вала двигуна поглинаються фрикційним елементом демпфера і пружинами. При зміні крутящого моменту ведомий диск разом із пластинами демпфера переміщається щодо маточини. При цьому між поверхнею маточини і фрикційних кілець виникає тертя, пружини стискуються, передаючи момент, що крутить, на маточину. Хід стиску пружин залежить від величини переданого моменту. Поворот ведомого диска з пластинами демпфера щодо маточини обмежується упором пальців у подковообразні вирізи маточини, після чого стиск пружин припиняється. У зчеплення з беззазорний приводом у вихідному положенні педалі підшипник вимикання зчеплення упирається в пелюстки натискної пружини, що викликає їхнє спільне обертання. При вимиканні зчеплення безпосередньо починається робочий хід, унаслідок чого величина повного ходу педалі зменшується. Повний хід педалі повинний складати 125-130 мм. Він регулюється гайками 11, якими змінюють довжину нижньої галузі троса. У процесі експлуатації автомобіля внаслідок зносу накладок ведомого диска повний хід педалі зчеплення збільшується (педаль піднімається). Максимально припустимий хід педалі не повинний перевищувати 160 мм. Підшипник вимикання зчеплення в беззазорного привода самоустановлювальний з вбудованими захисними шайбами. Його постійний контакт із діафрагменной пружиною не тільки зменшує хід педалі, але також збільшує зносостійкість пари: пелюстки натискної пружини і внутрішнє кільце підшипника вимикання зчеплення.
Розглядаючи будову та технологію виготовлення вузлів зчеплення потрібно звернути увагу на матеріали з яких вони виготовлені. При роботі автомобіля більшість деталей переносять значне динамічне і статичне перевантаження, що в свою чергу призводить до їх швидкого зношення та виходу з ладу роблячи нероботоспроможним і цілий вузол відповідного агрегату.
Багато деталей переносять систематичне перевантаження тому дуже важливим є те з якого матеріалу і які конструктивні особливості має механізм, адже від цього головним чином залежить точність та якість виконуваної роботи або функції. При невдалому їх проектуванні може призвести до їх швидкоплинного руйнування з подальшим виходом з ладу
Більшість деталей автомобіля працює в агресивному середовищі і тому потребує особливого догляду та захисту. Звертаючи особливу увагу на зчеплення автомобіля ВАЗ 2108 потрібно сказати, що воно сухе (працює без змащення) тому особливо швидко зношується в разі значного перевантаження (різкого відпускання педалі зчеплення на великих обертах двигуна). Також причиною виходу з ладу зчеплення може бути потрапляння на фрикційні накладки мастильних матеріалів значно ускладнює ввімкнення зчеплення.
Акцентуючи увагу на агрегаті зчеплення потрібно сказати, що при його виготовленні використовують кольорові та чорні метали та матеріали неметалічного походження. Фрикційні накладки виготовляють методом пресування додаванням азбест. Азбест являється природним матеріалом (хризотил-азбест) має волокнисту структуру не горить має добрі теплоізоляційні властивості, що робить його найбільш підходящим матеріалом у виготовленні фрикційних дисків. В наслідок підвищення робочої температури до 368ºС азбест втрачає зі свого складу адсорбційну воду, внаслідок чого понижується його гнучкість і міцність. Цей процес є зворотним при знаходженні азбесту у вологому середовищі початкові властивості азбесту відновлюються.
Розглядаючи матеріали металевого складу потрібно сказати, що у зчепленні застосовують такі марки чавунів:
- модифіковані СЧ 21-40, СЧ 21-44 (ведучі диски зчеплення) ;
- ковкі чавуни КЧ 35-10 (педалі зчеплення)
- леговані відбілені чавуни (ведучі диски зчеплення) ;
- сталі А12, А20 (ГОСТ 1414-54),
08,08кп (ГОСТ 1050-60)
15,15кп (ГОСТ 1050-60) (пальці важелів нажимних дисків зчеплення)
20 (ГОСТ 1050-60)
50,85 (ГОСТ 1050-60) (ведені диски зчеплення).
Оскільки в продажі дуже великий асортимент гальмівних рідин то вони повинні відповідати певним вимогам. Якість гальмівної рідини тим краща чим вищий слідуючий параметр її характеристики:
Температура кипіння власне рідини в тому числі при поглинанні 2 - 3 % вологи.
В’язкісно – температурні властивості і їх стабільність.
Анти – корозійні і змащувальні властивості.
Сумісність з гумовими педалями.
Основний недолік використання гальмівних рідин це гігроскопічність. Встановлено, що рідина в системі зчеплення за рік набирає 2 – 3% води, внаслідок чого температура кипіння знижується на 30 – 50 ºС. Тому автомобільні фірми рекомендують обов’язково міняти гальмівну рідину 1 – 2 рази в рік незалежно від пробігу.
Маркування гальмівних рідин:
В області гальмівних рідин за кордоном застосовують два стандарти:
SAEJ 1703
DOT (Departament of Transportation).
В даний час виробники гальмівних рідин в рекламах, в документах і упаковці, як правило вказують відповідність рідини нормам DOT.
Для легкових автомобілів в залежності від конструкції, технічних характеристик і року випуску застосовуються такі гальмівні рідини: DOT 3, DOT 4, DOT 5.
3.
РЕМОНТ ТА МЕТОДИ ВІДНОВЛЕННЯ ДЕТАЛЕЙ
3.1 Технологічне обслуговування
При ЩТО необхідно перевірити рівень робочої рідини в гідравлічному проводі
При ТО-1 необхідно консистентною змазкою змастити вижим ний підшипник, а також шарніри. Необхідно перевірити і при необхідності відрегулювати вільний хід педалі.
При ТО-2 перевірити і при необхідності відрегулювати зазор між віджимним важелем.
Таблиця 1 – Ознаки неполадок та методи їх усунення
| Ознака |
Причини |
Ремонт |
Зчеплення веде
(затруднене перемикання передач переднього ходу, передача заднього ходу вмикається з шумом)
|
Збільшення зазорів в приводі вимкнення зчеплення |
Відрегулювати привід вимкнення зчеплення |
| Короблення ведомого диску |
Відрехтувати диск чи замінити його новим |
| Нерівності на поверхні фрикційних накладок ведомого диску |
Замінити накладки або ведомий диск в зборі |
| Заїдання ступиці ведомого диска на шліцах первинного вала КЗП |
Почистити шліци, змастити змазкою ЛСЦ-15. При зношені чи пошкоджені шліців замінити первинний вал чи ведомий диск |
| Поломка пластин з’єднуючих опорний фланець з кожухом зчеплення |
Замінити кожух з наживним диском в зборі |
| Ривки при роботі зчеплення |
Заїдання ступиці ведомого диску на шліцах первинного вала |
Почистити шліци, змастити змазкою ЛСЦ-15 |
| Недопустиме зношення фрикційних накладок ведомого диска |
Замінити накладки новими, провірити, чи нема пошкоджень |
| Заїдання в приводі вимкнення зчеплення |
Усунути причини які викликали заїдання |
| Ослаблення накладок ведомого диска внаслідок нещільності клепки |
Замінити несправні заклепки, при необхідності замінити накладки |
| Пошкодження поверхні чи короблення нажимного диска |
Замінити кожух зчеплення в зборі з наживним диском |
| Підвищений шум при вимиканні зчеплення |
Зношування, пошкодження чи витікання мастила з підшипника вимкнення |
Замінити підшипник |
| Зношення переднього підшипника первинного вала КЗП |
Замінити підшипник |
| Підвищений шум при вимиканні зчеплення |
Зношування, пошкодження чи витікання мастила з підшипника вимкнення |
Замінити підшипник |
| Зношення переднього підшипника первинного вала КЗП |
Замінити підшипник |
Зчеплення буксує
(Недостатнє прискорення при різкому натисканні на педаль акселератора, відчувається втрата потужності при русі на підйом, підвищується витрата палива, перегрівається двигун)
|
Відсутній зазор в приводі вимикання зчеплення |
Відрегулювати привід вимикання зчеплення |
| Підвищене зношення чи пригорання фрикційних накладок ведомого диска |
Замінити фрикційні накладки чи ведомий диск в зборі |
| Замаслення фрикційних накладок, поверхні маховика і нажимного диску |
Промити Уайт-спірітом замасленні поверхні та усунути причини замаслювання дисків |
| Засорення компенсаційного отвору головного циліндра |
Промити циліндр і прочистити компенсаційний отвір |
| Пошкодження чи заїдання приводу зчеплення |
Усунути причини які викликають заїдання |
4. ПИТАННЯ МЕНЕДЖМЕНТУ ТА МАРКЕТИНГУ
Таблиця 2 - Ціни на нові деталі
| Найменування товару |
Ціна, грн. |
| Вилка зчеплення |
6 |
| Ведомий диск зчеплення |
55 |
| Ведучий диск зчеплення |
110 |
| Ведучий диск зчеплення з підшипником |
180 |
| Картер зчеплення |
250 |
| Комплект зчеплення ремонтний |
2 |
| Муфта вижимного підшипника |
10 |
| Муфта з підшипником в зборі |
18 |
| Накладки ведомого диску зчеплення |
6.50 |
| Трос приводу зчеплення |
31.50 |
| Трубка приводу зчеплення |
4.80 |
| Головний циліндр зчеплення |
37 |
| Робочий циліндр зчеплення |
20 |
| Гнучкий шланг приводу зчеплення |
10.50 |
| Штуцер прокачки зчеплення |
1.50 |
Таблиця 3 - Ціни за ремонт та технічне обслуговування автомобіля.
| Послуга |
Ціна, грн |
| Заміна зчеплення |
600 |
| Заміна ведучого диску зчеплення |
115 |
| Заміна ведомого диску зчеплення |
60 |
| Заміна картера зчеплення |
275 |
| Заміна муфти вижимного підшипника |
12 |
| Заміна накладок ведомого диску зчеплення |
15 |
| Заміна головного циліндру зчеплення |
40 |
| Заміна робочого циліндру зчеплення |
15 |
| Заміна шланга приводу зчеплення |
12 |
| Заміна тросу приводу зчеплення |
8 |
Дані на 25 березня 2003року.
Адреси підприємств на яких можливо придбати деталі:
“Укравтозапчастини ” м. Вінниця вул. Мичурина 56.
Магазин “ Кар Мен ” м. Вінниця вул. 1 Травня 59.
Фірма “ВІНІНТЕР” м. Вінниця вул. 1 Травня, 60.
ВІННИЦЯАВТОТРАНС м. Вінниця вул. Хмельницьке шосе, 23.
ВІСТАС, ВКФ м. Вінниця вул. 50-річчя Перемоги 35, 3-й поверх.
ВТН, ПП м. Вінниця вул. 600-річчя 25.
ФІРМА ДРІАДА, м. Вінниця вул. Максимовича, 35.
ФІРМА КАПІТАН м. Вінниця вул. І. Богуна 92.
КОЙТАКТ ВО м. Вінниця вул. Чехова 7.
АВТОМАГАЗИН “ЛАДА” м. Вінниця вул. 600-річчя 36.
ЛОРД ПП м. Вінниця просп. Юності 14 а.
Авторинок “ВінАвто”.
5. ОХОРОНА ПРАЦІ ТА НАВКОЛИШНЬОГО СЕРЕДОВИЩА
При експлуатації автомобіля потрібно дотримуватись елементарних вимог по техніці безпеки та охорони навколишнього середовища, оскільки автомобіль являється потенційним забруднювачем середовища. Отже для використання автомобіля з найменшим впливом на навколишнє середовище та завдання меншої шкоди людині потрібно виконувати ряд вимог:
При заливанні гальмівної рідини використовуйте гумові або інші надійні рукавиці.
Відпрацьовані гальмівні рідини особливо шкідливі для здоров'я.
Регулярне потрапляння гальмівної рідини на шкіру може призвести до шкіряних хвороб в тому числі раку шкіри, тому обов’язково після закінчення роботи мити руки нейтралізуючими засобами.
Гальмівну рідину слід міняти в спеціально відведених для цього місцях, і ні в якому разі не біля відкритих водоймів, колодязів або водосховищ, оскільки це може призвести до загибелі риби та інших річкових тварин, при зливанні гальмівної рідини поблизу колодязів це може призвести до потрапляння її у підземні води, що теж несе за собою екологічні наслідки.
Загальні вимоги по охороні праці та навколишньому середовищі:
Встановити автомобіль в горизонтальне положення.
Виключити ймовірність самовільного руху автомобіля.
Виконуючи будь-які роботи біля автомобіля потрібно працювати лише у спецодязі.
Двигун повинен бути охолодженим для запобігання опіків.
Забороняється мити руки етиловим спиртом.
При потраплянні шкідливих речовин на шкіру потрібно промити місце ураження великою кількістю проточної води.
6. РОЗРАХУНОК СИЛОВОГО БАЛАНСУ АВТОМОБІЛЯ

Рисунок 6 - Схема сил, що діють на автомобіль
автомобіль зчеплення привід гальмівний
Дано:
H = 290 м
L = 1150 м
V = 19,4 м/с
Рух на 4-й передачі
Дорожнє покриття - сухий грунт
Сила ваги визначається за формулою:
G = mg,(1)
де m – маса спорядженого автомобіля
g – прискорення вільного падіння
G = 920*9,8 = 9016 (H)
Крутизна підйому визначається за формулою:
І = (H/L)*100%,(2)
Де H = висота підйому
L = довжина підйому
І = 290/1150*100% = 25,2%
Отже Рп = G*І = 9016*0,252 = 2272 (H) Сила опору підйому(3)
Потужність, яку необхідно затратити для подолання підйому:
Nп = G*І*V = 9016*0,252*19,4= 44077,42 (Вт),(4)
деV = 19,4 (м/с) – середня швидкість автомобіля
Сила опору кочення:
Рк = f*G, (5)
деf – коефіцієнт опору кочення
f = f0(1+v/1500) = 0,025(1 + 19,4/1500) = 0,02532(6)
де f0 – коефіцієнт опору кочення, для сухого грунту він дорівнює 0,025
Отже Рк = 0,02532 * 9016 = 228,28 (Н)
Потужність, яку необхідно витратити для подолання сили опору кочення:
Nк = f*G*v = 0,02532*9016*19,4 = 4428,73 (Вт) (7)
Сила опору повітря визначається за такою формулою:
Рпов = Кпов*Fпов*v ², (8)
де Кпов – коефіцієнт опору повітря;
Fпов – площа лобового опору, яка визначається за формулою:
Fпов = 0,78*Ва*На = 0,78 * 1,402*1,65 = 1,804, (9)
де ВА – ширина технічної лінії;
НА – висота автомобіля;
Отже Рпов = 0,02*1,804*19,42 = 13,58 (Н)
Потужність необхідна для подолання сили опору повітря:
Nпов = Рпов*v= 13,58*19,4 = 263,45 (Вт),(10)
де Рпов – сила опору повітря
v – швидкість руху
Силовий баланс визначається за формулою:
Рт = Рп + Рпов + Ркоч = 2272 + 13,58 + 228,28 = 2513,86 (Н); (11)
Nт = Nп + Nпов + Nкоч = 44077,42 + 263,45 + 4428,73 = 48769,6 (Вт)(12)
Сила тяги визначається за формулою:
Р = (Мкр*ікп*ігп)/R*ħ = (87,83*2,1*4,1)/0,9*0,22635 = 3725,2 (H);(13)
де Мкр – крутний момент двигуна;
ікп – передаточне число коробки передач;
ігп – передаточне число головної передачі;
R – радіус колеса (м);
ħ – К.К.Д. трансмісії.
Крутний момент двигуна визначається за формулою:
Мкр = 9,55(N/n) = 9,55(51500/5600) = 87,83 (Н/м),(14)
де N – потужність двигуна;
n – кількість обертів колінчатого вала двигуна.
Висновок: отже, з розрахунків видно, що автомобіль виїде на цей підйом тільки переключившись на ІІ передачу, так як при виїзді на IV передачі сили опору більше за силу тяги і автомобіль не виїжджає.
ВИСНОВОК
При виконанні даної курсової роботи я детально ознайомився з будовою та принципом дії зчеплення автомобіля ВАЗ 2108.
Навчився визначати неполадки та методи їх усунення, виконувати технічне обслуговування зчеплення та дізнався про технології та матеріали, які використовують при виготовлені деталей зчеплення та методи відновлення деталей.
Вивчив правила яких необхідно обов’язково дотримуватись при виконанні технічного обслуговування, ремонту чи інших робіт біля автомобіля. А також навчився розраховувати силовий баланс автомобіля при різних умовах руху в залежності від погодних умов (покриття дороги, швидкості руху, передачі на якій здійснюється рух та місцевості).
ЛИТЕРАТУРА
1. В.А. Вершигора 1995 г. Автомобили « Спутник » ВАЗ2108, ВАЗ 2109.
2. В.А.Вершигора 1996 г. Автомобили ВАЗ 2107, ВАЗ 21072, ВАЗ 21074.
3. В.А. Вершигора 1986 г. Автомобили ВАЗ 2101, ВАЗ 21011, ВАЗ 21013.
4. В.А. Вершигора 1995 г. Автомобили « Жигули » моделей ВАЗ 2101, ВАЗ 2102, ВАЗ21011.
5. В.А. Вершигора 1991г. Автомобили « Нива » ВАЗ 2121.
6. Легковые автомобили ВАЗ 2108, 2109: Конструкция и техническое обслуживание. 1995 г.
ДОДАТОК
Повні технічні дані автомобіля ВАЗ-2109
| Показники |
ВАЗ 2109 |
| Загальні дані |
| Кількість місць |
5 |
| Корисна маса, кг |
450 |
| Повна маса, кг |
1370 |
| Габаритні параметри |
Див. Рис 7 |
| Максимальна швидкість, км/год |
140 |
| Час розгону до 100 км/год, с |
20 |
| Максимальний підйом який може подолати автомобіль без розгону на першій передачі, % |
36 |
| Показники |
ВАЗ 2109 |
| Гальмівний шлях на швидкості 80 км/год, м |
43 |
| Двигун |
| Тип |
Чотирьохтактний, карбюраторний, чотирьохциліндровий. |
| Діаметр циліндра і хід поршня, мм |
82*71 |
| Робочий об’єм, л |
1,452 |
| Степінь стискання |
8,5 |
| Номінальна потужність, кВт |
51,5 |
| Частота обертання колінчатого вала, об |
5600 |
| Максимальний обертовий момент, Н*м |
103 |
| Порядок роботи циліндрів |
1 – 3 – 4 – 2 |
| Трансмісія |
| Зчеплення |
Одно дискове, сухе, з центральною нажимною пружиною |
| Коробка передач |
Механічна, трьохходова, чотирьохступінчата з синхронізаторами на всіх передачах переднього ходу |
| Передаточні числа: 1-а передача |
3,67 |
| 2-а передача |
2,10 |
| 3-а передача |
1,36 |
| 4-а передача |
1,00 |
| Задній хід |
3,53 |
| Карданна передача |
Два вала, які з’єднуються з валом коробки передач еластичною муфтою.
Два жорстких карданних шарніри на кінцях заднього вала мають ігольчаті підшипники.
|
| Головна передача |
Конічна, гіпсидна передаточне число 4,1 |
| Показники |
ВАЗ 2108 |
| Ходова частина |
| Передня підвіска |
Незалежна, на поперечних ричагах, з циліндричними
пружинами, телескопічними гідравлічними амортизаторами і стабілізатором поперечної стійкості
|
| Задня підвіска |
Залежна, жорстка балка, з циліндричними пружинами і з гідравлічними амортизаторами |
| Колеса |
Дискові штамповані |
| Шини |
Камерні радіальні 175/70SR13 або 165/80R13 (165/SR13) |
| Рульове керування |
| Редуктор рульового механізму |
З глобоїдальним черв’яком та двогребеневим роликом на шарикових підшипниках, передаточне число 16,4 |
| Рульовий привід |
Тризвенний, склад. з однієї середньої та двох бокових симетричних тяг, маятникового і поворотних ричагів |
| Робочі гальма: передні |
Дискові, з двома проти лежачими гідравлічними циліндрами |
| Задні |
Барабанні, з самоцентруючимися колодками |
| Показники |
ВАЗ 2108 |
| Привід робочих гальм |
Ножний, гідравлічний, двоконтурний, з вакуумним підсилювачем |
| Стоянкове гальмо |
Ручний, з тросовим приводом на колодки задніх гальм |
| Кузов |
| Хетчбек, трьохдверний, триобємний. |
|