Вінницький Технічний Коледж 2003р.
Гальмівна система ВАЗ-2107
Резніченко Іван Миколайович
ПЕРЕДМОВА
гальмівна система несправність ремонт
В цій роботі описується принцип діі,будовагальмівної системи ВАЗ-2107.
А також описується гальмівна система на різних подібних автомобілях та висвічені у порівнянні,основні переваги та недорліки. Тут описується суть окремих процесів основи експлуатації ТО та ремонту даноі системи, заходи з охорони навколишнього середовища. Основні дані де можливо полагодити чи придбати запасні частини до даної системи за ціною та назвою виробника. Поряд з другими підпроиемствами великий вклад у збільшення виробництва автомобілів вносить збудований за роки восьмой-девятоі пятирічок на березі Куйбишевського водосховища Волжський автомобІшльний завод шуіуш 50-річчя СРСР-найбільший в Евроепі заводський комплекс. В 1975р, з конвеєра автозавода стали виходити нові пятимісні автомобілі ВАЗ-2107. Вони відповідають вимогам правил Европейськоі економічноі комісіїООН іГОСТів, по безпеці більш економічні, дають меншу негативну дію на навколишнє середовище. ВАЗ-2107 вібрав у себе все найкраще від раніше випущених "Жигулів". Двохконтурна гальмівна система, регулятор тиску в системі задніх гальм, автоматична регуліровка зазорів між гальмівними колодками, дискам барабанами підвищують ефективність гальмування.
Гальмівна система потрібна на автомобілі для зниження його швидкості, зупинки й утримування на місті.
1.
ТЕХНІКО-ЕКОНОМІЧНЕ ОБГРУНТУВАННЯ
Гальмівні механізми ВАЗ-2107 і УАЗ-457 подібні приводом.
Відрізняються: в автомобіля УАЗ-452 гальмівна система задніх і передніх коліс колодкова, а в ВАЗ-2107 передні-дискові а задні колодкові. Колодкові в свою чергу відрізняються кріпленням колодок.
Порівняння приводи гідравлічної та механічної системи. У момент натискання на педаль гальма поршень головного циліндра тисне на рідину, яка перетікає до колісних гальмових механізмів. Оскільки рідина практично не стискається, то перетікаючи трубами до гальмових механізмів, вона передає зусилля натискання. Гальмові механізми перетворюють це зусилля на опір обертанню коліс, і відбувається гальмування. Якщо педаль гальма відпустити, рідина перетече назад до головного гальмового циліндра, й колесо розгальмуються. Гідровакуумний підсилювач і полегшує керування гальмовою системою, оскільки створює додаткове зусилля, що передається на гальмові механізми коліс.

Рисунок 2. Схема гальмової системи
1-гідровакуумний підсилювач; 2-гальмові механізми; 3-трубопроводи; 4-педаль гальма; 5-головний гальмовий циліндр.
Для підвищення надійності гальмових систем автомобілів у приводі застовують різні пристрої, які дають змогу зберегти працездатність системи в разі її часткової відмови. Так, на автомобілі ГАЗ-24 “ Волга “ застосовують роздільник, який автоматично вимикає несправну частину гальмового привода в момент виникнення відмови під час гальмування.
Тут розглянуто принцип дії гальмової системи гідравлічним приводом. Якщо жорсткі тяги або металеві троси – механічним.
Гальмову систему з гідравлічним приводом застосовують на всіх легкових і деяких вантажних автомобілях. Щоб підвищити надійність гальмової системи, на легкових автомобілях ВАЗ, АЗЛК, ЗАЗ застосовують двоконтурний гідравлічний привод, який складається з двох незалежних приводів, що діють від одного головного гальмового циліндра на гальмові механізми окремо передніх і задніх коліс.
Висновок:
гальмова система потрібна на автомобілі для зниження його швидкості, зупинки й утримування на мисці.
2. БУДОВА ТА ПРИНЦИП ДІЇ
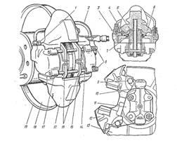
Гальмова система автомобіля за своїм призначенням і виконуваним функціям розділяється на робочу і стояночну. Робоча гальмова система забезпечує регулювання швидкості автомобіля і його зупинку з необхідною ефективністю, стояночна служить для утримання автомобіля нерухомим відносно дороги. Останньою в основному користуються для утримання автомобіля, що стоїть, але її можна застосовувати і як аварійну при виході з ладу робочої гальмової системи. Робоча гальмова система складається з чотирьох гальмівних механізмів і гідравлічного приводу. Гальмові механізми змонтовані безпосередньо в колесах автомобіля. Гальмовий механізм переднього колеса дисковий, відкритий, що забезпечує його добре охолодження і внаслідок цього більш ефективне гальмування при частому користуванні гальмами, коли від нагрівання колодок може зменшитися коефіцієнт тертя їхніх накладок. Гальмовий механізм складається із супорта 12 рисунок 2 у зборі з робочими циліндрами, гальмового диска 18, двох гальмівних колодок 16, сполучних пальців 8 і трубопроводів.
Супорт відлитий з високоміцного чавуна. Він кріпиться до кронштейна 11 двома болтами 9, що фіксуються відгинанням на грань болтів штопорних пластин. Кронштейн у свою чергу кріпиться до фланця поворотного кулака 10 разом із захисним кожухом 13 і поворотним важелем. У супорті виконаний радіусний паз для розміщення гальмового диска і два поперечних пази, у яких розташовані гальмові колодки. У припливах супорта є два вікна з направляючими пазами, у яких установлені два протилежних колісних циліндри 17. Точне розташування циліндрів щодо супорта забезпечується пружинними фіксаторами 4. При установці циліндра в паз супорта фіксатор під дією пружини заходить у спеціальний бічний паз супорта. Корпус робочого циліндра відлитий з алюмінієвого сплаву. У циліндрі розташований сталевий порожній поршень 3, що ущільнюється пружним
гумовим кільцем 6. Воно розташовано в канавці циліндра і служить не тільки для ущільнення зазору, але і для повернення поршня у вихідне положення при розгальмовуванні. Порожнина циліндра захищена від забруднення гумовим ковпачком 7.

Рисунок -2 Гальмовий механізм переднього колеса
1 - штуцер; 2 - сполучна трубка робочих циліндрів; 3,4 - поршень і фіксатор колісного циліндра; 5 - накладка гальмової колодки; 6 - ущільнювальне кільце; 7 - пилозахисний ковпачок; 8 - пальці кріплення колодок; 9 - болт кріплення супорта до кронштейна; 10 - поворотний кулак; 11 - кронштейн кріплення супорта; 12 - супорт; 13 -захисний кожух; 14 - шплінт; 15 - притискна пружина колодок; 16 — гальмові колодки; 17 — колісний циліндр; 18 — гальмовий диск; 19 — захисний кожух.
Робочі порожнини обох циліндрів з'єднані між собою трубкою 2. В зовнішній циліндр вгвинчений штуцер для прокачування привода передніх гальм, у внутрішній — штуцер шланга для підведення рідини. Поршні 3 упираються в гальмові колодки 16, на які наклепані фрикційні накладки 5. Колодки встановлені на пальцях 8, що утримуються від осьового зсуву шплінтами 14, а щоб не було вібрацій колодок на пальцях, застосовуються пружини 15, що притискають колодки до пальців. Гальмовий диск 18 фіксується в маточині колеса двома установочними штифтами. Частина його робочої поверхні розташована між накладками гальмівних колодок. Поверхня тертя диска обробляється з великоіо точністю, що збільшує термін служби деталей гальма. При гальмуванні поршні під тиском рідини висуваються з колісних циліндрів і підгортають колодки до гальмового диска. На передніх колесах створюється гальмовий момент. При русі поршні захоплюють за собою ущільнювальні кільця 6, що при цьому скручуються.

Рисунок -3 Гальмовий механізм заднього колеса.
1 - колісний циліндр; 2, 7 - стяжні пружини колодок; 3 - накладка колодки; 4 - щит гальма; 5 - внутрішня пластина; 6 - оболонка заднього троса; 8, 16 - передня і задня гальмові колодки; 9 - опорна пластина колодок; 10 - заклепки; 11 - масловідбивач; 12 - направляючі пластини колодок; 13 - трос стояночного гальма; 14, 15 - пружина і наконечник троса; 17 опорна стійка колодки; 18 — важіль ручного привода колодок; 19 — гумові подушки; 20 — розпірна планка колодок; 21 — палець
При розгальмовуванні, коли тиск у приводі передніх гальм падає, поршні за рахунок пружної деформації кілець 6 всуваються назад у циліндри. При цьому накладки 5 гальмівних колодок будуть знаходитися в легкому стиканні з диском 18. При зносі накладок, коли зазор у гальмовому механізмі збільшується, у приводі створюється більший тиск рідини, поршні 3 прослизають щодо кілець 6 і займають нове положення в циліндрах, що забезпечує оптимальний зазор між диском і колодками.Гальмовий механізм заднього колеса барабанний. Він змонтований на опорному шиті 4 рисунок 3, що кріпиться болтами до фланця балки заднього моста. До нижньої частини щита двома заклепками 10 кріпиться пакет пластин, з яких пластина 9 є опорною для гальмівних колодок 8 і 16, а пластини 12 обмежують осьове переміщення нижньої частини колодок. Внутрішня вигнута пластина обмежує переміщення троса 13 убік щита. У верхній частині щита 4 кріпиться двома болтами колісний циліндр. Зовні в різьбові отвори корпуса укручений штуцер 11 рисунок 4 для прокачування привода задніх гальм і штуцер трубки підведення рідини в циліндр.
По обидва боки в циліндр запресовані два розрізних опорних кільця 9 у зборі з деталями поршнів 4, що забезпечують автоматичне регулювання зазору між колодками і барабаном. Зусилля запресовування цього вузла не менше 35 кгс. Проріз А в упорних кілець спрямоване нагору з відхиленням від вертикалі не вище 30°, що забезпечує більш повне видалення повітря з робочого циліндра при прокачуванні гальм, тому що при цьому положенні кільця не створюється опір виходу повітря через штуцер 11.
У поршень 4 вгвинчений упорний гвинт 10 до упора в розрізний сухар 8. Голівка гвинта при переміщенні поршня упирається у внутрішній буртик упорного кільця, чим обмежується хід поршня. Між сухарем і опорною чашкою 6 установлена пружина 7, що підгортає ущільнювач 5 до торцевої поверхні поршня і до дзеркала циліндра. Поршень у зборі з деталями автоматичного пристрою вільно переміщається щодо упорного кільця на 1,4-1,6 мм.

Рисунок -4. Схема гальмової системи
1 — диск гальма; 2 — педаль гальма; 3 — вакуумний підсилювач; 4 — головний циліндр гідроприводу гальм; 5 — трубопровід контуру привода передніх гальм; 6 — захисний кожух переднього гальма; 7— супорт переднього гальма; 8 — вакуумний трубопровід; 9— бачок головного циліндра; 10 — кнопка важеля привода стояиочного гальма; 11 — важіль привода стоянкового гальма; 12 — тяга засувки важеля; 13 — засувка важеля; 14 — кронштейн важеля привода стоянкового гальма; 15 — поворотний важіль; 16 — трубопровід контуру привода задніх гальм; 17 — задній наконечник оболонки троса; 18 — колісний циліндр заднього гальма; 19 — регулятор тиску; 20 — важіль привода регулятора тиску; 21— колодка гальма; 22 — важіль ручного привода колодок; 23 — тяга важеля привода регулятора тиску; 24 — кронштейн кріплення переднього наконечника оболонки троса; 25 — задній трос; 26 — контргайка; 27 — регулювальна гайка; 28 — втулка; 29 — напрямна заднього троса; ЗО — напрямний ролик; 31 — передній трос; 32 — упор вмикача контрольної лампи стояночиого гальма; 33 — вимикач стоп-сигналу
Гідравлічний привід гальмівних механізмів коліс двоконтурний. Роздільний привід передніх і задніх гальм підвищує безпека руху автомобіля. При відмовленні одного з контурів іншої забезпечує достатню ефективність гальмування.
Гідравлічний привід містить у собі гальмову педаль 2 рисунок 4, вакуумний підсилювач 3, бачок 9, головний циліндр 4, регулятор тиску 19 задніх гальм, колісніциліндри гальмівних механізмів і трубопроводи.

Рисунок- 5. Регулятор тиску гальм (у неробочому положенні)
А — порожнина нормального тиску; У — порожнина регульованого тиску; Р — зусилля, передане важелем 1 приводу регулятора тиску; 1 — важіль привода регулятора тиску; 2 — ущільнювальне кільце; 3 — розпірна втулка; 4 — корпус регулятора; 5 — прокладка; 6 — кришка; 7 — гумовий ущільнювач; 8 — тарілка пружини; 9 — пружина поршня; 10 — поршень
Регулятор тиску включений у привід задніх гальм для зниження тиску в цьому контурі при зменшенні навантаження на задній міст, щоб не допустити юза задніх коліс. Він кріпиться двома болтами з пружинними шайбами до кронштейна кузова. Причому один отвір у кронштейні виконано овальним, що дозволяє регулювати положення регулятора тиску. У дію регулятор тиску приводиться торсійним важелем, що кріпиться до кузова обоймою через гумову опорну втулку. Довге плече важеля приводу регулятора тиску з'єднується шарнірно через тягу з балкою заднього моста, а коротке плече проходить через отвір осі і заходить у виріз нижньої частини поршня 10 рисунок. 5 регулятора тиску. Це плече передає на поршень коливальний рух балки заднього моста.
У корпус регулятора тиски укручені штуцери двох трубопроводів: нижнього — для підведення рідини від головного циліндра гідроприводу гальм, верхнього — для подачі рідини до колісних циліндрів задніх гальм. Поршень регулятора тиску на виході з корпусу ущільнений кільцем, розташованим у металевій обоймі. Це кільце підгортається до нижньої частини корпусу пружиною . Верхній кінець пружини упирається в тарілку, що плаває, і через неї в заплічка поршня. Пружина прагне піджати поршень до упору його в пробку, що укручена в корпус регулятора тиску. Під пробку встановлена ущільнювальна прокладка. Втулка вільно кладети на голівку поршня. Вона обмежує підйом ущільнювача нагору до голівки поршня.
Коли в гідравлічному приводі гальм немає тиску, то поршень 10 під дією пружини і торсійного важеля піднятий нагору до упору в пробку. Тому порожнини корпусу, що знаходяться над головкою поршня і під нею, вільно повідомляються.
Це відкриває вільний прохід рідини до колісних циліндрів задніх гальм.
При гальмуванні гальмовий момент, що створився, на колесах перерозподіляє навантаження по вісях автомобіля: на передню вісь навантаження збільшується, на задню — зменшується. Це приводить до підняття задка кузова, тобто відстань між балкою заднього моста і кузовом збільшується. При цьому коротке плече важеля . опускається, і поршень регулятора тиску під тиском рідини починає опускатися, стискаючи пружину. У момент повного гальмування відбувається максимальне переміщення навантаження з задньої вісі на передню і найбільший підйом задка кузова. Зчеплення ведучих коліс з дорогою погіршується, а тиск торсійного важеля на поршен зменшується. Унаслідок більшої площі торця головки поршня сила від тиску рідини опускає поршень униз до зіткнення головки з ущільнювачем . Подальше надходження рідини до колісних циліндрів задніх гальм припиняється, тобто гальмовий момент на задніх колесах не збільшується, незважаючи на сильне натискання на педаль гальма. Тому задні колеса автомобіля не блокуються і не відбувається занос автомобіля. Стояночна гальмова система. Гальмові механізми задніх коліс мають не тільки гідравлічний, але і механічний ручний привод. Важіль ручного приводу колодок шарнірно пальцем з'єднується з задньою колодкою гальмового механізму. Сполучний палець фіксується шплінтом. Ребра задньої колодки і важеля упираються в паз розпірної планки . У паз іншого кінця планки заходить ребро передньої колодки . На нижній кінець важеля надівається наконечник заднього троса. Інший кінець цього троса з'єднується з важелем ручного привода колодок іншого гальмового механізму. Середня частина троса проходить через паз направляючої установленої на різьбовому наконечнику переднього троса . Для захисту від ушкоджень обидві галузі троса укладені в багатошарову оболонку із дротового обплетення і пластмасових трубок. На кінці троса надіті пружини, що сприяють поверненню троса у вихідне положення при розгальмовуванні. Трос кріпиться до щита гальма заднім наконечником.
Передній наконечник троса входить у гніздо кронштейна на днищі кузова.
Передній трос своїм наконечником з'єднаний з одним кінцем поворотної пружини, інший кінець якої приєднаний до кронштейна днища кузова. Другий кінець переднього троса кріпиться на пальці поворотного важеля , що сидить на одному валу з важелем стояночного гальма. Обидва важелі змонтовані на кронштейні і мають нероз'ємне з'єднання з валиком. До кронштейна кріпиться заклепками зубцюватий сектор, у зачепленні з який знаходиться засувка , що сидить вільно на осі. Засувка керується через тягу кнопкою. Усі ці деталі зібрані в порожнині важеля. Для вимикання контрольної лампи стояночного гальма на важелі є упор , що діє на шток вимикача. Передній трос направляється пластмасовим роликом ЗО. Натяг тросів регулюється гайкою , що фіксується контргайкою.
При переміщенні важеля стояночного гальма нагору троси натягаються і повертають на пальцях важелі ручного керування колодками. Розпірні планки притискають передні колодки до барабанів. Подальший поворот важелів на пальцях припиняється. Потім вони починають повертатися щодо точок контакту з розпірними планками і короткими плічми притискають задні колодки до барабанів. При включенні стояночного гальма собачка вільно перескакує по зубах сектора до повного притиснення колодок до барабанів і в цьому положенні фіксують важіль, зачіпаючись за зуб сектора. Для вимикання гальма треба натиснути на кнопку, щоб підняти собачку й опустити важіль.
3. ТЕХНІЧНЕ ОБСЛУГОВУВАННЯ ГАЛЬМ
Після перших 2000-3000 км пробігу перевірте герметичність гідроприводу гальм, регулювання приводу гальм і стояночного гальма, при необхідності відрегулюйте їх.
Через кожні 10000 км пробігу перевірте стан накладок передніх гальм і при необхідності замініть їх; перевірте рівень гальмової рідини і герметичність приводу гальм.
Через кожні 10000 км (починаючи з 30000 км пробігу) перевірте стан гальмівних шлангів, при необхідності замініть їх новими.
Через кожні 20000 км пробігу перевірте регулювання приводу гальм і стояночного гальма, при необхідності відрегулюйте їх; перевірте стан колодок задніх гальм, ефективність роботи гальмівних механізмів задніх коліс.
Через кожні 30000 км пробігу перевірте стан і працездатність регулятора тиску і вакуумного підсилювача.
Перевірка герметичності і стану трубопроводів. Для попередження раптового відмовлення гальмової системи ретельно перевірте стан усіх трубопроводів:
• металеві трубопроводи не повинні мати вм'ятин, тріщин і повинні бути розташовані удалині від гострих країв, що можуть їх пошкодити;
• гнучкі шланги не повинні стикатися з мінеральними маслами чи мастилами,
що розчиняють гуму; сильним натисканням на педаль гальма перевірте, чи не з'являться на шлангах здуття, що свідчать про їхню непридатність; шланги замініть новими з появою на них наскрізних тріщин на зовнішній оболонці;
• усі скоби кріплення трубопроводів повинні бути добре затягнуті, ослаблення кріплень приводить до вібрації, що викликає поломки;
Якщо є сумніви в придатності тієї чи іншої деталі, замініть її.
Регулювання стояночного гальма. Відповідно до заводських технічних умов автомобіль повинен утримуватися стояночним гальмом на ухилі 30% при переміщенні важеля не більше ніж на чотири-п'ять зубців храпового пристрою. При недотриманні цих вимог відрегулюйте його в наступному порядку: підніміть задню частину автомобіля так, щоб колеса могли обертатися, і відпустіть важіль у крайнє нижнє положення;
• підніміть задню частину автомобіля так, щоб колеса могли обертатись, і відпустіть важіль у крайнє нижнє положення;
• послабте контргайку 26 див. рисунок. 6 натяжного пристрою і, загортаючи гайку 27 натягніть трос так, щоб задні колеса були загальмовані з зусиллям, при якому поворот коліс рукою був би неможливий;
• відвертаючи регулювальну гайку, установіть хід важеля по сектору на чотири-п'ять зубів і затягніть контргайку.
Виконавши кілька гальмувань, переконаєтеся, що хід важеля не змінився, а колеса обертаються вільно, без прихоплений при нижньому положенні важеля.
Регулювання приводу гальм. Вільний хід педалі гальма при непрацюючому двигуні повинен складати 3-5 мм. Цю величину одержують, регулюючи положення вимикача стоп-сигналу. Якщо вимикач стоп-сигналу черезмірно наближений до педалі, то вона не повертається цілком у вихідне положення, клапан, притискаючи до корпуса, роз'єднує порожнини А й Б, і відбувається неповне розгальмовування коліс при відпущеній педалі.
Положення вимикача стоп-сигналу регулюють переміщенням його, попередньо послабивши гайку, що стопорить вимикач. Установіть вимикач так, щоб його буфер злегка дотикався упору педалі, а вільний хід педалі гальма дорівнював 3-5 мм. По закінченні регулювання затягніть гайку, що фіксує положення вимикача стоп-сигналу.
Зупинивши педаль гальма в середині її ходу, пустіть двигун. При справному вакуумному підсилювачі педаль гальма після пуску двигуна повинна"піти вперед". Якщо педаль не "йде вперед", перевірте кріплення наконечника, стан і кріплення фланця , шланга до наконечника і штуцера впускної труби двигуна, тому що ослаблення чи кріплення ушкодження деталей різко знижує розрідження в порожнині А й ефективність роботи підсилювача.
У випадку мимовільного гальмування автомобіля перевірте при працюючому двигуні вакуумний підсилювач на герметичність спочатку при відпущеної, а потім при натиснутій педалі гальма. "Присмоктування" захисного ковпачка до хвостовика корпуса клапана і шипіння підсмоктуваного повітря вказують на недостатню герметичність підсилювача.
Навіть при відсутності "присмоктування" захисного ковпачка рекомендується перевірити стан ущільнювача 18, для чого:
• акуратно зніміть, а потім зруште з відбортування отвору на кришці захисний ковпачок ;
• при працюючому двигуні покачайте в поперечному напрямку виступаючий хвостовик корпусу клапану з зусиллям 3-4 кгс: при цьому не повинно бути чутно характерного шипіння повітря, що проходить усередину підсилювача через ущільнювач 18 кришки.
При негерметичності вакуумного підсилювача від4
єднайте штовхач 14 від педалі гальма, зніміть захисний ковпачок 12 і закладете 5 м мастила "ЦИАТИМ-221" між ущільнювачем і відбортуванням кришки і корпусу клапана, потім перевірте стан повітряного фільтра 15, при необхідності заміните його й установите на місце захисний ковпачок. Якщо в такий спосіб не удасться усунути підсмоктування повітря, замініть вакуумний підсилювач.
Перевірка працездатності регулятора тиску. Установіть автомобіль на підйомник чи на оглядову канаву й очистіть регулятор тиску і захисний чохол від бруду. Обережно зніміть захисний чохол, видаліть залишки мастила й очистіть з'єднання торсіон-поршня.Натисніть на педаль гальма (із зусиллям 70-80 кгс) і спостерігайте за виступаючою частиною поршня регулятора тиску. Якщо поршень переміщається щодо корпусу регулятора тиску на 0,5-0,9 мм, закручуючи при цьому торсійний важіль, то регулятор тиску працездатний. Повторіть натискання на педаль, щоб цілком переконатися в працездатності регулятора тиску.
Якщо при натисканні на педаль поршень залишається нерухомим, що вказує на корозію корпуса і поршня, то замініть регулятор тиску Переконавшись в працездатності регулятора тиску й у відсутності течі гальмової рідини, покрийте тонким шаром мастила ДТ-1 вісь і виступаючу частину поршня, закладіть 5-6 г мастила в гумовий чохол і установіть чохол на місце
Нагнітаючи струмінь стиснутого повітря через впускний отвір для гальмової рідини, виштовхніть поршні 1 із циліндрів на супорті 4 і вийміть ущільнювальні кільця 3 із циліндрів.
Зборку переднього гальма проводіть в послідовності, зворотній розбиранню. Ущільнювальні кільця, поршні і дзеркало циліндрів при зборці змащуйте гальмівною рідиною. Після установки відновіть рівень гальмової рідини і прокачайте систему гідроприводу.
Перевірка деталей
Уважно перевірте всі деталі, промивши їх попередньо теплою водою з миючим засобом і висушивши потоком стиснутого повітря.
Якщо при перевірці на поршні або дзеркалі циліндра виявлено сліди зносу або заїдань, замініть циліндр в комплекті з новим поршнем.
Примітка. У всіх випадках, коли поршень виймають із циліндра супорта, рекомендується заміняти ущільнювальне кільце в канавках циліндра і пилозахисний ковпачок, що необхідно для задовільної роботи системи.
Перевірка биття гальмового диску
Перевірте осьове виття гальмового диску, не знімаючи його з автомобіля. Найбільш допустиме биття по індикатору - 0,15 мм; якщо биття більше, проточіть диск, використовуючи оправку 67.7141.9500, потім прошліфуйте його, але остаточна товщина диска не повинна бути менше 9,5 мм.

Рисунок 7 - Перевірка осьового биття гальмового диску
1 — магнітна підставка; 2 - індикатор; 3 - гальмовий диск
При пошкодженні або дуже глибоких рисках, а також при зношенні перевищуючому 0,5 мм на кожну сторону, замініть диск новим.
Примітка. Міняти гальмовий диск необхідно тільки разом з маточин підшипників переднього колеса, так як його остаточна обробка проводиться зборі з маточиною.
Заміна гальмівних колодок
Колодки заміняйте новими, якщо товщина накладок зменшилась до
1,5 мм. Для заміни колодок зніміть шплінти і пальці з пружинами, потім вийміть колодки і пружини .
Обережно, щоб не пошкодити пилезахисні ковпачки і не допусти розприскування рідини із бачка гідроприводу, утопіть поршні всередині циліндрів. Поставте нові колодки з новими накладками і установіть на місце пальці, пружини і шплінти. З'єднайте штекерне з'єднання проводів сигналізатора зносу накладок гальмівних колодок.

Рисунок 8- Гальмовий барабан заднього гальма
1 - болти кріплення барабану до півосі; 2 - різьбові отвори для установки болтів 1 при знятті барабана

Рисунок 9- Колісний циліндр
1 - упор колодки; 2 - захисний ковпачок; 3 - корпус циліндра; 4 - поршень; 5 - ущільнювач; 6 -опорна чашка; 7 - пружина; 8 — сухарі; 9 - упорне кільце; 10 — упорний гвинт; 11 - штуцер; А -прорізь на упорному кільці
Задні гальма
Гальмовий механізм заднього колеса барабанного типу, з самоустановлювальними колодками. Гальмівні колодки з накладками, колісний циліндр і інші деталі змонтовані на гальмовому щиті, який кріпиться до фланця балки заднього мосту.
Регулювання зазору між колодками і барабаном забезпечується автоматично ,за допомогою пристрою, розташованого в колісному циліндрі. Розрізне упорне кільце встановлене на поршні між буртиком упорного гвинта і двома сухарями з зазором 1,25-1,65 мм. Упорні кільця встановлені в циліндрі з натягом, забезпечуючим зусилля зсуву кілець подзеркалу циліндра не менше 35 кгс, що перевищує зусилля на поршні від стяжних пружин гальмівних колодок. При оптимальному зазорі між колодками і барабаном при гальмуванні колодки розсовуються до вибору зазору 1,25-1,65 мм між буртиком гвинта і буртиком упорного кільця. Вказаний зазор забезпечує хід колодок для створення максимального гальмового моменту. При зносі накладок зазор 1,25-1,65 мм вибирається при гальмуванні повністю, буртик на упорному гвинті прижимається до буртика кільця, внаслідок чого упорне кільце здвигається слідом за поршнем на величину зносу. З припиненням гальмування, зусиллям стяжних пружин поршні здвигаються до упору сухарів в буртики упорних кілець. Так підтримується оптимальний зазор в гальмовому механізмі.
Зняття і розбирання
Підніміть задню частину автомобіля і зніміть колесо.
Приміть заходи, які не допускають витікання рідини із бачка.
Зніміть гальмовий барабан, відвернувши кріпильні болти.
Вставте ці болти в технологічні отвори і завертайте до відділення барабана.Від'єднайте від важеля ручного приводу колодок наконечник15 тросу, зніміть шплінт, натисніть на палець і зніміть важіль. Від'єднайте плоскогубцями верхню і нижню стяжні пружини. Повернувши чашки опорних стійок, зніміть їх разом зі стійками,пружинами і нижніми чашками; зніміть колодки і планку.Від'єднайте від колісного циліндру трубку підводу гальмової рідини і заглушіть вхідні отвори циліндра і трубки. Зніміть колісний циліндр. При заміні гальмового щита зніміть піввісь, як вказано в главі "Задній міст", і від'єднайте трос приводу стояночного гальма, вивернувши два болти кріплення до гальмового щита. при запресовуванні поршня в циліндр необхідно витримувати розміри 4,5-4,8 мм і 67 мм (максимально) для вільної посадки гальмового барабана;перед установкою деталей в корпус циліндра змажте їх рясно гальмовою рідиною.
Після зборки перевірте переміщення кожного поршня в копусі циліндра. Вони повинні легко переміщатися в межах 1,25-1,65 мм. Останніми установіть на місце захисні ковпачки.
Перевірка деталей
Колісні циліндри. Перевірте чистоту робочих поверхонь циліндра, поршнів і упорних кілець. Поверхні повинні бути повністю гладкими, без шорсткостей, щоб не відбувалося витоку рідини і передчасного зносу ущільнювачів і поршнів. Дефекти на дзеркалі циліндра усуньте притиркою або шліфовкою. Однак збільшення внутрішнього діаметру циліндру не допускається.
Перевірте стан упорного гвинта, пружини, опорної чашка і сухарів . При необхідності замініть пошкоджені деталі новими.
Замініть ущільнювачі новими. Перевірте стан захисних ковпачків і при необхідності замініть їх.
Колодки. Уважно перевірте,чи нема на колодках пошкоджень або деформацій.
Перевірте пружність стяжних пружин як верхніх, так і нижніх; при необхідності замініть їх новими.
Зборка і установка
Установіть і закріпіть колісний циліндр на гальмовому щиті, приєднайтедо нього трубку підводу гальмової рідини і затягніть до кінця гайку штуцера.
Приєднайте до колодки важіль ручного приводу колодок і установіть гальмівні колодки з розпірною планкою, потім поставте стійки з пружинами і нижніми чашками, поставте верхні чашки і зафіксуйте їх на стійках поворотом в ту або іншу сторону. Переконайтесь, що кінці колодок правильно розташувались в гніздах упоров на поршнях колісного циліндра і на щиті гальма. Установіть стяжні пружини колодок. Приєднайте до важеля наконечник заднього тросу.
Установіть гальмовий барабан, попередньо змазавши посадочний поясок півосі графітовою змазкою або змазкою ЛСЦ-15 і затягніть до кінця болти кріплення барабана.
Якщо при розбиранні знімався колісний циліндр, видаліть повітря із контуру приводу задніх гальм.
Розбирання і зборка колісних циліндрів
Зніміть захисні ковпачки, потім випресуйте із корпусу циліндру поршні в зборі з деталями приладу автоматичного регулювання зазору між гальмівними колодками і барабаном.
Установіть поршень в зборі з автоматичним приладом на спеціальне пристрій так, щоб виступи приладу охоплювали голівку упорного гвинта. Спеціальною викруткою, повертаючи поршень, виверніть упорний гвинт 3 із поршня. Зніміть з гвинта ущільнювач з опорною чашкою і сухарі . Роз'єднайте упорне кільце і упорний гвинт.
Зборку автоматичного приладу для регулювання зазору між колодками і барабаном і самого колісного циліндру проводіть в зворотній послідовності з урахуванням наступного:
упорні гвинти поршнів завертайте моментом 3,9-6,9 Н-м (0,4-0,7
кгс/см). Прорізь на кільцях повинна бути направлена вертикально
уверх; відхилення від вертикалі допускається не більше 30°. Таке розташування прорізі забезпечує більш повне видалення повітря із приводу гальмового механізму колеса при прокачуванні гальма;
для попереднього стискання упорних кілець поршні в корпус циліндра запресовуйте за допомогою спеціального пристрою, який має форму циліндра з конусним внутрішнім отвором;
зусилля запресовування поршня в циліндр повинно бути не менше 343 Н (35 кгс); при зусиллі менше 343 Н (35 кгс) замініть упорне кільце;
при запресовуванні поршня в циліндр необхідно витримувати розміри 4,5-4,8 мм і 67 мм (максимально) для вільної посадки гальмового барабана;
перед установкою деталей в корпус циліндра змажте їх рясно гальмовою рідиною.
4.
Ремонт та методи відновлення деталей
Таблиця 1
| Причина несправності |
Метод усунення |
| Недостатня ефективність гальмування |
| 1 . Витік гальмової рідини із колісних циліндрів передніх і задніх гальм |
1 . Замініть негідні деталі колісних циліндрів, промийте і просушіть колодки і барабани, прокачайте систему гідроприводу |
| 2. Повітря в гальмівній системі |
2Видалите повітря із системи |
| 3. Пошкоджені резинові ущільнювачі в головному гальмовому циліндрі |
3. Замініть ущільнювачі і прокачайте систему |
| 4 Пошкоджені резинові шланги системи |
4. Замініть шланги |
| Самовільне гальмування при працюючому двигуні |
| Підсос повітря в вакуумному посилювачі між корпусом клапана і захисним ковпачком |
| а) руйнування, перекіс ущільнювача |
а) замініть вакуумний посилювач кришки або погана фіксація його внаслідок пошкодження деталей, що стопоряться; знос ущільнювача |
| б) недостатнє змащування ущільнюючої кришки |
б) зніміть захисний ковпачок і заложіть змазку в ущільнювач |
| Неповне розгальмування всіх коліс |
| 1 . Відсутній вільний хід педалі гальма із-за неправильного положення вимикача стоп-сигналу . |
1. Відрегулюйте положення вимикача |
| 2. Порушений виступ регулювального болта вакуумного посилювача відносно площини кріплення головного циліндру |
2. Відрегулюйте виступ (1,25мм) болта регулювального болт. |
| 3. Заїдання корпусу клапана вакуумного посилювача внаслідок розбухання , діафрагми або защемлення ущільнювача кришки посилювача або захисного ковпачка |
3. Замініть вакуумний посилювач. |
4.Засмічення компенсаціиного отвору
в головному циліндрі.
|
4.Прочистіть отвір і прокачайте систему гідроприво.ду |
| 5.Розбухання резинових ущільнювачів головного циліндра. |
5.Ретельно промийте всю систему гальмівною рідиною замініть резинові деталі. |
| Скрип або вищання гальм |
| 1 . Послаблення стяжної пружини гальмівних колодок задніх гальм |
1 . Перевірте стяжну пружину і при необхідності замініть новою |
| 2. Овальність гальмівних барабанів |
2. Розточіть барабани |
| 3. Замаслювання фрикційних накладок |
3. Зачистіть накладки металічною щіткою, приміняючи теплу воду з миючими засобами. Усуньте причину попадання рідини або змазки на гальмівні колодки |
| 4. Знос накладок або включення в них сторонніх тіл |
4. Замініть колодки |
| 5. Надмірне биття гальмового диску або нерівномірний знос |
5. Пошліфуйте диск, при товщині менше
9 мм, замініть диск
|
| Не повне розгальмування коліс |
| 1. Засмічення компенсаційного отвору в головному циліндрі |
1. Прочистіть отвір і прокачайте систему гідроприводу |
| 2. Розбухання резинових ущільнювачів головного циліндру |
2. Ретельно промийте всю систему гальмівною рідиною, замініть пошкоджені резинові деталі, прокачайте систему гідроприводу |
| 3. Заїдання поршня головного циліндру гальм |
3. Перевірте і при необхідності замініть головний циліндр, прокачайте систему гідроприводу |
| Гальмування одного з коліс при відпущеній педалі гальм |
| 1. Ослабла або поламалася стяжна пружина колодок задніх гальм |
1. Замініть пружину |
| 2. Заїдання поршня в колісному циліндрі внаслідок корозії |
2. Розберіть циліндр, прочистите і промийте деталі, пошкоджені замініть |
| 3. Набухання ущільнюючих кілець колісного циліндру із-за попадання в рідину паливно-мастильних матеріалів |
3. Замініть кільця, промийте гальмівною рідиною систему гідроприводу |
| 4. Порушення положення супорта відносно гальмового диску при послаблені болтів кріплення до кронштейну |
4. Затягніть болти кріплення, при необхідності замініть пошкоджені деталі |
| Занос або відведення автомобіля в сторону при гальмуванні |
| 1. Витікання гальмової рідини в одному з колісних циліндрів |
1. Замініть ущільнювачі і прокачайте систему |
| 2. Заїдання поршня колісного циліндру гальм |
2. Перевірте і усуньте заїдання поршня в циліндрі, при необхідності замініть пошкоджені деталі |
| 3. Закупорювання якої-небудь стальної трубки внаслідок вм’ятини або засмічення |
3. Замініть трубку або прочистіть її і прокачайте систему |
| 4. Різний тиск в шинах |
4. Відрегулюйте тиск |
| 5. Неправильні кути установлення коліс |
5. Відрегулюйте кути |
| 6. Забруднення або замаслювання дисків, барабанів і накладок |
6.Почистіть деталі гальмівних механізмів |
| 7. Неправильна установка регулятора тиску |
7. Відрегулюйте положення регулятора тиску |
| 8. Несправний регулятор тиску |
8. Відремонтуйте або замініть регулятор тиску |
| Збільшене зусилля натискання на педаль гальма |
| 1. Засмічений повітряний фільтр вакуумного посилювача |
1. Замініть повітряний фільтр |
| 2. Заїдання корпусу клапана вакуумного посилювача внаслідок розбухання діафрагми або защемлення ущільнювача кришки підсилювача. |
2. Замініть вакуумний підсилювач |
Система розбирання та збирання обєкта
Для попередження раптової відмови гальмової системи ретельно перевірте стан всіх трубопроводів:
- металічні трубопроводи не повинні мати вм'ятин, тріщин і повинні бутирозташовані удалині від гострих кромок, які можуть їх пошкодити;
- гальмівні шланги не повинні мати наскрізних тріщин на зовнішній оболонціі не повинні стикатися з мінеральними маслами, які розчиняють резину;сильним натисненням на педаль гальм перевірте, чи не з'являться нашлангах здуття, які свідчать про їх непридатність;усі скоби кріплення трубопроводів повинні бути добре затягнуті;послаблення кріплень призводить до вібрації, яка викликає поломки;
-не допускається витікання рідини із штуцерів; при необхідності затягніть гайки до відмови, не піддаючи трубопроводи деформації.
Деталі заміняйте новими, якщо є найменші сумніви в їх придатності.
Гнучкі шланги незалежно від їх стану заміняйте новими після 100000 км пробігу або після п'яти років експлуатації автомобіля, щоб попередити раптові розриви внаслідок старіння.
Через п'ять років експлуатації пропонується гальмівну рідину заміняти новою.
Таблиця 1 Можливі несправності, їх причини і методи усунення
| Причина несправності |
Метод усунення |
| Недостатня ефективність гальмування |
| 1 . Витік гальмової рідини із колісних циліндрів передніх і задніх гальм |
1 . Замініть негідні деталі колісних циліндрів, промийте і просушіть колодки і барабани, прокачайте систему гідроприводу |
| 2. Повітря в гальмівній системі |
2Видалите повітря із системи |
| 3. Пошкоджені резинові ущільнювачі в головному гальмовому циліндрі |
3. Замініть ущільнювачі і прокачайте систему |
| 4 Пошкоджені резинові шланги системи |
4. Замініть шланги |
| Самовільне гальмування при працюючому двигуні |
| Підсос повітря в вакуумному посилювачі між корпусом клапана і захисним ковпачком |
| а) руйнування, перекіс ущільнювача |
а) замініть вакуумний посилювач кришки або погана фіксація його внаслідок пошкодження деталей, що стопоряться; знос ущільнювача |
| б) недостатнє змащування ущільнюючої кришки |
б) зніміть захисний ковпачок і заложіть змазку в ущільнювач |
| Неповне розгальмування всіх коліс |
| 1 . Відсутній вільний хід педалі гальма із-за неправильного положення вимикача стоп-сигналу . |
1. Відрегулюйте положення вимикача |
| 2. Порушений виступ регулювального болта вакуумного посилювача відносно площини кріплення головного циліндру |
2. Відрегулюйте виступ (1,25мм) болта регулювального болт. |
| 3. Заїдання корпусу клапана вакуумного посилювача внаслідок розбухання , діафрагми або защемлення ущільнювача кришки посилювача або захисного ковпачка |
3. Замініть вакуумний посилювач. |
4.Засмічення компенсаціиного отвору
в головному циліндрі.
|
4.Прочистіть отвір і прокачайте систему гідроприво.ду |
| 5.Розбухання резинових ущільнювачів головного циліндра. |
5.Ретельно промийте всю систему гальмівною рідиною замініть резинові деталі. |
| 6.Заідання поршння головного циліндра. |
6. Перевірте і при необхідності замініть головний циліндр. |
| Скрип або вищання гальм |
| 1 . Послаблення стяжної пружини гальмівних колодок задніх гальм |
1 . Перевірте стяжну пружину і при необхідності замініть новою |
| 2. Овальність гальмівних барабанів |
2. Розточіть барабани |
| 3. Замаслювання фрикційних накладок |
3. Зачистіть накладки металічною щіткою, приміняючи теплу воду з миючими засобами. Усуньте причину попадання рідини або змазки на гальмівні колодки |
| 4. Знос накладок або включення в них сторонніх тіл |
4. Замініть колодки |
| 5. Надмірне биття гальмового диску або нерівномірний знос |
5. Пошліфуйте диск, при товщині менше
9 мм, замініть диск
|
| Не повне розгальмування коліс |
| 1. Засмічення компенсаційного отвору в головному циліндрі |
1. Прочистіть отвір і прокачайте систему гідроприводу |
| 2. Розбухання резинових ущільнювачів головного циліндру |
2. Ретельно промийте всю систему гальмівною рідиною, замініть пошкоджені резинові деталі, прокачайте систему гідроприводу |
| 3. Заїдання поршня головного циліндру гальм |
3. Перевірте і при необхідності замініть головний циліндр, прокачайте систему гідроприводу |
Система розбирання та збирання об’єкта
Перевірка і регулювання гальм.Перевірка трубопроводів і зєднань.
Для попередження раптової відмови гальмової системи ретельно перевірте стан всіх трубопроводів:
- металічні трубопроводи не повинні мати вм'ятин, тріщин і повинні бутирозташовані удалині від гострих кромок, які можуть їх пошкодити;
- гальмівні шланги не повинні мати наскрізних тріщин на зовнішній оболонціі не повинні стикатися з мінеральними маслами, які розчиняють резину;сильним натисненням на педаль гальм перевірте, чи не з'являться нашлангах здуття, які свідчать про їх непридатність;
- усі скоби кріплення трубопроводів повинні бути добре затягнуті;послаблення кріплень призводить до вібрації, яка викликає поломки;
- не допускається витікання рідини із штуцерів; при необхідності затягнітьгайки до відмови, не піддаючи трубопроводи деформації.
Деталі заміняйте новими, якщо є найменші сумніви в їх придатності.
Гнучкі шланги незалежно від їх стану заміняйте новими після 100000 км пробігу або після п'яти років експлуатації автомобіля, щоб попередити раптові розриви внаслідок старіння.
Через п'ять років експлуатації пропонується гальмівну рідину заміняти новою.
В
ИСНОВОК
При виконанні даної курсової роботи я детально ознайомився з будовою та принципом дії гальмівної системи автомобіля ВАЗ 2107.
Навчився визначати неполадки та методи їх усунення, виконувати технічне обслуговування зчеплення та дізнався про технології та матеріали, які використовують при виготовлені деталей зчеплення та методи відновлення деталей. Вивчив правила яких необхідно обов’язково дотримуватись при виконанні технічного обслуговування, ремонту чи інших робіт біля автомобіля. А також навчився розраховувати силовий баланс автомобіля при різних умовах руху в залежності від погодних умов (покриття дороги, швидкості руху, передачі на якій здійснюється рух та місцевості ).
Література
1.В.А.Вершигора 1996г. Автомобили ВАЗ 2104, ВАЗ 21043 ВАЗ 2107.
2.А.І. Манзон,Г.Е. Нагула “ Автомобіль” Москва,”Транспорт" 1988р.
3.В.А. Вершигора 1995г. Автомобили « Жигули » моделей ВАЗ 2104, ВАЗ 2102, ВАЗ 2105, ВАЗ2107.
4.Легковые автомобили ВАЗ: Конструкция и техническое обслуживание. 1985 г.
5.Каталог запасних деталів автомобіля ВАЗ-2107, і його модифікації.
М.: Автомобілебудування.1999р.
6.
В.Ф. Кисликов “Будова й експлуатація автомобілів“, Київ, “ Либідь” 2000р.
|