Банк рефератов содержит более 364 тысяч рефератов, курсовых и дипломных работ, шпаргалок и докладов по различным дисциплинам: истории, психологии, экономике, менеджменту, философии, праву, экологии. А также изложения, сочинения по литературе, отчеты по практике, топики по английскому.
Полнотекстовый поиск
Всего работ:
364139
Теги названий
Разделы
Авиация и космонавтика (304)
Административное право (123)
Арбитражный процесс (23)
Архитектура (113)
Астрология (4)
Астрономия (4814)
Банковское дело (5227)
Безопасность жизнедеятельности (2616)
Биографии (3423)
Биология (4214)
Биология и химия (1518)
Биржевое дело (68)
Ботаника и сельское хоз-во (2836)
Бухгалтерский учет и аудит (8269)
Валютные отношения (50)
Ветеринария (50)
Военная кафедра (762)
ГДЗ (2)
География (5275)
Геодезия (30)
Геология (1222)
Геополитика (43)
Государство и право (20403)
Гражданское право и процесс (465)
Делопроизводство (19)
Деньги и кредит (108)
ЕГЭ (173)
Естествознание (96)
Журналистика (899)
ЗНО (54)
Зоология (34)
Издательское дело и полиграфия (476)
Инвестиции (106)
Иностранный язык (62791)
Информатика (3562)
Информатика, программирование (6444)
Исторические личности (2165)
История (21319)
История техники (766)
Кибернетика (64)
Коммуникации и связь (3145)
Компьютерные науки (60)
Косметология (17)
Краеведение и этнография (588)
Краткое содержание произведений (1000)
Криминалистика (106)
Криминология (48)
Криптология (3)
Кулинария (1167)
Культура и искусство (8485)
Культурология (537)
Литература : зарубежная (2044)
Литература и русский язык (11657)
Логика (532)
Логистика (21)
Маркетинг (7985)
Математика (3721)
Медицина, здоровье (10549)
Медицинские науки (88)
Международное публичное право (58)
Международное частное право (36)
Международные отношения (2257)
Менеджмент (12491)
Металлургия (91)
Москвоведение (797)
Музыка (1338)
Муниципальное право (24)
Налоги, налогообложение (214)
Наука и техника (1141)
Начертательная геометрия (3)
Оккультизм и уфология (8)
Остальные рефераты (21692)
Педагогика (7850)
Политология (3801)
Право (682)
Право, юриспруденция (2881)
Предпринимательство (475)
Прикладные науки (1)
Промышленность, производство (7100)
Психология (8692)
психология, педагогика (4121)
Радиоэлектроника (443)
Реклама (952)
Религия и мифология (2967)
Риторика (23)
Сексология (748)
Социология (4876)
Статистика (95)
Страхование (107)
Строительные науки (7)
Строительство (2004)
Схемотехника (15)
Таможенная система (663)
Теория государства и права (240)
Теория организации (39)
Теплотехника (25)
Технология (624)
Товароведение (16)
Транспорт (2652)
Трудовое право (136)
Туризм (90)
Уголовное право и процесс (406)
Управление (95)
Управленческие науки (24)
Физика (3462)
Физкультура и спорт (4482)
Философия (7216)
Финансовые науки (4592)
Финансы (5386)
Фотография (3)
Химия (2244)
Хозяйственное право (23)
Цифровые устройства (29)
Экологическое право (35)
Экология (4517)
Экономика (20644)
Экономико-математическое моделирование (666)
Экономическая география (119)
Экономическая теория (2573)
Этика (889)
Юриспруденция (288)
Языковедение (148)
Языкознание, филология (1140)

Курсовая работа: Модернізація пристроїв автоматики і телемеханіки ділянки залізниці на базі мікропроцесорних технічних засобів

Название: Модернізація пристроїв автоматики і телемеханіки ділянки залізниці на базі мікропроцесорних технічних засобів
Раздел: Рефераты по коммуникации и связи
Тип: курсовая работа Добавлен 02:17:46 29 апреля 2011 Похожие работы
Просмотров: 1278 Комментариев: 22 Оценило: 3 человек Средний балл: 5 Оценка: неизвестно     Скачать

Вступ

Системи кодового управління об'єктами є потужним засобом підвищення ефективності роботи залізничного транспорту. Ці системи по забезпеченню безпеки ставляться до другої категорії пристроїв ЖАТ, тобто до пристроїв, від дії яких безпека руху поїздів безпосередньо не залежить. Тому впровадження мікропроцесорної техніки швидше й простіше відбувається саме в цій сфері.

Розвиток пристроїв автоматики і телемеханіки базується на постійному удосконаленні елементної бази та розробки нових архітектурних рішень. Час диктує: пора впроваджувати мікропроцесорні і релейно-процесорні ЕЦ, які вбирають в себе функції лінійного пункту диспетчерської централізації, автоблокування на прилеглих перегонах, переїзної сигналізації.

Розвиток мікропроцесорної техніки відбувається за кількома напрямками. По-перше, це розширення переліку технологічних процесів, в яких використовується мікропроцесорна техніка. По-друге, це підвищення рівня надійності роботи обладнання та обгрунтованості прийняття керуючих рішень. По-третє, це використання інформаційних технологій, що дозволяють спеціалістам, які не мають спеціальних знань з особливостей функціонування обчислювальної техніки, ефективно використовувати увесь арсенал засобів керування складними об’єктами, починаючи з ведення документації і закінчуючи використанням експертних систем.

Ці системи здатні до самодіагностики, стикуються з будь-якими апаратно-програмними комплексами, для них підходять існуючі приміщення. При децентралізованому розміщенні такої апаратури заощаджуються чималі кошти за рахунок використання волоконно-оптичного кабелю (одночасно вирішуються питання перешкодозахищеності від джерел перенапруги). Знімаються проблеми безконтактного управління стрілками і сигналами. Зводячи до мінімуму кількість релейної апаратури, вдається скорочувати обслуговуючий штат.

1 Обґрунтування вибору пристроїв залізничної автоматики

Відповідно дозавдання перегін, що прилягає до станції «П», обладнаний пристроями кодового автоблокування (КАБ) релейного типу. Це автоблокування почало впроваджуватися на мережі залізниць колишнього Радянського Союзу в 50-х рр. минулого сторіччя й одержала найбільш широке поширення із усіх систем автоблокування завдяки ряду переваг, головними з яких є наступні:

- використання кодових рейкових кіл, які крім виконання своїх основних функцій (контролю вільності блок-дільниці й контролю цілісності рейкових ниток) виконують функції телемеханічного каналу для передачі інформації між сусідніми сигнальними установками автоблокування;

- використання як колійної апаратури АЛСБ кодових пристроїв існуючих рейкових кіл.

Однак, у процесі експлуатації виявилися й негативні сторони КАБ релейного типу. Головний недолік виявився в тім, що при одночасному впливі декількох несприятливих факторів, а саме, при сполученні критичних погодних умов при певних експлуатаційних ситуаціях і деяких ушкодженнях технічних засобів, система допускає небезпечні відмови: короткочасні проблиски вогню, більш дозвільного, чим допускається при даній експлуатаційній ситуації.

Крім цього, аналіз відмов КАБ релейного типу показує, що більше 50 % із них доводиться на рейкові кола. Майже половина цих відмов викликана їх нестійкою роботою при флуктуаціях опору баласту та при дії завад від тягового струму.

У зв'язку з вище зазначеним виникає необхідність у модернізації пристроїв релейної КАБ на перегоні між станціями «У» і «П». Модернізація перегінних пристроїв можлива шляхом поступової заміни сигнальних установок релейної КАБ сигнальними установками мікропроцесорної системи числового кодового автоблокування типу АБ-ЧКУ, що була розроблена спеціально для цієї мети. Такий принцип модернізації одержав назву «шафа на шафу».


2. Модернізація перегінних пристроїв

2.1 Колійний план перегону

На колійному плані перегону, обладнаного електричною тягою поїздів, вказані:

- перегінні світлофори;

- рейкові кола в двонитковому зображенні із вказівкою їхньої довжини;

- колійні дроселі - трансформатори;

- сигнальні жили магістрального кабелю;

- високовольтну лінію автоблокування;

- резервну високовольтну лінію електропередач;

- місця встановлення силових трансформаторів та ін.

Біля кожної сигнальної установки вказують шафи для розміщення релейної апаратури, і кабельний план з'єднання всіх пристроїв із вказівкою довжини, кількості жил кабелю й числа запасних жил.

На рисунку 1.1 наведений колійний план перегону, який обладнаний двоколійним кодовим автоблокуванням при електротязі змінного струму. Біля кожного колійного світлофора розташована релейна шафа типу ШРУ, для якої надані позначення типу даної сигнальної установки («О») і тип кодового колійного трансмітера.

Основне живлення змінним струмом (ПХ-ОХ) подається в релейну шафу від силового трансформатора типу ОМ-0,2 або ОМ-0,6, установленого на силовій опорі високовольтної лінії автоблокування. Резервне живлення змінним струмом (РПХ-РОХ) здійснюється від лінії електропередачі ЛЕП через трансформаторну підстанцію КТПО.

Лінійні кола автоблокування виконані магістральним кабелем зв'язку. При новому проектуванні, як правило, застосовують двокабельні магістралі з використанням кабелів, які не є пупінізованими, марки МКПАБ.

При кодовому автоблокуванні передбачаються наступні лінійні кола:

Н, ОН - зміни напрямку, при організації по одній із колій тимчасового двобічного руху. При цьому, дроти Н, ОН також використовується для передачі на сигнальну установку інформації про показання наступного світлофора. Це необхідно для вибору сигнальних кодів при неправильному напрямку руху по даній колії перегону;

ДСН, ОДСН - подвійного зниження напруги, які водночас використовуються й для передачі кодових сигналів у системі частотного диспетчерського контролю;

ИЧ, ОИЧ - повідомлення про наближення поїзда до станції від попереджувальної парної сигнальної установки до станційного релейного приміщення;

ЗС, ОЗС - ув'язування показань світлофора, розташованого перед вхідним із показаннями вхідного світлофора.

Рисунок 1.1 - Колійний план перегінних пристроїв кодового автоблокування електротязі змінного струму

Прилади кожної сигнальної установки в двоколійному кодовому автоблокуванні розміщають в окремій шафі типу ШРУ. На спарених сигнальних установках у кожного прохідного світлофора встановлюють окрему релейну шафу й утворюються дві одиночні сигнальні установки відповідних типів. Для кожної сигнальної установки вказують кабелі від релейної шафи до світлофорів, рейковим колам, кабельним ящикам.

2.2 Принципово - структурна схема модернізації перегінних пристроїв

При автоблокуванні кожний міжстанційний перегін поділяють на окремі блок-ділянки, які обладнують електричними рейковими колами і огороджують прохідними світлофорами, які діють автоматично. Показання світлофорів залежать від місця знаходження поїзда. Нормально (при відсутності поїзда) на світлофорах горить зелений вогонь.

Основні вимоги, що пред'являються до пристроїв автоблокування, передбачаються наступними правилами технічної експлуатації:

- при зайнятому стані блок-дільниці, на світлофорі, що її огороджує, повинен включатися червоний вогонь;

- пристрої автоблокування не повинні допускати відкриття світлофора до звільнення блок-дільниці, що він огороджує;

- необхідно, щоб на одноколійних перегонах після відкриття вихідного світлофора була виключена можливість відкриття вихідних і прохідних світлофорів протилежного напряму;

- при перегоранні червоної лампочки на світлофорі, що огороджує зайняту блок-дільницю, передбачається автоматичне перенесення червоного вогню на попередній по ходу поїзда світлофор;

- технічні засоби автоблокування повинні забезпечувати захист від появи сигналу, який більш дозволяє , при пошкодженнях елементів апаратури.

Вибір сигнального показання на прохідному світлофорі здійснюється в такий послідовності: за допомогою рейкового кола контролюється стан блок-ділянки, що огороджується.

Для заданої експлуатаційної ситуації, яка зображена в додатку А схема працює в такий спосіб. Рейкове коло блок-дільниці 4П зайнята поїздом й коди в ній відсутні. Відсутність кодів з рейкової лінії блок-дільниці 4П через дросель-трансформатор ДТ-1 і пристрій захисту й сполучення ПЗС передаються у мікропроцесорний приймач МПП. Відповідно до алгоритму роботи МПП відбувається виконання команди "Збудження відповідних сигнальних реле".

Так як реле 3Ж і 3З знеструмлені, то на світлофорі 4 горить червоний вогонь, а безконтактний комутатор струму (БКС) через дросель-трансформатор ДТ-1 посилає в рейкове коло блок-дільниці 6П кодові сигнали «ЧЖ».

В нашому випадку, при перегоранні лампи червоного вогню на світлофорі 4, вогневе реле 4О залишається без струму й фронтовим контактом розмикає коло трансмітерного реле 6Т. У рейковому колі 6П кодові імпульси ЧЖ припиняються, на світлофорі 6 включається червоний вогонь. Таким чином, відбувається перенос червоного вогню світлофора 4 на світлофор 6.

Блок-дільниця 8П вільна й тому реле 8ИП буде приймати код ЧЖ і передавати його в дешифратор 8ДА. Дешифратор розшифровує код і комутує кола обмоток сигнальних реле 8Ж таким чином, що реле стануе під струм, і своїм фронтовим контактом замкне коло лампи жовтого вогню світлофора 8.

2.3 Принципова схема дешифратора АБ

Принципова схема дешифратора АБ зображена на рисунку 2.3 відображає роботу дешифратора 6ДА блок-дільниці 6П для заданої ситуації згідно завдання курсового проекту. Блок-дільниця 6П вільна й до неї по рейковому колі з блок-дільниці 4П поступає код ЧЖ. Дешифратор 6ДА приймає ці імпульси та від імпульсу першого кодового циклу ЧЖ фронтовим контактом реле І одночасно замикаються три кола дешифратора.

По першому колу спрацьовує реле-лічильник 1, що має вповільнення на притягання 0,15с. На час цього вповільнення одночасно утвориться друге коло для зарядження конденсатора С1, що проходить через тилові контакти реле 1А, Ж, ПТ, діод Д1, тилові контакти реле-лічильника 1, 1А конденсатор С1 і полюс М. По закінченні вповільнення реле-лічильник 1 притягає якір і фронтовий контакт замикає коло розрядження конденсатора С1 на реле Ж і конденсатор С2. Резистор R01 обмежує коло зарядження конденсатора С1, тому конденсатор С2 від першого імпульсу не заряджається до повної напруги притягання й реле Ж не спрацьовує. Завдяки цьому досягається захист від помилкового вмикання реле Ж при надходженні з рейкового кола випадкового імпульсу.

По третьому колу, що проходить через тиловий контакт реле ПТ та діод Д6, спрацьовує реле В, контролюючи відсутність імпульсу в суміжному рейковому колі (тиловий контакт реле ПТ) і присутність імпульсу у власному рейковому колі (фронтовий контакт реле І). Реле В фронтовим контактом підготовляє коло увімкнення реле-лічильника 1А.

З моменту закінчення імпульсу коду ЧЖ у довгому інтервалі реле І відпускає якір. Його фронтовим контактом вимикаються реле-лічильник 1 і реле В, а тиловим контактом вмикається живлення до реле-лічильника 1А, що збуджуючись, стає через свій власний контакт на самоблокування. Тривалість довгого інтервалу (0,57с) значно перевищує час уповільнення реле В і реле-лічильників, тому, витримавши вповільнення, знеструмлюються реле-лічильник 1 і реле В. Потім реле В своїм фронтовим контактом вмикає коло самоблокування реле-лічильника 1А, витримавши вповільнення, останній відпускає свій якір.

При надходженні наступного кодового циклу ЧЖ конденсатор С1 і С2 знову заряджаються, але, з обліком раніше накопиченої енергії, цього разу до напруги притягання якоря реле Ж. Через фронтовий контакт реле Ж1 (повторювача реле Ж) і тиловий контакт реле З на світлофорі включається лампа жовтого вогню. Другим фронтовим контактом реле Ж1 послідовно з лампою червоного вогню по високоомній обмотці вмикається вогневе реле О, що контролює цілість нитки лампи червоного вогню в холодному стані.

При надходженні наступних імпульсів коду ЧЖ робота всіх кіл повторюється. Від кожного спрацьовування реле-лічильника 1 відбувається періодичне під зарядження конденсаторів С1 і С2.


Рисунок 2.3 - Принципова схема дешифратора кодового автоблокування


3 Обладнання станції «П» системою електричної централізації з кодовим керуванням

Обладнання станції «П» системою електричної централізації (ЕЦ) з кодовим керуванням дозволить забезпечити її керування зі станції «У», що значно підвищить ефективність використання ЕЦ.

При цьому, застосування МСКК дозволить скоротити оперативний персонал чергових на виконавчій станції «П» шляхом передачі їхніх функцій керування й контролю персоналу розпорядницької станції «У», що дозволить сконцентрувати керування й поліпшити технологію перевізного процесу. При цьому, інформація про ситуації на виконавчій станції може передаватися по телемеханічному каналі зв'язку на центральний пост керування поїзному або вузловому диспетчерові.

Системи кодового керування об'єктами за рівнем забезпечення безпеки відносяться до другої категорії пристроїв ЗАТ, тобто до пристроїв, від дії яких безпека руху поїздів безпосередньо не залежить.

У цей час у Росії й Україні створений цілий ряд подібних систем кодового керування, які по принципах побудови приблизно однакові. До них можна віднести системи "Тракт" і "Сетунь" (Росія), "Темп" і "Навігатор" (Україна).

З перерахованих систем найбільш доцільним є використання системи Навігатор, оскільки вона повністю підходить для вирішення поставленої в курсовому проекті задачі по модернізації станційних пристроїв і розроблена в Україні, що спрощує її впровадження та зменшує капітальні витрати.

Взагалі мікропроцесорна система кодового керування "Навігатор" призначена для телекерування окремими станціями, групою станцій, вилученими районами станцій, роз'їздами, блокпостами та іншими пристроями.


3.1 Вибір комплексу технічних засобів

Комплекс технічних засобів для кодового керування станцією «П» (рисунок 3.1) складається із апаратури електричної централізації ЕЦ з пультом-табло ПТ для місцевого керування станцією і технічних засобів мікропроцесорної системи телекерування (системою МСКК). Система МСКК для даного випадку повинна складатися із двох комп'ютерів, що працюють під керуванням спеціального базового і прикладного програмного забезпечення й з'єднаних каналами зв'язку, основним та резервним. Один з комп'ютерів перебуває на розпорядницькій станції (станція Р), другий перебуває на виконавчій станції (станція П). За допомогою розпорядницького комп'ютера оперативний персонал розпорядницької станції здійснює керування виконавчою станцією й контролює стан її об`єктів: колій, стрілок та світлофорів.

Відбувається це таким чином

При введенні оператором розпорядницької станції (РС) команд керування (введення здійснюється за допомогою клавіатури (КЛ) або маніпулятора (М) типу "Миша") центральний процесор (ЦП) розпорядницького комп'ютера (РК) формує відповідний машинний код. Цей код за допомогою модемів (МОабо МР) перетворюється у код телекерування (ТК), захищений від завад та призначений для передачі по фізичній лінії зв'язку, основній (ЛЗО), а у випадку її несправності, резервної (ЛЗР). Код ТК приймається на виконавчій станції (ВС), демодулюється модемами МО або МР (перетворюється в машинний код) і надходить у центральний процесор (ЦП).

ЦП дешифрує код ТК й забезпечує автоматичне формування послідовності команд ТК для встановлення заданого маршруту (аналог релейного маршрутного набору) з додатковою перевіркою правильності дії пристроїв і маніпуляцій чергового по станції. Потім, команди керування через модулі виводу (МВ) виконавчого комп'ютера (ВК) передаються в систему електричної централізації (ЕЦ) для виконання.

Інформація про стан станційних пристроїв виконавчої станції ВС (колій, стрілок, світлофорів і ін.) через модулі введення (МВВ) передається в ЦП ВК. Там вона кодується, потім модулюється модемом (МО або МР) і у вигляді коду телесигналізації (ТС) по лінії зв'язку (ЛЗО або ЛЗР) передається на ВС. У ВК виконавчої станції код ТС демодулюється, розшифровується й відображається на екрані кольорового відеомонітору (ВМ) у вигляді мнемосхем, подібних до стандартних позначень на пульт-табло ЕЦ.

Для підвищення надійності системи МСКК енергопостачання розпорядницького й виконавчого комп'ютерів здійснюється від блоків безперебійного живлення (ББЖ).

По забезпеченню безпеки руху поїздів, як було зазначено вище, МСКК відноситься до другої групи, тобто до систем, від дії яких безпека руху поїздів безпосередньо не залежить. Подача сигналів ТК для реалізації керуючих наказів здійснюється шляхом замикання електричних кіл, еквівалентних натисканню кнопок пульт-табло ЕЦ. Відповідальність за безпеку при таких принципах ув'язування МСКК з ЕЦ несуть пристрої електричної централізації.

Технічні засоби МСКК являють собою стандартне встаткування, спеціалізація якого досягається за рахунок спеціального програмного

забезпечення, і за рахунок спеціального встаткування, до якого відносяться (див. рис.3.1):

· М - модеми;

· МВ - модулі виведення сигналів ТК;

· МВВ - модулі введення сигналів ТС.

Модеми забезпечують роботу в двопровідних фізичних кабельних лініях зв'язку або каналах зв'язку в режимах - симплекс, напівдуплекс, повний дуплекс відповідно до міжнародного стандарту CC1TT V.21 зі швидкістю обміну 300 Бод.

3.2 Однонитковий план станції із сигналізуванням

У процесі проектування електричної централізації (ЕЦ) насамперед розробляється однонитковий план станції, на якому розміщуються поїзні (вхідні, вихідні) і маневрові світлофори; визначається конструкція світлофорів (щоглові, карликові); нумеруються стрілки й сигнали; вказуються сигнальні вогні світлофорів; виконується розбивка колії на ізольовані ділянки (рис. 3.2).

З боку перегону станція захищається вхідними світлофорами (Н і Ч).

Вхідні світлофори передбачаються завжди щогловими й мають п'ять вогнів: червоний, два жовтих, зелений і місячно - білий.

Для прийому поїздів по неправильній колії (наприклад, на період організації тимчасового двобічного руху по однієї з колій перегону під час капітального ремонту іншої) передбачаються додаткові вхідні світлофори НД і ЧД. Ці світлофори через недостатню ширину міжколійя можуть установлюватися з лівої сторони по руху поїздів. Вони мають одне дозвільне показання - два жовтих вогні незалежно від маршруту прийому.

Сполучені світлофори (вихідні світлофори, які сполучені з маневровими) встановлюються з урахуванням заданої спеціалізації прийома-відправних колій і позначаються літерами Н і Ч залежно від напрямку руху з додаванням цифри колії відправлення (НІ, Н3, – для непарного напрямку й ЧІІ, Ч4 - для парного напрямку

На знеособлених коліях вихідні світлофори встановлюються з обох кінців станційної колії (Н5 і Ч5), а на спеціалізованих (колії І, ІІ, і 3) - тільки з одного кінця відповідно до спеціалізації.

У даному випадку, оскільки прилягаючі перегони обладнані тризначним автоблокуванням, сполучені світлофори мають червоний, жовтий, зелений і луно-білий вогні: жовтий і зелений вогні використовуються як дозвільні для відправлення поїздів; луно-білий (не миготливий) – для маневрів з колії; червоний – як заборонний для поїзних і маневрових маршрутів; луно-білий (миготливий) – як запрошувальний для відправлення поїздів по світлофорах, які приймають участь у маршрутах безупинного руху (світлофори НІ, Н3 і ЧІІ,Ч4).

Оскільки станція «П» проміжна й маневрові пересування у неї здійснюються в мінімальних розмірах, маневрові світлофори встановлюються тільки в самих необхідних випадках. При їхньому розміщенні варто враховувати наступні вимоги. Маневрові світлофори зі станційних колій, як було викладено вище, сполучаються з вихідними, тому всі сполучені світлофори одночасно є й маневровими. Якщо колія спеціалізована (сполучений світлофор установлений з одного кінця), то із протилежного кінця передбачається маневровий світлофор. Маневрові світлофори встановлюються для:

· огородження станції з боку під'їзних колій, вантажних дворів інших примикань (на рис. 3.2 відсутні);

· виїзду з тупиків (М5);

· огородження горловини станції з боку прийомо-відправних колій (ЧІІ, Ч5, Ч4, М7, М9, НІ, Н3, Н4, Н5, М4);

· виїзду з без стрілочних ділянок, розташованих між вхідними світлофорами й першою стрілкою, (М1, М3, М2);

Стрілки на схематичному плані вказують у нормальному (плюсовому) положенні й нумерують порядковими парними номерами в парній горловині, починаючи від вхідного світлофора, і непарними - у непарній горловині. Стрілки з'їздів нумеруються суміжними номерами.


3.3 Перелік маршрутів

Маршрутом при ЕЦ прийнято вважати організований шлях проходження рухомого составу поїзним або маневровим порядком у межах станції за дозволяючими показаннями світлофорів.

На заданій станції всі пересування по прийому та відправленню поїздів, а також маневрові пересування маршрутизуються.

Розробка маршрутизації завершується складанням таблиць основних і варіантних поїзних (табл. 3.1). та маневрових маршрутів (табл. 3.2).

У таблиці маршрутів послідовно перераховуються спочатку всі поїзні а потім маневрові маршрути, вказується положення ходових і охоронних стрілок, що входять у маршрут, позначаються літери світлофорів, по яких відбувається пересування рухомого складу.

Напрямок № п/п Найменування маршрутів Літера світлофора Стрелки
1/3 5/7 9 11 13 15 2 4 6 8
Поїзні маршрути Станція А Прийом 1 Прийом на ІП Н + + +
2 Прийом на 3П Н + + - -
3 Прийом на 5П Н + + - + -
Відправлення 4 Прийом на 4П Н + - -
5 Відпр. з ІІП ЧІІ + + +
6 Відпр. з 5П Ч5 - + - + -
7 Відпр. з 4П Ч4 + + -
Станція Б Прийом 8 Прийом на ІІП Ч + +
9 Прийом на 5П Ч - + +
10 Прийом на 4П Ч + -
Відправлення. 11 Відпр. з ІП НІ + -
12 Відпр. з 3П Н3 + + -
13 Відпр. з 5П Н5 + + +
14 Відпр. з 4П Н4 +

Таблиця 3.1 - Перелік поїзних маршрутів


Таблиця 3.2 - Перелік маневрових маршрутів

Напрямок № п/п Найменування маршрутів Стрелки
1/3 5/7 9 11 13 15 2 4 6 8
Від М1 1 На колію IП - + +
3 На колію IIП + + +
4 На колію IIП - - +
5 На колію 3П - + - -
6 На колію 5П - + - + -
7 На колію 4П - - -
8 На колію 4П + + -
За М1 9 З колії IП - + +
10 З колії IIП - - +
11 З колії IIП + + +
12 З колії 3П - + + -
13 З колії 5П - + + + -
14 З колії 4П - - -
15 З колії 4П + + -
М3 16 На колію IП + + +
17 На колію IIП + - +
18 На колію 3П + + - -
19 На колію 5П + + - + -
20 На колію 4П + - -
За М3 21 З колії IП + + +
22 З колії IIП + - +
23 З колії 3П + + + -
24 З колії 5П + + + + -
25 З колії 4П + - -
Від М5 26 На колію 5П +
За М5 27 З колії 5П +
Від М2 28 На колію IП - -
29 На колію IIП + +
30 На колію 3П - + -
31 На колію 5П - + +
32 На колію 4П + -
За М2 33 З колії IП - -
34 З колії IIП + +
35 З колії 3П - + -
36 З колії 5П - + +
37 З колії 4П + -

3.4 Апарат ДСП для резервного керування станцією

У системі релейної централізації проміжної станції керування рухом здійснюється за допомогою пульта керування, розташованого в приміщенні ДСП (додаток Б). Застосовують уніфіковані пульти УП1 і УП2 із крапковою індикацією.

У верхній частині пульта для горловини станції розміщено табло крапкового типу, на якому зображена мнемосхема горловини станції. Лампи з лінзами білого кольору сигналізують про стан вільності (зайнятості) стрілочних і колійних секцій та приймально-відправних колій. Встановлені також лампочки з лінзами білого кольору для контролю двох ділянок наближення й двох ділянок віддалення.

На всіх станційних коліях табло встановлені лампи з жовтими лінзами для контролю положення стрілок підготовлених до встановлення маршруту прийому поїзда на колію і с зеленими лінзами для контролю положення стрілок підготовлених до встановлення маршруту відправлення поїзда с колії.

Горіння вогнів вхідних, сполучених (вихідні світлофори, які сполучені з маневровими) і маневрових світлофорів контролюють їхні сигнальні повторювачі на табло. Сигнальний повторювачі сигналізують наступним чином:

Сигнальні повторювачі сигналізують наступним чином:

вхідні світлофори - горінням ламп: Ч – при горінні червоного вогню; З – при горінні будь-яких дозвільних сигналів; Б – при горінні запрошувального вогню;

сполучені світлофори НІ, Н3, ЧІІ, Ч4 - горінням ламп: З – при горінні будь-яких дозвільних сигналів вихідного світлофору; Б (миготливим) - при горінні запрошувального вогню; Б– при горінні білого вогню, який дозволяє маневрові пересування; З (миготливим) - при перегоранні лампи червоного вогню;

сполучені світлофори – Ч5, Н4, Н5 – те ж саме, що для світлофорів НІ, Н3, ЧІІ, Ч4, але без контролю запрошувального вогню тому, що він на цих світлофорах відсутній;

маневрові світлофори - горінням лампи Б – при горінні дозвільного (білого) Б (миготливим) - при перегоранні лампи заборонного (синього) вогню.

Лампа «Несправність» загорається при будь якій несправності: вимиканні змінного струму; перегоранні ламп червоних вогнів вхідних і вихідних світлофорів, а також при інших ушкодженнях.

Для керування стрілками і світлофорами встановлені органи керування:

двопозиційні кнопки без фіксацій з розташованими поруч із ними лампами З - для контролю плюсового положення стрілки й Ж – мінусового;

трипозиційні кнопки (з буквою Т) - для керування світлофорами;

кнопки з механічними лічильниками числа натискань (СЧМ) - для користування запрошувальними сигналами;

пломбовані кнопки (з буквою П)– для штучного розмикання маршрутів прийому й відправлення та аварійного переводу стрілок;

авто дії пломбовані кнопки з фіксацією (з буквами П/Ф)– для зниження напруги електроживлення світлофорів;

ключі-жезли з замками - для забезпечення безпеки при виїзді господарського поїзда на перегін з наступним його поверненням на станцію по неправильній колії. При відправленні, ключ – жезл вилучається із замка і віддається машиністу господарського поїзда.

Після цього, на весь час знаходження господарського поїзда на перегоні, всі вихідні світлофори даного напрямку остаються заблокованими у закритому стані, аж поки ключ – жезл знову буде вставлений в замок пульта -табло.

залізниця автоматика кодовий перегінний пристрій


3.5 Апарат диспетчера для кодового керування станцією

Як апарат телекерування станцією «П» використовується розпорядницький комп'ютер РК (персональна ЕОМ класу IBM- PC) зі стандартною периферією (рис. 3.3).

За допомогою екрана монітора й маніпулятора типу «Миша» (або клавіатури) оперативний персонал розпорядницької станції здійснює керування виконавчою станцією й контролює стан її пристроїв: колій, стрілок, світлофорів і ін.

Екран системи розбитий на наступні функціональні частини:

Рядок меню (перебуває у верхній частині екрана системи) містить всі команди, необхідні для керування станцією.

Мнемосхема станції (займає основний простір екрана системи) є основним засобом відображення інформації, що надходить із виконавчої станції. Вона показує поїзну ситуацію, стан енергосистеми, попереджуючи знаки й інші додаткові параметри. На мнемосхемі станції розташовані кнопки керування станцією, які служать для швидкого вибору за допомогою маніпулятора "миша" команд встановлення маршруту, переводу стрілки, керування перегоном і ін.

Панель несправностей (знаходиться внизу екрана системи) служить для відображення певної несправності. Додавання й видалення рядка несправності з панелі виконується автоматично. Найменування несправності, а також час і дата виникнення й виправлення фіксуються в журналі.

Рядок меню й панель несправностей мають стандартну форму, і тому можуть бути зображені так, як показано на рисунку.

Мнемосхема проектується на підставі схематичного плану станції (див. Завдання). Для зображення мнемосхеми використовуються спеціальні позначення:

Приймально-відправна колія - відображається у вигляді прямокутника з білою окантовкою. Заливання усередині прямокутника означає стан колії.

Можливі наступні стани:

· колія вільна: колір заливання усередині прямокутника збігається із фоном;

· на колії заданий маршрут: колір заливання - білий;

· поїзд частково перебуває на колії: колір заливання - червоний;

· поїзд повністю перебуває на колії: червоний прямокутник усередині зображення приймально-відправної колії.

Колійна ділянка - являє собою прямокутник з білою окантовкою. Заливання усередині прямокутника означає стан колійної ділянки.

Можливі наступні стани:

· ділянка вільна: колір заливання усередині прямокутника збігається із фоном;

· ділянка зайнята: колір заливання - червоний;

· ділянка задана в маршруті: колір заливання - білий;

· штучне розмикання ділянки: миготіння заливання, колір якого збігається із фоном усередині прямокутника.

Вхідний світлофор - відображається на екрані у вигляді двох сигналів: основного (червоного або зеленого - Ч/З й запрошувального – Б).



3.6 Принципові схеми кодового та місцевого керування світлофорами

Встановлення маршруту відправлення зі колії IIП (4П,5П) починається з роздільного переводу стрілок, що входять у маршрут, і контролю їхнього положення після переводу.

Контроль положення стрілок у маршрутах відправлення (додаток В) по кожній колії здійснюють відправні контрольно-маршрутні реле ЧОКМ.

У колі кожного реле ЧОКМ включені фронтові контакти реле ПК і МК тих стрілок, які беруть участь у даному маршруті. Контактами реле ЧОКМ на коліях станції табло включаються зелені лампочки готовності маршруту відправлення.

Після переводу стрілок ДСП надає команду на відкриття вихідного світлофора натисканням сигнальної кнопки ЧОСК. Коло реле ЧОС замикається з контролем правильності встановлення стрілок по маршруту (контакти реле ЧОКМ ); вільності стрілочних секцій, що входять у маршрут (контакти реле 1СП, 7-9СП, 3-11СП, 13СП, 15СП); вільності першої блок - ділянки віддалення від станції (контакт реле ЧЖ); відсутності встановлених ворожих маневрових маршрутів по світлофору М1; наявності ключа - жезла в замку апарата ДСП (контакт реле НКЖ).

Ключ – жезл використовується для забезпечення безпеки при виїзді господарського поїзда на перегін з наступним його поверненням на станцію по неправильній колії. При відправленні, ключ – жезл вилучається із замка і віддається машиністу господарського поїзда. Після цього, на весь час знаходження господарського поїзда на перегоні, всі вихідні світлофори даного напрямку остаються заблокованими у закритому стані, аж поки ключ жезл знову буде вставлений в замок апарата ДСП.

Схема реле НКЖ працює наступним чином. Нормально реле НКЖ знаходиться у збудженому стані одночасно по колу самоблокування і по колу, в якому контролюється присутність ключа - жезла (через контакт НКЖК). При вилученні із замка ключа-жезла і розмиканні його контакту НКЖК одне коло розмикається, але реле НКЖ залишається у збудженому стані по колу самоблокування. Повне вимикання реле НКЖ відбувається при виході поїзда на перегін і розмиканні контакту реле ЧЖ, яке контролює вільний стан першої дільниці віддалення. Після вимикання реле ЧКЖ і блокування вихідних світлофорів у закритому стані виключається відправлення наступних поїздів на перегін до тих пір, поки господарський поїзд не повернеться на станцію, ключ-жезл буде вставлений у замок і збудиться реле ЧКЖ.

Контроль горіння запрошувального вогню здійснює вогневе реле ЧІIОПС вказівне реле ЧІІОБУ на пості ДСП.

Контактами вказівних реле ЧОРУ й ЧІІОБУ на табло включається зелений або білий вогонь.

3.7 Принципові схеми кодового та місцевого керування стрілками і схеми контролю

Двопровiдна схема керування стрілкою є найбільш поширеною на залiзницi. В ній для управління приводом i контролю стану стрілки використовується два проводи.

Схема забезпечує:

· роздільне і маршрутне управління стрілкою;

· перевід гостряків стрілки у крайні положення;

· контроль положень стрілки.

Принципова схема кодового та місцевого керування стрілкою №3-11 станції «П» зображена в додатку Г. Двопровiдна схема управління складається з контрольного, пускового і робочого кіл. В схемі передбачено два режиму керування: режим «Телекерування», від модулів виводу МВ1 (виводи МВ1-5 і МВ1-6) та режим «Резервне керування» від кнопок роздільного переводу 3-11П та 3-11М, які розташовані на резервному пульті ДСП.

Контрольне коло нормально замкнене відповідно одному з крайнiх положень стрілки. В даній схемі застосовується контрольне коло змінного струму з полярною вибiрковiстю. Датчиками виявляються контакти автоперемикача, приймачем – реле 3-11ОК.

Контактами автоперемикача, залежно вiд положення гостряків, змінюється полярність включення Д2 відносно реле 3-11ОК. У результаті на реле 3-11ОК виділяється постійна складова, полярність якої залежить вiд положення стрілки. Реле 3-11ОК контролює цiлiснiсть елементів кола та положення стрілки. Це досягається за рахунок комбінованої конструкції реле: нейтральний якір забезпечує контроль цiлісностi, а поляризований – положення стрілки.

Трансформатор забезпечує гальванічне розділення мiж контрольними колами різних стрілок. Конденсатор С2 виключає пiдмагнiчування обмотки Тр постiйним струмом вiд діода ВС, положення якого відносно обмотки 3-11ОК змінюється автоперемикачем. Резистор 1000 Ом, ввімкнутий послідовно з діодом зменшує струм і виключає його пробій при прямому напрямку струму у робочому колі. Функцію комутації контрольного i робочого кіл виконує реле 3-11НПС та частково реле 3-11Р.

Реле 3-11ПК i 3-11МК використовуються для контролю положення стрілки у схемах ЕЦ. У колi їх вмикання перевіряється три основні вимоги: стрiлка має контроль вiдповiдного положення (поляризований контакт 3-11ОК), стрiлка повинна знаходитись у цьому положеннi (контакт 3-11ППС), елементи контрольного кола у робочому станi (фронтовий контакт 3-11ОК).

Суттєвим недолiком двопровiдної схеми є можливiсть з’явлення хибного контролю при переплутуваннi лiнiйних проводiв Л1 i Л2. При цьому випрямний дiод змiнює свою полярнiсть у схемi вiдносно обмотки контрольного реле. Внаслiдок цього воно перемикає поляризованi контакти реле 3-11ОК, але збудження контрольного реле 3-11ПК або 3-11МК не буде, завдяки контакту 3-11ППС. Таке схемне рiшення запобiгає появi хибного контролю.

Пускове коло призначене для переводу стрілки у потрібне положення з перевіркою умов безпеки при переводі стрілки. При надходженні команди на перевід стрілки замикається кола збудження пускових реле. У данiй схемi застосовується два пускових реле: нейтральне 3-11НПС та поляризоване 3-11ППС.

Спочатку збуджується реле 3-11НПС, яке забезпечує комутацiю контрольного кола на робоче, пiдключає до лiнiйних проводів робочого кола живлення РП220В, РМ 220В, контролює протікання робочого струму, та замикається коло реле 3-11ППС. При цьому, реле ОК вимикається, стрiлка втрачає контроль.

Контакти реле 3-11ППС забезпечують однократно-короткочасний режим роботи пускового кола: вiдразу пiсля збудження, 3-11ППС перемикає 3-11НПС з високоомної обмотки ВО, яка ввімкнута у пускове коло, на низькоомну НО, яка ввімкнута у робоче коло. Для утримання якорю 3-11НПС на час підключення робочого кола, у колi збудження 3-11НПС передбачено коло уповiльнення R1, C1.

У пусковому колі перевіряються наступні умови безпеки при переводі стрілки. Контактами замикаючих реле НПЗ i ЧОЗ виключається можливість переводу стрілки 3-11 у маршрутах непарного прийому поїздів (контактом реле НПЗ) і парного відправлення (контактом реле ЧОЗ), в яких приймає участь ця стрілка, Для виключення замикання стрілки у маршрутах непарного прийому і парного відправлення, в яких стрілка 3-11 не приймає участі, паралельно контактам замикаючих реле включені тилові контакти контрольно-маршрутних реле тих маршрутів, у яких стрілка 3-11 приймає участь. Так, паралельно контакту ЧОЗ включений тиловий контакт 5ЧОКМ. Тому пускове коло стрілки 3-11, в разі приготування парного маршруту відправлення (контакт реле ЧОЗ розімкнений), розімкнеться тільки в тому випадку, коли встановлено маршрут відправлення з третій колії, оскільки збуджується контрольно-маршрутне реле 5ЧОКМ і розмикає свій тиловий контакт. З аналогічних міркувань паралельно контакту реле НПЗ включені тилові контакти ІНПКМ і 3НПКМ.

Контактом колійного реле 3-11 СП перевiряється вiльнiсть вiд рухомого складу колійної дільниці 3-11 , на якій розташована стрілка 3-11. Для можливості переведення стрілки у випадку, коли колійна дільниця фактично вільна, але із-за пошкодження рейкового кола контролюється як зайнята (хибна зайнятість), паралельно контакту реле 3-11 СП включена допоміжна кнопка 3-11ВК, яка є пломбована. Таким чином, якщо зняти пломбу та натиснути кнопку 3-11ВК, то стрілка переведеться.

Робоче коло включення двигуна в даній cхемі управлiння стрiлкою застосовується двопровiдне з мiсцевим реверсуванням. Мiсцеве реверсування забезпечує реле 3-11Р, контактами якого обирається необхiдна обмотка збудження електродвигуна. Керування реле 3-11Р здiйснюється шляхом змiни полярностi напруги його живлення.

Пiсля вмикання двигуна реле 3-11НПС блокується по низькоомнiй обмотцi і залишаеться під струмом доки буде працювати двигун. В цьому колі відсутні контакти, які контролюють вільність iзольованої дільниці, тому забезпечується довід стрiлки до кiнця у випадку зайняття дiльницi пiсля початого переводу.

У початковий момент переводу розмикаються контрольнi контакти 31-36 та замикаються робочi 41-46 для зворотного переводу стрiлки. Пiсля завершення переводу гострякiв та механiчного запирання їх розмикаються робочi контакти автоперемикача 11-16 i замикаються контрольнi 21-26. В результатi розмикання контакту 11-12 вимикається двигун. Реле 3-11НПС вiдпускає свiй якір, його контактами вимикається робоче коло i замикається контрольне. В результатi переключення контактiв автоперемикача полярнiсть включення Д2 вiдносно реле 3-11ОК змiнилася та на реле 3-11ОК зараз видiляється постiйна складова негативної полярностi. Через контакти 3-11ОК i 3-11ППС вмикається мiнусове контрольне реле 3-11МК.


3.8 Модулі введення і виведення МСКУ: принципові схеми, розрахунок кількості

Модулі виведення сигналів ТК (МВ) є кінцевими пристроями реалізації наказів ТК виконавчого комп'ютера (рис. 3.1). При виведенні сигналів керування модулі виведення виконують дві основні функції:

· узгоджують малопотужні керуючі струмові сигнали виконавчого комп'ютера з відносно потужними струмами, що протікають у виконавчих ланцюгах електромеханічних пристроїв;

· забезпечують захист мікропроцесорних пристроїв виконавчого комп'ютера від коротких замикань, перенапруг і електромагнітних перешкод з боку електромеханічних пристроїв ЕЦ.

Один МВ містить 24 порту виводу, що представляють собою програмно керовані електронні ключі (ЕК) (рис. 3.4), які мають контактні форми: "ОТ" (загальний - тиловий), "ОФ"(загальний - фронтовий).

При надходженні команди телекерування програмно керований електроний ключ ЕК (ОФ) замикає коло керування опто-транзистром DA1. Світлодіод VD49 і світлодіод оптотранзистора загоряються. Оптотранзистор під впливом світлового потоку свого світлодіода відчиняється і замикає, в якому потече струм, який буде достатнім для спрацювання реле електричної централізації. Стабілітрон VD2 забезпечує захист від перенапруги, а запобіжник багаторазової дії FU1- від струмів короткого замикання.

Аналогічно працює програмно керований електроний ключ ЕК (ОТ). Різниця в тому, що при надходженні команди телекерування вихідне коло оптотранзистора зачиня.ться і знеструмлює реле ЕЦ.

На цьому принципі реалізуються електронні аналоги звичайних керуючих кнопок пульт-табло ЕЦ. Електронні аналоги "Відповідальних команд" реалізуються послідовним включенням двох ЕК. Наявність керуючої напруги можливо тільки у випадку спрацьовування обох ЕК на певний час, необхідний для спрацьовування виконавчої схеми ЕЦ.

Рисунок 3.4 – Порт модуля виведення сигналів ТК

Таким чином МВ завдяки оптотранзисторам мають гальванічну розв'язку з керованими пристроями ЕЦ, що забезпечує захист від коротких замикань і перенапруг, світодіодну індикацію стану кожного каналу ТК. Число модулів МВ розраховується. Максимальне число МВ (по 24 сигнали ТК кожний) - 32 шт.

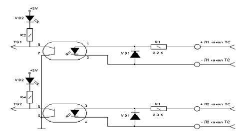
Модулі введення сигналів (МВВ) призначені для збору інформації про стан об'єктів виконавчої станції для формування сигналів ТС виконавчого комп'ютера. При введенні інформації модулі введення виконують функції аналогічні модулям виведення.

Гальванічна розв'язка вхідних ланцюгів комп'ютера й пристроїв СЦБ забезпечується застосуванням оптоелектронних елементів-DA (рис. 3.5). Знімання сигналів ТС здійснюється із клем підключення контрольних ламп пульт-табло ЕЦ через резистори R1, що огороджують струм (2,2 кОм).


Рисунок 3.5 – Модуль введення інформації та формування сигналів ТС

Захист від напруги зворотної полярності забезпечує діод VD1 а світодіодну індикацію стану кожного сигналу ТС - діод VD2. Число модулів введення визначається розрахунком. Максимальне число модулів введення (по 24 сигнали контролю кожний) - 32 шт.

Ув'язування по кодовому керуванню станцією «П» виконується з допомогою модулів виведення. МВ підключаються до схем ЕЦ через тилові контакти реле резервного керування (РУ). Для переходу з кодового на резервне керування необхідно натисканням кнопки РК, що пломбується, збудити реле 1РУ - 4РУ (рис. 3.6). Фронтові контакти останніх підключають схеми ЕЦ до органів керування місцевого пульта-табло.

Рисунок 3.6 – Схема підключення реле резервного керування

Ув'язування по кодовому керуванню вхідним (вихідними) світлофорами Н (ЧІІ, Ч3, Ч4, Ч6). Із схеми (додаток В, коло 1) видно, що коли реле резервного керування РУ знеструмлене (має місце режим кодового керування), то команда на відкриття вхідного (вихідного) світлофора здійснюється шляхом підключення плюса станційної батареї кодового керування (СПБК) через вивід МВ1-1 (МВ1-3) форми "ОФ" у схему збудження сигнального реле першого каскаду НС (ЧОС). Команда на відміну маршруту приймання здійснюється шляхом розмикання кола самоблокування реле НС (ЧОС) з допомогою виводу МВ1-2 (МВ1-4) форми "ОТ". Таким чином, в режимі кодового керування вивід форми "ОФ" виконує ту ж саму функцію, що й контакт сигнальної кнопки НК (ЧОСК), який працює на замкнення в режимі резервного керування, а вивід форми "ОТ" виконує ту ж саму функцію, що й контакт сигнальної кнопки НК (ЧОСК), який працює на розімкнення.

Ув'язування по кодовому керуванню стрілкою. У режимі кодового керування команда на перевід стрілки 3-11(рисунок 3.5) подається через виводи МВ форми «ОФ» шляхом підключення полюсу живлення СПБК до пускового кола двопровідної схеми керування стрілкою. При переводі стрілки в плюсове положення, СПБК підключається через вивід МВ1-11 - до верхнього провода, а при переводі в мінусове положення - через вивід МВ1-12 - до нижнього провода пускового кола двопровідної схеми керування стрілкою. Перевід цієї ж стрілки в режимі резервного керування (коли збуджено реле РУ) здійснюється аналогічно, але через контакти плюсової (3-11П) або мінусової (3-11М) кнопок, які розташовані на пульті резервного керування.

Ув'язування по кодовому контролю світлофорів, стрілок та колійних дільниць. Знімання контрольних сигналів стану світлофорів, стрілок та колійних дільниць здійснюється від клем індикаторних ламп, що контролюють відповідні об’єкти на пульті-табло резервного керування і передаються у МСКК з допомогою модулів введення МВВ.

Світлофори. Звісно, що сигнальний повторювач сумісного світлофора ЧІІ сигналізує горінням ламп: зеленою – при горінні будь-яких дозвільних поїзних сигналів; білою у миготливому режимі - при горінні запрошувального вогню; білою без миготіння – при відкритті світлофору для маневрових пересувань. Кодовий контроль стану сумісного світлофора ЧІІ (рис. 3.5) здійснюється шляхом підключення каналів МВВ1-1; МВВ1-2; МВВ1-3 паралельно контрольним лампам, відповідно, зеленого, білого миготливого і білого без миготіння вогнів. Аналогічно, через канали МВВ1-4 і МВВ1-5 здійснюється контроль відкритого стану сумісного світлофора Ч5, а через канал МВВ1-6 контролюється відкритий стан маневрового світлофора М5. Кодовий контроль перегоряння на цих світлофорах ламп заборонного вогню здійснюється миготливим режимом горіння відповідної дозвільної лампи, який забезпечується методом логічної обробки інформації без застосовування каналів МВВ. Кодовий контроль стану вихідного світлофора Ч (рис. 3.4) здійснюється так само, як вихідних та маневрових світлофорів, шляхом підключення каналів МВВ1-11; МВВ1-12; МВВ1-13 паралельно контрольним лампам, відповідно, червоного, зеленого, і білого вогнів. Стрілки і колійні ділянки. Знімання сигналів кодового контролю положення стрілки 3-11 (рис.3.6) здійснюється аналогічно контролю світлофорів, від клем індикаторних ламп зеленого і жовтого кольорів, що контролюють "плюсове" і "мінусове" положення цієї стрілки. "Взрізне" положення стрілки визначається при відсутності "плюсового" і "мінусового" положень шляхом логіки. Аналогічно здійснюється знімання сигналів для контролю вільного (зайнятого) стану стрілочної колійної ділянці 1СП .

Число модулів введення й виведення виконавчої станції розраховуються по формулах

SМВ О-Ф = NМВ О-Ф /24;

SМВ О-Т = NМВ О-Т /24;

SМВВ = NМВВ /24,

де SМВ О-Ф - число МВ контактної форми «О-Ф»;

SМВ О-Т - число МВ контактної форми «О-Т»;

NМВ О-Ф - загальне число виходів контактної форми «О-Ф»;

NМВ О-Т - загальне число виходів контактної форми «О-Т»;

SМВВ - число МВВ;

мNМВВ - число входів усього.

Розрахунки МВ і МВВ зведено до таблиць 3.3 і 3.4.

Таблиця 3.3 - Розрахунок модулів виведення

Тип команди керування Число команд керуван. Число виходів з вказівкою к. форми NМВ О-Ф та NМВ О-Т SМВ О-Ф та SМВ О-Т
Відкрити с/ф при завданні поїзн. маршр. Прийом 2 2 ОФ

49 ОФ

15 ОТ

3 типу ОФ 1 типу ОТ
Відправлення 2 2 ОФ
Закрити с/ф при відміні поїзн. маршр. Прийом 2 2 ОТ
Відправлення 2 2 ОТ
Відкрити с/ф при завданні маневоів Від с/ф 4 4 ОФ
За с/ф 4 4 ОФ
Закрити с/ф при відміні маневоів Від с/ф 4 4 ОТ
За с/ф 4 4 ОТ
Перевід стрілки В плюс 10 10 ОФ
В минус 10 10 ОФ
Замикання/розмикання стрілок Замикання 1 1 ОФ
Розмикання 1 1 ОФ
Високовольтна лінія Включення 2 2 ОФ
Відключення 2 2 ОФ
Режимом живлення ламп світлофорів Нормальний 1 1 ОТ
Подвійно зниж. 1 1 ОФ
Керування автодією Авто дія 2 2 ОФ
Без автодії 2 2 ОТ
Штучне розмикання поїзного маршр. Прийом 2*2 4 ОФ
Відправлення 2*2 4 ОФ

Таблиця 3.4 - Розрахунок модулів введення

об’єктів контролю Число об’єктів Число входів на об’єкт Число входів усього NМВВ та SМВВ
Ізольована ділянка 14 1 14 Входів – 70 МВВ - 3
Світлофор вхідний 2 3 6
Світлофор сполучений З запрошувальним 4 3 12
Без запрошувального 3 2 6
Світлофор маневровий 7 1 7
Стрілка 10 2 20
Високовольтна лінія 2 2 4
Несправність 1 1 1

Висновок

При виконанні курсового проекту були закріплені знання у системах залізничної автоматики. В процесі розробки проекту я шляхом модернізації,яка містить у собі модернізацію перегінних пристроїв,розробку нового колійного плану, принципову схему роботи дешифратора АБ, обладнання станції системою електричної централізації з кодовим керуванням, схеми кодового та місцевого керування світлофорами, стрілки та схеми контролю, привела пристрої ЗАТ у стан, що відповідає зростаючим експлуатаційно-технічним вимогам ділянки.

Забезпечення безпеки управління технологічним процесом завжди буде одним з найважливіших вимог до всіх управляючих систем, в тому числі і систем програмного керування.

Звісно заміна релейної системи керування на мікропроцесорні технічні засоби є найбільш перспективнішими, вони відкриває перед нами широкі можливості : скорочення технічного персоналу по обслуговуванню системи, вона менш енергоємна, можлива швидка заміна несправностей, завдяки їй робота залізниці стає більш автоматизованою.

Оценить/Добавить комментарий
Имя
Оценка
Комментарии:
Хватит париться. На сайте FAST-REFERAT.RU вам сделают любой реферат, курсовую или дипломную. Сам пользуюсь, и вам советую!
Никита08:42:32 03 ноября 2021
.
.08:42:30 03 ноября 2021
.
.08:42:29 03 ноября 2021
.
.08:42:29 03 ноября 2021
.
.08:42:25 03 ноября 2021

Смотреть все комментарии (22)
Работы, похожие на Курсовая работа: Модернізація пристроїв автоматики і телемеханіки ділянки залізниці на базі мікропроцесорних технічних засобів

Назад
Меню
Главная
Рефераты
Благодарности
Опрос
Станете ли вы заказывать работу за деньги, если не найдете ее в Интернете?

Да, в любом случае.
Да, но только в случае крайней необходимости.
Возможно, в зависимости от цены.
Нет, напишу его сам.
Нет, забью.



Результаты(290091)
Комментарии (4186)
Copyright © 2005-2021 HEKIMA.RU [email protected] реклама на сайте