Курсова робота з предмету: “Будова і експлуатація автомобілів та тракторів”. ВТК 2003
Курсова робота на тему: “Рульове керування ВАЗ-2107”.
В даній роботі розглянуто загальну будову та принцип дії рульового керування ВАЗ-2107 її ремонту та діагностики. Приведені дані з охорони навколишнього середовища, охорони праці, менеджменту та маркетингу.
Course work in a subject: “Structure and operation of automobiles and tractors ”.
Has executed: the student of group 3EA-2 Bilash L.G.
Course work theme: “System of cooling VAZ-2107”.
In the given work the general structure and principle of action of steering control of a VAZ-2107 his repair and diagnostics. It considered protection of work, management and marketing.
ПЕРЕДМОВА
1. ТЕХНІКО-ЕКОНОМІЧНЕ ОБГРУНТУВАННЯ
2. БУДОВА І ПРИНЦИП ДІЇ
3. РЕМОНТ ТА МЕТОДИ ВІДНОВЛЕННЯ ДЕТАЛЕЙ
4. ПИТАННЯ МЕНЕДЖМЕНТУ ТА МАРКЕТИНГУ
5. ОХОРОНА ПРАЦІ
6. РОЗРАХУНОК СИЛОВОГО БАЛАНСУ АВТОМОБІЛЯ
ДОДАТКИ
Повна технічна характеристика автомобіля
ВИСНОВОК
ЗМІСТ
СПИСОК ВИКОРИСТАНОЇ ЛІТЕРАТУРИ
ПЕРЕДМОВА
Автомобіль ВАЗ-2107 - восьма модель заводу, друга базова модель у сімействі автомобілів ВАЗ-2105, 2107 і їхніх модифікацій. Технічна характеристика модифікацій автомобілів ВАЗ-2107 приведена в таблиці. Компонування (розташування вузлів і агрегатів) автомобілів виконані по так називаній класичній схемі, тобто двигун розташований попереду, а ведучими є задні колеса. Двигун максимально просунуть уперед, що забезпечує оптимальний розподіл маси по осях, а отже, гарну стійкість автомобіля на дорозі. Таке розташування двигуна дозволяє мати просторий салон для пасажирів при заданій колісній базі. Салон розташований усередині бази, тобто в зоні найкращої плавності ходу, що підвищує комфортабельність автомобіля при експлуатації на дорогах з поганим покриттям. Кузов автомобіля суцільнометалевий, несущої конструкції, до якого кріпляться силовий агрегат і всі інші вузли і механізми автомобіля. У конструкції автомобілів враховані вимоги активної і пасивної безпеки. Активна безпека автомобіля -це сума факторів, що сприяють запобіганню аварії. До них відносяться: гарна стійкість і керованість, високі тягові якості, ефективне і стабільне уповільнення при гальмуванні, гарна оглядовість і комфортабельність, що забезпечують мінімальне стомлення водія. Автомобілі мають гарну комфортабельність, обумовлену легкістю і зручністю керування, формою, розмірами, розташуванням і м'якістю сидінь, що забезпечують зручну посадку водія, ефективною вентиляцією кузова, гарною оглядовістю з місця водія, малою гучністю в салоні, мінімальним впливом коливань і вібрацій кузова. Гальма автомобіля не втрачають ефективності після багаторазового гальмування з високої швидкості і забезпечують збереження заданого на правління руху при різкому гальмуванні. Наявний у системі привода задніх гальм регулятор тиску зменшує імовірність блокування задніх коліс при гальмуванні, а при виникненні блокування сприяємо її випередженню на передніх колесах, що знижує імовірність замету автомобіля. Мінімально змінюється ефективність мокрих гальм. Надійність гальмової системи забезпечується дисковими гальмами на передніх колесах і роздільному приводі, при якому головний циліндр має два поршні: один для привода в дію передніх гальм, а другий - для задніх. У цьому випадку при виході з ладу однієї системи, що залишилася, хоча і з меншою ефективністю, забезпечує гальмування автомобіля. Висока динаміка автомобілів сприяє підвищенню середніх швидкостей і полегшує маневрування.
1. ТЕХНІКО-ЕКОНОМІЧНЕ ОБГРУНТУВАННЯ
Рульове керування призначається для зміни напрямку руху автомобіля повертанням передніх керованих коліс і складається з рульового механізму та рульового привода. На вантажних автомобілях великої вантажопід’ємності в рульовому керуванні застосовують підсилювач, який полегшує керування автомобілем, зменшує поштовхи на рульове колесо й підвищує безпеку руху.
Рульовий механізм перетворює обертання рульового колеса на поступальне переміщення тяг привода, що повертає керовані колеса. При цьому зусилля, що передається водієм від рульового колеса до коліс, які повертаються, зростає в багато разів.
Рульовий привод разом із рульовим механізмом передає керуюче зусилля від водія безпосередньо до коліс і забезпечує цим поворот керованих коліс на заданий кут.
Рульові механізми в залежності від типу рульової передачі бувають:
· Черв’ячні;
· Гвинтові;
· Шестеренчаті;
У черв’ячному рульовому механізмі (з передачею типу черв’як-ролик) за ведучу ланку править черв’як, який закріплено на рульовому валу, а ролик установлено на роликовому підшипнику на одному валу із сошкою. Щоб у разі великого кута повороту черв’яка зачеплення було повним, нарізку черв’яка виконують по дузі кола – глобоїду. Такий черв’як називають глобоїдним.
У гвинтовому рульовому механізмі обертання гвинта, зв’язаного з рульовим валом, передається гайці, яка закінчується рейкою, зачепленою із зубчастим сектором. Сектор установлено на одному валу із сошкою. Такий рульовий механізм утворений рульовою передачею типу гвинт-гайка-сектор.
У шестеренчастих рульових механізмах рульова передача утворюється циліндричними або конічними шестернями. До них належить також передача типу шестірня-рейка, в якій циліндрична шестірня зв’язана з рульовим валом, а рейка, зачеплена із зуб’ями шестірні, править за поперечну тягу.
Рейкові передачі й передачі типу черв’як-ролик як такі, що забезпечують порівняно невелике передаточне число, застосовують переважно на легкових автомобілях. Для вантажних автомобілів використовують рульові передачі типу черв’як-сектор і гвинт-гайка-сектор, обладнані або вмонтованими в механізм підсилювачами, або підсилювачами, винесеними в рульовий привод.
Конструкції рульового привода різняться розташуванням важелів і тяг, з яких складається рульова трапеція, відносно передньої осі, то така конструкція рульового привода називається передньою рульовою трапецією, а якщо позаду – задньою. На конструктивне виконання й схему рульової трапеції істотно впливає конструкція підвіски передніх коліс. Коли підвіска залежна, рульовий привод має простішу конструкцію, бо складається з мінімуму деталей. Якщо передня підвіска незалежна, схема рульового привода значно ускладнюється, так як щоб допускались незалежні переміщення коліс у вертикальній площині.
2. БУДОВА І ПРИНЦИП ДІЇ
На всіх автомобілях ВАЗ встановлене однотипне рульове керування, за винятком того, що на автомобілях ВАЗ-21011, 21021, 2103 установлене кермове колесо нового оформлення.
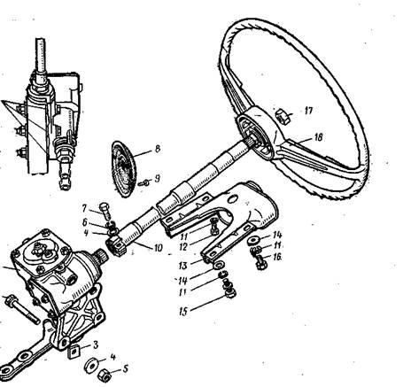
Рульове керування складається з кермового механізму і кермового приводу (див. рисунок 1) містить у собі кермове колесо 18, вал 10 рульового керування і власне кермовий механізм.

Рисунок 1 Рульовий механізм
рульове керування автомобіль
Рульове колесо — пластмасове, армоване сталевим каркасом. На колесі установлений вмикач звукового сигналу, контактні частини якого прикриті пластмасовою кришкою. Рульове колесо можна установити на вал тільки в одному визначеному положенні, тому що в шлицевом отворі маточини колеса мається одна здвоєна западина, а на валу — відповідний їй здвоєний виступ. Колесо закріплюється на валу гайкою 17.
Вал 10 рульового керування нижнім кінцем з'єднується з валом черв'яка кермового механізму також у строго визначеному положенні за допомогою шлицевого з'єднання, що має здвоєний зуб на валу черв'яка і здвоєну западину в наконечнику вала. Наконечник вала 10 має проріз і затягується на валу черв'яка болтом 7.
Верхня частина вала рульового керування обертається в пластмасовій втулці, встановленої в трубі верхньої опори вала. Ця труба вставляється в кронштейн 13 і закріплюється в ньому хомутом, що затягується болтом 12. На трубі верхньої опори встановлюється перемикач покажчиків повороту і світла фар.
Кронштейн 13 вала рульового керування кріпиться до кузова чотирма болтами, два з який (15) мають подвійну голівку, що складається з циліндричних і шестигранний, частин. Ці болти загортають до відриву шестигранної частини голівки. Кронштейн і верхня частина вала закриті пластмасовими кожухами.

Рисунок 2 Картер рульового механізма
Картер рульового механізму (див. рисунок 2) 1 прикріплений до лівої подовжньої балки кузова з внутрішньої сторони відсіку двигуна трьома болта-м-и 2. Між картером і балкою кузови встановлюються регулювальні шайби 3, підбором яких домагаються співвісності вала черв'яка кермового механізму і вала рульового керування. В картері 7 кермового механізму мається черв'як 6, що входить у зачеплення з двухгребневим роликом 14 вала сошки. Передаточне число кермового механізму — 16,4. Черв'як напресований на вал 15 і обертається в двох кулькових підшипниках, причому внутрішніми обоймами підшипників є торцеві поверхні черв'яка, на яких маються кільцеві канавки. Осьовий зазор у підшипниках черв'яка регулюється підбором прокладок 18 між картером і кришкою 19 кермового механізму. Ці прокладки поставляються в запасні частини двох розмірів: товщиною 0,1 і 0,15 мм. Вал сошки обертається в двох бронзових втулках 12, запресованих у картер кермового механізму. У шлицевом отворі сошки маються дві здвоєні западини,
а на валу — два здвоєних виступи. Тому сошку на вал можна установити тільки в одному визначеному положенні.
Положення вала сошки, що забезпечує правильне зачеплення ролика з черв'яком, регулюється гвинтом 2. Осьовий зазор між голівкою гвинта і пазом вала усувається підбором регулювальних пластин 1, що у запасні частини поставляються одинадцяти розмірів товщиною від 1,95 до 2,20 мм.
У картер кермового механізму заливається трансмісійна олія ТАД-17і. У процесі експлуатації автомобіля чи заміни олії в картер кермового механізму не потрібно.

Рисунок 3. Деталі рульового привода
Рульовий привід (див. рисунок 3) містить у собі три тяги — середню 9 і дві крайні, також сошку, маятниковий важіль 39 і поворотні важелі 13. Середня тяга 9 цільна, має на кінцях кульові шарніри для з'єднання з маятниковим важелем і кермовою сошкою. Кожна крайня тяга складається з двох наконечників з різьбленням, з'єднаних між собою регулювальними муфтами 12 і $8. Регулювальні муфти фіксуються на тягах за допомогою двох стяжних хомутів 4 і 7. Обертанням муфт 12 і 38 змінюється Довжина бічних тяг при регулюванні сходження коліс. Наконечники крайніх тяг за допомогою кульових шарнірів приєднуються до важелів 1 і 13 поворотних цапф, до маятникового важеля 39 і до кермової сошки. Кульові шарніри тяг мають сталевий палець 1 (мал. 191), сферична голівка якого знаходиться в конічному пластмасовому вкладиші 3. Пружина 4 підгортає вкладиш і створює необхідний натяг у з'єднанні пальця з вкладишем і наконечником тяги.
Кульові шарніри при зборці заповнюються змащенням ШРБ-4 і герметизируются з однієї сторони заглушкою 5, завальцованной у наконечнику тяги, а з іншого боку - гумовим захисним ковпачком 2. Чи поповнення заміни змащення при експлуатації автомобіля не потрібно.
Кронштейн 27 (див. мал. 3) маятникові важелі кріпиться двома болтами до правої подовжньої балки кузова проти кермового механізму. У кронштейні встановлені дві пластмасові втулки 26 і 33, у яких обертається вісь 24. При зборці в кронштейн закладається змащення ЛИТОЛ-24, чи Поповнення заміни її в експлуатації не потрібно.
Таблиця 1 Неполадки рульового керування та методи їх усунення
| Причина несправності |
Метод усунення |
| Збільшнений вільний хід рульового колеса |
| 1.Ослаблення болтів кріплення рульового механізму |
1.Затягніть гайки |
| 2.Ослаблення гайок шарових пальці рульових тяг |
2.Провірте і затягніть гайки |
| 3.Збільшений зазор в шарових шарнірах рульових тяг |
3.Замініть наконечники чи рульові тяги |
| 4.Збільшений зазор в підшипниках ступиць передніх коліс |
4.Відрегулюйте зазор |
| 5.Збільшений зазор в зацепленні ролика з черв’яком |
5. Відрегулюйте зазор |
| 6.Дуже великий зазор між віссю маятникового важеля і втулками |
6.Замініть втулки або кронштейн в зборі |
| 7.Збільшений зазор в підшипниках черв’яка |
7. Відрегулюйте зазор |
| Туге повертання рульового колеса |
| 1.Деформація деталей рульового приводу |
1.Замініть деформовані деталі |
| 2.Неправильна установка кутів передніх коліс |
2.Провірте кути установки коліс і відрегулюйте |
| 3.Порушений зазор в зачепленні ролика з черв’яком |
3.Відрегулюйте зазор |
| 4.Перетягнута регулювальна гайка осі маятникового важеля |
4. Відрегулюйте затягнення гайки |
| 5.Низький тиск в шинах передніх коліс |
5.Встановіть нормальний тиск |
| 6.Пошкодження деталей шарових шарнірів |
6.Провірте і замініть пошкоджені
деталі.
|
| 7.Відсутнє масло в картері рульового механізму |
7.Провірте і долийте,при необхідності замініть сальник |
| 8.Пошкоджений підшипник верхнього вала рульового управління |
8.Замініть підшипники |
| Шум /стуки/ в рульовому управлінні |
| 1.Збільшений зазор в підшипниках ступиць передніх коліс |
1.Відрегулюйте зазор |
| 2.Послаблення гайок шарових пальців рульових тяг |
2.Перевірте і затягніть гайки |
| 3.Збільшений зазор між осью маятникового важеля і втулками |
3.Замініть втулки або кронштейн в зборі |
| 4.Послаблена регулювальна гайка осі маятникового важеля |
4.Відрегулюйте затягнення гайки |
| 5.Порушений зазор в зачепленні ролика з черв’яком або в підшипниках черв’яка |
5. Відрегулюйте зазор |
| 6.Збільшений зазор в шарових шарнірах рульових тяг |
6.Замініть наконечники або рульові тяги |
| 7.Послаблення болтів кріплення рульового механізму або кронштейна маятникового важеля |
7.Перевірте і затягніть гайки болтів |
| 8.Послаблення гайок кріплення поворотних важелів |
8.Перевірте і затягніть гайки болтів |
9.Послаблення болтів кріплення
проміжного вала рульового управління
|
9.Затягніть гайки болтів |
| Самозбуджуюче кутове коливання передніх коліс |
| 1.Тиск в шинах не відповідає нормі |
1.Перевірте і установіть нормальний тиск |
| 2.Порушені кути установки передніх коліс |
2.Перевірте і відрегулюйте кути установки коліс |
| 3.Збільшений зазор в підшипниках ступиць передніх коліс |
3.Відрегулюйте зазор |
| 4.Дисбаланс коліс |
4.Відбалансуйте колеса |
| 5.Послаблення гайок шарових пальців рульових тяг |
5.Перевірте і затягніть гайки |
| 6.Послаблення болтів кріплення рульового механізму або кронштейна маятникового важеля |
6. Перевірте і затягніть гайки болтів |
| 7.Порушений зазор в зачепленні ролика з черв’яком |
7.Відрегулюйте зазор |
| Вивід автомобіля від прямолінійного руху в будь-яку сторону |
| 1.Неоднаковий тиск в шинах |
1.Перевірте і установіть нормальний тиск |
| 2.Порушені кути установки передніх коліс |
2.Перевірте і відрегулюйте кути установки коліс |
| 3.Різна осадка пружин передньої підвіски |
3.Замініть непригодні пружини |
| 4.Деформовані поворотні кулаки або важелі підвіски |
4.Перевірте кулаки і важелі, непригодні дателі замініть |
| 5.Неповне розторможення одного або декількох коліс |
5.Перевірте стан гальмівної системи |
| Нестійкість автомобіля |
| 1.Порушені кути установки передніх коліс |
1.Перевірте і відрегулюйте кути установки коліс |
| 2.Збільшений зазор в підшипниках передіх коліс |
2.Відрегулюйте зазор |
| 3.Послаблення гайок шарових пальців рульових тяг |
3.Перевірте і затягніть гайки |
| 4.Занадто збільшений зазор в шарових шарнірах рульових тяг |
4.Замініть наконечник або рульові тяги |
| 5.Послаблення болтів кріплення рульового механізма або кронштейна маятникового важеля |
5.Перевірте і затягніть гайки болтів
|
| 6.Збільшення зазору в заціпленні ролика і черв’яка |
6.Відрегулюйте зазор |
| 7.Деформовані поворотні кулаки або важелі підвіски |
7.Перевірте кулака і важелі; замініть деформовані деталі |
| Витік масла із картера |
| 1.Знос сальника вала сошки або черв’яка |
1.Замініть сальник |
| 2.Послаблення болтів, які кріплять кришки картера рульового механізма |
2.Затягніть болти |
| 3.Пошкодження ущільнюючих прокладок |
3.Замініть прокладки |
Технічне обслуговування
Після перших 4000—5000 км, а потім через кожні 10000 км пробігу автомобіля необхідно перевіряти стан гумових захисних ковпачків кульових шарнірів кермових тяг. Якщо захисні ковпачки підтримуються в гарному стані і забезпечують чистоту усередині шарнірів, то термін служби останніх практично необмежений. У випадку ж проникнення води, пилу й інших забруднювачів спостерігається передчасний знос кульових шарнірів.
Найменша несправність ковпачка може бути легко виявлена по витоку змащення з кульового шарніра. При перевірці необхідно очистити ковпачок від бруду й уважно його оглянути. Якщо на ковпачку маються тріщини, чи розриви відшарування гуми від окантовки, а також якщо він замаслений, то варто негайно замінити ковпачок новим, заклавши в нього свіже змащення.
Огляд і регулювання рульового керування. З появою неполадок у рульовому керуванні (стукоти, підвищений вільний чи хід, навпаки, туге обертання кермового колеса) варто оглянути деталі рульового керування. Огляд рекомендується проводити вдвох з напарником, що, сидячи в салоні, повертає кермове колесо.
| Артикуль |
Деталь |
Ціна, грн |
| 2103-3401092 |
Вал карданный ВАЗ-2107 рулевой |
72,82 |
| 2103-3401160Т |
Вал рулевого управления ВАЗ-2107 |
39,1 |
| 2103-3401165 |
Уплотнитель ВАЗ-2107 вала рулевого управления |
1,7 |
| 2105-3400010 |
Механизм рулевой ВАЗ-2107 |
297,84 |
| 2105-3400010С |
Механизм рулевой ВАЗ-2107 |
241,57 |
| 2105-3401060 |
Вал сошки рул.механизма |
89,25 |
| 2105-3401160 |
Вал рулевого управления |
15,3 |
| 2105-3402070 |
Орнамент рулевого колеса |
0,85 |
| 2105-3403010 |
Кронштейн ВАЗ-2105 механизма рулевого |
43,52 |
| 2105-3403070-72 |
Кожух ВАЗ-2104-07,21213 колонки рулевой компл. |
16,15 |
| 2105-3403072 |
Кожух ВАЗ-2104-07,21213 колонки рулевой нижний |
10,2 |
| 2106-3402060 |
Выключатель звукового сигнала ВАЗ-2107 |
5,95 |
| 2107-3402012 |
Колесо рулевое ВАЗ-2107 СБ (ВАЗ) |
71,4 |
Дані на 04.12.2002
Адреси підприємств на яких можливо придбати деталі:
1. “ Укравтозапчастини ” м. Вінниця вул. Мичурина 56.
2. Магазин “ Кар Мен ” м. Вінниця вул. 1 Травня 59.
3. Фірма “ВІНІНТЕР” м. Вінниця вул. 1 Травня, 60.
4. ВІННИЦЯАВТОТРАНС м. Вінниця вул. Хмельницьке шосе, 23.
5. ВІСТАС, ВКФ м. Вінниця вул. 50-річчя Перемоги 35, 3-й поверх.
6. ВТН, ПП м. Вінниця вул. 600-річчя 25.
7. ФІРМА ДРІАДА, м. Вінниця вул. Максимовича, 35.
8. ФІРМА КАПІТАН м. Вінниця вул. І. Богуна 92.
9. КОЙТАКТ ВО м. Вінниця вул. Чехова 7.
10. АВТОМАГАЗИН “ЛАДА” м. Вінниця вул. 600-річчя 36.
11. ЛОРД ПП м. Вінниця просп. Юності 14 а.
12. Авторинок “ВінАвто”.
5. ОХОРОНА ПРАЦІ
На території підприємства потрібно виконувати наступні правила:
1. Бути уважним до сигналу водіїв транспорту який рухається.
2. Не заходити за огородження.
3. Включати і виключати станки і механізми робота на яких недозволена адміністрацією.
4. Забороняється проходити під піднятою стрілою.
5. Забороняється робити з несправними інструментами
При ТО і ремонті, при постановці автомобіля на ТО чи ремонт потрібно ввімкнути стоянкові гальма, які повинні забезпечити нерухомий стан механічних транспортних засобів під кутом:
1. Легкові автомобілі та автобуси – 23%
2. Вантажні автомобілі та тягачі - 31%
3. Самохідні машини та трактори - 16%
Кожен працівник повинен дотримуватися таких правил:
1. Підтримувати робоче місце в чистоті, масло та воду зливати в спец тару.
2. При виконанні робіт при піднятому кузові потрібно поставити упор.
3. Забороняється провіряти співпадання отворів за допомогою пальця.
4. Забороняється регулювати привід вентилятора при працюючому двигуні.
5. Забороняється працювати з тріснутими чи зіпсованими ключами.
Повна технічна характеристика автомобіля

ТЕХНІЧНА ХАРАКТЕРИСТИКА АВТОМОБІЛЯВАЗ 2107
Таблиця 5.1Характеристика автомобіля
| Назва |
ВАЗ 2107 |
| Кількість місць |
5 |
| Полєзна маса, кг |
400 |
| Повна маса авто, кг |
1430 |
| Максимальна швидкість |
150 |
| Розгін до 100 км/год |
17 |
| 3 водієм і пасажиром |
19 |
| 3 повною масою |
19 |
| Гальмівний шлях |
43,2 |
| Двигун |
| Модель |
2103 |
| Тип |
Чотирьохтактний, бензиновий, карбюраторний, чотирьохциліндровий |
| Діаметр циліндра і хід поршня |
76* 80 |
| Робочий об'єм |
1,452 |
| Степінь стиснення |
8,5 |
| Номінальна сила (л.с.) |
71,4 |
| По DIN 70020 |
54,4 |
| Частота колінчастого вала |
| Максимальна крутячий момент колінчастого вала |
| Порядок роботи циліндрів |
1-3-4-2 |
| Трансмісія |
| Зчеплення |
Однодискове, сухе з центральною нажимною пружиною |
| Корбка передач |
Механічна, трьохходова, чотирьох,або п'яти ступінчата з синхронизаторами на всіх передачах переднього ходу |
| Передаточні числа: |
| Перша передача |
3,67 |
| Друга передача |
2,10 |
| Третя передача |
1,36 |
| Четверта пердача |
1,00 |
| П'ята передача |
3,53 |
| Карданна передача |
Два вала з проміжковою еластичною опорою, зєднується з валом передач еластичною муфтою. |
| Головна передача |
Конічна, гіпоїдна |
| Передаточне чило |
3,9 або 4,1 |
| Передня підвіска |
Незалежна,на поперечних важелях,з циліндричними пружинами |
| Задня підвіска |
Зависима, жорстка балка, звязана з кузовом одною поперечною і чотирма штангами |
| Колеса |
Дискові штамповані |
| Шини |
| Рульове керування |
| Рульове керування |
Травмобезпечне, з проміжковим карданним валом |
| Редуктор рульового керування |
3 червяком і двух гребневим роликом на шарових підшипниках |
| Рулевий привід |
Складається з одної середньої і двох бокових симетричних тяг, сошки, поворотних важелів |
| Робочі гальма: |
| передні |
Дискові |
| задні |
барабанні |
| Привід робочих гальм |
| Стоянкові гальма |
Ручні,з тросовим приводом на колодки задніх гальм |
| Електрообладнання |
| Система електропроводки |
Однопроводна, від'ємний полюс струму з'єднаний з масою.Номінальна напруга 12В |
| Акумуляторна батерея |
Г222 або 37.3701 перемінного струму з встроєним випрямником і регулятором напруги. Струм віддачі 45А при частоті крутіння 5000 мин |
| Стартер |
СТ 221 з електротяговим реле і |
| муфтою вільного ходу, силою 1,3 кВт |
| Свічки запалення |
А 17ДВР, А17ЛВРМ, FЕ 65СRР, А 17ДВ-10 з різьбою М 14 * 1,25 |
| Кузов |
| Модель |
2107 |
| Тип |
Седан, цільнометалевий, несущий, чотирьохдверний |
В даній курсовій роботі я використовуючи матеріал з різних джерел описав будову і принцип дії рульового керування ВАЗ-2107, навів дані з охорони праці і навколишнього середовища, технічного обслуговування системи охолодження, її неполадки та методи їх усунення. Також розрахував силовий баланс автомобіля і навів повну технічну характеристику даного автомобіля.
СПИСОК ВИКОРИСТАНОЇ ЛІТЕРАТУРИ
1 С.К. Шестопалов, К.С. Шестопалов Легковые автомобили. М.: ДОСААФ, 1984. 208 с.
2 Вахламов В.К. Автомобили ВАЗ: Учеб. пособие для учащихся ПТУ. – М.: Транспорт, 1991. – 193 с. : ил.
3 Кисликов В.Ф., Лущик В.В. Будова й експлуатація автомобілів: Підручник. – К.: Либідь, 2000. – 400 с.
4 Іванов В.Н. “Автотехобслуговування”
5 Пустовалов Б.І. “Перегляд по автомобілям”
6 Вишняков Н.Н. “ВАЗ-2107”
|