| Введение
Современная теория автоматического регулирования является основной частью теории управления. Система автоматического регулирования состоит из регулируемого объекта и элементов управления, которые воздействуют на объект при изменении одной или нескольких регулируемых переменных. Под влиянием входных сигналов (управления или возмущения), изменяются регулируемые переменные. Цель же регулирования заключается в формировании таких законов, при которых выходные регулируемые переменные мало отличались бы от требуемых значений. Решение данной задачи во многих случаях осложняется наличием случайных возмущений (помех). При этом необходимо выбирать такой закон регулирования, при котором сигналы управления проходили бы через систему с малыми искажениями, а сигналы шума практически не пропускались.
Теория автоматического регулирования прошла значительный путь своего развития. На начальном этапе были созданы методы анализа устойчивости, качества и точности регулирования непрерывных линейных систем. Затем получили развитие методы анализа дискретных и дискретно-непрерывных систем. Можно отметить, что способы расчета непрерывных систем базируются на частотных методах, а расчета дискретных и дискретно-непрерывных — на методах z-преобразования.
В настоящее время развиваются методы анализа нелинейных систем автоматического регулирования. Нарушение принципа суперпозиции в нелинейных системах, наличие целого ряда чередующихся (в зависимости от воздействия) режимов устойчивого, неустойчивого движений и автоколебаний затрудняют их анализ. Еще с большими трудностями встречается проектировщик при расчете экстремальных и самонастраивающихся систем регулирования.
1. Импульсные системы авторегулирования. Влияние дискретизации по времени на процессы в САР
Если в системе автоматического регулирования рассогласование y(t) – xз
(t) измеряется не непрерывно, а в течение конечных интервалов времени, следующих с некоторыми промежутками, то такие системы называются системами прерывистого регулирования или импульсными системами. Информация о величине рассогласования в таких системах передается с помощью импульсной модуляции (АИМ, ВИМ или ШИМ).
В импульсной системе выделяют импульсный элемент (ИЭ) и непрерывную часть (НЧ), как показано на рис. 1.

Рис. 1
Импульсный элемент осуществляет импульсную модуляцию, а все устройства аналоговой обработки процессов объединены в непрерывную часть. Рассмотрим системы с амплитудно-импульсной модуляцией. Различают АИМ первого и второго рода (см. рис. 2).

Рис. 2
Амплитудно-импульсный модулятор первого рода можно представить в виде ключа, периодически замыкающегося на время t. Системы авторегулирования с таким модулятором называют системами с конечным временем съема данных. За время импульса система работает как непрерывная, а в течение паузы она становится разомкнутой и регулирование происходит по законам экстраполяции, задаваемым передаточной функцией разомкнутой системы. В простейшем случае, когда непрерывная часть представляет собой интегратор, управляющее напряжение в течение паузы остается постоянным. Если помимо интегратора в непрерывную часть входят другие звенья, например инерционное, то в течение паузы напряжение будет изменяться, и это изменение может оказаться настолько большим, что система станет неустойчивой, хотя исходная непрерывная система устойчива.
Системы с конечным временем съема данных могут использоваться для периодической подстройки радиоустройств под нужные параметры. В этом случае за длительность импульса t процесс регулирования заканчивается. Если же длительность импульса мала по сравнению с временем регулирования в непрерывной системе, то процесс регулирования растягивается. Длительность этого процесса будет тем больше, чем меньше отношение t/T, где Т – интервал дискретизации.
В системах с АИМ-II измерение рассогласования и процесс регулирования разделены, то есть изменение рассогласования за время длительности импульса не сказывается на результате измерения. Напряжение на выходе импульсного элемента представляет собой последовательность импульсов формы S(t), следующих с периодом Т и промодулированных по амплитуде входным процессом U(t):
.
Импульс S(t) можно представить как реакцию линейного устройства, которое называют формирующим фильтром (ФФ), на d-импульс. Передаточная функция формирующего фильтра:
.
Тогда модель импульсной системы преобразуется к виду, представленному на рис. 3.Формирующий фильтр ФФ и непрерывная часть НЧ объединяются в приведенную непрерывную часть ПНЧ.

Рис. 3
В этой модели существует два типа сигналов: непрерывные – x(t), U(t), y(t) и импульсный:
,
представляющий собой последовательность d-функций, промодулированных по площади сигналом U(t). Оба типа сигналов можно описать решетчатыми функциями: несмещенной - для импульсного процесса и смещенной – для непрерывных процессов.
импульс система регулирование

Рис. 4
Тогда импульсная модель системы преобразуется в дискретную модель, показанную на рис. 4. На рис. 5 показано, как непрерывная функция y(t) заменяется смещенной решетчатой функцией y[nT,eT]. Здесь n определяет значение функции в момент дискретизации nT, а e, принимающая непрерывные значения от 0 до 1, - значения функции в интервале от nT до (n + 1)T.

Рис. 5
В дискретной модели процессы нормированы по времени, то есть являются функциями относительного времени = t/T. Дискретная передаточная функция приведенной непрерывной части Кпнч
(z,e) равна отношению дискретных преобразований Лапласа (в форме Z-преобразования) выходного y[n,e] и входного u*
[n] процессов. Ее можно найти по обычной передаточной функции Кпнч
(р), пользуясь расширенными таблицами Z-преобразования. Обычно считают, что выходной процесс ключа, осуществляющего временную дискретизацию, равен входному процессу, взятому в моменты времени, предшествующие моменту дискретизации. Для непрерывного процесса значения справа и слева от момента дискретизации равны и U[n,0] = U[n,-0] = U[n]. Поскольку из-за принятых допущений часто нельзя сказать, будет ли выходной процесс непрерывным или может измениться скачком в момент дискретизации, то лучше всегда брать значение процесса слева от момента дискретизации. Поэтому значение выходного процесса в момент дискретизации равно (см. рис.5): y[n] = y[n,-0] = y[n-1,1]. Так как Z-преобразование такого процесса Z{y[n – 1,1]} = z-1
Y(z,1), то это отразится в записи знаменателя передаточной функции замкнутой системы:
.
Переходная характеристика системы может быть найдена по ее изображению, равному произведению изображения единичного скачка на передаточную функцию замкнутой системы:
.
Рассмотрим в качестве примера систему, импульсный элемент которой формирует прямоугольные импульсы длительностью t, а непрерывная часть представляет собой интегратор с передаточной функцией К(р) = К/р. Так как прямоугольный импульс единичной амплитуды можно представить как разность единичных скачков 1(t) и 1(t - t), то

и
.
Числитель передаточной функции является иррациональным. В передаточной функции замкнутой системы иррациональным будет и знаменатель Анализ системы с такой передаточной функцией затруднителен, поэтому избавимся от иррациональности. Если допустить, что t мало и рt << 1, то e-
p
t
» 1 - pt, и тогда Кфф
(р) = [1 – (1 - pt)] / p = t. Физически это означает замену прямоугольного импульса единичной амплитуды с длительностью t d-импульсом с площадью t. Это приведет к изменению процесса на выходе ПНЧ (рис.6). Из-за принятой замены будет неправильно описываться процесс в интервале от 0 до t, но правильно – в интервале от t до Т. Отметим также, что эта замена привела к появлению скачков в процессе в моменты дискретизации.

Рис. 6
Таким образом, если пренебречь неточностью описания процессов в течение длительности импульса, то можно принять Кпнч
(р) = Кt/p. Перейдем к нормированному времени = t/T. В соответствии со свойством преобразования Лапласа (изменение временного масштаба):
.
По таблицам Z-преобразования:
.
Дискретная передаточная функция замкнутой системы:
.
Для устойчивости дискретной системы требуется, чтобы корни характеристического уравнения (полюсы передаточной функции) находились внутри окружности единичного радиуса. Корень z = 1 - Kt. Система устойчива, если |1 - Кt| < 1, откуда 0 < Kt < 2.
Изображение переходной характеристики:
.
По таблицам Z-преобразования:
h[n,e] = 1 – (1 - Kt)n
+ 1
.
Переходная характеристика h[n,e] будет монотонной при 0 < Kt < 1 и колебательной при 1 < Kt < 2. Так как h[n,e] не зависит от e, то в интервале между моментами квантования переходная характеристика остается постоянной. На рис. 7,а приведена переходная характеристика для Кt = 0,5. При точном учете характера процесса в течение длительности импульса t переходная характеристика была бы такой, как показано на рис. 7,б. Значения этих переходных характеристик слева от момента дискретизации совпадают:
h[n] = 1 – (1 - Kt)n
(19)
Эти значения на переходных характеристиках отмечены точками.

Рис. 7
Если вместе с задающим воздействием поступает и возмущающее воздействие, представляющее собой стационарный случайный процесс, то регулирование будет происходить со случайной ошибкой. Отношение дисперсии ошибки s2
ош
к дисперсии возмущающего воздействия s2
воз
при условии, что значения возмущающего воздействия, отстоящие на интервал дискретизации, некоррелированы, определяется выражением:
,
где g[n] – импульсная характеристика замкнутой системы.
Так как импульсная характеристика является первой разностью переходной характеристики, то
g[n] = h[n+1] – h[n] = 1 – (1 - Kt)n+1
– 1 + (1 - Kt)n
= Kt(1 - Kt)n
.
Тогда:
.
По формуле для суммы членов геометрической прогрессии:
. (20)
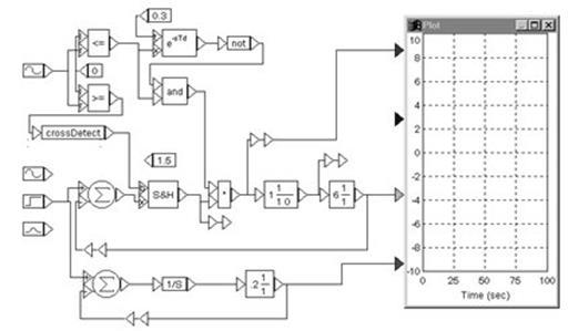
Исследование импульсной системы проводится на модели, представленной на рис. 8.

Рис. 8
В верхней части модели собрана вспомогательная схема, формирующая очень короткие импульсы, которые с выхода блока CrossDetect подаются на схему Semple-Holde (S&H – слежение – запоминание), и импульсы длительностью t, которые подаются на импульсный модулятор. Длительность этих импульсов равна времени задержки блока задержки. Для сравнения процессов в импульсной и непрерывной системах собрана модель непрерывной системы с одним интегратором.
Импульсная модуляция производится блоком перемножения, на один из входов которого подается модулируемый процесс, а на второй – импульс единичной амплитуды. Для задания типа АИМ используется блок S&H. Выходной процесс этого блока совпадает с входным при управляющем сигнале <1, а при управляющем сигнале ³1 остается постоянным и равным значению входного процесса в момент подачи этого сигнала. При подаче на управляющий вход коротких импульсов с блока CrossDetect блок S&H осуществляет операцию «выборка-хранение».
2. Цифровые системы авторегулирования. Влияние квантования по уровню на процессы в САР
В цифровых САР обработка информации производится в цифровой форме. Как правило, цифровые САР содержат и аналоговые устройства – объекты регулирования (ОР) - генераторы, двигатели и др., измерительные устройства (ИзмУ) - дискриминаторы. Структура такой системы приведена на рис. 9.

Рис. 9
Все вычисления производятся цифровым управляющим устройством ЦУУ. АЦП и ЦАП могут быть как самостоятельными устройствами, так и частью измерительного устройства (цифровые дискриминаторы) или объекта регулирования (ОР с цифровым управлением). Операции аналого-цифрового и цифро-аналогового преобразования являются нелинейными. В АЦП производится замена процесса, который может принимать любые значения, процессом, принимающим конечное число значений, а в ЦАП производится округление числа, так как разрядность ЦУУ, как правило, больше разрядности ЦАП.
Преобразование непрерывной величины в квантованную с наименьшей ошибкой осуществляется в устройствах квантования с двумя типами характеристик. Первая характеристика (рис. 10,а) имеет в окрестности нуля зону нечувствительности, а вторая (рис. 10,б) – релейную характеристику. Для обеих характеристик отклонение квантуемого процесса от квантованного не превышает половины шага квантования h. Характеристика стандартного АЦП приведена на рис. 10,в. Для нее максимальное отклонение входного и выходного процессов равно шагу квантования. Стандартный АЦП описывается уравнением: V = hE{U/h}. Здесь Е{a} означает целую часть числа a. Причем под целой частью следует понимать ближайшее целое число, меньшее a. Например, Е{0,2} = 0, а Е{-0,2} = -1. Заметим, что для формирования характеристики рис. 10,а нужно к входному процессу стандартного АЦП добавить h/2, а для формирования характеристики рис. 10,б – добавить h/2 к выходному процессу.

Рис. 10
Для исследования влияния квантования по уровню на процессы в системе авторегулирования обратимся к простейшей модели цифровой системы (рис. 11).

Рис. 11
В цепи обратной связи введена задержка на интервал дискретизации, так как вычисленное в данном интервале значение выходного процесса используется для регулирования только в следующем интервале. Элементы модели цифровой системы описываются следующими уравнениями:
вычитающее устройство:
u[n] = x[n] – y[n – 1], (21)
квантователь с характеристикой рис. 10,а:
v[n] = hE{u[n]/h + 0,5}, (22)
квантователь с характеристикой рис. 10,б:
v[n] = h(E{u[n]/h} + 0,5) (23)
и интегратор:
y[n] = y[n – 1] + Kv[n]. (24)
Найдем переходную характеристику системы, решая эти уравнения методом шагов для x[n] = 1[n] при нулевых начальных условиях. Примем следующие значения параметров: h = 0,5 и К = 0,4. Система с квантователем, имеющим зону нечувствительности, описывается уравнениями: (21), (22), (24). Решение запишем в виде таблицы.
| n
|
Нач.усл
|
0
|
1
|
2
|
3
|
4
|
| x[n]
|
0
|
1
|
1
|
1
|
1
|
1
|
| u[n]
|
0
|
1
|
0,6
|
0,4
|
0,2
|
0,2
|
| v[n]
|
0
|
1
|
0,5
|
0,5
|
0
|
0
|
| y[n]
|
0
|
0,4
|
0,6
|
0,8
|
0,8
|
0,8
|
Так как начальные условия нулевые, то при n = -1 все процессы равны нулю. Заполняем строку x[n] = 1 при п ³ 0. По уравнению (21) находим: u[0] = x[0] – y[-1] = 1. По уравнению (22): v[0] = 0,5E{u[0]/0,5 + + 0,5} = 0,5E{1/0,5 + 0,5} = 1. По уравнению (24): y[0] = y[-1] + 0,4v[0] = = 0,4*1 = 0,4. Далее по уравнению (21) находим u[1] и т.д.
Аналогично находим переходную характеристику системы с квантователем, имеющим релейную характеристику в окрестности нуля. Результаты расчета тоже представлены в таблице.
| n
|
Нач.усл.
|
0
|
1
|
2
|
3
|
4
|
5
|
6
|
| x[n]
|
0
|
1
|
1
|
1
|
1
|
1
|
1
|
1
|
| u[n]
|
0
|
1
|
0,5
|
0,2
|
0,1
|
0
|
-0,1
|
0
|
| v[n]
|
0
|
1,25
|
0,75
|
0,25
|
0,25
|
0,25
|
-0,25
|
0,25
|
| y[n]
|
0
|
0,5
|
0,8
|
0,9
|
1,0
|
1,1
|
1,0
|
1,1
|
На рис.12 показаны эти переходные характеристики. Там же для сравнения изображена переходная характеристика для дискретной системы, не содержащей квантователя, которая рассчитана по формуле h[n] = 1 – (1 – K)n
+ 1
, полученной в предыдущей лабораторной работе. Видим, что в дискретной системе ошибка в установившемся режиме стремится к нулю. В цифровой системе она принципиально не может быть равной нулю и будет либо постоянной, либо знакопеременной. Зона нечувствительности в характеристике квантователя приводит к появлению постоянной ошибки, а релейная зависимость – к появлению периодических колебаний в установившемся режиме. Величина этих ошибок не превышает половины шага квантования.

Рис. 12
Такие же ошибки возникают и при любых других воздействиях. В данной лабораторной работе на модели исследуются процессы в системе при линейно изменяющемся воздействии. В принципе, эти процессы тоже можно рассчитать методом шагов. Мы не будем этого делать и найдем только скоростную ошибку в дискретной системе, чтобы в дальнейшем сравнивать с ней величину шага квантования. Передаточная функция разомкнутой системы:
Кр
(z) = =Kинт
(z)z-1
.
Тогда
.
Коэффициенты ошибок:
S0
= = Kош
(z = 1) = 0 и .
Скоростная ошибка dск
= Dx/K, где Dx – разность входного процесса, то есть приращение входного процесса за интервал дискретизации.
Отмеченная разница в переходных характеристиках существенна только при большом шаге квантования. При уменьшении шага квантования переходные характеристики сближаются. К тому же характеристика квантователя может перемещаться по обеим осям из-за помех, возникающих до и после квантователя.

Рис. 13
При малом шаге квантования и произвольном входном воздействии эти режимы могут переходить друг в друга и разница в процессах при различных характеристиках квантователя становится мало ощутимой. В выходном процессе будет присутствовать случайная составляющая, обусловленная процессом квантования. Как уже отмечалось, квантование по уровню является нелинейной операцией. Выходной процесс квантователя uкв
[n], как видно из рис. 13, можно представить в виде суммы квантуемого процесса u[n] и так называемого шума квантования hкв
[n], а сам квантователь – в виде параллельного соединения линейного устройства с коэффициентом передачи, равным 1 и нелинейного устройства с характеристикой hкв
=F(u) (см. рис. 14). Эту характеристику можно получить как разность значений выходного и входного процессов квантователя (рис. 15).

Рис. 14
Когда шаг квантования мал по сравнению с квантуемым процессом, шум квантования приобретает случайный характер и практически теряет связь с видом квантуемого процесса, поэтому его считают стационарным случайным процессом, равномерно распределенным в интервале (-h/2,h/2). Дисперсия этого шума:
.
Более того, значения шума квантования, отстоящие друг от друга на интервал дискретизации, слабо коррелированы, и его считают белым. Тогда ошибку, вызванную шумом квантования, можно рассчитать по импульсной характеристике gз
[n]:

или по частотной характеристике замкнутой системы:

либо
,
где , ,
l - абсолютная псевдочастота.
Рассчитанное по любой из этих формул значение дисперсии:
. (25)
Исследование системы проводится на модели, изображенной на рис.16. За основу принята импульсная модель с АИМ-II, исследованная в лабораторной работе № 7, в которую введен квантователь по уровню импульсного сигнала рассогласования. Характеристика квантователя задается значением процессов, подаваемых на сумматоры S1
(до квантователя) и S2
(после квантователя). Если выход источника постоянного воздействия, равного h/2, подсоединен к входу S1
, то реализуется характеристика, изображенная на рис. 10,а, если – к входу S2
, то реализуется характеристика, изображенная на рис. 10,б. Если входы обоих сумматоров свободны, то реализуется характеристика, изображенная на рис. 10,в. Заданный для цифровой системы коэффициент передачи К равен произведению коэффициента передачи интегратора Кинт
на длительность импульса t. Для используемой модели t = 0,1 с, поэтому Кинт
= К/t = 10К. Интервал дискретизации Т = 1 с.

Рис. 16
Заключение
Формирование систем автоматического регулирования, как правило, выполняют на основе аналитических методов анализа или синтеза. На этом этапе проектирования систем регулирования на основе принятые допущений составляют математическую модель системы и выбирают предварительную ее структуру. В зависимости от типа модели (линейная или нелинейная) выбирают метод расчета для определения параметров, обеспечивающих заданные показатели устойчивости, точности и качества. После этого уточняют математическую модель и с использованием средств математического моделирования определяют динамические процессы в системе. При действии различных входных сигналов снимают частотные характеристики и сравнивают с расчетными. Затем окончательно устанавливают запасы устойчивости системы по фазе и модулю и находят основные показатели качества.
Далее, задавая на модель типовые управляющие воздействия; снимают характеристики точности. На основании математического моделирования составляют технические требования на аппаратуру системы. Из изготовленной аппаратуры собирают регулятор и передают его на полунатурное моделирование, при котором объект регулирования набирают в виде математической модели.
Развитие теории автоматического регулирования на основе уравнений состояния и z-преобразований, принципа максимума и метода динамического программирования совершенствует методику проектирования систем регулирования и позволяет создавать высокоэффективные автоматические системы для самых различных отраслей народного хозяйства. Полученные таким образом системы автоматического регулирования обеспечивают высокое качество выпускаемой продукции, снижают ее себестоимость и увеличивают производительность труда.
Список литературы
1. Коновалов Г.Ф. Радиоавтоматика: Учебник для вузов. М.: Радиотехника, 2003. 288 с.
2. Первачев С.В. Радиоавтоматика: Учебник для вузов. М.: Радио и связь, 1982. 296 с.
3. Радиоавтоматика: Учебное пособие / Под ред. В.А. Бесекерского. М.: Высшая школа, 1985.271 с.
4. Системы радиоавтоматики и их модели: Учеб. пособие / Ю.Н.Гришаев; Рязан. радиотехн. институт. Рязань, 1977. 46 с.
5. Шахгильдян В.В., Ляховкин А.А. Системы фазовой автоподстройки частоты. М.: Связь, 1972.448 с.
6. Синтез частотных характеристик линейных систем автоматического регулирования: Метод. указания / Рязан. гос. Радиотехн. акад.; Сост. Ю.Н.Гришаев. Рязань, 2000. 12 с.
|