| Державний комітет зв‘язку та інформації України
Міністерство освіти України
Державній університет
інформаційно–телекомунікаційних технологій
Кафедра теоретичних основ електротехніки
КУРСОВИЙ ПРОЕКТ
на тему:
«Аналіз перехідних процесів в лінійному електричному колі»
Виконав студент: групи ІМЗ-34Б Денисенко О.М.
Перевірив викладач: Твердохліб Микола Григорович
Київ
2009
Зміст
Вступ
Завдання на курсовий проект
Завдання 1
Завдання 2
Завдання 3
Список використаної літератури
Вступ
Метою виконання курсового проекту є засвоєння методів аналізу перехідних процесів шляхом розв‘язку задач по визначенню реакції лінійного електричного кола на підключення джерела живлення або дію періодичного сигналу.
В своєму курсовому проекті я розглянув випадок підключення кола з реактивним елементом до джерела живлення. Послідовно знайдені реакції лінійного кола, при розриві та короткому замкненні кола на місці реактивного елемента.
Досліджена поведінка кола при дії на вході періодичного прямокутного сигналу. Побудовані АЧХ та ФЧХ для вхідної напруги, передачі напруги в колі та напруги на опорі навантаження.
Завдання на курсовий проект
Тип реактивного елементу – індуктивність
Досліджувана схема – 5
Двополюсник, який включається в реактивний елемент – 1
Номер двополюсника, що підключається до клем 1 і 2 – 5
Таблиця 1: номінали елеметів
| №
|
Е, В
|
Um, мВ
|
τi, мс
|
T, мс
|
t0, мс
|
L, Гн
|
R2, кОм
|
R, кОм
|
| 9
|
0,5
|
0,2
|
2,75
|
11
|
2,75
|
0,1
|
0,1
|
0,3
|
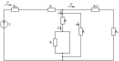
Досліджувана схема:

Завдання 1
Визначити класичним методом реакцію uR2
(t) на підключення джерела живлення. Побудувати графік функції, провести аналіз, визначити тривалість перехідного процесу.

Система диференційних рівнянь після комутаційного кола, через індуктивність отримую шляхом очевидних перетворень системи рівнянь, складених в відповідності з законами Кірхгофа:
(1)
З отриманої системі рівняння, методом математичних перетворень, знайдемо струми, що протікають у вітках кола:
(2)
(3)
(4)
(5)
Підставивши значення R i L в рівняння 3 і 5 маємо:



Знайдені струми підставимо в трете рівняння першої системи рівняннь:


Запишемо характеристичне рівняння, яке відповідає однорідному (коли права частина рівня нулю) диференційному рівнянню після комутаційного кола, та знайдемо його корінь р.
Число коренів визначається порядком кола, а значить і порядком диференційного рівняння. У моєму випадку диференційне рівняння має перший порядок:

Корінь характеристичного рівняння:

Відповідно з сутністю класичного методу аналізу процесів, запишемо вираз для шуканої величини у вигляді:
(6)
та знайдемо його складові.
Визначимо величину шуканої функції в момент комутації, тобто коли t = 0 на L-розриві:

(7)
(8)
(9)

Підставивши (9) в (8), а потім (8) в (7) маємо:
(В)
Визначимо примушену складову, аналізуючи процеси в колі в режимі, що встановлюється по закінченні перехідного процесу на L - коротке замикання:

(10)
Знайдемо струм і1
по формулі (8) з перерахунком еквівалентного опору кола:
(11)


Підставивши (11) в (8) і (8) в (10) маємо:

(В)
Знайдемо сталу інтегрування:

Запишемо остаточний вираз для шуканої величини:

Визначимо сталу часу:
(12)
Тривалість перехідного процесу в заданому колі складає приблизно:

Графік залежності Uвих
(t) має вигляд:

Проміжний висновок.
Як видно с графіка залежності напруги на опорі навантаження від часу, напруга при включенні живлення стабілізується не одразу, а поступово. Процес поступового спаду напруги викликаний наявністю в колі реактивного елементу – котушки індуктивності, яка починає чинити супротив струму не одразу, а поступово на протязі перехідного процесу.
Завдання 2
Визначити операторним методом реакцію кола URн
(t) на підключення джерела живлення. Побудувати графік функції URн
(t), провести аналіз. Порівняти отримані результати з результатами отриманими в завданні №1.
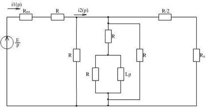
Складемо операторну схему заміщення після комутаційного кола: електричні величини (напруги і струми) замінимо на їх зображення по Лаплас, пасивні елементи - операторними опорами (при нульових початкових умовах внутрішні джерела енергії відсутні).

Підключення до кола джерела Е відповідає дії на вході кола ступінчатої функції Е*1(t), операторне зображення якої, має вигляд .
Напругу на виході UR2
(p) визначимо за формулою (13):
(13)
де:
, (14)
, (15)
. (16)
Підставивши (16) в (14), а потім (14) і (15) в (13) маємо:





Для переходу від операторного зображення кола до оригіналу, встановимо , для цього необхідно скористатися формулами переходу: ; .
Маємо:

Проміжний висновок.
Як видно з розрахунків, реакція кола URн
(t) на підключення джерела живлення однакова при визначенні її як класичним так і операторним методами.
Завдання 3
Розрахувати спектральним методом і побудувати амплітудно-частотний та фазочастотний спектри вихідного сигналу URн
(t), якщо на вході кола діє періодична послідовність прямокутних імпульсів напруги з такими параметрами:
| Um, мВ
|
τi, мс
|
T, мс
|
t0, мс
|
| 0,2
|
2,75
|
11
|
2,75
|
Спочатку розрахуємо значення постійної складової та амплітуд і початкових фаз гармонічних складових сигналу на вході.
Розрахуємо скважність q, та максимальній номер гармоніки nmax
, а також частоти першої і наступних гармонік:

Частота гармоніки розраховується за формулою:
(17)
де n – номер гармоніки.
Таблиця 2: частоти гармонік
| n
|
ω, 1/с
|
| 1
|
571,182
|
| 2
|
1142,364
|
| 3
|
1713,545
|
| 4
|
2284,727
|
| 5
|
2855,909
|
| 6
|
3427,091
|
| 7
|
3998,273
|
| 8
|
4569,455
|
| 9
|
5140,636
|
| 10
|
5711,818
|
| 11
|
6283,000
|
| 12
|
6854,182
|
Постійна складова розраховується за формулою:
(В)
Розрахуємо амплітуди першої і подальших гармонік:
(18)
Таблиця 3: амплітуди гармонік
| n
|
Un, мВ
|
| 1
|
90,032
|
| 2
|
63,663
|
| 3
|
30,013
|
| 4
|
0
|
| 5
|
18,004
|
| 6
|
21,221
|
| 7
|
12,864
|
| 8
|
0
|
| 9
|
10,002
|
| 10
|
12,732
|
| 11
|
8,187
|
| 12
|
0
|
Початкові фази гармонік розраховуємо за формулами:
(19)
Таблиця 4: початкові фази гармонік
| n
|
Ψ, рад
|
| 1
|
1,571
|
| 2
|
3,142
|
| 3
|
4,712
|
| 4
|
0
|
| 5
|
7,854
|
| 6
|
9,425
|
| 7
|
10,995
|
| 8
|
0
|
| 9
|
14,137
|
| 10
|
15,708
|
| 11
|
17,278
|
| 12
|
0
|
За результатами отриманими з розрахунків, будуємо амплітудно-частотний та фазочастотний спектри сигналу на вході кола.

Фазочастотний спектр вхідного сигналу.

Амплітудно-частотній спектр вхідного сигналу.
Розрахуємо амплітудно-частотну та фазочастотну характеристики кола. В відповідності з визначення комплексного коефіцієнта передачі напруги маємо:
(20)
де:
(21)
(22)
(23)
Підставивши (22) в (21), а (21) і (23) в (20) маємо:


Перехід до показникової форми комплексного числа:
(24)
Отже, за (24) з (20) маємо:

Розрахуємо коефіцієнти передачі напруги для різних гармонік:

Таблиця 5: коефіцієнти передачі напруги
| n
|
Ku x103
|
| 0
|
192,5
|
| 1
|
193,06
|
| 2
|
193,75
|
| 3
|
193,93
|
| 4
|
194,42
|
| 5
|
195,13
|
| 6
|
195,93
|
| 7
|
196,73
|
| 8
|
197,46
|
| 9
|
198,1
|
| 10
|
198,56
|
| 11
|
199,15
|
| 12
|
199,55
|
Розрахуємо фазі для різних гармонік:

Таблиця 6: початкові фази
| n
|
Ф
|
| 0
|
0
|
| 1
|
0,013
|
| 2
|
0,024
|
| 3
|
0,032
|
| 4
|
0,038
|
| 5
|
0,042
|
| 6
|
0,043
|
| 7
|
0,043
|
| 8
|
0,043
|
| 9
|
0,043
|
| 10
|
0,042
|
| 11
|
0,041
|
| 12
|
0,04
|

Амплітудно-частотна характеристика кола.

Фазочастотна характеристика кола.
Тепер необхідно розрахувати амплітудно-частотний та фазо-частотний спектр сигналу на виході (на опорі навантаження).
Амплітудно-частотний спектр розраховуємо за формулою:
(25)
Таблиця 7: напруга на опорі навантаження
| n
|
Uвих, мВ
|
| 1
|
17,382
|
| 2
|
12,335
|
| 3
|
5,820
|
| 4
|
0
|
| 5
|
3,513
|
| 6
|
4,158
|
| 7
|
2,531
|
| 8
|
0
|
| 9
|
1,981
|
| 10
|
2,528
|
| 11
|
1,630
|
| 12
|
0
|
Фазочастотний спектр розраховуємо за формулою:
(26)
Таблиця 8: фаза на опорі навантаження
| n
|
Ψвих n
|
| 1
|
1,602
|
| 2
|
3,205
|
| 3
|
4,806
|
| 4
|
0
|
| 5
|
8,011
|
| 6
|
9,614
|
| 7
|
11,215
|
| 8
|
0
|
| 9
|
14,420
|
| 10
|
16,022
|
| 11
|
17,624
|
| 12
|
0
|

Амплітудно-частотна характеристика сигналу на опорі навантаження

Фазочастотна характеристика сигналу на опорі навантаження
Висновок
електричне коло лінійний амплітуда
Як видно з наведених графіків амплітуда, частота та фаза струму на вході і на опорі навантаження суттєво відрізняється, це спричинено частотними властивостями кола, тобто наявністю реактивного елемента, ввімкнутого паралельно опору навантаження.
Список використаної літератури
1. «Загальна електротехніка: теорія і практика», Б.І.Паначеіний, Київ, «Каравела» 2003, с.438.
2. «Общая электротехника с основами электроники.», Иванов П.М., «Высшая школа» 1988, с.752.
3. «Теоретические основы электротехники. Курс лекций»,
4. Прянишников В.А., «КОРОНА принт» 2000, с.368.
5. Конспект з предмету «Електронні приладі та підсилювачі» 3 курс.
6. Інтернет ресурс http://radioamator.ru/
|