ТЕМА
Електромагнітні впливи в лініях передачі
1 Проблема електромагнітної сумісності у ЛП. Джерела електромагнітних впливів. Основні положення теорії взаємних впливів
Напрямні системи, кола та тракти ліній передачі знаходяться під постійним впливів сторонніх електромагнітних полів різного походження. Вони наводять струми та напругу в трактах ліній передачі, створюють завади, погіршують якість зв’язку.
Суть проблеми електромагнітної сумісності полягає в тому, що на телекомунікаційні пристрої впливають сторонні поля, спектри яких повністю або частково співпадають зі спектром сигнального поля.
Впливи на лінії передачі поділяються на зовнішні та внутрішні, які називаються взаємними впливами.
Джерела зовнішніх впливів поділяються на природні та штучного походження. До першої группи відносяться атмосферна електрика, магнітні бурі; до другої – лінії електропередачі, електрифікований транспорт, електричні машини.
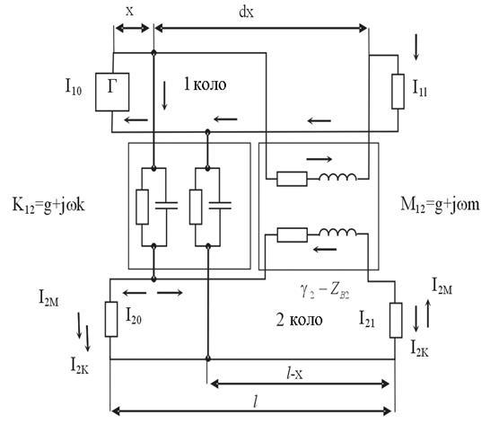
На рис. 1 наведена схема взаємних впливів у чотирипроводовій лінії. Перша лінія є активною, на її вході підключений генератор. Друга лінія є пасивною.

Рисунок. 1 − Схема взаємних впливів у чотирипроводовій лінії
Визначимо основні параметри взаємних впливів між колами ліній передачі.
Перехідне загасання на частоті на ближньому кінці лінії, дБ
, (1)
Перехідне загасання на дальному кінці лінії, дБ
, (2)
Захищеність на дальньому кінці, дБ
(3)
Такі ж самі параметри визначаються через струми та напруги на кінцях лінії
(4)
Захищенність та перехідне загасання на дальному кінці пов’язані співвідношенням
, (5)
де – загасання лінії, дБ/км; – довжина лінії, км.
Ці параметри є вторинними параметрами взаємних впливів. Первинні параметри взаємних впливів визначають електричні та магнітні зв’язки в кабельній четвірці (рис 2)

а) б)
Рисунок 2 – Еквівалентні схеми мостів зв’язку: а) електричного, б) магнітного
Реактивні складові електричного зв’язку в „четвірки” визначаються ємнісними зв’язками:
(6)
Активна складова електричного зв’язу дорівнює
(7)
Активна ( ) та реактивна ( ) складові магнітного зв’язку дорівнюють
(8)
Між первинними параметрами взаємних впливів існує зв’язок

Приклад 1. Кабельною лiнiєю передаються сигнали зі смугами частот:
60...240 кГц та 180...400 кГц;
б) 60...240 кГц та 252...512 кГц.
В якому з цих випадків виникають взаємні впливи?
Розв’язок. У випадку а) смуги частот сигналів перекриваються, тому виникають взаємні впливи.У випадку б) смуги частот сигналів не перекриваються, тому взаємні впливи відсутні (рис.3).

Рисунок 3 − До розв’язку прикладу 1
Приклад 2. В двох чотирипроводових кабельних лініях виміряні такі величини
– в першій лінії , ;
– в другій лінії , .
В якій з цих ліній взаємні впливи будуть більші, якщо лінії на кінцях узгоджені?
Розв’язок Наведені дані дозволяють визначити перехідне загасання на ближньому кінці. Для першої лінії воно становить (4)

Для визначення в другій лінії доцільно потужність подати у відносних одиницях
.
Тоді .
Отже, , тому взаємні впливи більші в другій лінії.
2 Взаємні впливи в симетричних та коаксіальних колах
Під час аналізу взаємних впливів у симетричній четвірці враховуються тільки безпосередні впливи. Еквівалентна схема взаємних впливів наведена на рис.4.
лінія передача електромагнітний

Рисунок 4 − Еквівалентна схема взаємних впливів
Контур g, k відображає електирчний зв’язок між робочими парами в четвірці, а контури r,m – магнітний.
Ця схема дозволяє одержати основне рівняння взаємних впливів та розрахункові формули для визначення перехідних загасань і захищенності між колами симетричної четвiрки.
; (9)
, (10)
де 
– коефіцієнт електромагнітного зв’язку між колами на ближньому кінці;

− коефіцієнт електромагнітного зв’язку між колами на дальньому кінці
, ; та 
− хвильові опори відповідних робочих кіл.
Перехідне загасання на ближньому кінці менше, ніж на дальньому, оскільки на ближньому кінці електричний та магнітний зв’язки додаються, а на дальньому – віднімаються.
Під час зростання частоти взаємні впливи посилюються. Вирази (8) та (10) є амплітудно-фазочастотними характеристиками взаємних впливів, які являють годографи на комплексній площині.
В симетричних кабельних лініях нормуються первинні параметри взаємних впливів m, k, r, g. В смузі тональних частот переважають реактивні складові зв’язків, ємнісна складова значно перевищує індуктивну.
Зі зростанням частоти зменшується хвилевий опір, зростають магнітні зв’язки. На високих частотах між електромагнітними зв’язками виконуються співвдношення:
; ; 
Слід звернути увагу на утворення струмів завад на ближньому та на дальньому кінцях.
Струми, що створюють завади на дальньому кінці з кожної елементарної дільниці лінії зменшуються при наближенні до кінця лінії, отже перехідне загасання на ближньому кінці, починаючи з деякої довжини стає незмінним, оскільки струми завад віддалених дільниць загасають, отже перехідне загасання на ближньому кінці визначаються струмами завад початкової дільниці лінії.
Струми завад на дальньому кінці не залежать від довжини лінії, вони постійні протягом лінії, тому перехідне загасання на дальньому кінці зменшується зі зростанням довжини лінії.
На підсилювальних дільницях ліній передачі з аналоговими сигналами струми завад накопичуються уздовж всієї лінії. В лініях з цифровими сигналами такого накопичення немає, оскільки в кожному регенераторі відбуваються відновлення імпульсної послідовності з точністю до ймовірності помилки.
3 Взаємні впливи в коаксіальних колах
Коаксіальна пара є закритою напрямною системою, оскільки електоромагнітне поле зосереджене в просторі між провідниками, та не проникає в оточуючий простір, бодіє ефект самоекранування. Схема взаємних впливів між коаксіальними колами наведена на рис. 5

Рисунок 5 − Схема впливів між коаксіальними колами
Взаємні впливи між коаксіальними парами обумовлені складовою на зовнішній поверхні зовнішнього провідника, тому в коаксіальних колах присутні тільки магнітні зв’язки. Ступінь зв’язку між електромагнітними полями коаксіальних кіл характерізуються первинним параметром передачі – опором зв’язку 
, (11)

Значення наведені в додатку А.
Вторинні параметри передачі розраховуються за формулами, дБ
, (12)

де – постiйна розповсюдження , – довжина лінії.
Якщо >25дБ (11) визначається виразом
, (13)
де ; та – власні опори зовнішніх провідників коаксіальних пар, – опір третього кола, обумовлений зовнішньою індуктивністю L3
зовнішніх провідників коаксіальних пар. Як правило . Індуктивність третього проміжного кола L3
дорівнює Гн/км
, (14)
де – товщина ізоляції між коаксіальними парами. Якщо коаксіальні пари екрановані, то опір зв’язку визначається
, (15)
де – повздовжна індуктивність сталевих стрічок екрану, – внутрішня індуктивність сталевих стрічок.
; ; (16)
де – крок намотування стрічок екрана, – загальна товщина екрана, – відносна магнітна проникливість сталевих стрічок. Як правило мм, .
Зі зростанням частоти взаємні впливи в коаксіальних колах зменшуються, що обумовлюється ефектом самоекранування.
|