Содержание
1. Введение. Описание структурной схемы передатчика
2. Аппаратные средства
3. Описание взаимодействия микроконтроллера и DDS
4. Контроль за величиной КСВ
5. Список используемых источников
радиопередатчик сигнал чм модулятор
1. Введение. Описание структурной схемы передатчика
В данной курсовой работе для синтеза радиовещательного ЧМ сигнала использован квадратурный КМОП DDS модулятор AD7008. Для управления работой DDS и взаимодействия с PC, а также для контроля за величиной КСВ использован микроконтроллер AT90S2313-10 (fCLK
до 10 МГЦ, RISC архитектура). Данные через COM порт PC (интерфейс RS-232C) загружаются в микроконтроллер (порт D pin PD0 (RxD)). Для сопряжения логических уровней контроллера и PC использована микросхема ADN202E.
Для тактирования микроконтроллера использован внешний генератор Go1 гармонического напряжения с кварцевой стабилизацией с частотой 10 МГц. Через логический элемент (для получения прямоугольного напряжения) напряжение тактовой частоты (fclkMC
= 10 МГЦ) подается на вход внутреннего усилителя XTAL1 (XTAL2 не задействован).
Напряжение с выхода Go1 через удвоитель частоты и буферные каскады (БК1 и БК2) подается на тактовый вход DDS (от БК1: fclkDDS
= 20МГц) и на первый смеситель в качестве напряжения гетеродина (от БК2: fгет1
= 20 МГЦ). Понятно, что напряжение на выходе умножителя должно иметь минимальный уровень высших и субгармоник частоты 20 МГЦ.
Несущая частота на выходе DDS изменяется программным способом в интервале от 2 до 6 МГЦ с шагом 250 кГц (О выборе несущей и тактовой частот DDS будет упомянуто далее). Частотномодулированный сигнал (несущие частоты 2…6 МГЦ) с выхода DDS через преобразователь ток-напряжение (см. далее) подается на вход первого смесителя (СМ1), где происходит перенос в окрестность частот 22…26 МГц. Для подавления зеркального канала (14…18 МГЦ) использован ФВЧ с частотой среза fср
= 21 МГЦ. Далее с помощью второго переноса (СМ2: fгет2 = 47 МГЦ) спектр ЧМ сигнала переносится в окресность рабочей частоты (УКВ ЧМ диапазон 69…73 МГЦ). Для фильтрации зеркальных каналов и высших гармоник применены ФВЧ2 и ФНЧ1 с частотами среза 65 и 75 МГЦ соответственно. Применение фильтров уменьшает уровень внеполосного излучения.
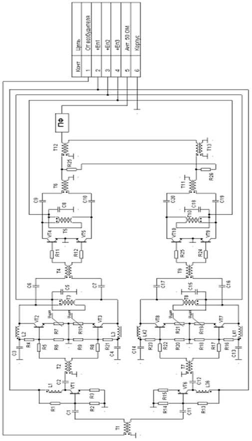
Сигнал с выхода возбудителя, через предварительный усилитель (Pвых = 0.132 Вт) на вход мощной усилительной части передатчика (см. схема электрическая выходного усилителя РЧ).
В качестве активных элементов мощных каскадов взят транзистор 2Т951В
| Fт, МГц |
Ек,В |
Диапазон рабочих частот, МГц |
Кр |
Схема включения |
Режим работы |
| 150…540 |
28 |
30…80 |
15…40 |
ОЭ |
Класс В |
Так как выходная мощность транзистора не достаточна, то использовано суммирование мощности активных элементов.
Предоконечный каскад имеет регулируемый коэффициент усиления по мощности Kp
= f(UЦАП
), который изменяется в пределах от 0 до 25, таким образом, максимальная мощность на выходе предоконечного каскада должна быть не выше 3.3 Вт.
Регулировка производится изменением величины сопротивления в цепи обратной связи, данное сопротивление управляется напряжением ЦАП, входящего в тракт контроля за КСВ (см. далее).
Выходные и передоконечные каскады собраны по двухтактной схеме, с последующим суммированием мощности (суммирующее устройство на ТДЛ) значения мощностей (с учетом КПД согласующих цепей и цепей суммирования мощности) и коэффициентов усиления по мощности указаны на структурной схеме.
На выходе усилителя стоит цепь согласования (одновременно выполняет функцию полосового фильтра).
Согласование должно быть во всем диапазоне рабочих частот (69..73 МГц)

Схема электрическая выходного усилителя РЧ

2. Аппаратные средства
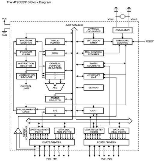
MicroController: микроконтроллер фирмы Atmel AT90S2313-10
1. AVRRISK архитектура
2. 32 8-ми разрядных регистра общего назначения
3. Тактовая частота до 10 МГц
4. 2 Кбайта программной Flash-памяти
5. 128 байт ОЗУ.
6. Поддержка последовательных интерфейсов SPI и UART.

Для сопряжения логических уровней компьютера и микроконтроллера применена микросхема ADM
202
E

DDS: цифрововй синтезатор AD7008
1) 32 разрядный аккумулятор фазы
2) встроенная таблица отсчетов SIN и COS
3) встроенный 10 разрядный ЦАП
4) токовый выход

ADC
: аналогово-цифровой преобразователь
AD
9200
1. 10 разрядный КМОП АЦП
2. 20 MSPS

DAC
: цифро-аналоговый преобразователь
AD
8582
3. Описание взаимодействия микроконтроллера и
DDS
Частотная модуляция в DDS осуществляется посредством сложения двух квадратурных составляющих с соответствующими весовыми коэффициентами, задача контроллера получить от РС через последовательный порт (интерфейс RS-232C) байт информации (звуковые данные), рассчитать для него соответствующие весовые коэффициенты квадратурных составляющих и отослать их в DDS.
Во время работы с DDS (PD5 = 0), биты (ЦАП: , , = (notPD5) = 1) и (АЦП: = PD6 = 1), т.е. ЦАП и АЦП (Тракт контроля за КСВ) находятся в третьем состоянии и наоборот при работе с ЦАП и АЦП DDS в третьем состоянии.
Данные в DDS могут вводиться 8-ми и 16-ти-битными (8- и 16-bitDataBus) словами (MPUInterfaceD15…D0), после ввода записываются в 32-битный регистр (32-BITPARALLELASSEMBLYREGISTRY).
При использовании микроконтроллера AT90S23 информацию будем вводить побайтно (порт D контроллера – служебный, порт B - информационный).
Таблица битов взаимодействия
| PD6 |
 |
PD3…PD0 |
TC3…TC0 |
| PD6 |
 |
PB7…PB0 |
D7…D8 |
| PD4 |
LOAD |
Биты ТС3…ТС0 задают направление записи (в какой из регистров будет записана информация из 32-байтного регистра).
При инициализации DDS контроллер должен выполнить следующее (PD5 = = 0):
1) На вход RESET высокий уровень, происходит обнуление всех регистров DDS (аппаратно).
2) настроить режим работы DDS, для этого в командный регистр отсылаются байты:
| CR0 |
0 |
8-bit DataBus |
| CR1 |
0 |
Normal Operation |
| CR2 |
1 |
IQ регистры задействованы |
| CR3 |
0 |
синхронизация включена |
3) в регистр частоты FREQ0 REGотсылается 32-разрядное слово, которое является кодом несущей частоты передатчика.
Для этого, в течение четырех циклов записи во входной 32-разрядный регистр (32-BITPARALLELASSEMBLYREGISTRY) побайтно (из порта B контроллера) записывается код. После каждого цикла записи = 0.

Далее через порт D контроллера выставляются биты ТС3…ТС0 задающие направление перевода.

Для регистра FREQ0 REGTC3 = 1; TC2, TC1, TC0 = 0. После этого на входе LOAD = PD4 выставляется высокий уровень и происходит запись содержимого 32-BITPARALLELASSEMBLYREGISTRY в FREQ0 REG. Запись в другие регистры производится аналогично.
На этом инициализация закончена.
При ЧМ весовые коэффициенты квадратурных составляющих должны быть отосланы в регистры IQmod[0,9], IQmod[10,19].
Ниже приведен формат слова отсылаемого в 32-BITPARALLELASSEMBLYREGISTRY.
| D0 |
D1 |
D2 |
D3 |
D4 |
D5 |
D6 |
D7 |
D8 |
D9 |
D10 |
D11 |
D12 |
D13 |
D14 |
D15 |
D18 |
D19 |
D20 |
… |
D31 |
| DB0 |
DB9 |
DB10 |
DB19 |
| I |
Q |
X |
X |
X |
О выборе несущей частоты
DDS
.
Несущая частота выбирается из двух соображений:
1) В схеме передатчика использованы два преобразования частоты (вверх) (см. структурную схему), если выбрать несущую частоту малой, то зеркальный канал будет находиться слишком близко и для его подавления потребуется ФНЧ высокого порядка. Который к тому же значительно ослабит выходной сигнал DDS.
2) С другой стороны если выбрать несущую большой то уменьшится SFDR.
Исходя из этих соображений, а также пользуясь типовой зависимостью SFDR(fCLK
)

Выберемзначение fOUTmax
= 6MHz и fOUTmin
= 2MHz при fCLK
= 18 MHz.
Для определенного значения несущей частоты DDS рассчитывается соответствующее 32-разрядное слово, которое является кодом частоты для DDS и засылается в регистр FREQ0 REG.
 - код частоты
| fCLK,MHz |
fOUT,MHz |
DPhase |
DPhaseHex |
| 18. 0 |
2.0 |
0.477219e9 |
1C71C8B8 |
| 2.25 |
0.536871e9 |
20000058 |
| 2.5 |
0.596523e9 |
238E37F8 |
| ,,, |
,,, |
,,, |
| 6.0 |
1.431656e9 |
55555640 |
Преобразователь ток-напряжение.
Так как DDS имеет токовый выход то необходим преобразователь ток-напряжение. Для расчета преобразователя нужно знать ток полной шкалы встроенного ЦАП IOUT. Если использовать внутренний источник опорного напряжения (VREF
= 1.27 V) и при типовом значении RSET
= 390 Ом, амплитуда выходного тока IOUT = 20 мА.

  
Ток на вход преобразователя подаем с инвертирующего выхода ЦАП :


Зададимся значением напряжения на входе смесителя1:

тогда номинал резистора в цепи ОС преобразователя:

4. Контроль за величиной КСВ
В передатчике предусмотрен тракт контроля за величиной КСВ в фидерном тракте. В него входят датчик КСВ, 10-битный АЦП (AD9200), микроконтроллер управления, 12-битный ЦАП(AD8582), напряжение на выходе ЦАП изменяет коэффициент усиления предоконечного каскада, при этом изменяется колебательная мощность на входе оконечного каскада, нагруженного на АФТ.
Считывание данных из АЦП производится, после того как произведена обработка данных, поступивших из РС. Можно представить следующий алгоритм: назначается максимальное значение КСВmax
(ему соответствует напряжение на выходе датчика КСВ Umax
) и критическое значение КСВкр
при котором транзисторы выходного каскада выходят из строя, причем КСВmax
< КСВкр
. АЦП оцифровывает выходное напряжения датчика КСВ Uреф
, при приближении величины Uреф
к Umax
вырабатывается напряжение, которое подается на выходные каскады и уменьшает их коэффициент усиления. При резком увеличении КСВ, сигнал на входе АЦП превышает значение +FS = U(КСВmax
) (см. далее), вырабатывается сигнал OTR АЦП (OutOfRange), который отключает предоконечный и выходной каскад выходной каскад и сигнализирует о неполадке.
Взаимодействие микроконтроллера и АЦП(
AD
9200)
Таблица битов взаимодействия микроконтроллера и ЦАП.
 |
PD5 |
| DATA9…8 |
PD1…PD0 |
| DATA7… DATA0 |
PB7… PB0 |
АЦП работает в режиме Top/Bottom (На вход MODE подается напряжение питания АЦП AVDD)

Величина опорного напряжения VREF = 2 вольта (от внутреннего источника).

+FS = VREF= U(
КСВ
max
), - FS = 0

Выходное напряжение датчика КСВ Uреф
подается на вход АЦП (AIN) через неинвертирующий усилитель с коэффициентом передачи:


При UAIN
> VREF (Uреф
>Umax
) вырабатывается сигнал OTR (high)
Взаимодействие микроконтроллера и ЦАП(
AD
8582)
Таблица битов взаимодействия микроконтроллера и ЦАП.
, , |
PD6 (через инвертор) |
DATA11…8 |
PD3…PB0 |
 |
PD4 |
DATA7…0 |
PB7…PB0 |
Перед началом работы, программа инициализации обнуляет регистры ЦАП ( = 0, = 0). 12-ти разрядное слово для ЦАП(AD8582) разделяется на две части и выставляется на шине, посредством последовательного вывода из портов МС (сначала B - PB0(LSB)…PB7, затем порт D – PD0…PD3(MSB)), вместе с этим на входы , , ЦАП подается низкий уровень (биты PD5 соответственно), т.е. выбирается кристалл ЦАП и в регистр «А» ЦАП записываются биты выставленные на шине PB0(LSB)…PB7,PD0…PD3(MSB). Напряжение с выхода ЦАП подается на предоконечные каскады и уменьшает их коэффициент усиления.
5. Список используемых источников
1. Проектирование радиопередатчиков: Учеб. пособие для вузов. / Под ред. В.В. Шахгильдяна. М: Радио и связь. 2000.
2. 8-bit AVR Microcontroller AT90S2313. Atmel Corporation 2000.
3. AD7008 CMOS DDS Modulator. Analog Devices. 1999.
4. AD9200 Complete 10-Bit, 20-MSPS, CMOS A/D Converter. Analog Devices. 1999.
5. +5 Volt, Parallel Input Complete Dual 12-Bit DAC. Analog Devices. 2000.
|