Содержание
Введение
1. Классификация ИБП
2. ИБП с двойным преобразованием энергии: схемотехника и технические характеристики
2.1 Назначение и описание узлов силовой цепи ИБП
2.2 Системные показатели ИБП
3. Примеры современных ИБП
Заключение
Список использованной литературы
Почти каждый, кто использует в своей работе компьютеры, сталкивался с потерей информации в результате отключения электропитания. Uninterruptable Power Source (в русскоязычной литературе – ИБП, Источник Бесперебойного Питания) – это устройство, включаемое между источником питания (розеткой электросети) и потребителем (компьютер, мини–АТС и т.п.), которое обеспечивает питание потребителя в случае пропадания напряжения основного источника, используя для этого энергию своих аккумуляторных батарей. В наиболее широком обобщении к источникам бесперебойного питания можно отнести все, начиная от батарейки, питающей чип CMOS в вашем компьютере, до дизель – генератора мощностью в несколько сотен киловатт.
Общий алгоритм функционирования ИБП следующий – при пропадании напряжения сети ИБП автоматически переключается на питание от аккумулятора, при восстановлении напряжения сети автоматически переходит в режим заряда аккумулятора.
Подход к источнику бесперебойного питания, как к "черному ящику", обладающему набором известных полезных (или не полезных) свойств, позволяет, не углубляясь в его электронную начинку, осмысленно использовать его положительные стороны для защиты компьютеров или другого оборудования от сбоев электрической сети. Для борьбы со сбоями электрической сети и создании систем бесперебойного питания кроме ИБП используются и другие устройства: стабилизаторы напряжения, фильтры, дизельные генераторы.
Первое и самое главное назначение источника бесперебойного питания – обеспечить электропитание компьютерной системы или другого оборудования в то время, когда электрическая сеть по каким–то причинам не может это делать. Во время такого сбоя электрической сети ИБП питается сам и питает нагрузку за счет энергии, накопленной его аккумуляторной батареей. Каждый человек, сталкивающийся с компьютерами, рано или поздно узнает о великолепной идее бесперебойного питания компьютеров.
Несмотря на изобилие различных схемных решений, в индустрии UPS сложились некоторые типовые схемы построения (топологии) источников бесперебойного питания. Рассмотрим их более подробно.
"Разделять" ИБП можно по разным признакам, в частности, по мощности (или сфере применения) и по типу действия (архитектуре/устройству). Оба этих метода тесно связаны друг с другом. По мощности ИБП делятся на
· Источники бесперебойного питания малой мощности (с полной мощностью 300, 450, 700, 1000, 1500 ВА, до 3000 ВА – включая и on–line);
· Малой и средней мощности (c полной мощностью 3–5 кВА);
· Средней мощности (с полной мощностью 5–10 кВА);
· Большой мощности (с полной мощностью 10–1000 кВА).
Исходя из принципа действия устройств, в литературе в настоящее время используется два типа классификации источников бесперебойного питания. Согласно первому типу, ИБП делятся на две категории: on–line и off–line, которые, в свою очередь, делятся на резервные и линейно–интерактивные.
Согласно второму типу, ИБП делятся на три категории: резервные (off–line или standby), линейно–интерактивные (line–interactive) и ИБП с двойным преобразованием напряжения (on–line).
Мы будем пользоваться вторым типом классификации.
Рассмотрим для начала разницу типов ИБП. Источники резервного типа выполнены по схеме с коммутирующим устройством, которое в нормальном режиме работы обеспечивает подключение нагрузки непосредственно к внешней питающей сети, а в аварийном – переводит ее на питание от аккумуляторных батарей. Достоинством ИБП такого типа можно считать его простоту, недостатком – ненулевое время переключения на питание от аккумуляторов (около 4 мс).

Рис.1 Схема источника резервного типа
Линейно–интерактивные ИБП выполнены по схеме с коммутирующим устройством, дополненной стабилизатором входного напряжения на основе автотрансформатора с переключаемыми обмотками. Основное преимущество таких устройств – защита нагрузки от повышенного или пониженного напряжения без перехода в аварийный режим. Недостатком таких устройств также является ненулевое (около 4 мс) время переключения на аккумуляторы.

Схема линейно – интерактивного ИБП
ИБП с двойным преобразованием напряжения отличается тем, что в нем поступающее на вход переменное напряжение сначала преобразуется выпрямителем в постоянное, а затем – с помощью инвертора – снова в переменное. Аккумуляторная батарея постоянно подключена к выходу выпрямителя и входу инвертора и питает его в аварийном режиме. Таким образом, достигается достаточно высокая стабильность выходного напряжения независимо от колебаний напряжения на входе. Кроме того, эффективно подавляются помехи и возмущения, которыми изобилует питающая сеть.
Практически, ИБП данного класса при подключении к сети переменного тока ведут себя как линейная нагрузка. Плюсом данной конструкции можно считать нулевое время переключения на питание от аккумуляторов, минусом – снижение КПД за счет потерь при двукратном преобразовании напряжения.

ИБП с двойным преобразованием
2. ИБП с двойным преобразованием энергии: схемотехника и технические характеристики
Источники бесперебойного питания (ИБП) предназначены для защиты электрооборудования пользователя от любых неполадок в сети, включая искажение или пропадание напряжения сети, а также подавления высоковольтных импульсов и высокочастотных помех, поступающих из сети.
ИБП с двойным преобразованием энергии обладает наиболее совершенной технологией по обеспечению качественной электроэнергией без перерывов в питании нагрузки при переходе с сетевого режима (питание нагрузки энергией сети) на автономный режим (питание нагрузки энергией аккумуляторной батареи), и наоборот. Обеспечивая синусоидальную форму выходного напряжения, такие ИБП используются для ответственных потребителей электроэнергии, предъявляющих повышенные требования к качеству электропитания (сетевое оборудование, файловые серверы, рабочие станции, персональные компьютеры, оборудование вычислительных и телекоммуникационных залов, системы управления технологическим процессом и т.д.). Современные ИБП малой и средней мощности, в отличие от классической схемы "выпрямитель – инвертор", содержат в своей структуре корректор коэффициента мощности, обеспечивающий входной коэффициент мощности, близкий к единице, и практически синусоидальную форму тока, потребляемого из сети.
Встречающийся в последнее время термин "ИБП с тройным преобразованием" может ввести в заблуждение читателя о якобы новой топологии ИБП. На самом деле, речь идет о дополнительном преобразовании нестабильного напряжения постоянного тока в стабильное повышенное напряжение постоянного тока для питания инвертора, присутствующем в структурах ИБП с корректором коэффициента мощности. В соответствии с международным стандартом, такие структуры также относятся к ИБП с двойным преобразованием энергии (Double–Conversion UPS).
В зависимости от состояния сети и величины нагрузки, ИБП c двойным преобразованием может работать в различных режимах: сетевом, автономном, Байпас и других.
Сетевой режим – режим питания нагрузки энергией сети. При наличии сетевого напряжения в пределах допустимого отклонения, и нагрузки, не превышающей максимально допустимую, ИБП работает в сетевом режиме. При этом режиме осуществляется:
· фильтрация импульсных и высокочастотных сетевых помех;
· преобразование энергии переменного тока сети в энергию постоянного тока с помощью выпрямителя и схемы коррекции коэффициента мощности;
· преобразование с помощью инвертора энергии постоянного тока в энергию переменного тока со стабильными параметрами;
· подзаряд АБ с помощью зарядного устройства.
Автономный режим – режим питания нагрузки энергией аккумуляторной батареи. При отклонении параметров сетевого напряжения за допустимые пределы или при полном пропадании сети ИБП мгновенно переходит на автономный режим питания нагрузки энергией аккумуляторной батареи (АБ) через повышающий преобразователь DC/DC и инвертор. При восстановлении напряжения сети ИБП автоматически перейдет в сетевой режим.
Режим Байпас – питание нагрузки напрямую от сети. Если в сетевом режиме происходит перегрузка или перегрев ИБП, а также, если один из узлов ИБП выходит из строя, то нагрузка автоматически переключается с выхода инвертора напрямую к сети. При снятии причин перехода в Байпас (перегрузки или перегрева) ИБП автоматически возвращается в нормальный сетевой режим с двойным преобразованием энергии.
Отметим, что в режиме Байпас нагрузка не защищена от некачественного напряжения сети.
Режим заряда батареи возникает при наличие сетевого напряжения. Зарядное устройство обеспечивает заряд аккумуляторной батареи, независимо от того, включен ли инвертор или присутствует режим Байпас.
Режим автоматического перезапуска ИБП возникает при восстановлении сетевого напряжения, если до того ИБП работал в автономном режиме и был автоматически отключен внутренним сигналом во избежание недопустимого разряда батареи. После появления входного напряжения ИБП автоматически включится и перейдет на сетевой режим.
Режим холодного старта обеспечивает включение ИБП для работы в автономном режиме при отсутствие сетевого напряжения путем нажатия на кнопку ВКЛ инвертора.
Среди производителей ИБП с двойным преобразованием энергии получил распространение следующий ряд номинальных мощностей:
· однофазные ИБП малой мощности: 1; 1,5; 3 кВА;
· однофазные ИБП средней мощности: 6, 10, 15, 20 кВА;
· ИБП с трехфазным входом и однофазным выходом средней мощности: 10,15,20,30 кВА;
· трехфазные ИБП средней мощности: 10, 15, 20, 30 кВА;
· трехфазные ИБП большой мощности: более 30 кВА.
Остановимся на рассмотрении особенностей схемотехники силовых цепей современных однофазных ИБП малой и средней мощности, на примере ИБП, выпускаемых рядом зарубежных (Liebert, Invensys, Chloride, Riello) и отечественным (Энергетические технологии) производителями.
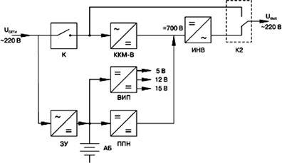
Общепринятые производителями структурные схемы силовой цепи ИБП представлены на рисунках 4 и 5.

Структурная схема ИБП малой мощности: ККМ–В – корректор коэффициента мощности – выпрямитель, ИНВ– инвертор, ППН – преобразователь постоянного напряжения, ЗУ – зарядное устройство, ВИП – вторичный источник питания, АБ – аккумуляторная батарея, К1, К2 – реле блока коммутации.
В состав ИБП малой мощности входит основной комплект плат, состоящий из силовой платы, плат входного и выходного фильтров, платы управления и платы дисплея.
Силовая плата содержит силовые узлы: ККМ–В, ИНВ, ППН, ЗУ (рис. 4), обеспечивающие работу ИБП в сетевом и автономном режимах.
Платы входного и выходного фильтров обеспечивают подавление выбросов сетевого напряжения при переходных процессах и осуществляют фильтрацию высокочастотных коммутационных помех.
Плата управления обеспечивает необходимый алгоритм работы силовой платы ИБП, тестирование состояния, мониторинг и управление ИБП. Плата управления стыкуется разъемами с силовой платой и с платой дисплея. Все цепи ПУ изолированы от высоковольтного напряжения, присутствующего на силовой плате. По функциональному назначению состав ПУ может быть разбит на следующие узлы:
· центральный микроконтроллер (МК);
· узел формирования ШИМ сигналов для управления силовыми транзисторами инвертора;
· узел согласования входных и выходных сигналов;
· узел согласования сигналов индикации и управления платой дисплея;
· узел формирования сигналов по интерфейсу RS–232;
· вспомогательный источник питания цепей ПУ.
В качестве центрального МК может быть использован микроконтроллер типа МС68НС711, на входы которого поступают аналоговые и цифровые сигналы измерения электрических параметров системы и состояния узлов ИБП.
МК обеспечивает:
· обработку аналоговой и цифровой информации о состоянии блоков силовой платы и режимов их работы;
· формирование сигналов управления блоками силовой платы;
· формирование сигналов информации о состоянии системы на плату дисплея и порт RS–232.
Помимо МК, наиболее ответственным узлом на плате управления является формирователь ШИМ–сигналов для управления транзисторами инвертора ИБП, реализованный на дискретных аналоговых элементах.
Плата дисплея содержит ряд светодиодов для индикации режимов работы ИБП и кнопки включения / выключения инвертора силовой платы. В некоторых моделях ИБП используются ЖК–дисплеи для отображения электрических параметров и состояния ИБП.
В составе ИБП возможно также наличие дополнительной платы зарядного устройства, обеспечивающей заряд внешней аккумуляторной батареи (АБ) повышенной емкости при работе ИБП в сетевом режиме.

Структурная схема силовой цепи ИБП средней мощности: ККМ – корректор коэффициента мощности, В – выпрямитель, ИНВ – инвертор, ЗУ – зарядное устройство, ВИП – вторичный источник питания, АБ – аккумуляторная батарея, БК – блок коммутации, ДЗУ – дополнительная плата зарядного устройства.
В ИБП средней мощности из состава силовой платы выделяют несколько силовых узлов, содержащих силовые дроссели, накопительные конденсаторы, плату коммутации (Байпас), плату зарядного устройства.
Структурная схема силовой цепи ИБП средней мощности отличается от ИБП малой мощности применением двухтактной схемы ККМ, статическим блоком коммутации, выполненным на тиристорах, и цепью подключения АБ с помощью тиристора (см. рис. 5).Принципиальной особенностью структуры ИБП средней мощности является то, что повышение напряжения аккумуляторной батареи (АБ) для питания инвертора осуществляется с помощью ККМ, исключая использование дополнительного преобразователя постоянного напряжения (ППН), по сравнению со структурой ИБП малой мощности. Это позволяет повысить общий К.П.Д. ИБП.
Рассмотрим более подробно некоторые особенности принципиальных схем узлов силовой цепи ИБП. Принципиальные схемы силовой цепи ИБП малой и средней мощности приведены на рисунках 6 и 7.

Принципиальная схема силовой цепи ИБП малой мощности

Принципиальная схема силовой цепи ИБП средней мощности
2.1 Назначение и описание узлов силовой цепи ИБП
1. Выпрямитель и корректор коэффициента мощности (ККМ–В) выполняет три функции:
· осуществляет преобразование напряжения сети переменного тока в стабилизированное напряжение постоянного тока, обеспечивая питание инвертора стабильным напряжением постоянного тока 700 – 800 В;
· обеспечивает потребление из сети входного тока, совпадающего по фазе с напряжением сети, и практически синусоидальной формы, в независимости от характера нагрузки ИБП, что позволяет иметь входной коэффициент мощности близким к единице;
· обеспечивает мягкий старт для уменьшения пускового входного тока ИБП.

Схема управления силовым транзистором ККМ
Высокочастотный ККМ в ИБП малой мощности выполнен по схеме повышающего преобразователя (бустера) с дифференциальным выходом и силовым дросселем L1, включенным во входную цепь переменного тока. Силовой транзистор ККМ VT1 (см. рис. 6) управляется сигналом с широтно–импульсной модуляцией (ШИМ). Формирование ШИМ сигнала с частотой 20 кГц осуществляет специализированная микросхема ККМ контроллера типа UC3854. На входы ККМ контроллера поступают сигналы, пропорциональные входному напряжению (uвх
), входному току (iвх
), напряжению на выходе ККМ (Uвых
), максимальным значениям тока транзистора (Imp) и входного тока (Im), номинальному выходному напряжения ККМ (Uном
) (см. рис. 8). Кроме этих сигналов, на микросхему ККМ контроллера поступает напряжение питания (Uп
=24 В), сигнал синхронизации (Uс
) и сигнал управления (вкл/выкл) ККМ (Uвкл
) от центрального микропроцессора платы управления ИБП. Контроллер ККМ вырабатывает ШИМ–сигналы с тактовой частотой 20 кГц и различной скважностью на каждом полупериоде сетевого напряжения, что позволяет формировать входной ток необходимой формы и стабилизировать выходное напряжение.
За счет изменения соотношения времени открытого состояния транзистора, когда в дросселе запасается электромагнитная энергия WL
:
(1)
и времени закрытого состояния транзистора, когда накопленная энергия через диод VD5 (VD6 рис. 6) отдается в накопительный конденсатор, ККМ обеспечивает форму входного тока, близкую к синусоидальной, и совпадающей по фазе с входным напряжением. Сигнал ШИМ с контроллера поступает на затвор IGBT транзистора через узел сопряжения (оптопару типа TLP250), обеспечивающий необходимое усиление сигнала и гальваническую развязку цепи управления и силовой цепи транзистора (рис. 8). Питание узла сопряжения в ИБП малой мощности осуществляется от одной из обмоток высокочастотного трансформатора блока зарядного устройства с помощью диода VD1. В ИБП средней мощности питание узла сопряжения обеспечивает блок ВИП. На накопительных конденсаторах шины постоянного тока С1, С2 (см. рис. 6, 7) формируется высоковольтное стабилизированное постоянное напряжение для питания инвертора Uп
=700 – 800 В.
Коэффициент передачи по напряжению повышающего преобразователя (бустера) в режиме непрерывного тока дросселя достигает значения 4. Это обеспечивает широкий диапазон допустимого входного напряжения, при котором ИБП не переходит в автономный режим. Значения допустимых отклонений входного напряжения (сети) и значения напряжений питания инвертора для различных моделей ИБП приведены в таблице №1.
Величина емкости накопительных конденсаторов С1= С2 выбирается из расчета 470 мкФ на каждый 1кВА выходной мощности инвертора для обеспечения достаточной энергии питания инвертора при скачках нагрузки и провалах сетевого напряжения.
Таблица 1.Допустимый диапазон входных напряжений и параметры цепей постоянного тока ИБП малой и средней мощности
| Производитель |
Модель
ИБП
|
Номинал.
МощностькВА
|
Напряжение
АБ,В
|
Входное
напряжение,В
|
Диапазон
нагрузки,%
|
НапряжениеDC шины,В |
| Invensys |
PW9120 |
1/1,5/3 |
36/48/96 |
160–276 |
66–100 |
н/д |
| 140–276 |
33–66 |
| 120–276 |
0–33 |
| 5/6 |
240 |
184–276 |
75–100 |
| 160–276 |
50–75 |
| 140–276 |
25–50 |
| 120–276 |
0–25 |
| PW9150 |
8/10/12/15 |
288 |
176–276 |
0–100 |
800 |
| Liebert |
GXT–2U |
1/3 |
48/72 |
160–280 |
70–100 |
750 |
| 140–280 |
30–70 |
| 120–280 |
0–30 |
| GXT |
6/10 |
240 |
187–276 |
90–100 |
750 |
| 163–276 |
30–90 |
| 122–276 |
0–30 |
| Nfinity |
4/8/12/16 |
120 |
170–276 |
60–100 |
800 |
| 140–276 |
0–60 |
| Hinet (3/1) |
10/15/20/30 |
384 |
300–480 |
0–100 |
750 |
Энергетические
технологии
|
ДПК |
1/3 |
36/96 |
160–300 |
70–100 |
700 |
| 140–300 |
50–70 |
| 120–300 |
0–50 |
| 6/10 |
240 |
176–276 |
0–100 |
760 |
| ДПК (3/1) |
10/15/20 |
240 |
304–478 |
0–100 |
Рассмотрим на примере ИБП 3 кВА значение электрической энергии, запасаемой в накопительных конденсаторах ККМ. Эквивалентная емкость последовательно включенных конденсаторов составит:
Сэк
= 0,5 ´ С1= 0,5 (470 мкФ/кВА ´ 3 кВА) = 705 мкФ
При напряжении Uп
= 700 В имеем:
.(2)
Эта энергия за период выходного напряжения Т = 0,02 сек может обеспечить мощность нагрузки более 8,5 кВА. Значительный запас энергии питания инвертора и высокое быстродействие его системы управления обеспечивают высокие динамические свойства ИБП. Значения динамических параметров: величина отклонения выходного напряжения от номинального значения и время восстановления статической точности поддержания выходного напряжения при 100% набросе (сбросе) нагрузки для ИБП малой и средней мощности приведены в таблице №2.
Динамические показатели ИБП малой и средней мощности
| Производитель |
Модель
ИБП
|
Номинальная
мощность,
кВА
|
Статическая
точность,
%
|
Динамическая
точность,
%
|
Время
восстановл.,
мс
|
| Chloride |
Synthesis Twin |
6 – 20 |
±1 |
±5 |
5 |
| Invensys |
PW9120 |
1 – 3 |
±3 |
±7 |
н/д |
| PW9150 |
8 – 15 |
±2 |
±5 |
| Liebert |
GXT |
1 – 10 |
±3 |
±7 |
90 |
| Nfinity |
4 – 16 |
±3 |
±7 |
96 |
| Hinet |
10 – 30 |
±1 |
±5 |
30 |
| Riello |
MDM |
10 – 20 |
±1 |
±5 |
10 |
Энергетические
технологии
|
ДПК |
1 – 3 |
±2 |
±5 |
10 |
| 6; 10 |
±3 |
±7 |
20 |
В отличие от ИБП малой мощности, в ИБП средней мощности выпрямитель выполняется на тиристорах VT1, VT2 (рис. 7), обеспечивающих включение выпрямителя по сигналу с платы управления в режиме двойного преобразования и его отключение в автономном режиме или неисправностях силовых элементов силовой цепи ИБП.
Высокочастотный ККМ в ИБП средней мощности выполняется по дифференциальной схеме повышающего преобразователя на двух силовых транзисторах VT3, VT4 c использованием двух дросселей L1, L2, включенных в цепи постоянного тока (рис. 7). Каждый транзистор управляется от собственного ККМ контроллера типа UC3854, функционирующего аналогично ККМ контроллеру в структуре ИБП малой мощности. С помощью транзистора положительного бустера (VT3) обеспечивается повышение и стабилизация напряжения на положительной шине в течение одного полупериода сетевого напряжения, а с помощью транзистора отрицательного бустера (VT4) в течение другого полупериода происходит повышение и стабилизация выходного напряжения ККМ на отрицательной шине относительно общей шины.
Аккумуляторная батарея (АБ) в ИБП средней мощности подключается на вход ККМ через тиристор VT7 (рис. 7), что обеспечивает разделение цепи заряда АБ от ЗУ в сетевом режиме работы ИБП и мгновенное подключение АБ на вход ККМ в автономном режиме. Номинальные напряжения аккумуляторных батарей для различных моделей ИБП приведены в таблице № 1.
Снижение номинального напряжения АБ до 120 В в ИБП средней мощности на примере модели Nfinity (Liebert) достигается дополнительной коммутацией в силовой цепи ККМ с помощью двухпозиционных реле К1, К2, К3 (рис. 9). Указанные реле переключаются сигналами с блока управления ИБП. В сетевом режиме контакты реле находятся в положении 1, подключая силовые транзисторы на вход выпрямителя аналогично схеме ККМ на рис. 7.
АБ имеет общую точку подключения минуса батареи к общей шине (нейтрали сети). В автономном режиме контакты реле находятся в положении 2 и реле К1 подключает плюс батареи к силовому транзистору VT1положительного бустера ККМ, а реле К2, К3 подключают соответственно плюс и минус АБ к силовому транзистору VT2 отрицательного бустера ККМ.

Схема ККМ с пониженным значением напряжения АБ
Дополнительный выпрямительный мост, выполненный на тиристорах VT8, VT9, VT10, VT11 (рис. 7), используется при трехфазном входе ИБП средней мощности.
2. Инвертор (ИНВ) преобразует напряжение постоянного тока в синусоидальное напряжение 50 Гц.
Блок инвертора выполняется по полумостовой бестрансформаторной схеме на IGBT транзисторах VT2, VT3 в ИБП малой мощности (рис. 6) и VT5, VT6 в ИБП средней мощности (рис. 7). Силовые транзисторы управляются высокочастотными (20 кГц) ШИМ сигналами с платы управления через оптопары (TLP250), которые изолируют силовые цепи от цепей управления. Широтно–импульсная модуляция сигналов осуществляется по синусоидальному закону, что обеспечивает c помощью быстродействующей системы управления инвертором высокую точность выходного напряжения. Синусоидальное выходное напряжение формируется из высокочастотных ШИМ импульсов с помощью выходного фильтра L2, С3 (рис. 6), L3, C3 (рис. 7).
Как правило, силовые IGBT транзисторы инвертора выбирают из условия тройного запаса по току по сравнению с номинальной величиной тока нагрузки. Это позволяет иметь высокие перегрузочные способности ИБП и ток короткого замыкания инвертора в пределах 150–200%. Термозащита силовых транзисторов реализуется с помощью сигнала с релейного датчика температуры (80–90 o
С). Указанный сигнал поступает на центральный микроконтроллер (МК) платы управления. МК подсчитывает время, в течение которого транзисторы не выйдут из строя из–за перегрева, после чего выдает сигнал на отключение инвертора и переключение нагрузки на Байпас. Затем МК просчитывает время охлаждения транзисторов, чтобы не дать возможности включения инвертора сразу после окончания первой перегрузки. Если нагрузка продолжает оставаться в пределах 110–120% от номинальной, то по окончанию просчета заданного времени охлаждения (2–4 мин.) МК выдает сигнал на повторное включение инвертора и т.д. При больших значениях перегрузки МК через определенное время выдаст сигнал переключения нагрузки на Байпас и повторное включение инвертора будет возможно лишь после снятия перегрузки.
Перегрузочные способности ИБП являются одним из важных потребительских показателей, т.к. позволяют оптимально выбирать номинальную мощность ИБП при подключении нагрузок, обладающих большими пусковыми токами или при использовании ИБП в технологических процессах с кратковременными периодическими пиковыми нагрузками. В таблице №3 приведены характерные для современных ИБП малой и средней мощности перегрузочные показатели инвертора и режима Байпас.
3. Преобразователь DC/DC (ППН) в ИБП малой мощности обеспечивает повышение и стабилизацию напряжения аккумуляторной батареи (АБ) до уровня, необходимого для надежной работы инвертора в автономном режиме. Принципиальная схема ППН представляет собой двухтактный дифференциальный высокочастотный преобразователь на двух группах параллельно включенных силовых транзисторов и высокочастотном трансформаторе, мощность которого с учетом потерь в инверторе должна превышать выходную мощность ИБП. Транзисторы управляются сигналами (30 кГц) с микросхемы ШИМ контроллера типа UC3525, который в свою очередь получает сигналы разрешения работы с платы управления ИБП и сигнал о величине высоковольтного напряжения питания инвертора.
Таблица 2.Перегрузочные показатели ИБП
| Производитель |
Модель ИБП |
Номинальная
мощность,
кВА
|
Инвертор |
Байпас |
Перегрузка,
%
|
Время
перегрузки,с
|
Перегрузка,
%
|
Время
перегрузки,
с
|
| Invensys |
PW9120 |
1 – 6 |
125 |
60 |
1000 |
0,02 |
| 150 |
10 |
| PW9150 |
8 – 15 |
125 |
60 |
| 150 |
10 |
| Liebert |
GXT |
6 – 10 |
130 |
10 |
н/д |
н/д |
| 200 |
0,16 |
| Nfinity |
4 – 16 |
125 |
600 |
| 150 |
20 |
| 200 |
0,25 |
| Hinet |
10 – 30 |
125 |
600 |
150 |
1800 |
| 150 |
10 |
1000 |
0.1 |
| 300 |
0,1 |
| Riello |
MDM |
10 –20 |
125 |
600 |
н/д |
н/д |
| 150 |
60 |
Энергетические
технологии
|
ДПК |
1 – 3 |
110 |
30 |
н/д |
н/д |
| 130 |
10 |
| 150 |
0,2 |
| 6 – 10 |
130 |
600 |
| 150 |
60 |
К дифференциальной выходной обмотке высокочастотного трансформатора подключены две группы диодов, обеспечивающие выпрямление и формирование на конденсаторах С1, С2 (рис. 6) высоковольтного напряжения постоянного тока +350, –350 В относительно общей шины для питания инвертора в автономном режиме работы ИБП.
4. Зарядное устройство (ЗУ) обеспечивает заряд АБ при работе ИБП в сетевом режиме. В качестве АБ используются последовательно включенные герметичные (необслуживаемые) свинцово–кислотные аккумуляторы. Максимальное выходное напряжение ЗУ устанавливается из условия 2, 3 В/ячейка. ЗУ в ИБП малой мощности получает питание непосредственно от сети через собственный выпрямительный мост и сглаживающую емкость. Кроме заряда батареи, ЗУ обеспечивает питание ВИП в сетевом режиме и питание обмотки управления реле К1 (рис. 6). Принципиальная схема ЗУ выполняется на однотактном высокочастотном преобразователе (30 кГц), содержащим силовой транзистор и высокочастотный трансформатор. Управление силовым транзистором осуществляется сигналом с микросхемы ШИМ контроллера типа UC3845.
В ИБП средней мощности основное зарядное устройство (ЗУ) подключено к шине стабильного высоковольтного напряжения постоянного тока и выполнено по схеме DC/DC преобразователя (рис. 5). ЗУ выполняется по схеме двухтактного дифференциального высокочастотного преобразователя с частотой коммутации силовых транзисторов 20–30 кГц. Использование стабильного высоковольтного напряжения 700–800 В с выходных шин ККМ позволяет получить высокий к.п.д. ЗУ. В ИБП мощностью 6 – 10 кВА такое зарядное устройство обеспечивает зарядный ток 3–4 А при номинальном напряжении АБ 240 В. При наличие дополнительной внешней аккумуляторной батареи (АБ) используется дополнительное зарядное устройство (ДЗУ), выполняемое по схеме AC/DC преобразователя и подключенное к сети.
5. Блок коммутации (Байпас) автоматически обеспечивает цепь подключения нагрузки непосредственно к сети при аномальных режимах работы ИБП (перегрузке, перегреве, выходе из строя одного из узлов ИБП). Двухпозиционное реле К2 в ИБП малой мощности (рис. 4) срабатывает от сигнала с платы управления и обеспечивает переключение выхода ИБП с инвертора на сеть (режим Байпас) и наоборот. Контакты входного реле К1 блока коммутации замыкаются при наличие напряжения с блока ЗУ при подключении ИБП к сети и сигнала разрешения от платы управления, который возникает, если подтверждается, что входное напряжение и другие системные параметры ИБП находятся в норме.
В ИБП средней мощности блок коммутации выполняется на тиристорах, осуществляющих по сигналу с платы управления переключение нагрузки с выхода инвертора на сеть и наоборот.
6. Вторичный источник питания (ВИП) формирует ряд низковольтных напряжений постоянного тока (5, 12, 15, 24 В) для обеспечения питанием различных цепей систем управления блоков силовой платы, питание платы управления и вентиляторов. Питание блока ВИП осуществляется от ЗУ при сетевом режиме или от батареи при автономном режиме.
Принципиальная схема ВИП выполняется на однотактном высокочастотном преобразователе. Выход из строя ВИП приводит к общей неисправности ИБП и переключение нагрузки на Байпас.
2.1 Системные показатели ИБП
В таблице №4 отражен ряд системных показателей ИБП малой мощности со средним временем резерва 6–8 мин. при 100% нагрузке за счет встроенных аккумуляторных батарей. Здесь приведены габариты корпусов ИБП, удельные мощности и энергетические показатели.
Удельная мощность определялась с учетом выходного коэффициента мощности Kpвых
, номинальной выходной мощности Sвых
и объема корпуса V:
(3)
Энергетический коэффициент, определяющий соотношение потребляемой полной мощности из сети и мощности, отдаваемой в нагрузку, находится по выражению:
Kэ
= η´Kpвых
где: η – К.П.Д. ИБП, Kpвых
– входной коэффициент мощности ИБП.
Системные показатели ИБП малой мощности
| Производитель |
Модель
ИБП
|
Мощность,
кВА
|
Габариты,
мм
|
Удельная
мощность,Вт/дм3
|
Энергетический
коэффициент
|
| Сhloride |
Active |
1 |
145´405´225 |
52,5 |
н/д |
| 3 |
200´405´350 |
74 |
| Invensys |
PW9120 |
1 |
155´410´240 |
46 |
0,85 |
| 3 |
215´470´365 |
57 |
| Liebert |
GXT–2U |
1 |
89´546´432 |
34 |
0,85 |
| 3 |
89´615´432 |
89 |
Энергетические
технологии
|
ДПК |
1 |
145´390´220 |
57 |
0,82 |
| 3 |
200´450´340 |
69 |
0,85 |
Как следует из сравнения структурного построения и технических характеристик ИБП малой и средней мощности разных производителей, они во многом схожи и представляют собой ИБП с неуправляемым выпрямителем, встроенным активным корректором мощности и полумостовым бестрансформаторным инвертором. Такие ИБП обладают высоким энергетическим коэффициентом по сравнению со структурами ИБП предыдущего поколения, основанных на управляемых тиристорных выпрямителях и мостовых инверторах, энергетический коэффициент которых не превышает 0,7. За счет применения в своей структуре ККМ современные ИБП имеют также низкий коэффициент искажения синусоидальности входного тока, что обеспечивает хорошую электромагнитную совместимость ИБП с другими нагрузками, подключенными к общей сети. Совокупность указанных свойств определяет использование ИБП для обеспечения качественной бесперебойной электроэнергией критичных нагрузок.
Выбор пользователем рассмотренных моделей ИБП должен определяться, в первую очередь, показателем цена/качество и надежным сервисным обслуживанием.
3.
Примеры современных ИБП
Liebert NX (10–1200 кВА)
Система электропитания с двойным преобразованием напряжения, обеспечивает исключительное качество и надежность питания цепей нагрузки, превосходит аналоги по параметрам, надежности и окупаемости капиталовложений.

Liebert NX
источник бесперебойный питание энергия
Характеристики модели:
Система Liebert NX – ИБП нового поколения с двойным преобразованием и цифровым управлением, работающая в режиме "True On–Line". Имеет нулевое время переключения в режим работы от батарей, обеспечивают 100% защиту и максимально гарантированное выходное электропитание.
ИБП серии Liebert NX обеспечивают оптимальное сочетание:
· надежности
· удобства эксплуатации
· соответствие современным требованиям
· относительно невысокую стоимость в самом широком диапазоне применений
Устанавливаются в виде одиночного модуля или параллельной системы '1+N' с возможностью расширения до 6 модулей.
Преимущества:
· Максимальная защита и надежность
· Сокращение капитальных затрат и расходов на электроэнергию
· Широкий диапазон типов нагрузок
· Низкий уровень помех
· Масштабируемость по мощности
· Работа в самых сложных условиях эксплуатации
· Адаптация к специфическим требованиям Возможность работы с двумя независимыми источниками входного напряжения
Максимальная защита и надежность обусловлены:
Оснащением двумя идентичными и полностью резервированными платами блоков электропитания схем управления. Каждый из них запитан по входу от источников постоянного и переменного напряжения. Даже в случае отсутствия напряжения от одного из этих источников или отказа одного из блоков питания система Liebert NX может продолжать нормально функционировать. Эта особенность значительно повышает надежность системы.
Высокоэффективной системой охлаждения наиболее ответственных компонентов и избыточными вентиляторами (опция)
Более широким диапазоном входного напряжения и частоты (От 305В до 477 В; от 40 Гц до 72 Гц)
Цифровое управление обеспечивает высокое быстродействие, надежность и точность регулирования при снижении стоимости компонентов.
Работа в конфигурации "двойная шина синхронизации нагрузки" способствует дальнейшему повышению надежности электропитания.
Высокая перегрузочная способность
110 % в течение 1 часа,
125 % – в течение 10 минут
150 % – в течение 1 минуты.
Liebert Hinet (10–30 кBA)
Масштабируемый ИБП с двойным преобразованием напряжения для питания 1–но или 3–х фазной нагрузки, с генерацией собственного стабилизированного синусоидального напряжения.

Liebert Hinet
ИБП Hinet фирмы Liebert предназначен для обеспечения нагрузки стабилизированным питанием в всем диапазоне номинальных нагрузок и при любом состоянии питания на входе. Сконструирован в стальной раме со съемными панелями.
ИБП Hinet работает по принципу действительной "он–лайн" технологии с двойным преобразованием. Питание, обеспечиваемое ИБП свободно от любых колебаний напряжения и частоты или отклонений на входе, или отклонений, вызванных шумами. ИБП также генерирует собственное стабилизированное синусоидальное напряжение для питания критичных систем.
Имеет встроенный байпас, который используется в качестве альтернативного способа питания нагрузки в случае перегрузки или выхода ИБП из строя. Дополнительный внутренний ручной байпас, используется при проведении работ по профилактическому техническому обслуживанию или тестированию ИБП без прекращения подачи питания к нагрузке.
Преимущества:
Действительно "он–лайн" конструкция с двойным преобразованием напряжения
Трехфазный вход, 1–но или 3–х фазный выход
Масштабируемая номинальная мощность (только для моделей с 3–х фазным выходом)
Поддерживает нагрузку с пик–фактором 3:1 без ухудшения характеристик
Изолирующие трансформаторы и фильтры гармонических искажений
Статический байпас и байпас для проведения технического обслуживания
Масштабируемые внутренние и внешние батареи
Режим экономии энергии
Низкий уровень акустического шума
Компактность
Улучшенный мониторинг и управление.
Liebert UPStation GXT2 (700 BA – 6000 BA)
ИБП c двойным преобразованием напряжения для цепей питания критичного оборудования, универсальной конструкцией напольного и стоечного 19" исполнения (2U вертикали), подключением неограниченного числа внешних батарей.

Liebert UPStation GXT2
UPStation GXT2 – надежный, высокоэффективный "on–line" источник бесперебойного питания (ИБП) с двойным преобразованием входного напряжения, внутренними батареями, размещаемыми в одном компактном корпусе – небольшой шкаф высотой 2U. Характеризуется легкостью обслуживания, имея батареи, которые пользователь может заменить самостоятельно
UPStation GXT2 обладает всеми функциями для защиты от провалов, выбросов, всплесков, перебоев, сильного понижения напряжения, а так же шумов, колебаний частоты и искажений формы волны. Обеспечивает коррекцию коэффициента мощности, преобразование частоты, имеет внутренние батареи с возможностью подключения неограниченного числа внешних батарей и ручной байпас.
Питание чувствительного к помехам электронного оборудования производится переменным током идеальной синусоидальной формы.
Преимущества:
Технология on–line с двойным преобразованием
Работа в стойке или в конфигурации "tower"
Высота всего 2U ( мощностью до 3000 ВА, включая батарею);
Возможность значительного увеличения времени автономной работы от батареи за счет внешних батарейных шкафов 2U "Plug and Play";
Совместимость с программным обеспечением Multilink фирмы Liebert (входит в комплект вместе с кабелем);
Совместимость с Intellislot SNMP WEB картой;
Возможность конфигурирования пользователем выходных параметров и сигналов тревоги;
Возможность быстрой замены батарей;
Широкий диапазон входного напряжения до 115 В в зависимости от нагрузки;
Привлекательный внешний вид
ИБП с двойным преобразованием преобразуют поступающее на вход переменное напряжение в постоянное, а затем постоянное напряжение снова преобразуют в переменное. Такое двойное преобразование позволяет практически полностью оградить нагрузку от любых неполадок и искажений во внешней сети. Как и в двух других типах UPS, аккумуляторная батарея включается в работу тоже только в аварийном режиме, но она постоянно подключена ко входу инвертора, в результате обеспечивается практически нулевое время переключения.
К положительным свойствам ИБП с двойным преобразованием следует отнести следующие.
· Хорошая защита от шумов и наносекундных импульсов.
· Очень хорошая защита от искажений формы кривой напряжения и микросекундных импульсов.
· Возможность работы в сетях с нестабильной частотой.
· Самая лучшая плавная стабилизация напряжения с высокой точностью.
· Возможность наращивания батареи практически для всех моделей ИБП.
Как и для других ИБП, недостатки ИБП с двойным преобразованием вытекают из особенностей силовой схемы ИБП (и, к сожалению, вряд ли могут быть отделены от преимуществ). Более высокая цена, по сравнению с другими типами ИБП (кроме феррорезонансного). Повышенное тепловыделение, по сравнению с другими типами ИБП (кроме феррорезонансного).
1. Источники вторичного электропитания / В.А. Головацкий, Г.Н. Гулькович, Ю.И. Конев и др.; Под ред. Ю.И. Конева –М.: Радио и связь, 2000. –420 с.
2. Источники электропитания радиоэлектронной аппаратуры: Справочник / Г.С. Найвельт, К.Б. Мазель, Ч.И. Хусаинов и др.; Под ред. Г.С. Найвельта. –М.: Радио и связь, 2005. –576 с.
3. Костиков В.Г., Никитин И.Е. Источники электропитания высокого напряжения РЭА. –М.: Радио и связь, 2006. –200 с.
4. Костиков В.Г., Парфенов Е.М., Шахнов В.А. Источники электропитания электронных средств. Схемотехника и конструирование: Учебник для вузов. – 2–е изд. –М.: Горячая линия – Телеком, 2001. – 344 с.
5. Функциональные устройства систем электропитания наземной РЭА / В.В. Авдеев, В.Т. Костиков, А.М. Новожилов, В.И. Чистяков; Под ред. В.Г. Костикова. –М.: Радио и связь, 2000. –192 с.
6. http://at–systems.ru/quest/ups–quest/ups–quest.shtml
7. http://www.m–volt.ru/support/articles/article9.html
8. http://www.ask–r.ru/info/library/ups_without_secret_1.htm
|