Банк рефератов содержит более 364 тысяч рефератов, курсовых и дипломных работ, шпаргалок и докладов по различным дисциплинам: истории, психологии, экономике, менеджменту, философии, праву, экологии. А также изложения, сочинения по литературе, отчеты по практике, топики по английскому.
Полнотекстовый поиск
Всего работ:
364139
Теги названий
Разделы
Авиация и космонавтика (304)
Административное право (123)
Арбитражный процесс (23)
Архитектура (113)
Астрология (4)
Астрономия (4814)
Банковское дело (5227)
Безопасность жизнедеятельности (2616)
Биографии (3423)
Биология (4214)
Биология и химия (1518)
Биржевое дело (68)
Ботаника и сельское хоз-во (2836)
Бухгалтерский учет и аудит (8269)
Валютные отношения (50)
Ветеринария (50)
Военная кафедра (762)
ГДЗ (2)
География (5275)
Геодезия (30)
Геология (1222)
Геополитика (43)
Государство и право (20403)
Гражданское право и процесс (465)
Делопроизводство (19)
Деньги и кредит (108)
ЕГЭ (173)
Естествознание (96)
Журналистика (899)
ЗНО (54)
Зоология (34)
Издательское дело и полиграфия (476)
Инвестиции (106)
Иностранный язык (62791)
Информатика (3562)
Информатика, программирование (6444)
Исторические личности (2165)
История (21319)
История техники (766)
Кибернетика (64)
Коммуникации и связь (3145)
Компьютерные науки (60)
Косметология (17)
Краеведение и этнография (588)
Краткое содержание произведений (1000)
Криминалистика (106)
Криминология (48)
Криптология (3)
Кулинария (1167)
Культура и искусство (8485)
Культурология (537)
Литература : зарубежная (2044)
Литература и русский язык (11657)
Логика (532)
Логистика (21)
Маркетинг (7985)
Математика (3721)
Медицина, здоровье (10549)
Медицинские науки (88)
Международное публичное право (58)
Международное частное право (36)
Международные отношения (2257)
Менеджмент (12491)
Металлургия (91)
Москвоведение (797)
Музыка (1338)
Муниципальное право (24)
Налоги, налогообложение (214)
Наука и техника (1141)
Начертательная геометрия (3)
Оккультизм и уфология (8)
Остальные рефераты (21692)
Педагогика (7850)
Политология (3801)
Право (682)
Право, юриспруденция (2881)
Предпринимательство (475)
Прикладные науки (1)
Промышленность, производство (7100)
Психология (8692)
психология, педагогика (4121)
Радиоэлектроника (443)
Реклама (952)
Религия и мифология (2967)
Риторика (23)
Сексология (748)
Социология (4876)
Статистика (95)
Страхование (107)
Строительные науки (7)
Строительство (2004)
Схемотехника (15)
Таможенная система (663)
Теория государства и права (240)
Теория организации (39)
Теплотехника (25)
Технология (624)
Товароведение (16)
Транспорт (2652)
Трудовое право (136)
Туризм (90)
Уголовное право и процесс (406)
Управление (95)
Управленческие науки (24)
Физика (3462)
Физкультура и спорт (4482)
Философия (7216)
Финансовые науки (4592)
Финансы (5386)
Фотография (3)
Химия (2244)
Хозяйственное право (23)
Цифровые устройства (29)
Экологическое право (35)
Экология (4517)
Экономика (20644)
Экономико-математическое моделирование (666)
Экономическая география (119)
Экономическая теория (2573)
Этика (889)
Юриспруденция (288)
Языковедение (148)
Языкознание, филология (1140)

Контрольная работа: Подвижной состав автомобильного транспорта, обслуживание и ремонт

Название: Подвижной состав автомобильного транспорта, обслуживание и ремонт
Раздел: Рефераты по транспорту
Тип: контрольная работа Добавлен 22:48:49 25 февраля 2011 Похожие работы
Просмотров: 2203 Комментариев: 21 Оценило: 3 человек Средний балл: 5 Оценка: неизвестно     Скачать

ФГОУ СПО

Тамбовский политехнический техникум

КОНТРОЛЬНАЯ РАБОТА

По дисциплине: «подвижной состав автомобильного транспорта, обслуживание и ремонт»

Выполнила:

Студент группы 3-4

Кузьмищева М.С.

Принял(а):

ТАМБОВ - 2011


Раздаточная и дополнительная коробки передач

Раздаточную коробку применяют для распределения крутящего момента от коробки передач между ведущими мостамиавтомобиля. В раздаточной коробке помещают также устройство для включения и выключения переднего ведущего моста.

На автомобилях, предназначенных для работы в тяжелых дорожных условиях, устанавливают дополнительную коробку передач с двумя понижающими или одной прямой и одной понижающей передачами, которые позволяют еще больше увеличить силу тяги на ведущих колесах при любой передаче в основной коробке передач. Дополнительную коробку передач, как правило, конструктивно объединяют с раздаточной коробкой.

Обычно понижающую передачу раздаточной коробки включают при использовании автомобиля в качестве тягача, буксирующего тяжелые прицепы, при движении на крутых подъемах и в трудных дорожных условиях. Напри мер, раздаточная коробка грузового ав томобиля ГАЗ-66 повышенной проходи мости с двумя ведущими мостами представляет собой один агрегат с дополни тельной двухступенчатой коробкой передач Ведущий вал 4 раздаточной коробки соединен карданной передачей с ведомым валом коробки передач. Передний шарикоподшипник вала 4 расположен в стенке картера раздаточной коробки, а задний роликоподшипник и выточке зубчатого колеса 6, изготовленного как одно целое с ведомым валом привода заднего моста. Вал 11 привода переднего моста, вал привода заднего моста и промежуточный вал 9 вращаются на шарикоподшипниках.

Перемещаясь по шлицам, зубчатое колесо 10 промежуточного вала может входить в зацепление с зубчатыми коле сами б и 72, а зубчатое колесо 5 веду тс го вала с колесом 13. У зубчатого колеса 6 кроме наружного зубчатого венца есть внутренний венец для зацеплении с зубчатым колесом 5. Зубчатые колеса 13 и 12 неподвижно закреплены на шлицах валов

На выходящих из картера раздаточной коробки концах валов привода переднего и заднего мостов на шлицах установлены фланцы карданных шарниров, закрепленные гайками с шайбами.

Крутящий момент от ведущего вала 4 раздаточной коробки передается к переднему мосту зубчатыми колесами 5, 6, 10 и 12. При введении зубчатого колеса 5 в зацепление с внутренним зубчатым венцом колеса 6 ведомого вала включается высшая (прямая) передача заднего моста. Если также ввести зубчатое колесо 10 в зацепление с зубчатыми колесами 6 и 72, то будет включена прямая передача переднего моста. При перемещении зубчатого колеса 5 влево до зацепления с колесом 13' (зубчатое колесо 10 остаетсявключенным) включается понижающая передача. В этом случае крутящий момент к заднему мосту передается через зубчатые колеса 5, 13, а к переднему мосту через зубчатые колеса 5, 13, 10 и 12. Передаточное число понижающей передачи равно 1,96. Для удобства включения переднего моста зубчатые колеса 10 и б входят в зацепление постоянно на неполную длину зуба.

Масло в картер заливают через закрываемое пробкой 2 отверстие, которое используют также для контроля уровня масла. Масло, сливается через отверстие закрытое пробкой. 1. Сапун 3 служит для вентиляции картера раздаточной коробки. Механизм управления раздаточной коробкой автомобиля ГАЗ-66 состоит из рычага переключения прямой и понижающей передач и рычага переднего моста. Оба рычага Тягами связаны с ползунами раздаточной коробки. При переднем положении левого рычага передний мост автомобиля включен, а при заднем положении этого рычага — выключен. В случае перемещения правого рычага из нейтрального положения вперед включается Прямая передача, а из нейтрального положения назад — понижающая передача,

При движении автомобиля в тяжелых дорожных условиях (грязь, песок, снег) включают, передний мост. Однако этого не следует, делать без необходимости, так как повышается расход топлива и ускоряется изнашивание шин и деталей трансмиссии. Во время движения, автомобиля с включенной прямой передачей в раздаточной коробке передний мост включают без выключения сцепления.

Понижающую передачу в раздаточной коробке включают при движении автомобиля на подъеме или в тяжелых дорожных условиях. Эту передачу можно включить только после остановки автомобиля и включения переднего моста. Передний мост можно выключить только после переключения понижающей передачи в раздаточной коробке на прямую. Все это предохраняет детали карданной передачи и заднего моста от перегрузки. Блокировочное устройство , имеющееся в системе управления раздаточной коробкой, не позволяет включить понижающую передачу при выключенном переднем мосте и выключать передний мост при включенной понижающей передаче.

В картере раздаточной коробки могу! перемещаться ползуны 19 и 20, на которых винтами, зашплинтованными проволокой, укреплены вилки 18 и 25. Между ползунами в стенке картера помещены два сухаря 16 с пружиной 17 между ними. Выходное. отверстие для сухарей закрыто ввернутой на резьбе пробкой 14. Отверстия со стороны наружных концов ползунов закрыты колпаками 15. С противоположной стороны в стенке картера установлены уплотнения, состоящие из сальников 24, шайб .23, колец 22 и гаек 21

На ползуне 19, используемом для включения и выключения переднего моста, имеются две выемки разной глубины под- сухари блокировочного устройства. На ползуне 20, который вы ключает прямую или понижающую передачу, сделаны три выемки под cyxари: левая соответствует включению прямой передачи, средняя — нейтральному положению и правая — включению понижающей передачи. Между левой и средней выемками есть лыска. Положение сухарей на соответствует выключенному передтму мосту. При этом ползун 20 может перемещаться из нейтрального положении в положение, соответствующее включенной прямой передаче, Благодари наличию на ползуне лыски между выемками сухари не препятствуют этому перемещению. Дальнейшее же перемещение ползуна 20 невозможно, так как сухари сжав пружину, упрутся один в другой и будут препятствовать движению

При включении переднего моста на против сухарей установится, глубокая выемка ползуна 19 Сухари при перемещении ползуна 20 не будут перемещении друг в друга, и включение понижающей передачи станет возможным. При этом выключить передний мост будет невозможно, не выключив предварительно понижающую передачу.


2. Поясните, через какие детали передается крутящий момент от маховика на ведомый вал коробки передач при включенной понижающей передачи в делителе и передаче заднего хода в коробке автомобиля Камаз-5410

Коробка передач автомобилей семейства КамАЗ.

На автомобилях семейства КамАЗ, предназначенных для работы без прицепа, установлена пятиступенчатая коробка передач. Для автомобилей влияют передний редуктор — делитель, удваивающий число передач. Зубчатое колесо ведущего вала коробки передач, выполненное вместе с валом, находится в постоянном зацеплении с зубчатым колесом 22 привода промежуточного вала. Зубчатое колесо ведущего вала имеет конусную часть для соединения с фрикционным кольцом синхронизатора, а также внутренний зубчатый венец, предназначенный для ' соединения с зубчатым венцом синхронизатора. Передней опорой ведомого вала служит роликоподшипник, установленный в гнезде ведущего вала, а задней — шарикоподшипник, размещенный в гнезде стенки картера. На переднем конце ведомого вала нарезано три зубчатых венца, предназначенных для установки синхронизатора 5 четвертой и пятой передач. На цилиндрической шейке вала при помощи втулок и роликоподшипников устанавливают зубчатые колеса 6, 7 и 9 соответственно четвертой, третьей и второй передач. Зубчатые колеса 7 и 9 имеют конусы и зубчатые венцы для работы с синхронизатором 8, размещенным между ними на шлицевой части вала, состоящей из трех зубчатых венцов. Крайние венцы имеют меньшую толщину зуба по сравнению со средним венцом, что предотвращаетсамопроизвольное выключение передач. Втулка зубчатого колеса 13 первой передачи, соединяющаяся шлицами с валом, имеет наружную часть, выполненную по двум диаметрам. По шлицам цилиндрической части большего диаметра перемещается муфта 12 включения передачи заднего хода и первой передачи, на цилиндрической шейке меньшего диаметра установлен подшипник зубчатого колеса первой передачи. Все зубчатые колеса находятся в постоянном зацеплении с соответствующими зубчатыми колесами и зубчатыми венцами промежуточного вала, а колесо 10 передачи заднего хода — с малым венцом блока 11 зубчатых колес передачи заднего хода. Зубчатые колеса первой передачи и передачи заднего хода прямозубые, а остальные — косозубые. Промежуточный вал 21 передним концом опирается на цилиндрический роликоподшипник, установленный в гнезде переднего торца картера, а задним — на сферический роликоподшипник, размешенный в стакане гнезда заднего торца картера. Для соединения с промежуточным валом делителя передний конец промежуточного вала коробки передач имеет шлицы. Зубчатые колеса третьей и четвертой передач, а также зубчатое колесо 22 привода промежуточного вала напрессованы на вал и зафиксированы сегментными шпонками. Зубчатые колеса передачи заднего хода, первой и второй передач изготовлены вместе с валом. Блок 11 зубчатых колес передачи заднего хода, имеющий два прямозубых зубчатых венца, установлен на двух роликоподшипниках на оси, зафиксированной стопорной планкой. 'Венец большего диаметра находится в постоянном зацеплении с венцом 17 промежуточного вала 21.Делитель механического типа, удваивающий число передач, состоит из ведущего 1 и промежуточного 25 валов, одной пары зубчатых колес 2 и 23, синхронизатора 4 и механизма переключения передач. Передний шарикоподшипник ведущего вала 1 делителя расположен в расточке коленчатого вала, а задний — в гнезде перегородки картера 24 делителя, выполненного как одно целое с картером муфты сцепления. Косозубое колесо 2, находящееся в постоянном зацеплении с колесом 23 привода промежуточного вала 25 делителя, свободно вращается на ведущем валу на роликоподшипниках. Зубчатое колесо 2. имеет конус и зубчатый венец для взаимодействия с синхронизатором делителя. Передний конец промежуточного вала делителя установлен в шарикоподшипнике, помещенном в гнезде перегородки картера делителя, а задний — в роликоподшипнике, укрепленном в гнезде задней стенки картера. Промежуточные валы' делителя и коробки передач имеют шлицевое. соединение. Зубчатое колесо 23 напрессовано на промежуточный вал 25 делителя и зафиксировано сегментной шпонкой. Делитель обеспечивает две передачи: прямую, при которой синхронизатор делителя перемещен вправо и соединяет между собой ведущие валы делителя и коробки передач, и повышающую, при которой синхронизатор перемещен влево и соединяет ведущий вал делителя с зубчатым колесом 2 (далее вращение через зубчатое колесо 23 передается на промежуточные валы делителя и коробки передач).При прямой передаче делителя коробка передач работает как обычная пятиступенчатая. При перемещении муфты 12 вперед или назад происходит включение соответственно передачи заднего хода или первой передачи. При первой передаче вращение с ведущего вала через зубчатое колесо 23 передается на промежуточный вал, а затем через зубчатый венец 15, зубчатое колесо 13 и муфту 12 на ведомый вал. При заднем ходе (муфта включения смещена вперед) вращение с промежуточного вала передается на ведомый вал через зубчатый венец 17, большой венец блока 11 зубчатых колес передачи заднего хода, малый венец, зубчатое колесо 10 и муфту 12. Вторую передачу включают перемещением синхронизатора 8 второй и третьей передач назад, соединяя с ведомым валом зубчатое колесо 9 второй передачи, находящееся в постоянном зацеплении с зубчатым венцом 18. Смещением синхронизатора вперед соединяют ведомый вал с зубчатым колесом 7 третьей передачи, находящимся в постоянном зацеплении с зубчатым колесом 19 промежуточного вала. Четвертую и пятую передачи включают перемещением синхронизатора 5 соответственно назад или вперед. При четвертой передаче вращение на ведомый вал передают зубчатые колеса, а при пятой передаче при помощи синхронизатора соединяются ведущий и ведомый валы (прямая передача). При повышающих передачах промежуточный вал коробки передач получает вращение через зубчатые колеса 2 и 23

3. Назначение и типы рулевых механизмов. Устройство и работа рулевого механизма автомобиля УРАЛ-4320. Выполните схему механизма

Рулевое управление.

Назначение рулевого управления .

Рулевое управление — совокупность механизмов автомобиля, обеспечивающих его движение в заданном направлении.

Рулевое управление состоит из рулевого колеса, соединенного валом с рулевым механизмом, и рулевого привода. Иногда в рулевое управление включен усилитель.

Рулевым механизмом называют замедляющую передачу, преобразующую вращение вала рулевого колеса во вращение вала сошки. Этот механизм увеличивает прикладываемое к рулевому колесу усилие водителя и облегчает его работу.

Рулевым приводом называют систему- тяг и рычагов, осуществляющую в совокупности с рулевым механизмом поворот автомобиля. В результате работы рулевого механизма продольная тяга перемещается сошкой вперед или назад, вызывая этим поворот одного колеса влево или вправо, а рулевая трапеция передает поворачивающий момент на другое колесо. Рулевая трапеция представляет собой шарнирный четырех-звенник, образуемый балкой переднего моста (или картером переднего ведущего моста), поперечной рулевой тягой 1, левым 2 и правым 10 рычагами рулевой трапеции. Последние соединены с поворотными кулаками, на которых насажены управляемые колеса.

Благодаря наличию рулевой трапеции управляемые колеса поворачиваются на разные углы: внутреннее (ближайшее к центру поворота) колесо на больший угол, чем внешнее, что обеспечивает качение колес при повороте без существенного скольжения. Разница в углах поворота определяется величиной угла наклона левого и правого рычагов рулевой трапеции.

Рулевое управление автомобиля: 1 — поперечная тяга; 2 — левый рычаг рулевой трапеции; 3 — поворотный кулак; 4 — поворотный рычаг; 5 — продольная тяга; б — сошка; 7 — рулевой механизм; 8 - вал рулевого колеса; 9 — рулевое колесо; 10 — правый рычаг рулевой трапеции

4. Выполните схему привода рабочей тормозной системы автомобиля ГАЗ-3307 и поясните работу привода

коробка передача рулевой прицеп

Тормозной привод

Тормозной привод — совокупность устройств, для передачи усилия от источника к тормозным механизмам и управления ими в процессе торможения. Привод может быть механическим, гидравлическим и пневматически

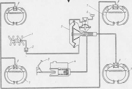
Схема тормозной системы с гидроприводом: 1 — впускной трубопровод двигателя; 2 — запорный клапан; 3 — педаль; 4 — главный тормозной цилиндр; 5 — гидровакуумный усилитель; б — фильтр; 7 — тормозная колодка; 8 — колесный тормозной цилиндр

Гидравлический привод, в котором приводное усилие передается тормозной жидкостью, состоит из следующих деталей: главного тормозного цилиндра 4, создающего давление жидкости в системе привода и имеющего резервуар, заполненный тормозной жидкостью; колесных тормозных цилиндров 8, передающих давление тормозной жидкости на тормозные колодки 7; соединительных трубопроводов и шлангов; педали 3 и гидровакуумного усилителя 5 с фильтром б, соединенного через запорный клапан 2 с впускным трубопроводом 1 двигателя. Вся система постоянно заполнена тормозной жидкостью. Водитель, нажимая на педаль 3, перемещает через шток в главном цилиндре 4 поршень, который давит на тормозную жидкость. Жидкость вытесняется поршнем из главного цилиндра, и давление передается через усилитель 5 по трубкам, заполненным жидкостью, в колесные цилиндры 8. Поршни цилиндров разводят тормозные колодки 7, прижимая их к барабанам. После прекращения давления на педаль тормоза возвратные пружины колодок отводят их от барабанов, а поршни колесных тормозных цилиндров 8 сближаются. Тормозная жидкость при этом выдавливается по трубкам в главный цилиндр 4, поршень которого также возвращается в исходное положение.

5. Назначение и общее устройство прицепов-тяжеловозов

ПРИЦЕПЫ-ТЯЖЕЛОВОЗЫ

Наша промышленность производит прицепы-тяжеловозы грузоподъемностью 20, 40 и 60 т. Так, Челябинский машиностроительный завод автотракторных прицепов выпускает несколько моделей прицепов с подкатными тележками. Самый большой из них — четырехосный прицеп-тяжеловоз ЧМЗАП-5212 грузоподъемностью 60т с двухосной поворотной тележкой, буксируемый автомобилем КрАЗ-214. Каждая ось опирается на восемь колес. Колеса поворотной тележки установлены попарно на осях, середины которых соединены с балансирами. Балансиры шарнирно связанны с рамой. Подвеска задних осей — тоже балансирная, без упругих элементов. Через среднюю часть продольных балансиров проходят оси, которые закреплены в кронштейнах рамы.

На всех колесах установлены колодочные тормоза спневмо- гидравлическим приводом от тормозной системы тягача. Кроме того, прицеп оборудован стояночным (ручным) тормозом с гидроприводом. Привод ручного тормоза раздельный на передние и задние колеса. Прицеп снабжен откидными трапами. Передняя часть платформы связана с поворотной тележкой посредством поворотного круга и шкворня.


Литература

1.Селиванов И.И. Серебряный М.И. «Специализированные автомобили и автопоезда» издательство «машиностроение» москва 1974г.в.

2. Е.В.Михайловский, К.Б.Серебряков, Е.Я.Тур. «Устройство автомобиля»

Оценить/Добавить комментарий
Имя
Оценка
Комментарии:
Хватит париться. На сайте FAST-REFERAT.RU вам сделают любой реферат, курсовую или дипломную. Сам пользуюсь, и вам советую!
Никита05:34:53 03 ноября 2021
.
.05:34:51 03 ноября 2021
.
.05:34:48 03 ноября 2021
.
.05:34:47 03 ноября 2021
.
.05:34:44 03 ноября 2021

Смотреть все комментарии (21)
Работы, похожие на Контрольная работа: Подвижной состав автомобильного транспорта, обслуживание и ремонт

Назад
Меню
Главная
Рефераты
Благодарности
Опрос
Станете ли вы заказывать работу за деньги, если не найдете ее в Интернете?

Да, в любом случае.
Да, но только в случае крайней необходимости.
Возможно, в зависимости от цены.
Нет, напишу его сам.
Нет, забью.



Результаты(288150)
Комментарии (4159)
Copyright © 2005-2021 HEKIMA.RU [email protected] реклама на сайте