Банк рефератов содержит более 364 тысяч рефератов, курсовых и дипломных работ, шпаргалок и докладов по различным дисциплинам: истории, психологии, экономике, менеджменту, философии, праву, экологии. А также изложения, сочинения по литературе, отчеты по практике, топики по английскому.
Полнотекстовый поиск
Всего работ:
364139
Теги названий
Разделы
Авиация и космонавтика (304)
Административное право (123)
Арбитражный процесс (23)
Архитектура (113)
Астрология (4)
Астрономия (4814)
Банковское дело (5227)
Безопасность жизнедеятельности (2616)
Биографии (3423)
Биология (4214)
Биология и химия (1518)
Биржевое дело (68)
Ботаника и сельское хоз-во (2836)
Бухгалтерский учет и аудит (8269)
Валютные отношения (50)
Ветеринария (50)
Военная кафедра (762)
ГДЗ (2)
География (5275)
Геодезия (30)
Геология (1222)
Геополитика (43)
Государство и право (20403)
Гражданское право и процесс (465)
Делопроизводство (19)
Деньги и кредит (108)
ЕГЭ (173)
Естествознание (96)
Журналистика (899)
ЗНО (54)
Зоология (34)
Издательское дело и полиграфия (476)
Инвестиции (106)
Иностранный язык (62791)
Информатика (3562)
Информатика, программирование (6444)
Исторические личности (2165)
История (21319)
История техники (766)
Кибернетика (64)
Коммуникации и связь (3145)
Компьютерные науки (60)
Косметология (17)
Краеведение и этнография (588)
Краткое содержание произведений (1000)
Криминалистика (106)
Криминология (48)
Криптология (3)
Кулинария (1167)
Культура и искусство (8485)
Культурология (537)
Литература : зарубежная (2044)
Литература и русский язык (11657)
Логика (532)
Логистика (21)
Маркетинг (7985)
Математика (3721)
Медицина, здоровье (10549)
Медицинские науки (88)
Международное публичное право (58)
Международное частное право (36)
Международные отношения (2257)
Менеджмент (12491)
Металлургия (91)
Москвоведение (797)
Музыка (1338)
Муниципальное право (24)
Налоги, налогообложение (214)
Наука и техника (1141)
Начертательная геометрия (3)
Оккультизм и уфология (8)
Остальные рефераты (21692)
Педагогика (7850)
Политология (3801)
Право (682)
Право, юриспруденция (2881)
Предпринимательство (475)
Прикладные науки (1)
Промышленность, производство (7100)
Психология (8692)
психология, педагогика (4121)
Радиоэлектроника (443)
Реклама (952)
Религия и мифология (2967)
Риторика (23)
Сексология (748)
Социология (4876)
Статистика (95)
Страхование (107)
Строительные науки (7)
Строительство (2004)
Схемотехника (15)
Таможенная система (663)
Теория государства и права (240)
Теория организации (39)
Теплотехника (25)
Технология (624)
Товароведение (16)
Транспорт (2652)
Трудовое право (136)
Туризм (90)
Уголовное право и процесс (406)
Управление (95)
Управленческие науки (24)
Физика (3462)
Физкультура и спорт (4482)
Философия (7216)
Финансовые науки (4592)
Финансы (5386)
Фотография (3)
Химия (2244)
Хозяйственное право (23)
Цифровые устройства (29)
Экологическое право (35)
Экология (4517)
Экономика (20644)
Экономико-математическое моделирование (666)
Экономическая география (119)
Экономическая теория (2573)
Этика (889)
Юриспруденция (288)
Языковедение (148)
Языкознание, филология (1140)

Дипломная работа: Проектування малої гідростанції на Печенізькому водосховищі

Название: Проектування малої гідростанції на Печенізькому водосховищі
Раздел: Рефераты по физике
Тип: дипломная работа Добавлен 06:48:11 19 января 2011 Похожие работы
Просмотров: 3507 Комментариев: 19 Оценило: 2 человек Средний балл: 5 Оценка: неизвестно     Скачать

Зміст

Перелік позначень та скорочень

Вступ

1. Переваги й недоліки малої енергетики

1.1 Актуальність розвитку розподіленої генерації

1.1.1 Недоліки й переваги децентралізації енергопостачання

1.1.2 Децентралізація електропостачання сучасної економіки

2. Водоймища малих ГЕС та їхній вплив на екологію

2.1 Вплив на гідрологічний режим

2.2 Зміна рівня ґрунтових вод

2.3 Зміна мікроклімату прибережної зони

2.4 Використання водоймищ малих ГЕС

3. Мала гідроенергетика

3.1 РТ-турбіна

3.2 FТ-турбіна

3.3 МВТ-турбіна

3.4 КТ-турбіна

3.5 DТ-турбіни

4. Перспективні конструкції й компонування гідроагрегатів малих ГЕС

4.1 Класифікація малих ГЕС і вимоги до їхнього устаткування

4.2 Типізація гідротурбінного устаткування для малих ГЕС, область застосування, конструктивні особливості

4.3 Гідрогенератори, система регулювання й автоматизація роботи

5. Вибір параметрів турбіни

6. Економічна частина

7. Охорона праці і навколишнього середовища

7.1 Загальні питання з охорони праці

7.2 Небезпечні та шкідливі виробничі фактори

7.2.1 Освітлення

7.2.2 Шум

7.3 Електробезпека

7.4 Пожежна безпека

7.5 Охорона навколишнього середовища

Висновки

Перелік джерел інформації


Перелік позначень та скорочень

БНіП – будівельні норми і правила

ГЕС – гідроелектростанція

ДСТУ – державні стандарти України

ЕЛТ – електронно-променеві трубки

ЕОМ – електронно-обчислювальна машина

з/п – заробітна платня

ККД - коефіцієнт корисної дії

КПО – коефіцієнт природної освітленості

млн. – мільйон

млрд. – мільярд

ПЕОМ – персональна електронно-обчислювальна машина

ПК – паливні комірки

РЕВ – рада економічної взаємодопомоги

у.п. – умовне паливо


Вступ

Нетрадиційній енергетиці останнім часом приділяється пильна увага в усьому світі . Зацікавленість у використанні відновлюваних джерел енергії - вітру, сонця, морського припливу й річкової води, - легко з'ясовна: немає потреби закуповувати дороге паливо, є можливість використовувати невеликі станції для забезпечення електроенергією важкодоступних районів.

Малі й мікро ГЕС - об'єкти малої гідроенергетики. Ця частина енерговиробництва займається використанням енергії водних ресурсів і гідравлічних систем за допомогою гідроенергетичних установок малої потужності (від 1 до 3000 кВт). Мала енергетика одержала розвиток у світі в останні десятиліття, в основному через прагнення уникнути екологічного збитку, який наноситься водоймищами великих ГЕС, через можливість забезпечити енергопостачання у важкодоступних і ізольованих районах, а також, через невеликі капітальні витрати при будівництві станцій і швидкого повернення вкладених коштів (у межах 5 років).

Однією з основних переваг об'єктів малої гідроенергетики є екологічна безпека. У процесі їх спорудження й наступної експлуатації шкідливих впливів на властивості і якість води немає. Водоймища можна використовувати й для рибогосподарської діяльності, і як джерела водопостачання населення. Однак, і крім цього в мікро й малих ГЕС чимало переваг. Сучасні станції прості в конструкції й повністю автоматизовані, тобто не вимагають присутності людини при експлуатації. Вироблюваний ними електричний струм відповідає вимогам ДСТУ по частоті й напрузі, причому станції можуть працювати як в автономному режимі, тобто поза електромережею енергосистеми краю або області , так і в складі цієї електромережі. А повний ресурс роботи станції - не менш 40 років (не менш 5 років до капітального ремонту). Ну а головне - об'єкти малої енергетики не вимагають організації великих водоймищ із відповідним затопленням території й колосальним матеріальним збитком.

Природа дає нам самий невибагливий спосіб видобутку енергії. На жаль, ми ним майже не користуємося. Залишається тільки сподіватися, що надалі, при розвитку малого виробництва, необхідність у використанні енергії незліченної кількості природних водойм все-таки виникне.

Електрична енергія багато в чому визначає технічний прогрес, сприяє розвитку високоточних технологій, допомагає забезпечити добробут і життєвий комфорт населення. У той же час подорожчання природних носіїв енергії - вугілля, нафти, газу веде до постійного підвищення тарифів на електроенергію, що негативно позначається на реалізації згаданих положень, на діяльності дрібних і середніх промислових виробництвах і на фермерських господарствах. Доводиться також констатувати, що існують цілі регіони, де зайнятість населення і його життєві блага прямо залежать від своєчасної доставки органічного палива до теплових і дизельних електричних станцій, у той час як у більшості з них є невичерпні запаси надійного поновлюваного джерела електричної енергії - води. Реальним виходом з положення , що створилося, може стати відновлення й зміцнення ролі малої гідроенергетики в розвитку продуктивних сил суспільства , як альтернативного джерела енергії.

Тим більше, що сучасний рівень техніки дозволяє створювати устаткування для мікро й малих ГЕС, що забезпечує якість електричної енергії при роботі на ізольованого споживача, що не уступає своїми параметрами якості електроенергії, виробленої великими тепловими й гідроелектростанціями. Малу гідроенергетику в першу чергу слід використовувати у віддалених і важкодоступних районах, де поблизу немає ліній електропередач, і куди доставка органічного палива сполучена з більшими тимчасовими, технічними й фінансовими труднощами.


1. Переваги й недоліки малої енергетики

У цей час все більша увага приділяється "малій енергетиці", що використовує генератори невеликої потужності, які екологічно більш чисті, енергоефективні й економічно більш прийнятні. Ця нова техніка викидає в атмосферу менше шкідливих речовин, включаючи двоокис вуглецю, що впливає на зміну клімату на 70...100% менше, ніж звичайні електростанції. Це відбувається тому, що вони використають природний газ або відновлювані джерела енергії, а також тому, що вони більш ефективні, тобто мають значно більш високі коефіцієнти корисної дії (ККД).

Перехід до малої енергетики призводить до децентралізації енергопостачання, що має інші переваги. Енергія, вироблена на місці, дозволяє знизити вимоги до системи її передачі й забезпечує додаткову надійність. Оскільки більшість виробництв і життєво важливі установи, такі як фінансові або медичні, у цей час є високоавтоматизованими, то перерва в енергопостачанні навіть на короткий час часто приводить до значних економічних і соціальних втрат. Локальні енергоустановки дають також споживачам додатковий ступінь незалежності від централізованих постачальників енергії.

Все це визначило швидкі темпи зростання і розвиток малої енергетики, що базується на розосередженні електричних генераторів невеликої потужності в сучасних системах енергозабезпечення споживачів енергії. З огляду на переваги малої енергетики в порівнянні із традиційними електричними станціями, варто очікувати її розвитку й в Україні, оскільки викладені важливі аргументи є визначальними в сучасній сфері енергозабезпечення. Ніяке енергетичне лобі прихильників використання потужних ТЕС або АЕС не зможе загальмувати розвиток екологічно більш чистих, енергоефективних і економічно більш прийнятних джерел енергії.

Установки потужністю менше 30 Мвт не підпадають під дію відповідних документів у питаннях регулювання енергосистем загального призначення й деяких державних законів з виробництва теплової й електричної енергії, режимів роботи й потужності устаткування.

У практиці більшості країн світу прийнято використати наступне визначення: "Мала установка для виробництва енергії" це установка, що використовує біомасу, вторинні або відновлювані ресурси, включаючи вітер, сонячні й водні ресурси, для виробництва електроенергії із установленою потужністю не більше 80 Мвт.

В останні роки джерела малої енергетики відносять до розподіленої генерації. Системи енергопостачання споживачів, засновані на використанні розподіленої генерації (джерел малої енергетики), називають децентралізованими системами.

1.1 Актуальність розвитку розподіленої генерації

У зв'язку з різким ростом попиту на електричну енергію у світі наприкінці минулого сторіччя й коливанням цін на первинну енергію енергетичний бізнес був перетворений у величезну "природну монополію".

На жаль, все це не могло надати негативного, часто необоротного впливу на екологію як окремих регіонів, так і світу в цілому. Так, у багатьох країнах світу (у більшості розвинених країн) в 1970-х роках здійснювалося постійне нарощування потужностей електростанцій, що виявилося не ефективним, оскільки екологічні застереження, енергетична криза й багатомільярдні витрати на грандіозні проекти атомної енергетики змусили багатьох сумніватися в раціональності парадигми централізованої електроенергетики. Будівництво великих ядерних і теплових станцій ставало все більш дорогим. Ситуація почала змінюватися починаючи з 1980-х років. У цей же час розвиток нових технологій в енергетичному секторі дозволив істотно знизити вартість невеликих (від 10 кВт до 30 Мвт) установок, що генерують, зокрема газових турбін комбінованого циклу, на ринку з'явилися малі газові турбіни, запущені в масове виробництво. Тому середня потужність нових електростанцій зменшилася з 600Мвт у середині 1980-х до 100 Мвт в 1992 році й 21 Мвт в 1998 році.

У світі помітно почалися зміни на користь впровадження малої енергетики (розподіленої генерації), темпи росту якої (тільки за рахунок поновлюваних джерел енергії) уже в 2000 році були вражаючими (табл. 1.1).

Таблиця 1.1 – Темпи росту джерел енергії

Вид або джерело енергії Темпи росту (19902000р.), в %
Енергія вітру 25
Сонячні елементи 20
Геотермальна енергія 4
Гідроенергія 2
Природний газ 2
Нафта 1
Ядерна енергія 0,8
Вугілля -1

Останні дані дозволяють стверджувати, що зменшення одиничної потужності генеруючих установок тільки почалося. Останні 5 років засвідчили появу нового покоління "портативного" енергогенеруючого устаткування незмірно меншого розміру, ніж великі генератори, які зараз становлять основу централізованої енергетики. Відображаючи досягнення в галузях металургії, синтетичних матеріалів, електроніки й інших, ці пристрої об'єднали великий спектр технологій від удосконалених двигунів внутрішнього згорання до генераторів, які базуються на електрохімічних і фотоелектричних процесах. Хоча джерела малої енергетики поки ще іноді більш дорогі в порівнянні із традиційними генераторами, але ціни на них стали постійно знижуватися з наступним удосконаленням технологій і зниженням питомих витрат при масовому виробництві.

На перших в новому столітті Олімпійських іграх у Сіднеї (Австралія) у вересні 2000 року одним з місць, що було в центрі уваги, стало олімпійське селище, на дахах будинків якого встановлені сонячні батареї для виробництва необхідної електроенергії. Коли ігри завершилися, селище стало "сонячним передмістям" на 1500 жителів, що, по підрахунках його творців, дозволило уникнути вуглецевого забруднення в 7000 тонн викидів щорічно. Це могло відбутися, якби еквівалентну кількість електроенергії одержали при спалюванні вугілля на електростанціях, які виробляють більшу кількість електроенергії в Сіднеї. Подібно олімпійському гаслу "швидше, вище, сильніше", гаслом енергосистеми олімпійського селища могло б бути "дешевше, чистіше, надійніше". Ці нові мініатюрні домашнього розміру генератори є втіленням вражаючої відмови генерації електроенергії, що очолювала енергетику протягом усього першого сторіччя її існування й досягла вершини у вугільних і атомних чудовиськах, які зараз забезпечують основну масу енергії в усьому світі й коштують багато мільярдів доларів. Сучасне сполучення технічних, політичних і екологічних зусиль вдихнуло нове життя в стару ідею децентралізованої малої енергетики.

У спеціальному випуску журналу "Bisiness Week" у серпні 1999 року під заголовком "21 ідея для 21 століття" локальні "персональні" електростанції були першими в списку. Дійсно, енергетика починає нове сторіччя в період бурхливих змін, не бачених із часу її початку 100 років тому.

Як ми вже відзначали раніше, малі електрогенератори є екологічно більше чистими, енергоефективними й у більшості випадків економічно більш привабливими.

Поява малої електроенергетики може мати найважливіші наслідки в "третьому світі", де централізовані енергетичні мережі відомі своєю незахищеністю від частих вимикань, де будівництво електростанцій і електромереж обтяжує уряд багатомільярдними боргами й де 1,6 млрд. людей і дотепер взагалі не мають електрики. Ця енергетика може істотно зменшити витрати на забезпечення основних послуг швидко зростаючому числу міських споживачів. А в сільській місцевості нова техніка може уможливити розвиток автономних сільських електричних систем і позбавить від потреби підключення до централізованих електричних мереж.

Незабаром лібералізація, реструктуризація й реформи електроенергетики, які відбуваються в багатьох країнах, визначать темп змін у централізованій і децентралізованій енергетиці. Нові правила гри визначать, наскільки енергоринки будуть відкритими для нових малих конкурентів. Усе ще діючі в цей час енергетичні монополії, інтереси яких вкоренилися в існуючу економічну й правову систему, будуть продовжувати опір змінам, але, як і у випадку перебудови телекомунікацій, їхній опір згодом, майже напевно, ослабшає.

1.1.1 Недоліки й переваги децентралізації енергопостачання

Аварії енергосистем 1999 року й в 2003 році виявили, що енергопостачальні компанії на протязі десятиліть недостатньо інвестували в підвищення надійності місцевих еклектичних мереж.

Недостатня пропускна здатність місцевих систем електропередачі викликає потребу більших витрат на модернізацію ліній передач й трансформаторів і вказує на потенційну цінність малих, розосереджених генераторів. Роблячи деяку кількість енергії в межах місцевої мережі, малі генератори можуть зменшити навантаження на устаткування систем електропередачі. А в центрі міста, де лінії передач підземні й де їхня заміна вимагає проведення реконструкції вулиць, витрати на встановлення додаткових малих генераторів часто становлять лише малу частину витрат від необхідної для реконструкції системи електропостачання.

Саме тоді, коли старіння устаткування й перевантаження лінії електропередач викликають сумнів у здатності діючих централізованих енергосистем упоратися зі зростаючим попитом на електрику й витримати більш тверді погодні умови, урахувати зростаючу залежність від автоматизації й комп'ютеризованих процесів, підвищується зацікавленість у високоякісному, безперебійному енергопостачанні. І тоді, коли сучасні інформаційні системи висувають додаткові вимоги до якості електроенергії, нові комунікаційні технології прискорюють рух до більш надійної децентралізованої системи.

У багатьох регіонах світу найбільшу загрозу надійності системи забезпечення електроенергією становлять перебої в місцевих системах електропостачання, викликані ушкодженням ліній електропередач через погодні умови або їхнім перевантаженням через надлишкове споживання. Аварії в системах електропостачання викликають до 95% перебоїв подачі енергії в США. Тоді як жара або холод може спричинити перевантаження системи електропередач через підвищений попит на енергію для забезпечення систем кондиціонування або пристроїв для підігріву повітря, деякі стихійні лиха (повені, бурі з градом, урагани) можуть перервати поставку енергії на більші райони, зруйнувавши лінії електропередач. Відповідно до доповіді Енергетичної ради США витрати на передачу й розподіл електроенергії з 1994 року перевищили витрати на її виробництво (від $800 млн. до $2,5 млрд. із цих засобів могли б бути з вигодою спрямовані на малі генератори й підвищення енергоефективності).

Бізнес, що постраждав від стихійних лих, звичайно лише тоді згадує про електропостачання як про найважливішу, життєво необхідну послугу. Перебої в поставці електроенергії можуть досягати так 40% застрахованих збитків, що підтверджується страховими відшкодуваннями після стихійних лих. Коли майже 3 млн. людей залишилися без енергії під час бурі з градом в 1988 році в Новій Англії, Нью-Йорку й Квебеку, то ті, хто мав вітрові електростанції, не залишалися й працювали, а постачальники електроенергії витратили 25 днів, щоб відновити поставку.

Зростаюча роль комп'ютерів і Інтернету в економіці й зростання комп'ютеризованого виробництва зробили споживачів більш чутливими до навіть миттєвих коливань напруги або перебоям. У минулому такі дрібні аварії не мали великого значення, викликаючи лише пригасання світла або зменшення швидкості електричних двигунів, але без якоїсь істотної шкоди. Зростаюча залежність від комп'ютерів означає підвищені вимоги до стабільності напруги: комп'ютерні мережі не витримують перебоїв більше однієї восьмитисячної частки секунди тривалість, яку постачальники енергії навіть не вважають аварією. У США бізнес щорічно губить біля $ 26 млрд. від комп'ютерних аварій.

Якщо комп'ютер у центрі фінансової системи вимкнеться хоч на мить, дані можуть бути загубленими, а операції на мільйони доларів, включаючи банківські трансакції, використання кредитних карток і касових автоматів, будуть перервані. В 1997 році національний банк у місті Омаха підрахував, що година перерви в роботі коштує йому $6 млн. і відреагував на аварію своєї комп'ютерної системи, що наступила після "миготіння" електрики, придбанням чотирьох водневих паливних елементів (комірок), підтриманих двигунами внутрішнього згоряння з маховиками. Паливні комірки (ПК) забезпечують більшу частину енергії для банківського центра даних, і комп'ютерні системи можуть відключитися від електромережі при найменшій ознаці нестабільності. Електропостачання на паливних елементах має додаткову перевагу зменшує викиди вуглекислого газу на 45%, інших забруднювачів повітря на 95%.

Крім того, супермаркети, ресторани, страхові компанії, лікарні й поштові відділення всі починають звертатися до малої енергетики, щоб запобігти збитковим перебоям. Найбільша у світі система енергопостачання на базі ПК буде забезпечувати дублювання електро- й теплопостачання для поштової служби США в Анкориджі (Аляска). Медичний факультет Гарвардського університету використовує водневі паливні комірки для забезпечення електроенергією своїх навчальних та лабораторних приміщень. Високотехнологічні виробництва фармацевтичні, хімічні, біотехнологічні й напівпровідників, які усе більше застосовують комп'ютеризовані виробничі процеси, це ті галузі, де паливні комірки будуть застосовуватися найближчим часом. Заводи, які роблять комп'ютерні чипи, можуть використати ПК як надійне джерело енергії й гарячої дистильованої води побічного продукту ПК.

Інша важлива перевага малої енергетики вона значно менше впливає на навколишнє середовище. Хоча за останні 15 років багато електростанцій обладнано дорогими пристроями очищення викидів, вони усе ще викидають велику кількість забруднювачів. У США електростанції відповідальні за викиди 28% окислів азоту, 67% двоокису сірки, 36% двоокису вуглецю, 33% ртуті в країні щорічно. В усьому світі виробництво електричної енергії є найбільшим джерелом викидів двоокису вуглецю (понад третину його загальної кількості).

Комбінація високої ефективності розподіленої генерації й використання більш чистих видів палива дозволяє набагато зменшити навантаження на навколишнє середовище, що створюють централізовані енергетичні системи.

Дослідження інституту Рокі Маунтин (США) показали, що розміщення малих генераторів ближче до споживачів, а також відповідність їхніх потужностей потребам споживачів, має значні переваги над гігантськими електростанціями, значно підвищує цінність цих генераторів для енергосистеми в цілому. Різниця в експлуатаційних витратах досить більша для того, щоб сонячні батареї, навіть при теперішніх цінах, стали рентабельними для багатьох застосувань. Це дослідження визначило ряд переваг, якими мала (розосереджена) енергетика забезпечує додаткові економічні й екологічні вигоди (табл. 1.2) [6].

Протягом десятиліть енергопостачальні компанії наполягали на тому, що надійність електромережі залежить від централізованого керування системою. Вони не могли дозволити споживачам брати участь у керуванні тисячами розподілених в енергосистемі генераторів, оскільки вони були переконані, що це дорога до хаосу. Однак усе більше аналітиків тепер завіряють у протилежному: більш децентралізоване, розосереджене керування може виявитися набагато гнучкіше, ніж централізована ієрархічна система керування. Така розосереджена система може поводитися подібно гнучким біологічним системам як екосистема або людське тіло, які децентралізують керування й розподіляють його між багатьма зворотними зв'язками, а не покладають на централізовану ієрархію. Як мозок не повинен стежити за кожним процесом в організмі, щоб система функціонувала, так і енергетичні мережі не мають потреби в центральному пункті, через який проходить вся інформація.

Таблиця 1.2 - Сім схованих переваг малої енергетики (за даними на 2000 рік)

Перевага Опис
Модульність (блочність) Потужність малої енергосистеми можна регулювати.
Короткий пусковий період Малі станції можна проектувати й будувати швидше, зменшуючи ризики й період будівництва.
Розмаїтість палив, менший вплив коливання цін Більш різноманітний склад зменшує залежність від коливання цін на викопне паливо.
Надійність і гнучкість Менш імовірні одночасні аварії численних малих станцій, більш короткі простої, легко ремонтувати.
Запобігання спорудження станцій і ліній передач Менша потреба будівництва нових центральних електростанцій, менші втрати.
Місцеве й комунальне керування Забезпечує вибір варіантів і керування на місці, використання місцевих палив.
Запобігання викидів і шкідливих наслідків для навколишнього середовища Мала енергетика виділяє меншу кількість твердих часток, окислів сірки й азоту, двоокису вуглецю, має менший сукупний вплив на навколишнє середовище, зокрема на землю і якість води.

Досягнення в енергетичній електроніці, інформаційних технологіях і пристроях, що акумулюють, спрощують приєднання малопотужних систем до електромережі (або дозволяють їм залишатися поза мережею), одночасно поліпшуючи здатність мережі пристосовуватися до пікових навантажень і коливань потужності. Наслідком може бути "багатобічна мережа", абсолютно відмінна від традиційної "вулиці з однобічним рухом", між центральною електростанцією й кінцевими споживачами. Подібно Інтернету, така енергетична система була б "під керуванням" тисяч або навіть мільйонів індивідуальних споживачів, які дотримуються загального набору технічних правил і вимог.

Новітня енергетична електроніка, включно з мініатюрними чипами (інтегральними схемами), проводами, датчиками, створює нові способи приєднання, інвертування й регулювання потоків енергії. Наприклад, мікропроцесорні пристрої можуть накопичувати дані про потреби в електриці автоматизованих виробничих процесів. Удосконалення в устаткуванні для інвертування й наступного поліпшення струму дозволяють перетворювати постійний струм у змінний (і навпаки) з незначними втратами, синхронізувати малі генератори з електромережею й ізолювати їх від неї, якщо в мережі відбувається збій, зберігаючи надійність локальної енергосистеми й дозволяючи працівникам енергопостачальної компанії безпечно відремонтувати лінію передачі й трансформатори.

В решті решт, у довгостроковій перспективі сполучення комунікаційних і енергетичних технологій можуть привести до "розумної розосередженої автоматизованої електромережі", що буде дозволяти всім частинам електричної системи реагувати на потреби системи в цілому від центральних станцій і малих генераторів до трансформаторів, лініям передачі й навіть окремим електроспоживачам. Керована комп'ютерами система може миттєво реагувати на будь-які проблеми й максимізувати свою загальну ефективність. Наприклад, власник холодильника із відповідним комунікаційним і керуючим устаткуванням для деякого зменшення своєї плати може дозволити енергопостачальнику виключати електродвигун холодильника на короткий момент, коли росте навантаження на всю енергосистему. Це заощаджує гроші споживача й підвищує надійність системи. Також сигнал з комп'ютера енергопостачальника до паливного елемента споживача міг би запускати його в дію для поставки електроенергії в сусідні місця, за що хазяїн ПК одержував би оплату через відповідну знижку у своєму рахунку за електроенергію. Такі програми одержали назву "Керування електричним навантаженням", і в останні роки розглядаються в рамках програм "Інтегрованого ресурсного планування".

Серед пристроїв, створених для енергозбереження, є маховики, акумулятори й суперконденсатори. Особливо, перспективним варіантом, є вироблення водню за допомогою сонячних батарей на дахах, коли світить сонце, з наступним його використанням у паливних елементах для виробництва електрики, коли є в ньому потреба. Так само як двигун внутрішнього згорання збільшив попит на бензин, появу автомобільних ПК прискорює створення мережі для збереження й транспортування водню.

Разом зі зростаючою вимогою до надійності ці інновації в електромережах стимулюють перехід енергетики до більш розосереджених систем відповідно ходу історії. Протягом XX століття яскравим аналогом електроенергетичної системи була радянська система ієрархічного централізованого планування. З початку XXI століття електропостачання рухається до моделі Інтернету: децентралізованої, неієрархічної, орієнтованої на ринок.

Більшість сучасних енергетичних ринків усе ще продовжує використовувати ознаки державної монополії, покладаючись на те, що централізація енергетики необхідна для надійного електропостачання споживачів. Дотепер залишається безліч норм та правил, які підтримують велику енергетику із центральними електростанціями. Як сказав Уолт Петерсон з Королівського інституту міжнародних справ, "занадто часто децентралізовані по своїй суті технології виявляються в ролі команди, що грає на "чужому полі" на домашньому полі централізованої системи й по її правилах".

Для повної реалізації потенціалу малої енергетики, необхідно реформувати регулятивну систему електроенергетики, усунувши перешкоди ринковим відносинам, які в цей час обмежують її впровадження (табл. 1.3).


Таблиця 1.3 - Вісім перешкод малої енергетики (за даними на 2000 рік)

Більш високі початкові капіталовкладення для окремих видів малої енергетики (за винятком малої гідроенергетики)
Існуюча система регулювання прав власності
Відсутність стимулів для зниження пікових навантажень в енергосистемі
Ігнорування впливу на місцеву (регіональну) стабільність
Несправедлива система тарифів та ціноутворення
Обтяжливі вимоги приєднання до мережі
Дискримінаційні правила – ліцензійні, пожежні, будівельні і т. д.
Несправедлива політика відносно шкідливих викидів в атмосферу

Першим кроком тих, хто визначає політику в цій галузі, повинне бути забезпечення того, що мала енергетика, одержуючи плату за ціною, що відображає повну вартість електроенергії. Дослідження Європейської комісії в 1998 році встановило, що повна вартість розосередженої "сонячної електрики" в Італії становить трохи більше, ніж 10 центів за , з них половина є вартістю генерації, а друга половина надбавка, що відображає додаткову надійність та підтримку централізованої системи електропостачання, що є унікальною властивістю для малопотужних локально розосереджених генераторів (можливе їхнє використання в підвищенні безперебійності в системах електропостачання загального призначення).

Данія, Німеччина, Іспанія та інші країни вже ввели закони про "приєднання", які вимагають від постачальників енергії купувати електроенергію, вироблену з відновлюваних джерел, по 7...10 центів за 1 . Ці закони привели до створення понад 5000 Мвт потужності вітроенергетики із середини 1990-х років. Так само Японія й 29 американських штатів мають закони про "вимір чистого балансу" для сонячної енергії, які дозволяють власникам сонячних енергосистем продавати свої надлишки електроенергії в мережі за роздрібними цінами. Ці закони були прийняті швидше за все з екологічних міркувань, ніж для виявлення певних переваг децентралізованої енергетики. Однак вони ясно показують потенційну дієвість простих, добре продуманих законів, які надають розосередженим виробникам електроенергії доступ до мережі по стабільно справедливій ціні на їхній товар.

На конкурентних енергетичних ринках необхідна обов'язкова оцінка вартості передачі електроенергії до споживача для всіх можливих варіантів щодо нового виробництва енергії. Відповідно до цього дослідження така стратегія разом з використанням менш забруднюючих технологій і кращою ефективністю поставки й попиту могла б задовольнити зростаючі потреби в електроенергії, одночасно зменшуючи місцеве забруднення повітря й знижуючи викиди окислів вуглецю на 42% у порівнянні з тенденціями в рамках звичайних підходів.

Необхідна інша реформа, спрямована на стандартизацію вимог до приєднання агрегатів малої енергетики до електромереж загального призначення. У багатьох випадках постачальники електроенергії висувають ряд складних і непотрібних вимог, які додають, як правило, ще тисячі доларів до вартості малої системи, що коштує лише $3.000...10.000. Ці вимоги виходять від застарілих технічних стандартів і зрозумілого бажання енергокомпаній не допустити втрати споживачів централізованої енергетики. Багато країн успішно переборюють ці перешкоди. В Україні також розпочата ця робота. Так, у середині 2004 року прийнятий закон про когенерацію, що спрямований на розв’язання цієї проблеми, зокрема, щоб не допустити нечесного блокування розвитку малої енергетики централізованими постачальниками й не відлякувати власників когенераційних установок непотрібними й безглуздими юридичними документами.

Необхідно переглянути правила, які перешкоджають доступу малої енергетики до мереж загального призначення. Інші перешкоди для малої енергетики виходять з правил, які регулюють розміщення енергоустановок, видачу дозволів на їхню роботу й викиди з них, розроблених ще перед виходом малої енергетики на ринок. Мала енергетика не врахована в більшість спеціальних нормативів (будівельних, електротехнічних, з питань безпеки). Користуючись цим, місцеві чиновники, які стежать за дотриманням правив і встановлюють тарифи, не виявляють знать в цих технологіях.

Монопольним енергопостачальникам необхідні певні стимули, щоб вони заохочували малу енергетику. Сучасні правила оплати послуг постачальників базуються на розмірі їхніх капіталовкладень в устаткування або на обсязі поставляємої ними електроенергії, створюючи фінансову зацікавленість постачальників у блокуванні автономної генерації.

У багатьох державах регулятивні органи створили нормативні правила, які засновані на показниках діяльності всієї енергосистеми, усувають стримуючі фактори й надають місцевим постачальникам стимули для здійснення розосередженої генерації.

Зусилля по перебудові енергетичного законодавства в цілому стримуються нинішніми офіційними монополістами енергопостачання, які прагнуть захистити свої минулі інвестиції в більш централізовані електростанції. Прогрес у реформуванні законодавства, щоб дати дорогу новому класу малих виробників електроенергії, які ще ледь помітні на сучасному ринку, як і слід було сподіватися, є досить повільним. Однак оскільки число компаній, що вкладають капітал у цю техніку, росте й поповнюється більшими фірмами й мільйонами споживачів, що бажають мати свої власні енергогенеруючі системи, зміни відбудуться.

1.1.2 Децентралізація електропостачання сучасної економіки

На Тайм Сквер у Нью-Йорку піднімається новий сорокавосьмиповерховий "зелений хмарочос", "одягнений" з південної й східної сторони в "шкіру" із сонячних батарей. У підвалі будинку встановлені дві 200-кіловатні ПК, які поставляють електрику й гарячу воду. Разом з додатковими конструктивними заходами, такими як ефективне (з високим ККД) висвітлення й ізолюючі вікна, "холодна енергетика" (так іноді називають енергетику, що не використовує процеси горіння для вироблення енергії), по оцінці, приведе до зменшення на 40% викидів парникових газів у порівнянні з будинком із традиційним енергопостачанням.

Смілива поява малої енергетики в одному із провідних світових фінансових центрів (усього кілька кварталів від Едисонової маленької електростанції 1882 року на Пірл стріт) є своєрідним символом повернення до децентралізації енергетики на новому, більш досконалому технологічному рівні. Однак багато хто з аналітиків залишаються скептиками щодо того, чи зможуть малі генератори масового виробництва стати серйозною альтернативою більшим центральним електростанціям. Подібні сумніви спостерігалися серед власників залізниць, які зустрілися з першими автомобілями, і серед виробників великих електронно-обчислювальних машин, коли вони зустрілися з персональними комп'ютерами.

Один з аргументів, спрямованих проти малої енергетики, полягає у тому, що такі маленькі генератори ніяк не зможуть зробити великий внесок в електропостачання сучасної економіки. Слабкість цього доводу показує простий розрахунок. Якщо середню потужність автомобільного двигуна прийняти рівною приблизно 100 кВт, а річна продукція американської автомобільної промисловості становить 13 млн. легкових і малих вантажних автомобілів, то сумарна потужність, що генерує, складе 1300 Гвт. Для порівняння: потужність всіх діючих електростанцій у США в 1998 році становила 778 Гвт. У всьому автомобільному парку США вже діють понад 200 млн. надійних самостійний енергогенераторів з основними витратами на в 10 разів меншими, ніж у великих центральних генераторів.

Останні ринкові оцінки передбачають, що бум малої енергетики вже незабаром. Оцінки обсягів американського продажу енергетичного устаткування потужністю від 1 кВт до 5 Мвт у 1998 році в $4,2 млрд. показали, що американський ринок протягом декількох наступних років буде рости щорічно на 32%. Ринок паливних елементів виріс із $305 млн. у 1998 році до $1,1 млрд. у 2003-м. Ринок мікротурбін, що був близьким до нуля в 1998 році, виріс до $8,5 млрд. і. досягає майже половини американського сектора розподіленої генерації.

Прогнози темпів росту малої енергетики в США до 2010 року коливаються в межах від 5% до 40%. Одне з досліджень прогнозує, що на той час світовий ринок паливних елементів на відновлюваному паливі досягне $10 млрд. Але дійсний потенціал може бути набагато більшим. Малі енергосистеми могли б витиснути значну частину існуючої центральної генерації в промисловому світі й надати країнам, що розвиваються, можливість уникнути шляху надмірної централізації.

Неможливо знати напевно, чи буде одержувати через 20 років світ 30, 50 або навіть 80% енергії від малої енергетики й чи буде вона провісником нової ери "енергетичної незалежності". Але в одному можна бути впевненими; майбутнє електроенергетики не буде схожим на її недавнє минуле.

У перспективі можливо, що більше половини всього енергопостачання суспільство буде одержувати від малих локальних енергосистем, а інше від великих електростанцій на поновлюваних джерелах, таких як вітрові й сонячні станції, а традиційні теплові електроцентралі стануть неефективними.

Експерти по енергетиці представили 10 "ринкових прискорювачів" для просування малої енергетики (табл. 1.4).

Вони прийшли до висновку, що якщо електропостачаючі компанії не виявлять ініціативи в сприянні розосередженої енергетики, то це зроблять покупці, підтримані агресивними новими компаніями. Найближчим часом ріст малої енергетики буде значною мірою залежати від напрямків реструктуризації електроенергетики, темпів закриття атомних і вугільних електростанцій і від нових екологічних нормативів. Деякі енергетичні правила в США і Європі вже переглядаються з урахуванням малої енергетики, але ще багато чого потрібно зробити.

Мала енергетика у віддалених місцевостях є найкращим рішенням в енергозабезпеченні сільських шкіл, лікарень, малих підприємств; у питаннях опріснення, очищення й викачування води, виробництва льоду. Хоча малі дизель-генератори в цей час широко використаються для вироблення енергії поза електромережею, вони не використаються в регіонах із проблемами у використанні пального, тому на їхню зміну можуть прийти інші технології малої енергетики.

Таблиця 1.4 - Десять "прискорювачів ринку" малої енергетики (за даними на 2000 рік)

Спрощення стандартів під’єднання
Ріст попиту на електроенергію обмежений або не може бути прогнозований
Агресивні ринкові нововведення на ринках природного газу і в питаннях надання різних енергетичних услуг
Більш ефективні схеми ціноутворення
Вичерпана пропускна здатність існуючих систем електропередачі та розподілення енергії
Труднощі у наданні ділянок для будівництва нових центральних електростанцій і систем електропередачі і розподілення енергії
Спрощені стандартизовані процедури ліцензіювання та отримання дозволів
"Невдоволені споживачі" електроенергії
Вдосконалення технологій
Попит на "зелену енергію"

Велике міжнародне співробітництво могло б допомогти стимулювати розподілену генерацію. Зобов'язання, узяті країнами, з питань зміни клімату могли б прискорити впровадження малої енергетики у великій кількості країн. Іншими цілями є технологічне лідерство, зменшення залежності від імпорту нафти, зменшення атмосферного забруднення, підвищення ядерної безпеки, нові експортні ринки також можуть спонукати до підтримки малої енергетики. Посилаючись на прогнозований у США $10 трлн. світовий ринок поставок енергії на найближчі 25 років, доповідь Білого Дому в 1999 році призиває урядові структури й промисловість збільшити інвестування в екологічно чисту енергію й створити міжнародні союзи в її підтримку.

В остаточному підсумку, перехід до малої енергетики може прискорити еволюцію до безвуглецевого водневого енергетичного господарства, тому що поширення паливних елементів створює попит на водень як носій енергії. Уряд, бізнесові структури й громадяни, стурбовані зміною клімату, розділяють зацікавленість у тому, щоб цей перехід дійсно здійснився.

Ключове питання щодо технологій прориву не в тому, чи пересилять вони існуючі технології за звичайними критеріями, а в тому, чи зможуть вони більш ефективно задовольнити потреби майбутнього ринку. Поточне ринкове дослідження може значно недооцінити їхній потенціал. Президентові компанії Polaroid маркетингова служба повідомила, що лише 100000 його моментальних фотоапаратів можна буде продати протягом усього строку їхнього життя, тому що лише деякі бачили користь у моментальній фотографії. Так само в цей час більшість менеджерів монопольних енергопостачальних компаній навряд чи може уявити собі великий ринок для малої енергетики. Але ситуація швидко змінюється, коли екологічні й економічні фактори виявляють властиві їм переваги, а більші фірми незграбно підключаються, щоб доганяти своїх спритних конкурентів.

Поза залежністю від того, як незабаром залишиться ця великомасштабна централізована модель електроенергетики, як безперечний релікт ХХ століття, людство вже вступило в період будівництва децентралізованих систем. Безумовно, найближче майбутнє світу за інтегрованими системами енергопостачання споживачів, оскільки протягом значного періоду часу будуть співіснувати як централізовані, так і децентралізовані системи, з поступовим розширенням останніх. У цьому зв'язку необхідно володіти загальними фундаментальними й прикладними знаннями, які властиві централізованим і децентралізованим системам, так і інтегрованим.


2. Водоймища малих ГЕС та їх вплив на екологію

Спорудження малої ГЕС, якщо вона не пристроюється до існуючого вузла або каналу, системи водопостачання або водовідведення, пов'язане зі створенням водоймища. Всебічна оцінка в проекті впливу таких водоймищ на навколишнє природне середовище здобуває в сучасних умовах все більше значення.

Малі ГЕС можуть бути створені не тільки на малих, але на середніх і великих річках теж. Створенню щодо великих водоймищ приділяється досить уваги в спеціальній літературі. Тут докладно розглянуті особливості малих водоймищ.

На відміну від великих водотоків малі ріки тісніше пов'язані з навколишнім природним середовищем. Кожна зміна в ландшафті водозбору малої річки (відомість лісу, оранка землі й інше господарське освоєння) швидко відбивається на поверхневому стоці й, як наслідок, на режимі її живлення. Через меншу глибину малих рік питоме значення їхнього підземного живлення значно менше, ніж у великих рік, внутрішньорічного розподілу стоку. Більшу нерівномірність стоку малих рік породжують й інші причини.

Нерівномірність стоку впливає на гідрохімічний режим малих рік. Оскільки паводковий стік перебуває в руслі малої ріки нетривалий час - усього протягом декількох діб або навіть годин, річка не встигає очиститися від забруднень під впливом природних біологічних і хімічних процесів. Особливо це позначається в межень (період ґрунтового живлення). Через це забруднення малих рік, навіть при відносно невеликих надходженнях забруднень, може перевищити припустиме.

З розвитком народного господарства істотно змінилися функції малих річок й антропогенне навантаження на них. Значно зменшилося їхнє енергетичне використання. Приблизно століття назад на території України налічувалася велика кількість водяних млинів, які створювали сприятливий режим річки (збільшення глибини, аерацію потоку). З ліквідацією їх погіршився стан малих річок, тому що для нормальної експлуатації млинів доводилося стежити за станом водозбору щоб уникнути замулення підпертої ділянки ріки.

У цей час найважливішими факторами, що негативно впливають на малі річки, є скорочення меженного стоку (головним чином за рахунок меліорації земель, лісозводки, сільськогосподарських робіт) і забруднення їх промисловими й господарсько-побутовими стоками. Власне кажучи, багато малих рік у промислово освоєних районах перетворюються в стічні колектори.

У зв'язку із цим зменшилося рибогосподарське значення малих річок, на багатьох з них у минулому перебували нерестовища не тільки туводних, але й прохідних риб.

Зберігається рекреаційне значення малих річок, що є місцем відпочинку. Однак багато малих річок використовуються як вододжерела для розвитку місцевого зрошення й колектори для скидання вод з осушуваних ділянок.

На заплавних землях малих рік розташовані кращі сільськогосподарські угіддя (луги, пасовища, рілля). Інтенсивна сільськогосподарська діяльність привела до того, що деякі малі ріки практично зневоднились, пересихали або замулювались.

Всі ці обставини необхідно брати до уваги при створенні водоймищ малих ГЕС. На жаль, на багатьох малих річках не ведуться гідрометричні спостереження за стоком, мінералізацією, забрудненням води, немає обліку господарського використання річкового стоку й скидань стічних вод, що ускладнює розробку багатьох інженерних рішень по малих водоймищах. При проектуванні малих водоймищ варто враховувати все різноманіття факторів, що впливають на умови їхнього формування й експлуатації. Цей вплив позначається на формуванні ложа й берегів водоймищ, на природні умови прилягаючої території, екологію низ лежачої ділянки ріки.

Як же впливають різні фактори на природу утворення водоймищ малих рік?

Геологоморфологічні умови району розміщення водоймища визначають геологію річкової долини, умови утворення твердого стоку, склад донних відкладень, біогенних елементів, процеси берегової абразії й інше. По цих умовах виділяють водоймища тундри й лісотундри, рівнинні водоймища лісової, лісостепової й степової зон, пустель і напівпустель, а також гірські водоймища. Важливим фактором, що впливає на формування водоймищ малих ГЕС, є морфологія річкової долини, що визначає його глибоководність, співвідношення мілководної й глибоководної зон. Досвід експлуатації малих водоймищ показує, що відносні розміри мілководної зони є часом одним з вирішальних елементів при виборі параметрів водоймища, тому що негативний вплив цієї зони на гідробіологічний режим водоймищ загальновідомий.

На формування природи малих водоймищ істотно позначаються гідрологічні умови, що визначають гідродинамічні умови, що визначають гідродинамічний розвиток внутрішньоводоймових процесів: водообмін водоймища, режим плинів, водний і тепловий баланс, термічний режим у нижньому б'єфі, вирівняний і хвильовий режими. Із цих факторів варто особливо виділити водообмін, значення якого в умовах сильного забруднення малих рік велике. На умови водообміну впливають і морфометричні особливості водоймища. Природно, що чим нижче ступінь зарегульованості стоку водоймищем, тим вище водообмін. Однак умови підвищення водообміну у водоймищі суперечать прагненню збільшити гарантовану енерговіддачу ГЕС, тому їхньому вв'язуванню також варто приділяти увагу. На якість води у водоймище впливають водообмін і процеси природного біологічного самоочищення. Для неблагополучних по якості води водотоків, особливо розташованих у зонах з низькими температурами, що знижують активність процесу самоочищення, вирішаючим для якості води водоймищ малих ГЕС є водообмін.

Важливим при утворенні водоймищ малих ГЕС є берегова абразія. Найбільш активно процеси обвалення й переформування берегів ідуть у приплотинній частини. Спостереженнями встановлені три стадії розвитку берегової абразії: становлення, стабілізація й відмирання. На першій стадії інтенсивно йде процес обвалення берегів, формування прибережних обмілин, вирівнювання берегової лінії (зрізка мисів і заповнення продуктами абразії й наносами заток). Дані експлуатації [5] показують, що становлення берегів малих водоймищ в основному завершується до 15-20 років, у цілому ж цей процес може тривати 100 і більше років.

Активність берегової абразії малих водоймищ може істотно впливати на інтенсивність їхнього замулення, а окремі ділянки берегової смуги, перспективні на утворення великих зсувів, можуть вимагати проведення спеціальних заходів щодо їхньої стабілізації й закріплення. Виявленню таких ділянок необхідно приділяти увагу на стадії проектування малих ГЕС.

При утворенні водоймищ малих ГЕС відбувається процес акумуляції наносів. Недоліки прогнозування цього процесу привели до замулення багатьох раніше побудованих водоймищ малих ГЕС, особливо в гірських і передгірних районах, на річках з високим змістом наносів. Такі ГЕС мають відносну ємність менш 0,01%.

Замулення малих водоймищ походить від зони виклинцьовування підпору до греблі. У верхів'ї водоймища замулення починається не в русловій, а в заплавній частині; руслова частина заливається від греблі. На інтенсивності замулення позначається так само берегова абразія, хвильова активність, вітрова ерозія, водна рослинність. Остання особливо впливає на формування ложа водоймищ у мілководній зоні, часом поступово перетворюючи їх у болото. Для водоймищ малих ГЕС, де відсоток мілководь (глибини до 2 м) вище, ніж у великих водоймищ, і вони займають 25-90% обсягу, небезпека заростання велика, і тому є безліч прикладів [5].

При проектуванні водоймищ малих ГЕС їхньому замуленню варто приділяти особливу увагу. Очевидно, не завжди економічно виправдане буде створення необхідного мертвого обсягу у водоймищі малої ГЕС із тривалим періодом його заповнення. У деяких випадках можна періодично в процесі експлуатації робити очищення від наносів, передбачаючи для цього в проекті площадку розміщення відвалів, а також і господарське використання наносів. Донні відкладення водоймищ можуть бути різними. Залежно від їхнього хімічного складу й фізико-механічних властивостей вони використовуються на добрива, будматеріали [5].

Різноманітний вплив водоймищ малих ГЕС на екологію.

2.1 Вплив на гідрологічний режим

Створення водоймищ малих ГЕС веде до трансформації річкового стоку залежно від характеру регулювання - добового, тижневого, сезонного, багаторічного. Для таких водоймищ характерні перші два види регулювання. У більшості випадків ці водоймища змінюють на незначну величину внутрішньорічний розподіл річкового стоку, хоча є приклади водоймищ досить глибокого регулювання [5].

У районах нестійкого зволоження вплив регулювання річкового стоку водоймищами малих ГЕС більше відчутно. Виконуючи добове регулювання, малі ГЕС збільшують добову амплітуду коливання рівнів на низлежачій ділянці річки в межень. У цілому на межені середньодобові рівні низлежачої ділянки річки малі ГЕС значного впливу не роблять. Позитивна ж роль створення підпірних рівнів на малих річках певних розмірів доведена всім минулим досвідом спорудження мірошницьких гребель.

Втрати на випарювання з водоймищ змінюють природний водний баланс водотоку.


2.2 Зміна рівня ґрунтових вод

На відміну від питань природного утворення штучні водоймища в короткий термін порушують хід природного розвитку природних комплексів. У зоні водоймища в результаті підтоплення відбувається підвищення рівня ґрунтових вод, зміна їхнього режиму, хімічного складу, характеру живлення й состава ґрунтів, мікроорганізмів, рослинності. Розвиток підпору ґрунтових вод відбувається у дві стадії: інтенсивного (5-10 років) і вповільненого (15-20 років) підйому. Розміри підтоплення залежать від морфометрії річкової долини й висоти підпору. Для господарського освоєння підтоплює території, що, особливо для рівнинних рік, необхідно в проекті ГЕС передбачати спеціальні меліоративні заходи - дренаж, підсипання території, підбор состава сівозмін й інше.

2.3 Зміна мікроклімату прибережної зони

Зі створенням водоймищ у прибережній зоні відбувається й зміна радіаційного балансу, температури й вологості повітря, вітрового режиму й опадів. Ці зміни залежать від розмірів (площі, протяжності, обсягу) водоймища, особливостей навколишньої природи. Водоймище впливає як охолоджуюче (більш довгостроково), так і отепляючи. Результати досліджень на водоймищах Рачунської, Саковщинської й інших малих ГЕС показали, що зона їхнього прямого впливу на мікроклімат їхньої прибережної території в холодний період займає всього 250-300 м, у період потепління 25-50 м. При площі водойми до 60-70 км2 й обсязі до 250 млн. м3 зона прямого впливу зростає до 100-250 м у період потепління. На відкритих, не зайнятих лісом ділянках ця зона може збільшитися.

Зі створенням водоймищ можуть відбутися деякі зміни у вітровій діяльності. У районі акваторії можуть змінитися напрямок вітру і його швидкість, що варто враховувати при розрахунках хвильового режиму.

Регулювання стоку водоймищами малих ГЕС змінює режим річки в нижньому б'єфі, що має деякі наслідки. При добовому й тижневому регулюванні стоку постійні коливання рівнів води в нижньому б'єфі підсилюють деформацію берегів на ділянках річки, особливо в перші роки. Надалі ці процеси загасають.

Сезонне регулювання стоку приводить до скорочення розмірів заплави й тривалості її затоплення, що поряд з позитивним ефектом у боротьбі з паводками ускладнює сільськогосподарське використання заплави - скорочуються площі заливних лугів.

У нижньому б'єфі малих ГЕС відбувається також активізація руслових процесів - безпосередньо за греблею розмиви русла і його поглиблення, на низлежачій ділянці русла утворення зони акумуляції наносів.

Змінюється й температура води в ріці нижче греблі - узимку вона підвищується, улітку знижується. Зміни термічного режиму в нижньому б'єфі залежать від глибини й обсягу водоймища, району його розміщення. Однак для малих водоймищ зміни термічного режиму в нижньому б'єфі несуттєві.

Дослідженнями [5] на Осиновичській малій ГЕС встановлено, що малі водоймища виконують роль біологічного очисного спорудження й сприяють збільшенню змісту у воді нижнього б'єфа кисню, азоту, зменшенню змісту вуглекислоти. Поліпшенню кисневого режиму сприяє й аерація води при проходженні через гідротурбіну. Підвищення змісту кисню у воді нижче малих ГЕС поліпшує умови перебування риб, зменшуючи шкідливий вплив на них, знижуючи зимові й літні замори.

Накопичуючи значне число біогенних елементів, водоймища малих ГЕС на навколишнє середовище впливає так багатообразно, що облік всіх факторів представляється досить складним. Як показує обстеження багатьох водоймищ, їхній вплив у цілому позитивний.


2.4 Використання водоймищ малих ГЕС

Обстеження малих ГЕС показало, що їхні водоймища мають різне й, як правило, комплексне призначення.

Досвід показує, що характер використання малих водоймищ у процесі експлуатації змінюється. Так, багато водоймищ споконвічно винятково енергетичного призначення згодом його втратили, тобто ГЕС при них були ліквідовані, але різко зросла їхня роль як об'єктів рекреації, водопостачання, рибництва, транспорту. Зараз поставлене завдання максимально широкого енергетичного використання водоймищ, створених для інших цілей й у першу чергу для зрошення. Усе більше важливого значення набуває рекреаційне використання малих водоймищ. На них створюються санаторії, зони й бази відпочинку, туристські й спортивні комплекси й т.д.

Комплексне використання водоймищ малих ГЕС - одне з найважливіших рішень, правильна розробка якого дозволить підвищити економічну ефективність як раніше побудованих, так і знову намічуваних до будівництва ГЕС.

Водоймища малих ГЕС, впливаючи на природу, самі піддаються впливу навколишнього середовища. Будучи малими, вони більш чутливі до антропогенного навантаження, особливо до забруднення елементами, що не піддаються процесам біологічного самоочищення. Відомі приклади, коли всього одне промислове підприємство своїми скиданнями вод робило неприйнятним комплексне використання малого водоймища. Тому санітарній охороні малих водоймищ варто приділяти особливу увагу при проектуванні малих ГЕС.


3. Мала гідроенергетика

Термін "гідроенергетика" визначає область енергетики, що використовує енергію води, що рухається, як правило, річок. Ця енергія перетворюється або в механічну, або найчастіше в електричну. Крім гідроенергетики водними джерелами енергії є морські хвилі й припливи.

Гідроенергетика є найбільш розвиненою областю енергетики на відновлюваних ресурсах. Важливо відзначити, що відновлюваність гідроенергетичних ресурсів також забезпечується енергією Сонця. Дійсно, річки являють собою потоки води, що рухаються під дією сили ваги з більш високих на поверхні Землі місць у більш низькі й, зрештою, упадають у Світовий океан. Під дією сонячного випромінювання вода випаровується з поверхні Світового океану, пара її піднімається у верхні шари атмосфери, конденсується в хмари, і випадає у вигляді дощу, поповнюючи виснажені джерела рік (мал. 3.1). Таким чином, використана енергія рік є перетвореною в механічну енергією Сонця.

Рисунок 3.1 – Схема перетворення сонячної енергії в гравітаційну потенційну енергію води


Часто буває, що в силу тих або інших змін атмосферних умов цей кругообіг порушується, річки міліють або навіть повністю висихають. Іншим крайнім випадком є порушення цього кругообігу, що приводить до повеней.

Гідроелектростанції і їхнє устаткування використовуються дуже довго, турбіни, наприклад, близько 50 років. Це пояснюється умовами їхньої експлуатації: рівномірний режим роботи при відсутності екстремальних температурних і інших навантажень. Внаслідок цього вартість виробляємої на ГЕС електроенергії низка й багато які з них працюють із високим економічним ефектом. Наприклад, Норвегія робить 90% електроенергії на ГЕС. Виробляєму ГЕС енергію дуже легко регулювати, що важливо при її використанні в енергосистемах з більшими коливаннями навантаження.

Найбільш складними проблемами гідроенергетики є: збиток, який наноситься навколишньому середовищу (особливо від затоплення великих площ при створенні водоймищ), замулювання гребель, корозія гідротурбін і в порівнянні з тепловими електростанціями більші капітальні витрати на їхнє спорудження. Тому особливо перспективним у цей час є використання гідроенергетичних ресурсів малих рік без створення штучних водоймищ.

Оцінка потужності водного потоку. Нехай Q обсяг води, що надходить у робочому органі гідроенергетичної установки в одиницю часу (витрата, вимірювана в м³/с), H - висота падіння рідини (напір, вимірюваний у метрах), ρ - щільність води (кг/м³), g - прискорення сили ваги (9,8 м/с²). Тоді потужність водного потоку Р - визначається по формулі:

(3.1)

Основним робочим органом гідроенергетичних установок, безпосередньо перетворюючих енергію води, що рухається, у кінетичну енергію свого обертання, є гідротурбіни, які підрозділяються на:

1) активні гідротурбіни, робоче колесо яких обертається у повітрі потоком, що натікає на його лопатки потоком води;

2) реактивні гідротурбіни, робоче колесо яких повністю занурено у воду й обертається в основному за рахунок різниці тисків перед і за колесом.

В активній гідротурбіні водний потік перед турбіною за допомогою водовода й сопла формується в струмінь, що направляється на ковші, розташовані на ободі колеса, приводячи його в обертання.

При швидкості потоку води 1,0 м/с енергетична щільність приблизно оцінюється в 500 Вт/м² (при поперечному розрізі ріки). Але для найменших гідроустановок тільки 60% енергії може бути теоретично отримано, тому їхня ефективність рідко досягає 50%, тобто реально використовується тільки 250 Вт/м² енергії за допомогою використання реального потоку води. Потужність, отримана від використання потоку води, пропорційна кубу швидкості води. Якщо швидкість потоку становить 2 м/с, то щільність повинна піднятися до 2000 Вт/м² і так далі.

У цей час використовуються наступні типи турбін:

1) Турбіна Пелтона (Pelton turbine РТ);

2) Турбіна Франциска (Francis turbine РТ);

3) МВТ Турбіна (Michel-Banki turbine);

4) Турбіна Каплана (Kaplan turbine КТ) або турбогвинтовий гідравлічний двигун;

5) Турбіна Дерайза (Deriaz turbine TD).

Вибір типу турбіни залежить від цілого ряду показників, насамперед від висоти потоку бігу води й інших показників, таких як вартість турбіни й експлуатаційні витрати, надійність та інше. На мал. 3.2 наведені границі застосування вищезгаданих турбін, що рекомендуються, залежно від напору, обсягу води, а також потужності кожної машини.


Рисунок 3.2 - Границі рекомендованого використання турбін

Важливим показником при виборі певного типорозміру тієї або іншої турбіни є співвідношення числа обертів колеса ротора, напору й відносної швидкості nс , що визначається як

(3.2)

де n - є дійсним числом обертів у той або інший період часу (швидкість обертання).

3.1 РТ-турбіна

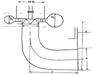
Це турбіна вільного потоку (дії) води. Потенційна енергія води в турбіні стає кінетичною енергією, коли струмінь води, проходячи інжектори, направляється на лопатки рушійного колеса. Робота турбіни відбувається при тиску, близькому до атмосферного. Тому необхідний досить низький напір води для напрямку струменя на лопатки рушійного колеса. У РТ-турбінах використовуються багаторазові інжектори, лопатки й колесо, що рухається, великого діаметра (рис. 3.3).


Рисунок 3.3 - Поперечний розріз РТ-турбіни

Застосування РТ-турбін, як малих гідроустановок, є економічно виправданим, коли є витрати води вище 30 літрів у секунду з напором від 20 м. Необхідне співвідношення H, Q і необхідної потужності РТ-турбіни наведене на мал. 3.2. Діаметр лопаток колеса турбіни D показаний на мал. 3.3. Величина діаметра залежить від значення напору Н, потоку Q і від наведеної швидкості nс :

D=97,5 Q/nc 0,9 ·H1/4 , (3.3)

де nc =240(a/D)z1/2 (об/хв):

a – діаметр струменю води;

D – діаметр колеса в точці реактивного падіння води (тобто, діаметр вінця лопаток в точках дотику з водою);

z — число струменів.

Діаметр інжектора на виході струменя може бути визначений як

a=0,55Q1/2 H1/4 , мм. (3.4)

Оптимальний діаметр колеса ротора може бути визначений як


Dопт = 5,88Q1/2 z-9/2 H-1/4 , мм. (3.5)

Технічне обслуговування і ремонт РТ-турбін досить прості завдяки відносно простій конструкції ротора й доступу до нього.

3.2 FТ-турбіна

Область застосування турбін Франциска для малих гідроустановок перебуває в межах від 3 до 150 м висоти напору й від 100 л/с проектного потоку рушійної води (рис. 3.4).

Рисунок 3.4 - FT - турбіна у розрізі

Відповідно до місцевих умов, турбіни можуть бути горизонтально або вертикально розташовані. Горизонтальне розташування найбільш підходяще, тому що це полегшує пряме з'єднання з електричним генератором (синхронним або асинхронним). Вертикальне розташування більш складне для виконання ремонтів і підтримки в робочому стані. Такі FТ-турбіни іноді можуть використатися в широкому діапазоні напору (від 3 до 600 м).РТ-турбіни мають більший ККД, ніж у FТ-турбіни (мал. 3.5). Для них крива відносини Qе ф /Qпроект = 25%, більш полога. Крім того, існують інші недоліки турбін FТ у порівнянні із РТ-турбінами, а саме вони:

1) вимагають більшої уваги при їхньому обслуговуванні й ремонтах, дуже чутливі до кавітацій;

2) мають не оптимальну криву ККД турбіни, особливо при малих потоках води;

3) більш чутливі до конструкційних матеріалів у місцях надходження протікання води різної якості;

4) працюють хитливо при зниженні потужності до 40% щодо максимальної;

5) вимагають більшої уваги й більш високої кваліфікації персоналу при монтажі й обслуговуванні.

Рисунок 3.5 - Ефективність турбін для малих гідроустановок

1 РТ-турбіни при nс = 20

2 МВТ-турбіни при nс = 100

3 FТ-турбіни при nс = 100

4 FТ-турбіни при nс = 360

Емпірично визначено, що при напорі від 10 до 50 м швидкість обертання колеса FТ-турбіни знаходиться у межах 900...1200 об/хв. для напорів вище 50 м швидкість становить 1200...1500 об/хв.


3.3 МВТ-турбіни

Зображені на малюнку 3.6. У цей час ці турбіни (їх також називають радіальними турбінами) випускаються потужністю аж до 800 кВт. Їхній потік варіюється від 25 до 700 л/с (відповідно до типових розмірів машин) з напором води від 1 до 200 м. Число лопаток, встановлених навколо ротора, варіюється від 26 до 30 по окружності колеса при діаметрі колеса від 200 до 600 мм.

Рисунок 3.6 - МВТ-турбіна з вертикальним входом

МВТ-турбіни конструктивно використовують вільний випуск води або випуск із труби секційного типу. На рис. 3.6 показана турбіна із проходженням води навколо її ротора. У порівнянні з іншими видами турбін МВТ може мати сегментне компонування ротора (поздовжніх осередків ротора), що надає цим турбінам великої переваги. МВТ-турбіни можуть компонуватися декількома осередками. При низьких або середніх потоках води вони працюють із однієї або двома із трьох наявних осередків. Для одержання повної потужності при проектних потоках води використовуються три із трьох осередків.При такій диспозиції можна використати будь-який потік води з відносно оптимальною ефективністю. Завдяки такій можливості турбіна може бути використана навіть при 20% від повної потужності. Ця особливість важлива для проектів, коли можливо поступове задоволення попиту на електроенергію в часі. У цих випадках мала гідроустановка досягає видачі повного потенціалу енергії тільки через деякий час. Головні переваги МВТ це швидке компонування осередків і легкий доступ до всіх елементів устаткування протягом усього часу їхнього обслуговування. На мал. 3.7 наведені залежності ККД від Q МВТ-турбін при різній кількості осередків (сегментів) у порівнянні з FТ-турбіною.

Рисунок 3.7 - Криві ККД при різній кількості осередків в МВТ-турбіні та FT-турбіні

3.4 КТ-турбіна

Її ще називають гідравлічний турбогвинтовий двигун. Такі турбіни призначені для застосуванні при низьких потоках або при потоках води з обмеженою потужністю й мінливістю протягом року. КТ-турбіни рекомендуються для напору приблизно від 0,8 до 5 м. Щоб запустити КТ-турбину, вакуумний насос наповнює сифон водою й формує підйом води між верхнім і нижнім б’єфом води. Залежно від зміни витрати води лопатки колеса можуть регулюватися (рис. 3.8), що дозволяє пристосовуватися до змін потоку в ріці й підвищує ефективність турбіни.


Рисунок 3.8 - Розріз КТ-турбіни

Генератори з вихідними потужностями нижче 100 кВт можуть приводитися шківом або ременем. Колесо турбіни повинне встановлюватися таким чином, щоб нижня крапка колеса розташовувалася на максимальному рівні над верхнім плином.Визначення типорозміру КТ-турбіни, що щонайкраще буде пристосована до потоків і напору води в ріці, може ґрунтуватися на кривих, наведених на рис 3.9.

Рисунок 3.9 - Головні криві потоку для КТ-турбін


3.5 DТ-турбіни

Конструкція турбіни побудована не у вигляді радіальної, не у вигляді осьової форми, а має діагональну або напівосьову форму. У цих турбінах вода, що всмоктується (на вході) прямує по приблизно конічній поверхні навколо колеса ротора. Турбіна, розроблена в 1960 роках, може досягти потужності аж до 200 Мвт. Її потік може варіюватися в досить широкому діапазоні (від 1,5 до 250 м³/с залежно від типорозміру машини), з висотою напору від 5 до 1000м. Діаметр ротора турбіни може бути до 7000 мм, використовуючи від шести до восьми лопаток на колесі ротора. Діагональні турбіни працюють дуже економічно як у режимі турбіни, так і в насосному режимі. По характеристиках вони близькі до турбін Франциска за винятком розміру лопаток колеса ротора.


4.Перспективні конструкції й компонування гідроагрегатів малих ГЕС

4.1 Класифікація малих ГЕС і вимоги до їхнього устаткування

У цей час відсутній єдиний підхід до визначення поняття малих ГЕС. Більшість країн в основу їхньої класифікації закладають значення встановленої потужності; у матеріалах РЕВ дається наступна класифікація: мікрогідроелектростанції - це ГЕС потужністю менш 0.1 Мвт; мінігідроелектростанції - потужністю 0.1-1 Мвт; малі гідроелектростанції - потужністю 1-10 Мвт. Малі ГЕС можна класифікувати й за іншими критеріями. Так, у країнах-членах РЕВ малі ГЕС класифікують:

по напору - низьконапірні ГЕС із напором менш 20м, средньонапорні з напором 20-100м, високонапорні з напором більше 100м;

по режиму роботи - ГЕС, що працюють паралельно з енергосистемою (робота з водотоку); ГЕС, що працюють на ізольованого споживача (робота із графіка навантаження); ГЕС, що працюють на ізольованого споживача паралельно з іншими енергоджерелами (наприклад, з дизельною електростанцією, вітроенергоустановкою і т.п.);

по ступеню автоматизації - повністю автоматизовані ГЕС (що працюють без чергового персоналу).

Енергомашинобудування, крім того, пропонує за критерій, що визначає малі ГЕС і їхнє гідротурбінне устаткування, приймати так само діаметр робочого колеса гідротурбіни й відносити до малих гідроелектростанцій з діаметром робочого колеса турбіни менші 3м. У зв'язку з тим, що вартість устаткування для малих ГЕС може досягати половини й навіть більше загальної вартості, дуже важливим є пошук шляхів його здешевлення. Виходячи з цього, основними вимогами при розробці енергетичного устаткування для малих ГЕС є:

1 уніфікація й стандартизація устаткування;

2 розробка повністю автоматизованого устаткування, що виключає присутність на ГЕС чергового персоналу;

3 використання устаткування спрощеної конструкції й підвищеної надійності із застосуванням сучасних матеріалів, у тому числі антифрикційних;

4 вибір проточної частини, що забезпечує найбільше спрощення й здешевлення будівельних конструкцій без істотного зниження енергетичних параметрів;

5 забезпечення позитивної висоти відсмоктування, що дозволяє скоротити обсяг підводної частини будівлі ГЕС, здешевити і спростити провадження робіт;

6 використання гідротурбін в основному одинарного регулювання (застосування гідротурбін подвійного регулювання, і так само регуляторів частоти обертання допускається тільки при наявності спеціального обґрунтування);

7 попередня збірка устаткування на заводі-виготовлювачі для зниження строків і вартості монтажу на місці установки;

8 використання найсучаснішої технології для підвищення надійності в експлуатації, зниження витрат на технічний зміст і відхід, збільшення терміну служби;

9 застосування зварених конструкцій при їх мінімальній механічній обробці можливість зручного доступу й заміни деталей, що зношуються.

Рядом закордонних фірм уже накопичений значний досвід розробки й виготовлення устаткування для малих ГЕС.

4.2 Типізація гідротурбінного устаткування для малих ГЕС, область застосування, конструктивні особливості

У цей час у закордонній практиці використовуються гідроагрегати декількох типів.Для низьконапірних ГЕС залежно від місцевих умов застосовуються осьові вертикальні й горизонтальні прямоточні гідроагрегати, капсульні й трубні компонування. При цьому залежно від вимог до регулювання осьові гідротурбіни можуть виконуватися:

1 з нерухомими лопатками напрямного апарата й лопатами робочого колеса, тобто нерегульовані гідротурбіни (на ГЕС із мало мінливими витратами й напорами);

2 з нерухомими лопатками робочого колеса й нерухомим напрямним апаратом, тобто лопатево-регульовані (з характеристикою регулювання, приблизно аналогічної попередньому випадку);

3 з регульованим напрямним апаратом і поворотними лопатками робочого колеса, тобто поворотно-лопатеві (при цьому досягається гарний ККД у широкому діапазоні витрат і напорів).

Для підвищення економічності застосовуваного устаткування доцільно розглядати застосування підвищувальних передач між турбіною й генератором.

Для середньонапірних ГЕС найбільш підходящою є радіальноосьова гідротурбіна з горизонтальним або вертикальним валом і нерухомим або регульованим напрямним апаратом. Іноді для підвищення частоти обертання генератора можуть бути використані підвищувальні передачі.

При високих напорах використовуються ковшові гідротурбіни.

Хоча практично всі зазначені типи гідротурбін стандартизовані, однак кожна фірма, що спеціалізується на виробництві гідротурбін для малих ГЕС, має свою номенклатуру й нормалізований ряд параметрів гідротурбін, свої рекомендації з компонування й конструкції його елементів. Так, чехословацьким об'єднанням "Чкд-бланско" було розроблено кілька типів гідротурбін для малих ГЕС.

Прямоточні поворотно-лопатеві горизонтальні гідротурбіни із чотирилопатевим робочим колесом з винесеним генератором і S-образною трубою, що відсмоктує (рис. 4.1).


Рисунок 4.1 - Гідроагрегат з прямоточною горизонтальною турбіною з винесеним генератором і S-образною відсмоктуючою трубою

На рисунку 4.2 показана область застосування гідротурбіни на напір від 2 до 10 м. Лопати робочого колеса регулюються гідравлічним сервомотором з подачею масла від насосної установки електрогідравлічного регулятора. Напрямний підшипник виготовлений з тефлоновим покриттям. Корпус робочого колеса безмасляний з використанням самозмащувальних вкладишів. Гідроагрегат з такою гідротурбіною рекомендується для паралельної роботи з енергосистемою з регулюванням лопат робочого колеса від рівня верхнього б'єфа. Гідроагрегат може працювати теж і на індивідуальне навантаження, однак для цього випадку він забезпечується електрогідравлічним регулятором з датчиком частоти обертання, розташованим на валу гідротурбіни. Кожний гідроагрегат забезпечується так само датчиком, що подає сигнал на автоматичне відключення на закриття аварійного затвора перед турбіною. Відкриття затвора гідравлічне під дією тиску масла, закриття здійснюється під дією власної ваги з керуванням електромагнітом.


Рисунок 4.2 - Область застосування горизонтальної прямоточної гідротурбіни з S-образною відсмоктуючою трубою при напорі 2 - 10 м

Поворотно-лопатеві гідротурбіни із чотирилопатевим робочим колесом для роботи під напором до 26 метрів. Напрямний апарат турбіни регульований, лопати робочого колеса перемикаються лопатевим механізмом при зупиненому гідроагрегаті. Для напорів до 5м рекомендується горизонтальне компонування (рис. 4.3), а для напорів вище 5м - вертикальне компонування з колінчатою або конічною трубою, що відсмоктує.

Рисунок 4.3 - Гідроагрегат з горизонтальною осьовою гідротурбіною і колінчастою відсмоктуючою трубою


Радіально-осьові гідротурбіни на напори до 50м з горизонтальним і вертикальним компонуванням. Горизонтальне компонування (рис. 4.4) виконується у випадку невеликих діаметрів колеса (приблизно до 630 мм), при більших діаметрах застосовуються вертикальне компонування.

Рисунок 4.4 - Гідроагрегат з горизонтальною радіально-осьовою гідротурбіною

Часто застосовується спрощена конструкція турбіни, у корпусі якої функція напрямного апарата забезпечується однією регулюючою лопаткою, розташованою після входу в спіральну камеру й слугуючою одночасно механізмом закриття. Однак рекомендується використання додаткового механізму закриття перед турбіною.Радіально-осьові гідротурбіни на напори до 150м з регульованим напрямним апаратом як у вертикальному, так і в горизонтальному виконанні. Коли гідроагрегат на ізольоване навантаження, гідротурбіна забезпечується регулятором частоти обертання, при цьому здійснюється відкриття напрямного апарата відповідно до зміни рівня верхнього б'єфа. При роботі на енергосистему турбіна забезпечується асинхронним генератором і простим регулятором відкриття тільки відповідно до рівня верхнього б'єфа.На рис. 4.5 приведена компоновка прямоточної вертикальної осьової гідротурбіни, яка є модифікацією горизонтальної гідротурбіни з S-образною відсмоктуючою трубою (рис. 4.1). Розміщення вала гідроагрегату може бути і нахиленим. Лопатки робочого колеса зафіксовані, лопатки напрямлюючого апарату можуть регулюватися.


Рисунок 4.5 - Гідроагрегат з вертикальною осьовою прямоточною гідротурбіною

На рисунку 4.6 представлена схема конструкції й компонування агрегату з поперечно-струменевою (дворазовою) гідротурбіною. Ця гідротурбіна функціонально ставиться, скоріше, до активного, ніж до реактивного класу. Особливостями її є простота конструкції й високий ККД. Напрямний апарат по довжині можна розділити на дві частини, кожна з них, може працювати як окремо, так і в сполученні з іншою частиною. Якщо розділити напрямну лопатку у відношенні 1:2, то при витраті до 1/3 розрахункової витрати працює менша частина каналу, при витраті 1/3-2/3 - більша частина, а при витраті 2/3-1 - обидві частини одночасно. Найбільш ефективне застосування поперечно-струменних турбін в умовах невеликих змін напору при значних коливаннях розходу.

Рисунок 4.6 - Гідроагрегат з поперечно-струменевою гідротурбіною


На рисунку 4.7 показана конструкція горизонтальної двухсоплової ковшової гідротурбіни. Звичайно ковшові гідротурбіни використовуються при високих напорах, однак для малих ГЕС ці турбіни в горизонтальному виконанні ефективні й при середніх напорах (аж до 75 метрів), особливо для ГЕС, що працюють на побутовому стоці з постійним напором і значною зміною напору.

Рисунок 4.7 - Гідроагрегат з горизонтальною двухсопловой кошовою гідротурбіною

4.3 Гідрогенератори, система регулювання й автоматизація роботи

Для малих ГЕС, призначених для роботи в енергосистемах, можуть бути використані як синхронні, так і асинхронні генератори (без порушення й регулятора напруги). При цьому необхідно прагнути до використання стандартних генераторів. Однак для гідроагрегатів малих ГЕС через більші осьові зусилля й високі оберти застосування стандартних генераторів, звичайно використовуваних для дизельних установок, обмежено. Ряд закордонних фірм розробили типові конструкції генераторів для малих ГЕС, на рисунку 4.8 представлена розробка японської фірми "Фуджі" типова конструкція горизонтального синхронного генератора з опорою цокольного типу, на рисунку 4.9 конструкція асинхронного генератора з консольною опорою.


Рисунок 4.8 - Типова конструкція горизонтального синхронного генератора з опорою цокольного типу

Рисунок 4.9 - Типова конструкція горизонтального асинхронного генератора з консольною опорою

Напруга генераторів 220У, 400В; 3,3 кВ, 4,15 кВ, 6,6 кВ, ізоляція класу F.Для машин потужністю менше 1000 рекомендується розімкнута система вентиляції, а для машин потужністю більше 1000 - замкнена система вентиляції з відбором повітря у вентиляційні канали.

Регулятори частоти обертання необхідні тільки при роботі на ізольоване навантаження. У цей час використовуються, як правило, електронні регулятори з модульними елементами. Для гідрогенераторів, що працюють на енергосистему, а так само для гідротурбін з нерухомими лопатками робочого колеса й лопатками напрямного апарата необхідна установка пускозупиняючих пристроїв.

Ступінь автоматизації роботи гідроагрегата визначається відмовою від ручного керування. Автоматизація повинна забезпечувати підтримку стандартної частоти обертання при регулюванні навантаженням, задані режими роботи ГЕС, розхід, задану частоту обертання, пуск і зупинку необхідного числа гідроагрегатів для одержання максимального ККД, запобігання від кавітації.

Автоматизація повинна так само забезпечувати регулювання рівнів при пропуску паводків, дистанційне керування й передачу показань, пуску-зупинки, синхронізацію гідроагрегата.

Для забезпечення надійної роботи устаткування контролюються наступні параметри гідроагрегата з передачею сигналу на диспетчерський пункт:

1 для гідротурбін - висока температура підшипників, механічні поломки, зниження тиску масла;

2 для генераторів - підвищення частоти обертання, перевантаження, перегріви, коротке замикання;

3 для допоміжного устаткування - втрата напруги й захисти.


5. Вибір параметрів турбіни

За заданими напором та витратами за допомогою номограми зображеної на рисунку 5.1 обираємо необхідні параметри для прямоточної горизонтальної турбіни з S-образною відсмоктуючою трубою.

На вісі абсцис, де розташований напір шукаємо значення робочого напору . На вісі ординат, де розташований розхід, шукаємо позначку витрат . Перетинаючи ці дві лінії з лінією потужності отримуємо значення . Таким же чином, на перетині ліній напору і витрат з лінією, яка відображає діаметр турбіни, ми отримуємо значення .

Маючи значення витрат та діаметру гідротурбіни можемо визначити частоту обертів турбіни. Для цього від позначки на вісі абсцис підіймаємося вертикально вгору до прямої, яка відображає значення діаметру гідротурбіни , а потім рухаємося по горизонталі вліво до перетину з віссю ординат і отримаємо значення .

Рисунок 5.1 - Номограма для вибору характеристиктурбіни


6.Економічна частина

Доцільність зведення малої ГЕС визначають у результаті економічного аналізу розрахунками економічної ефективності їх будівництва. Основним методом оцінки економічної ефективності будівництва міні ГЕС, як і для звичайних гідроенергетичних об’єктів, є метод порівняльної ефективності. По цьому методу зіставляють витрати, які пов’язані зі спорудою та подальшою експлуатацією енергетичного об’єкту що розглядається, з аналогічними витратами по альтернативному проектному рішенню, який забезпечує такий самий енергетичний ефект при дотриманні надійності і якості енергопостачання відповідно з необхідними нормами. Економічно виправданим є варіант, який має найменші витрати.

Визначимо яку кількість електроенергії можна виробити за рік:

(6.1)

==

де -установлена потужність;

- кількість годин використання установленої потужності.

Питома витрата умовного палива на 1 на ТЕС:

Питома витрата вугілля на 1 :


Річні витрати умовного палива:

(6.2)

Річні витрати вугілля:

(6.3)

Витрати на придбання палива (вугілля):

(6.4)

де - вартість за тону вугілля.

Кількість викидів СО2 в атмосферу при спалюванні палива:

(6.5)

де К – викид на 1 кг вугілля.

Вартість викиду СО2 за 1т:

10 євро (105грн.)


Економія за рахунок продажу квот на викид СО2 :


(6.6)

Економія поточних витрат за рахунок продажу квот:

(6.7)

Витрати на придбання турбін для міні ГЕС (за даними АО "Турбоатом"):

Для обслуговування двох турбін необхідно п’ять чоловік із середньою заробітною платнею по 2000 грн. на місяць:

Річний економічний ефект від спорудження міні ГЕС з урахуванням амортизаційних відрахувань:

(6.8)


Період окупності проекту:

(6.9)

=


7.Охорона праці і навколишнього середовища

7.1 Загальні питання з охорони праці

Сучасний стан охорони праці в Україні можна охарактеризувати як такий, що викликає серйозне занепокоєння. Створення безпечних умов праці - це невід’ємна частина соціально-економічного розвитку держави, складова державної політики, національної безпеки та державного будівництва, одна з найважливіших функцій органів виконавчої влади, місцевих державних адміністрацій, виконавчих органів, рад, підприємств.

Охорона праці базується на законодавчих, директивних і нормативно-технічних документах. Основними законодавчими документами є: Конституція України, кодекс законів про працю, а також Закон України "Про охорону праці" що визначає основні положення по реалізації конституційного права громадян на охорону їхнього життя і здоровця в процесі трудової діяльності, регулює за участю відповідних державних органів взаємини між власником підприємства, установи й організації або уповноваженим органом і працівником з питань безпеки, гігієни праці виробничого середовища та встановлює єдиний порядок організації охорони праці в Україні. Чинність закону поширюється на всі підприємства, установи й організації незалежно від форм власності і видів їхньої діяльності, на всіх громадян, що працюють, а також притягнуті до роботи на цих підприємствах

Необхідність забезпечення здорових і безпечних умов праці, формування ціннісних орієнтацій пріоритетності життя і здоровця людей стосовно результатів виробничої діяльності, визначає потреба належного підготування спеціалістів всіх освітньо-кваліфікаційних рівнів з питань охорони праці. Охорона праці пов’язана з багатьма науками і дисциплінами, що вивчають людину в процесі праці. Основними серед них є: безпека життєдіяльності, наукова організація праці, ергономіка, інженерна психологія й технічна естетика. У таблиці 7.1.1 приведені закони і нормативні документи, що використані у розділі.

Таблиця 7.1.1 – Закони і нормативні документи, що використані в розділі.

Позначення закону або нормативного документу Назва закону або нормативного документу Дата затвердження і введення в дію Орган влади, що затвердив документ
Закон України Про охрану труда 25.11.2002 р. Верховна Рада України
Закон України Про охрану окружающей природной среды 25.06.1991 р. Верховна Рада України
ГОСТ 12.0.003-74 ССБТ Опасные и вредные производственные факторы Уведений 01.01.1975 р. Кабінет Міністрів
Класифікація
ГОСТ 12.1.005-88 ССБТ Общие санитарно-гигиенические требования к воздуху в рабочей зоне Уведений 01.01.1989 р. Кабінет Міністрів
ГОСТ 12.1.003-83 ССБТ Шум. Общин требования безопасности Уведений 01.07.1983 р. Кабінет Міністрів
ГОСТ 12.1.003-89 ССБТ Санитарные нормы допустимих уровней шума на рабочих местах № 3223-85 Уведений 1985 р. Кабінет Міністрів
ГОСТ 12.1.012-90 ССБТ Вибрационная безопасность Уведений 01.07.1991 р. Кабінет Міністрів
ГОСТ 12.1.045-84 ССБТ Правила охраны труда про эксплуатации ЕОМ Уведений 01.07.1985 р. Кабінет Міністрів
ГОСТ 12.2.007-75 ССБТ Электрические изделия. Общин требования безопасности Уведений 1970 р. Кабінет Міністрів
ГОСТ 12.1.004-91 ССБТ Пожарная безопасность Уведений 01.07.1991 р. Кабінет Міністрів

Сьогодні комп’ютерна техніка широко застосовується у всіх сферах людської діяльності. Усе більш людей різних професій не можуть обійтись без допомоги комп’ютера. Тому необхідно приділяти більше уваги забезпеченню безпечних і нешкідливих умов праці користувачів ЕОМ.


7.2 Небезпечні та шкідливі виробничі фактори

Шкідливий виробничий фактор – це фактор, вплив якого на працюючого в певних умовах призводить до захворювання або зниження працездатності. При роботі на комп'ютері на людину впливають ряд шкідливих і небезпечних факторів, що класифікуються відповідно до ГОСТ 12.0.003-74.

Перелік шкідливих і небезпечних виробничих чинників і джерела їх виникнення при виконанні робіт на ЕОМ в обчислювальному залі приведені в таблиці 7.2.1

Таблиця 7.2.1 Перелік шкідливих і небезпечних факторів

Найменування фактора Джерела виникнення
Висока електрична напруга Мережа живлення ПЕОМ
Підвищений рівень статичної електрики Діелектричні поверхні
Електромагнітні випромінювання ЕЛТ
Підвищений рівень іонізації повітря Рентгенівське випромінювання монітора і статична електрика
Рентгенівське випромінювання ЕЛТ
Підвищений рівень шуму і вібрації Пристрої охолодження ЕОМ, друкувальні пристрої
Підвищена пульсація світлового випромінювання Лампи денного світла, екран монітора
Пожежонебезпека приміщення Наявність спалених матеріалів і джерел запалювання
Психофізіологічні фактори Перенапруга зору, монотонність праці, розумові і емоціональні перевантаження

7.2.1 Освітлення

Основна інформація про навколишній світ – близько 90% - надходить через зорове сприйняття. Раціональне виробниче освітлення має попереджати розвиток зорового і загального стомлення, забезпечувати психологічний комфорт при виконанні тих чи інших видів зорових робіт, сприяти забезпеченню працездатності, поліпшенню якості продукції, зниженню виробничого травматизму, а також підвищенню безпеки праці.

Особливістю роботи за дисплеєм комп’ютера є постійна і значна напруга функцій зорового аналізатора, обумовленого необхідністю розходження самосвітних об’єктів (символів, знаків тощо), при наявності відблисків на екрані, рядковій структурі екрана, мерехтінням зображення, недостатньою чіткістю об’єктів розходження.

Для зручності роботи в приміщенні необхідно правильне освітлення: у світлий час доби – природне освітлення, у темний час – штучне. Освітлення регламентується відповідно до вимог БНіП П-4-79. Будівельні норми і правила. Природне і штучне освітлення.

Обчислювальний зал забезпечений комбінованим освітленням: у світлий час доби – бокове одностороннє природне освітлення три віконних прорізи, у темний час загальне і/або місцеве рівномірне штучне.

У таблиці 7.2.2.1 приведені нормативні показники освітлення робочої зони (природного і штучного).

Таблиця 7.2.2.1 – Освітлення виробничого приміщення

Наіменування приміщення Площа підлоги, м² Розряд зорової праці Освітлення
Природне Штучне
Вид освітлення КПО,% Нормоване освітлення
Обчислювальний зал 35м² Ш-г бокове 1,44 300-500

Природне освітлення нормується коефіцієнтом природної освітленості (КПО). Нормовані значення КПО для будинків, розташованих в I, II, IV, V поясах світлового клімату СНД, визначається по формулі 7.2.2.1:

eH IV = eH III ·m·c (4.1)

де eH IV - значення КЕО для третього поясу світлового клімату СНД;

m – коефіцієнт світлового клімату,

c – коефіцієнт сонячного клімату.

Нормативний коефіцієнтeH III - 2%, що відповідає III розрядові зорових робіт середньої точності з найменшим розміром об’єкта розрізнення 0,3мм, підрозряд – г. Для міста Харкова, що знаходиться в IV поясі світового клімату, значення m = 0,9 і с = 0,8 (вікна приміщення виходять на схід).

7.2.2 Шум

Шум – безладне сполучення неприємних звуків для людини. Звук становить собою коливальний рух часток пружного середовища, що поширюється хвилеподібно.

Виробничим шумом називається шум на робочих місцях, на ділянках підприємства, що виникає під час виробничого процесу.

Вплив шуму на організм людини залежить від рівня звукового тиску, частотних характеристик, тривалості дії, а також індивідуальних особливостей людини. Підвищені рівні шуму при тривалій дії спричиняють швидку втому, погіршення самопочуття, зниження гостроти зору і, врешті-решт, через подразнення нервової системи викликають множинний розлад функцій внутрішніх органів (порушення кров’яного тиску, ритму серця та дихання та інше) – "шумову" патологію.

Характер впливу шуму залежить від виду його джерела. У помешканні обчислювального центру виникає механічний шум (тобто шум, що виникає в результаті роботи різноманітних механізмів внаслідок їхньої вібрації).

Джерелами шуму в обчислювальному залі є комп’ютери, оргтехніка: телефони, принтер, факс, кондиціонери й інше устаткування.

Відповідно до вимог ГОСТу 12.1.003-83 рівень звукового тиску не повинний перевищувати 50дБА.

7.3 Електробезпека

Сучасне виробництво нерозривно пов’язано з використанням електроенергії. В умовах експлуатації потужних енергосистем, електричних машин та апаратів, розвитку обчислювальної техніки і приладобудування важливого значення набуває проблема в електробезпеці.

Основні вимоги безпеки, що відносяться до конструкцій машин і механізмів – це безпека для здоров’я і життя людей.

Експлуатована в процесі проходження практичної роботи ПЕОМ є однофазним споживачем електроенергії в чотирьох провідній трифазній мережі перемінного струму напругою 380/220В з частотою 50 Гц і ізолюючою нейтраллю.

Джерелами можливого враження електричним струмом для працівника ПК можуть бути: комп’ютер, принтер та інша офісна техніка, що під’єднана до електричної мережі.

Передбачені наступні заходи електробезпеки:

1 конструктивні;

2 схемно-конструктивні.

Електромережа штепсельних розеток для живлення ПЕОМ розташована уздовж стін приміщення в металевих трубах і в металевих рукавах, що гнуться, з підведеннями до плану розміщення устаткування.

Для захисту персоналу від ураження електричним струмом ПЕОМ мають робочу ізоляцію й елемент занурення згідно.

Лінія електромережі для живлення ПЕОМ виконана як окрема групова трьох провідна мережа, використовуючи фазовий провід, нульовий робочий провід і нульовий захисний провід. Нульовий захисний провід прокладається від щита розподілу до розеток живлення.

7.4 Пожежна безпека

Пожежі на підприємствах виникають у більшості випадків від несправності технологічного обладнання, електроустаткування та інших приладів, необережного поводження з вогнем та порушення правил пожежної безпеки обслуговуючим персоналом.

Пожежна безпека відповідно до ГОСТу 12.1.004-85 забезпечується системами запобігання пожежі, пожежного захисту, організаційно-технічними заходами.

Будинок, у якому розташовано обчислювальний зал, відноситься до к5атегорії В вибухопожежної безпеки, ступінь вогнестійкості будинку II, через присутність твердих згораючих матеріалів, таких як: робочі столи, ізоляція, папір та інше. У помешканні відділу сухо, відносна вологість 50-55%, температура повітря не перевищує 26ºС.

Система запобігання пожежі включає: контроль і профілактику ізоляції, наявність плавких вставок і запобіжників в електронному устаткуванні, використання заземлення для захисту від статичної електрики. У системі пожежного захисту передбачене аварійне відключення і переключення апаратів і комунікацій. При виборі засобів гасіння пожежі для забезпечення безпеки людини від можливості поразки електричним струмом у приміщенні передбачене використання двох вуглекислих вогнегасників ОУ 5 об’ємністю 5 літрів. Застосування пінних вогнегасників виключне, тому що ЕОМ може знаходитися під напругою. Вогнегасники знаходяться на видному і доступному місці.

Організаційні міри пожежної профілактики: навчання персоналу правилам пожежної безпеки; видання необхідних інструкцій і плакатів, плану евакуації персоналу у випадку пожежі.

7.5 Охорона навколишнього середовища

Навколишнє природне середовище – це все живе, що оточує людину – ландшафти, природнокліматичні зони, рослинний і тваринний світ, повітря, грунт, водяні, лісові, кліматичні ресурси, корисні копалини.

Кризова екологічна ситуація в Україні, а також високі темпи виробництва, високий рівень урбанізації стали основними причинами прийняття постанови Верховної Ради "Про основні напрямки державної політики України в області охорони навколишнього природного середовища, використання природних ресурсів і забезпечення екологічної безпеки".

Закон України "Про охорону навколишнього середовища" визначає правові, економічні, соціальні основи охорони навколишнього природного середовища.

Завдання закону полягає в регулюванні відносин в галузі охорони природи, використанні і відтворенні природних ресурсів, забезпеченні екологічної безпеки, попередженні і ліквідації наслідків негативного впливу на навколишнє середовище господарської й іншої діяльності людини, збереження природних ресурсів, генетичного фонду нації, ландшафтів і інших природних об’єктів.

У зв’язку з масивним забрудненням навколишнього середовища, питання охорони її з регіональних, внутрішньодержавних вилилися в міжнародну, загальносвітову проблему. Всі розвинені країни визначили охорону навколишнього середовища одним з найбільш важливих аспектів боротьби людства за виживання.

У стандартах ТСО-99 закладене обмеження по кадмію у світлочутливому шарі екрана дисплея і ртуті в батарейках. Апарати, тара і документація повинні допускати нетоксичну переробку після використання. Міжнародні стандарти, починаючи з ТСО-92 включають вимоги зниженого енергоспоживання й обмеження припустимих рівнів потужності, споживаних у неактивному режимі.

Що стосується роботи обчислювального залу, можна говорити про повне дотримання норм і правил передбачених законодавством України. Усі правила і норми по організації збору і вивозу сміття з підприємства дотримуються.


Висновки

У даній дипломній роботі розглянуті проблеми сучасної енергетики і одним із напрямків часткового вирішення запропонований варіант розвитку малої гідроенергетики. Вона базується на використанні відновлювальних джерел і є екологічно безпечною, а також собівартість такої енергетики значно нижча за інші види (наприклад теплову).

Розроблений проект спорудження малої гідростанції на вже діючій греблі Печенізького водосховища. є перспективним відповідає сучасним вимогам по захисту навколишнього середовища та має економічну привабливість. Завдяки такій децентралізованій гідростанції Печенізький район може не залежати від центральних мереж електропостачання, самостійно забезпечувати себе електроенергією, а надлишки продавати до центральної мережі.

У подальшому майбутньому може бути розглянутим варіант спорудження ще й вітроенергетичних установок у цьому районі, як доповнення до даного проекту.


Перелік використаної літератури

1 http://www.solarhome.ru/hydro/index.htm

2 http://www.vashdom.ru/articles/enkrizis.htm

3 А. В. Праховник Малая энергетика: распределённая генерация в системах энергоснабжения. – Київ "Освіта України" 2007 р. – 463с.

4 Л. П. Михайлова Малая гидроэнергетика – Москва Энергоатомиздат 1989 г. – 180 с.

5 В.М. Широков, П. С. Лопух Формирование малых водохранилищ гидроэлектростанций – Москва Энергоатомиздат 1986 г.

6 Ластер Браун та інші Стан світу 2000. Доповідь інституту всесвітнього спостереження про прогрес до сталого суспільства – Київ "Інтелсфера" 2000 р. – 312 с.

7 И. Н. Смирнов Гидравлические турбины – Государственное энергетическое издательство Москва – Ленинград 1956 г.- 388 с.

8 Ю. С. Васильев, Д. С. Щавелев Гидроэнергетическое и вспомогательное оборудование гидроэлектростанций справочное пособие в двух томах, том 1 Основное оборудование гидроэлектростанций – Москва Энергоатомиздат 1988 г. – 400 с.

Оценить/Добавить комментарий
Имя
Оценка
Комментарии:
Хватит париться. На сайте FAST-REFERAT.RU вам сделают любой реферат, курсовую или дипломную. Сам пользуюсь, и вам советую!
Никита03:04:06 03 ноября 2021
.
.03:04:02 03 ноября 2021
.
.03:04:00 03 ноября 2021
.
.03:03:59 03 ноября 2021
.
.03:03:56 03 ноября 2021

Смотреть все комментарии (19)
Работы, похожие на Дипломная работа: Проектування малої гідростанції на Печенізькому водосховищі

Назад
Меню
Главная
Рефераты
Благодарности
Опрос
Станете ли вы заказывать работу за деньги, если не найдете ее в Интернете?

Да, в любом случае.
Да, но только в случае крайней необходимости.
Возможно, в зависимости от цены.
Нет, напишу его сам.
Нет, забью.



Результаты(288265)
Комментарии (4159)
Copyright © 2005-2021 HEKIMA.RU [email protected] реклама на сайте