Тема: Технічне обслуговування системи живлення дизеля КамАЗ
ЗМІСТ
1. Будова системи живлення дизеля КамАЗ
2. Особливості технічного обслуговування паливної апаратури двигунів КамАЗ
3. Паливо для дизельних двигунів
4. Правила техніки безпеки при обслуговуванні системи живлення дизельного двигуна
Перелік використаної літератури
1. БУДОВА СИСТЕМИ ЖИВЛЕННЯ ДИЗЕЛЯ КамАЗ
До системи живлення дизелів входять: паливний бак; фільтри грубої та тонкої очистки палива; паливопроводи; паливний насос високого тиску; всережимний регулятор частоти обертання; і автоматична муфта випередження впорскування палива; форсунка; підкачувальні насоси.
Паливопідкачувальний насос 10 дизеля КамАЗ (рис. 1.1) засмоктує паливо з бака 1 крізь фільтри грубої 4 й тонкої 18 очистки.

Рис. 1.1
Схема системи живлення дизеля КамАЗ:
1 - Паливний бак; 2, 5, 7, 8, 11, 13, 15, 17, 19–21 – паливопроводи; 3 – трійник;
4,18 - Фільтри відповідно грубої й тонкої очистки палива; 6– форсунка;
9– ручний підкачувальний насос; 10 – паливопідкачувальний насос;
12 – паливний насос високого тиску; 14 – електромагнітний клапан;
16 – факельна свічка
|
|
Паливопроводами низького тиску 2, 7, 11 і 13 паливо надходить з насоса високого тиску 12, який розміщено між рядами циліндрів Відповідно до порядку роботи циліндрів дизеля насос 12 подає паливо паливопроводами 8 високого тиску до форсунок 6, розташованих у головках циліндрів. Форсунки розпилюють і впорскують паливо в камери згоряння. Паливопідкачувальний насос 10 подає до насоса 12 більше палива, ніж потрібно для роботи дизеля, тому надлишкове паливо, а з ним і повітря, що потрапило до системи, дренажними паливопроводами 17 і 20 відводяться з насоса 12 і фільтра тонкої очистки 18 назад у паливний бак. Паливо, що просочилося крізь зазор між корпусом розпилювача та голкою форсунки, зливається в бак паливопроводами 5, 15, і 21 [1].
Паливний бак автомобіля КамАЗ місткістю 125, 170 або 250 л має заливну горловину, яку обладнано висувною трубою із сітчастим фільтром. Горловина закривається герметичною кришкою. В нижній частині бака є кран для зливання відстою. Рівень палива можна контролювати за покажчиком, сигнали до якого надходять від реостатного датчика, розташованого в баці.
Фільтр грубої очистки (відстійник) автомобіля КамАЗ, який попередньо очищає паливо, встановлено з лівого боку автомобіля на рамі. Фільтр (рис.1.2) складається з корпусу 7, стакана 2, фільтрувальної сітки 4, заспокоювача 3 й відбивача 5. Для ущільнення між корпусом і стаканом ставиться кільце. Знизу в стакані 2 є зливальна пробка 1. Паливо з бака надходить у фільтр підвідним штуцером і стікає в стакан. Великі сторонні частинки й вода збираються в нижній частині стакана. З верхньої частини паливо крізь фільтрувальну сітку 4 подається відвідним штуцером до паливопідкачувального насоса.

Рис. 1.2
Фільтр грубої очистки палива:
1 – зливальна пробка; 2 – стакан; 3 – заспокоювач; 4 – фільтрувальна сітка;
5 – відбивач; 6 – розподільник; 7 – корпус
Фільтр тонкої очистки (рис. 1.3) остаточно очищає паливо перед його надходженням у насос високого тиску. Його встановлено в найвищій точці системи живлення для збирання й відведення в бак крізь спеціальний клапан-жиклер 10 повітря, що потрапило до системи разом із частиною палива.

Рис. 1.3
Фільтр тонкої очистки палива:
1 – корпус; 2 – болт; 3 –ущільнювальна шайба; 4,8– пробки;
5– фільтрувальний елемент, 6 – ковпак; 7, 11 –пружини; 9 – стержень;
10–клапан-жиклер; 12 – пробка клапана
Фільтр автомобіля КамАЗ складається з двох секцій, що мають спільний корпус 1. До кожної секції входить ковпак 6 із привареним до нього стержнем 9 і паперовий фільтрувальний елемент 5. Знизу в стержень вкручено зливальну пробку 8. Ковпаки з'єднано з корпусом болтами 2 й ущільнено шайбами 3. У фільтрі є зливальний клапан, відрегульований на тиск 0,15 МПа. Клапан регулюється добиранням регулювальних шайб, розташованих усередині клапана. Розняття фільтра ущільнено прокладками.
Паливопроводи високого тиску (понад 20 МПа) між насосом високого тиску й форсунками виготовлено зі сталевих трубок, кінці яких мають конус і притиснуті накидними гайками через шайби до конусних гнізд штуцерів насоса й форсунок. Щоб запобігти поломкам паливопроводів унаслідок вібрацій, їх кріплять скобами й кронштейнами.
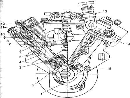
Паливний насос високого тиску призначається для подавання в циліндри двигуна (через форсунки) в певні моменти часу потрібних порцій палива. Цей насос – найскладніший вузол системи живленню дизеля.
Паливний насос дизеля КамАЗ (рис. 1.4) складається з восьми однакових секцій відповідно до кількості циліндрів двигуна. До секції входять корпус 1, втулка 9 плунжера, плунжер 6, поворотна втулка 4, нагнітальний клапан 11, який штуцером 12 притиснутий до втулки плунжера. Під дією кулачка вала й пружини 5 плунжер здійснює зворотно-поступальний рух.

Рис. 1.4
Паливний насос високого тиску дизеля КамАЗ-740:
1 – корпус; 2 – ролик штовхача; 3 – тарілка пружини штовхача; 4 – поворотна втулка; 5 – пружина штовхача; 6 – плунжер; 7 – установочний штифт; 8 – рейка;
9 – втулка плунжера; 10 – корпус секції; 11 – нагнітальний клапан; 12 – штуцер;
13 – ручний підкачувальний насос; 14 – корпус паливопідкачувального насоса;
15 – ролик штовхача паливопідкачувального насоса
Під час руху плунжера вниз (під дією пружини) в порожнині втулки виникає розрідження, й коли відкривається впускне вікно 2, порожнина заповнюється паливом (рис. 1.5. а). Під час руху плунжера вгору (під дією кулачка) в надплунжерному просторі різко підвищується тиск (впускне вікно перекрите), й паливо крізь нагнітальний клапан 4, що відкрився, подається в паливопровід високого тиску (рис. 1.5 б). При цьому мінімальний зазор між втулкою та плунжером дорівнює приблизно 1 мкм; тиск подачі палива досягає 20 МПа. Коли скісна кромка 5 плунжера відкриє відсічне вікно 1, тиск палива у втулці плунжера різко знизиться, нагнітальний клапан 4 під дією пружини швидко закриється, й подача палива припиниться. Оскільки в цей момент плунжер ще рухається вгору, то паливо, яке витискається ним, крізь осьову 3 й радіальну просвердлини в плунжері перетікає у відсічне вікно 1, минаючи виточку на плунжері (рис. 5.1 в).

Рис. 1.5
Схема роботи секції паливного насоса високого тиску:
а – всмоктування палива; б – подавання палива; в – кінець подавання;
1,2 – відповідно відсічне й впускне вікна; 3 – осьова просвердлина в плунжері;
4 – нагнітальний клапан; 5 – скісна кромка плунжера
Кількість палива, що подається секцією паливного насоса високого тиску до форсунки, регулюється повертанням плунжера за допомогою зубчастої рейки 8 (див. рис. 1.4), втулки 4 та повідка, що зв'язує їх. Обидві зубчасті рейки переміщуються вздовж корпусу насоса під дією педалі керування подачею палива або регулятора частоти обертання колінчастого вала.
Залежно від кута повороту плунжера змінюється відстань, яку він проходить від моменту перекриття впускного вікна 2 до моменту відкриття скісною кромкою 5 відсічного вікна 1 (див. рис. 1.5 в). У результаті змінюється тривалість впорскування, а отже, порція палива, що подається в циліндр.
Для зупинки двигуна треба перекрити подачу палива. Для цього плунжер установлюють рейкою в таке положення, щоб радіальна просвердлина в ньому виявилася повернутою до відсічного вікна. Коли плунжер переміщатиметься вгору, все паливо з надплунжерного простору просвердлиною 3 й виточкою на плунжері перетікатиме до вікна 1, а потім – у паливний бак; у циліндр паливо не подається [2].
Всережимний регулятор частоти обертання автоматично підтримує задану частоту обертання колінчастого вала зміною (залежно від навантаження) кількості впорскуваного в циліндр палива. Регулятор дизеля КамАЗ розміщується в розвалі корпусу паливного насоса високого тиску й приводиться в дію від його кулачкового валика. Під час роботи двигуна з частотою обертання колінчастого вала, що відповідає даному положенню педалі керування подачею палива, відцентрові сили тягарців регулятора зрівноважені зусиллям пружини. Якщо навантаження на двигун зменшиться (наприклад, автомобіль поїде на спуск) частота обертання колінчастого вала почне зростати, тягарці регулятора, долаючи опір пружини, трохи розійдуться й перемістять рейку паливного насоса – подача палива зменшиться, що не дасть змоги дизелю істотно збільшити частоту обертання вала. В разі зниження частоти обертання вала відносно тієї, що відповідає положенню педалі керування подачею палива, відцентрова сила тягарців зменшиться й регулятор під дією зусилля пружини перемістить рейку в зворотному напрямі – подача палива збільшиться, а частота обертання колінчастого вала зросте до заданого положенням педалі значення.
Автоматична муфта випередження впорскування палива призначається для зміни моменту початку впорскування палива залежно від частоти обертання колінчастого вала, що поліпшує пускові якості дизеля й підвищує його економічність. Ведена півмуфта (рис. 1.6) кріпиться на конічній поверхні переднього кінця кулачкового валика паливного насоса шпонкою та гайкою, а ведуча півмуфта 1 – на маточині веденої (може повертатися на ній). Між маточиною та півмуфтою 1 установлено втулку 3. Ведуча півмуфта приводиться в дію розподільною проміжною шестірнею через вал із гнучкими сполучними муфтами. На ведену півмуфту обертання передається двома тягарцями 11, які коливаються в площині, перпендикулярній до осі обертання муфти, на осях 16, запресованих у ведену, півмуфту. Проставка 12 ведучої півмуфти впирається одним кінцем у палець тягарця, а іншим – у профільний виступ. Пружини 8 намагаються втримати тягарці на упорі у втулку 3 ведучої пів муфти.
У разі збільшення частоти обертання колінчастого вала тягарці під дією відцентрових сил розходяться, в результаті чого ведена муфта повертається відносно ведучої в напрямі обертання кулачкового валика, що збільшує кут випередження впорскування палива. В разі зменшення частоти обертання колінчастого вала тягарці під дією пружини сходяться. Ведена півмуфта повертається разом із валиком паливного насоса в бік, протилежний напряму обертання валика, що зменшує кут випередження впорскування палива [3].

Рис. 1.6
Автоматична муфта випередження впорскування палива дизелів КамАЗ:
1 – ведуча півмуфта; 2, 4 – сальники; 3 – втулка ведучої півмуфти; 5 – корпус;
6 – регулювальні прокладки; 7 – стакан пружини; 8 – пружина; 9 – шайба;
10– упорне кільце; 11 – тягарці із пальцем; 12 – проставка; 13 – ведена півмуфта;
14 – ущільнювальне кільце; 15 – шайба; 16 – вісь тягарця

Рис. 1.7
Форсунка дизелів КамАЗ:
1 – корпус розпилювача; 2 – гайка розпилювача; 3 – проставка;
4 – установочні штифти; 5– штанга; 6– корпус форсунки;
7– ущільнювальне кільце; 8 – штуцер; 9 – фільтр; 10 – ущільнювальна втулка;
11, 12 – регулювальні шайби; 13– пружина; 14 – голка розпилювача
Форсунка (рис. 1.7 ) призначається для впорскування й розпилювання палива. Паливопроводом високого тиску паливо надходить у штуцер 8 і, пройшовши крізь фільтр 9, просвердлинами в корпусах форсунки 6 і розпилювача 7 потрапляє в порожнину голки 14. Коли плунжер секції насоса створить достатній тиск, він, діючи на голку знизу вгору, долає зусилля пружини 13 відштовхує голку, після чого починається впорскування палива крізь чотири отвори в розпилювачі. Після відсічення подачі палива в насос тиск його у форсунці знижується й голка знову опускається, припиняючи вихід палива з розпилювача. Паливо, що просочилося між голкою та корпусом розпилювача, відводиться з форсунки каналами в її корпусі. Форсунку встановлюють у головці циліндра й закріплюють скобою [2].
Підкачувальні насоси призначаються для подавання палива до наcoca високого тиску в потрібній кількості й підтримання перед ним достатнього тиску.

Рис. 1.8
Схема роботи підкачувальних насосів:
А , Б – порожнини; В – вихід палива до насоса високого тиску;
Г – вхід палива від фільтра грубої очистки; 1 – поршень паливопідкачувального насоса; 2 – поршень ручного підкачувального насоса; 3, 5, 6, 10 – пружини;
4, 9 – відповідно впускний і нагнітальний клапани; 7– штовхач; 8 – ексцентрик
Паливопідкачувальний насос поршневого типу дизеля КамАЗ (рис. 1.8) установлюється на задній кришці регулятора частоти обертання й приводиться в дію від ексцентрика кулачкового валика насоса високого тиску. Коли штовхач 7 опускається, поршень 1 під дією пружини 5 рухається вниз, створюючи розрідження в порожнині А. Впускний клапан 4, стискаючи пружину 3, піднімається й пропускає паливо в цю порожнину. Водночас із порожнини Б паливо витісняється в нагнітальну лінію (клапан 9 закритий). Під час руху поршня 1 вгору паливо з порожнини А крізь нагнітальний клапан 9 надходить у порожнину В (впускний клапан 4 закритий) [4].
Для заповнення системи паливом і видалення з неї повітря на автомобілі КамАЗ є два ручних підкачувальних насоси: один закріплений до фланця паливопідкачувального насоса, а другий установлено на кронштейні на корпусі зчеплення з правого боку автомобіля. Обидва насоси аналогічні за будовою. Для прокачування палива рукоятку з поршнем 2 приводять у рух від руки вгору – вниз.
Схема фільтрації повітря
. Атмосферне повітря треба очистити від пилу щоб зменшити спрацьовування тертьових деталей, і рівномірно розподілити за циліндрами.
Повітря крізь сітки ковпака 5 (рис. 1.9) надходить у трубу повітрозабірника, а потім – у повітряний фільтр. Проходячи інерційну решітку 3 й різко змінюючи напрям свого руху, повітря спочатку звільняється від великих частинок пилу, які під дією сил інерції й розрідження викидаються в атмосферу ежектором 6. Потім дрібніші частинки пилу затримуються в картонному фільтрувальному елементі 2. Очищене повітря трубопроводами надходить у циліндри /дизеля.

Рис. 1. 9
Схема системи фільтрування повітря дизелів КамАЗ:
1 – корпус повітряного фільтра; 2 – картонний фільтрувальний елемент;
3 – інерційна решітка; 4 – труба повітрозабірника; 5 – ковпак;
6 – ежектор; 7 – циліндр
Повітряний фільтр автомобілів КамАЗ (рис. 1.10) установлено позаду кабіни й обладнано змінним картонним елементом 9. Повітря надходить у фільтр вхідним патрубком. Усередині корпусу 3 розміщуються інерційна решітка та пилозбірна порожнина, що сполучається з патрубками відсмоктування пилу. До патрубка 8 приєднано трубку, що веде до ежектора, встановленого у вихідній трубі глушника. Для контролю за роботою повітряного фільтра на лівому впускному трубопроводі встановлено індикатор запиленості, який у разі збільшення розрідження у впускних трубопроводах сигналізує опусканням червоного сигнального прапорця про необхідність промивання або заміни картонного фільтрувального елемента.

Рис. 1.10
Повітряний фільтр:
1 - кришка; 2– серга кріплення кришки; 3– корпус;
4– кронштейн кріплення фільтрувального елемента;
5, 7 – відповідно вхідний і вихідний патрубки; 6 – верхня кришка;
8 – патрубок відсмоктування пилу; 9 – фільтрувальний елемент
Наддування
. Для збільшення літрової потужності дизелів у деяких із них застосовують так зване наддування, тобто подачу в циліндри повітря на такті впускання під тиском, що створюється нагнітачем (компресором). При цьому кількість повітря, яке надходить у циліндри, збільшується, що дає змогу спалювати в них більше палива й таким чином підвищувати потужність дизеля.
На автомобільних дизелях найчастіше застосовують газотурбінне наддування (рис. 1.11). Тиск повітря підвищується у відцентровому компресорі 6, робоче колесо якого приводиться в обертання турбіною 5, що використовує енергію потоку відпрацьованих газів до надходження їх у глушник.

Рис. 1.11
Схема турбонаддування з перепуском газів, минаючи турбіну:
1 – циліндр; 2 – мембрана; 3 – пружина; 4 – перепускний клапан;
5 – турбіна; 6 – компресор
Колеса компресора й турбіни, встановлені на спільному валу, обертаються з однаковою частотою. Цей агрегат називається турбокомпресором. На V-подібному дизелі встановлюють один або два турбокомпресори; в останньому випадку кожен турбокомпресор обслуговує свій ряд циліндрів. Щоб тиск наддування не перевищував допустимого значення (0,2 МПа), використовують перепускний клапан 4, який при досягненні потрібного тиску наддування (він діє на мембрану 2) відкривається й перепускає частину відпрацьованих газів повз турбіну 5. Іноді для зменшення температури повітря після компресора його пропускають через холодильник.
Газотурбінне наддування дає змогу збільшити літрову потужність дизеля до 15... 18 кВт/л, тобто на 20...40 %, і застосовується для автомобільних дизелів ЯМЗ-238Ф, КамАЗ-7403 та ін [3].
У процесі експлуатації двигунів КамАЗ часто порушуються режими технічного обслуговування і більше половини двигунів працюють з несправними форсунками. Ці дефекти обумовлені корозією (потраплянням води в паливо) або закоксовуванням розпилювачів.
Обслуговування форсунок полягає у визначенні розміру зазору в розпилювачах, тиску, при якому починається піднімання голки розпилювача, герметичності розпилювача та форсунки, об'єму розпилюваного палива. Розмір зазору в прецизійних парах має становити 1,5...2,5 мкм.
Контроль і регулювання форсунок виконують на приладі КИ-1609А або іншому аналогічному.
Тиск початку піднімання голки розпилювача повинен дорівнювати 180 МПа. Якщо голка відкривається при тиску менш як 180 МПа, форсунку треба регулювати. Для регулювання використовують шайби, встановлюючи їх під пружину форсунки. Зміна товщини шайб на 0,5 мм призводить до зміни тиску початку піднімання голки на 3,0...3,5 МПа.
Герметичність розпилювача та форсунки перевіряють при тиску 16 МПа. Протягом 15 с паливо не повинно витікати через запірний клапан.
Паливні насоси високого тиску перевіряють на стендах NC-108, NC-104, "Моторпал" (Чехія), або "Стар-12" (Угорщина), якими контролюють початок подавання палива, об'єм палива та рівномірність подавання його секціями насоса.
Початок подавання палива визначають за допомогою моментоскопа (Рис.2.1), починаючи з 8-ї секції і далі в порядку роботи двигуна.
Перевірку та регулювання об'єму й рівномірності подавання палива секціями насоса виконують, контролюючи і в разі потреби регулюючи повне вимкнення подавання палива в межах частоти обертання колінчастого вала 300...350 хв. Потім перевіряють частоту обертання кулачкового вала насоса, при якій починають переміщуватися зубчасті рейки, зменшуючи об'єм подаваного палива.

Рис. 2.1
Моментоскоп :
1 - Скляна трубка; 2 – перехідна трубка; 3 – відрізок паливопроводу високого тиску; 4 – шайба; 5 – накидна гайка
Початок дії регулятора настроюють на номінальний режим з точністю ±15 %. Частота обертання, що відповідає повному ввімкненню подавання палива, повинна дорівнювати 1500+15 хв~' при тому самому положенні важеля керування. Щоб знизити частоту переміщення зубчастої рейки, потрібно трохи вкрутити регулювальний гвинт пружини регулятора, після чого знову перевірити й відрегулювати переміщення рейок на зниження об'єму палива.
Нерівномірність подавання допускається не більш як 5 %. У разі потреби подавання палива окремими секціями регулюють повертанням корпусу секції стосовно корпусу насоса. Після цього корпусом колектора регулюють середній цикловий об'єм палива. При цьому звертають увагу на герметичність агрегатів.
Паливний насос низького тиску перевіряють при частоті обертання 1300±10хв"'. Об'єм палива, що подається, повинен становити 2,5 л/хв при розрідженні на всмоктуванні 22±1 кПа.
Рівень забруднення повітроочисника контролюють індикатором, за показами якого слід постійно стежити. Якщо індикатор несправний, то повітроочисник обслуговують приблизно через 250 год роботи. З підвищенням забруднення фільтрувальні елементи промивають у мийному розчині ОП-17 чи ОП-10 або продувають стисненим повітрям [3].
Дизельне паливо - це нафтові (гасово-газойлеві) фракції, основу яких становлять вуглеводневі сполуки з температурою кипіння 200...350 °С. Це горюча рідина з температурою займання 57... 119 °С і температурою самозаймання 300...330 °С. Гранично допустима концентрація пари дизельного палива в повітрі - 300 мг/м3.
Дизельне паливо - малотоксична речовина, що подразнює слизову оболонку та шкіру людини. Це прозора рідина, яка має вищу порівняно з бензином в'язкість. Забарвлення дизельного палива залежить від наявності смол і змінюється від жовтого до світло-коричневого кольору.
Потреба в дизельному паливі, як і в бензині, дуже велика. Достатньо сказати, що середні витрати його, наприклад, для автомобіля МАЗ-500 дорівнюють 24 л, а для автомобіля КрАЗ - 55 л на 100 км пробігу. Витрати на придбання дизельного палива становлять 8... 10% собівартості перевезень. З урахуванням того, що намітилися тенденції переведення автомобілів на дизельне паливо, його значення в нашій країні зростатиме з кожним роком.
Дизельні двигуни широко застосовують у всіх галузях народного господарства. Основна їх перевага - висока економічність. Витрати дизельного палива в них, порівняно з бензиновими двигунами, менші на ЗО. ..40%, і дизельні двигуни надійніші в роботі.
Дизельне паливо порівняно з бензином дешевше, що зумовлене технологією виготовлення, та менш пожежонебезпечне.
Але дизельне паливо має значний недолік: порівняно з бензином його сировинна база набагато обмеженіша. Дизельне паливо отримують переважно атмосферною (прямою) перегонкою та каталітичним крекінгом, після чого здійснюють його очищення. А бензин виготовляють не лише з нафти, але й з газів, вугілля, важких нафтопродуктів, у тому числі й дизельного палива [4].
Собівартість експлуатації машини залежить не тільки від витрат палива, але й від його якості. Якість дизельного палива впливає також на надійність роботи двигуна, отже, на витрати для його обслуговування та ремонту.
Щоб паливо повністю випаровувалось і згоряло, його треба розпилювати на найдрібніші краплинки й рівномірно розподіляти їх по всьому об'єму камери згоряння.
Найголовнішими експлуатаційними вимогами, які має задовольняти паливо для забезпечення повного та якісного згоряння, є: висока прогінність;
здатність транспортування нафтопродукту крізь фільтри, сепаратори й отвори (для безперебійної надійної роботи насоса високого тиску); тонке розпилювання та гарне сумішоутворення; надійне самозаймання; повне згоряння; м'яка робота двигуна;
мінімальне утворення нагару та відкладень у зоні розпилювачів форсунок та в камері згоряння;
мінімальна корозійна активність;
висока стабільність у разі тривалого зберігання та під час транспортування;
низька токсичність.
Знання властивостей дизельного палива (табл. 1.) та вміння його застосовувати обумовлюють використання машин з дизельними двигунами [5].
Таблиця 1. Основні властивості дизельного палива та їх вплив на роботу двигуна
| Параметри |
Визначення або характеристика |
Вплив на безвідмовність і довговічність роботи двигуна |
| Цетанове Число |
Це вміст (у відсотках за об'ємом) н-цетану в суміші палива з альфа-метилнафталіном, яка за самозайманням аналогічна дослідному паливу |
3 підвищенням цетанового числа процес згоряння палива протікає повільніше, двигун працює економніше і не так жорстко, як на низькоцетановому паливі. Але при цетановому числі більше 60 ..65 робота дизеля погіршується, тому що паливо не повністю згоряє. При цьому підвищується тиск і збільшується питома витрата палива. Цетанове число, крім того, справляє значний вплив на легкість запуску дизеля: чим воно вище, тим за нижчої температури можливий його запуск |
| В'язкість |
Визначається в одиницях кінематичної в'язкості, мм /с, при f=20°C |
Впливає на розпилення палива, отже, на процеси сумішоутворення, згоряння палива і зношення прецизійних пар паливної апаратури. За недостатньої в'язкості збільшується конус розпилювання палива, знижується глибина його проникнення s камеру згоряння, що погіршує процес сумішоутворення, відбувається витікання палива крізь зазори між прецизійними парами і знижується потужність двигуна. Якщо в'язкість палива висока, то конус його розпилювання зменшується, а глибина проникнення факела в камеру згоряння збільшується. При цьому частина палива осідає на стінках циліндрів і на дні поршня, змиває оливу і сприяє утворенню нагару. Потужність двигуна знижується |
| Температура помутніння |
Це температура, за якої паливо внаслідок утворення кристалів парафіну та льоду мутніє і набуває білого кольору |
Розміри кристалів залежать від швидкості охолодження. При повільному охолодженні утворюються більші кристали (15...40 мкм), а при швидкому -дрібніші (4... 10 мкм). Кристали можуть закупорити частково або повністю пори фільтрів і порушити подавання палива до насосів і форсунок |
| Температура застигання |
Це температура, за якої кристали, зрощуючись один з одним, утворюють сітчастий або стільниковий каркас і паливо втрачає свою рухливість (застигає) |
Практичного значення ця температура не має, тому що прогінність палива припиняється вже за температури помутніння. Для поліпшення низькотемпературних властивостей дизельного палива під час його виробництва з нього виводять парафіни (депарафінізація) і додають депресорні присадки, які знижують температуру застигання на 10...50 °С і в'язкість |
| Фракційний склад |
Характеризується температурою перегонки 50 і 96 % палива |
Ще не встановлено залежність між фракційним складом та експлуатаційними властивостями палива, але в ряді випадків простежуються деякі закономірності. Наприклад, паливо з важчими фракціями може призвести до погіршення запуску двигуна, підвищеної витрати палива, нагароутворення, димності та інтенсивнішого зношення деталей двигуна. Те саме маємо і в разі використання палива з легшими від нормативних фракціями, тому що при цьому знижуються цетанове число і в'язкість, підвищується жорсткість роботи двигуна і, як наслідок, зростає ступінь зношення деталей системи живлення та циліндро-поршневоі групи |
| Температура спалаху |
Це температура, за якої пара палива утворює суміш, що загоряється при наближенні до неї вогню |
Характеризує ступінь пожежної безпеки палива |
| Йодне число Зольність |
Це маса йоду в грамах, яка спроможна приєднатися до 100 г нафтопродуктів
Визначають випаровуванням 1 л палива в колбі до отримання ЗО. .40 мл залишку, який потім пропарюють у тиглі при темно-червоному розжаренні до повного обзолення. Отриману масу золи виражають у відсотках до 1 л палива
|
Відбиває наявність у паливі ненасичених сполук і характеризує одну із сторін хімічної стабільності, отже, можливість тривалого зберігання
Характеризує забрудненість дизельного палива
|
| Коксованість |
Визначають нагріванням палива до високої температури без доступу повітря, внаслідок чого паливо випаровується і розкладається з утворенням коксо-подібного залишку. Отриману масу золи виражають у відсотках до 1 л палива |
Характеризує хімічний склад палива і здатність його до нагароутворення |
| Кислотне число |
Це маса (в мг) гідрооксиду калію (КОН), витраченого на нейтралізацію вільних кислот, що містяться в 1 г нафтопродукту |
Характеризує якість палива стосовно темпів зношування деталей двигуна |
| Бромне число |
Це вміст ненасичених сполук у нафтопродукті, який виражається в грамах брому, що витрачається на реакцію 100 г нафтопродукту |
Відбиває наявність у паливі ненасичених сполук і характеризує хімічну стабільність палива, отже, можливість тривалого зберігання |
СПИСОК ВИКОРИСТАНОЇ ЛІТЕРАТУРИ
1. Костів Б. Ф. Експлуатація автомобільного транспорту: Підручник. - Львів: Світ, 2004. – 496 с.; іл
2. Лауш П.В. Техническое обслуживание и ремонт машин. – К.: Высшая школа, 1989. – 350с.
3. Строков О.В. Технічне обслуговування та ремонт вантажних і легкових автомобілів, автобусів. – К.: Грамота, 2005
4. Родичев В.А., Родичева Г.И. Тракторы и автомобили – М.: Высш. школа, 1982. – 320с.
5. Токаренко В.М. Практикум по устройству, техническому обслуживанию и ремонту автотранспорта. – К.: Урожай, 1989. – 350с.
|