Методика использования тока в биологически активных точках
1 Схемотехника стабилизированных источников тока (ИТ)
Наиболее просто решать задачу построения ИТ можно используя нелинейности выходных характеристик биполярных и полевых транзисторов. В общем случае ИТ строят на базе усилительного каскада со стоковой нагрузкой.
Типичный вид выходной характеристики полевого транзистора представлен на рис. 1, где использованы следующие обозначения:
Ic
- ток стока;
Uc
и
- напряжение сток-исток;
Uзи
- напряжение затвор-исток;
Uп
-пороговое напряжение (напряжение отсечки).

Рисунок 1 – Выходные характеристики полевого транзистора
Из рисунка видно, что при постоянных значениях напряжения изменение Ic
невелико. Схемы ИТ на биполярных и полевых транзисторах нашли достаточное применение в различных устройствах из-за простоты их реализации.
Одна из наиболее простых схем ИТ с температурной компенсацией рабочей точки представлена на рис. 2.

Рисунок 2 – Схема ИТ с буферным эмиттерным повторителем
В этой схеме падение напряжения Uбэ VT2 компенсируется падением напряжения на эмиттерном переходе VT1, который имеет такие же температурные характеристики. Резистор R3 играет роль нагрузки для VT1 и задает ток базы VT2. Варьируя соотношением R1/(R1+R2), можно изменять ток нагрузки.
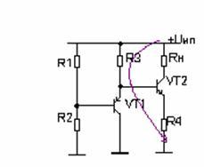
Существенно улучшает стабилизацию тока по сравнению с предыдущей каскодная схема (рис. 3). В данной схеме VT1 работает как и в прежней схеме, но напряжение на коллекторе фиксируется с помощью эмиттера VT2. Ток, текущий через нагрузку, практически не зависит от тока базы VT2, если h21 последнего достаточно велико. При этом Uкэ VT1 не зависит от напряжения на нагрузке, а это значит, что устранены влияния на величину выходного тока изменений Uбэ транзистора VT1.

Рисунок 3 – Каскодная схема ИТ
Для того, чтобы схема обеспечивала высокую точность поддержания тока, следует использовать стабильные резисторы с допуском 1%. влияние коэффициента h21 можно ослабить, если выбрать транзистор с большим значением h21. Тогда ток базы будет вносить меньший вклад в ток эмиттера. Этого же можно достичь, если в качестве VT1 использовать составной транзистор. Ток нагрузки регулируется резистором в эмиттере VT1.
Еще одним вариантом обеспечения независимости выходного тока от напряжения питания является использование напряжения Uбэ в качестве опорного (рис.4). В этой схеме Uбэ
VT1 определяет выходной ток независимо от напряжения источника питания Uип. Ток нагрузки определяется величиной резистора R2:

Рисунок 4 – Схема ИТ с использованием б-э перехода транзистора
Iн
= Uбэ
/R2
С помощью резистора R1 устанавливается смещение VT2 и потенциал коллектора VT1, причем этот потенциал меньше Uип на удвоенную величину падения напряжения на базо-эмиттерном переходе (при условии, что транзисторыVT1 и VT2 идентичны):
Uкэ
= Uип
- 2Uбэ
.
Источники тока на основе согласованной пары биполярных транзисторов носят название “токовые зеркала” (ТЗ). Базовая схема ТЗ представлена на рис. 5. Особенностью схемы является то, что ток через нагрузку задается коллекторным током транзистора VT1.

Рисунок 5 – Базовая схема токового зеркала
При изменении входного сопротивления R в цепи коллектора VT1 величина напряжения Uбэ
, устанавливается в соответствии с требуемым током iпр
, и зависит также от температуры окружающей среды и типом транзистора. В результате оказывается заданным режим схемы и транзистор VT2, согласованный с VT1 (лучше всего использовать монолитный сдвоенный транзистор), передает в нагрузку такой же ток, который задан для VT1.
Одно из достоинств приведенной схемы, в сравнении с предыдущими, состоит в том, что ее диапазон устойчивости по напряжению равен Uип
за вычетом нескольких десятых долей вольта, т. к. нет падения напряжения на эмиттерных резисторах.
ТЗ обладает одним существенным недостатком – выходной ток несколько изменяется с изменением выходного напряжения, поскольку выходное сопротивление ИТ имеет конечную величину. Вызвано это тем, что при заданном токе транзистора VT2 Uбэ
слабо изменяется в зависимости от коллекторного напряжения (проявление эффекта Эрли). Практически ток может меняться до 21% в диапазоне устойчивой работы схемы, т.е. характеристики такого ИТ будут несколько хуже, чем в предыдущих схемах с эмиттерными резисторами (в них действие отрицательной обратной связи по току стабилизирует режим схемы). Поэтому, одним из вариантов улучшения характеристик ТЗ является включение эмиттерных резисторов, падение напряжения на которых составляет несколько десятых долей вольта.
Высокую степень постоянства выходного тока обеспечивает ТЗ Уилсона (рис. 6). Благодаря транзистору VT3 потенциал коллектора VT1 фиксирован:
Uк1
= Uип
- 2Uбэ
.

Рисунок 6 – Схема токового зеркала Уилсона
Транзистор VT3 не влияет на баланс токов, при условии, если его базовый ток пренебрежимо мал. Его единственная функция состоит в том, чтобы зафиксировать потенциал коллектора VT1. В результате в токозадающих транзисторах VT1 и VT2 Uбэ
фиксированы. Транзистор VT3 можно рассматривать просто как элемент передачи выходного тока в нагрузку. Еще одним достоинством этой схемы является уменьшение влияния базовых токов на точность передачи iвх
в нагрузку. ТЗ Уилсона нашло широкое применение в качестве источников тока.
При многоэлектродном способе диагностики и лечения требуются ИТ с несколькими выходами. Это легко достигается распараллеливанием VT2 в базовой схеме токового зеркала (рис. 5). Выходной ток можно умножать или делить, используя различные схемы подключения выходных транзисторов (рис. 7).

Рисунок 7 – Схемы ИТ с несколькими выходами (а), с умножением (б) и делением (в) токов в нагрузке
Вариант деления токов удобен для реализации в устройствах электротерапии. Другим способом получения выходного тока, кратного выходному, состоит во включении дополнительного резистора в цепь эмиттера выходного транзистора (для VT3 Уилсона, например).
ИТ на ОУ (рис. 8) обеспечивают большее приближение к идеальному ИТ благодаря возможности обеспечения более глубокой отрицательной обратной связи (ООС).
На рис. 8 Uвх – сигнал или напряжение, снимаемое с резистивного делителя.

Рисунок 8 - Схема ИТ на базе ОУ
Недостаток схемы очевиден: в случае подключения нагрузок к общей шине ОУ должен иметь “плавающий” источник питания. При этом и управляющий вход ИТ будет “плавающим”. Этого можно избежать, если применить транзисторные развязки.
Ниже приведены схемы таких ИТ, для “заземленных” нагрузок. На рис. 9 представлена схема ИТ с биполярным транзистором. Обратная связь создает на резисторе R падение напряжения, равное Uип
- Uвх
, которое в свою очередь определяет эмиттерный (а следовательно и выходной) ток
Iвых
= (Uип
- Uвх
)/R.
Несовершенство этого ИТ проявляется лишь в том, что небольшой базовый ток может немного изменяться в зависимости от напряжения Uкэ.
Качество работы схемы может быть улучшено, если вместо VТ1 применить составной транзистор, поскольку погрешность возникает в связи с тем, что ОУ фактически стабилизирует эмиттерный ток, а через нагрузку проходит коллекторный ток. Если вместо биполярного транзистора использовать полевой транзистор, то проблема будет полностью решена, т. к. входной ток полевого транзистора незначителен.

Рисунок 9 - Схема ИТ на базе ОУ с выходным БТ
В рассмотренной схеме (рис. 9) выходной ток пропорционален величине, на которую напряжение, приложенное к неинвертирующему входу ОУ, ниже, чем напряжение питания Uип
. Иными словами, напряжение, с помощью которого программируется работа схемы, измеряется относительно шины питания Uип
(падение напряжения UR1
). Это создает проблемы при подаче Uвх
от внешнего источника.
Недостаток можно устранить, применив развязывающий ОУ с транзистором обратной проводимости, для которого управляющее входное напряжение измеряется относительно общей шины (рис.10).

Рисунок 10 - Схема с двумя ОУ
Транзистор VТ1 (n-р-n типа) служит для преобразования входного управляющего напряжения (измеряемое относительно земли) во входное напряжение, измеряемое относительно Uип
для оконечного ИТ. Однако следует иметь в виду, что в этой схеме ОУ должен работать при входных напряжениях близких или равных Uип
.
2 Измерение тока в БАТ
При поиске БАТ в электропунктурной диагностике наибольшее распространение нашел метод измерения электрического сопротивления кожи (ЭСК). При этом фактически измеряют ток, протекающий через БАТ. Такое измерение можно осуществлять как непосредственно, включая микроамперметр в рабочий контур, так и косвенно, контролируя падение напряжения на измерительном резисторе Rи
, включенном последовательно с нагрузкой Rн
(для уменьшения погрешности измерений должно быть выполнено условие Rи
<< Rн
). Ввиду малых измеряемых токов (1-200мкА) второй вариант можно считать предпочтительным, тем более, что он облегчает задачу оцифровки результатов измерений.
Схема устройства представлена на рис. 11. При указанных условиях измерения тока падение напряжения на Rи
будет мало и составляет порядка 1мВ (ЭСК изменяется в диапазоне 6 – 300 кОм). По этой причине для масштабирования падения напряжения на Rи
следует применять дифференциальный усилитель с коэффициентом усиления K=R2/R1 порядка 60. Для снижения уровня синфазных помех, обусловленных значительной протяженностью подводящих проводов (нагрузка заземлена - электрод индифферентной точки подключен к общей шине) используется симметричная схема входных цепей усилителя. Напряжение на выходе усилителя равняется

Рисунок 11 - Схема устройства для диагностики БАТ
Uвых
= Iн
(Rи
R2/R1).
Внешняя балансировка ОУ производится в том случае, если она не предусмотрена в схеме ОУ.
3
Генераторы сигнал-стимулов
В подавляющем своем большинстве генераторы сигнал-стимулов работают в автоколебательном режиме. При этом наибольший приоритет имеют импульсы прямоугольной формы. Генераторы сигнал-стимулов могут быть построены, как на базе аналоговых, так и цифровых микросхем и на любой элементной базе (аналоговые-на транзисторах, на логических элементах, на операционных усилителях, на однотактных таймерах; цифровые-на программируемых таймерах, делителях, микропроцессорах и другие варианты).
Рассмотрим простейший вариант автогенератора-мультивибратора на базе триггера Шмидта, схема которого представлена на рис. 12, а.

Рисунок 12 – Схема мультивибратора на базе триггера Шмидта
Цепь положительной обратной связи (ПОС), обеспечивающая лавинообразный переход мультивибратора из одного состояния в другое выполнена на основе резистивного делителя R1, R2. Цепь отрицательной обратной связи (ООС) образована интегрирующей цепью RC. Временные диаграммы напряжений на выходе и на конденсаторе (инвертирующем входе) представлены на рис. 12, б. В данной схеме длительности двух состояний примерно равны , т.е скважность импульсов положительной полярности равна . Период колебаний определяется соотношением:
.
Пилообразную форму напряжения легко получить, используя заряд конденсатора от источника постоянного тока. Тогда при ic
(t) = const = Ic
получим линейное нарастание напряжения от времени:
.
Если обеспечить периодический быстрый разряд конденсатора, то получим сигнал пилообразной формы. Для коммутации переходных процессов в конденсаторе (заряд – разряд) можно использовать электронный ключ, подключенный параллельно конденсатору (рис. 13, а). Амплитудно-временные диаграммы работы схемы представлены на рис. 13, б. При выбранном типе полевого транзистора (с n – каналом) заряд конденсатора осуществляется в течение времени , когда транзистор закрыт напряжением отрицательной полярности . При подаче управляющего напряжения положительной полярности транзистор открывается и конденсатор разряжается через внутреннее сопротивление открытого транзистора . Временные соотношения задаются тактовым генератором (ТГ).

Рисунок 13 – а) Схема генератора пилообразного напряжения: ТГ – тактовый генератор; ИТ – источник тока б) диаграммы напряжений
В качестве ключевого элемента могут быть использованы как биполярные, так и полевые транзисторы. Длительность пребывания ключа в замкнутом состоянии определяет временной интервал между импульсами пилообразной формы, который должен превышать время полного разряда емкости через внутреннее сопротивление открытого ключа .
Амплитуда выходных импульсов определяется соотношением:
,
где - напряжение источника питания; - внутреннее сопротивление источника тока.
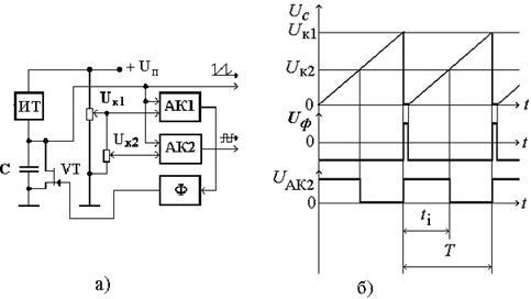
Для рефлексотерапии наряду с частотой повторения важным временным параметром является коэффициент заполнения воздействующего импульса . В качестве примера рассмотрим структурную схему автогенератора, позволяющего осуществлять независимое управление периодом и коэффициентом заполнения импульсов прямоугольной формы (рис. 14, а).

Рисунок 14 – Схема автогенератора сигнал-стимулов (а) и амплитудно-временные диаграммы (б)
Схема содержит источник тока (ИТ), генератор пилообразного напряжения на транзисторе VT и конденсаторе С, формирователь управляющих импульсов генератора пилообразного напряжения (Ф) и два амплитудных компаратора АК1 и АК2.
Амплитудно-временные диаграммы работы устройства представлены на рис. 14, б. В диаграммах использованы следующие обозначения: – пилообразное напряжение, снимаемое с конденсатора С; – регулируемый уровень напряжения переключения компаратора АК1, задаваемый переменным резистором; – регулируемый уровень напряжения переключения компаратора АК2; – напряжение на выходе формирователя (на входе транзистора VT); - выходное напряжение, снимаемое с выхода компаратора АК2; - длительность импульса сигнал-стимула.
Схема работает следующим образом. В начальный момент времени транзистор VT закрыт и конденсатор С заряжается от источника тока ИТ, формируя линейно нарастающее напряжение, которое одновременно подается на входы компараторов АК1 и АК2. На другие входы компараторов подаются регулируемые напряжения и от источника питания . Для нормальной работы схемы необходимо выполнение условия > . После достижения пилообразного напряжения уровня происходит переключение компаратора АК1 (отрицательный перепад) с формированием выходного импульса положительной полярности и длительностью, определяемой соотношением
.
Пилообразное напряжение, продолжая нарастать, достигает уровня срабатывания первого компаратора . Отрицательный перепад выходного напряжения компаратора АК1 подается на запуск формирователя, с выхода которого импульс положительной полярности подается на транзистор VT, вызывая быстрый разряд конденсатора и определяя начало нового цикла заряда. Частота повторения циклов заряд разряд конденсатора, а следовательно и выходных сигнал-стимулов, таким образом задается уровнем срабатывания компаратора АК1 и определяется соотношением:
.
Достоинством схемы на рис. 15 является возможность независимого управления частотой и длительностью сигнал-стимулов. Регулируемый коэффициент заполнения импульса определяется формулой:
.
Одной из наиболее простых аналогово-цифровых интегральных микросхем, используемых для генерирования последовательностей импульсов, является интегральный таймер типа КР602ВИ1 (SE71). Функциональная схема и условное обозначение этого таймера представлены на рис. 15. В состав КР602ВИ1 входят следующие функциональные элементы: два компаратора DA1 и DA2, RS – триггер, резистивный делитель напряжения R1, R2, R3, выходной усилители мощности. Напряжение питания таймера может изменяться в пределах 1 – 7 В.

Рисунок 15 –Функциональная схема таймера КР602ВИ1 (а) и его условное обозначение (б)
Внутренний резистивный делитель задает пороговые уровни напряжения верхнего и нижнего компараторов и соответственно на компараторы DA1 и DA2. Таким образом, если на выводе 2 таймера напряжение станет меньше , то на триггер пойдет сигнал установки в единицу; если же напряжение на выводе 2 станет больше, чем , то с верхнего компаратора на триггер придет сигнал установки в нуль. Триггер имеет и дополнительный вход установки в нуль – вывод 4.
Если на входы триггера поступают одновременно сигналы установки в различные состояния, то триггер срабатывает в соответствие со следующими приоритетами сигналов. Наивысший приоритет имеет сигнал, подаваемый на вывод 4. Поэтому, этот сигнал является сигналом разрешения: если Е = 1, то работа таймера разрешена, если Е = 0, то триггер таймера находится в нулевом состоянии. Вторым по старшинству является непрерывный сигнал , подаваемый на вывод 2. Этот сигнал соответствует инверсному входу установки триггера в единицу: если Е = 1 и , то с выхода триггера будет сниматься единичный уровень (независимо от напряжения на выводе 2). И, наконец, самый младший приоритет принадлежит непрерывному сигналу , подаваемому на вывод 2. Этот сигнал при , и Е = 1 обеспечивает установку триггера в нуль. Выходной каскад обеспечивает ток до 60 мА, что достаточно, например, для управлением электромагнитным реле.
В качестве примера рассмотрим схему мультивибратора на базе таймера КР602ВИ1 (рис.16).

Рисунок 16 – Схема мультивибратора на базе таймера КР602ВИ1 (а) и амплитудно-временные диаграммы работы (б)
Здесь оба непрерывных входа таймера (R и S) используются для контроля напряжения на конденсаторе С. Когда это напряжение достигает уровня , то триггер таймера переходит в состояние 0. При этом на инверсном выходе триггера появляется единичный уровень, открывающий внутренний ключевой транзистор (рис. 16, а). Выход ключа соединен со средней точкой делителя R1, R2, поэтому конденсатор начинает разряжаться через резистор R2 и внутреннее сопротивление открытого ключа. Но как только напряжение на конденсаторе снизится до уровня , то в соответствие с приоритетами сигналов, на триггер подается сигнал переключения в единицу и заряд конденсатора начинается снова. Частота генерируемых импульсов определяется соотношением:
.
Варьируя соотношением сопротивлений резисторов R1, R2 можно регулировать коэффициент заполнения импульсов.
Входной ток компараторов составляет примерно 0,1 мкА, а ток утечки закрытого ключа – около 0,1 мкА. Величины этих токов определяют наибольшее суммарное сопротивление время задающих резисторов R1, R2. Рекомендуется выбирать значение этого сопротивления из диапазона 1кОм – 1МОм. Наименьшая возможная длительность формируемого импульса ограничена быстродействием таймера и равна 6 мкс.
В последнее время широкое распространение получили устройства генерирования сигнал-стимулов на базе микроконтроллеров.
|