ЭЛЕКТРИЧЕСКИЕ И ЭЛЕКТРОННЫЕ АППАРАТЫ
МЕТОДИЧЕСКИЕ УКАЗАНИЯ И РАСЧЕТНОЕ ЗАДАНИЕ
по курсу
Электрические и электронные аппараты
содержание
Предисловие
Варианты расчетного задания
Содержание расчетного задания
Методические указания по выполнению контрольного задания и примеры решения задач
Правила выполнения и оформления контрольных работ
Литература
Приложение 1
Приложение 2
УДК 621.311: 628.26 (075.8)
ббк 31. 264
Денисова А.Р.
Электрические и электронные аппараты. Методические указания и расчетное задание. Для студентов очной и очно-заочной формы обучения. Казань: Казан. гос. энерг. ун-т, 2007.
Приведены варианты расчетного задания и общие рекомендации по его выполнению.
Предназначены для студентов очной и очно-заочной формы обучения, обучающихся по специальности 140600 – "Электрооборудование и электрохозяйство предприятий, организаций и учреждений".
ПРЕДИСЛОВИЕ
Энергетика как отрасль промышленности обладает рядом особенностей, резко выделяющих энергетическое производство из других отраслей промышленности.
Важнейшая особенность энергетики заключается в том, что производство электроэнергии, ее транспорт, распределение и потребление осуществляются в один и тот же момент времени. Эта особенность превращает всю систему производства, передачи, распределения и потребления электроэнергии, отдельные звенья которой могут быть удалены на сотни километров друг от друга, в единый, сложный механизм, в котором системой электроснабжения называют совокупность электроустановок, предназначенных для обеспечения потребителей электроэнергией. Под электроустановками понимают совокупность электрооборудования (вместе с сооружениями и помещениями, где оно находится), предназначенного для производства, распределения, преобразования и потребления электроэнергии.
Электрические и электронные аппараты (Э и ЭА) – это электротехнические устройства, которые используют для включения и отключения электрических цепей, измерения, защиты, управления и регулирования электроустановок, предназначенных для передачи, преобразования, распределения и потребления электроэнергии.
Под Э и ЭА понимают широкий круг всевозможных устройств, применяемых в быту, промышленности и энергетике.
В соответствии с учебной программой основной задачей курса "Электрические и электронные аппараты" является изучение основ теории, конструкций и эксплутационных характеристик Э и ЭА автоматики, управления и защиты, которые применяются в электрических системах, схемах электроснабжения, автоматизации и электропривода.
Основной задачей курса "Электрические и электронные аппараты" является изучение конструкций, эксплуатационных характеристик и условий выбора Э и ЭА распределительных устройств низкого и высокого напряжения, применяемых в системах промышленного электроснабжения.
ВАРИАНТЫ РАСЧЕТНОГО ЗАДАНИЯ
Каждый студент выполняет вариант задания, обозначенный последней цифрой его учебного шифра в зачетной книжке.
ИСХОДНЫЕ ДАННЫЕ КОНТРОЛЬНОГО ЗАДАНИЯ
Исходные данные по вариантам расчетного задания по курсу "Электрические и электронные аппараты" представлены в табл. 1-4.
Таблица 1. Электродвигатели асинхронные
| № варианта |
Тип двигателя |
PНОМ
, кВт |
UНОМ
, В |
Примечание |
1
2
3
4
5
6
7
8
9
10
|
4А 112 M2 У3
4А 132 M2 У3
4А 132 M2 У3
4А 132 S4 У3
4A 132 M4 У3
4A 132 M4 У3
4A 132 M6 У3
4A 160 S6 У3
4A 160 S6 У3
4A 160 S8 У3
|
7,5
11
11
7,5
11
11
7,5
11
11
7,5
|
380
660
380
380
660
380
380
380
660
380
|
Условия пуска двигателей легкие:
tП
= (2-5) с
|
Таблица 2. Токи при трехфазном КЗ за трансформаторами с U К
= 5,5 %,
выполненными по ГОСТу 401 – 41
| № варианта |
Мощность трансформатора, кВА |
Ток трехфазного КЗ (А), отнесенного к напряжению |
| 0,4 кВ |
10,5кВ |
| 1 |
10 |
263 |
10,5 |
| 2 |
20 |
525 |
21 |
| 3 |
30 |
790 |
31,4 |
| 4 |
50 |
1350 |
52,5 |
| 5 |
75 |
1970 |
79 |
| 6 |
100 |
2630 |
105 |
| 7 |
135 |
3540 |
142 |
| 8 |
180 |
4730 |
188 |
| 9 |
240 |
6300 |
254 |
| 10 |
320 |
8400 |
336 |
Таблица 3. Номинальные токи на стороне высокого и низкого напряжения трансформаторов, выполненных по ГОСТу 401 - 41
| № варианта |
Мощность трансформатора, кВ·А |
Номинальные токи (А), на стороне |
| 0,4 кВ |
10,5кВ |
| 1 |
10 |
15 |
2 |
| 2 |
20 |
30 |
3 |
| 3 |
30 |
50 |
5 |
| 4 |
50 |
80 |
7,5 |
| 5 |
75 |
125 |
10 |
| 6 |
100 |
150 |
15 |
| 7 |
135 |
200 |
15 |
| 8 |
180 |
300 |
20 |
| 9 |
240 |
400 |
30 |
| 10 |
320 |
500 |
40 |
Таблица 4. Типы трехфазных масляных двухобмоточных трансформаторов общего назначения класса напряжения 110 кВ
| № варианта |
Тип трансформатора |
Примечание |
1
2
|
ТМН – 2500/110
ТМН – 6300/110
|
Технические данные указанных типов |
3
4
5
6
7
8
9
10
|
ТДН – 10000/110
ТДН – 16000/110
ТДН – 25000/110
ТДН – 40000/110
ТРДН – 25000/110
ТРДН – 40000/110
ТРДН – 63000/110
ТРДН – 80000/110
|
трансформаторов приведены в [3,4]. |
СОДЕРЖАНИЕ РАСЧЕТНОГО ЗАДАНИЯ
Расчетное задание по курсу "Электрические и электронные аппараты"состоит из четырех задач – это задачи І.1, I.2, II.1 и II.2.
Задача I.1. Выбор контакторов и магнитного пускателя для управления и защиты асинхронного двигателя.
Необходимо выбрать контактор, магнитный пускатель и тепловое реле для управления и защиты асинхронного двигателя серии 4А, работающего в продолжительном режиме. Тип двигателя в соответствии с индивидуальным вариантом контрольного задания выбрать из табл. 1. Схема прямого пуска и защиты асинхронного двигателя с короткозамкнутым ротором представлена на рис. 1.

Рис. 1. Схема пуска и защиты двигателя
Задача I.2. Выбор автоматических выключателей и предохранителей для защиты двигателей.
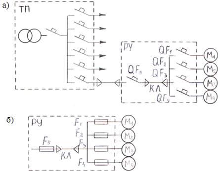
От цехового трансформатора кабелем питается сборка механической мастерской, к которой подключены четыре двигателя. Напряжение сети 380 В. Все двигатели работают одновременно. Типы двигателей приведены в табл. 1; рекомендуется использовать для расчета двигатель, выбранный в задаче I.1 и ближайший к нему; два других двигателя выбрать из противоположного конца таблицы 1. В тех случаях, когда номинальное напряжение выбранных двигателей 660 В, необходимо изменить его на напряжение, заданное в условии задачи I.2 (380 В). Схема цеховой электрической сети, питающей сборку механической мастерской, приведена на рис.2. Требуется выбрать аппараты защиты двигателей и кабеля, питающего сборку:
а) автоматические выключатели QF1
– QF5
(рис. 2 (а));
б) плавкие предохранители F1
- F5
(рис. 2(б)).

Рис. 2. Участок радиальной схемы цеховой электрической сети (ТП – трансформаторная подстанция; РУ – распределительное устройство; КЛ - кабель; QF1
– QF5
– автоматы; М1
– М4
– двигатели; F1
- F5
– плавкие предохранители)
Задача II.1. Выбор низковольтных аппаратов в системах электроснабжения.
Для схем соединения понижающих трансформаторов со сборными шинами низкого напряжения, приведенных на рис. 3, выбрать рубильник QS, предохранитель F и автоматические воздушные выключатели QF в соответствии с исходными данными индивидуального варианта, приведенными в табл. 2 и 3. Номинальное напряжение UН
= 380 В. Условия выбора, расчетные и справочные значения проверяемых величин записать в таблицу, приведённую в примере II.1.
Задача II.2. Выбор высоковольтных аппаратов в системах электроснабжения.
Для схемы питания понижающего трансформатора от магистральной линии, приведенной на рис. 4, выбрать разъединитель QS и предохранитель F в соответствии с исходными данными индивидуального варианта, приведенными в табл. 2-3. Для схем, приведенных на рис. 5, выбрать предохранитель F, короткозамыкатель QN и выключатель Q в соответствии с исходными данными индивидуального варианта, приведенными в табл. 4. Условия выбора, расчетные и справочные значения проверяемых величин записать в таблицу, аналогично приведенной в примере II.2.

Рис. 3. Схемы соединения трансформаторов со сборными шинами низкого напряжения

Рис. 4. Схема питания трансформатора от магистральной линии

Рис. 5. Фрагменты схем электроснабжения промышленных предприятий
МЕТОДИЧЕСКИЕ УКАЗАНИЯ по выполнению РАСЧЕТНОГО ЗАДАНИЯ И ПРИМЕРЫ РЕШЕНИЯ ЗАДАЧ
Методические указания и примеры решения задач I.1 – I.2
Выбор контакторов (магистральных пускателей) – производится по следующим условиям:
а) роду тока силовой цепи;
б) номинальному напряжению и току в силовой цепи;
в) числу главных и вспомогательных контактов пускателя (контакторов);
г) категории применения и климатического исполнения аппарата: категория применения определяется условиями работы потребителя и схемой питания;
д) режима работы.
Если выбирается пускатель, то необходимо указать наличие теплового реле и реверсивности пускателя, что определяется схемой управления двигателя.
Выбор тепловых реле – производится по условиям:
а) номинальному напряжению реле;
б) числу полюсов;
в) номинальному току нагревательного элемента реле, который выбирается таким образом, чтобы отключение реле при пусковом токе двигателя происходило в интервале времени от tП
до 1,5*tП
. Если выбран пускатель со встроенным тепловым реле, то уточняется номинальный ток нагревательного элемента и по характеристике реле проверяется время его срабатывания.
Выбор предохранителей для двигателей – производится по условию:
- отстройки от пускового тока двигателя:
(1)
где IН
– номинальный ток плавкой вставки предохранителя; IПД
– пусковой ток двигателя; К – коэффициент, определяемый условиями пуска (К = 2,5 - легкий пуск; К = 1,6-2 – тяжелый пуск).
В общем случае номинальный ток плавкой вставки, через которую питаются несколько самозапускающихся двигателей, выбирают по выражению:
(2)
где – сумма пусковых токов всех самозапускающихся двигателей.
Выбранный по условию (2) предохранитель проверяют на пуск самых крупных двигателей в нормальном режиме по выражению:
(3)
где – сумма номинальных токов работающих двигателей;
– сумма пусковых токов самых крупных двигателей.
Выбор автоматических, воздушных выключателей (автоматов).
Для защиты двигателей обычно применяют автоматы с комбинированными расцепителями:
- в режиме КЗ
срабатывает электромагнитный (мгновенный) расцепитель, ток срабатывания которого отстраивается от номинального тока двигателя по формуле:
(4)
где – ток срабатывания мгновенного расцепителя; – пусковой ток двигателя.
- в режиме перегрузки
срабатывает тепловой (зависимый) расцепитель, ток срабатывания которого отстраивается от номинального тока двигателя по условию:
(5)
где – ток срабатывания зависимого расцепителя; – номинальный ток двигателя.
Если температура эксплуатации автомата (tЭ
) отличается от температуры, при которой расцепитель калибруется на заводе (tК
), рекомендуется сделать пересчет тока срабатывания по формуле:
, (6)
Выбор автоматов для защиты группы двигателей – осуществляется по условиям: номинальный ток его зависимого расцепителя должен быть не меньше суммы номинальных токов группы двигателей, т. е.
, (7)
ток срабатывания независимого расцепителя должен быть отстроен от тока самозапуска всех двигателей:
(8)
для обеспечения селективности с мгновенными расцепителями автоматов, защищающих двигатели, автомат, защищающий группу двигателей, должен иметь независимую выдержку времени.
Пример I.1. Выбор контактора и магнитного пускателя для управления и защиты двигателя
Требуется выбрать магнитный пускатель (контактор) для управления и защиты асинхронного двигателя типа 4АР13284, работающего в продолжительном режиме. Схема прямого пуска и защиты приведена на рис. 1.
По типу двигателя из справочной литературы определим его технические параметры:
- номинальная мощность, P ном
– 7,5 кВт;
- коэффициент полезного действия, η ном
– 87,5 %;
- коэффициент мощности, cos φ – 0,86;
- номинальное линейное напряжение на обмотке статора,Uном
– 380 В;
- коэффициент кратности пускового тока, КI
– 6,5;
- время пуска двигателя, tn
– 5 с.
Определим параметры, по которым производится выбор магнитного пускателя:
а) род тока – переменный, частота – 50 Гц;
б) номинальное напряжение – 380В, номинальный ток не должен быть меньше номинального тока двигателя;
в) согласно схеме включения двигателя (рис. 1) аппарат должен иметь не менее трех замыкающихся силовых контактов и одного замыкающегося вспомогательного контакта;
г) категория применения, аппарат должен работать в одной из категорий применения: АС – 3 или АС – 4 (приложение 1);
д) режим работы аппарата – продолжительный с частыми прямыми пусками двигателя.
Для выбора аппарата по основным техническим параметрам необходимо произвести предварительные расчеты номинального и пускового токов двигателя. Определим номинальный ток (действующее значение):

Пусковой ток (действующее значение):

Ударный пусковой ток (амплитудное значение):
принимаем

Произведем выбор аппарата по основным техническим параметрам.
Выбираем магнитный пускатель со встроенным тепловым реле по основным техническим параметрам, приведенным в приложении 2 табл. 1, для заданного схемного решения (рис. 1) – типа ПМЛ 221002.
Проверим возможность работы выбранного аппарата в категориях применения АС – 3 и АС – 4.
Согласно данным из табл. 1 приложения 1 в категории применения АС – 3 магнитный пускатель должен включать в нормальном режиме коммутации ток:
,
а в режиме редких коммутаций:
.
Оба условия пускателя ПМЛ 221002 выполняются, так как:

В категории применения АС – 4 магнитный пускатель ПМЛ 221002 с номинальным рабочем током 10 А (табл. 1, приложение 2) должен отключать в номинальном режиме коммутации ток:
,
который меньше пускового тока двигателя. В режиме редких коммутаций ток:
,
который также ниже ударного пускового тока двигателя. Поэтому пускатель ПМЛ 221002 с номинальным током 10 А, предназначен для работы в категории АС – 4, для данной схемы (рис. 1) не пригоден.
Тепловые реле серии РТЛ, встроены в магнитные пускатели (табл. 1, приложение 2) имеют регулируемое время срабатывания t СР
= (4,5 - 9) с, что приемлемо для заданных условий пуска двигателя: 1,5t П
< t СР
< t П
.
Для реализации схем пуска двигателя (рис. 1) можно использовать контактор и дополнительное тепловое реле.
Выбор контактора аналогичен вышерассмотренному выбору магнитного пускателя. Основное технические данные контактора приведены в приложении 2, табл. 3.
Пример I.2. Выбор автоматических выключателей и предохранителей для защиты двигателей (схема представлена на рис. 2 а, б).
Определим по мощности двигателей их номинальные и пусковые токи так же, как в примере I.1. Рассчитаем по выражению (1) номинальные токи вставок предохранителей, защищающие двигатели (рис.2б).
Подберем по справочным данным ближайшие к расчетным номинальные токи вставок для предохранителей разных типов: ПР. – 2, ПН. – 2, НПР, НПН и занесем все вышеуказанные расчетные и справочные величины в табл. I.1.
Для предохранителя, защищающего кабель, питающий сборку, номинальный ток рассчитаем по выражению (2):
.
Таблица I.1
| Мощность двигателя, кВт |
Ток двигателя, А |
Ток вставки, А |
| номинальный |
пусковой |
расчетный |
принятый |
| ПР-2 |
ПН-2 |
НПН, НПР |
1,7
2,8
4,5
14
|
3,7
5,8
9,4
27,5
|
22,2
31,9
56,5
193
|
8,9
12,8
22,6
77
|
10
15
25
80
|
30
30
30
80
|
10
15
25
80
|
Выбираем по ближайшему большему значению номинального тока предохранитель типа ПР-2 (I Н
= 125 А).
Проверяем правильность выбора по условию пуска двух самых крупных двигателей в нормальном режиме (3):
.
Предохранитель типа ПР-2 условию (3) удовлетворяет.
Выберем для защиты той же группы двигателей автоматические выключатели (рис.2а). Расчеты производятся по формулам (4) – (7). Расчетные и справочные данные заносим в таблицу I.2.
Таблица I.2
| Мощность двигателя, кВт |
Ток двигателя, А |
Расчетные токи срабатывания расцепителей, А |
Принятые токи срабатывания расцепителей, А |
| номинальный |
пусковой |
зависимые |
мгновенные |
зависи-мые |
мгновен-ные |
1,7
2,8
4,5
14
|
3,7
5,8
9,4
27,5
|
22,2
31,9
56,5
193
|
6,3
10,2
30,0
|
48
65
290
|
4
6,4
10
40
|
40
64
100
400
|
Все двигатели имеют номинальные токи менее 50 А, поэтому для их защиты выбираем автомат АП50 – 3МТС IН
= 50 А.
Номинальный ток теплового расцепителя принимается ближайший больший номинального тока двигателя с поправкой на окружающую температуру: помещение, где установлены двигатели и автоматы обычное, отапливаемое, с температурой t = 20 °С; завод калибрует автоматы АП50 при температуре +35 °С, поэтому номинальные токи зависимых расцепителей выбираются по уравнению (6):
.
Ток срабатывания мгновенного расцепителя автомата принимается равным десятикратному току срабатывания теплового расцепителя.
Для защиты группы двигателей ток срабатывания независимого расцепителя автомата должен быть отстроен от тока самозапуска всех двигателей:
.
По справочным данным выбираем автомат А4100 с I Н
= 80 А
Ток срабатывания зависимого расцепителя автомата А4100:
,
что удовлетворяет требованию (7):
, так как 112А > 46,4 А.
Выдержку времени независимого расцепителя автомата А4100 приняли по справочным данным 0,15 с, что обеспечивает его селективность с мгновенными автоматами.
Ток срабатывания независимого расцепителя по справочным данным автомата А4100 равен:

или с учетом разброса минимальный ток срабатывания независимого расцепителя: , что удовлетворяет условию отстройки от токов самозапуска группы двигателей (455-550 А).
Методические указания и примеры решения задач II.1 - II.2
В задачах II.1 – II.2 требуется выбрать коммутационные и защитные аппараты, установленные со стороны высокого и низкого напряжения понижающего трансформатора. Схемы представлены на рис. 4-5, исходные данные по вариантам контрольного задания – в табл. 2-4.
Указанные аппараты выбирают по соответствию их номинальных параметров тока и напряжения расчетным параметрам сети в длительном нормальном режиме работы и проверяют по условиям наиболее тяжелого режима короткого замыкания по термической и электродинамической стойкости, включающей и отключающей способности аппарата.
Термической стойкостью называют способность аппарата выдерживать кратковременное тепловое действие тока КЗ без повреждений, препятствующих его дальнейшей исправной работе. Характеризуется током термической стойкости, который зависит от времени его прохождения, поэтому термическая стойкость относится к определенному времени в зависимости от параметров аппарата [1].
Электродинамической (динамической) стойкостью называют способность аппарата выдерживать кратковременное действие электродинамических усилий в режиме КЗ без повреждений, препятствующих его дальнейшей нормальной эксплуатации. Электродинамическая стойкость характеризуется наибольшим допустимым током КЗ для данного аппарата [4].
Отключающая способность – это значение ожидаемого тока отключения, который способен отключить коммутационный аппарат или плавкий предохранитель при установленном напряжении в предписанных условиях эксплуатации и поведения.
Для переменного тока это симметричное действующее значение периодической составляющей (ГОСТ 50030.1 - 92).
Включающая способность коммутационного аппарата – это значение ожидаемого тока включения, который способен включить коммутативный аппарат при установленном напряжении в предписанных условиях эксплуатации и поведения (ГОСТ 50030.1 - 92).
В зависимости от назначения при выборе аппарата учитывают те или иные параметры, основные из которых приведены в таблице II.1, где учитываемые параметры обозначены знаком "+"; не учитываемые – знаком "-"; параметры, отмеченные знаком "(+)" учитываются в частных случаях.
Выбор аппаратов при решении задач II.1 – II.2 с использованием таблицы II.1 соответствует требованиям ПУЭ, более подробный выбор в соответствии с ГОСТами или ТУ на каждый вид аппарата и с учетом всех составляющих токов нормальных и аварийных режимов рассматривается в специальной литературе, например в [4].
Полный анализ схем электроснабжения с расчетом токов нормальных и аварийных режимов и времени срабатывания устройств релейной защиты и автоматики является предметом изучения специальных дисциплин. В настоящем контрольном задании рекомендуется использовать следующие расчетные формулы и допущения:
1) при защите трансформаторов, предохранителями (рис. 4) рекомендуется использовать исходные данные из табл. 2 и 3;
2) при выборе аппаратов, приведенных на схемах рис. 5, расчет номинальных токов трансформатора со стороны низкого (НН) и высокого (ВН) напряжения произвести по формулам
- для НН:
, (1)
- для ВН:
, (2)
где – номинальная мощность трансформатора; UНН
(UВН
) – номинальные напряжения;
Начальное действующее значение периодической составляющей токов КЗ определяется
- для НН:
, (3)
- для ВН:
, (4)
, (5)
где  – мощность трехфазного КЗ соответственно на вводах низкого и высокого напряжения;
Для трансформаторов класса напряжения 110кВ считать [4]; – напряжение КЗ, %;
Действующее значение периодической составляющей токов трехфазного КЗ определяется
- для ВН:
, (6)
- для НН:
, (7)
Мгновенное амплитудное значение полного тока КЗ (ударный ток КЗ):
, (8)
где – ударный коэффициент, его значения в приближенных расчетах допускается принимать: – для сетей НН,
– для сетей ВН.
3) время протекания тока КЗ ( ) определяется суммарным временем срабатывания аппарата и устройств автоматики, в данных расчетах примем с.
Таблица II.1. Основные параметры выбора аппаратов
| Аппарат |
Номинальные |
В режиме КЗ |
| напряжение |
ток |
стойкость |
способность |
| терми-ческая |
динами-ческая |
отключа-ющая |
включа-ющая |
Автомат
Предохранитель
Рубильник
Выключатель
Разъединитель
Короткозамыкатель
Отделитель
Выключатель
нагрузки
|
+
+
+
+
+
+
+
+
|
+
+
+
+
+
-
+
+
|
-
-
+
+
+
+
+
+
|
(+)
-
+
+
+
+
+
+
|
+
+
-
+
-
-
-
-
|
-
-
-
+
-
-
-
-
|
Пример II.1. Выбор низковольтных аппаратовв системах электроснабжения.
Требуется выбрать автомат для установки на стороне низкого напряжения трансформатора в сети с номинальными параметрами:
  
В контрольном задании указанные параметры сети выбираются согласно номеру индивидуального варианта из табл. 2 и 3, где указаны действующие значения трехфазного КЗ, номинального тока и напряжение сети. Оформим табл. II.2 выбора автомата, где в графу "Параметры" запишем используемые при выборе аппарата параметры согласно указаниям из табл. II.1.
В графу "Условия выбора" запишем условия, соответствующие методическим рекомендациям данного параграфа.
По справочной литературе [3] выбираем автомат с параметрами, значения которых соответствуют условиям выбора и наиболее близки к параметрам сети. Значение параметров и тип аппарата заносим в соответствующие графы табл. II.2.
Таблица II.2
| Параметры |
Значения параметров |
Условия выбора |
Тип аппарата |
| сети |
аппарата |
Номинальные
- напряжение
UН
, В;
- ток IН
, А.
Отключающая
способность
- ток отключения IОТКЛ
, кА
|
380
250
18
|
380
1000
40
|



|
Автоматический выключатель серии Э "Электрон" [3]. |
Аналогично выбирают другие низковольтные аппараты, указанные в задаче II.1.
Пример II.2. Выбор высоковольтных аппаратов в системах электроснабжения.
Выбрать выключатель, установленный за трансформатором типа ТДН – - 16000/110 в сети с номинальным напряжением .
Для заданного типа трансформатора выпишем его основные технические параметры:
 
 
Определим номинальный ток на стороне НН:
,
Мощность трехфазного КЗ на выводах НН:
,
Начальное действующее значение периодической составляющей тока при трехфазном КЗ на выводах НН трансформатора:
,
Действующее значение периодической составляющей тока трехфазного КЗ:
,
Амплитудное значение полного тока КЗ (ударный ток КЗ):
.
Заполним табл. II.2 для выбора выключателя, записав в неё расчетные параметры сети и справочные значения параметров выключателя [4].
Так же, как в рассмотренном примере, нужно выбрать и другие, указанные в контрольном задании, высоковольтные аппараты. результаты выбора записать в таблицу.
Таблица II.2
| Параметры |
Значение параметра |
Условие выбора |
Тип аппарата |
| сети |
аппарата |
Номинальные
- напряжение,кВ;
-ток, А;
|
 |
 |
 |
Выключатель с электромагнитным гашением дуги (для КРУ) типа ВЭ-6-40/1600 УЗ[4] |
Электродинамическая
стойкость
- амплитудное значение полного тока КЗ, кА;
- начальное действующее значение периодической составляющей тока КЗ, кА;
|
 |
 |
 |
Термическая стойкость
- действующее значение тока КЗ, кА, приведенное ко времени термической стойкости
– tтс.
, с.
|
 |
 |
 |
Отключающая способность
-действующее значение периодической составляющей тока КЗ, кА;
|
 |
 |
 |
Выключающая способность
- начальное действующее значение периодической составляющей тока КЗ, кА.
|
 |
 |
 |
Правила выполнения и оформления РАСЧЕТНЫХ работ
При выполнении расчетных работ необходимо строго придерживаться указанных ниже правил.
Работы, выполненные без соблюдения этих правил не зачитываются и возвращаются студенту для переработки.
1. Каждая расчетная работа должна быть выполнена отдельно, набрана в редакторе Word и распечатана.
2. В заголовке работы на обложке работы должны быть ясно написаны фамилия студента, его инициалы, номер зачетки, название дисциплины. Здесь же следует указать название учебного заведения. В конце работы следует проставить дату ее выполнения и расписаться.
3. В работу должны быть включены все задачи, указанные в задании, строго по положенному варианту.
Расчетные работы, содержащие не все задачи задания, а также задачи не своего варианта, не зачитываются.
4. Решения задач надо располагать в порядке номеров, указанных в заданиях, сохраняя номера задач.
5. Перед решением каждой задачи надо выписать её условие.
6. Решения задач следует излагать подробно и аккуратно, объясняя и мотивируя все действия по ходу решения и делая необходимые чертежи.
7. После получения прорецензированной незачтенной работы студент должен исправить все отмеченные рецензентом ошибки и недочеты и выполнить все рекомендации рецензента.
В случае незачета работы и отсутствия прямого указания рецензента на то, что студент может ограничиться представлением исправленных решений отдельных задач, вся работа должна быть выполнена заново.
При высылаемых исправлениях должна обязательно находиться прорецензированная работа и рецензия на нее. Поэтому рекомендуется при выполнении контрольной работы оставлять в конце тетради несколько чистых листов для всех дополнений и исправлений в соответствии с указаниями рецензента. Вносить исправления в сам текст работы после ее рецензирования запрещается.
ЛИТЕРАТУРА
Основная
1. Чунихин А.А.Электрические аппараты: Общий курс. Учебник для вузов. -3 изд-е, перераб. и доп. М.: Энергоатомиздат, 1988.
2. Электрические аппараты высокого напряжения: Учеб. пособие для вузов / Т. Н. Александров, В. В. Борисов, В. И. Иванов и другие / Под ред. Г. Н. Александрова. Л.: Энергоатомиздат, 1989.
Дополнительная
3. Неклепаев Б. Н., Крючков И. П. Электрическая часть электростанций и подстанций: Справочные материалы для курсового и дипломного проектирования: Учеб. пособие для вузов. – 4 изд-е, перераб. и доп. М.: Энергоатомиздат, 1989.
4. Справочник по проектированию электроснабжения / Под ред. Ю. Г. Барыбина и др. М.: Энергоатомиздат, 1990 (Электроустановки промышленных предприятий)
Приложение 1
Таблица 1. Категории применения аппаратов
| Род тока |
Категория применения |
Номинальный рабочий ток, А |
Включение |
Отключение |
| Отношение коммутируемого тока к номинальному рабочему току |
Отношение напряжения перед включением к номинальному рабочему напряжению |
Коэффициент мощности цепи cosφ ± 0.05 |
Постоянная времени цепи τ, мс ± 15 % |
Отношение коммутативного тока к номинальному рабочему току |
Отношение напряжения перед включением к номинальному рабочему напряжению |
Коэффициент мощности цепи cosφ ± 0.05 |
Постоянная времени цепи τ, мс ± 15 % |
| Режим нормальных коммутаций |
| Переменный |
АС - 3 |
до 17 |
6
|
1
|
0,65 |
-
|
1 |
0,17 |
0,65 |
-
|
| > 17 |
0,35 |
0,35 |
| АС - 4 |
до 17 |
0,65 |
6
|
1
|
0,65 |
| > 17 |
0,35 |
0,35 |
| Режим редких коммутаций |
| АС - 3 |
до 17 |
10 |
1,1
|
0,65 |
-
|
8 |
1,1
|
0,65 |
-
|
| 17-100 |
8 |
0,35 |
6 |
0,35 |
| АС - 4 |
>100 |
12 |
0,65 |
10 |
0,65 |
| до17,17-100 |
10 |
0,35 |
8 |
0,35 |
Приложение 2
Таблица 1. Магнитные пускатели
| Тип пускателя |
Номиналь-ный ток, А |
Номинальный рабочий ток, А |
Степень защиты |
Время срабатывания теплового реле при 6·I ном
, с |
ТМЛ 221002
ТМЛ 222002
ТМЛ 223002
ТМЛ 272002
ТМЛ 221002
ТМЛ 222002
ТМЛ 223002
ТМЛ 272002
|
25
25
25
25
25
25
25
25
|
22
22
22
22
10
10
10
10
|
IP-54
IP-54
IP-54
IP-54
IP-54
IP-54
IP-54
IP-54
|
4.5-9
4.5-9
4.5-9
4.5-9
4.5-9
4.5-9
4.5-9
4.5-9
|
Таблица 2. Тепловые реле
| Тип теплового реле |
Исполнения реле |
Номинальный ток теплового элемента, А |
Тип нагревательного элемента |
Способ возврата |
Степень защиты |
Пределы регулирования тока по отношению к нормальному |
ТРН 25
ТРН 25
ТРН 25
ТРН 40
ТРН 40
ТРН 40
|
2
2
2
2
2
2
|
16
20
25
16
20
25
|
СМЕН
СМЕН
СМЕН
СМЕН
СМЕН
СМЕН
|
РУЧ
РУЧ
РУЧ
РУЧ
РУЧ
РУЧ
|
IР00
IР00
IР00
IР00
IР00
IР00
|
12-20
15-25
18,7-25
12-20
15-25
18,7-31,2
|
Таблица 3. Контакторы
| Тип контактора |
Номинальный ток, А |
Степень защиты |
Число вспомогательных контактов |
Климатическое исполнение |
МК 1 - 30У3А
МК 1 - 30У3Б
МК 2 - 30У3А
МК 2 - 30У3Б
КТ 6000/01
КМ 2311 - 7
КМ 2311 - 8
КМ 2311 - 9
|
16
16
25
25
16
25
25
25
|
IР00
IР00
IР00
IР00
IР00
IР00
IР00
IР00
|
23 – 2р
23 – 2р
23 – 2р
23 – 2р
13 – 23
13 – 0р
23 – 0р
13 – 1р
|
УХЛЗ
УХЛЗ
УХЛЗ
УХЛЗ
УХЛЗ
М;0М
М;0М
М;0М
|
|