| СОДЕРЖАНИЕ
ВВЕДЕНИЕ
1. ОБЩИЕ СВЕДЕНИЯ ОБ АВТОМОБИЛЯХХ РАБОТАЮЩИХ НА СЖИЖЕННОМ ГАЗЕ
2. РАСЧЕТ ПЕРИОДИЧНОСТИ ТЕХНИЧЕСКОГО ОБСЛУЖИВАНИЯ И РЕМОНТА СИСТЕМЫ ПИТАНИЯ ГАЗОБАЛЛОННОГО АВТОМОБИЛЯ
3. ТЕХНИЧЕСКОЕ ОБСЛУЖИВАНИЕ СИСТЕМЫ ПИТАНИЯ ДВИГАТЕЛЕЙ С ГАЗОБАЛЛОННЫМИ УСТАНОВКАМИ
4. РЕМОНТ СИСТЕМЫ ПИТАНИЯ ДВИГАТЕЛЕЙ С ГАЗОБАЛЛОННЫМИ УСТАНОВКАМИ
5. ТЕХНИЧЕСКАЯ ПЛАНИРОВКА УЧАСТКА ПО РЕМОНТУ ГАЗОВОЙ АППАРАТУРЫ И АРМАТУРЫ
ЛИТЕРАТУРА
ВВЕДЕНИЕ
Повышение надежности автомобилей и снижение затрат на их содержание составляют одну из сложных проблем в настоящее время. Решение этой проблемы, с одной стороны, обеспечивается автомобильной промышленностью за счет выпуска автомобилей новых конструкций, обладающих большей эксплуатационной надежностью и технологичностью (ремонтопригодностью), с другой стороны, - средствами технической эксплуатации в результате совершенствования методов технической эксплуатации автомобилей, повышения производительности труда (внедрения научных методов), снижения трудоемкости технического обслуживания и ремонта, увеличения межремонтных пробегов автомобилей и их агрегатов, что обеспечивается развитием материально-технической базы автомобильного транспорта, широкого применения средств механизации и автоматизации производственных процессов.
Одновременно большое влияние на совершенствование методов и средств технической эксплуатации оказывает развитие научных исследований в области технической эксплуатации автомобилей, режимов технического обслуживания, нормирования, надежности и долговечности автомобилей.
1. ОБЩИЕ СВЕДЕНИЯ ОБ АВТОМОБИЛЯХ РАБОТАЮЩИХ НА СЖИЖЕННОМ ГАЗЕ.
В последнее время все больше автовладельцев устанавливают на свои автомобили оборудование для работы двигателя на сжиженном газе. Ниже приводится информация о достоинствах и недостатках автомобиля, оснащенного газовой аппаратурой. Дальнейшие главы посвящены описанию общего устройства, принципу действия и правилам эксплуатации газовой аппаратуры автомобилей, оснащенных как карбюраторами, так и различными системами впрыска, управляемыми с помощью электроники.
Сжиженный нефтяной газ - это сжатый и сжиженный газ, который выходит из нефтяной скважины или появляется в процессе очистки нефти.
Газ сжижается при нормальной температуре при относительно низком давлении и широко используется, благодаря высокой теплотворности. Его основными компонентами являются пропан и бутан.
В жидком состоянии легче воды, в газообразном состоянии в 1,5-2 раза тяжелее воздуха и при утечке в атмосферу, скапливаясь в низких местах, может стать причиной неожиданной аварии при воспламенении.
Достоинства автомобилей, работающих на сжиженном газе.
Обладает хорошей эффективностью сгорания, двигатель не шумит.
Сжиженный газ полностью превращается в газообразное состояние, хорошо смешивается с воздухом, смесь достаточно однородна и при составе смеси, близкому к теоретическому, полностью сгорает.
Кроме того, скорость сгорания ниже, чем у бензина, обладает высоким октановым числом, не образует детонацию, двигатель мало шумит.
Хорошая экономичность.
Стоимость меньше по сравнению с бензином, меньше расходов на масло, увеличивается срок службы двигателя и расходы составляют в два с лишним раза меньше, чем на бензин.
Увеличивается срок службы масла.
Так как у сжиженного газа низкая температура кипения, он полностью превращается в газообразное состояние внутри цилиндра и не сжижает масло, мало образуется нагара.
И так как в газ не добавляют различные присадки, он не загрязняет масло нагаром и осадками, очень мало содержит серы (в десять раз меньше, чем в бензине) и почти не разрушает металл выхлопными газами.
Мало загрязняет атмосферу.
Выхлопной газ почти не имеет запаха, очень мало содержит вредного газа СО (в 20 раз меньше, чем в бензине), не дымит и мало загрязняет атмосферу.
Отсутствует явление «просачивания» и «газовой пробки».
В бензиновых двигателях могут возникать явления «просачивания» или «газовая пробка», а в двигателях на газе этого явления не возникает, так как топливо смешивается в газообразном состоянии.
Увеличивается срок службы двигателя.
Из-за отсутствия примесей в газе свечи зажигания не подвергаются нагарообразованию и срок службы их увеличивается до 60-80 тыс. км пробега.
Увеличение дальности поездки без заправки.
Водитель может находиться в пути от 800 до 1000 км без дополнительной заправки автомобиля (При наличии полных топливного бака и газового баллона).
Недостатки автомобилей работающих на сжиженном газе.
Наряду с выше перечисленными достоинствами, газовое оборудование обладает и недостатками:
Уменьшение емкости багажного отделения автомобиля за счет установки в нем газового баллона, несмотря на то, что в последнее время заводы-изготовители выпускают газовые баллоны различной формы.
Затрудненный запуск холодного двигателя на газе.
Увеличение времени на заправку газом.
По сравнению с заправкой автомобиля бензином, процедура заправки автомобиля газом происходит на несколько минут дольше. Особенно эта разница ощущается при очередях на заправочных станциях.
Автомобиль, оборудованный газовой аппаратурой, может работать как на бензине, так и на сжиженном газе. Выбор топлива, на котором Вы собираетесь эксплуатировать автомобиль, осуществляется простым нажатием клавиши переключателя блока управления, находящегося в салоне автомобиля. В связи с большим разнообразием применяемых систем, рассмотрим общий (характерный для всех типов) принцип действия газовой аппаратуры.
Из газового баллона под давлением сжиженный газ через запорно-предохранительный блок поступает к электромагнитному газовому клапану, объединенному, как правило, с газовым фильтром в один блок. Здесь газ очищается от примесей, а затем (если электромагнитный газовый клапан открыт) поступает к газовому редуктору-испарителю. В газовом редукторе-испарителе происходит снижение давления газа до атмосферного и превращение газа в газообразную смесь. Затем газ под действием разряжения двигается и поступает через дозатор газовой смеси и смеситель карбюратора/системы впрыска в цилиндры двигателя.
Для запуска холодного двигателя в газовой аппаратуре используется электромагнитный пусковой клапан, задачей которого является впрыск дополнительной порции газовой смеси в цилиндры двигателя (аналог ускорительного насоса карбюратора).
При работе автомобиля на газе бензиновая топливная система отключена, так как электромагнитный клапан в это время перекрывает подачу бензина в карбюратор/систему впрыска.
Управление электромагнитными клапанами, а следовательно и работой топливных систем (бензиновой/газовой) осуществляется с блока управления, который представляет собой коробку с кнопкой (кратковременное включение электромагнитного пускового клапана газового редуктора) и переключателем режима работы двигателя (бензин -нейтраль -газ). Если переключатель находится в положении «Бензин» - двигатель работает на бензине (электромагнитный газовый клапан закрыт). Если переключатель находится в нейтральном положении - двигатель или выключен, или дорабатывает/дожигает топливо (обязательно используется при переключении с одного вида топлива на другое). Если переключатель вида топлива находится в положении «ГАЗ» -двигатель работает на сжиженном газе (электромагнитный бензиновый клапан закрыт).
Питание электрических элементов газовой аппаратуры осуществляется от бортовой сети и взято от цепи катушки зажигания. Затем через замок зажигания и дополнительный предохранитель, напряжение подается на блок управления.
Общее устройство газобаллонной установки
По виду газообразного топлива газобаллонные установки для двигателей внутреннего сгорания подразделяются на три типа: для сжатого природного газа, жидкого метана и сжиженного пропан-бутанового газа. Газобаллонная установка, вне зависимости от вида применяемого газа, состоит из баллонов для хранения и транспортировки газа, испаряющего или подогревающего устройства, газового редуктора, дозирующего устройства, смесителя, трубопровода и контрольных приборов.
Приборы и аппараты, применяемые для любого вида газа, не имеют существенных отличий по принципу действия. Исключение составляют баллоны для хранения и транспортировки газа. Это объясняется тем, что сжатый природный газ хранится при высоком давлении (до 20 МПа) и требует толстостенных сосудов. Жидкий метан содержится при температуре кипения (—161°С) в изотермических сосудах, а сжиженный пропанобутановый газ имеет максимальное рабочее давление 1,6 МПа и для его хранения и транспортировки на автомобилях используют баллоны с толщиной стенок от 3,0 до 6,0 мм и вместимостью до 300 л.
Сжиженный пропанобутановый газ из всех газообразных топлив наиболее близко подходит к бензину по концентрации энергии в единице объема, по способу хранения и другим эксплуатационным качествам. Его наиболее широко применяют в качестве топлива для двигателей автомобилей.
Сжиженный газ в газобаллонных автомобилях содержится в баллоне 20
в жидком и парообразном состоянии. Газовый баллон кроме контрольно-предохранительной и наполнительной арматуры снабжен двумя расходными вентилями, позволяющими осуществлять питание двигателя паровой или жидкостной фазой газа.
Система питания обеспечивает нормальную работу двигателя при условии подачи газа к редуцирующему устройству в парообразном состоянии. Испарение сжиженного газа в системе питания происходит за счет тепловыделения из системы охлаждения двигателя.
При пуске и прогреве двигателя незначительный перепад температур между теплоносителем (жидкостью системы охлаждения)

Рис. 1. Схема системы питания газобаллонного автомобиля:
1 — проставка, 2 — фильтр-отстойник, 3 — топливный насос, 4 — карбюратор. 5 — смеситель газа, 6 — трубка, соединяющая редуктор с всасывающим трубопроводом, 7,9 — шланги для подвода и отвода жидкости системы охлаждения в испаритель, 8 — испаритель, 10 — трубка для отвода газа в систему холостого хода, 11 — шланг основной подачи газа, 12 — дозирующе-экономайзерное устройство, 13—редуктор газа, 14— газовый фильтр, 15—сетчатый фильтр, 16 — манометр первой ступени редуктора, 17 — указатель уровня сжиженного газа в баллоне, 18 — магистральный вентиль, 19 — топливный бак, 20 — баллон для сжиженного газа, 21 — расходный вентиль паровой фазы, 22 — расходный вентиль жидкой фазы
и газом не обеспечивает его испарение. В этом случае питание двигателя осуществляется паровой фазой газа через вентиль 21.
После прогрева двигателя его питание осуществляется жидкой фазой газа через вентиль 22.
Питание двигателя жидкой фазой позволяет исключить кипение жидкости и падение давления в газовом баллоне, а также сохранить стабильность показателей газа, так как в жидкой фазе все компоненты хорошо перемешаны и химический состав топлива практически не меняется по мере опорожнения баллона.
Из баллона газ подводится к магистральному вентилю 18,
который служит для быстрого прекращения подачи газа к двигателю. Управляют вентилем из кабины водителя. После магистрального вентиля сжиженный газ попадает в испаритель 8,
в котором через шланги 7 и 9
циркулирует горячая жидкость из системы охлаждения двигателя. Пройдя змеевик испарителя, сжиженный газ из жидкого состояния полностью переходит в парообразное и подвергается очистке. Для этой цели в системе установлены фильтр 14
с войлочными кольцами и сетчатый фильтр 15.
Очищенный газ подается в редуктор 13,
где происходит двухступенчатое снижение давления до величины, близкой к атмосферному давлению. Управление работой редуктора осуществляется разрежением из всасывающего трубопровода, которое передается в него по трубке 6.
Из редуктора через дозирующе-экономайзерное устройство 12
и шланг 11 основной подачи газ направляется в смеситель 5
газа.
Кроме того, по трубке 10
газ, минуя дозирующе-экономайзерное устройство, из редуктора подается в систему холостого хода смесителя. В смесителе газ смешивается с воздухом, образуя горючую смесь, которая засасывается в цилиндры двигателя.
Газобаллонная установка автомобиля снабжена двумя контрольными приборами: дистанционным электрическим манометром 16,
показывающим давление газа в первой ступени редуктора, и указателем 17
уровня сжиженного газа в баллоне.
Резервная система питания двигателя бензином состоит из топливного бака 19,
фильтра-отстойника 2,
топливного насоса 3
и однокамерного карбюратора 4,
установленного на проставке 1, расположенной под газовым смесителем.
Наличие на автомобиле резервной системы питания создает возможность при полном израсходовании газа или неисправности газовой аппаратуры работы двигателя на бензине. При переходе с газообразного топлива на бензин, или наоборот, не следует допускать работу двигателя на смеси двух топлив, так как это приводит к обратным вспышкам, опасным в пожарном отношении.
При переводе питания двигателя с одного вида топлива на другой обязательно останавливают двигатель. При этом перекрывают подачу и вырабатывают из системы один вид топлива, затем рычаг управления дроссельной заслонкой присоединяют к карбюратору (или, наоборот, к смесителю), открывают подачу другого вида топлива и пускают двигатель обычным способом.
2.РАСЧЕТ ПЕРИОДИЧНОСТИ ТЕХНИЧЕСКОГО ОБСЛУЖИВАНИЯ И РЕМОНТА СИСТЕМЫ ПИТАНИЯ ГАЗОБАЛЛОННОГО АВТОМОБИЛЯ.
Для расчетов курсового проекта за единицу транспортного средства будем принимать следующие данные:
легковой автомобиль ВАЗ 2107, в котором используется газобаллонное оборудование:
среднесуточный пробег – 125 км;
категория условий эксплуатации – I.
Для расчёта производственной программы необходимо предварительно выбрать нормативные значения пробегов подвижного состава до КР и периодичности ТО-1 и ТО-2, которые установлены положением для определённых, наиболее типичных условий, а именно: I категории условий эксплуатации, базовых моделей автомобилей, умеренного климатического района с умеренной агрессивностью окружающей среды.
Нормативный пробег автомобиля малого класса (ВАЗ-2107) составляет:
- до КР – Lн
ц
=150.000 км;
- до ТО-1 – Lн
1
=5.000 км;
- до ТО-2 – Lн
2
=20.000км.
Однако для конкретного предприятия указанные выше условия могут отличаться, поэтому, в общем случае, расчетный ресурсный пробег (L
Р
) и периодичности TO-1 (L
1
) и ТО-2 (L
2
) определяются с помощью коэффициентов (табл. 1.3).






где К1
-
коэффициент, учитывающий категорию условий эксплуатации;
K
2
- коэффициент, учитывающий модификацию подвижного состава;
K
3
-
коэффициент, учитывающий климатический район;
- нормативный ресурсный пробег, км;
-
нормативная периодичность соответственно TO-I и ТО-2, км;
Нормативный расчетный пробег до капитального ремонта определяется как нормативный ресурсный пробег 
Согласно нормативам периодичности ТО должны быть кратны между собой, а ресурсный пробег кратен периодичности ТО. При корректировке эта кратность может быть нарушена. Поэтому, для дальнейших расчетов, необходимо скорректировать нормативные ресурсный пробег и периодичности между собой и со среднесуточным пробегом. Допускаемое отклонение от нормативов периодичности ТО составляет ±10%.
3. ТЕХНИЧЕСКОЕ ОБСЛУЖИВАНИЕ СИСТЕМЫ ПИТАНИЯ ДВИГАТЕЛЕЙ С ГАЗОБАЛЛОННЫМИ УСТАНОВКАМИ
Основные неисправности газобаллонных установок их признаки и способы устранения
При работе двигателя на газе в системе питания могут возникнуть неисправности, которые вызывают затрудненный пуск двигателя, неустойчивую работу на холостом ходу, неудовлетворительные переходы от холостого хода к нагрузочным режимам, снижение мощности двигателя. Ниже рассмотрены признаки и способы устранения этих неисправностей.
Негерметичность соединений газовой установки может быть двух видов: внутренняя и внешняя. Под внутренней негерметичностью газового оборудования понимают неплотности, в результате которых происходит утечка газа в систему питания. Наиболее часто эта неисправность встречается в подвижных запорных соединениях (клапан — седло) у расходных и магистрального вентилей, а также в клапанах первой и второй ступеней редуктора.
При внутренней негерметичности расходных и магистральных вентилей в трубопроводах и аппаратуре газовой установки автомобиля все время будет избыточное давление газа. При этом увеличивается вероятность утечки газа в окружающее пространство и не допускается проводить ремонт газовой аппаратуры и перевод двигателя на работу с газа на бензин.
Утечки газа через клапан первой ступени редуктора определяются по показанию манометра редуктора. В этом случае при остановке двигателя повышается давление в камере первой ступени, что может повлечь за собой открытие клапана второй ступени редуктора. При этом газ начнет выходить в подкапотное пространство.
Нарушение герметичности клапана второй ступени, который выполняет роль запорного вентиля при неработающем двигателе и открытых магистральном и расходном вентилях, вызывает утечку газа из редуктора в смеситель и далее через воздушный фильтр в подкапотное пространство.
Причиной нарушения герметичности соединений типа клапан — седло является попадание механических примесей (окалина, стружка, кристаллы сернистых соединений и др.) на их запирающие поверхности, а также повреждение уплотнителя клапана. Внешняя негерметичность представляет собой неплотность газового оборудования, вызывающего утечку газа в окружающее пространство. Неплотность топливной аппаратуры, арматуры и топливопроводов ведет к утечкам газа в зонах технического обслуживания и стоянки газобаллонных автомобилей и может создать опасную концентрацию газа, превышающую санитарные нормы и требования пожаро- и взрывобезопасности.
По характеру работы все соединения газовой установки автомобиля могут быть разделены на соединения, работающие под высоким (1,6 МПа) и низким (0,2 МПа) давлениях. Соединения, работающие под высоким давлением, в свою очередь, подразделяются на работающие под давлением жидкой или паровой фазы газа.
Учитывая, что истечение газа прямо пропорционально давлению и что масса жидкого газа приблизительно в 250 раз больше парообразного, наибольшую опасность с точки зрения утечек представляют соединения, работающие под высоким давлением жидкой фазы газа.
Способы устранения утечек газа зависят от конструкции соединений и характера неисправностей. В ниппельном соединении утечку устраняют дополнительной затяжкой гайки. Если затяжкой гайки утечка не устраняется, то разбирают соединение, отрезают конец трубки вместе с ниппелем и собирают соединение с новым ниппелем. В соединениях, уплотняемых конической резьбой, степень герметичности может повышаться покрытием резьбы свинцовым глетом или клеями АК-20, БФ-2.
Во фланцевых и резьбовых соединениях, где герметичность обеспечивается прокладками, при возникновении утечек дополнительно подтягивают соединение или заменяют прокладку. Заделки в шлангах высокого давления являются неразборным соединением и при появлении утечки газа в них шланг полностью заменяют.
В оборудовании, работающем под высоким давлением паровой фазы газа, насчитывается несколько меньше соединений. Это — соединения по разъемам испарителя и фильтра, в штуцерах и в трубопроводах. Негерметичность этих соединений вызывает утечку газа в подкапотное пространство. Конструктивное исполнение, виды неплотностей и способы устранения аналогичны конструкциям, неплотностям и способам устранения для соединений, работающих под давлением жидкой фазы газа.
Затрудненный пуск двигателя происходит при переобогащении или переобеднении горючей смеси. Причинами переобогащения горючей смеси являются негерметичность клапанов первой и второй ступеней редуктора и неплотность обратного клапана смесителя. Переобеднение горючей смеси вызывается негерметичностью шланга подачи газа в систему холостого хода и засорением или сужением проходного сечения канала системы холостого хода.
При негерметичности разгрузочного устройства редуктора или трубки, соединяющей полость разгрузочного устройства с впускным трубопроводом двигателя, прекращается подача газа из редуктора в смеситель и пуск двигателя в этом случае становится невозможным.
Неустойчивая работа двигателя на холостом ходу может быть вызвана неправильной регулировкой подачи газа в систему холостого хода; поступлением газа через основную систему вследствие неплотности обратного клапана смесителя или клапана второй ступени редуктора; уменьшением подачи газа в систему холостого хода из-за негерметичности шланга системы или засорения его проходного сечения. Для устранения неустойчивой работы двигателя регулируют систему холостого хода или устраняют неплотности.
Неудовлетворительные переходы от холостого хода к нагрузочным режимам работы двигателя («провалы») появляются при резком открытии дроссельных заслонок смесителя в результате обеднения горючей смеси ввиду запаздывания включения основной системы подачи газа. Включение основной системы обеспечивается поднятием обратного клапана смесителя под действием разрежения в диффузорах при частоте вращения коленчатого вала двигателя 1300—1400 об/мин.
Запаздывание открытия обратного клапана возникает при уменьшении общей подачи газа в систему холостого хода, что не позволяет развить требуемой частоты вращения коленчатого вала двигателя и создать необходимого разрежения в диффузорах. К появлению «провалов» приводит и прилипание обратного клапана к седлу, так как в этом случае требуется большое усилие для его открытия.
Неудовлетворительные переходы в работе двигателя появляются при скоплении маслянистого конденсата во второй ступени редуктора. В этих условиях для открытия клапана второй ступени редуктора требуется большее усилие и смесь на переходном режиме переобедняется.
Не только к «провалам», но и к остановке двигателя может привести негерметичность разгрузочного устройства, вследствие чего уменьшается или прекращается подача газа из редуктора смеситель.
Для устранения «провалов» в работе двигателя на переходны: режимах регулируют систему холостого хода, протирают обратный клапан, удаляя загрязнения, сливают конденсат из редукторе устраняют негерметичность разгрузочного устройства. Указанны работы выполняют при необходимости в полном объеме или от дельно каждую.
Снижение мощности двигателя происходит в основном вслед ствие обеднения горючей смеси. К причинам, которые могут вы звать снижение мощности, относятся сужение проходных каналов для газа, засорение газовых фильтров и газовых каналов испарителя, недостаточное открытие клапанов первой и второй ступеней редуктора и экономайзерного устройства, а также уменьшение проходного сечения газовой магистрали, расходных и магистрального вентилей.
Величину проходных сечений для газа в магистрали от балле на до второй ступени редуктора проверяют по манометру редуктора при работающем двигателе. Резкое увеличение частоты вращения коленчатого вала двигателя не должно вызывать падение давления в первой ступени редуктора более чем на 100—200 Па
При неработающем двигателе проверку можно провести сжатым воздухом. Для этого систему питания заполняют сжатый воздухом и открывают клапан второй ступени, нажимая рукой на шток редуктора. Падение давления на манометре редукторе должно быть в указанных выше пределах.
Основные работы, выполняемые при техническом обслуживании системы питания
Для газового оборудования газобаллонных автомобилей предусмотрены ежедневное (ЕО), первое (ТО-1), второе (ТО-2) и сезонное (СО) технические обслуживания. Выполнение работ по ТО-1 и ТО-2 газовой системы питания проводится в сроки, установленные для ТО-1 и ТО-2 автомобиля. При этом проведение работ ТО-2 совмещают с очередным ТО-1, а сезонное обслуживание — с ТО-2.
Ежедневное техническое обслуживание выполняют перед выездом автомобиля на линию и после возвращения его в гараж. Перед выездом проводят контрольные работы. Внешним осмотром проверяют техническое состояние газового баллона, деталей крепления газового оборудования, герметичность соединений всей газовой магистрали и показания контрольно-измерительных приборов (манометр, показывающий давление газа в редукторе, указатель уровня газа в баллоне).
После возвращения автомобиля в гараж проводят уборочно-моечные работы системы питания, проверяют техническое состояние газового редуктора и герметичность соединений газовой магистрали высокого давления.
В газовом редукторе на слух или с помощью прибора ПГФ-2М1-ИЗГ определяют герметичность клапана второй ступени и сливают масляный конденсат. Ежедневный слив конденсата необходим, так как скопление его на мембране второй ступени редуктора нарушает нормальную работу двигателя.
Герметичность системы проверяют в рабочем состоянии, т. е. при заполнении ее сжиженным газом. Места утечек определяют с помощью мыльного (пенного) раствора или прибором ПГФ-2М1-ИЗГ.
В зимнее время при заполнении системы охлаждения водой ее сливают из полости испарителя.
Первое техническое обслуживание газовой системы питания включает в себя контрольно-диагностические и крепежные работы, которые выполняют при ЕО, а также смазочно-очистительные работы, к которым относятся очистка фильтрующих элементов газовых фильтров и смазка резьбовых штоков магистрального наполнительного и расходных вентилей.
После выполнения отмеченных выше работ при ТО-1 проверяют герметичность газовой системы при давлении 1,6 МПа воздухом или инертным газом и работу двигателя на газовом топливе. В этом случае замеряют, а при необходимости и регулируют содержание окиси углерода в отработавших газах, определяют надежность пуска двигателя и устойчивость его работы на холостом ходу при различной частоте вращения коленчатого вала.
При втором техническом обслуживании проверяют состояние и крепление газового баллона к кронштейнам, кронштейнов к лонжеронам рамы, карбюратора к впускному патрубку и впускного патрубка к смесителю. В объем контрольно-диагностических и регулировочных работ входят проверка и установка угла опережения зажигания при работе двигателя на газе, проверка и регулировка газового редуктора, смесителя газа и испарителя.
В редукторе проверяют регулировку первой и второй ступеней, работу дозирующе-экономайзерного устройства и герметичность разгрузочного устройства.
В смесителе проверяют состояние и действие приборов воздушной и дроссельной заслонок, в испарителе — герметичность и засоренность газовой и водяной полостей.
Сезонное обслуживание газового оборудования по периодичности разделяется на три вида. К первому относятся работы, которые подлежат выполнению через 6 мес, ко второму — работы, проводимые один раз в год, к третьему — работы, выполняемые один раз в два года.
Через 6 мес проверяют срабатывание предохранительного клапана газового баллона, продувают газопроводы сжатым воздухом и проверяют работу ограничителя максимальной частоты вращения коленчатого вала двигателя.
К работам, проводимым один раз в год, относится ревизия газовой аппаратуры, магистрального вентиля, манометра и арматуры баллона. Для этого газовый редуктор, смеситель газа, испаритель, магистральный вентиль демонтируют с автомобиля, разбирают, очищают, промывают, регулируют и при необходимости заменяют негодные детали.
Перед проведением ревизии газовой арматуры баллон полностью освобождают от газа. После этого снимают крышки наполнительного и расходных вентилей, вентиля максимального наполнения (не вывертывая корпусов из газового баллона) и проверяют состояние их деталей. Предохранительный клапан также снимают с баллона, регулируют на стенде и пломбируют.
Работы, проводимые раз в год, выполняют при подготовке автомобиля к зимней эксплуатации.
К специальной операции, выполняемой один раз в два года, относится освидетельствование газового баллона. При освидетельствовании проводятся гидравлические испытания, во время которых определяют прочность баллона. Во время пневматических испытаний определяют герметичность соединений баллона с арматурой. После испытаний газовый баллон окрашивают и наносят клеймо со сроком следующего освидетельствования.
При техническом обслуживании системы питания газобаллонных автомобилей кроме работ по газовому оборудованию выполняют работы и по резервной (бензиновой) системе питания. Периодичность и характер этих работ принципиально не отличаются от работ, выполняемых по системе питания автомобилей с карбюраторными двигателями, которые рассмотрены ранее.
Наличие у газобаллонных автомобилей газовой и бензиновой систем питания увеличивает трудоемкость работ по их техническому обслуживанию и текущему ремонту.
Проверка и регулировка газовой аппаратуры
Газовую аппаратуру системы питания проверяют и регулируют на специальных стендах или с помощью универсальных приборов и различных приспособлений без снятия с автомобиля. Часть регулировок выполняют во время работы двигателя на газе, другую часть — при неработающем двигателе с системой питания, заполненной воздухом или инертным газом под давлением 1,6 МПа.
В редукторе газа МКЗ-НАМИ при неработающем двигателе регулируют давление в первой ступени, ход клапана второй ступени и проверяют герметичность разгрузочного и экономаизерного устройства.
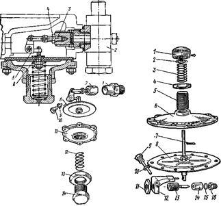
| 
|
| Рис. 2. Первая ступень редуктора в сборе и ее детали в разобранном виде:1 — седло клапана,2 — фильтр,3 — регулировочный винт;4,13 — контргайки,5 —рычажок,6 — шток,7 — клапан в сборе,8 — мембрана в сборе,9 — прокладка,10 — ось рычажка, 11 — крышка, 12 — пружина,14 — седло пружины (регулировочный болт)
|
Рис. 3. Детали второй ступени " редуктора:
1 — колпак, 2 —шайба, 3 — пружина, 4, 11 — контргайки, 5 — седло пружины 6 — крышка, 7 — шплинт, 8 — мембрана в сборе, 9 — ось рычажка, 10 — прокладка, 12 — рычажок, 13 — регулировочный винт, 14 — клапан, 15 — вставка клапана, 16 — седло клапана
|
Давление в первой ступени редуктора регулируют изменением положения регулировочного болта 14
(см. рис. 2) и контролируют по манометру редуктора. При завертывании регулировочного болта давление будет увеличиваться, при отвертывании — уменьшаться. Регулировку прекращают при установлении в первой ступени давления 0,15 — 0,20 МПа.
Отрегулированный редуктор проверяют на герметичность закрытия клапана первой ступени. Для этого кратковременным нажатием на шток 11 (рис. 4) редуктора открывают клапан второй ступени и выпускают из полости первой ступени воздух, снижая давление. При закрытии клапана второй ступени стрелка манометра должна указать заданное давление. Допускается медленное возрастание давления, но не более чем на 0,02 МПа и в то же время не превышающее 0,2 МПа, после чего давление в камере должно сохраняться в интервале не менее 2 млн.
Клапан второй ступени редуктора регулируют на максимальное открытие, при котором не нарушается герметичность его в закрытом положении. Для регулировки снимают крышку 3
люка, ослабляют контргайку 4
и отвертывают регулировочный винт 5
до начала пропуска газа. Затем завертывают винт на ¼— ½оборота и затягивают контргайку. Регулировку клапана выполняют отверткой и специальным ключом (рис. 120).
После регулировки проверяют герметичность закрытия и ход клапана. Герметичность определяют на слух или по пузырькам воздуха, выходящим из шланга, один конец которого соединен со штуцером системы холостого хода на редукторе, а другой опущен в сосуд с водой на глубину не более 3 мм.

Рис. 4. Приспособление для замера хода клапана второй ступени редуктора МКЗ-НАМИ:
1 — седло, 2 — клапан, 3 — крышка люка, 4, 8 — контргайки, 5 — регулировочный винт, 6 — рычаг. 7 — мембрана второй ступени, 9 — регулировочный стакан, /0 — пружина, 11 — шток, 12 — стопорный винт, 13 — линейка, 14 — движок линейки
Величину хода клапана определяют по перемещению штока редуктора. Для этой проверки выпускают воздух из редуктора и нажатием на шток до отказа замеряют его ход приспособлением с мерной линейкой (см. рис. 4). Нормальная величина открытия клапана второй ступени обеспечивается при ходе штока 11
не менее 8 мм.

Рис. 5. Инструмент для-регулировки клапана второй ступени редуктора:
1 — отвертка, 2 — специальный торцовый ключ
Герметичность разгрузочного и экономайзерного устройств проверяют при отсутствии давления воздуха в системе питания. Для этого от всасывающего трубопровода снимают шланг, соединяющий его с редуктором, и через него отсасывают воздух в устройствах до создания разрежения не менее 266 Па. Разгрузочное и экономайзерное устройства считаются герметичными, если величина разрежения в них сохраняется в интервале 5 мин.
Давление во второй ступени редуктора регулируют регулировочным стаканом 9
(см. рис. 4), а контроль давления ведут по водяному пьезометру, который подсоединяют через тройник в систему холостого хода. При отвертывании стакана давление в камере второй ступени уменьшается, при ввертывании — увеличивается. Регулировку выполняют во время работы двигателя на холостом ходу с частотой вращения коленчатого вала 500— 600 об/мин. Правильно отрегулированный редуктор на этом режиме работы двигателя создает избыточное давление ео второй ступени 70—80 Па.
В газовом смесителе СГ-250 систему холостого хода регулируют двумя винтами, регулирующими подачу газа, и упорным винтом, ограничивающим закрытие дроссельных заслонок. Винтами подачи газа регулируют две камеры одновременно: при отвертывании горючая смесь обогащается, а при завертывании — обедняется.
Предварительную регулировку проводят на неработающем двигателе отвертыванием верхнего винта подачи газа на три оборота, а нижнего — на пол-оборота. Затем на работающем и полностью прогретом двигателе выполняют окончательную регулировку. Для этого при открытой крышке патрубка ввода газа в смеситель верхним винтом устанавливают такую общую подачу газа в систему холостого хода, при которой частота вращения коленчатого вала двигателя составляет 1300— 1400 об/мин.
После этого крышку патрубка закрывают и упорным винтом устанавливают наименьшее открытие дроссельных заслонок, при котором двигатель будет работать устойчиво. Затем начинают обеднять смесь, завертывая нижний винт подачи газа до тех пор, пока двигатель не начнет работать с явными перебоями, после чего вывертывают винт на 1/16 оборота.
Регулировку системы холостого хода в газовом смесителе СГ-250 можно совместить с контролем содержания окиси углерода в отработавших газах. Порядок замера окиси углерода в этом случае будет соответствовать последовательности выполнения работ по определению токсичности отработавших газов.
Уменьшить содержание СО в отработавших газах при регулировке до допустимой величины можно ввертыванием упорного винта дроссельных заслонок и нижнего винта подачи газа в систему холостого хода.
Правильность регулировки системы холостого хода проверяют изменением режима работы двигателя. При резком открытии дроссельных заслонок двигатель должен плавно и быстро увеличивать частоту вращения коленчатого вала до максимальной. При резком закрытии дроссельных заслонок двигатель должен снижать частоту вращения коленчатого вала до 400—500 об/мин и работать устойчиво.
Электрические контрольно-измерительные приборы газового оборудования — указатель уровня газа в баллоне и манометр первой ступени редуктора проверяют как в комплекте (датчик и указатель), так и раздельно. Раздельную проверку датчика и указателя проводят для определения неисправности одной из сборочных единиц (узлов).
Указанные проверки могут быть выполнены на приборах Э-204-531 и др., которые серийно выпускаются нашей промышленностью и служат для проверки автомобильных контрольно-измерительных приборов.
Установку угла опережения зажигания у двигателей, работающих на газообразном топливе, проводят так же, как и у двигателей, работающих на бензине. Однако регулировка угла опережения зажигания у газовых двигателей газобаллонных автомобилей в связи с высоким октановым числом топлива не может быть проведена по детонации при разгоне автомобиля, поэтому ее проводят при испытаниях автомобиля на стенде с беговыми барабанами по максимальной мощности двигателя.
Проверка герметичности системы питания
Одной из самых ответственных операций, выполняемых при техническом обслуживании газобаллонных автомобилей, является проверка внешней и внутренней герметичности системы питания. Наиболее распространенным методом проверки внешней герметичности системы, находящейся под избыточным давлением,
Таблица 1. Содержание соли в 1 л пенообразующего раствора в зависимости от температуры
| Температура, °С
|
Количество соли г/л
|
| NaCl
|
CaCl2
|
| 0 ÷ - 5
- 5 ÷÷ - 10
- 10 ÷÷ - 15
- 15 ÷÷ - 20
- 20 ÷÷ - 25
- 25 ÷÷ - 30
- 30 ÷÷ - 35
|
83
160
222
290
-
-
-
|
100
170
220
263
303
329
366
|
является обмазывание соединений пенообразующим раствором (водный раствор хозяйственного мыла или лакричного корня). При отрицательных температурах добавляется соль — хлористый натрий NaCl или хлористый кальций СаС12
.
Количественное содержание хлористого натрия или кальция в водном растворе зависит от температуры окружающего воздуха, при которой проводят проверку герметичности (табл. 1).
Соединения или участки системы, подлежащие проверке, очищают от грязи и обмазывают с помощью кисти пенообразующим раствором. Проверяемые соединения осматривают дважды — непосредственно при обмазывании данного соединения и после обмазывания. В местах расположения мельчайших неплотностей появляются мелкие пузырьки, скопления которых могут быть обнаружены лишь при повторном осмотре. Во время обмазывания соединений и швов пенообразующим раствором особое внимание обращают на соединения, расположенные в труднодоступных для осмотра местах.
Для определения утечки газа из баллона iироко используют электрические газоанализаторы типа ПГФ-2М1-ИЗГ. При пользовании газоанализатором пробу воздуха отбирают из зоны соединения и ручным насосом по шлангу подают в измерительную камеру. После засасывания пробы нажимают кнопку включения питания измерительного моста и снимают показания стрелочного прибора.
При работе с этим прибором следует учитывать, что он не позволяет точно указать место утечки, так как возможно подсасывание газа из других, близко расположенных соединений. Во время проверки автомобиль располагают на открытом воздухе в защищенном от ветра месте.
При обслуживании газобаллонного автомобиля в производственном помещении герметичность газовой системы проверяют сжатым негорючим и нетоксичным газом под давлением 1,6 МПа (воздух, азот или углекислый газ). Сжатые газы используют из баллонов -высокого давления, а сжатый воздух можно подавать от компрессора, обеспечивающего необходимое давление. Проверку проводят при закрытых расходных вентилях газового баллона автомобиля и при отсутствии газа в системе.
При проверке герметичности системы питания от баллона высокого давления (рис. 6) сжатый инертный газ из баллона 1 подается в редуктор 3,
где давление его снижается до 1,6 МПа. Из .редуктора газ через штуцер 6
поступает в систему питания авто--мобиля. После заполнения системы газом вентиль 4
установки закрывают и проверяют герметичность по бразцовому манометру 5.
Падение давления указывает на негерметичность газовой системы автомобиля.
Места утечек определяют пенообразующим раствором. После устранения утечек проверку герметичности повторяют. Газовая система считается герметичной, если падение давления за 15 мин не превышает 0,01—0,15 МПа.
Внутреннюю герметичность проверяют у расходных и магистрального вентилей. Пропуск газа в систему питания через эти вен-

Рис. 6. Схема установки для проверки герметичности системы питания газобаллонного автомобиля: 1 — баллон со сжатым инертным газом. 2
— вентиль баллона, 3 — редуктор, 4
— вентиль установки, 5 — образцовый манометр, 6
— штуцер, 7 — баллон для сжиженного газа
тили, когда они находятся в закрытом положении, контролируют по показанию манометра 16
редуктора (см. рис. 1). Обнаружить утечки газа из расходных вентилей в магистраль можно и через специальный штуцер на баллоне автомобиля. Для этого отвертывают заглушку штуцера и обмазывают его пенной эмульсией или берут пробу воздуха прибором ПГФ-2М1-ИЗГ.
4. РЕМОНТ СИСТЕМЫ ПИТАНИЯ ДВИГАТЕЛЕЙ С ГАЗОБАЛЛОННЫМИ УСТАНОВКАМИ
Ремонт—процесс восстановления и поддержания работоспособности автомобиля путем устранения отказов и неисправностей, возникающих в работе или выявленных при техническом обслуживании. Ремонтные работы выполняют по потребности, т. е. после появления отказа или неисправности, или по плану — через определенный пробег или время работы автомобиля (предупредительный ремонт).
Предупредительный ремонт рекомендуется применять для автобусов, автомобилей-такси, автомобилей скорой медицинской помощи, пожарных и других автомобилей, к которым предъявляются повышенные требования безопасности движения и безотказности в работе.
Положением о техническом обслуживании и ремонте подвижного состава автомобильного транспорта предусматриваются два вида ремонта: капитальный (КР), производимый на специализированных ремонтных предприятиях, и текущий (ТР), выполняемый в автотранспортных предприятиях или станциях технического обслуживания.
Ремонт включает контрольно-диагностические, разборочные, сборочные, регулировочные, слесарные, медницкие, кузнечные, сварочные, жестяницкие, обойные, электротехнические, шиноремонтные, малярные и другие работы. Ремонт может выполняться по отдельным агрегатам и сборочным единицам (узлам), а также по автомобилю в целом.
Капитальный ремонт предназначен для восстановления работоспособности автомобилей и агрегатов и обеспечения пробега до следующего капитального ремонта (или списания) не менее 80% от нормы для новых автомобилей и агрегатов. Капитальный ремонт агрегата предусматривает его полную разборку, дефектовку (контроль и сортировку деталей по годности), восстановление и замену изношенных деталей, сборку, регулировку, и испытание.
Списание или восстановление агрегата при достижении его базовой (корпусной) деталью предельного состояния осуществляется в соответствии с едиными техническим условиями на сдачу в капитальный ремонт и выдачу из капитального ремонта автомобилей, их агрегатов и сборочных единиц (узлов).
Агрегат направляют в капитальный ремонт, если базовые и основные детали нуждаются в ремонте, требующем полной разборки агрегата; работоспособность агрегата не может
быть восстановлена или ее восстановление при текущем ремонте экономически нецелесообразно.
Полнокомплектный автомобиль за срок его службы подвергается, как правило, одному капитальному ремонту, не считая капитального ремонта агрегатов и сборочных единиц( узлов) до и после капитального ремонта автомобиля.
Текущий ремонт предназначен для устранения отказов и неисправностей и способствует выполнению установленных норм пробега до капитального ремонта при минимальных простоях. Он должен обеспечить безотказную работу отремонтированных агрегатов и сборочных единиц (узлов) в течение пробега, не меньшего, чем пробег до очередного ТО-2.
Текущий ремонт выполняют проведением разборочных, слесарных, сварочных и других работ с заменой: у агрегата — отдельных деталей (кроме базовых), достигших предельно допустимого износа, у автомобилей — отдельных агрегатов и сборочных единиц (узлов), требующих текущего или капитального ремонта.
Методы ремонта. Ремонт автомобилей может проводиться индивидуальным или агрегатным методом. При индивидуальном методе снятые агрегаты после их ремонта устанавливают на тот же автомобиль, при этом время простоя автомобиля в ремонте увеличивается на период времени, необходимого для ремонта его агрегатов. Этот метод ремонта применяют при отсутствии оборотного фонда агрегатов, разнотипном составе парка, небольших размерах автотранспортного предприятия и отдаленности его от ремонтного предприятия.
Сущность агрегатного метода ремонта состоит в том, что неисправные или требующие капитального ремонта агрегаты и сборочные единицы (узлы) заменяют исправными.
Агрегатный метод позволяет сократить время простоя автомобиля в ремонте, повысить производительность парка и снизить себестоимость транспортной работы. Поэтому, как правило, текущий ремонт выполняют агрегатным методом.
Восстановление и комплектовка деталей
Ремонт изношенных сопряженных деталей автомобиля можно осуществлять восстановлением начальной посадки изменением размеров деталей или восстановлением размеров деталей до их начального (номинального) значения (рис. 7).
При первом способе используют детали ремонтных размеров, больших или меньших номинального. При втором способе на изношенную поверхность детали наносят слой металла, а затем обрабатывают поверхность под номинальный размер. Нанесение слоя металла возможно наплавкой, гальваническими покрытиями и металлизацией асплавленным металлом.
На авторемонтных предприятиях применяют наплавку: под флюсом, в среде защитных газов, вибродуговую и плазменно-дуговую. Из гальванических покрытий наиболее распространены хромирование и осталивание деталей, а также дуговая металлизация.
К способам нанесения металла на изношенную поверхность относится также заливка подшипников скольжения антифрикционными сплавами (баббитом, свинцовистой бронзой).

Рис. 7. Классификация способов восстановления деталей автомобиля
Восстановление начальных размеров и посадки некоторых деталей возможно раздачей, осадкой и обжатием.
Для устранения механических, повреждений деталей автомобилей применяют различные виды сварки, пайки, давления, металлизации и слесарной обработки. Коррозионные повреждения устраняют механическим или слесарно-механическим способом (шлифованием, зачисткой и др.). В целях предупреждения коррозии детали оперения, кабину, раму и другие красят, а на детали арматуры кузовов и кабин наносят гальванические покрытия.
Работоспособность и долговечность автомобиля в большой мере зависят от зазоров в сопряжениях. Сборка сопряжений с зазором менее минимально допустимого приводит к нарушению масляной пленки, в результате чего происходит повышенный нагрев трущихся деталей и задиры их рабочих поверхностей.
Сборка с зазорами сверх допустимых приводит к выдавливанию смазки, увеличению динамической нагрузки и износу рабочих поверхностей деталей. Следовательно, зазор между сопряженными деталями выдерживают в полном соответствии с техническими условиями на контроль-сортировку и ремонт деталей.
При ремонте автомобилей в процессе сборки используют детали с номинальными размерами, с ремонтными размерами и с допустимым износом. Поэтому для обеспечения точности сборки необходимо предварительное комплектование, т. е. подбор сопрягаемых деталей по размерам, а некоторых (поршней в двигателе) и по массе. В ряде случаев комплектование сопровождается слесарно-пригоночными операциями, носящими характер частичной сборки.
На крупных авторемонтных предприятиях применяют селективный подбор сопрягаемых деталей. При этом способе комплектования разбивают поле допусков сопрягаемых деталей на несколько равных частей и подбирают детали в пределах одинаковой группы.
Технология ремонта топливной аппаратуры
Совокупность ремонтных операций, выполняемых в определенной последовательности, представляет собой технологию ремонта. В зависимости от объема и условий выполнения ремонта технология может быть различной. Так, капитальный ремонт топливной аппаратуры автомобилей выполняют на специализированных авторемонтных заводах в централизованном порядке. При этом применяется маршрутная технология восстановления приборов, предусматривающая поточный метод производства. Эта технология предполагает высокое оснащение ремонтного процесса современными техническими средствами, которые свойственны крупносерийному производству.
Капитальный ремонт топливной аппаратуры целесообразен в том случае, если затраты на него не превышают себестоимости производства новых приборов. Это условие выполнимо для системы питания дизельных двигателей. Для карбюраторных двигателей, имеющих сравнительно простое конструктивное исполнение приборов системы питания, капитальный ремонт топливной аппаратуры не предусматривается.
В условиях автотранспортного предприятия ремонт топливной аппаратуры выполняют в объеме текущего ремонта. Он включает три этапа: снятие неисправных приборов и деталей с автомобилей на рабочих постах; проверку, восстановление и регулировку приборов в ремонтных цехах или участках; установку на автомобиль снятых и отремонтированных приборов.
Общая схема технологии ремонта топливной аппаратуры автомобилей в автотранспортных предприятиях представлена на рис. 8.
Приемка приборов в ремонт. Перед снятием и отправкой в ремонт неисправные приборы системы питания очищают от грязи, а масло, воду и топливо из внутренних полостей сливают. Приборы снабжают необходимой технической документацией (нарядом на ремонт и др.) и в полном комплекте подготавливают к сдаче в ремонт. Комплектность приборов устанавливают по технической документации и наружным осмотром, затем определяют состояние прибора, оформляя соответствующий акт, где отмечают срок службы до ремонта, состояние базовых деталей и наличие неисправностей.

Рис. 8. Схема технологического процесса ремонта топливной аппаратуры
Наружная мойка приборов является обязательной перед разборкой и ремонтом. Ее выполняют различными способами, наиболее простым является мойка с помощью насосных установок.
Для мойки топливной аппаратуры на автомобиле применяют также пароводоструйные очистители. Например, очиститель ОМ-3360 представляет малогабаритную установку для мойки из шланга. Она может работать на пароводяной смеси, холодной или горячей воде, а также на моющих растворах. В качестве моющих растворов рекомендуется применять синтетическое моющее средство «Аэрол». Это сильнопенящееся и нетоксичное средство со специфическим запахом применяется в концентрации 2—3 г/л раствора.
Применение каустической соды в качестве моющего средства следует избегать, так как она опасна для здоровья и вызывает коррозию деталей из цветных металлов.
Качество мойки считается удовлетворительным, если с поверхности приборов системы питания удалены грязь, пыль, отложения и подтеки масла.
Разборка приборов на сборочные единицы (узлы) и детали. Приборы системы питания снимают с двигателя в определенной последовательности. С двигателя вначале снимают топливопроводы высокого и низкого давления и сливные трубопроводы от форсунок и насоса высокого давления. Все топливопроводы укладывают в специальный ящик, чтобы сохранить их конфигурацию. Затем снимают насос высокого давления, вынимая текстолитовую соединительную шайбу с муфты опережения впрыска, и фильтры тонкой и грубой очистки топлива.
Приборы системы питания карбюраторного двигателя снимают примерно в такой же последовательности, начиная с демонтажа подводящих и отводящих топливопроводов и кончая самими приборами.
Снятые с двигателя приборы направляют в цех для ремонта, где их моют в ванне с керосином или в моечной машине, очищают волосяными щетками, продувают сжатым воздухом и разбирают. Для разборки приборов применяют стенды, приспособления и специальный инструмент. После разборки отдельные детали приборов вновь моют в ванне с керосином, очищают от отложений и нагара, продувают сжатым воздухом или вытирают чистыми салфетками, контролируют и сортируют по техническому состоянию.
Контроль и сортировку деталей выполняют с целью определения степени износа и пригодности детали к ремонту или эксплуатации. Детали сортируют на годные к эксплуатации, не подлежащие ремонту и требующие ремонта. Рассортированные детали в зависимости от их состояния отправляют в утиль, на комплектовку или в ремонт.
Комплектовка деталей — это подбор комплекта деталей для одной сборочной единицы (узла) в целом. Например, нагнетательные секции насоса высокого давления можно скомплектовать по паре плунжер — гильза.
Ремонт деталей приборов системы питания в АТП сводится к работам по их восстановлению, не требующим сложного оборудования. К ним относятся притирка рабочих поверхностей клапанов и их седел, запорных игл и распылителей форсунок, плунжерных пар, замена потерявших упругость пружин, восстановление целости трубопроводов, резьб, заделка трещин в корпусах, поплавках и др.
При наличии специального оборудования и приспособлений выполняют более сложные ремонтные работы: осталивание или хромирование изношенных поверхностей кулачков, толкателей, поршней насосов.
Шейки кулачкового вала ремонтируют вибродуговой наплавкой с последующим шлифованием и доведением до необходимого размера.
После ремонта детали приборов системы питания очищают от следов механической обработки, комплектуют по техническим условиям и собирают. Собранные приборы прирабатывают, регулируют и испытывают на стендах, затем устанавливают и регулируют на автомобилях.
Ремонт газового редуктора МКЗ-НАМИ
Редуктор МКЗ-НАМИ ремонтируют при возникновении неисправностей, для устранения которых требуется снятие его с автомобиля. К таким неисправностям относятся негерметичность клапана первой ступени, разбухание мембраны, негерметичность вакуумных полостей разгрузочного и экономайзерного устройств, отказ в работе клапана или мембраны второй ступени, срыв резьбы в корпусе редуктора и др. Снятый редуктор моют и в зависимости от характера неисправностей полностью или частично разбирают.
При разборке первой ступени (рис. 2) придерживаются последовательности: ослабляют гайки 13,
вывертывают болт 14,
пружины высокого давления и вынимают пружину 12,
отвертывают гайки и снимают нижнюю крышку 11
редуктора. Разъединив шток мембраны первой ступени с рычажком 5,
снимают мембрану 8,
вывертывают ось 10
рычажка и вынимают рычажок вместе с клапаном 7. Отвернув две гайки, снимают фильтр 2
вместе с седлом 1
клапана.
При разборке второй ступени редуктора (рис. 3) отвертывают гайки и снимают дозирующе-экономайзерное устройство. Затем извлекают клапан 14.
Для этого снимают фланец трубки холостого хода, вывертывают ось 9 рычажка мембраны и снимают рычажок 12
со штока.
Мембрану снимают в такой последовательности: ослабляют стопорный винт и отвертывают колпак 1 седла пружины, вынимают из штока -шплинт 7,
снимают упорную шайбу 2
и пружину 3.
Затем ослабляют контргайку 4
и вывертывают седло 5
пружины, отвертывают болты, снимают верхнюю крышку 6
редуктора и мембрану 8
в сборе.
Разгрузочное устройство извлекают после разборки второй ступени. Для этого достаточно отвернуть на 2—3 оборота гайку сальника в корпусе редуктора. Разборка разгрузочного устройства не представляет особых сложностей. Детали устройства с учетом последовательности разборки приведены на рис. 9.
Дозирующе-зкономайзерное устройство разбирают в такой последовательности: отвертывают винты и снимают пластину 12
| 
|
| Рис. 9. Детали разгрузочного устройства:
1 — корпус, 2 — фланец, 3 — мембрана, 4, 7 — шайбы, 5 — пружина, 6 — крышка, 8 — штуцер, 9 — винт клапана
|
Рис. 10. Детали дозирующе-эковомайзерного устройства:
1 — винт, 2, 7 — шайбы, 3 — крышка, 4 — пружина экоио- майзера, 5 — мембрана, 6 — замочная шайба, 8 — пружина, 9 — корпус, 10 — клапан экономайзера, 11 — прокладка, 12 — пластина
|
(рис. 10) с дозирующими шайбами, снимают крышку 3,
извлекают пружину 4
экономайзера и мембрану 5,
снимают со штока клапана замочную шайбу 6,
вынимают клапан 10
экономайзера и пружину 8
клапана. Снятые детали моют, дефектуют и ремонтируют.
Основными неисправностями корпуса редуктора, которые подлежат устранению, являются повреждение резьбы отверстий и прилегающих плоскостей. Резьбовые отверстия восстанавливают нарезанием резьбы большего размера или постановкой втулок. При ремонте резьбовых отверстий способом увеличения размера резьбы соответственно новому размеру изготовляют шпильки, резьбовые штуцера и т. п.
Повреждения плоскостей прилегания (риски, забоины) устраняют шабрением поверхностей. При обломе ушек под оси рычажков, связывающих клапан и мембрану в первой и второй ступенях, а также при появлении трещин корпус редуктора бракуют.
Негерметичность пары клапан — седло в первой и второй ступенях редуктора устраняют обработкой поверхностей седел и ремонтом клапанов. Повреждения рабочих кромок седел удаляют зачисткой или подрезкой их торца. В клапанах переворачивают или заменяют поврежденные детали вставки. При заедании клапанов зачищают трущиеся поверхности клапанов, а также оси вращения рычажка.
Негерметичкость вакуумных полостей разгрузочного и эконо-майзерного устройств является следствием нарушения целостности или повреждения прилегающих поверхностей. Такие повреждения устраняют шабрением, а поврежденные мембраны заменяют. Мембраны изготовляют по чертежам или образцам из прорезиненной маслобензостойкой ткани толщиной 0,35 мм.
После ремонта редуктор собирают в обратной последовательности. При этом проверяют все подвижные соединения, которые должны перемещаться легко без заеданий. При установке мембран обращают внимание на правильное расположение отверстий для болтов и стержня штока. При прижатии мембран не должно образовываться складок и загибов.
В процессе сборки первой ступени редуктора при необходимости регулируют положение рычажка 5
(см. рис. 2) винтом 3
и контргайкой 4
до момента, когда плечо рычажка 5
займет горизонтальное положение при полностью закрытом клапане.
После сборки газовый редуктор испытывают на стенде (рис. 11). Стенд позволяет произвести проверки и регулировки I и II ступеней редуктора, разгрузочного и экономайзерного устройств. Для проведения работ редуктор 1 закрепляют на стенде посредством пневматического приспособления. Проверка работоспособности систем редуктора осуществляется сжатым воздухом с давлением 1,6 МПа и разрежением до 665 Па, создаваемым диаф-рагменной камерой. Входящее давление воздуха и давление в I ступени редуктора контролируются манометрами 2
и 3.
Для замера разрежения во время испытаний используют вакуумметр 4
и пьезометр 5.
В I ступени регулируют величину давления газа, проверяют быстроту наполнения камеры и герметичность соединений. Во II ступени регулируют ход клапана, его герметичность и момент открытия.
Отремонтированные зкономайзерные устройства проверяют на герметичность. При проверке создают разрежение под мембранами не менее 265 Па. Падение вакуума в течение 3 мин не допускается. Кроме того, в экономайзерном устройстве проверяют момент открытия клапана, а в разгрузочном — минимальное разрежение, нейтрализующее усилие конической пружины.
Клапан экономайзера должен открываться при разрежении под

Рис. 11. Стенд для испытания газового редуктора:
1 — газовый редуктор, 2—манометр высокого давления, 3 —
манометр низкого давления, 4 — вакууметр, 5 — пьезометр.6 — вентили управления
мембраной 165+15 Па. Разрежение, нейтрализующее усилие конической пружины разгрузочного устройства, должно составлять 105—135 Па. При несоответствии устройств заданным параметрам пружины тарируют на специальном приборе . Длину пружины замеряют по шкале, нанесенной на стержне. Причем при установке втулки без пружины риска должна совпадать с нулевой отметкой шкалы.
При определении длины пружины в свободном состоянии на стержень прибора надевают только пружину. При замере длины пружины под нагрузкой на втулку надевают тарировочный груз. Полученные при замере данные сравнивают с параметрами пружины (табл. 2) и в случае несоответствия их пружину бракуют.
Таблица 2. Параметры пружин экономайзерного и разгрузочного устройств
| Параметр
|
Пружина
|
| мембраны экономайаера
|
клапана экономайаера
|
разгрузочного устройства
|
| Полное число витков
Рабочее число витков
Длина пружины, мм:
в свободном состоянии
под нагрузкой
Масса груза, кг
|
9
7
29
20
255±8
|
5
3
14,5
7
280±330
|
4
2
140
10
750±5
|
Ремонт испарителя, фильтра, смесителя и предохранительного клапана
В испарителе газа основными неисправностями, появляющимися в процессе эксплуатации, являются засорение газовых клапанов, негерметичность но плоскости разъема, поры, раковины и трещины в корпусе.
Засорение газовых каналов устраняют при разборке испарителя. Негерметичность по плоскости разъема может возникнуть вследствие повреждения прокладки или плоскости прилегания (заусенцы, забоины и т. п.). При ремонте испарителя прокладку заменяют, а повреждения плоскости разъема исправляют шабрением. Раковины и трещины устраняют заваркой алюминием. Мелкие поры заделывают чеканкой или пропиткой корпусов бакелитовым лаком.
Перед пропиткой газовых каналов бакелитовым лаком испаритель собирают, на выходной штуцер устанавливают заглушку и нагревают его до температуры 80—100°С. Затем через входной штуцер полость заполняют нагретым до такой же температуры бакелитовым лаком и подают воздух под давлением 1,6 МПа.
После непродолжительного времени (около одной минуты) давление снимают, лак из полости выливают и испаритель просушивают до полного высыхания пленки лака. Отремонтированный таким образом испаритель подвергают на стенде (рис. 12) пневматическим испытаниям на герметичность, конструкция стенда позволяет проверить отдельно в ванне с водой герметичность газовой и водяной полостей испарителя. Подъем и опускание ванны с водой и крепление испарителя осуществляется с помощью пневматической системы.
Проверяют сначала газовую полость под давлением воздуха 1,6 МПа, затем водяную —под давлением воздуха 0,15 МПа. Проверка каждой полости производится в течение 2 мин. Контроль параметров производится по манометрам 2 и 3
и реле времени 4,
установленными на панели приборов стенда.
В магистральных газовых фильтрах чаще всего выходит из строя фильтрующий элемент и нарушается герметичность соединений. Для устранения этих неисправностей фильтр снимают и разбирают. При разборке (рис. 13) вывертывают болт 1, снимают колпак 2
и вынимают фильтрующий элемент 4.
Затем все эти детали промывают и проверяют их техническое состояние. Негерметичность по плоскости разъема фильтра устраняют заменой прокладки или шлифованием плоскостей разъема корпуса и колпака. Фильтрующий элемент при необходимости заменяют. Отремонтированный фильтр проверяют на стенде (рис. 14) на герметичность в ванне 4
с водой давлением воздуха в 1,6 МПа в течение 3 мин.
Ремонт смесителя. В смесителе газа наиболее часто ремонтируют обратный клапан. Для разборки клапана отвертывают винты и открывают крышку клапанной коробки, после чего клапан вместе со стержнем легко вынимается. К неисправностям клапана относится засмоление его или пропуск газа (негерметичность) при работе двигателя на холостом ходу.
Смолистые отложения удаляют промывкой клапана и его стержня в бензине. Негерметичность пары клапан — седло устраняют снятием заусенцев с торцовой поверхности седла и притиркой клапана пастой ГОИ.

Рис. 12. Стенд для испытания испарителя:
1 — рычаги управления, 2 — манометр дли испытания газовой полости, 3
— манометр для испытания водяной полости, 4
— реле времени
После ремонта обратный клапан проверяют на герметичность под давлением воздуха 0,2 МПа и легкость его перемещения. Клапан в любых положениях не должен зависать.
В предохранительном клапане основной неисправностью является негерметичность пары клапан — седло. Негерметичность может быть следствием: попадания грязи (окалины, стружки, песка и т. п.) между седлом и клапаном, повреждения вставки клапана, появления раковин на седле и уменьшения давления пружины на клапан.
| 
|
| Рис. 13. Магистральный фильтр газа:
1 — болт, 2 —колпак, 3 — прокладка, 4 —фильтрующий элемент
|
Рис. 14. Стенд для испытания фильтров:
1— баллон со сжатым воздухом, 2 — манометры, 3 — рычаг управления, 4 — ванна с водой. 5 — корпус, 6 — штуцер, 7 — электромагнитный клапан
|
Повреждения вставки клапана устраняют зачисткой неровности на прилегающей поверхности бархатным напильником, а раковины на седле —подрезкой или зачисткой его торцовой поверхности. Давление пружины на клапан изменяют набором регулировочных шайб. При увеличении толщины набора шайб давление пружины увеличивается, а при уменьшении — клапан будет открываться при меньшем давлении газа в баллоне. После ремонта, вне зависимости от характера неисправности, предохранительный клапан проверяют и регулируют на давление открытия и закрытия клапана. Проверку можно проводить на грузопоршневом манометре типа МП-60 (рис. 15). В один из

Рис. 15. Схема грузопоршневого манометра МП-60:
1 — корпус, 2 — вспомогательный поршень, 3 — штуцер, 4 — предохранительный клапан, 5 — колонка, 6 — основной поршень, 7 — тарировоч-ные грузы, 8 — образцовый манометр
штуцеров 3
устанавливают проверяемый предохранительный клапан 4,
в другой — образцовый манометр 8
на 2 МПа.
Давление в системе прибора создают вспомогательным поршнем и измеряют по образцовому манометру. Кроме того, максимальное давление открытия клапана контролируют основным поршнем. Для этого на его тарелку кладут грузы, соответствующие поднятию поршня при давлении 1,75 МПа. Правильно отрегулированный предохранительный клапан должен открываться при давлении МПа, уменьшить давление в системе и герметично закрыться при давлении 1,45 МПа. После регулировки предохранительный клапан пломбируют.
Освидетельствование баллонов для сжиженного газа
Баллоны для сжиженного газа периодически, один раз в два года, подвергают освидетельствованию. При освидетельствовании проводят гидравлические испытания, определяющие прочность баллонов, и пневматические для проверки герметичности соединений баллонов с арматурой. Перед испытаниями баллоны снимают с автомобиля, освобождают от газа и направляют на предприятие (СТОГА), которое имеет разрешение на проведение указанных работ.
Для механизации трудоемких работ по снятию, постановке и транспортировке газовых баллонов применяют специальную тележку (рис. 16). Конструкция тележки состоит из рамы 1,
опор-

Рис. 16. Тележка для снятия и постановки газовых баллонов:
1 — рама. 2 — газовый баллон. 3 — стрела с пантографом, 4 — стойка. 5 — ножной насос
ной стойки 4
и стрелы 3
с пантографом. Подъем стрелы осуществляется с помощью ножного гидравлического насоса 5.
При проведении гидравлических испытаний с баллонов снимают арматуру, на ее место устанавливают заглушки и баллоны полностью заполняют водой. Испытания проводят под давление ем 2,0 МПа, которое создается гидравлическим прессом и измеряется двумя манометрами, один из которых является контрольным.
Под давлением 2,0 МПа баллоны выдерживают в течение 1 мин. Затем давление снижают до рабочего (1,6 МПа), осматривают баллоны снаружи и обстукивают сварные соединения. Баллоны считаются выдержавшими гидравлическое испытание, если не обнаружено признаков разрыва, течи, потения в сварных соединениях на основном металле, видимых остаточных деформаций. После гидравлических испытаний баллоны осушают и на них устанавливают арматуру.
Баллоны в сборе с арматурой подвергают пневматическим испытаниям воздухом или инертным газом под давлением 1,6 МПа. Герметичность соединений определяют при опускании баллона в ванну с водой на 2 мин. Появление пузырьков воздуха на поверхности баллонов и в местах соединений их с арматурой не допускается.
О результатах освидетельствования делают запись в паспорте баллона с указанием выявленных и устраненных неисправностей. На стенке баллона выбивают месяц и год последующих испытаний и ставят клеймо организации, проведшей освидетельствование.
В процессе эксплуатации баллонов при любой замене сборочных единиц (узлов) арматуры проводят внеочередные пневматические испытания без регистрации в паспорте.
Проверка и регулировка газового редуктора и смесителя на моторном стенде
После ремонта и проверки сжатым воздухом газовый редуктор совместно со смесителем проходят окончательную регулировку и испытания на моторном стенде (рис. 17) при работе двигателя на сжиженном газе.
Моторный стенд оборудован газовым двигателем 1 со всем вспомогательным оборудованием (водяным, масляным и топливным насосами, генератором и т. п.), тормозным 11 и весовым 10
устройствами, позволяющими делать отбор и замерять мощность, развиваемую двигателем.
При испытаниях кроме частоты вращения коленчатого вала и мощности, развиваемой двигателем, замеряют расход топлива газовым счетчиком и давление в различных сборочных единицах (узлах) газового оборудования. Давление газа в баллоне и в первой ступени редуктора замеряют техническими или образцовыми манометрами 5 и 6.
Давление и разрежение в газовой аппаратуре, которое должно быть около 0,1 МПа, замеряют ртутным пьезометром. Для измерения малых давлений и разрежений (до 50 Па) используют водяной пьезометр 3.
Во время испытаний проверяют мощностные и экономические показатели двигателя, обеспечиваемые работой редуктора и смесителя.
Первым этапом испытаний является регулировка смесителя и редуктора для работы двигателя на холостом ходу. В смесителе регулируют количество подаваемого газа и воздуха, в редукторе — давление газа во второй ступени на величину 70—80 Па. Одновременно контролируют токсичность отработавших газов и регулируют двигатель.
Следующим этапом испытаний является проверка удельных расходов топлива при работе двигателя с частичной нагрузкой на частоте вращения коленчатого вала 2000 об/мин. Для этого замеряют мощность двигателя и расход газа. Удельный расход в м3
(Вт-ч) подсчитывают по формуле ,
где Vг
— расход газа, м3
/ч; Nе
— действующая мощность двигателя, Вт.
При полном открытии дроссельных заслонок на различной частоте вращения коленчатого вала замеряют мощность двигателя и расход газа.

Рис. 17. Схема моторного стенда:
1 — двигатель, 2 — счетчик для замера расхода газа, 3 — водяной пьезометр, 4 — ртутный пьезометр, 5 — манометр редуктора, 6 — манометр баллона, 7 —указатель уровня газа в
баллоне, 8 — газовый баллон, 9 — бак с бензином, 10 — весовое устройство, 11 — тормозное устройство, 12 — прибор для замера токсичности отработавших часов
Кроме того, при моторных испытаниях проверяют работу ограничителя частоты вращения коленчатого вала двигателя.
После, регулировки редуктор и смеситель в комплекте поступают для установки на автомобиль.
5. ТЕХНИЧЕСКАЯ ПЛАНИРОВКА УЧАСТКА ПО РЕМОНТУ ГАЗОВОЙ АППАРАТУРЫ И АРМАТУРЫ.
Приборы систем питания газобаллонных автомобилей, неисправность которых не может быть устранена на постах технического обслуживания и ремонта автомобилей, снимают и направляют в отделение по ремонту газовой аппаратуры и арматуры.
К помещениям отделения предъявляются особые требования. Минимально допустимая высота помещения, обусловленная санитарными нормами, должна быть от пола до потолка 3,2 мм, от пола до выступающих конструктивных элементов перекрытия 2,6 м. Полы должны быть ровными с нескользкой поверхностью, бензомаслоустойчивыми из несгораемого материала. Под помещениями, занятыми отделением, запрещается устраивать подвалы, колодцы и подпольные каналы (пустоты).
Помещение, в котором выполняют обслуживание и ремонт газового оборудования, должно быть оборудовано искусственной приточно-вытяжной вентиляцией с двукратным обменом воздуха, а также противопожарной сигнализацией и средствами пожаротушения.
Снятое с автомобиля газовое оборудование имеет неприятный специфический запах одорирующих веществ, сернистых соединений и остатки пропан-бутанового газа. Поэтому стеллаж-шкаф для хранения газовой аппаратуры в нижней части должен иметь принудительную вытяжную вентиляцию.
Секционный стеллаж-шкаф с переставными полками и выдвижными ящиками для хранения 20 комплектов газового оборудования представлен на рис. 143. Стеллаж имеет принудительный отсос воздуха производительностью 0,25 м3
/ч. Для предохранения газовой аппаратуры от повреждений секции стеллажа выполнены из материала меньшей твердости (дерево, пластмасса), чем агрегат аппаратуры.

Рис. 18. Стеллаж-шкаф для хранения газового оборудования
При мойке газового оборудования применяют те же машины и средства, что и для деталей бензиновой и дизельной топливной аппаратуры. Газовые приборы размещают на верстаках, оборудованных тисками и устройством бортового отсоса воздуха.
На участке технического обслуживания и ремонта осуществляют дефектовку, сборку, проверку и регулировки деталей и сборочных единиц (узлов) газового оборудования.
Монтажно-демонтажные, слесарные и регулировочные работы по газовому оборудованию выполняют с помощью специального инструмента. Для этих целей применяют комплект инструмента модели И-139 , который имеет медное покрытие, позволяющее применять его во взрывоопасной среде. Проверку и регулировку выполняют на специальных испытательных стендах. Определяют рабочие параметры газового оборудования и проверяют внутреннюю и внешнюю герметичность.
Для проверки и регулировки газового смесителя и карбюратора-смесителя участок оборудуют безмоторной установкой. Вакуумная часть этой установки размещена в отдельном помещении.
Рабочие параметры и герметичность сборочных единиц (узлов) газового оборудования проверяют сжатым воздухом или инертным газом при рабочем давлении 1,6 МПа. Сжатый газ подается из баллонов высокого давления (до 20 МПа) и редуцируется до испытательного давления. Шкаф для хранения этих баллонов и тележка для их перемещения размещены на участке энергообеспечения.
ЛИТЕРАТУРА
1. Напольский Г.М. Технологическое проектирование автотранспортных предприятий и станций технического обслуживания: Учебник для ВУЗов.-2-е изд., перераб. и доп.- М: Транспорт, 1993.-271с.
2. Положение о техническом обслуживании и ремонте подвижного состава авто мобильного транспорта -М: Транспорт, 1988.-78с.
3. С.Афонин. Газовое оборудование автомобиля. Легковые, грузовые. Устройство, установка, обслуживание. Практическое руководство. «ПОНЧиК», 2001 г.
4. Буралев Ю.В. и др. Устройство, обслуживание и ремонт топливной аппаратуры автомобилей. – М.: Высшая школа, 1982 г.
|