| ФЕДЕРАЛЬНОЕ АГЕНТСТВО ПО ОБРАЗОВАНИЮ
Камская государственная инженерно-экономическая академия
Кафедра «Автомобили»
КОНТРОЛЬНАЯ РАБОТА
по дисциплине «Автомобили часть I»
на тему: «Системы двигателя автомобиля НИССАН»
Выполнил: ст. гр.
заочного отделения
Проверил:
2009
Оглавление
1. Общие сведения. Технические характеристики
2. Блок двигателя. Кривошипно-шатунный механизм.
3. Газораспределительный механизм
4. Система смазки
5. Система охлаждения
6. Система питаня
7. Выпуск отработавших газов
8. Комплексная система управления двигателем (КСУД)
Подсистема управления впрыском топлива
Подсистема управления углом опережения зажигания
Список использованной литературы
1. Общие сведения. Технические характеристики
Двигатель GA16DE объемом 1600 см3 — четырехтактный, четырехцилиндровый с рядным вертикальным расположением цилиндров, с распределенным впрыском топлива. Установлен в передней части кузова поперечно. Механизм газораспределения 16-клапанный с двумя расположенными в головке блока цилиндров распределительными валами, приводимыми цепью от коленчатого вала. Устанавливался на автомобили Nissan Almera 1995-1999 года выпусков.
Таблица 1. Основные технические характеристики бензиновых двигателей GA16DE
| Параметр
|
Значение
|
| Способ смесеобразования
|
Комплексная система управления двигателем (КСУД) Nissan ECCS
|
| Число, расположение цилиндров
|
Четыре, рядное
|
| Диаметр цилиндра х ход поршня, мм
|
76,0 х 88,0
|
| Рабочий объем, см3
|
1597
|
| Степень сжатия
|
9,8
|
| Компрессия, кгс/см2
:
|
| номинальная
|
13,53
|
| минимально-допустимая
|
11,57
|
| Номинальная мощность нетто / частота вращения коленчатого вала, мин -1
|
| по стандарту DIN, л.с.
|
100/6000
|
| по стандарту ЕЭС, кВт
|
73/6000
|
| Максимальный крутящий момент / частота вращения коленчатого вала, мин-1
|
| по стандарту DIN, кгс-м
|
13,9/4000
|
| по стандарту ЕЭС, Н-м
|
136/4000
|
| Порядок работы цилиндров
|
1-3-4-2
|
Блок цилиндров чугунный, отлит за одно целое с цилиндрами (рис. 1). Цилиндры по диаметру разделены на три размерные группы. Номинальная высота блока цилиндров двигателей составляет А = 213,95—214,05 мм.
Поршни изготовлены из алюминиевого сплава, имеют плоское днище и три канавки для колец. По диаметру поршни разбиты на три группы для номинального размера и на две группы для ремонтного размера (табл. 2).
Таблица 2 Размерные группы поршней
| Диаметр поршня, мм
|
| 1 -я группа номинального размера
|
75,975-75,985
|
| 2-я группа номинального размера
|
75,985-75,995
|
| 3-я группа номинального размера
|
75,995-76,005
|
| Ремонтная группа -0,5
|
76,475-76,505
|
| Ремонтная группа +0,1
|
76,975-77,005
|
Размерные группы маркируются цифрами на днище поршня. Поршни ремонтных размеров предназначаются для установки в блок цилиндров после расточки. Метка на днище поршня должна быть обращена в сторону привода распределительных валов.
Диаметр отверстия в бобышках под поршневой палец составляет 18,987—18,999 мм.
Зазор между зеркалом цилиндра и поршнем составляет 0,015—0,035 мм
Поршневые пальцы пустотелые, стальные, закаленные и шлифованные, свободно вращаются во втулке шатуна и запрессовываются небольшим усилием в холодном состоянии в отверстие бобышек поршня. От осевого перемещения пальцы удерживаются двумя пружинными стопорными кольцами.
Диаметр поршневого пальца 18,989—19,001 мм.
Натяг в отверстии бобышки поршня 0—0,004 мм. Зазор между поршневым пальцем и втулкой верхней головки шатуна 0,005—0,017 мм.
На каждом поршне установлено по три кольца: верхнее компрессионное хромированное, с бочкообразной поверхностью; нижнее компрессионное скребкового типа; маслосъемное с расширителем, верхним и нижним кольцами.
Зазор между поршневыми кольцами и канавками поршня составляет:
— для верхнего кольца — 0,04—0,08 мм, предельно допустимый 0,2 мм;
— для нижнего кольца — 0,03—0,07 мм, предельно допустимый 0,2 мм.
Зазор в замке:
— для верхнего кольца — 0,2—0,35 мм;
предельно допустимый— 1 мм;
— для нижнего кольца — 0,37—0,52 мм;
предельно допустимый— 1 мм;
— для маслосъемного кольца — 0,2—0,6 мм;
предельно допустимый 1 мм;
Шатуны стальные, кованые, двутаврового сечения, нижняя головка шатуна с прямым разъемом. При установке метка на крышке нижней головки шатуна располагается напротив метки на шатуне; отверстие для смазки ориентируется в сторону стартера.
Расстояние между центрами отверстий верхней и нижней головок шатуна 140,45—140,55 мм.
Диаметр отверстия нижней головки шатуна 43,000—43,012 мм
Диаметр отверстия втулки верхней головки шатуна 19,000—19,012 мм
Коленчатый вал чугунный, пятиопорный с четырьмя противовесами.
По диаметру коренных и шатунных шеек коленчатые валы разбиты на три размерные группы в мм.:
| 1
|
2
|
3
|
| Диаметр шатунных шеек
|
39,968-39,974
|
39,962-39,968
|
39,956-39,962
|
| Диаметр коренных шеек
|
49,956-49,964
|
49,948-49,956
|
49,940-49,948
|
| Зазор между вкладышем и коренной шейкой
|
0,018-0,042 (номинальный)
0,1 (максимальный)
|
| Зазор между вкладышем и шатунной шейкой
|
0,010-0,035 (номинальный)
0,1 (максимальный)
|
| Осевой зазор коленчатого вала
|
0,06-0,18 (номинальный)
0,3 (максимальный)
|
Два упорных полукольца устанавливаются в гнезда по обе стороны от центральной опоры коленчатого вала. Они обеспечивают регулировку осевого зазора коленчатого вала. Полукольца установлены стороной с канавками к коленчатому валу. Вкладыши коренных подшипников тонкостенные стальные с рабочей поверхностью из алюминиево-оловянного сплава. Вкладыши, устанавливаемые в блок цилиндров, имеют канавки и отверстия для смазки. Вкладыши, устанавливаемые в крышки подшипников, гладкие
По толщине все вкладыши разбиты на размерные группы, которые маркируются краской на торце.
Вкладыши шатунных подшипников также стальные тонкостенные с рабочей поверхностью из алюминиево-оловянного сплава. Вкладыши со стороны шатуна имеют отверстие, которое при сборке совмещается с отверстием в теле шатуна. Шатунные вкладыши тоже разбиты на группы по толщине, маркируемые краской на торце (табл. 2.4). Ремонтные вкладыши также различаются по размерным группам.
Толщина вкладышей, мм:
коренные:
+0,25 1,960—1,964
+0,50 2,085—2,089
шатунные:
+0,08 1,542—1,546
+0,12 1,562—1,566
+0,25 1,627—1,631

Рис.2. Детали блока цилиндров и кривошипно-шатунного механизма двигателя GA16DE: I — с механической коробкой передач; II — с автоматической коробкой передач;
1 — блок цилиндров; 2 — держатель задней манжеты коленчатого вала; 3 — сливная пробка охлаждающей жидкости блока цилиндров; 4 — кронштейн; 5 — вкладыши коренных подшипников коленчатого вала; 6 — упорные полукольца коленчатого вала; 7 — коленчатый вал; 8 — крышки коренных подшипников коленчатого вала; 9 — втулка привода масляного насоса; 10 — звездочка коленчатого вала; 11 — сегментные шпонки; 12 — крышка нижней головки шатуна; 13 — шатунные вкладыши; 14 — шатун; 15 — стопорные кольца; 16 — поршневой палец; 17 — поршень; 18 — маслосъемное кольцо; 19 — нижнее компрессионное кольцо; 20 — верхнее компрессионное кольцо; 21 — задняя манжета коленчатого вала; 22 — задняя крышка; 23 — маховик; 24 — нижняя крышка; 25 — задняя крышка; 26 — ведомый диск
В двигателях применен 16-клапанный механизм газораспределения с двумя расположенными в головке блока цилиндров распределительными валами. Привод валов осуществляется от коленчатого вала двумя роликовыми цепями.
Головка цилиндра отлита из алюминиевого сплава, имеет по четыре клапана на цилиндр; камеры сгорания полусферической формы. В головку блока цилиндров запрессованы седла и направляющие втулки клапанов. Корпуса подшипников распределительных валов обработаны за одно целое с головкой блока цилиндров и имеют съемные крышки. Правильное положение головки на блоке цилиндров фиксируется двумя установочными втулками.
Чугунные направляющие втулки клапанов запрессованы в головку блока цилиндров. Натяг при запрессовке втулок в головку блока цилиндров составляет 0,024—0,059 мм.
Диаметр отверстий в головке блока цилиндров для запрессовки направляющих втулок, мм:
новых 9,475—9,534
ремонтных 9,723—9,734
Зазор между стержнем клапана и направляющей втулкой для впускных клапанов 0,02—0,05 мм, для выпускных клапанов 0,04—0,07 мм.
Выступание направляющих втулок клапанов 11,5—11,7 мм.
Стальные седла клапанов запрессованы в головку блока цилиндров.
Таблица 3. Размерные характеристики седел клапанов
| Характеристика
|
Впускные клапаны
|
Выпускные клапаны
|
| Ширина рабочей фаски, мм
|
1,06-1,34
|
1,20-1,68
|
| Наружный диаметр рабочей фаски, мм
|
29,5-29,7
|
23,5-23,7
|
| Внутренний диаметр рабочей фаски, мм
|
27,8-28,0
|
-
|
| Угол рабочей фаски
|
45°
|
-
|
| Угол верхней фаски
|
30°
|
15°
|
| Угол нижней фаски
|
60°
|
-
|
Прокладка головки блока цилиндров выполнена из синтетического материала (без содержания асбеста), имеет силиконовый жгут по периметру и металлическую окантовку отверстий вокруг цилиндров. Прокладка устанавливается отметкой «ТОР» в сторону головки блока цилиндров.
На двигателях применяются механические толкатели цилиндрической формы, перемещающиеся в отверстиях головки блока цилиндров. На верхней части толкателей имеется выемка для установки регулировочной шайбы. Наружный диаметр толкателей 29,960—29,975 мм. Диаметр отверстий в головке блока цилиндров 30,000—30,021 мм. Зазор между толкателем и стенкой отверстия в головке блока цилиндров 0,025—0,061 мм.
В каждой камере сгорания установлено четыре стальных клапана (два впускных и два выпускных), приводимых распределительными валами через толкатели. Размерные характеристики клапанов двигателей GA представлены в табл. 2.6.
Таблица 4. Размерные характеристики клапанов
| Двигатель
|
Впускные клапаны
|
Выпускные клапаны
|
| Общая длина клапана, мм
|
92,0-92,5
|
92,37-92,87
|
| Диаметр стержня клапана, мм
|
5,465-5,480
|
5,445-5,460
|
| Диаметр цилиндрической части тарелки клапана, мм
|
29,9-30,2
|
23,9-24,2
|
| Угол рабочей фаски клапана
|
45°15'-45°45'
|
| Минимальная допустимая толщина цилиндрической части тарелки клапана, мм
|
0,9-1,1
|
На направляющие втулки клапанов напрессованы маслоотражательные колпачки. На каждом клапане установлена одна пружина, одинаковая для впускных и выпускных клапанов.
Распределительные валы изготовлены из чугуна, впускные валы — пятиопорные, выпускные — шестиопорные.
Высота кулачков двигателей распределительных валов составляет:
39,38—39,57 мм для вала впускных клапанов: 39,88—40,07 мм для вала выпускных клапанов;
Зазоры в механизме привода клапанов на горячем / холодном двигателе составляют, мм:
впускные клапаны 0,32—0,40/ 0,25—0,33;
выпускные клапаны 0,37—0,45/ 0,32—0,40.
На распределительных валах впускных клапанов наносится маркировка «I», выпускных клапанов — «Е»
Фазы газораспределения указаны в табл. 5 без учета зазора между кулачками распределительных валов и толкателями.
Таблица 5 Фазы газораспределения
| Начало открытия впускного клапана до ВМТ такта выпуска, опережение
|
0°
|
| Закрытие впускного клапана после НМТ такта сжатия, запаздывание
|
34°
|
| Начало открытия выпускного клапана до НМТ рабочего хода, опережение
|
42°
|
| Закрытие выпускного клапана до ВМТ такта выпуска, опережение
|
0°
|
Привод распределительных валов на двигателях проводится от коленчатого вала двумя цепями. Одна цепь, имеющая 80 звеньев, вращает промежуточную звездочку, вторая, имеющая 54 звена, передает вращение промежуточной звездочки распределительным валам. Цепи натягиваются гидравлическими натяжителями.
Диаметр опорных шеек распределительных валов, мм:
шейка №1 (со стороны привода распределительного вала) 27,935—27,955
шейки №2—5 23,935—23,955
Радиальный зазор распределительных валов, мм:
номинальный 0,045—0,086
максимально допустимый 0,15
Осевой зазор распределительных валов, мм:
номинальный 0,070—0,143
максимально допустимый 0,2

Рис. 3. Детали механизма газораспределения двигателей GA16DE: 1 — шкив коленчатого вала; 2 — башмак натяжителя; 3 — прокладка;
4 — натяжитель цепи привода промежуточной звездочки; 5 — звездочка впускного распределительного вала; 6 — натяжитель цепи привода распределительных валов; 7 — звездочка выпускного распределительного вала; 8 — цепь привода распределительных валов; 9 — распределительный вал впускных клапанов; 10 — распределительный вал выпускных клапанов; 11 — регулировочная шайба; 12 — толкатель;
13 — сухари; 14 — тарелка пружины; 15 — пружина; 16 — маслоотражательный колпачок; 17 — опорная шайба пружины; 18 — клапан; 19 — ось промежуточной звездочки; 20 — промежуточная звездочка; 21 — успокоитель; 22 — цель привода промежуточной звездочки; 23 — звездочка коленчатого вала; 24 — втулка привода масляного насоса; 25 — передняя крышка привода распределительных валов
4. Система смазки
Смазка двигателя осуществляется под давлением, создаваемым шестеренчатым масляным насосом, приводимым от коленчатого вала. Система смазки включает в себя, кроме того, масляный фильтр и редукционный клапан, который ограничивает давление масла.
Масляный насос шестеренчатого типа установлен в передней крышке привода механизма газораспределения.
Датчик давления масла ввернут в заднюю плоскость блока цилиндров с правой стороны от масляного фильтра. Сигнальная лампа давления масла загорается при падении давления масла ниже 0,2 кгс/см2.
Масляный фильтр двигателей Nissan типа 15208-Н8903 неразборный, установлен с задней стороны блока цилиндров. Над втулкой крепления масляного фильтра находится перепускной клапан, который срабатывает в случае засорения масляного фильтра. Вместимость фильтра 0,4 л. При замене масла масляный фильтр заменяется.

Рис. 4. Детали системы смазки двигателей GA14DE и GA16DE: 1 — масляный фильтр; 2 — щуп для проверки уровня масла; 3 — датчик давления масла; 4 — втулка крепления масляного фильтра; 5 — направляющая трубка щупа для проверки уровня масла; 6 — передняя крышка привода распределительных валов; 7 — ведомая шестерня масляного насоса; 8 — ведущая шестерня масляного насоса; 9 — крышка масляного насоса; 10 — втулка привода масляного насоса; 11 — уплотнительное кольцо; 12 — маслоприемник; 13 — плунжер редукционного клапана; 14 — пружина; 15 — пробка редукционного клапана; 16 — масляный картер; 17 — пробка сливного отверстия; 18 — блок цилиндров
5. Система охлаждения
Система охлаждения двигателей Nissan с принудительной циркуляцией охлаждающей жидкости, обеспечиваемой центробежным насосом. Он приводится поликлиновым ремнем от шкива коленчатого вала. Система включает в себя радиатор, расширительный бачок, водяной насос, термостат, патрубки и один или два электровентилятора в зависимости от комплектации. Детали системы охлаждения приведены на рис. 5 Водяной насос установлен на передней крышке привода распределительного механизма. Термостат установлен рядом с водяным насосом.
Температура начала открытия основного клапана термостата 76,5° С. Полный ход штока основного клапана 8 мм соответствует температуре охлаждающей жидкости 90° С.
Радиатор системы охлаждения с вертикальными алюминиевыми трубками и пластмассовыми бачками. На автомобилях с автоматической коробкой передач в нижний бачок радиатора встроен масловодяной теплообменник.
Давление срабатывания предохранительного клапана пробки радиатора 0,8—1,0 кгс/см2.
Расширительный бачок вместимостью 0,7 л изготовлен из пластмассы, крепится в моторном отсеке перед аркой правого переднего колеса.
Датчик температуры охлаждающей жидкости с обратным температурным коэффициентом. Сопротивление датчика при температуре 60° С составляет 70—90 Ом, при 100° С — 21—24 Ом.
На автомобилях с механической коробкой передач устанавливается один односкоростной электровентилятор, включаемый посредством реле. На автомобилях с механической коробкой передач и кондиционером устанавливаются два односкоростных вентилятора. На автомобилях с автоматической коробкой передач два двухскоростных вентилятора, которые включаются двумя реле. Вентиляторы крепятся за радиатором системы охлаждения. Реле располагаются в блоке реле, установленном в моторном отсеке. Сопротивление управляющей обмотки реле 75 Ом.

Рис. 5. Детали системы охлаждения: А — автомобили с механической коробкой передач без кондиционера; Б — автомобили с механической коробкой передач с кондиционером; В — автомобили с автоматической коробкой передач; 1 — шкив водяного насоса; 2 — водяной насос; 3 — корпус термостата; 4 — термостат; 5 — крышка термостата; 6 — датчик температуры охлаждающей жидкости; 7 — радиатор отопителя салона; 8 — электродвигатель вентилятора; 9 — кронштейн электровентилятора; 10 — крыльчатка вентилятора; 11 — радиатор системы охлаждения двигателя; 12 — расширительный бачок
6. Система питания
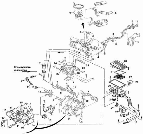
Система включает в себя следующие основные элементы: топливный бак, электрический топливный насос, погруженный в бак, регулятор давления топлива, регулятор холостого хода, датчики и четыре топливные форсунки (рис. 6.). Стальной штампованный топливный бак вместимостью 50 л крепится сзади кузова перед задней осью.
В системе питания предусмотрен абсорбер — фильтр с активированным углем, обеспечивающий поглощение паров топлива с последующим их использованием.
Роторный электробензонасос, соединенный с датчиком уровня топлива, размещен в топливном баке. Показания датчика могут быть проверены по табл. 2.8. Насос включается контроллером при помощи реле. Питание на реле подается с задержкой примерно 5 с. Доступ к насосу с датчиком уровня топлива осуществляется через люк в полу кузова под задним сиденьем.
Топливный фильтр типа Nissan располагается в задней части моторного отсека с левой стороны. При установке кольцевой выступ должен быть ориентирован вверх в сторону форсунок.
Диафрагменный регулятор давления топлива обеспечивает постоянное давление топлива в системе питания и поддерживает на холостом ходу двигателя следующее давление:
— при отсоединенном от регулятора давления вакуумном шланге: 2,45 кгс/см2
— при присоединенном шланге: 2,94 кгс/см2.
Регулятор давления топлива установлен слева от топливной рампы.
Топливные электромагнитные форсунки обеспечивают впрыск топлива в цилиндры и крепятся к топливной магистрали. Напряжение питания форсунок 12 В.
При постоянном давлении в топливной системе единственным параметром, влияющим на количество впрыскиваемого топлива, остается время открытия форсунок.
Контроллер рассчитывает продолжительность открытия форсунок в зависимости от положения дроссельной заслонки, нагрузки и частоты вращения коленчатого вала, т.е. необходимого в каждый момент времени качества горючей смеси. Он посылает на форсунки импульсы различной длительности и поддерживает оптимальную дозировку топлива. Длительность впрыска топлива несколько увеличивается во время прогрева двигателя. При прогреве, а также в случае работы контроллера по резервной программе форсунки открываются одновременно. При нормальном режиме работы форсунки открываются поочередно в соответствии с порядком работы цилиндров.
Сменный сухой воздушный фильтр расположен в корпусе над впускным трубопроводом.
Корпус дроссельной заслонки установлен на впускном трубопроводе. В корпусе располагаются дроссельная заслонка, датчик положения дроссельной заслонки, измеритель массового расхода воздуха, регулятор холостого хода, регулятор ускоренного холостого хода (на автомобилях с кондиционером), привод автоматического пускового устройства и винт регулировки оборотов холостого хода. Корпус обогревается жидкостью от системы охлаждения двигателя.
Регулятор холостого хода выполнен в виде электромагнитного клапана, который изменяет поперечное сечение воздухопровода, расположенного в обход дроссельной заслонки.
Регулятор ускоренного холостого хода устанавливается на автомобилях, снабженных кондиционером, и обеспечивает повышение частоты вращения двигателя на холостом ходу при включении кондиционера. Регулятор представляет собой электромагнитный клапан двухпозиционного типа, который изменяет поперечное сечение воздухопровода, расположенного в обход дроссельной заслонки.
Терморегулятор повышенных оборотов холостого хода на холодном двигателе включает в себя термочувствительный элемент, расположенный на трубопроводе охлаждающей жидкости внутри корпуса дроссельной заслонки. При запуске холодного двигателя термочувствительный элемент воздействует через кулачок на рычаг управления дроссельной заслонкой, повышая обороты двигателя, и тем самым ускоряет его прогрев.
Клапан рециркуляции отработавших газов (РОГ) закреплен сзади головки блока цилиндров на впускном трубопроводе с левой стороны. Клапан управляет подачей во впускной трубопровод части отработавших газов за счет разрежения, подаваемого от впускного коллектора, и посредством электромагнитного клапана РОГ. Разрежение, приложенное к мембране клапана, регулируется клапаном дифференциального давления.
Рециркуляция отработавших газов приводит к понижению температуры горения, что, в свою очередь, уменьшает количество окисей азота (NOX), являющихся загрязнителями окружающей среды и оказывающих особо вредное воздействие на человеческий организм. Азот, содержащийся в воздухе, окисляется кислородом при высокой температуре. Смешивание отработавших газов с поступающим свежим воздухом вызывает понижение содержания кислорода во всасываемом воздухе и, как следствие, понижение температуры горения, что уменьшает и количество NOX в отработавших газах. Клапан дифференциального давления расположен сзади головки блока цилиндров на впускном трубопроводе с левой стороны. Клапан регулирует разрежение, приложенное к мембране клапана системы РОГ, в зависимости от давления отработавших газов, определяя тем самым количество отработавших газов, поступающих в систему РОГ.

Рис. 6. Детали системы питания двигателей GA14DE и GA16DE: 1 — крышка топливного бака; 2 — прокладка; 3 — наливная труба; 4 — топливный бак; 5 — топливный насос; 6 — датчик уровня топлива; 7 — топливный фильтр; 8 — регулятор давления топлива; 9 — рампа; 10 — топливная форсунка; 11 — впускной трубопровод; 12 — датчик температуры охлаждающей жидкости; 13 — клапан РОГ; 14 — трубопровод РОГ; 15 — датчик дифференциального давления; 16 — электромагнитный клапан системы РОГ; 17 — абсорбер; 18 — шланг воздухозаборника; 19 — глушитель шума впуска; 20 — корпус воздушного фильтра; 21 — сепаратор паров масла; 22 — воздушный фильтр; 23 — крышка воздушного фильтра; 24 — корпус дроссельной заслонки; 25 — регулятор ускоренного холостого хода; 26 — регулятор холостого хода; 27 — измеритель массового расхода воздуха; 28 — датчик положения дроссельной заслонки; 29 — привод терморегулятора повышенных оборотов
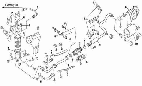
На автомобилях система выпуска отработавших газов состоит из приемной трубы 7 (рис. 7.), двух каталитических нейтрализаторов, переднего и заднего глушителей. Система выпуска закреплена на автомобиле на резиновых подвесках

Рис. 7. Детали системы выпуска отработавших газов: 1 — выпускной коллектор; 2 — прокладки коллектора; 3 — датчик содержания кислорода в отработавших газах; 4 — трубопровод рециркуляции отработавших газов (РОГ); 5 — первый каталитический нейтрализатор; 6 — термоизоляционный экран; 7 — приемная труба глушителя; 8 — второй каталитический нейтрализатор; 9 — передний глушитель; 10 — задний глушитель
8. Комплексная система управления двигателем (КСУД)

Рис. 8. Конструктивная схема комплексной системы управления двигателем (КСУД): 1 — аккумуляторная батарея; 2 — выключатель кондиционера; 3 — выключатель зажигания; 4 — контрольная лампа неисправности КСУД; 5 — контроллер; 6 — датчик скорости движения; 7 — датчик положения рычага переключения передач; 8 — распределитель зажигания (с датчиком положения распределительного вала и частоты вращения коленчатого вала двигателя и блоком зажигания); 9 — каталитический нейтрализатор; 10 — датчик содержания кислорода в отработавших газах (лямбда-зонд); 11 — свеча зажигания; 12 — топливная форсунка; 13 — регулятор давления топлива; 14 — регулятор холостого хода; 15 — регулятор ускоренного холостого хода; 16 — терморегулятор повышенных оборотов холостого хода на холодном двигателе; 17 — измеритель массового расхода воздуха; 18 — корпус дроссельной заслонки; 19 — датчик положения дроссельной заслонки; 20 — воздушный фильтр; 21 — электромагнитный клапан регенерации паров топлива и рециркуляции отработавших газов (РОГ); 22 — клапан рециркуляции отработавших газов; 23 — клапан дифференциального давления; 24 — топливный бак; 25 — топливный насос; 26 — абсорбер; 27 — датчик температуры охлаждающей жидкости; 28 — топливный фильтр
Автомобили оснащены комплексной системой управления двигателем (КСУД) Nissan ECCS. КСУД предназначена для управления впрыском топлива и углом опережения зажигания (УОЗ). Она состоит из двух подсистем: управления впрыском топлива и управления УОЗ. Обе системы взаимосвязаны и работают синхронно. Синхронизация работы подсистемы и основной работы двигателя осуществляется контроллером по сигналам датчиков. Единый для обеих подсистем контроллер на основе информации, получаемой от датчиков, в соответствии с заложенной в память программой управляет исполнительными устройствами. При этом автоматически оптимизируется УОЗ, количество и момент подачи топлива в зависимости от режима работы двигателя. При нарушении работы некоторых датчиков контроллер переходит на резервную программу управления. Это позволяет продолжить движение на автомобиле в случае неисправности.
Подсистема управления впрыском топлива
Основными параметрами, определяющими работу подсистемы, служат количество поступающего воздуха, положение дроссельной заслонки, температура охлаждающей жидкости, режим работы двигателя и положение коленчатого и распределительного валов. По сигналам, поступающим от датчика содержания кислорода в отработавших газax, ведется постоянная коррекция состава горючей смеси. В систему управления двигателем входит также система рециркуляции отработавших газов. Одновременную работу подсистем управления впрыском топлива и управления углом опережения зажигания выполняет контроллер по сигналам, поступающим от датчиков. Кроме того, контроллер прекращает подачу топлива при превышении максимально допустимой частоты вращения двигателя, а также управляет работой двигателя на принудительном холостом ходу до снижения частоты вращения коленчатого вала до 2000 мин—1. Если на автомобиле установлен иммобилайзер, контроллер проводит сравнение сигнала, поступающего с выключателя зажигания, и сигнала, занесенного в его память. Контроллер выдает сигнал для подключения или отключения питания к системе управления двигателем. Если на автомобиле установлен кондиционер, контроллер управляет реле включения электромагнитной муфты компрессора, предотвращая нарушение работы двигателя. В случае выхода из строя какого-либо прибора или датчика контроллер в зависимости от неисправности переходит на резервный режим работы двигателя. В контроллере имеется программа слежения за работой узлов системы и записи в память кодов неисправностей в случае возможных сбоев в их работе. Считывание информации из памяти возможно только при помощи специальной диагностической аппаратуры, которая подключается к колодке разъема диагностики, расположенной под блоком предохранителей в салоне автомобиля. Диагностическая аппаратура позволяет, кроме того, регулировать содержание СО в отработавших газах.
Контроллер представляет собой микропроцессор с цифровым программным управлением и колодкой штепсельного разъема с 64 выводами
При возникновении неисправности КСУД в комбинации приборов загорается индикатор оранжевого цвета, что свидетельствует о необходимости принятия мер для устранения дефекта. Тем не менее контроллер обеспечит работу двигателя по обходной программе, что позволит двигаться на автомобиле при некотором ухудшении его экономических и динамических показателей. Упомянутый индикатор зажигается при включении зажигания и гаснет через несколько секунд после запуска двигателя. Если на автомобиле установлен иммобилайзер, то контрольная лампа информирует водителя об его исправности: мигание лампы при включении зажигания сигнализирует о неисправности иммобилайзера.
Реле включения контроллера находится под центральной частью панели приборов. Включение реле осуществляется через вывод «4» контроллера. Питание реле, а также датчика положения распределительного вала и частоты вращения двигателя и измерителя массового расхода воздуха подается по силовой цепи (выводы контроллера «38», «47», «109»).
Реле включения топливного насоса находится под панелью приборов с левой стороны, за монтажным блоком в салоне автомобиля. Контроллер подключает на «массу» через вывод «106» цепь управления реле, обеспечивая подачу питания на топливный насос. Питание на двигатель топливного насоса поступает с задержкой на 5 с после включения зажигания и осуществляется постоянно после того, как контроллер получит информацию о пуске двигателя от датчика положения распределительного вала и частоты вращения двигателя или информацию о подаче «+» на стартер через вывод «34» контроллера. После остановки двигателя питание на реле продолжает поступать в течение 1 с.
Реле включения электромагнитной муфты компрессора кондиционера находится в монтажном блоке, расположенном на правом крыле в моторном отсеке.
На автомобиле с кондиционером компрессор включается посредством реле включения электромагнитной муфты. Анализируя сигналы от различных датчиков, контроллер не допускает при включении кондиционера нарушения нормальной работы двигателя. Так, при положении дроссельной заслонки «полная нагрузка» контроллер не дает разрешения на включение кондиционера. На холостом ходу двигателя реле включает регулятор ускоренного холостого хода, который повышает частоту вращения двигателя при включении кондиционера.
Датчик давления хладагента кондиционера ввернут в осушитель, расположенный впереди на левой стороне в моторном отсеке. Он передает информацию о давлении хладагента через вывод «41» контроллера и ЭБУ температуры воздуха в салоне с датчиком испарителя, расположенным в корпусе испарителя.
Электромагнитный клапан системы РОГ и продувки абсорбера управляется контроллером, расположен с левой стороны впускного трубопровода в моторном отсеке. Клапан позволяет всасывать пары топлива и проводить рециркуляцию отработавших газов в зависимости от режима работы двигателя, температуры охлаждающей жидкости, количества поступающего воздуха, положения дроссельной заслонки и скорости движения автомобиля. Рециркуляции отработавших газов и всасывания паров топлива не происходит в следующих случаях:
— во время запуска двигателя;
— на холодном или перегретом двигателе;
— при максимальной нагрузке двигателя;
— при ускоренном холостом ходе;
— при скорости движения автомобиля менее 10 км/ч;
— при выходе из строя измерителя массового расхода воздуха.
После остановки двигателя электромагнитный клапан остается открытым. Датчик положения дроссельной заслонки крепится на корпусе дроссельной заслонки и состоит из линейного потенциометра, подвижный контакт которого связан с осью дроссельной заслонки. На датчик от контроллера подается напряжение питания, величина выходного напряжения изменяется прямо пропорционально углу поворота дроссельной заслонки. Датчик дает информацию о положении педали управления дроссельной заслонкой: «холостой ход» или «полная нагрузка». Положение датчика не регулируется. Напряжение питания (между выводами «1» и «3» датчика) 5 В.
Измеритель массового расхода воздуха (рис. 2.93) марки Hitachi термоанемометрического типа, обеспечивающий измерение объема всасываемого воздуха независимо от атмосферного давления и температуры воздуха. Поступающий в двигатель воздух обтекает тонкую платиновую нить накала, установленную в измерителе. Нить накала является частью мостовой схемы, диагональное напряжение которой регулируется на ноль путем изменения тока нагрева. Температура нагрева нити поддерживается постоянной с помощью электронной схемы управления. При увеличении массы всасываемого воздуха соответствующим образом автоматически возрастает ток накала, сохраняя тем самым постоянную температуру нити. Ток накала служит мерой массы воздуха, всасываемого двигателем. Параметром, определяющим массовый расход воздуха, поступающего в двигатель, является напряжение, необходимое для поддержания постоянной температуры нити накала. В течение 1 с после каждой остановки двигателя по команде контроллера нить нагревается до очень высокой температуры для удаления загрязнений, которые могли бы исказить выходной сигнал. Напряжение питания датчика 12 В.
Датчик температуры охлаждающей жидкости установлен в выходном штуцере головки блока цилиндров сзади впускного трубопровода справа. Внутреннее сопротивление датчика уменьшается пропорционально повышению температуры охлаждающей жидкости. Цвет маркировки: штепсельный разъем серого цвета. Напряжение питания 5 В.
Оптоэлектронный датчик положения распределительного вала и частоты вращения двигателя состоит из диска с прорезями. Напротив прорезей с одной стороны диска установлены два светодиода, с другой — два фотодиода. Диск вращается вместе с валиком датчика-распределителя. На диске имеется два ряда прорезей. Ближе к краю расположено 360 прорезей. Угол между соседними прорезями соответствует 1° угла поворота коленчатого вала. Ближе к центру диска четыре прорези являются метками положения поршней в цилиндрах. Самая широкая прорезь служит меткой для 1-го цилиндра.
При работающем двигателе светодиоды освещают вращающийся диск. Свет этих диодов проходит сквозь чередующиеся прорези и попадает на фотодиоды, которые соединены с блоком, формирующим импульсы. После обработки в блоке управления сигналы от 360 прорезей определяют частоту вращения коленчатого вала. Четыре другие прорези определяют порядок зажигания. На основании указанной информации блок управления устанавливает оптимальный угол опережения зажигания и управляет коммутатором, через который получает питание первичная обмотка катушки зажигания.
Датчик содержания кислорода в отработавших газах со встроенным нагревательным элементом, крепится на выпускном коллекторе перед каталитическим нейтрализатором. Датчик подает на контроллер сигнал напряжением от 0,1 до 0,8 В в зависимости от содержания кислорода в отработавших газах, т.е. от степени обогащения горючей смеси. Контроллер поддерживает степень обогащения смеси в соответствии с напряжением, подаваемым датчиком. Во время запуска холодного двигателя и при полной нагрузке контроллер не реагирует на сигналы, поступающие с датчика.
В системе выпуска отработавших газов установлены два нейтрализатора отработавших газов, один из которых располагается в выпускном коллекторе, а другой вмонтирован в выпускной тракт.
Датчик давления в системе гидроусилителя рулевого управления находится на выходном штуцере трубопровода высокого давления насоса гидроусилителя справа сзади в моторном отсеке. При достижении на холостом ходу двигателя предельного давления в системе гидроусилителя датчик передает контроллеру соответствующий сигнал и контроллер при помощи регулятора холостого хода повышает обороты двигателя. Напряжение питания 5 В.
Датчик скорости движения автомобиля индуктивного типа, состоит из генератора импульсов, встроенного в привод спидометра, и находится на картере сцепления или гидротрансформатора. Генератор вырабатывает прямоугольные импульсы амплитудой 5 В, модулированные по частоте в зависимости от скорости движения автомобиля. Сигнал подается через спидометр на вывод «32» контроллера.
Датчик положения рычага переключения передач (на автомобилях с механической коробкой передач) установлен на картере сцепления и посылает информацию контроллеру о положении рычага переключения передач. Контакты датчика разомкнуты при установке рычага переключения передач в нейтральное положение и замкнуты при включении любой передачи. При этом вывод «35» контроллера подключается к «массе». Контроллер тем самым предотвращает перегрузки на холостом ходу, а также перебои в работе двигателя в момент переключения передач. Напряжение питания 5 В.
Датчик положения рычага селектора (на автомобилях с автоматической коробкой передач) установлен на картере гидротрансформатора и служит для передачи информации контроллеру о положении рычага селектора. Если на автомобиле установлен иммобилайзер, датчик подключает к «массе» вывод «35» контроллера при установке рычага селектора в положение «N» или «Р». В других положениях рычага селектора иммобилайзер запрещает запуск двигателя, а контроллер предотвращает перегрузки на холостом ходу и перебои в работе двигателя переключения передач. Напряжение питания 5 В.
Подсистема управления углом опережения зажигания
Система зажигания бесконтактная батарейная транзисторная с механическим распределителем. В состав подсистемы входит датчик-распределитель зажигания марки Hitachi, включающий в себя встроенный блок зажигания и оптоэлектронный датчик положения распределительного вала и частоты вращения двигателя. Блок зажигания, в свою очередь, состоит из катушки зажигания, конденсатора и коммутатора. В жгут проводов блока зажигания встроен контрольный резистор. Распределитель зажигания приводится во вращение от распределительного вала выпускных клапанов.
Начальный угол опережения зажигания (при отключенном разъеме датчика положения дроссельной заслонки): 10±2 град
1. www.autoprospect.ru
|