Введение
Автомобильный транспорт в общей транспортной системе России имеет важное значение и занимает первое место в перевозке грузов. Автомобильным транспортом доставляют сырье на промышленные предприятия и вывозят готовые изделия, перевозят сельскохозяйственную продукцию. Большую роль играет автомобильный транспорт в обеспечении строительства жилых и производственных зданий, других сооружений. Важное значение имеет автомобильный транспорт и в перевозке пассажиров. Таким образом, нет ни одной отрасли хозяйства, где бы автомобиль не находил широкого применения.
Отечественная автомобильная промышленность начала свое развитие с 1924 года, когда на московском заводе АМО были изготовлены первые полуторатонные автомобили АМО-Ф-15 с двигателем мощностью 36 л.с. Первые легковые автомобили (марки НАМИ -01) с двухцилиндровым двигателем воздушного охлаждения мощностью 18,5 л.с. были выпущены в 1927 году.
Массовый выпуск малолитражных легковых автомобилей для населения практически начался с 1946 году с пуском Московского автомобильного завода имени Ленинского комсомола (АЗЛК).
Сегодня темпы роста экономики в России выше, чем в европейских странах, и дальнейшее развитие невозможно без обновления автомобильного парка. Последнее обстоятельство требует эффективного реформирования всей системы технического обслуживания, которая обеспечивает эксплуатацию, сервис и ремонт автомобиля в течение всего «жизненного цикла».
Для развития автосервисов имеют большое значение структура, динамика роста и прогноз увеличения количества автотранспорта в России
Интенсивный темп увеличения автопарка в России обусловлен возрастанием покупательской способности (это особенно характерно для Москвы); ввозом новых и подержанных автомобилей из-за рубежа и увеличением сроков эксплуатации автомобилей. Так, например, парк легковых автомобилей в 2004 году увеличился в 3,8 раза по сравнению с 1989 годом, парк грузовых автомобилей – в 3,3 раза. По прогнозу к 2010 году ожидается увеличение парка грузовых автомобилей и автобусов (по сравнению с 2004 годом) на 15,8%, парка легковых автомобилей – на 8,5%, а всего автотранспорта – на 11,5%. Это свидетельствует о необходимости качественного развития профессионального сервисного обслуживания на промышленной основе.
Парк подвижного состава грузового автомобильного транспорта, включая пикапы и легковые фургоны, достиг 3,5 млн. единиц.
Количество грузовых автомобилей в индивидуальной собственности граждан вырос за 1997–2007 гг. более чем на 60%, и достигло 1,8 млн. единиц.
1. Теоретическая часть
1.1 Значение и сущность техобслуживания и ремонта автомобиля
Техобслуживание служит для поддержания подвижного состава в работоспособном состоянии, уменьшения интенсивности изнашивания его деталей, предупреждения неисправностей, выявления их для своевременного устранения, а также для поддержания этого состава в опрятном виде. При выполнении ТО проводят следующие работы: контрольно-диагностические, крепежные, смазочные, очистительные, заправочные, регулировочные, электротехнические и другие.
Ежедневное обслуживание (ЕТО).
Назначение – общий контроль технического состояния автомобиля, направленный на обеспечение безопасности движения, поддержания опрятного внешнего вида, заправка автомобиля топливом, маслом и охлаждающей жидкостью.
Первое и второе техническое обслуживание (ТО-1, ТО-2) служат для снижения интенсивности изнашивания деталей, выявления и предупреждения отказов и неисправностей, современного выполнения контрольно-диагностических, крепежных, регулировочных и смазочных работ.
Сезонное техническое обслуживание (СТО). Его назначение – подготовка автомобилей к эксплуатации в зимнее или летнее время года. Обычно СТО совмещают с ТО-2 и проводят 2 раза в год.
ЕТО проводится водителем после окончания работы, в тот же день. При ЕО необходимо выполнить следующие работы:
1. сразу после остановки автомобиля проверить на ощупь нагрев ступиц колес, тормозных барабанов, коробки передач, раздаточной коробки, ведущих мостов;
2. проверить нет ли подтекания топлива, масла;
3. дозаправить автомобиль топливом, маслом и охлаждающей жидкостью;
4. очистить от грязи и вымыть автомобиль;
ТО-1 включает в себя объем работ ЕТО и ряд дополнительных работ по смазке, проверке крепления, неисправности и укомплектованности механизмов и агрегатов, выполнение их регулировок и устранение обнаруженных неисправностей.
ТО-2 включает в себя объем работ ТО-1 и ряд дополнительных операций, обеспечивающих обслуживание всех систем, узлов и агрегатов
Своевременное и качественное выполнение ТО обеспечивают высокую техническую готовность и надежность автомобиля. Метод выполнения ТО – принудительное выполнение профилактических мероприятий в плановом порядке через определенные пробеги или время работы подвижного состава.
ТО осуществляется в плановом порядке от пробега автомобиля и по истечению этого пробега автомобиль принудительно подвергается ТО.
1.2 Планово-предупредительная система техобслуживания и ремонта автомобиля и ее достоинства
Для подвижного состава принята планово-предупредительная система технического обслуживания и ремонт агрегатным методом.
Ремонтные работы выполняются как по потребности, обусловленной отказом или неисправностью, так и по плану через определенный пробег или время работы подвижного состава (предупредительный ремонт). Предупредительный ремонт рекомендуется применять в первую очередь для городских и междугородних автобусов, автомобилей-такси, автомобилей скорой медицинской помощи, пожарных автомобилей, автомобилей бензовозов, к которым предъявляются повышенные требования безопасности движения и безотказности в работе. Предупредительный ремонт следует применять также для автомобилей, работающих в одинаковых условиях, при которых упрощается возможность выявления сроков замены или ремонта отдельных деталей и узлов с целью предупреждения отказов при работе автомобилей на линии и связанных с ними простоев.
Планово-предупредительная система технического обслуживания и ремонта обеспечивает своевременное устранение причин, которые могут способствовать появлению различных неисправностей, сокращает расход запасных деталей и объем ремонтных работ.
В России планово-предупредительная система технического обслуживания и ремонта автомобилей регламентирована «Положением о техническом обслуживании и ремонте подвижного состава автомобильного транспорта», и все работы, предусмотренные для каждого вида обслуживания, являются обязательными для выполнения в полном объеме через установленные пробеги или промежутки времени работы подвижного состава.
Планово-предупредительная система ТО и ремонта способствует:
· Постоянному поддержанию подвижного состава в работоспособном состоянии и надлежащем внешнем виде;
· Уменьшению интенсивности износа деталей;
· Предупреждению отказов и неисправностей;
· Снижению расхода топлива и эксплутационных материалов;
· Своевременному выявлению и устранению неисправностей;
· Повышению надежности и безопасности эксплуатации;
· Продлению срока службы подвижного состава и увеличению пробега автомобилей до ремонта.
Таблица 1. Периодичность техобслуживания подвижного состава выпуска после 1972 г., км
| Подвижной состав |
ТО-1 |
ТО-2 |
| Легковые автомобили |
4000 |
16000 |
| Автобусы |
3500 |
14000 |
| Грузовые автомобили и автобусы на базе грузовых автомобилей. |
3000 |
12000 |
То-1 и ТО-2, периодичность которых указана в таблице 1 включают контрольно-диагностические, крепежные, регулировочные, смазочные и другие работы, направленные на предупреждение и выявление неисправностей, снижения интенсивности износа деталей и предотвращения ухудшения параметров технического состояния подвижного состава.
Таблица 2.Коэффициенты корректировки нормативов в зависимости от условий эксплуатации
Категория
Условий эксплуатации
|
Периодичность техобслуживания |
Удельная трудоемкость текущего ремонта |
Пробег до капитального ремонта |
Расход запасных частей |
| I |
1,0 |
1,0 |
1,0 |
1,00 |
| II |
0,9 |
1,1 |
0,9 |
1,10 |
| III |
0,8 |
1,2 |
0,8 |
1,25 |
| IV |
0,7 |
1,4 |
0,7 |
1,40 |
| V |
0,6 |
1,5 |
0,6 |
1,65 |
При планировании ТО необходимо учитывать следующие рекомендации:
1. Допустимое отклонение от нормативов периодичности ТО составляет +-10%;
2. Периодичность замены масел и смазок уточняется в зависимости от типов и конструктивных особенностей агрегатов и механизмов, а также марки применяемого масла;
3. СО проводится 2 раза в год и включает работы по подготовке подвижного состава к эксплуатации в летний и зимние периоды;
4. Нормативы трудоемкостей ТО-1 и ТО-2 не включают трудоемкость ЕО;
5. То должно обеспечивать безотказную работу подвижного состава в пределах установленных периодичностей при выполнении требуемых операций ТО.
Коэффициенты, влияющие на периодичность То-1 и ТО-2
Категория условий эксплуатации учитывается с помощью коэффициента К1
и влияет на периодичность ТО, ресурсы до капитального ремонта (К1
изменяется от 1,0 до 0,6) и трудоемкость ТР (К1
изменяется от 1,0 до 1,5).
Модификация подвижного состава и особенности организации его работы (автомобили с прицепами, самосвалы и т.д.) учитываются коэффициентом К2
, который применяется для корректирования трудоемкости ТО и ТР (К2
=1,0¸1,25) и ресурсов до капитального ремонта (К2
=1¸0,75).
Природно-климатические условия учитываются при определении периодичности ТО, удельной трудоемкости ТР и норм пробега до капитального ремонта с помощью коэффициента К3
, который соответственно изменяется: при определении периодичности – от 0,8 до 1,0; удельной трудоемкости ТР – от 0,9 до 1,3; при определении ресурсов до первого капитального ремонта соответственно от 0,7 до 1,1.
Коэффициент К4
учитывает изменение трудоемкости ТР автомобилей в ремонте в зависимости от пробега автомобиля с начала эксплуатации. Этот коэффициент изменяется для трудоемкости от 0,4 (для пробега, составляющего 25% и менее ресурса автомобиля до капитального ремонта) до 2 и более при пробеге автомобиля в 1,75¸2 раза, превышающем ресурс до капитального ремонта.
В зависимости от пробега с начала эксплуатации до капитального ремонта изменяется и продолжительность простоев автомобиля на ТО и ремонте, которое учитывается коэффициентом К’4
равным 0,7 – 1,4. При пробеге автомобиля, превышающем его значение до первого капитального ремонта, величина К’4
принимается равной 1,4.
2. Основная часть
2.1 Устройство
тормозной системы Урал 4320
2.1.1 Назначение
Тормозная система предназначена для снижения скорости движения автомобиля, вплоть до остановки и удержания его неподвижным, с уклоном.
В автомобиле Урал 4320 имеются две тормозные системы – рабочая и стояночная.
Рабочая тормозная система служит для быстрого снижения скорости автомобиля вплоть до остановки.
Стояночная тормозная система служит для удержания его неподвижным относительно опорной поверхности.
2.1.2 Устройство
Рабочая тормозная система автомобиля Урал 4320 состоит из шести тормозных механизмов и пневматического привода.
Тормозной механизм (рис. 1) включает тормозной барабан 3, опорный диск 1, две колодки 2 с фрикционными накладками, две оси колодок, стяжную пружину, разжимной кулак с валом.
Рабочий тормозной механизм автомобиля Урал 4320 (рис. 1)

1 – опорный диск, 2 – колодка тормоза. 3 – тормозной барабан, 4 – вал разжимного кулака, 5 – пробка отверстия для смазки, 6 – червячная шестерня, 7 – червяк, 8 – рычаг, 9 – шток тормозной камеры, 10 – корпус тормозной камеры, 11 – крышка тормозной камеры, 12 – диафрагма, 13 – пружина, 14 – кронштейн тормозной камеры, 15 – крышка люка, 16 – кронштейн осей колодок, 17 – эксцентриковые оси колодок.
Привод рабочей тормозной системы состоит из компрессора, регулятора давления, тормозного крана, предохранительного клапана, шести тормозных камер, разобщительного крана, соединительной головки, крана отбора воздуха, манометра, трубопроводов и шлангов.
Компрессор служит для создания давления в пневмосистеме автомобиля. На автомобиле Урал 4320 используется двухцилиндровый поршневой компрессор одноступенчатого сжатия. (Рис. 2)
Компрессор автомобиля Урал 4320
Технические характеристики компрессора Урал 4320
| Номинальный диаметр цилиндра, мм |
60 |
| Ход поршня, мм |
38 |
| Номинальный рабочий объем, см3
|
214 |
Частота вращения вала, мин-1
:
– Номинальное
– Максимальное
|
2000 2500 |
Производительность, л/мин (при частоте вращения коленчатого вала 2000 об/мин и противодавлении 700 кПа) |
201 |
| Потребляемая мощность, кВт |
2,45 |
| Вес, кг |
14,5 |
Тормозной кран
предназначен для подачи сжатого воздуха из воздушных баллонов в тормозные камеры автомобиля и для выпуска сжатого воздуха из соединительной магистрали прицепа в атмосферу пропорционально нажатию на педаль.
Тормозной кран (рис 3.) двухсекционный, диафрагменный, с резиновыми коническими клапанами; верхняя секция управляет тормозами прицепа, нижняя – тормозами автомобиля. Кран установлен на левом лонжероне рамы под кабиной, приводится в действие от тормозной педали.
Тормозной кран автомобиля Урал 4320 (рис. 3)


1- шток нижней секции, 2 – корпус рычагов, 3 – малый рычаг, 4 – большой рычаг, 5 – направляющая штока верхней секции, 6 – шток верхней секции, 7 – валик рычага ручного привода, 8 – тяга, 9 – рычаг ручного привода, 10 – корпус крана, 11 – уравновешивающая пружина, 12,22 – диафрагмы, 13,23 – седла выпускных клапанов, 14,20 – выпускные клапаны, 15, 19 – впускные клапаны, 16, 21 – крышка корпуса клапана, 17,24 – направляющие стаканы, 18 – пружина диафрагмы нижней секции, 25 – уравновешивающая пружина диафрагмы нижней секции, 26 – атмосферный клапан.
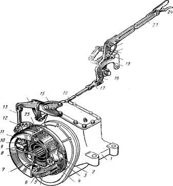
Автомобиль Урал 4320 имеет стояночную тормозную систему с колодочным барабанным тормозным механизмом и механическим приводом.
Стояночная тормозная система автомобиля УРАЛ 4320 (рис. 4)

1 – раздаточная коробка, 2 – тормозная колодка, 3 – щиток, 4 – ось колодок, 5, 8 – пружины, 6 – опорный кронштейн, 7 – фланец, 9 – разжимной кулак, 10 – сухарь колодки, 11 – сальник, 12 – регулировочный рычаг, 13 – штанга, 14 – угловой рычаг, 15 – кронштейн, 16 – регулировочная тяга, 17 – вилка, 18 – рычаг тормоза, 19 – зубчатый сектор, 20 – защелка, 21 – тяга к тормозному крану, 22 – тяга защелки, 23 – рукоятка рычага, 24 – рукоятка тяги защелки, 25 – тормозной барабан.
2.1.3 Принцип действия и основные характеристики
Эксплуатационные материалы.
Работа тормозного крана совместно с воздухораспределителем прицепа.
При отпущенной тормозной педали под действием уравновешивающей пружины детали верхней секции крана смещены назад, впускной клапан этой секции открыт, выпускной закрыт.
В нижней секции под действием пружины диафрагма смещена вперед, впускной клапан закрыт, выпускной открыт. Сжатый воздух из баллонов автомобиля через открытый впускной клапан верхней секции проходит в соединительную магистраль к прицепу и поступает в верхнюю полость воздухораспределителя, где давит на манжету он опускает ее вместе со штоком вниз. Впускной клапан воздухораспределителя закрыт, выпускной открыт, т.е. тормозные камеры прицепа соединены с атмосферой. Сжатый воздух, огибая края резиновой манжеты, заполняет среднюю полость и проходит в воздушный баллон прицепа. Когда давление воздуха в баллоне прицепа, а следoвательно, в соединительной магистрали и в пространстве справа от диафрагмы верхней секции крана достигает величины 4,8–5,3 кгс/ем2
, диафрагма 12
(см. рис.) прогибается, сжимая уравновешивающую пружину, и впускной клапан этой секции закрывается, доступ воздуха в баллон прицепа прекращается.
В нижней секции крапа впускной кран закрыт, а выпускной открыт; тормозные камеры автомобиля соединены с атмосферой. Автомобиль и прицеп расторможены.
При нажатии па педаль усилие водителя передается на штоки секций. Шток верхней секции перемещается вперед, диафрагма этой секции под действием давления сжатого воздуха также перемещается вперед, впускной клапан закрывается (или остается закрытым), а выпускной открывается сжатый воздух из соединительной магистрали и верхней полости воздухораспределителя выходит в атмосферу, манжета 9 (см. рис. 3) воздухораспределителя вместе со штоком поднимается вверх, выпускной клапан 1 закрывается, впускной 10открывается. Сжатый воздух из баллонов прицепа поступает в его тормозные камеры, что ведет к торможению прицепа.
В нижней секции крана шток с диафрагмой перемещаются назад, выпускной клапан закрывается, впускной открывается. Вжатый воздух из баллонов автомобиля поступает в его тормозные камеры, что ведет к торможению автомобиля.
При отпускании педали в верхней секции закрывается выпускной клапан и открывается впускной. Воздух из баллонов автомобиля поступает в соединительную магистраль к воздухораспределителю прицепа, где опускает манжету со штоком вниз, закрывая впускной клапан и открывая выпускной. Сжатый воздух из тормозных камер прицепа выходит в атмосферу.
В нижней секции крапа впускной клапан закрывается, выпускной открывается, сжатый воздух из тормозных камер автомобиля выходит в атмосферу. Автомобиль и прицеп растормаживаются.
Тормозной кран обладает следящим действием. Если водитель при торможении нажмет педаль не до упора, а остановит ее в промежуточном положении, то в нижней секции крана после некоторого нарастания давления диафрагма прогнется вперед, а впускной клапан закроется. В тормозных камерах автомобиля установится давление, – пропорциональное нажатию на педаль. Аналогично в верхней секции крана воздух частично выйдет в атмосферу, под действием уравновешивающей пружины диафрагма прогнется назад, выпускной клапан закроется, и в соединительной магистрали прицепа, а следовательно, и в его тормозных камерах установится давление, пропорциональное нажатию а педаль. Таким образом, тормозной кран позволяет тормозить с эффективностью, соответствующей нажатию па педаль.
При торможении стояночным тормозом усилие водителя через тяги привода передается на рычаг, который приводит в действие только верхнюю секцию крана, что ведет к торможению прицепа.
Для смазки валов разжимных кулаков и червячных пар регулировочных рычагов применяют Литол-24 или солидол.
2.2 Техническое обслуживание тормозных систем
2.2.1 Перечень выполняемых работ при проведении ЕТО, ТО-1, ТО-2, СТО. Описание регулировочных работ
При контрольном осмотре проверяют отсутствие подтекания тормозной жидкости или утечки воздуха из тормозного привода; на ходу автомобиля контролируют надежность действия тормозов и степень нагрева тормозных барабанов.
При ЕТО проверяют:
· герметичность тормозного привода;
· натяжение ремня привода компрессора;
· удаляют конденсат из воздушных баллонов;
· производят очистку от пыли, грязи и снега приборов тормозного привода.
При ТО-1 дополнительно проверяют:
· крепление компрессора, стояночного тормоза;
· проверяют и доводят до нормы уровень жидкости в бачке или главном цилиндре;
· при попадании воздуха производят прокачку гидропровода;
· проверяют состояние и работу регулятора давления, предохранительного клапана в пневмоприводе, давление воздуха в магистрали прицепа;
· смазывают валы разжимных кулаков.
При ТО-2, кроме того:
· снимают тормозные барабаны, проверяют состояние тормозных колодок, накладок, стяжных пружин и барабанов;
· производят очистку их от грязи;
· регулируют зазоры между колодками и барабаном, проверяют величины хода штоков тормозных камер;
· проверяют герметичность и исправность тормозного привода;
· смазывают червячные пары регулировочных рычагов
При СО заменяют тормозную жидкость в гидропроводе после предварительной промывки его техническим спиртом или чистой тормозной жидкостью.
Свободный ход педали тормоза должен быть 40–60 мм, верхний конец педали не должен доходить до пола на 10–30 мм. Свободный ход педали регулируется изменением длины тяги, соединяющей педаль тормоза с тормозным краном, путем навинчивая или свинчивая ее вилки. Регулировка давления воздуха в соединительной магистрали прицепа осуществляется
Давлением направляющего штока верхней секции крана при снятом корпусе рычагов и ослабленной контргайке направляющей. Давление в соединительной магистрали прицепа должно быть при отпущенной педали тормоза 4,8–5,3 кгс./см2
. Проверяется давление присоединением манометра к соединительной головке.
2.3 Ремонт тормозной системы
2.3.1 Организация рабочего места автослесаря. Используемые инструменты, приспособления и оборудование, диагностические приборы
Рабочее место – единица структуры предприятия, где размещены исполнители работы, технологическое оборудование, часть конвейера, оснастка и предметы труда. Это первичное и основное звено производства. Правильная организация рабочего места предполагает четкое определение объема и характера, выполняемых на нем работ, необходимое оснащение, рациональную планировку, систематическое обслуживание, благоприятные и безопасные условия труда.
На каждое рабочее место составляется паспорт, в котором указываются: содержание выполняемой работы, годовое задание в человеко-часах, режим и условия работы, планировка, оснащение и порядок обслуживания рабочего места, и порядок размещения на нем обрабатываемых изделий.
Оснащение рабочего места осуществляется по утвержденной технической документации на выполнение работ. Оно включает организационную и технологическую оснастку.
Технологическое оснащение включает оборудование и оснастку, измерительный, режущий, монтажный и вспомогательный инструмент, а также техническую документацию. Средства технологического оснащения на рабочем месте должны размещаться в определенном, удобном для работы порядке с тем, чтобы исключить потери времени на поиски и перекладывание с места на место.
Необходимое оборудование для технического обслуживания и ремонта тормозной системы.
Стенд КИ-4998 для проверки тормозов;
Станок для расточки тормозных барабанов и обточки тормозных колодок;
Резцы с твердосплавными пластинами ВК-3, ВК-6;
Мерная линейка.
2.3.2 Возможные неисправности. Причины их возникновения и способы устранения
Основными неисправностями тормозных систем могут быть:
· слабое действие тормозов;
· неодновременное действие тормозов;
· плохое растормаживание;
· заклинивание колодок тормозных механизмов колес;
· плохое удержание автомобиля на месте.
Слабое действие тормозов обнаруживается по возрастанию тормозного пути, для автомобиля Урал 4310 без нагрузки при торможении со скоростью 30 км/ч на сухом горизонтальном участке дороги тормозной путь не должен превышать 11 м.
1. Причиной слабого действия тормозов может быть негерметичность тормозного привода, или недостаточное количество тормозной жидкости, нарушение регулировки привода или тормозных механизмов, износ или замасливание тормозных колодок и барабанов, недостаточное количество сжатого воздуха в пневматическом приводе из-за его утечки или неисправности компрессора.
Негерметичность пневматического привода обнаруживается по падению давления воздуха в системе при неработающем двигателе. Негерметичность привода устраняется подтягиванием соединений, заменой поломанных или изношенных деталей.
Замасленные тормозные колодки и барабаны промывают.
При малом давлении, развиваемом компрессором, проверяют натяжение ремня его привода и работу регулятора давления.
2. Неодновременность действия тормозов обнаруживается по заносу автомобиля в сторону при торможении. Причиной этого может быть нарушение регулировки тормозных механизмов, засорение трубопроводов или замасливание отдельных колодок. Неисправность устраняется регулировкой тормозных механизмов, промывкой замасленных колодок, очисткой засорившихся трубопроводов.
3. Плохое растормаживание или заклинивание колес происходит вследствие поломки оттяжных пружин, обрыва фрикционных накладок, заедания валиков разжимных кулаков, неисправности тормозного крана, недостаточного свободного хода тормозной педали, разбухания манжет или заклинивание поршней колесных цилиндров, засорения компенсационного отверстия в главном тормозном цилиндре.
В зависимости от неисправности производятся: замена поломанных пружин, оборванных накладок, регулировка свободного хода педали, замена манжет колесных цилиндров, очистка главного цилиндра, ремонт тормозного крана.
Основной неисправностью стояночной тормозной системы может быть плохое удержание автомобиля на месте. Эта неисправность возникает вследствие большого зазора между колодками и барабаном (устраняется регулировкой тормоза) или из-за заедания или коррозии в разжимном устройстве (устраняется разборкой, промывкой и смазкой деталей).
2.3.3 Дефектовка деталей и узлов. Методы и способы восстановления работоспособности деталей, узлов, механизмов, систем
При дефектации деталей первую очередь выполняют визуальный контроль деталей с целью обнаружения повреждений, видимых невооруженным глазом: крупных трещин, обломов, рисок, выкрошивания, коррозии. Затем детали проверяют на приспособлениях для обнаружения нарушений взаимного расположения рабочих поверхностей и физико-механических свойств материала. Контроль скрытых дефектов особенно необходим для ответственных деталей. Для контроля применяют следующие методы: опрессовки, красок, магнитный, люминесцентный и ультразвуковой.
Тормозные системы могут иметь следующие дефекты:
· износ накладок и барабанов, поломка возвратных пружин,
срыв тормозных накладок;
· ослабление стяжной пружины или ее поломка;
· заедание осей тормозных колодок.
Указанные дефекты невозможно устранить ни регулировкой, ни подтяжкой соответствующих соединений. Поэтому тормозные устройства снимают с автомобиля и разбирают.
Рабочую поверхность тормозного барабана, имеющую мелкие задиры и царапины, зачищают мелкозернистой наждачной шкуркой. При наличии глубоких задиров и царапин рабочую поверхность барабана растачивают. Меняют накладки тормозных колодок, устанавливая стандартные или увеличенные размеры.
Перед приклепкой новых накладок рабочую поверхность очищают от загрязнений и ржавчины, а форму ее проверяют по шаблону. Затем контролируют состояние отверстий установкой в них заклепок, которые должны входить плотно.
На подготовленную рабочую поверхность колодки ставят новую накладку и прижимают ее к колодке струбциной. Далее со стороны колодки сверлят в накладке отверстия под заклепки и снаружи реззенковывают их на глубину 3–4 мм. Приклепывают накладки к колодкам медными, алюминиевыми или латунными заклепками.
Подготовленные к склеиванию колодки и накладки устанавливают в приспособление, прижимают и помещают в сушильный шкаф. Затем колодки охлаждают на воздухе и снимают приспособление.
Качество склеивания проверяют на сдвиг под прессом. Колодки подгоняют к барабану, обеспечивая им хорошее прилегание.
Основными дефектами пневматического тормозного привода являются:
· износ деталей кривошипно-шатунного и клапанного механизмов;
· повреждение диафрагм тормозного крана и тормозных камер;
· риски на клапанах и седлах клапанов;
· погнутость штоков;
· поломка и потеря упругости пружин;
· износ втулок и отверстий под рычаги.
У компрессора изнашиваются:
· цилиндры, поршни, подшипники, клапаны и их седла;
· нарушается герметичность уплотнительного устройства заднего конца коленчатого вала;
· разрушается диафрагма загрузочного устройства.
Ремонт деталей кривошипно-шатунного и клапанного механизмов производят также, как и аналогичных деталей у двигателя. При нарушении герметичности уплотнительного устройства заднего конца коленчатого вала производят разборку его и детали промывают в керосине или в дизельном топливе. Удаляют с поверхности латунной втулки частицы закоксовавшегося масла и заусеницы.
Диафрагма загрузочного устройства заменяется новой.
Воздушный фильтр разбирают. Фильтрующий элемент промывают в керосине и просушивают. Перед установкой фильтра в корпус его наполовину опускают в моторное масло, масло должно стечь и фильтр устанавливают в корпус смоченной частью вверх.
2.3.4 Сборочно-разборочные работы
Разборку колесного тормоза начинают со снятия тормозного барабана. Для этого отвертывают винты, крепящие барабан к ступице. Затем снимают стяжную пружину и тормозные колодки.
Разборка и сборка тормозной камеры.
Отвернув гайки с болтов крепления крышки, снимают крышку и диафрагму. Ослабив контргайку, отсоединяют вилку штока от рычага, после чего вынимают из корпуса шток с пружинами и опорным диском.
Сборку ведут в последовательности обратной разборке.
Разборка и сборка тормозного крана.
Закрепив кран в тисках, вывертывают корпус включателя стоп-сигнала в сборе. Отвернув болты крепления крышки рычага к корпусу, снимают крышку рычага и прокладку. Вывернув из крышки тормозного крана пробку, вынимают седло впускного клапана, впускной и выпускной клапаны с возвратной пружиной. Затем отвертывают болты крепления крышки тормозного края к корпусу, снимают крышку тормозного крана и вынимают из ее полости седло выпускного клапана с диафрагмой. Из корпуса вынимают стакан с уравновешивающей пружиной. Сборку ведет в последовательности, обратной разборке.
2.3.5 Послеремонтные испытания. Диагностика. Регулировочные параметры
При диагностировании тормозов измеряют следующие основные параметры: тормозной путь автомобиля (путь, проходимый автомобилем с момента нажатия на тормозную педаль до полной остановки) в заданных условиях; замедление автомобиля при торможении; тормозное усилие на каждом колесе.
Силовой роликовый стенд для проверки тормозов может включать два ролика или две пары роликов. Стенд с двумя парами роликов позволяет освободить смотровую канаву и сделать более удобным доступ к тормозным механизмам.
Для измерения тормозного пути автомобиль перемещают по трапу заезда и устанавливают колесами на ролики 3, 4. От привода стенда через ролики колеса пригодятся во вращение с требуемой частотой. В момент начала торможения привод отключают, и каждое колесо продолжает свободно вращаться на роликах. Одновременно с началом торможения включаются счетчики, показывающие величину тормозного пути каждого колеса и время срабатывания тормозов. Инерционные датчики 7 позволяют судить о состоянии тормоза каждого колеса по величине максимального замедления.
Для измерения тормозного усилия на педали тормоза на колесе автомобиля создают тормозной момент, который вызывает тормозную силу в месте соприкосновения колеса с роликом. Тормозная сила, в свою очередь, создает момент на ролике. Этот момент передается на корпус мотор-редуктора 1, который установлен в подшипниковых опорах. Реактивный момент корпуса через рычаг 8 воспринимается датчиком измерения усилия, далее сигнал с выхода датчика преобразуется и передается на индикатор.
После сборки компрессор должен пройти приработку на стенде без нагрузки в течение 5–10 мин. В процессе приработки проверяют, нет ли подтекания масла, перегрева подшипников и ненормальных стуков. Затем производят испытание компрессора на производительность и герметичность. Испытания осуществляются на стенде при частоте вращения коленчатого вала 1200–1350 об/мин. Давление масла, поступающего в компрессор, должно быть в пределах 0,15 – 0,3 МПа (1,5 – 3,0 кгс/см²). Температура масла во время испытания должна быть не ниже 40 °С).
После сборки тормозные камеры испытывают на прочность и воздухонепроницаемость при давлении воздуха 0,7 МПа (7 кг\см²), смачивая мыльной водой места соединений: в течение 30 мин. не должно быть мыльных пузырей, свидетельствующих о негерметичности камеры.
Тормоза грузовых автомобилей проверяют на стенде КИ-4998. На стенде определяют: тормозные силы, возникающие при контакте колес автомобиля с опорной поверхностью роликов; усилие нажатия на тормозную педаль; время и неодновременность срабатывания тормозов; эллипсность тормозных барабанов; тормозные качества стояночного тормоза.
Подключив воздушный баллон автомобиля к пневматическому пульту стенда проверяют герметичность системы привода тормозов. Допустимое падение давления в системе при одном нажатии на педаль 0,05 МПа в течение 15 мин.
Для проверки эллипсности тормозных барабанов нажимают на педаль до давления в тормозной камере 0,3 МПа, делают выдержку в течение 6–10 мин и замеряют колебания стрелки микроамперметра (допустимое колебание 10 делений).
Плавно нажимая на педаль до отключения стенда (блокировки колес) при давлении в тормозной системе 0,7 МПа, фиксируют по показаниям приборов максимальную тормозную силу на каждом колесе. Разность тормозных сил левого и правого колес одной оси не должна превышать 20% полученного максимального значения тормозной силы.
Проверка свободного хода педали тормоза осуществляется специальной линейкой. Величина свободного хода педали тормоза – 40–60 мм.
Диагностирование стояночного тормоза на стенде КИ-4998 проводят следующим образом: включают электродвигатели правого и левого роликов стенда; медленно затягивают рычаг стояночного тормоза до получения суммарных тормозных сил, Н (кгс), на обоих колесах автомобилей – 13000 (1300). По достижении указанных тормозных сил проверку прекращают, выключают стенд, полностью затягивают рычаг стояночного тормоза, который должен перемещаться на 4–6 зубьев.
3. Техника безопасности при выполнении работ
В России существует государственная система стандартов безопасности труда, устанавливающая общие требования безопасности работ (ГОСТ 12.3.017 – 85), которые проводятся на автотранспортных предприятиях, станциях ТО и специализированных центрах при всех видах технического обслуживания и текущего ремонта автомобилей.
Все лица, поступающие на работу, проходят вводный инструктаж по технике безопасности и производственной санитарии, который является первым этапом обучения технике безопасности на данном предприятии.
Вторым этапом обучения является инструктаж на рабочем месте, проводимый с целью усвоения рабочим безопасных приемов труда непосредственно по той специальности и на том рабочем месте, где он должен работать.
1. При техническом обслуживании и ремонте автомобилей необходимо принимать меры против их самостоятельного перемещения.
2. Запрещается техническое обслуживание и ремонт автомобилей с работающим двигателем.
3. Подъемно-транспортное оборудование должно быть в исправном состоянии и использоваться только по своему прямому назначению. К работе с этим оборудованием допускаются лица, прошедшие соответствующую подготовку и инструктаж.
4. Во время работы запрещается оставлять инструменты на краю осмотровой канавы, на подножках, капоте или крыльях автомобиля.
5. При сборочных работах совпадение отверстий в соединяемых деталях необходимо проверять специальными ломиками, бородками или монтажными крючками.
6. Запрещается проверять совпадение отверстий пальцами.
7. Во время разборки и сборки узлов и агрегатов необходимо применять специальные съемники и ключи. Трудно снимаемые гайки сначала следует смочить керосином, а затем отвернуть ключом, запрещается отвертывать гайки зубилом или молотком.
8. Запрещается загромождать проходы между рабочими местами, деталями и узлами, а также скапливать большое количество деталей на местах разборки.
9. Гидравлические и пневматические устройства должны быть снабжены предохранительными клапанами.
10. Рабочий инструмент должен находиться в исправном состоянии.
3.1 Пожарная безопасность
Основными причинами возникновения пожаров на автотранспортных предприятиях являются: неисправность отопительных приборов, электрооборудования и освещения, неправильная их эксплуатация; самовозгорание горючесмазочных и обтирочных материалов при неправильном их хранении; неосторожное обращение с огнем.
Во всех производственных помещениях необходимо выполнять следующие противопожарные требования:
· курить только в специально отведенных для этого местах;
· не пользоваться открытым огнем;
· хранить топливо и керосин в количествах, не превышающих сменную потребность;
· не хранить порожнюю тару из-под топлива и смазочных материалов;
· проводить тщательную уборку в конце каждой смены;
· разлитое масло и топливо убирать с помощью песка;
· собирать использованные обтирочные материалы, складывать их в металлические ящики с крышками и после окончания смены выносить в специально отведенное для этого место.
Чтобы не создавать условий для возникновения пожара в производственных помещениях и на автомобиле запрещается:
· допускать попадание на двигатель и рабочее место топлива и масла;
· оставлять в кабине, на двигателе и рабочих местах обтирочные материалы;
· допускать течь в топливопроводах, баках и приборах системы питания;
· держать открытыми горловины топливных баков и сосудов с воспламеняющими жидкостями;
· мыть или протирать бензином кузов, детали и агрегаты, мыть руки и одежду бензином;
· хранить топливо (за исключением находящегося в топливном баке автомобиля) и тару из-под топлива и смазочных материалов;
· пользоваться открытым огнем при устранении неисправностей;
· подогревать двигатель открытым огнем.
На видных местах около телефонных аппаратов должны быть вывешены таблички с указанием телефонов пожарных команд, план эвакуации людей, автомобилей и оборудования на случай пожара и фамилии лиц, ответственных за пожарную безопасность.
Пожарные краны во всех помещениях оборудуют рукавами и стволами, заключенными в специальные шкафы. В помещениях устанавливают пенные огнетушители (один огнетушитель на 50 м² площади помещения) и ящики с сухим песком (один ящик на 100 м² площади помещения). Около ящика с песком на пожарном стенде должны располагаться лопата, лом, багор, топор, пожарное ведро.
Заключение
Современный автомобиль работает в самых различных дорожных и климатических условиях. Длительная эксплуатация неизбежно приводит к ухудшению его технического состояния. Работоспособность автомобиля или его агрегатов определяется их способностью выполнять заданные функции без нарушения установленных параметров. Работоспособность автомобиля зависит прежде всего от его надежности, под которой понимают способность автомобиля безопасно перевозить грузы или пассажиров при соблюдении определенных эксплуатационных параметров.
Под вредностью автомобильного транспорта понимается уровень его отрицательного влияния на население, персонал и окружающую среду. Это влияние проявляется в: токсичности отработавших газов (ОГ) и картерных газов, испарений топлив, масел и кислот; насыщении продуктами износа шин, асбестовых и металлических материалов окружающей среды; шумах, возникающих при движении автомобилей; загрязнении производственных помещений и их атмосферы при ТО, ремонте, хранении; загрязнении воды и грунта при ТО и ремонте; потреблении кислорода воздуха для процессов сгорания и воды при техническом обслуживании автомобилей. При работе двигателя и движении автомобиля создается шум, который может вызывать у людей головные боли, расширение зрачков, страх, учащение сердцебиения, склонность к заболеваниям гастритом, язвенной болезнью. Повышенный шум снижают работоспособность водителя, увеличивает время реакции и соответственно повышает опасность дорожно-транспортного происшествия. Уровень звука при частоте 1000 Гц называется уровнем шума и измеряется в децибеллах по шкале А
прибора. С повышением уровня шума возможная продолжительность пребывания человека в этих условиях резко снижается. Так, при шуме в 90 дБ человек может находиться до 8 ч. При повышении шума на каждые 5 дБ после 90 дБ допустимая продолжительность пребывания сокращается в 2 раза. При шуме 140 дБ человек ощущает не звук, а боль в ушах и возможны травмы.
Вредными для здоровья людей являются продукты изнашивания, особенно шин, накладок тормозных и дисков сцепления, поступление которых в окружающую среду возрастает при эксплуатации технически неисправного подвижного состава.
Надежность характеризуется безотказностью, сохраняемостью и ремонтопригодностью. В настоящее время происходит интенсивное совершенствование конструкций транспортных средств, повышение их надежности и производительности. Осуществляется более частое обновление выпускаемых моделей, придание им более высоких потребительских качеств, отвечающих современным требованиям. Все это вызывает необходимость повышения профессионального уровня автомеханика. Мы должны иметь представление о современном состоянии и тенденциях развития как автомобилестроения в целом, так и отдельных моделей автомобилей, уметь оценивать техническое состояние, чтобы затем надежно проводить обслуживание и ремонт автомобилей. От того, как надежно мы обслужим автомобиль, зависит жизнь и безопасность не только владельца автомобиля, но и окружающих. Наша профессия интересна, ответственна, и востребована.
Список литературы
1. Газарян А.А. Техническое обслуживание автомобилей. – М: Транспорт, 1989.
2. Карагодин В.И, Шестопалов С.К. Слесарь по ремонту автомобилей. – М. – Высшая школа. – 1990.
3. Чумаченко Ю.Т, Герасименко А.И, Рассанов Б.Б. Автослесарь. Устройство, техническое обслуживание и ремонт автомобилей. – Ростов-на-Дону: Феникс, 2004.
4. Михайловский Е.В, Серебряков К.Б. Устройство автомобиля: Учебник. – М. – Машиностроение. – 1981.
5. Третьяков А.М., Петров А.Д. Справочник молодого слесаря по техническому обслуживанию и ремонту автомобилей. – М. – 1985.
6. Ремонт автомобилей: Учебник/ред. Румянцев С.И, Борщов В.Ф. – М. – Транспорт. – 1981.
7. Боровских Ю.И., Кленников В.М., Сабинин А.А. Устройство автомобиля: Учебник. – М: Высшая школа, 1983.
|