Банк рефератов содержит более 364 тысяч рефератов, курсовых и дипломных работ, шпаргалок и докладов по различным дисциплинам: истории, психологии, экономике, менеджменту, философии, праву, экологии. А также изложения, сочинения по литературе, отчеты по практике, топики по английскому.
Полнотекстовый поиск
Всего работ:
364139
Теги названий
Разделы
Авиация и космонавтика (304)
Административное право (123)
Арбитражный процесс (23)
Архитектура (113)
Астрология (4)
Астрономия (4814)
Банковское дело (5227)
Безопасность жизнедеятельности (2616)
Биографии (3423)
Биология (4214)
Биология и химия (1518)
Биржевое дело (68)
Ботаника и сельское хоз-во (2836)
Бухгалтерский учет и аудит (8269)
Валютные отношения (50)
Ветеринария (50)
Военная кафедра (762)
ГДЗ (2)
География (5275)
Геодезия (30)
Геология (1222)
Геополитика (43)
Государство и право (20403)
Гражданское право и процесс (465)
Делопроизводство (19)
Деньги и кредит (108)
ЕГЭ (173)
Естествознание (96)
Журналистика (899)
ЗНО (54)
Зоология (34)
Издательское дело и полиграфия (476)
Инвестиции (106)
Иностранный язык (62791)
Информатика (3562)
Информатика, программирование (6444)
Исторические личности (2165)
История (21319)
История техники (766)
Кибернетика (64)
Коммуникации и связь (3145)
Компьютерные науки (60)
Косметология (17)
Краеведение и этнография (588)
Краткое содержание произведений (1000)
Криминалистика (106)
Криминология (48)
Криптология (3)
Кулинария (1167)
Культура и искусство (8485)
Культурология (537)
Литература : зарубежная (2044)
Литература и русский язык (11657)
Логика (532)
Логистика (21)
Маркетинг (7985)
Математика (3721)
Медицина, здоровье (10549)
Медицинские науки (88)
Международное публичное право (58)
Международное частное право (36)
Международные отношения (2257)
Менеджмент (12491)
Металлургия (91)
Москвоведение (797)
Музыка (1338)
Муниципальное право (24)
Налоги, налогообложение (214)
Наука и техника (1141)
Начертательная геометрия (3)
Оккультизм и уфология (8)
Остальные рефераты (21692)
Педагогика (7850)
Политология (3801)
Право (682)
Право, юриспруденция (2881)
Предпринимательство (475)
Прикладные науки (1)
Промышленность, производство (7100)
Психология (8692)
психология, педагогика (4121)
Радиоэлектроника (443)
Реклама (952)
Религия и мифология (2967)
Риторика (23)
Сексология (748)
Социология (4876)
Статистика (95)
Страхование (107)
Строительные науки (7)
Строительство (2004)
Схемотехника (15)
Таможенная система (663)
Теория государства и права (240)
Теория организации (39)
Теплотехника (25)
Технология (624)
Товароведение (16)
Транспорт (2652)
Трудовое право (136)
Туризм (90)
Уголовное право и процесс (406)
Управление (95)
Управленческие науки (24)
Физика (3462)
Физкультура и спорт (4482)
Философия (7216)
Финансовые науки (4592)
Финансы (5386)
Фотография (3)
Химия (2244)
Хозяйственное право (23)
Цифровые устройства (29)
Экологическое право (35)
Экология (4517)
Экономика (20644)
Экономико-математическое моделирование (666)
Экономическая география (119)
Экономическая теория (2573)
Этика (889)
Юриспруденция (288)
Языковедение (148)
Языкознание, филология (1140)

Дипломная работа: Выбор и расчет оборудования для депарафинизации нефтяных скважин в условиях НГДУ "ЛН"

Название: Выбор и расчет оборудования для депарафинизации нефтяных скважин в условиях НГДУ "ЛН"
Раздел: Рефераты по геологии
Тип: дипломная работа Добавлен 02:44:39 28 июня 2010 Похожие работы
Просмотров: 8422 Комментариев: 16 Оценило: 4 человек Средний балл: 4.8 Оценка: неизвестно     Скачать

ДИПЛОМНАЯ РАБОТА

ТЕМА: ВЫБОР И РАСЧЕТ ОБОРУДОВАНИЯ ДЛЯ ДЕПАРАФИНИЗАЦИИ НЕФТЯНЫХ СКВАЖИН В УСЛОВИЯХ НГДУ «ЛН»


СОДЕРЖАНИЕ

Введение

1. Геологическая часть

1.1 Орогидрография

1.2 Тектоника

1.3 Стратиграфия

1.4 Коллекторские свойства продуктивных горизонтов

1.5 Физико-химические свойства нефти, газа и воды

1.6 Режим залежи

1.7 Конструкция скважин

2. Технологическая часть

2.1 Характеристика фонда скважин применяемого в ЦДНиГ № 1 НГДУ «ЛН»

2.2 Основные сведения о составе АСПО и условия их образования на нефтепромысловом оборудовании

2.3 Основные методы борьбы с АСПО, используемые в НГДУ “ ЛН” и анализ их эффективности

2.3.1 Механический метод, применяемый в НГДУ «ЛН” для борьбы с отложениями АСПО

2.3.2 Применение покрытий для борьбы с АСПО

2.3.3 Физические методы, применяемые в НГДУ «ЛН” для борьбы с отложениями АСПО

2.3.4 Химические методы, применяемые в НГДУ «ЛН” для борьбы с отложениями АСПО

2.3.5 Тепловые методы, применяемые в НГДУ «ЛН” для борьбы с отложениями АСПО

3 Механическая часть

3.1 Глубиннонасосное оборудование

3.2 Техника и оборудование применяемое для депарафинизации скважин в условиях НГДУ «ЛН»

3.3 Техника и оборудование при паротепловой обработке

3.4 Подбор основного глубинно-насосного оборудования по скважине

3.5 Определение экстремальных нагрузок, действующих на головку балансира

3.6 Расчет на прочность стеклопластиковых штанг

4 Специальная часть

4.1 Выбор оборудования для подачи реагента (ингибитора)

4.2 Конструктивный расчет элементов устройства для ввода реагента в затрубное пространство под давлением

4.2.1 Расчет корпуса резервуара для реагента

4.2.2 Расчет толщины стенки крышки резервуара

4.2.3 Расчет толщины стенки конического днища

4.2.4 Расчет фланцевых соединений

5. Экологическая безопасность

5.1 Мероприятия по охране окружающей среды и недр в условиях НГДУ “ЛН”

5.2 Охрана атмосферного воздуха

5.3 Охрана вод

5.4 Охрана земель

5.5 Охрана труда и техника безопасности при удалении АСПО

6. Организационно-экономический раздел

6.1 Технико-экономическая оценка методов борьбы с АСПО по НГДУ “ ЛН”

6.2 Организация профилактических работ на нефтепромыслах и службе ПРС по борьбе с АСПО

6.3 Анализ выхода из строя глубинно-насосного оборудования за 2000 -2001 г.г.

6.4 Мероприятия направленные на борьбу с АСПО в НГДУ “ ЛН”

6.5 Расчет экономической эффективности от внедрения и заправки дозаторов

Заключение

Литература


ВВЕДЕНИЕ

Асфальто-смолистые и парафиновые отложения (АСПО) содержатся в составе нефтей почти во всех нефтедобывающих районах РФ. Химический состав АСПО зависит от свойств добываемой нефти, термо- и гидродинамических условий продуктивных пластов, геологических и физических особенностей, способа разработки и эксплуатации месторождений.

Парафиновые отложения в нефтепромысловом оборудовании формируются в основном вследствие выпадения (кристаллизации) высокомолекулярных углеводородов при снижении температуры потока нефти.

Состав парафиновых отложений зависит от состава нефти и термодинамических условий, при которых формируются отложения. В зависимости от условий кристаллизации состав парафиновых отложений даже в одной скважине весьма разнообразен. Различаются они по содержанию асфальтенов, смол и твердых углеводородов. Нередко парафиновые отложения содержат воду и механические примеси.

На интенсивность парафиновых отложений оказывает влияние обводненность продукции в скважинах.

АСПО снижают производительность скважин, увеличивают износ оборудования, расходы электроэнергии и давление в выкидных линиях. Поэтому борьба с АСПО – актуальная задача при интенсификации добычи нефти.

Методы борьбы с АСПО предусматривают проведение работ по предупреждению выпадения и удалению уже образовавшихся осадков.

Предупреждение образования АСПО достигается нанесением защитных покрытий на поверхности труб и другого оборудования из гидрофильных материалов, а также введением в поток добываемой нефти различных ингибиторов.

Удаление АСПО достигается путем чистки поверхности труб и оборудования механическими скребками, тепловой и химической обработкой продукции скважин.

Многие глубиннонасосные установки эксплуатируемые в условиях НГДУ «Лениногорскнефть» (далее НГДУ «ЛН»), эксплуатируются в высокопарафинящихся скважинах, где в насосе и трубах откладывается парафин. В НГДУ «ЛН» применяются различные методы дапарафинизации скважин, но наиболее эффективным является химический метод предотвращения отложений парафина с применением ингибиторов. Часто химический метод применяют в сочетании с тепловыми и механическими методами.

В дипломном проекте приведена характеристика Ромашкинского нефтяного месторождения (геологическая часть); рассмотрены методы депарафинизации нефтяных скважин эксплуатируемых в условиях НГДУ «ЛН», расположенной на площади Ромашкинского нефтяного месторождения (технологическая часть); выполнен подбор и расчет оборудования используемого для депарафинизации скважин в НГДУ «ЛН» (механическая часть). В специальной части дипломного проекта рассмотрено дозировочное устройство депарафинизации применяемый в условиях НГДУ «ЛН» при химическом методе. Приведен расчет экономической эффективности применяемых методов и дана их сравнительная характеристика. В дипломном проекте также рассмотрены мероприятия по охране окружающей среды и недр в условиях НГДУ “ЛН”, охране вод и земель на которых расположена эксплуатируемая площадь нефтяного месторождения.


1. ГЕОЛОГИЧЕСКАЯ ЧАСТЬ

1.1 Орогидрография

Западно-Лениногорская площадь расположена на юге Ромашкинского нефтяного месторождения. На севере площадь контактирует с Юго - Ромашкинским, на западе с Зай-Каратаевской и на востоке с Восточно - Лениногорской площадями. В геолографическом отношении Западно- Лениногорская площадь представляет собой пересечённую местность с многочисленными оврагами и балками. Абсолютные отметки колеблются в пределах от +100 до + 250 м. Большую часть площади занимают лесные массивы.

Климат района резко континентальный - суровая зима с сильными буранами и жаркое лето. Преобладающее направление ветров - юго-западное. Самым холодным месяцем является - январь, имеющий среднюю месячную температуру - 13,7 0 С , - 14,4 0 С. Наиболее теплым месяцем является июль - средняя месячная температура колеблется от +18,5 0 С, до + 19,5 0 С. Абсолютный минимум температуры достигает в некоторые годы до - 49 0 С. Максимальная летняя температура достигает +38 0 С. Наибольшее количество осадков выпадает в июле (до 60 мм), минимальное в феврале (до 17 мм). Грозовая деятельность от 40 до 60 часов в году.

По площади проходят автомобильные дороги, соединяющие города Бугульму, Альметьевск, Лениногорск и промысловые дороги. В административном отношении Западно - Лениногорская площадь расположена на землях Бугульминского и Лениногорского районов РТ, в пределах землепользования Бугульминского и Лениногорского госплемптицезавода, совхоза “Подлесный”, совхоза “Путь к коммунизму”, колхоза имени Калинина Лениногорского района. Западно-Лениногорская площадь с трех сторон охватывает город Лениногорск, граничит с Юго - Ромашкинской площадью. Кроме города Лениногорска на площади расположены деревни Верхний Каран, Дурасово, Тимяшево и Ромашкино. К настоящему времени на площади имеется развитая система сбора, транспорта и подготовки нефти, газа и воды, поддержания пластового давления, электроснабжения, связи, автоматики и телемеханизации.

1.2 Тектоника

Ромашкинское нефтяное месторождение приурочено к крупной структуре платформенного типа - Южному куполу Татарского свода. Эта структура чётко прослеживается по поверхности кристаллического фундамента, а также по маркирующим поверхностям девона и карбона. Западно - Лениногорская площадь расположена на юго-восточном склоне Южного купола.

В пределах площади изучение тектоники проводилось по структурной карте, построенной по кровле пашийского горизонта (подошва ренеры “Верхний известняк”). Абсолютные отметки этой поверхности колеблются от 1955 м на севере площади (зона Южно - Ромашкинского разрежающего ряда, участки скважин 2081, 1085, 2087, 1077 а, 2096) до 1497,8 (скв 3542, южно- восточная часть). Западно - Лениногорская площадь вытянута в субтронном направлении, в основном по простиранию поверхности “верхнего известняка.

Общая картина моноклинальности осложняется отдельными небольшими выступами в субмеридиальном направлении. Из них важнейшими прогибы на западной границе площади (по линии скважин 2080, 3551, 6243, 6443, 6427 амплитуда до 13 м). С запада выступ ограничивается прогибом по линии скважин 2094 - 6444, на востоке он постепенно переходит в моноклинальный склон. Меньшие размеры имеют выступ в юго-восточной части площади (скважины 6456, 8723, 8761) прогибы по линии скважин 6224- 6388, 6161, 6162, 6392. Все перечисленные структуры являются по отложению к моноклинальному склону в пределах площади структурами 2-го подряда.

Из структур 3-го подряда можно отметить небольшие выступы (скважины 6215, 6215а, 6079) и прогибы (6017, 6224, 6313) осложняющие структуры 2-го порядка, имеющие обычную форму, близкую к изотермической и зафиксированы в 1-2-х скважинах. Углы падения на площади не превышают 10 , обычно составляя несколько минут (0,7° ). Более резким он является в центре площади, на линии скважины 697- 3542, где достигает величины 0° 12´ .

Структурные планы продуктивных пластов горизонты Д1 (а; б 1,2;б3 ; в; г; д.) в основном совпадают со структурным планом поверхности рапера “ верхний известняк “. Расхождение в деталях объясняются особенностями составления структурных карт по поверхностям продуктивных пластов, когда стратиграфическая поверхность может местами заменяться поверхностью литологической.

1.3 Стратиграфия

Наиболее древними образованьями, которые вскрыты скважинами, являются породы кристаллического фундамента, возраст которых определён как - архейский. Сложены они либо метаморфизованными породами, представленными бионито - гранитовыми, бионито - платопладовыми и бионито - склинятовыми гнейсами, либо изверженными породами, внедрившимся в толщу гнейсов. К древним гранитам относятся платоплодовые гранито-гнейсы, кварцевые диориты, габурдиайоды. Зона развития магматических пород характеризуется полосовыми аномалиями, гравитационными и магнитными полями. Для них характерна узкая линейная протяженность.

В состав осадочной толщи Ромашкинского месторождения входят отложения девонской, каменноугольной, пермской и четвертичной систем. Породы палеозойского осадочного комплекса залегают на метаморфизованном первично- осадочном кристаллизационном фундаменте.

Девонские образования в пределах Ромашкинского нефтяного месторождения представлены двумя отделами - средними и верхними. В среднем отделе выделяются два яруса эйфельский и алевролито - глинистыми породами.

Пашийский горизонт является основным промышленным объектом данного месторождения. Нижняя его граница - кровля аргелитовой пачки (репер “глина “) над пластом Д2 . Верхняя граница пашийского горизонта производится по подошве карбонатной пачки “ верхний известняк “. Мощность горизонта колеблется от 24 м (северо-восточная часть) до 52 м (юго-западная часть месторождения).

Пашийский горизонт представлен пятью алевролито - песчаными пачками (пласт Д1 - а, Д1 - б, Д1 - в, Д1 - г, Д1 - д.), подразделенными алевролито - глинистыми отделами. К пашийским отложениям (горизонта Д1) нижнефранского подъяруса приурочена основная залежь Ромашкинского месторождения. Нефть относится к типу смолистых, сернистых и парафинистых. Удельный вес смол 27 - 37 %, парафина 53 %, средняя вязкость нефти по месторождению составляет 30 сП.

Начальный статический уровень подземных вод, терригенной части девона Ромашкинского месторождения (до его разработки) находилась на абсолютных отметках минус 15 - 25 м. Пластовое давление на контуре нефтеносности горизонта Д1 = 17,5 Па.

Сейчас движение жидкости в горизонте Д1 переходит от нагнетательных рядов и эксплуатационным. Скорость движения пластовых вод в горизонте Д1 повышается по сравнению с естественной, существовавшей до начала разработки месторождения, в сотни тысяч раз. В пьезометрических скважинах на горизонтах Д1 и Д2 статический уровень измеряется сейчас в пределах отметок минус 292 м. плюс 217 м; пластовое давление 14,5 – 21,0 Па.

В связи с увеличением закачкой холодной воды в участки горизонта Д1 , геотермические условия его также несколько изменяются в сторону некоторого снижения пластовой температуры.

1.4 Коллекторские свойства продуктивных горизонтов

Коллекторские свойства эксплуатационного объекта охарактеризованы в таблице 1.

Таблица 1

Метод

исследования

Наименование

Проницаемость

мкм2

Пористость Начальная
нефтенасыщенность Газонасыщенность

Лабораторные

исследования

керна

Количество скважин

Количество определений

Среднее значение

Коэффициент вариации

29

505

0,384

67,3 %

30

605

20,9

16,6 %

18

400

0,818

14,2 %

-

-

-

-

Лабораторные

исследования

керна

Интервал

изменения

параметров

0,001 - 1,3

3,2 - 28,2

0,228 - 0,967

-

Геофизические

исследования

керна

Количество

скважин

Количество определений

Среднее значение

212

389

0,283

454

1270

18,8

451

1248

0,805

-

-

-

Они получены на основании достаточно представленных лабораторных исследований кернов и результатов исследований геофизическими методами.

Обращает на себя внимание как значительно меньшее количество скважин, по которым отобран керновый материал, так и более высокие значения параметров, по сравнению с результатами геофизических исследований. Интервалы измерения параметров довольно значительны и особенно по керновым данным, что указывает на значительную неоднородность коллекторов, слагающих продуктивные пласты. Общая толщина горизонта изменяется в пределах площади от 26,0 до 56,0м составляя в среднем 39 м, нефтяная в среднем равна 9,8 м изменяясь в пределах от 2,0 до 30 м её средняя эффективная толщина равна 18,6 м изменяясь от 4,0 до 38,0 м.

Поскольку в пределах водонефтяной зоны рассматриваются пласты с подошвенной водой, то их общая и эффективная толщина равна. Свойством сложённости строения эксплуатационного объекта площади могут служить данные, приведённые в таблице 2.

Таблица 2

Количество скважин

используемых для определения

Коэффициент песчанности, К п Коэффициент расчленности, К р

Среднее

значение

Коэффициент вариации

Среднее

значение

Коэффициент вариации

235 0,35 40,0 4,5 28,0

По данным можно сделать вывод о наличии в разрезе объекта значительного количества пластов, соотношение эффективной толщины продуктивной части и общей толщины горизонта Д1 в пределах Западно - Лениногорской площади.

1.5 Физико-химические свойства нефти, газа и воды

Физико-химические свойства нефти, газа и воды пашийского горизонта Д1 Западно - Лениногорской площади были исследованы в “ТатНИПИ нефть” ГПК города Альметьевка. Параметры пластовых нефтей изменяются в следующих пределах: давление насыщения от 7,41 до 9,32 МПа, среднее значение - 8,09 МПа, газосодержание от 46,4 до 78,9 м3 /т, среднее значение 60,2 м3 /т; объёмный коэффициент от 1,128 до 1,210 , среднее значение - 0,8048; вязкость от 2,3 до 5,05 МПа·с, среднее значение - 3,4 мПа·с.

Параметры поверхностных нефтей изменяются в следующих пределах: плотность нефти - 0,8578 г/см3 ; вязкость от 10,5 до 26,1 мПа·с; среднее значение - 14,6 при 20 0 С; содержание серы от 0,7 до 1,3;среднее значение - 1,1; смол семеногелевых от 26,0 до 28; среднее значение 27,0 параметров от 1,0 до 3,6, среднее значение 2,8; выход светлых фракций до 100 0 С- 7,3 % объёма; до 200 0 С - 26,2 % объёма; от 300 0 С - 48,2 % .

Таким образом, нефти горизонта Д1 по своим свойствам могут быть отнесены к сернистым и парафинистым.

Анализ полученных данных свидетельствует о том, что среднее значение величины некоторых параметров нефти и газа изменилось по сравнению с принятыми на дату утверждения запасов ГКЗ в целом на Лениногорской площади. Это произошло в результате учета дополнительной информации по анализам, отобранным в следующие годы и исключения некачественных анализов при подготовки их к автоматизированной обработке.

Подземные воды терригенного девона Западно - Лениногорской площади по своему составу относятся к хлор - натриевому типу с высоким содержанием кальция, с незначительным количеством сульфатов и гидрокарбонатов. Общая минерализация воды от 252 до 280 г/м, в среднем 270 г/м. В ионно-солевом составе преобладают хлориды (в среднем 160 г/м3 и натрий 70,8 г/м3 ), плотность воды в среднем - 1,186 г/см3 , вязкость - 1,9 мПа·с.

В естественных, не нарушенных закачкой воды, условиях в подземных водах терригенного девона сероводород отсутствует. При закачке сульфатных вод, содержание сульфатвосстанавливающих бактерий в пластовых условиях проектируется сероводород в количестве 26 - 96 мг/л.

Газонасыщенность подземных вод 0,248 - 0, 368 м3 /т, снижается по мере удаления от нефтяных залежей. В составе растворённого в воде газа преобладает метан.

1.6 Режим залежи

Разбуривание Западно-Лениногорской площади началось в 1962 году согласно технологической схеме разработки 1959 года с западной части по сетке 800x650 м.

В следующие годы разбуривания и ввод площади производится по отдельным участкам с одновременным бурением оценочных скважин на введенных в разработку зонах.

Эксплуатируется Западно-Лениногорская площадь в упруговодонапорном режиме. Напор вод создается путём искусственного нагнетания воды в 95 нагнетательных скважин. Первоначальное пластовое давление 175 атм.; текущее - 170 атм.; компенсация отбора жидкости - 0,5 % . Зона дисперсии, образовавшаяся в начале в непосредственной близости к забою скважин, постепенно распространяется на всю площадь и за её пределы, вызывая упругое расширение всё новых масс жидкости - сначала нефти, а затем воды, вытесняющей замещающей нефти.

На 1 января 1999 года пробурено всего 450 скважин, из которых 392 по проекту эксплуатационных и 58 нагнетательные.

Эксплуатирующихся на нефть на 1 января 1999 года 383 скважин, в том числе 27 фонтанных; - 279 СКН и 77 ЭЦН.

Средний дебит скважины по жидкости - 6,3 т/сут, по нефти - 4,1 т/сут. В настоящее время остались не введенными в разработку низко продуктивные зоны.

1.7 Конструкция скважин

На Западно-Лениногорской площади скважины имеют следующую конструкцию:


Таблица 3

Наименование

обсадных

колонн

Диаметр

обсадных

колонн, мм

Глубина

спуска, м

Диаметр

долота, мм

Высота

подъёма

цемента

Направление 324 20 393,7 до устья
Кондуктор 245 300 295,3 до устья

Экспл.

колонна

146 (168) 1800 215,9 до устья

324 245 146(168)


30-40 м


200 - 400 м


- 1700 м

Рис. 1 Схема конструкции скважины:

1 - направление

2 - кондуктор

3 - экс. колонна

Спуск направления на глубину 20 м вызван необходимостью перекрытия обваливающихся неустойчивых пород и подъёма цемента до устья. Для обеспечения вертикальности ствола предусматривается, применение системы центраторов: наддолотный и надтурбобурный.

Бурение под кондуктор производится после спуска и цементажа направления с глубины - 0 до 300 м. Спуск 245 мм кондуктора на глубину 300 м вызван необходимостью укрепления неустойчивости пород. Подъём цемента за кондуктором до устья.

Спуск - 146 (168) мм эксплуатационной колонны до устья - 1800 м. Подъём цементного раствора за эксплуатационной колонной производится от башмака до устья. Низ колонны имеет башмачную направленную пробку, башмак, патрубок, обратный клапан, упорное кольцо, цементирующие фонари, пружинные скребки. Для образования монолитного цементного камня вокруг обсадной колонны и предупреждения его разрушения при перфорации на каждую обсадную трубу устанавливают по 2 центратора и до 20 скребков в интервалах возможного поступления воды к продуктивной части разреза.


2. ТЕХНОЛОГИЧЕСКАЯ ЧАСТЬ

2.1 Характеристика фонда скважин применяемого в ЦДН и Г № 1 НГДУ «ЛН»

Эксплуатационный фонд скважин в ЦДН и Г № 1 НГДУ «ЛН” составляет 697 скважин. Ниже приведены основные данные по фонду скважин.

Таблица 4

Состояние эксплуатационного фонда скважин на 1.05.2001г

Расшифровка фонда Скв.(шт.) Кэкс %

Эксплуатационный фонд

в т.ч. а) фонтанные

б) ЭЦН

в) ШГН

21

101

575

3

14,5

82,5

Из таблицы видно, что количество скважин эксплуатируемых ШГН - 82,5 %. Установками ЭЦН эксплуатируется 13 % эксплуатируемого фонда. 99,9 % всей добычи нефти извлекается механизированным способом, в том числе ШГН - 72,92 %, УЭЦН - 26,96 %.

Среднесуточный дебит по скважинам, оборудованным ШГН, составляет 2,36 т/сут, по УЭЦН - 5т/сут.

Средняя обводнённость продукции по скважинам, эксплуатируемым ШГН составляет 49,4 %, по УЭЦН-92,7 %.

Средняя глубина подвески штанговых насосов на девонских скважинах 1250 - 1450 м, на угленосных - 800 - 900 м.

2.2 Основные сведения о составе АСПО и условия их образования на нефтепромысловом оборудовании

Основные исследования механизма образования отложений парафина были выполнены в 50 - 60 годах, когда на крупнейших отечественных месторождениях нефти добывалась в основном безводная продукция и проблема образования парафиновых отложений стояла очень остро. Межочистной период эксплуатации некоторых скважин Ромашкинского месторождения составлял всего лишь 3 - 4 часа.

На поздней стадии разработки нефтяных месторождений изменились геолого-технические условия добычи нефти, и расширилась область возможного формирования отложений.

Асфальто-смолопарафиновые отложения (АСПО) в условиях высокой обводненности скважин при низких забойных давлениях образуются в соответствии со следующей теоретической моделью.

Единственным источником возникновения асфальто-смолопарафиновых отложений являются молекулы парафина растворенные в нефти и выстраивающие кристаллическую решетку твердой фазы.

Кристаллы парафина, образующие плотные отложения на поверхности при снижении температуры на ней ниже температуры кристаллизации.

На поздней стадии разработки увеличивается глубина формирования АСПО, что обусловлено интенсивным снижением пластовой температуры за счет большого количества холодной воды, а, следовательно, общем снижении теплового потока.

Например: пластовая температура в начале разработки Ромашкинского месторождения составляла 410 С, а максимальное её значение, зафиксированное в 1997 году, равно 330 С.

Появление газовой фазы в потоке, с одной стороны увеличивает удельный объём контактирующего со стенками нефтепромыслового оборудования носителя парафина (нефти), улучшая условия для формирования отложений парафина за счет более интенсивной подпитки материалом растущих кристаллов, с другой, повышает турбулизацию потока. Теплоотдача потока при этом резко возрастает, что уменьшает температуру поднимающейся нефти.

В процессе разработки залежей при заводнении состав пластовой нефти значительно изменяется. При контактировании с водой такие компоненты растворенного в нефти газа, как азот и метан, переходят в вытесняющую воду. В результате снижается давление насыщения нефти газом, повышаются плотность и вязкость, а так же относительное содержание высокомолекулярных компонентов в нефти. Наличие асфальто-смолистых веществ в нефти значительно влияет на процесс кристаллизации. В присутствии смол и асфальтенов происходит глубокое изменение формы и структуры кристаллов. Адсорбция асфальто-смолистых веществ на поверхности кристалла приводит к возникновению дендритных структур большого объёма и низкой плотности, свободные полости которых заполнены нефтью. Таким образом, увеличение содержания смолистых веществ в составе нефти изменяет форму и структуру образующихся АСПО. Присутствие воды в добываемой продукции обуславливает проявление факторов, влияющих на формирование данных отложений.

В АСПО содержатся значительные количества механических примесей и воды. Так, по данным ТатНИПИнефти, в 2000-2002 гг. массовое содержание связанной воды в отложениях составило 4-49%, механических примесей до 15 %. Это свидетельствует о значительной несплошности растущих отложений и их замуровывании надстраивающими друзами парафина.

Таким образом, на поздней стадии разработки нефтяных месторождений, характеризуемой высокой обводненностью скважин, значительно изменяются условия и механизм доставки носителя парафина (нефти) в область формирования отложений, а механизм формирования самих отложений не меняется.


2.3 Основные методы борьбы с АСПО, используемые в НГДУ “ ЛН” и анализ их эффективности

В НГДУ “ Лениногорскнефть” на 621 скважине, оборудованной УШГН, что составляет 95,2 % осложненного фонда. Применяются механические, химические, тепловые и физические методы борьбы с АСПО, а также их комбинации, причем комбинациями различных методов охвачено более 75 % фонда скважин. Применение методов борьбы с АСПО на скважинах представлено в таблице 5.

Таблица 5

Применение методов борьбы с АСПО на скважинах, оборудованных УШГН

Методы борьбы с АСПО Фонд скважин с УГШН, осложненный формированием АСПО

Ремонты по причине

АСПО

Всего % от осложненного фонда с УГШН Всего Отношен. ремонт. к соответс фонду
Фонд скважин с УГШН, осложненный формированием АСПО 621 100 81 0,130

1. Применение штанг с наплавленными центраторами,

в т.ч. - с центраторами - депарафинизаторами НГДУ «ЛН” с остеклованными НКТ,

в т.ч. - с промывками

- с магнитными депарафинизаторами

- с микробиологическими обработками;

242

202

143

8

11

39,5

32,5

23,0

1,3

1,8

29

25

-

5

-

0,120

0,124

-

0,625

-

- с центраторами - депарафинизаторами НГДУ «ЛН” в комбинации со скребками- центраторами завода “Радиоприбор”,

в т.ч. - с промывками;

- со скребками- центраторами НГДУ

“ ИрН”

14

8

26

2,3

1,3

4,2

1

-

3

0,071

-

0,115

2. Применение футерованных НКТ

в т.ч. - с полимерным покрытием DPS БМЗ,

в т. ч - с центраторами - депарафинизаторами НГДУ «ЛН”

- с промывками ;

- остеклованных,

в т. ч- с промывками

- с магнитными депарафинизаторами

- с микробиологическими обработками

326

4

1

2

322

284

4

3

52,5

0,6

0,2

0,3

51,9

45,7

0,6

0,5

45

-

-

-

45

3

1

-

0,138

-

-

-

0,140

0,011

0,250

-

Выполнение микробиологических обработок 4 0,6 1 0,250
Использование магнитных депарафинизаторов 2 0,3 2 1,000

2.3.1 Механический метод, применяемый в НГДУ «ЛН” для борьбы с отложениями АСПО

Применение скребков центраторов депарафинизаторов

При эксплуатации скважин ШГНУ основным способом борьбы с АСПО в НГДУ “Лениногорскнефть” является механический, т.е. использование штанг с наплавленными центраторами - депарафинизаторами производства НГДУ ”ЛН» (рис 2), наплавленными скребками - центраторами производства НГДУ «ИрН” (рис 3), плавающими скребками-центраторами завода “Радиоприбор”, использование стеклопластиковых штанг и различных покрытий НКТ. Фонд скважин, обеспеченный защитой такого типа, составляет 91,5 % от осложненного формированием АСПО фонда скважин, оборудованных УШГН.

Использование штанг со скребками центраторами депарафинизаторами основан на создании критических скоростей движения нефтяных эмульсий в НКТ (центраторами, создающими скорости выше критической при которой не происходит отложения парафина на стенках НКТ и теле штанг). Критические скорости потока создаются за счет заданного кольцевого сечения между стенками НКТ и центратором цилиндрической формы (рис. 2) неподвижно наплавленного на тело штанги.



Рис. 2 Цилиндрический центратор Рис. 3 Центратор из полиамидной смолы

В последнее время начали применять новые виды скребков центраторов депарафинизаторов из полиамидной смолы (рис 3). Очистка от парафина металлических поверхностей НКТ и штанг достигается при определенном и строго заданном угле наклона режущих кромок скребка, при его возвратно- поступательных и вращающихся движениях. Косые пазы, выполнены по периметру рабочей поверхности скребка обеспечивают достаточный проток жидкости. В зависимости от размеров труб и штанг меняется размер скребков центраторов-депарафинизаторов.

Срок службы скребков центраторов-депарафинизаторов (по паспорту) составляет 5-7 лет. Оснащение колонн штанг скребками центраторами депарафинизаторами в больших объемах дает возможность сократить объем дорогостоящих обработок химическими реагентами, число текущих ремонтов скважин из - за запарафинивания глубинно-насосного оборудования, средний МРП эксплуатации скважин оборудоваемые УШГН, превысил 700 суток. Штанги с наплавленными центраторами - депарафинизаторами используются в комплекте с остеклованными НКТ, ими оснащены 226 скважин, или 36,4 % осложненного фонда скважин, эксплуатируемых УШГН. Причем на 14 скважинах дополнительно внедрены плавающие скребки- центраторы завода “Радиоприбор”. Кроме того, 151 скважина, на которых применяется данный метод защиты от формирования АСПО, 1-2 раза в год промываются дистилятом или дистиллятом в композиции с нефтью. Штанги с наплавленными скребками- центраторами НГДУ “ ИрН” внедрены на 26 скважинах (4,2 %). Штанги с центраторами - депарафинизаторами и наплавленными скребками- центраторами спускаются на глубину от 240 до 1200 метров. Скважины, оборудованные наплавленными скребками-центраторами эксплуатируется со штанговращателями.

2.3.2 Применение покрытий для борьбы с АСПО

Покрытия труб эпоксидными смолами

Преимущество такого покрытия состоит в том, что увеличивается межочистной период работы скважин, оборудованных трубами с покрытиями за счет того, что кристаллы асфальто-смолопарафиновых отложений имеют плохую адгезию с покрытием. Внутренняя поверхность НКТ защищается покрытием от воздействия коррозии при добыче высокообводненной нефти.

Недостатками покрытия являются: истирание покрытия штанговой колонной, отслоение покрытия при пропарке труб, засорение скважин отслоившимся покрытием, засорение клапанов насосов покрытием, истирание покрытия центраторами.

Покрытие труб стеклогранулянтом.

В качестве основного вида защитного покрытия НКТ в НГДУ “ ЛН” применяется стекло. Остеклование внутренней поверхности НКТ проводится в цеху антикоррозионного покрытия труб. С 1993 года НКТ стали покрывать гранулированным стеклом, что позволило заметно улучшить прочностные качества покрытия, увеличить срок службы НКТ, уменьшить количество подземных ремонтов по причине засорения насосов осыпающимся стеклом. Остеклованными НКТ оснащены 524 скважины, причем, как отмечалось выше, 202 скважины в комплекте с центраторами - депарафинизаторами. Необходимо отметить, что из 322 скважин, на которых спущены только остеклованные НКТ, на 284 скважинах в качестве дополнительного метода применяются промывки и обработки различного типа.

Адгезия стекла к стенке НКТ при Т = 8500 С хорошая, что позволяет эксплуатировать НКТ, как в вертикальных, так и в горизонтальных скважинах, а также позволяет производить пропарку НКТ без последствий для покрытия.

В 1998 - 99 годах на 4 скважинах были внедрены НКТ с полимерным покрытием DPS БМЗ. На одной скважине НКТ с данным типом спущены в комбинации со штангами наплавленными центраторами - депарафинизаторами. На двух скважинах проводятся разовые дистилятные промывки.

Применение стеклопластиковых штанг.

С декабря 1995 года в НГДУ «ЛН” начали внедрять стеклопластиковые штанги. В течение 1995-1996 года они были внедрены на 14 скважинах, как девонских, так и сернистых скважинах с различной обводненности, добываемой продукции.

Опыт в эксплуатации стеклопластиковых штанг показал их хорошие прочностные и эксплуатационные характеристики, по сравнению со стальными штангами, нагрузка на головку балансира снизилась на 25 %. Положительными факторами в работе стеклопластиковых штанг является то, что центраторы хорошо армируются на теле штанг, а так же не подвержены коррозии в скважинах с большим содержанием сероводорода и высокой обводненностью добываемой продукции.

Недостатками стеклопластиковых штанг является слабое соединение узла стеклопластика с металлической головкой, а так же они менее работоспособны в скважинах со значительным отложением парафина, так в скважинах 9288 А, 24356, 9232, 12446 стеклопластиковые штанги были извлечены из-за обрывов штанг по причине больших дополнительных нагрузок при запарафинивании колонны НКТ.

В качестве эксперимента НГДУ «ЛН” была закуплена партия стеклопластиковых штанг. СПНШ изготавливаются из сплетенных жгутов стеклонитей, пропитанных эпоксидной смолой.

Штанги состоят из двух головок и стеклопластикового стержня, которые крепятся между собой с помощью эпоксидной смолы.

Таблица 6

Техническая характеристика СПНШ

Номинальный диаметр по телу

Длина

Плотность

Разрушающее напряжение при растяжении

Усталостная прочность (количество циклов до разрушения)

Эксплуатация и хранение при Т

19 мм

8000-8500 м

2,00г/см3

760 Мпа

1,2·1012 (у стальных) 1,05·108

от -50° до +90°C

2.3.3 Физические методы, применяемые в НГДУ «ЛН» для борьбы с отложениями АСПО

В НГДУ «ЛН” магнитные депарафинизаторы типа МОЖ-22Ш были внедрены на 17 скважинах (в 1997 году - на 7 скважинах, в 1999 году - на 10 скважинах) В качестве основного метода борьбы с АСПО магнитные депарафинизаторы были использованы на трех скважинах (№108, 6551А, 12518А), на 4 скважинах - в комбинации с остеклованными НКТ и на 10 скважинах - в комбинации со штангами центраторами - депарафинизаторами.

За период с октября 1997 года, когда началось внедрение магнитных депарафинизаторов, по октябрь 1999 года на данной категории скважин было проведено 16 подземных ремонтов по причине АСПО, причем на 3 скважинах (№108, 4030, 12946) по два ремонта. На скважинах, где магнитные депарафинизаторы были использованы в качестве основного метода борьбы с АСПО без применения других методов, межочистной период составил 50-110 суток и при подземных ремонтах по причине АСПО они были извлечены. На остальных скважинах межочистной период составил от 80 до 360 суток.

Анализ применения магнитных депарафинизаторов в качестве самостоятельного метода борьбы с АСПО и в комбинации с другими методами показал неэффективностьданного метода и отказ от его применения в дальнейшем.

2.3.4 Химические методы, применяемые в НГДУ «ЛН” для борьбы с отложениями АСПО

Применение промывок различного типа

В качестве дополнительного метода борьбы с АСПО, в НГДУ «ЛН” на 77,9% осложненного фонда скважин, эксплуатируемых УШГН, используются промывки различного типа (дистиллятом, дистиллятом в комбинации с нефтью, горячей нефтью).

Динамика проведения промывок представлена в таблице 7

Таблица 7

Динамика проведения промывок

Виды промывок Годы
1997 1998 1999 10 месяцев
2000 2001

Всего промывок,

в т.ч. - дистиллят

- дистиллят + нефть

- горячая нефть

1516

316

745

455

1684

309

1174

201

1289

424

625

240

1128

374

546

208

938

275

551

112

В качестве растворителя используется нефтяной дистиллят, как собственного производства, так и получаемый в ОЭ НГДУ «Татнефтебитум”.

Более 58 % всех проведенных в 2001 году обработок составили промывки дистиллятом в комбинации с нефтью. Содержание нефти в растворе при этом составляет от 20 до 50 %. Выбор концентрации осуществляется технологическими службами нефтепромыслов с учетом скважинных условий.

Всего промывками охвачено 484 скважины с периодичностью промывок 2-3 раза в год. Объем разовой дистиллятной обработки составляет в среднем 8 м3 .

Гидравлический расчет промывки скважины нефтедистиллятной смесью

Исходные данные:

Скважина №1828А,

Н забой = 1620 м - искусственный забой,

Диаметр эксплуатационной колонны Dэкс. к =146 мм,

Диаметр НКТ dHKT = 73 мм,

Диаметр штанг dШТ. = 22 мм,

НН2Б – 44,

Плотность дистиллята ρД = 707 кг/м3 ,

Q = 8 м3 , В=0 %.

Техника для промывки:

ЦА - 320; dпоршня = 100 мм; N = 180 л/с

Производительность агрегата:

1 скорость - 1,4 л/с 2 скорость - 2,55 л/с

3 скорость - 4,8 л/с 4 скорость - 8,65 л/с

Расчет гидравлического сопротивления при движении дистиллята в кольцевом пространстве.

P1 = λ· (HHKT ·ρД )/(Dэкс.к – dHKT ) х (vн 2 /2), Πa (13 стр.193) (2.1)

где: l - коэффициент трения, l = 0,035;

ННКТ - длина колонны НКТ, м;

v н - скорость нисходящего потока жидкости, м/с;

ρД - удельный вес дистиллята, кг/м3 ;

Dэкс. к - диаметр эксплуатационной колонны, м;

dHKT - диаметр НКТ, м;

При работе на 1 скорости:

Р1 = 0,035·(1450·707)/(0,146 – 0,073) х (0,172 /2) = 0,0071·106 Па;

на 2 скорости:

Р1 = 0,035·(1450·707)/(0,146 – 0,073) х (0,372 /2) = 0,0339·106 Па;

на скорости 3:

Р1 = 0,035·(1450·707)/(0,146 – 0,073) х (0,532 /2) = 0,0696·106 Па;

на скорости 4:

Р1 = 0,035·(1450·707)/(0,146 – 0,073) х (1,032 /2) = 0,263·106 Па.

2. Гидравлическое сопротивление по уравновешиванию столбов жидкости в НКТ и колонне:

P2 = (ρн - ρД )·g ·ННКТ ,(13, стр.197) (2.2)

где: ρн - плотность нефти.

С достаточной точностью для расчетов

P2 = (820 – 707)·9,81·1450 = 1,607·106 Па

3. Гидравлическое сопротивление в трубах НКТ:

Р3 = j·lНКТ · ННКТ ·ρД ·v 2 в /[2(dВН - dШТ. )] (13, стр. 199) (2.3)

где: j - коэффициент, учитывающий потери на местных сопротивлениях при движении дистиллята в НКТ, j =1,1;

lНКТ - коэффициент трения в НКТ, lНКТ = 0,04;

dВН - внутренний диаметр НКТ, м;

dШТ. - диаметр штанг, м;

v в - скорость восходящего потока, м/с;

на 1 скорости:

Р3 = 1,1·0,04·1450·707·0,42 /[2·(0,062 – 0,022)] = 0,09·106 Па

на 2 скорости

Р3 = 1,1·0,04·1450·707·0,82 /[2·(0,062 – 0,022)] = 0,361·106 Па

на скорости 3

Р3 = 1,1·0,04·1450·707·1,62 /[2·(0,062 – 0,022)] = 1,443·106 Па

на скорости 4

Р3 = 1,1·0,04·1450·707·2,912 /[2·(0,062 – 0,022)] = 4,775·106 Па

Гидравлические сопротивления на выходе агрегата ЦА-320 при обратной промывке ничтожно малы, при расчете их не используют.

5. Давление на выкиде насоса:

Рв = Р 1 + Р 2 + Р 3 ; (13, стр.196) (2.4)

На 1 скорости:

Рв = 0,0071·106 + 1,607·106 + 0,09·106 = 1,704·106 Па;

На 2 скорости:

Рв = 0,0339·106 + 1,607·106 + 0,361·106 =2,002·106 Па;

На 3 скорости:

Рв = 0,0696·106 + 1,607·106 + 1,443·106 =3,120·106 Па;

На 4 скорости:

Рв = 0,263·106 + 1,607·106 + 4,775·106 =6,645·106 Па.

6. Рассчитываем мощность насоса:

N = Pв ·Q/η, (13, стр.197 ) (2.5)

где η - К.П.Д насоса,

η = 0,65;

на 1 скорости:

N =1,704·106 Па·1,4/0,65 = 3,67 кВт;

на 2 скорости:

N =1,704·106 Па·2,55/0,65 = 6,68 кВт;

на 3 скорости:

N =1,704·106 Па·4,8/0,65 = 12,58 кВт;

на 4 скорости:

N =1,704·106 Па·8,65/0,65 = 22,68 кВт.

7. Использование максимальной мощности:

К = (13, стр. 197) (2.6),

где максимальная мощность насоса Nmах = 130 кВт;

на 1 скорости:

К = 3,67·100/130 = 2,82%;

на 2 скорости:

К = 6,68·100/130 = 5,14%;

на 3 скорости:

К= 12,58·100/130 = 9,68%;

на 4 скорости:

К = 22,68·100/130 = 17,45%.

8. Скорость подъёма дистиллята в Н.К.Т.

v п =v в (13, стр.197) (2.7),

на 1 скорости v п = 0,4 м/с

на 2 скорости v п = 0,8 м/с

на 3 скорости v п = 1,6 м/с

на 4 скорости v п = 2,91м/с

где значения v в выбраны по таблице Х.2 стр. 192 (1).

9. Продолжительность подъёма дистиллята в НКТ с разрыхлением парафина и его выносом:

t =HHKT / vп (13, стр.197) (2.8),

на 1 скорости:

t =1450/0,4 = 3625 сек. = 60,42 мин.;

на 2 скорости:

t =1450/0,8 = 1812,5 сек. = 30,21 мин.;

на 3 скорости:

t =1450/1,6 = 902,25 сек. = 15,10 мин.;

на 4 скорости:

t =1450/2,91 = 498,28 сек. = 8,30 мин.

В НГДУ «ЛН” применяется для промывки скважин нефтедистиллятной смесью комплекты из агрегата ЦА-320 на базе КрАЗ-257 и автоцистерны на базе КамАЗ - 5220 емкостью 8 м3 .

Из гидравлического расчета промывки скважины видно, что оптимальный режим работы агрегата осуществляется на 3 скорости, т.к. при этом режиме происходит наилучшее вымывание парафина с НКТ и соблюдаются технические условия безопасности работы с горючим материалом - давление выкида насоса меньше или равно 7 МПа.

Из условий наименьших гидравлических сопротивлений промывку желательно начинать на 1 скорости, производительностью 1,4 л/с, с постепенным наращиванием расхода (т.е. переходом на 2-3 скорости)

Продолжительность промывки на 3 скорости (объём 8 м3 ) составит 15,10 минут. При окончании промывки в обратной последовательности опускаемся до 1 скорости и заканчиваем промывку.

Схема размещения оборудования при промывке скважин нефтедистилятной смесью

Применение ингибиторов различного типа

Наиболее эффективным методом борьбы с парафином является химический метод, который основан на добавке в поток жидкости при помощи агрегатов ЦА 320 М и АКПП -500, ДРС и ДРП-1, а также УДЭ и УДС, химических реагентов способных гидрофилизации стенок труб, увеличению числа центров кристаллизации парафина в потоке, повышению дисперсности частиц парафина в нефти.

Такими растворителями могут быть водо- и нефтерастворимые ПАВ.

Существует множество типов отечественных и импортных ингибиторов для предотвращения и удаления отложений парафина. Большинство реагентов способствует так же предупреждению образования или разрушению водонефтяных эмульсий. Наиболее эффективные реагенты СНПХ - 7202, 7204, 7400. На месторождениях АО «Татнефть” широко применяется ингибитор для предотвращения и удаления отложений парафина СНПХ-7215, который закачивается в затрубное пространство скважины при помощи агрегатов УЭД и УДС.

Наибольшее распространение на промыслах НГДУ “ЛН” получил ингибитор СНПХ-7212 М, который закачивается в затрубное пространство скважин при помощи устьевых дозаторов УЭД и УДС из расчета 100-200 г/т нефти.

Ингибиторы парафиноотложений можно дозировать в скважины при помощи глубинных дозаторов ДСИ-107. Скважинный дозатор ДСИ-107, разработан ТатНИПИнефти, предназначен для подачи водо-нерастворимых ингибиторов на приём штангового насоса. Дозатор может, применятся в скважинах с обводненностью продукции не менее 10 % при температуре рабочей среды от 283 до 373 К (10- 1000 С). Плотность применяемого ингибитора должна быть ниже плотности воды не менее чем на 50 кг/м3 , а кинематическая вязкость - не более 450 м2 /с. Дозатор обеспечивает непрерывную подачу химреагента в пределах от 0,1 до 40 л/сут.

Эксплуатация дозатора состоит в следующем: определяются необходимый объём химреагента, длина колонны НКТ для размещения ингибитора и диаметр втулки дозатора для установления режима его работы. На скважину завозят расчетное количество ингибитора и НКТ. Из скважины извлекается насосное оборудование.

Спускается в скважину колонна НКТ расчетной длины, нижний конец которой снабжен заглушкой и пробкой.

Определяется плотность ингибитора (денсиметром) и вязкость его (вискозиметром) при температуре среды на глубине подвески дозатора в скважине, содержание воды в продукции скважины по данным предыдущей эксплуатации скважины.

При условии соответствия параметров раствора ингибитора расчетным, химреагент заливается в колонну НКТ.

Помещается втулка в камеру и заворачивается корпус в корпус. Присоединяют дозатор к колонне НКТ, предварительно ввернув трубку в нижний конец гидролинии, и устанавливают фильтр на нижнем конце нагнетательной гидролинии. Присоединяют насос к дозатору.

Спуск штангового насоса с дозатором в скважину производится в обычном порядке на необходимую глубину.

Подъём оборудования, и извлечение его из скважины производится в порядке, обратном спуску. При этом для подъёма труб без жидкости необходимо слить их содержимое, сбив полую пробку сбрасыванием металлического лома в колонну НКТ после отсоединения от нее дозатора.

Работу дозатора в скважине следует контролировать по изменению дебита скважины, величине нагрузки на головку балансира СК, химическими анализами устьевых проб добываемой жидкости.

Длину колонны НКТ для заливки раствора ингибитора целесообразно подобрать с таким расчетом, чтобы повторная заправка химреагентом производилась при очередном текущем ремонте скважины.

В зимнее время на ряде удаленных скважин применяются обработки ингибитором парафиноотложения ТНПХ - 1А в объеме 20-30 литров на скважину с периодичностью 1 раз в месяц.

2.3.5 Тепловые методы, применяемые в НГДУ «ЛН» для борьбы с отложениями АСПО

Если интенсивность отложения парафина невелика, то при каждом подземном ремонте поднимают трубы на поверхность и удаляют из них парафин пропариванием с помощью ППУ.

Очистка скважин, оборудованных ШГН от парафина производится за счет тепловой энергии пара, закачиваемое в затрубное пространство скважин. При этом происходит расплавление парафина находящегося в НКТ и вынос его из скважины. Настоящая технология предусматривает соблюдение следующих требований:

- периодичность очистки и количество ППУ корректируется старшим технологом промысла;

- очистка скважины от парафина при работающем СГН, при остановленном из-за отложений парафина;

- закачка пара в затрубное пространство производится после предварительного прогрева манифольда до температуры 100-150 0 С;

- при очистке от парафина заклиненных скважин полированный шток устанавливается в верхнее положение, а головка балансира в нижнее положение. После того, как шток уйдет вниз, начинается попытки расхаживания штанговой колонны.

В настоящее время в НГДУ “ЛН” стремятся отказаться от тепловых методов борьбы с АСПО из-за высокой энергоемкости.

Экспериментальные исследования и расчеты распределения температуры по стволу скважины при проведении горячей промывки при помощи АДП показывают, что при глубине спуска насоса, равной 1200 метров, температура, необходимая для расплавления парафина (30-400 С) достигает глубины 400-450 метров. Особенно затруднена промывка через насосы малого диаметра (28-32 мм) из-за малого проходного сечения в клапанных узлах.

Для снижения затрат и повышения эффективности горячих промывок насосного оборудования в компоновку колонны НКТ на глубине около 500 метров включают обратный клапан.

В существующих условиях передвижные парогенераторные установки применяются редко и только в тех случаях, где использование других методов невозможно по технологическим причинам.

Расчет потерь теплоты по стволу скважины при паротепловой обработке

Исходные данные: диаметр НКТ d = 0,062 м; суммарный коэффициент теплопередачи К = 666,2 кДж/м2 Кч; средний коэффициент теплопроводности горных пород λ = 1,02 кДж/мКч; время прогрева t = 3 час.; потеря теплоты в породе в функции времени за время прогрева f(τ ) = 3,78; температура рабочего агента (пара) на устье скважины То = 468 К; среднегодовая температура воздуха J0 = 275 К; глубина интервала закачки рабочего агента Н = 1300 м; геотермический градиент s = 0,0154 К/м;

Определим потери теплоты по стволу скважины

Q = 2πrKλ/[λ+rKf(τ )]·[(To -J0 )H - σH2 /2] (13, стр.189) ( 2.9 )

Q = 2·3,14·0,031· 666,2·1,02/(1,02+0,031·666,2·3,78)·[(468 – 275)·1300 – (0,0154·13002 )/2] = 400000 кДж/ч. = 400 МДж/ч;

Суммарные потери теплоты за время прогрева:

Qc = Q·t; (13, стр.190) (2.10)

Qc = 400·3 = 1200 МДж = 1,2 ГДж;

Общее количество теплоты подведенное к скважине:

Q' = i·G(13, стр.190) (2.11)

Где i- энтальпия пара при температуре 468 К и давлении 1,2 Мпа,

i = 2820 кДж/кГ; G- массовый расход закачиваемого пара, G = 4200 кГ;

Q' = 2820·4200 = 11844000 кДж = 11,844 ГДж;

Определяем количество теплоты дошедшей до забоя;

Q'' = Q' – Qc; (13 стр. 190) (2.12)

Q'' = 11,844 – 1,2 =10,644 ГДж;

Потери теплоты составляют:

η = Qc·100%/Q' (13 стр. 190) (2.13)

η = 1,2·100%/11,844 = 10,13 %.

В настоящее время в НГДУ “ЛН” стремятся отказаться от тепловых методов борьбы с АСПО из-за высокой энергоемкости.


3. МЕХАНИЧЕСКАЯ ЧАСТЬ

3.1 Глубиннонасосное оборудование

Рассмотрим основные виды используемого оборудования в ЦДН и Г № 1 НГДУ «ЛН” по механизированному фонду скважин.

Штанговые насосы

Таблица 8

Скважинные насосы, применяемые в ЦДН иГ № 1 НГДУ «ЛН”

Невставные

НСН2-28

НСН2-32

НСН2-44

НСН2-57

НСН2-70

20-125-ТNМ-11-4

20-175-ТNМ-11-4

20-225-ТNМ-11-4

20-275-ТNМ-11-4

в % к фонду

0,26

6,7

60,6

9,3

1,3

3,1

13,3

4,5

0,94

Вставные

НСВ2-29

НСВ2-32

НСВ2-38

НСВ2-44

НСВ2-56

20-125RNAM -12

20-175RNAM -12

20-175RNбM -12

в % к фонду

1,7

54,6

0,18

5,09

0,18

5,09

0,18

34,2

Скважинные штанговые насосы (СШН) представляют собой вертикальную конструкцию одинарного действия с шариковыми клапанами, неподвижным цилиндром и металлическим плунжером. Предназначены для откачки жидкости из нефтяных скважин, имеющих следующие показатели: температуру не более 403 К (103 0 С), обводненность не более 99 % по объёму, вязкость не более 0,3 Па·с, минерализацию воды до 10 г/л, объёмное содержание свободного газа при приеме насоса не более 25 %, сероводорода не более 50 мг/л.

По способу крепления к колонне НКТ различают вставные (НСВ) и невставные (НСН) скважинные насосы.

Вставной насос в обратном виде спускается внутрь НКТ на штангах. Крепление (посадка и уплотнение) НСВ происходит на замковой опоре, которая предварительно спускается на НКТ. Насос извлекается из скважины при подъёме только колонны штанг. Поэтому НСВ целесообразно применять при больших глубинах спуска.

Большое распространение в эксплуатационном фонде получили насосы НСВ2 с различными значениями дебита добываемой продукции 29, 32, 38, 44, 56 м3 /сут. Насос НСВ1 включает в себя цилиндр, плунжер, замок, нагнетательный, всасывающий и противопесочный клапан. В отличие от НСВ1 насос НСВ2 имеет замок в нижней части цилиндра. Насос сажается на замковую опору нижним концом. Максимальная глубина спуска насосов НСВ2 составляет 2500-3000 метров. В насосе НСН2 в отличие от НСН1 нагнетательный клапан установлен на нижнем конце плунжера. Для извлечения всасывающего клапана без подъёма НКТ используется ловитель (байнетный замок), который крепится к седлу нагнетательного клапана.

Штанги

Штанги предназначены для передачи возвратно- поступательных движений плунжеру насоса. Штанга представляет собой стержень круглого сечения с утолщенными головками на концах. Выпускаются штанги из легированной стали диаметром (по телу) 19,22,25 мм и длинной 8 метров. В ЦДН и Г №1 большое распространение получили штанги диаметром 19 и 22 мм (61 %), а также их комбинирование в двухступенчатые композиции.

Насосно-компрессорные трубы

Насосно-компрессорные трубы, применяемые для эксплуатации штанговыми насосами, изготавливаются в соответствии с ГОСТ 633-80. Они подразделяются на следующие виды:

- трубы гладкие

- остеклованные трубы

- трубы с оцинкованным покрытием

- трубы с полимерным покрытием

Для эксплуатации скважин штанговыми насосами применяются следующие виды труб: из них 211 - 4 %; остеклованные - 2,511 - 96 %; 2,511 - 78 %

Трубы всех типов исполнения, имеют длины:

1 группа - от 5,5 до 8,5 м

2 группа - свыше 8,5 до 10 м.

3.2 Техника и оборудование применяемое для депарафинизации скважин в условиях НГДУ «ЛН»

Для депарафинизации скважин в НГДУ “ ЛН” применяют различное оборудование. Краткое их описание и технические характеристики приведены ниже.

Наиболее часто применяют для депарафинизации скважин метод промывки. При промывке микробиологическим раствором, нефтедистиллятной смесью, дистиллятом используются автоцистерны и промывочные агрегаты.

Доставка промывочного раствора на скважину осуществляется в автоцистернах ЦР-7АП, АЦН-7,5-5334, АЦН-11-257, АЦ-15-5320/8350, АЦ-16П.

Таблица 9

Техническая характеристика автоцистерн

Автоцистерна

Транспортная база

Грузоподъемность, т

Наибольшая скорость передвижения с полной нагрузкой, км/ч

Тяговый двигатель-четырёхконтактовый дизель

Номинальная мощность

(при п=2100 мин-1 ), кВт

Вместительность цистерны

Центробежный насос

Подача (дм3 /с) при напоре, м 70

48

Время заполнения жидкостью, мин

Наиб. мощн, потреб. насосом, кВт

Условн. диам. линии, мм

всасывающей

напорной

Всасывающее устройство

Высота всасывания, м

Рабочий агент

Размеры, мм

длина

ширина

высота

Масса, кг

полная

комплекта

АЦН-11-257

КрАЗ-257Б1А

12

68

ЯМЗ-238

176,5

11

9

9600

2500

2860

22600

11040

АЦН-7,5-5334

МАЗ-5334

7,2

85

ЯМЗ-236

132

7,5

12,5

21

6

15

100

50

Эжектор

5

6950

2500

2870

15325

7450

ЦР-7АП

КрАЗ-255

7,5

71

ЯМЗ-238

176,5

7,5

8590

2500

3070

19035

10980

Для промывки скважин применяются самоходные насосные агрегаты: цементировочный агрегат ЦА-320М, насосные установки УН1-100х200,

УН1Т-100х200. Все агрегаты имеют трубки высокого давления с цилиндрической резьбой для быстрой сборки и разборки нагнетательной линии.

Таблица 10

Техническая характеристика ЦА-320 М

Монтажная база

Силовая установка:

марка

тип двигателя

Наиб.мощн. при частоте вращ. вала дв-ля 2800мин-1, л.с.

Насос марки

Наибольшая подача насоса, л/с.

Наибольшее давление, МПа

Водопадающий насос

Наибольшая подача, л/с.

Наибольшее давление, МПа

Объём мерной ёмкости, м3

Диам.проходн. сечения коллектора, мм

приёмного

нагнетательного

Вспомогательный трубопровод

число труб

общая длина, м

Масса агрегата, кг

без заправки

заправленного

Габаритные размеры, мм

КрАЗ-257

5УС-70

ГАЗ-51

70

23

32

13

1,5

6,4

100

50

6

22

16970

17500

10425х2650х3225

3.3 Техника и оборудование при паротепловой обработке

При паротепловой обработке используются специальная техника и оборудование, парогенераторные установки: отечественная ППГУ-4/120М с максимальной производительностью пара 4 т/ч и рабочим давлением 12 МПа, заграничные “Такума” и КSК.

Парогенераторная установка предназначена для выработки пара. Котлоагрегаты установок могут работать на природном газе или жидком топливе. Для предупреждения образования накипи на поверхности нагрева сырую воду перед подачей в котел осветляют и обессоливают в специальных фильтрах.

Таблица 11

Техническая характеристика парогенераторной установки ППГУ- 4/120М

Теплопроизводительность по отпускаемому пару, кВт/ч

Давление на выходе из парогенератора, мПа

максимальное

рабочее

Давление пара на выходе из установки. МПа

Степень сухости пара, %

Расход пара на скважину, кг/с

Установленная электрическая мощность, кВт

Вместимость осн. топливного бака, л

Вместимость бака воды. л

Метод деаэрации

Масса установки, кг

Масса блока парогенератора, кг

Габариты, мм

парогенератора

водоподготовки

2,32

13,2

6-12

0-12

80

0,55-1,11

75

1000

5000

термический

39700

29500

12080х3850х3200

6250х3850х3200

Установка ППУА-1200/100

Предназначена для депарафинизации скважин, промысловых и магистральных нефтепроводов, замороженных участков наземных коммуникаций в условиях умеренного климата. Можно использовать так же при монтаже и демонтаже буровых установок и при прочих работах для отогрева оборудования.

Включает в себя парогенератор, водяную, топливную и воздушную системы, привод с трансмиссией, кузов, электрооборудование и вспомогательные узлы. Оборудование установки смонтировано на раме, закрепленной на шасси автомобиля высокой проходимости КрАЗ-255Б или КрАЗ-257, и накрыто металлической кабиной для предохранения от атмосферных осадков и пыли.

Привод основного оборудования осуществляется от тягового двигателя автомобиля, управление работой установки - из кабины водителя.

Таблица 12

Техническая характеристика ППУА- 1200/100

Монтажная база

Максимальная температура 0 С

Максимальное давление пара, МПа

Применяемое топливо

Максимальный расход топлива, кг/ч

Ресурс работы установки (по запасу воды на максимальной производительности) ч

Масса (с заправочными емкостями), кг

Шасси авт. КрАЗ 255Б или КрАЗ 257

310

10

Дизельное

83,2

3,5

19200 или 18380

Агрегаты АДПМ

Предназначены для депарафинизации скважин горячей нефтью. Агрегат, смонтирован на шасси автомобиля КрАЗ 255Б1А, включает в себя нагреватель нефти, нагнетательный насос, системы топливо и воздухоподачи к нагревателю, систему автоматики и КИП, технологические и вспомогательные трубопроводы.

Привод механизмов агрегата - от двигателя автомобиля, где размещены основные контрольно- измерительные приборы и элементы управления.

Таблица 13

Техническая характеристика агрегатов АДПМ-12/150 и 2АДПМ-12/150

Подачи по нефти м3

Максимальная температура нагрева

нефти 0 С

безводной

Рабочее давление пара на выходе. МПа

Теплопроизводительность агрегата гДж

АДПМ-12/150

12

150

122

13

3,22

2АДПМ-12/150

12

150

122

13

3,22

Нефть, подвозимая в автоцистернах, закачивается насосом агрегата и прокачивается под давлением через нагреватель нефти, в котором она нагревается до необходимой температуры. Горячая нефть подается в скважину, где расплавляет отложения парафина и выносит их в промысловую систему сбора нефти

3.4 Подбор основного глубинно-насосного оборудования по скважине

Исходные данные:

Lп = 1200 м Ру = 1,6 МПа

Рпл = 16,8 МПа Gо = 8,4 м3 / т

Рзаб = 13,5 МПа ρв = 1170 кг/ м3 ρн = 875 кг/ м3

в = 1,027

Д = 146 мм Насос – 225-ТНМ

К = 20,6 т/ сут·МПа Станок-качалка – СКД-6-2,5-2800

п = % Число качаний n = 5

dнкт = 73 мм = 2,5 Длина хода L = 2,5 м

Q = 19,0 м3 / сут.

Определяем планируемый отбор жидкости по уравнению притока при

п = 1:

Q = К·(Рпл – Рзаб )п , т/ сут, (5, стр. 130) (3.1)

где: К – коэффициент продуктивности, т/сут;

Рпл – пластовое давление, МПа;

Рзаб – забойное давление, МПа;

п. – показатель фильтрации при линейной зависимости Q = Р; п =1.

Q = 20,6·(16,8 – 13,5) = 68 т/ сут.

глубина спуска насоса Lп = 1200 м.

Плотность смеси при пв = 53%:

рсм = , кг/ м3 (5, стр. 130)(3.2)

где: ρн – плотность нефти кг/ м3 ,

ρг – плотность газа, кг/ м3

ρв – плотность воды, кг/ м3

nв – содержание воды в продукции скважины, %

в – объемный коэффициент смеси.

ρсм = =1018 кг/ м3

Необходимая теоретическая производительность установки при коэффициенте подачи η = 0,6 – 0,8:

Qоб =, м3 / сут, (13, стр.195) (3.3)

где Qоб – планируемый отбор, т/ сут.

Qоб = == 45 м3 / сут.

4. По диаграмме области применения СКД6 и СКД8 определяем тип СК.

Lп = 900 м, Qоб = 45 м3 /сут, dнасоса = 57 мм. По глубине спуска насоса и дебиту выбираем тип станка-качалки и диаметр насоса: СКД6-2,5-2800 – станок-качалка нормального ряда дезаксиальный, максимальная длина хода устьевого штока – 25 дм, номинальный крутящий момент на валу редуктора – 28 кН·м. Максимальное число качаний п = 14 в минуту.

5. Выбираем тип насоса:

НСН-1 – до 1200 м,

НСН-2 – от 1200 до 1500 м,

НСВ-1 – от 1500 до 2500 м,

НСВ-2 – свыше 2500 м.

Выбираем НСН-1, который спускается на глубину до 1200 м, поскольку Lп = 900 м.

6. Выбираем насосно-компрессорные трубы по диаметру насоса dн = 57 мм, выбираем dнкт = 73 мм.

7. По рекомендациям таблиц выбираем конструкцию штанг исходя из данных:

dн = 57 мм, Lп = 900 м. Конструкция колонны штанг одноступенчатая: диаметр штанг dш = 19 мм. Максимальная глубина спуска насоса при данной конструкции колонны Lп = 920 м, штанги изготовлены из стали 20НМ, нормализованной при [σпр ] = 90 МПа.

8. Число качаний балансира станка-качалки:

n = , кач/мин, (13. стр. 195) (3.4)

где Q – заданная фактическая производительность установки, т/ сут;

Fпл – площадь поперечного сечения плунжера;

S – длина хода полированного штока, м;

η = 0,8 – КПД станка-качалки;

1440 – число минут в сутках, 24·60 = 1440 мин;

ρсм – плотность смеси.

n = == 4,855 » 5 кач/ мин.

9. Площадь поперечного сечения плунжера:

Fпл = , м2 , (13. стр. 111) (3.5)

где dп – диаметр насоса, dп = 57 мм.

Fпл = = 0,00255 м2

10. Определяем необходимую мощность и выбираем тип электродвигателя для привода СК:

N = ,(13, стр. 133)(3.6)

где ηн = 0,9 – КПД насоса;

ηск = 0,82 – КПД станка-качалки;

η = 0,7 – коэффициент подачи насосной установки;

К = 1,2 – коэффициент степени уравновешенности станка-качалки;

Н – динамический уровень;

ρсм – плотность смеси, кг/ м3 ;

n – число качаний в минуту;

Sшт – длина хода полированного штока, м;

Dпл – диаметр плунжера насоса

N ==33,88 кВт

11. По полученной мощности двигателя N = 33,88 кВт подбираем тип двигателя по справочнику АОП2 – 82 – 6. Параметры двигателя: номинальная мощность

Рн = 40 кВт; частота вращения вала 980 об/ мин; КПД – 91,5 %; cosj = 0,89;

Мпуск / Мном = 1,8; Ммакс / Мn = 2,2; Iпуск / In = 7,5. (13, стр.255)

3.5 Определение экстремальных нагрузок, действующих на головку балансира

1. Вычисляем критерий Коши:

j = , (13, стр.117) (3.7)

где n – число качаний балансира в минуту;

L – глубина спуска насоса, м;

а – скорость звука в колонне штанг, м/с – для одноступенчатой колонны, а = 4600 м/с;

j = == 0,102

2. Максимальная нагрузка, действующая на головку балансира:

Ртах = Рж + Рш *, (13, стр. 117) (3.8)

где Рж – вес столба жидкости над плунжером;

Ршт – вес колонны штанг;

в – коэффициент потери веса штанг в жидкости;

S – длина хода полированного штока, м;

n – число качаний балансира в минуту;

- коэффициент, учитывающий вибрацию штанг;

3. Коэффициент потери веса штанг в жидкости:

в = , (13, стр. 115) (3.9)

где ρшт = 7850 кг/ м3 – плотность штанг;

ρж = 875 кг/м3 – плотность нефти;

в = = 0,89

4. Коэффициент, учитывающий вибрацию штанг:

j = = 5,850 (5, стр. 193) (3.10)

tgj = 5,850 = 0,1025;

5. Вес колонны штанг в жидкости:

Ршт = qср *L(13, стр.115 ) (3.11)

q ср = q*g, (13, стр. 115) (3.12)

где q = 2,35 кг – масса 1 м штанг d = 19 мм;

g = ускорение свободного падения;

qср = 2,35*9,81 = 23,05

Ршт = 23,05*900 = 20745 Н

6. Вес жидкости в трубах:

Рж = Fпл *L*ρсм * g, (13, стр. 115) (3.13)

где Fпл – площадь сечения плунжера;

Рж = *900*1018*9,81 = 22923,4 Н

Ртах = = 42114 Н » 42кН

7. Минимальная нагрузка на головку балансира:

Рт i п = Ршт * (5, стр.193) (3.14)

Рmin = 20745*= 17923.6 Н » 17 кН

Определяем максимальное напряжение цикла:

sтах = , МПа, (13, стр. 123) (3.15)

где fшт – плошадь поперечного сечения штанг dшт = 19 мм

ѓшт = , м2 ,

ѓшт = = 2,8*10-4 м2

sтах = = 150,4 МПа

Минимальное напряжение цикла:

sт in = МПа; (13, стр. 123) (3.16)

sт in = = 64 МПа

10. Амплитудное напряжение цикла:

sа = МПа, (13, стр. 123) (3.17)

sа = = 43,2 МПа

11. Среднее напряжение цикла:

sср = , МПа (13, стр.122) (3.18)

sср = = 107,2 МПа

12. Приведенное напряжение цикла:

s пр = , МПа (13, стр. 123) (3.19)

s пр = = 80,6 МПа

Полученное значение приведенного напряжения удовлетворяет требованиям используемой колонны штанг диаметром d = 19 мм с приведенным напряжением s пр = 90 МПа, из условия s пр £ [ s пр ] .

3.6 Расчет на прочность стеклопластиковых штанг

С целью определения нагрузок, возникающих в точке подвеса штанг, произведём расчет на прочность комбинированной колонны из стальных и стеклопластиковых штанг. Расчет будем вести согласно “Методики расчета колонны штанг из композиционного материала для ШСНУ”, разработанной ВНИИнефтемаш 24.07.1994.

Исходные данные для расчета:

Номер скважины № 1696

Глубина подвески насоса Ннас = 1200м

Длина хода сальникового штока S = 0,9 м

Число качаний балансира п = 5мин-1

Средняя масса 1м колонны СПНШ тспнш = 1,05 кг

Средняя масса 1м колонны стальных штанг тст = 2,35 кг

Диаметр плунжера Дпл = 32 мм

Диаметр штанг dшт = 19 мм

Внутренний диаметр НКТ Двн = 62 мм

Плотность жидкости rж = 1090 кг/м3

1. Для вычисления максимальной нагрузки в точке подвеса штанг Ртах воспользуемся формулой Слоннеджера

Ртах =(Ршт + Рж )*(1 + S *п/137), Н (5, стр. 193) (3.20)

где: Ршт - вес колонны штанг, Н

Рж - вес столба жидкости, Н

S- длина хода сальникового штока, м

п - число ходов, мин-1

2. Вычислим вес колонны штанг Ршт

Рштнас * g*(тспнш * ? + ? *тст )= 1200 * 9,81 * (1,05*0,5 + 0,5 * 2,35) = 20012,4 Н

3. Найдем вес столба жидкости Рж

Рж =Fплнас *rж *g (13, стр.121) (3.21)

где : Fпл = p/4*Дпл 2 =p/4*(32*10-3 ) 2 =8,01*10-4 м2

Рж =8,01*10-4 *1200*1090 *9,81=10314,5 Н

Вычислим Ртах ;

Ртах =(20012,4 + 10314,5)*(1 + 0,9 *5/137)=31323 Н

4. Минимальное усилие в точке подвеса штанг при ходе вниз

Рт1пшт 1 (1 -S *п/137), Н (5, стр. 193) (3.22)

где: Ршт 1 - вес колонны штанг в жидкости

Ршт 1нас *g* (?*g1 спнш + ? *g1 ст ) (13, стр.127) (3.23)

здесь: g1 спнш - вес 1м СПНШ в жидкости

g1 ст - вес 1м стальных штанг в жидкости

Ршт 1 =1200*9,81*(?*0,71+ ? *2,09)=16480,8 Н

Рт1п =16480,8*(1 -0,9*5/137)=15939,5 Н

5. Для определения напряжений, действующих в точке подвеса штанг, воспользуемся следующими формулами:

fшт =p/4*dшт 2 = 0,785*(19*10-3 )2 = 2,84*10-4 м2 (5, стр. 195) (3.24)

sтах = Ртах / fшт = 31323/2,44*10-4 =110,3 мПа (5, стр. 195) (3.25)

sт1п = Рт1п / fшт = 15939,5/2,84*10-4 =56,1 мПа (5, стр. 195) 3.26)

sа =(sтах -sт1п )/2= (110,3-56,1)/2=27,1 мПа (5, стр. 195) (3.27)

sпр = = = 54,7 Мпа (5, стр. 195) (3.28)

Как видно из вычислений, приведенное напряжение, действующее в точке подвеса штанг равно 54,7 МПа.

Так как по предельно допустимым приведенным напряжениям для стеклопластика у нас нет значений, то воспользуемся минимальным значением предельно допускаемых приведенных напряжений для стали марки 40. В пользу стеклопластиковых штанг говорит также, что разрушающее напряжение при растяжении у них больше, чем у стальных: 760 МПа у стеклопластика и 610 МПа у стали.

[sпр ]=70мПа- приведенное напряжение для стали

Полученное sпр =54,7 мПа свидетельствует о возможности использовать в качестве материала для штанг стеклопластик.

Для приведения эксперимента было подобранно 9 скважин. Для определения эффективности использования стеклопластиковых штанг скважины были оборудованы счетчиками активной и реактивной электрической мощности.

Ниже в таблице № 14 приведены результаты расчетов.

Таблица № 14

Результаты анализа работы СПНШ

Нагрузка на головку балансира кН 1696 9288А 15470 12428а 26769 26504 16942 24356 26480

Стеклопластик

Стек+сталь

Сталь

Потр. мощн с учетом веса штанг, кВт

Стеклопластик

Стек+сталь

Сталь

Умень. веса %

Умень. потребляемой мощности

21,4

31,3

38,5

18,3

23,2

33

20,5

28,1

35,9

17,1

20,6

24,2

22

19

10,6

12,7

18,5

2,9

3,3

4,5

31

26

21,6

29,2

37,8

18,2

22,4

32,9

22,7

31,4

17,5

24,1

30,6

12,6

17,6

24,6

21

28

12,6

17,1

27,9

5,6

7

10,5

38

32

17,1

22,1

29,9

10,3

11,8

14,3

26,1

17,5

22,5

33,3

39,4

18,5

24,6

33,1

15,4

27

11,9

15,7

26,5

3,9

4.8

7,3

40

34

Сравнивая результаты можно сделать вывод, что нагрузка на головку балансира станка-качалки уменьшилась в среднем на 20-25 % при условии комплектации колонны штанг из стеклопластика и стали.

4. СПЕЦИАЛЬНАЯ ЧАСТЬ

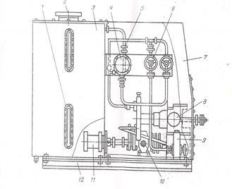
4.1 Выбор оборудования для подачи реагента (ингибитора)

Существуют два основных способа подачи реагента в обрабатываемую систему: непрерывное (периодическое) дозирование и разовая обработка.

Наиболее эффективным способом является непрерывное дозирование, обеспечивающее постоянный контакт реагента с обрабатываемой системой и частично предупреждающее образование АСПО. Однако этот способ требует обвязки специального оборудования на устье каждой скважины (насос – дозатор, емкость для реагента, поршневой насос для смешения, манифольд и др.).

Реагент в затрубное пространство постоянно подается устьевыми дозаторами УДЭ и УДC конструкции НПО Союзнефтепромхим и СКТБ ВПО Союзнефтемашремонт.

УДЭ и УДC можно применять также для борьбы с солеотложением, коррозией оборудования нефтяных скважин и внутрискважинной деэмульсации нефти.

Электронасосная дозировочная установка УДЭ в зависимости от дозировочного насоса имеет четыре типоразмера: УДЭ 0,4/6,3; УДЭ 1/6,3; УДЭ 1,6/6,3; УДЭ 1,9/6,3. Установки комплектуются специальными дозировочными насосами: НД 0,4/6,3 К14В; НД 1/6,3 К14В; НД 1,6/6,3 К14В; НД 1,9/6,3 К14В. Они обеспечивают максимальные подачи реагента 0,4; 1; 1,6 и 1,9 л/ч при максимальном давлении нагнетания 6,3 МПа. Потребляемая мощность насоса 0,5 кВт, масса 32 кг.

Установка имеет бак на 450 л; габаритные размеры установки 1230х690х1530 мм, масса 220 кг, рабочая температура 223 – 318 К.

Принцип работы УДЭ заключается в следующем. Реагент из бака 5 через фильтр 6 по всасывающему трубопроводу 11 поступает в плунжерный насос – дозатор 13 и по нагнетательному трубопроводу 14 подается в затрубное пространство скважины. Подача регулируется изменением длины хода плунжера.

Наибольшее число установок эксплуатируется в ПО «Татнефть». Дозировочные установки изготавливаются Лениногорским заводом «Нефтеавтоматика», а дозировочные насосы – Свесским насосным заводом.

Рис. 4 Дозировочная установка УДЭ. 1- дозировочный блок, 2 – электроконтактный манометр, 3- указатель уровня, 4- заливная горловина, 5 – бак, 6 – фильтр, 7 – рама, 8 – сливной вентиль, 9, 10, 15 – вентили, 11 - всасывающий трубопровод, 12 – обратный клапан, 13 – электронасосный агрегат, 14 – нагнетательный трубопровод, 16 – кожух.

Комплектная дозировочная установка УДС с приводом от станка- качалки располагается на СК. Её нагнетательный трубопровод присоединяется к затрубному пространству скважины, а рычаг дозировочного насоса посредством гибкой тяги к балансиру СК. Подача устанавливается регулятором длины хода плунжера насоса и изменением мест крепления тяги к рычагу насоса и к балансиру СК. Подача дозировочного насоса составляет 0,04-0.63 л/с; давление нагнетания 6,3 МПа; вместимость бака 250 л, габаритные размеры 1500 х 730 х 735 мм, масса 145 кг.

По сравнению с другими дозировочными установками УДС-1 обеспечивает большую точность регулирования подачи, имеет более простую конструкцию, она безопасна (снабжена предохранительным устройством и не питается электрическим током) и удобна в эксплуатации.

Рис. 5 Дозировочная установка УДС. 1 – указатель уровня, 2 – горловина, 3 – бак, 4 – манометр, 5 – предохранительный клапан, 6 – вентиль, 7 – кожух, 8 – насос дозировочный, 9 – обратный клапан, 10 –трехходовой клапан, 11 – фильтр, 2 – рама.

Периодическое дозирование может осуществляться при использовании перечисленного выше оборудования или с помощью специального устройства для ввода реагента под давлением, первый случай имеет те же недостатки что и непрерывное дозирование. Во втором случае затрубное пространство перекрывают задвижкой 3, открывают вентиль 6 для сброса газа из емкости 4, снимают заглушку 5, закрывают вентиль 6, заливают реагент в емкость 4, закрепляют заглушку и открывают задвижку 3; регент поступает в затрубное пространство.


Рис. 6 Принципиальная схема устройства ввода реагента в затрубное пространство по давлением: 1 – устьевая арматура, 2 – выкидная задвижка,

– задвижка затрубного пространства, 4 – резервуар для реагента, 5 – заглушка, 6 – вентиль.

При этом способе подачи реагента обслуживание упрощается, но снижается эффективность действия реагента.

4.2 Конструктивный расчет элементов устройства для ввода реагента в затрубное пространство под давлением

4.2.1 Расчет корпуса резервуара для реагента

Определим габаритные размеры корпуса резервуара:

При внутреннем диаметре корпуса резервуара D = 300 мм = 0,3 м,

и расходе реагента Q = 50 л = 0,05 м3 ,

высота резервуара будет равна Н = Q/(pD2 /4) = 0,05/(3,14×0,32 /4) = 0,71 м, принимаем Н = 0,75 м.

Корпус резервуара работает в условиях статических нагрузок под внутренним избыточным давлением. Расчет на прочность и устойчивость проводится по ГОСТ14249-89.

Толщину стенок определяем по формулам:

SR = P×D/{2×[s]×j-P}; S ³ SR +C (12, стр. 8) (4.1)

Допускаемое внутреннее избыточное давление:

[R]=2×[s]×j×(S-C)/[D+(S-C)]; (12, стр. 8) (4.2)

где Р – давление в корпусе резервуара, Р = 6,3 МПа; SR - расчетное значение толщины стенки, мм; D – внутренний диаметр резервуара, D =300 мм; [s] - допускаемое напряжение (зависит от марки стали и рабочей температуры),

[s] = 230 МПа. Марку стали выбираем в зависимости от свойств перерабатываемой среды и коррозионной стойкости материала корпуса, используем сталь марки 35 ХМ, допускаемые напряжения для выбранной стали при рабочей температуре t = 20 °C[s] = 230 МПа (таблица 3.1, стр. 48. ГОСТ 14249-89).

Для стыковых и тавровых двусторонних швов, выполняемых автоматической сваркой, коэффициент прочности сварочного шва j=1.

Прибавка на коррозию С определяется по формуле:

С = V×T, (12, стр. 8) (4.3)

где V – скорость коррозии (обычно принимают 0,1…0,2 мм /год), принимаем

V = 0,2 мм/год; Т – срок службы корпуса, принимаем Т = 12 лет.

С = 0,2×12 = 2,4 мм

SR = 6,3×300/{2×230×1-6,3}= 4,2 мм ;

S³ 4,2 +2,4 = 6,6 мм, принимаем S = 8 мм.

Полученное значение толщины стенки проверим на прочность по величине допускаемого внутреннего избыточного давления:

[R]=2×230×1×(8-2,4)/[300+(8-2,4)] = 8,43 МПа.

6,3 МПа £ 8,43 МПА, Р£[R], давление в корпусе резервуара при принятой толщине стенок не превышает допускаемое внутреннее избыточное давление, т. е. прочность стенок корпуса резервуара обеспечена..

4.2.2 Расчет толщины стенки крышки резервуара

Толщину стенки элептической крышки нагруженной внутренним давлением определяем по формуле:

SR = P×D/{2×[s]×j-0,5×P}; S ³ SR +C (12, стр.10) (4.4)

SR = 6,3×300/{2×230×1-0,5×6,3} = 4,14 мм

S³ 4,14+2,4 = 6,54 мм, принимаем S = 8 мм.

Полученное значение толщины стенки проверим на прочность по величине допускаемого внутреннего избыточного давления по формуле:

[R]=2×[s]×(S-C)/[D+(S-C)]; (12, стр. 10) (4.5)

[R]=2×230×(8-2,4)/[300+(8-2,4)] =8,43 МПа ;

6,3 МПа £ 8,43 МПА, Р£[R], давление на крышку резервуара при принятой толщине стенок крышки не превышает допускаемое внутреннее избыточное давление, т. е. прочность стенок крышки резервуара обеспечена.

4.2.3 Расчет толщины стенки конического днища

Толщину стенки конического днища с углом при вершине a£140°, нагруженного внутренним давлением рассчитываем по формулам:

Определяем толщину стенки цилиндрической части днища:

SR 1 = P×D×g/{4×[s]×j};(12, стр.10) (4.6)

Где g- коэффициент формы днища, при a1 £60° и отношении Ra /D =0,1 (внутреннего радиуса отбортовки к диаметру днища) g =3,2 , таблица 4.4 стр.49 ГОСТ14249-89.

SR 1 = 6,3×300×3,2/{4×230×1}= 6,6 мм;

Определяем толщину стенки конической части днища:

SR 2 = P×DР /(2×[s]×j-Р)×1/cosa1 ;(12, стр.10) (4,7)

ГдеDР = D-2[Ra (1-cosa1 )+(ÖD×SR 1 / cosa1 )×sina1 ] (12, стр.10) (4.8)

DР = 300-2[30(1-0,5)+(Ö300×6,6 / 0,5)×0,8666] = 215,5 мм

SR 2 = 6,3×215,5/(2×230×1-6,3)×1/0,5 = 6 мм;

Из двух значений полученных по формулам (4,6), (4,7), выбираем наибольшее SR = 6,6 мм.

Определяем исполнительную толщину стенки

S = Smax +C = 6,6 +2,4 = 9 мм.

4.2.4 Расчет фланцевых соединений

Фланцевые соединения устанавливаем в местах крепления трубной арматуры с резервуаром для реагента. Соединение состоит из двух фланцев, болтов, гаек, шайб и прокладки, которую размещают между уплотнительными поверхностями. Фланцевые соединения стандартизованы для труб и трубной арматуры. Размеры фланцевого соединения подбираем в зависимости от диаметра трубы. При dn = 80 мм, принимаем болты М20, тогда наружный диаметр фланца будет соответственно равен Dn = dn +4,8×(dб +2) = 80+4,8(20+2) = 186 мм.

Для уплотнения во фланцах, учитывая агрессивность среды реагента и рабочую температуру, применяем прокладку из паронита, толщиной 2 мм, (материал прокладки: паронит по ГОСТ 481-71). Размеры прокладки выбираются в соответствии с размерами фланца. Фланцы и прокладки подобранные по стандартам в расчете не нуждаются.

При конструировании фланцевого соединения выполняется проверочный расчет болтов в соответствии с ОСТ26-373-82.

1. Определим нагрузку, действующую на фланцевое соединение от внутреннего давления Рп = 6,3 МПа:

QD = 0,785×Dcp 2 ×Pп = 0,785×133×6,3 = 657,8 Н, (12, стр.13) (4.9)

Dcp = 0,5(Dn + dn ) = 0,5(186+80) = 133 мм средний диаметр прокладки.

2. Рассчитываем реакцию прокладки:

Rn = 2×p×Dcp ×bo ×m×Pn (12, стр. 13) (4.10)

где bo – эффективная ширина прокладки, bo = 0,6×Öbп = 0,6×Ö53 = 4,4 мм при ширине прокладки bп = 0,5(Dn - dn ) = 0,5(186-80) = 53 мм > 15 мм, m = 2,5 для прокладки из паронита

Rn = 2×3,14× 133×4,4×2,5×6,3 =57882 Н

Определяем болтовую нагрузку при сборке Рб1 . Это значение выбираем наибольшим из трех:

Рб1 = p×Dcp ×bo ×q(12, стр. 13) (4.11)

где q = 20 МПа для прокладки из паронита

Рб1 = 3,14×133×4,4×20 =36750 Н

Рб1 = 0,4[sб ]20 ×nб ×fб (12, стр. 13) (4.12)

где [sб ]20 = 130 Мпа, допускаемое напряжение для материала болта при 20 °С; nб = 4, количество болтов;

fб = p×dб 2 /4 =3,14×202 /4 = 314 мм, площадь поперечного сечения болта.

Рб1 = 0,4×130×4×314 = 65312 Н

Рб1 = 1,2×QD +Rn (12, стр. 13) (4.13)

Рб1 = 1,2×657,8+57882 = 58671 Н,

т.о. окончательно принимаем наибольшее значение Рб1 = 65312 Н.

4. Проверим прочность болтов при монтаже по условию:

sF = Рб1 /( nб ×fб ) £[sб ]20 = 130 МПа (12, стр. 13) (4.14)

sF = 65312/(4 ×314) = 52 МПа £[sб ]20 = 130 Мпа, прочность болтов при монтаже соблюдается.

5. Проверим прочность болтов в период эксплуатации:

sF = Рб2 /( nб ×fб ) £[sб ]¢ = 130 МПа (12, стр. 13) (4.15)

где [sб ]¢ = 130 МПа, допускаемое напряжение для материала болта при рабочей температуре;

Рб2 – болтовая нагрузка в рабочих условиях,

Рб2 »1,3 Рб max = 1,3×65312 = 84906 Н.

sF = Рб2 /( nб ×fб ) =84906/(4×314) =67,6 МПа £[sб ]¢ = 130 МПа .

Условие прочности болтов в период эксплуатации выполняется.

5. ЭКОЛОГИЧЕСКАЯ БЕЗОПАСНОСТЬ

5.1 Мероприятия по охране окружающей среды и недр в условиях НГДУ “ЛН”

Республика Татарстан характеризуется высоким промышленным потенциалом, богатыми природными ресурсами; нефтяные месторождения Татарстана расположены на территории 21 административного района республики и 3 районов соседних республик и областей с общей площадью более 30 тысяч кв.км.

В 1997 году для предприятий Татарстана было отчуждено более 34 тыс. га. В последние годы в Татарстане увеличивается доля сернистых нефтей, газов и сероводородсодержащих пластовых вод, что усложняет экологическую обстановку. Разработка залежей вязкой нефти и битума с применением большой гаммы химических реагентов и тепловых методов тоже значительно усугубляют ситуацию. Приведенные данные показывают, на сколько высока ответственность нефтяников в деле охраны природы.

Разработаны методические основы оценки технологической нагрузки, проведено ранжирование территории по антропогенному воздействию на природу. В основу экологических программ были заложены результаты систематических исследований. В них обоснована и сформулирована постановка задачи, состоящей из следующих концепций:

свести до минимума вредное воздействие сопутствующих нефтедобыче процессов нарушения экологии;

добиться управляемости производственных процессов, чреватых экологически негативными последствиями; проводить регенерационные мероприятия, и, по максимуму, восстановить

среду нашего обитания до того состояния, которое было характерно для начала разработки нефтяных месторождений.

На территории НГДУ "ЛН" находится много населенных пунктов: города, деревни, рабочие поселки. Вокруг населенных пунктов устанавливаются санитарно-защитные зоны.

Многие из промысловых сооружений расположены в санитарно-защитных зонах населенных пунктов, родников и ручьев. Эти объекты являются потенциальными загрязнителями атмосферы, почв, грунтовых и подземных пресных вод при возможных авариях и разгерметизации. При бурении, добыче, сборе и транспортировке нефти имеет место загрязнение почв и грунтов. Основные площади замазученных земель располагаются обычно вдоль водопроводов, часто вдоль ряда скважин.

Все отходы предприятий по добыче нефти оказывают отрицательные воздействия на объекты окружающей среды и представляют угрозу здоровью населения, проживающего в нефтедобывающих районах. Поэтому на промысловых объектах необходимо более эффективно осуществлять технологические, санитарно-технические и организационные мероприятия по контролю за состоянием окружающей среды. Все эти мероприятия позволяют с наименьшим вредом для окружающей среды добывать и транспортировать нефть, быстро и без осложнений устранять причины и последствия загрязнения. В НГДУ "ЛН" осуществляются работы, направленные на улучшение экологической обстановки на территории деятельности предприятия.

5.2 Охрана атмосферного воздуха

За последние 5 лет выбросы в атмосферу загрязняющих веществ сократились с 22000 тонн до 4500 тонн в год. Это было достигнуто благодаря проводимой определенной работой в этом направлении в НГДУ.

Была проведена реконструкция канализационного хозяйства, на ЛОС и ГТП было ликвидировано 12 накопителей. Пущена в работу установка улавливания легких фракций УЛФ, что позволяет ежемесячно улавливать 500-550 тонн нефти.

Подготовка сточной воды переведена на УКНП на герметизированную систему.

Топливно-энергетический комплекс является основным загрязнителем атмосферного воздуха, на долю которого приходится 87% или 66 000 тонн вредных веществ в год.

По сравнению с 1999 годом валовые выбросы снизились на 21,3%

Таблица 15

Количество источников и объемы выбросов, поступающих в атмосферу от промышленных предприятий.

Промыш-

ленные комплексы

Кол-во источников выбросов вредных веществ Условно обезврежено вредных веществ Обьем выбросов, тыс м/год. Доля выбросов %от общего
1999 2000 2001 1999 2000 2001 1999 2000 2001
Топливный 4301 4653 5200 29,8 25,5 21,0 97,8 92,4 66,0 87

Теплоэнерге-

ческий

- 67 66 - - - - 1,3 2,4 3,2

Машиностро-

ительный

427 354 200 0,2 0,5 0,3 0,2 0,5 0,1 0,7
Строительный 207 309 250 5,8 4,6 3,1 3,8 2,5 2,3 3,0
Прочие - - 120 - 1,3 0,6 - 1,3 4,6 6,1
Всего по ремонту 7191 6270 5716 36,7 29,6 25,0 118,4 101,5 74,4 100

Сокращение выбросов достигнуто за счет уменьшения количества источников выбросов и ввода установок улова легких фракций углеводородов в НГДУ ЛН.

С целью уменьшения воздействия автотранспорта на окружающую среду необходимо:

- осуществить вынос крупных автотранспортных предприятий за черту города;

- наладить производство неэтилированного бензина;

применять нейтрализаторы для выхлопных газов и присадки к моторному топливу;

активизировать перевод автомашин на газовое топливо.

5.3 Охрана вод

Систематические наблюдения за состоянием поверхностных водоемов в нефтедобывающих районах юго-западной республики Татарстан были начаты ТатНИПИнефть в 1969 году. Осуществляются силами химико-аналитических лабораторий УПТЖ и НГДУ. С1991 года к этой работе были привлечены ТГРУ и КГУ. Под наблюдением находятся все реки и малые речки Лениногорского района. В пробах речной воды ежемесячно (НГДУ) и ежеквартально (УПТЖ) определяют содержание нефти (плавающей и эмульгированной), хлоридов, сульфатов, а так же рН, жесткость, общую минерализацию, потребность в кислороде БПК5, тип и концентрацию ПАВ, нитраты и другие.

В настоящее время на территории нефтепромыслов под наблюдением лаборатории охраны природы находятся 14 речек (ежедневно) и 69 родников (ежеквартально).

Благодаря проведенным в очагах загрязнения подземных вод комплексным эколого-гидрологическим исследованиям, источники загрязнения подземных вод в основном известны.

Разработаны мероприятия и методы предотвращения этих загрязнений.

5.4 Охрана земель

В результате упорядочения и более продуманного размещения сооружений, применение кустового и горизонтального бурения скважин значительно сократится отвод земель под нефтяные объекты. Так в начале 90-х годов под сооружениями и коммуникациями АО «Татнефть» находилось более 55 тыс. га, а в настоящее время –34 тыс. га, хотя фонд пробуренных скважин за этот период возрос в 1,3 раза.

Наряду с сокращением отвода земель за счет применения новых технологий бурения и разработки месторождений, нефтяникам уделяется большое внимание сохранения плодородия почв. В среднем сегодня возвращается прежним пользователям на 1500 га сельхоз. угодий АО «Татнефть».

Длительное время, нередко десятилетиями, хранились в открытых амбарах т.н. нефтешламы, оставшиеся в наследство от прошлого. Для утилизация создано совместное предприятие. Более полумиллиона тонн нефтешламов уже переработаны по технологии, разработанной учеными «ТатНИПИнефть», предприятием «Татойлгаз» совместно с Германией. Эта работа продолжается, а для предотвращения дальнейшего накопления шламов, загрязняющих природную среду, разработана технология без амбарного бурения с использованием передвижных буровых установок.

Из года в год в НГДУ «ЛН» уменьшаются площади нарушенных земель.

Это достигнуто за счет уменьшения аварийности на трубопроводах, а так же большой положительный эффект оказала остановка бригад ПРС, КРС и строительных организаций на период весенней распутицы. Кроме того, большая часть бригад ПРС в НГДУ «ЛН» переведены на колесный ход, что резко позволило уменьшить порчу земель.

Продолжаются работы по охране недр и окружающей среды:

а) Исследование и наращивание цемента за кондуктором;

б) Исследование и герметизация колонн;

в) Физическая ликвидация скважин в санитарно-защитных зонах населенных пунктов рек и ручьев, а так же в зонах питания родников.

5.5 Охрана труда и техника безопасности при удалении АСПО

При эксплуатации скважин для удаления АСПО применяется паропередвижная установка, при её работе должны выполняться следующие правила безопасности:

- паропередвижная установка (ППУ) на скважине устанавливается от устья на расстоянии не менее 25 метров с наветренной стороны так чтобы обеспечивался обзор для машиниста ППУ;

- обвязка выполняется бесшовными стальными трубами, испытанными на пробное давление Рпр =1,5Рраб ;

- при пропаривании арматуры скважин, оборудования и трубопроводов, в которых ожидается повышение давления необходимо установить обратный клапан (непосредственно у установки или на любом стыке магистральных труб);

- на арматуре скважины, подвергаемой пропарке, необходимо предусматривать специальный патрубок с вентилем или задвижкой для подсоединения паропроводов от ППУ;

- при пропарке арматуры скважины, оборудования и трубопроводов надо знать максимальное рабочее давление, допускаемое для данного типа арматуры и не превышать его;

- для подачи пара в насосно - компрессорные трубы, уложенные на мостках, паропровод должен быть оборудован специальным наконечником, который должен соединятся к трубе на резьбе или накидным приспособлением на муфту.

Концы труб должны быть уложены со стороны устья в одной плоскости;

- пропарку с использованием шланга с наконечником, закреплённым на деревянном держаке, производить только наружных поверхностей труб, шланг и другого технологического оборудования;

- подача пара в пропарочные трубы должна быть постепенной до выхода пара из противоположного конца трубы, во избежание появления пробок;

- пуск пара производить только по сигналу с места присоединения паропроводов и после удаления людей на безопасное расстояние;

- пропарка штанг от замазученности и парафина производится с помощью шланга с наконечником, которые закреплены на деревянном держаке длинной не менее 1,5 м;

- очистка от парафина и замазученности насосов, арматурной площадки, отогрев территории от замазученности в зимнее время, разогрев парафина в амбарах, емкостях и колодцах, отогрев замерзшего грунта на территории скважины для заворота штопоров производиться с помощью шланга наконечником на конце закрепленных на держаке длинной 1,5-2,5 метра;

- очистка и пропарка от замазученности станка- качалки машинист производит с помощью шланга с наконечником прикреплённых к деревянному держаку длинной не менее 2,5 метра. В случае невозможности пропарки балансира из-за высоты, то бригада КРС устанавливает стеллажи или подготавливает лестницу с которой производится пропарка оборудования находящееся на высоте.

При подъёме на высоту свыше 1,5 метра необходимо применять предохранительный пояс от падения;

- разработка паропроводов производится после снижения давления пара до атмосферного и охлаждения труб;

- замазученность и парафин оставшийся на территории скважин и баз необходимо убирать.

При использовании удаления АСПО химическими методами необходимо соблюдать особые меры предосторожности и технику безопасности.

Среди химических реагентов, используемых для борьбы с АСПО, имеются токсичные, взрывоопасные, с низкой температурой вспышки. Поэтому при работе с такими реагентами должны соблюдаться особые меры предосторожности.

На территории (или в помещении) для хранения и применения газового бензина запрещается обращаться с открытым огнем; искусственное освещение должно быть выполнено во взрывобезопасном исполнении.

Ремонтные работы на резервуарах, сосудах должны производиться инструментами, не дающими при ударе искру. Технологическое оборудование и коммуникации для транспортирования газового бензина должны быть заземлены.

Запрещается перекачивание газового бензина при помощи сжатого воздуха. Содержание паров газового бензина в воздухе рабочей зоны должно составлять не более 300мг/м3 .

При разливе бензина облитые части машины должны быть насухо протерты, а пролитый на пол или на землю бензин – засыпан песком. Последний необходимо собрать в отдельную тару и вывезти из территории или помещения. Указанные работы должны производиться в фильтрующем противогазе марки А (коробка коричневого цвета).

Сосуды, смесители, коммуникации, насосные агрегаты должны быть герметичны.

Помещение должно быть снабжено общеобменной механической вентиляцией согласно действующим нормам.

При работе с газовым бензином применяют индивидуальные средства защиты: противогаз и спецодежду.

Запрещается использовать газовый бензин для мытья рук и чистки одежды.

Рабочие места должны быть оборудованы источником острого пара, песком, пенным или углекислотными огнетушителями, кошмой, асбестовой тканью.

Аналогичные меры предосторожности должны соблюдаться и при использовании других углеводородных растворителей.

6.ОРГАНИЗАЦИОННО-ЭКОНОМИЧЕСКИЙ РАЗДЕЛ

6.1 Технико-экономическая оценка методов борьбы с АСПО по НГДУ “ ЛН”

Анализ затрат на борьбу с АСПО в НГДУ «ЛН” показал, что наиболее экономичными из механических методов являются внедрение штанг с центраторами - депарафинизаторами НГДУ «ЛН” в комплекте с плавающими скребками центраторами завода “Радиоприбор” и штанг с наплавленными скребками центраторами производства НГДУ «ИрН”.

В НГДУ «ЛН” используется сочетание различных методов борьбы с АСПО. Применение комбинации методов затрудняет экономические расчеты и приводит к увеличению затрат. Так, применение дополнительных мероприятий на фонде скважин, оборудованных остеклованными НКТ и НКТ с полимерным покрытием DPS БМЗ, привело к удорожанию методов в 2,7 и более раза, оборудованных штангами с наплавленными центраторами-депарафинизаторами НГДУ «ЛН” и с плавающими скребками центраторами завода “Радиоприбор” в сочетании с остеклованными НКТ - в 3,2 раза.

Анализ затрат, применяемых в НГДУ «ЛН” методов борьбы с АСПО, приведен в таблице 16

Таблица 16

Оценка фактических затрат на борьбу с асфальто-смолопарафиновыми отложениями в НГДУ «ЛН” в ценах 2002 года

Затраты на одну скважину в год
Исполнитель Затраты на выполнение мероприятия, руб. Количество мероприятий Всего, руб. Затраты на дополнительные мероприятия Всего, руб.
1. Механические методы
1.1. Скребки, центраторы
-центраторы+остеклв. НКТ НГДУ «ЛН” 52004 0,2 10401 9406 19807
-центраторы+остеклв. НКТ + магн. депарафинизатор НГДУ «ЛН” 61044 0,2 12209 12209
центраторы скр центраторы НГДУ «ЛН” 10540 0,2 4108 4108
1.2. НКТ с DPS “БМЗ” 44616 0,092 4105 8006 12111
1.3. Остеклованные НКТ НГДУ «ЛН” 35664 0,2 7133 - 7133
остеклованные НКТ пром-ки дистиллят нефть) НГДУ «ЛН” 35664 0,2 7133 12010 19143
остеклв. НКТ (микробиоло-гич. обр) НГДУ «ЛН” 35664 0,2 7133 10667 17800
остеклв. НКТ (магн. депарафинизатор) НГДУ «ЛН” 44704 0,2 8941 4003 12944
2. Химические методы
2.1Применение растворителей НГДУ «ЛН”
-дистиллят 7254 2 14508 14508
-дистиллят + нефть 6672 2 13344 13344
2.2 Применение ТНПХ - 1А 939 5 4695 4695
3. Тепловые методы
3.1. Применение АДП НГДУ «ЛН”
- нефть 7057 2 14114 14114
4. Физические методы
4.1.Применение магнитных депарафинизаторов НГДУ «ЛН” 9040 0,092 832 832
5. Микробиологические методы
5.1. Микробиология “Татнефтемико” 6667 2 13334 13334

В 2002 году произошло уменьшение количества ремонтов по причине АСПО в подземном оборудовании на 6,9 % по сравнению с предыдущим годом. Тенденция снижения этого показателя наблюдается с 1999 года. В тоже время общее количество ремонтов на девонском фонде в 2002 году увеличилось на 36,1%.

Все ремонты по причине запарафинивания были проведены на фонде скважин, эксплуатируемом УШГН. По методам борьбы с АСПО, применяемым на скважинах, ремонты распределились следующим образом:

- 45 ремонтов (55,6 % от общего количества ремонтов по причине АСПО) проведено на скважинах, оборудованных остеклованными НКТ (показатель ремонтов);

- 0,140),- 26 ремонтов (32,1 %) проведено на скважинах, оборудованных штангами с наплавленными центраторами депарафинизаторами НГДУ «ЛН” в сочетании с остеклованными НКТ (показатель ремонтов - 1,115);

- 3 ремонта (3,7 %) проведено на скважинах, оборудованных штангами со скребками- центраторами НГДУ «ИрН” (показатель ремонтов - 1,115);

- 8 ремонтов (9,9 %) проведено на скважинах, на которых основным или дополнительным методом борьбы с АСПО являются промывки (показатель ремонтов - 0.016);

7 ремонтов (9,9 %) произведено на скважинах, на которых в качестве основного или дополнительного метода борьбы с АСПО применялись магнитные депарафинизаторы (показатель ремонтов - 0,517).

6.2 Организация профилактических работ на нефтепромысла и службе ПРС по борьбе с АСПО

Для борьбы с АСПО в НГДУ «ЛН” ежегодно разрабатываются организационно - технологические мероприятия, направленные на внедрение технических средств, а также предусматривается комплекс работ по контролю за работой парафинящего фонда скважин. Такие мероприятия на 2001 год включают в себя следующие направления

Технические мероприятия

Запуск установки по наплавке центраторов на штанги.

Изготовление скребков центраторов и наплавка их на штанги.

Внедрение скребков центраторов.

Оборудование скважин лифтами с остеклованным покрытием.

Оборудование скважин НКТ с полимерным покрытием.

Проведение шаблонирования НКТ.

Обработка скважин нефте - дистиллятной смесью.

Организационные мероприятия

Разработка мероприятий по каждой скважине.

Учет экономических затрат по каждой скважине.

Ежемесячный контроль за выполнение мероприятий по борьбе с АСПО.

Осуществление постоянного контроля за технологией внедрения центраторов на скважинах.

Обмен опыта специалистов на родственных предприятиях.

Работа по предупреждению отложений от АСПО ведется непосредственно в бригадах по добыче нефти под руководством технологических служб. Технологические службы обеспечивают разработку графиков промывок скважин от запарафинивания и осуществляют контроль за их выполнением. Этой группой также ведется постоянный анализ работы скважин, осложненных АСПО и осуществляется выполнение намеченных мероприятий.

В таблице № 17 приведен график обработки НДС на 2001 год по ЦДН и Г № 1.

Таблица № 17

Месяцы
№№ скважин Тип насоса % воды Q ж Q н Периодичность Дата последней обработки Дата послед ПРС Лифт центра
0503а н-32 5 7 6 4 ОПРС 07.00 с-830 опрс
1714а н-32 10 7 3 4 02.00 11.98 г-700 нд нд
1719б н-32 5 1 0,8 4 ОПРС 07.00 п-1300 нд
1819д н-32 60 5 1,7 4 08.99 07.98 г-700 нд нд
1825в н-32 59 5 1,7 4 01.01 02.00 г-800 нд нд
1828а н-32 - 4 3,4 4 09.00 09.00 г-1300 нд
1828д н-32 5 4 3,3 4 09.00 12.99 г-650 нд
1835а н-32 70 10 2,6 4 07.00 02.99 с-560 нд нд
1929 н-32 - 6 5 4 09.00 07.99 г-1300 нд нд
1929в н-32 - 4 3,4 4 06.00 08.00 п-1300 ПРС нд
1934д н-32 5 5 4 4 12.00 11.99 с-800 нд нд
1936д н-32 6 3 2,4 4 03.00 12.98 п-1300 нд нд
1938д н-32 7 6 4 7 07.00 12.98 п-1300 нд
5061 н-32 52 6 2,4 4 07.00 06.99 п-1300 пропу э/к
9267а н-44 60 8 2,7 5 09.00 08.00 с-800 нд нд
9288а н-44 56 20 8 6 04.00 09.00 г-600 нд нд
9331 н-32 56 3 1 5 08.99 08.99 с-600 нд нд
9339а н-32 60 3 1 4 01.01 08.97 п-1300 нд нд
9355а н-32 5 3 2,4 4 01.00 07.99 г-700 нд нд
9467б н-43 70 8 2 4 12.00 10.99 г-800 нд нд
9476 н-32 5 2 1,6 4 01.01 01.00 с-860 нд нд

Выбор периодичности обработок скважин от отложений АСПО нефте-дистиллятной смесью и промывкой горячей нефтью производится на основе анализа запарафинивания по практическим результатам обработки каждой скважины.

Так, например, в скважинах № 1828а, 1828д, 1938д промывка производится один раз в год, других скважинах промывки производятся два раза в год.

В таблице №18 приведены мероприятия, разработанные по борьбе с АСПО на примере группы скважин ЦДН и Г № 1

Таблица № 18

№ скв Обору. уст. на скважине Намеченные мероприятия. Внедрения.
стекло гр. стек центр скреб швл пром прс АСПО гр. стек скреб швл про м ппу
9476 + 1 1
9331 + 1 1
9267а + 1 1
9475а + + + 2
9265а + 1 + + 1
1929в + + + + 1
9343а + + 1
9288 + + + 1
9402 + 1
9341 + + +
9396 + + + 1
1814а + + +
1714а + 2 + + 1
1715а + + + + + +
1943а + 1 2
1945а + + + +
1836 + + + 1
503а + +
5061 3 +
1735а + + + 1
1821д + + + 1
1828а + 1 + +
1826д + +
1828д9288а

+

+

+

+

+

1

5

+

1

Рекомендации по скважинам основываются исходя из минимальных затрат на эксплуатацию осложненных АСПО.

6.3 Анализ выхода из строя глубинно-насосного оборудования за 2000 – 2001 г.г

Таблица № 19

Сравнительная таблица причин выхода в ремонт ШГН

Причины выхода в ремонт НГДУ ЦДНГ №1
2000 г 2001 г 2000 г 2001г

ГТН

ППР(снижение подачи)

Неисправность насоса

Заклинивание плунжера

Износ клапанов

Износ колонны НКТ

Трещина в теле НКТ

Износ НКТ истиранием

Отворот штанги

Заклинивание штанг

Осыпание стекла

Износ центраторов

Отложение парафина в насосе

Отложение парафина в НКТ

Отложение солей в НКТ, насосе

МРП

Фонд скважин

Часы простоев на 1 скважину в год

136

224

5

28

14

17

48

1

11

38

9

4

13

81

24

725

1862

2,56

164

255

28

44

14

22

54

4

23

41

6

11

12

50

23

686

1942

2,83

33

78

2

6

3

4

3

1

6

22

1

1

5

22

2

863

364

0,42

29

117

9

16

2

-

2

1

3

23

-

8

-

12

-

680

573

0,84

Анализ причины простоев скважин, по данным таблицы № 19 отмечаем, что из числа общих простоев которые составляют 1096 часов приходится на простои связанные с отложением АСПО. Сокращение 96 часов которые составляют эти простои позволяет получить дополнительную добытую нефть.

Числом сокращения простоев скважин свазаны с ростом МРП. МРП по сравнению с 2000 годом уменьшился на 39 суток, это говорит о старении фонда скважин показателем простоев является число простоев общих скважин в год так в 2001 году составил 2,83 часа/скв, что увеличило количество их по сравнению с 2000 годом на 0,27 часа /скв.

Рассматривая показатели в целом по НГДУ и ЦДНГ №1 следует сказать, что на первом промысле проводиться большая работа по снижению простоев, в том числе по снижению простоев по парафину. Если число простоев по ЦДНГ№1 составляют 0,84 час/скв, от в НГДУ”ЛН” - 2,83

ВЦДНГ№1 за 2000 - 2001 год проводятся следующие мероприятия :

- промывка скважин нефтедистиллятной смесью ;

- внедрение скребков центраторов ;

- применение стеклопластиковых штанг ;

- применение различных ингибиторов против парафиноотложений.

Все эти мероприятия и позволили резко сократить количество простоев по сравнению с НГДУ”ЛН”.

6.4 Мероприятия направленные на борьбу с АСПО в НГДУ “ ЛН”

В НГДУ “ Лениногорскнефть” на 621 скважине, оборудованной УШГН, что составляет 95,2 % осложненного фонда. применяются механические, химические, тепловые и физические методы борьбы с АСПО, а также их комбинации, причем комбинациями различных методов охвачено более 75 % фонда скважин.

Применение методов борьбы с АСПО на скважинах представлено в таблице 20

Таблица 20

Применение методов борьбы с АСПО на скважинах, оборудованных УШГН

Методы борьбы с АСПО

Фонд скважин с УГШН, осложненный формированием АСПО

Ремонты по причине

АСПО

Всего % от осложненного фонда с УГШН Всего Отношение ремонтовк соответств. фонду
Фонд скважин с УГШН, осложненный формированием АСПО 621 100 81 0,130

1. Применение штанг с наплавленными центраторами,

в т.ч. - с центраторами- депарафинизаторами НГДУ”ЛН” с остеклованными НКТ,

в т.ч. - с промывками

- с магнитными депарафинизаторами

- с микробиологическими обработками;

242

202

143

8

11

39,5

32,5

23,0

1,3

1,8

29

25

-

5

-

0,120

0,124

-

0,625

-

- с центраторами- депарафинизаторами НГДУ”ЛН” в комбинации со скребками- центраторами завода “Радиоприбор”,

в т.ч. - с промывками ;

- со скребками- центраторами НГДУ

“ ИрН”

14

8

26

2,3

1,3

4,2

1

-

3

0,071

-

0,115

2. Применение футерованных НКТ

в т.ч. - с полимерным покрытием DPS БМЗ,

в т.ч - с центраторами- депарафинизаторами НГДУ”ЛН”

- с промывками ;

- остеклованных ,

в т.ч- с промывками

- с магнитными депарафинизаторами

- с микробиологическими обработками

326

4

1

2

322

284

4

3

52,5

0,6

0,2

0,3

51,9

45,7

0,6

0,5

45

-

-

-

45

3

1

-

0,138

-

-

-

0,140

0,011

0,250

-

Выполнение микробиологических обработок 4 0,6 1 0,250
Использование магнитных депарафинизаторов 2 0,3 2 1,000
Выполнение различных обработок 47 7,6 5 0,106

6.5 Расчет экономической эффективности от внедрения и заправки дозаторов

Дозаторы предназначены для подачи водонерастворимых ингибиторов на прием штангового насоса.

Эксплуатационные затраты до внедрения:

ЭксЗ1 = Спр ×ппр + СПРС ×пПРС = 14277×3,6 + 40800×1,3 = 104437 руб.

где Спр – стоимость 1 промывки,

ппр – количество промывок,

СПРС – стоимость 1 ПРС, пПРС – количество подземных ремонтов.

Эксплуатационные затраты после внедрения

ЭЗ2 = Спр ×ппр + СПРС ×пПРС = 14277×1,6 + 40800×0,5 = 43243 руб.

Экономия за счет внедрения дозаторов

Э = ЭксЗ1 - ЭксЗ2 = 104437 – 43243 = 61194 руб.

Дополнительные затраты на осуществление мероприятия

ДЗ = (Сд + Рхр ×Сз )n = (793 + 0,2×8000)×13 = 31109 руб.

где Сд – стоимость 1 дозатора, Рхр – расход химического реагента на заправку 1 дозатора, Сз – стоимость 1т реагента, n- количество дозаторов.

Экономическая эффективность от внедрения дозаторов

Эф = Э – ДЗ = 61194 – 31109 = 30085 руб.

Таблица 21

Технико-экономические показатели

Исходные данные До внедрения После внедрения
Ед. измерен. Сумма Ед. измерен. Сумма
1. Объем внедрения шт. 13 шт. 13
2. Стоимость дозатора руб. - руб. 793
3. Затраты на заправку 1 т реагента: - - руб. 8000
- расход химического реагента т 0,2 т 0,2
4. Количество промывок опер. 3,6 опер. 1,6
5. Количество подземных ремонтов шт. 1,3 шт. 0,5
6. Стоимость одной промывки руб. 14277 руб. 14277
7. Стоимость 1 ПРС руб. 40800 руб. 40800
8. Итого эксплуатационных затрат руб. 104437 руб. 43243
В т. ч. - затраты на промывки руб. 51397 руб. 22843
-затраты на ПРС руб. 53040 руб. 20400
9. Экономия за счет внедрения дозаторов - - руб. 61194
10. Дополнительные затраты на осуществление мероприятия - - руб. 31109
в т.ч. - стоимость 1 дозатора - - руб. 793
- затраты на заправку 1 дозатора - - руб. 1600
11. Экономическая эффективность - - руб. 30085

ЗАКЛЮЧЕНИЕ

На современном этапе разработки Западно - Лениногорской площади, характеризующейся снижением темпов отбора жидкости, падением пластового давления, увеличением обводнённости продукции, вопросы поддержания эксплуатационного фонда скважины в работоспособном состоянии имеют большое актуальное значение. Одной из мер по повышению работоспособности скважин - является борьба с запарафиниванием.

В дипломном проекте рассмотрены способы и методы борьбы с АСПО, применяемые в ОАО «Татнефть” и НГДУ «ЛН”, применяемая техника и оборудование. Каждый из рассматриваемых методов и способов борьбы с АСПО имеет свои положительные и отрицательные стороны. Главной целью дипломного проекта было предложить технику и оборудование для наиболее экономичных из них.

Проанализировав затраты на осуществление всех применяемых методов борьбы с АСПО можно сделать следующие выводы:

- рекомендации для того или иного метода борьбы с АСПО должны осуществляться индивидуально для каждой конкретной скважины, используя сведения о её эксплуатации и анализируя затраты на ведение профилактических работ по АСПО;

- приоритетным направлением в борьбе с АСПО в НГДУ «ЛН» должно быть применение наиболее экономичных методов, не требующих больших материальных и трудовых затрат.

Из всех рассмотренных в дипломном проекте методов и способов борьбы с АСПО более широкое распространение получил метод использования НКТ с защитным покрытием - гранулированным стеклом. Длительный опыт эксплуатации таких труб даёт хорошие результаты, особенно на скважинах, эксплуатируемых электропогружными установками.

На сегодняшний день такими НКТ оборудованы около 80 % фонда скважин, осложненных АСПО.

Недостатком этого метода является то, что в процессе длительной эксплуатации при подземных ремонтах целостность остеклованного покрытия нарушается, в результате чего создаются дополнительные “очаги” отложения парафина и поэтому возникает необходимость в применении дополнительных методов борьбы с АСПО.

При обводнённости продукции более 80 % , где отложения парафина уже не так значительны, возможно, применение остеклованных НКТ без применения других методов. В среднем затраты от внедрения на 1 скважину составляют 7133 руб.

Тепловые методы борьбы с АСПО:

- промывка скважин горячей нефтью с использованием АДП и ППУ дают хорошие результаты, но применение этого метода без комбинирования с другими с другими методами неприемлемо из-за больших затрат. Стоимость одной промывки горячей нефтью составляет 14,1 тыс. руб.

Обработка скважин нефтедистиллятной смесью (НДС) не дает хорошего эффекта без сочетания с другими методами борьбы с АСПО, затраты на промывки скважин с использованием НДС в среднем составляют 14,5 тыс. руб. в год на одну скважину. За счет внедрения центраторов - депарафинизаторов количество промывок скважин нефтедистиллятной смесью ежегодно сокращается, и в 2002 году количество их по сравнению с 2001 г уменьшилось.

Наиболее эффективен химический метод предотвращения отложения парафина с применением ингибиторов в сочетании с промывкой нефтедистилятной смесью.

Обработка скважин ингибитором имеет сравнительнонебольшую стоимость - 2393 руб.

Анализ результатов обработки скважин химическими реагентами против парафиноотложений показал, что после применения ингибиторов межочистной период работы скважин увеличивается в 3 раза и более.


ЛИТЕРАТУРА

1. Акульшин А.И. Эксплуатация нефтяных и газовых скважин М. : Недра 1989

2. Амиров А.Д. Справочная книга по текущему и капитальному ремонту нефтяных и газовых скважин М. : Недра 1979

3. Багранов Р.А. Буровые машины и комплексы. М. : Недра 1984

4. Гайдуков В.П. Технические расчеты при эксплуатации нефтяных скважин. М. : Недра. 1986

5. Справочное руководство по проектированию разработки и эксплуатации нефтяных месторождений. Добыча нефти. Под редакцией Ш. К. Гиматутдинова М. : Недра 1983

6. Ибрагимов Г.З. Технология добычи нефти и газа. М. : МГОУ. 1992

7. Лащинский А.А. Конструирование сварных химических аппаратов. Л.: Машиностроение, 1981

8. Молчанов Г.П., Молчанов А.Г. Машины и оборудование для добычи нефти и газа. М. : Недра. 1984

9. Муравьев В.М. Эксплуатация нефтяных и газовых скважин М. : Недра 1978

10. Попова Г.Н., Алексеев С.Ю. Машиностроительное черчение. Справочник. Л. : Машиностроение, 1986

11. Фаниев Р.Д. Эксплуатация нефтяных и газовых месторождений М. : Гостоптехиздат 1958.

12. Шкляр Ю. В., Островская Э. Н.: Проектирование химических аппаратов с механическими перемешивающими устройствами: Учебно – справочное пособие по курсовому проектированию; Казан. Гос. Технол. Ун-т. Казань, 1998.

13. Юрчук А.М. Расчеты в добыче нефти М. : Недра 1974

14. Материалы по Западно - Лениногорской площади

15. Краткая характеристика ингибитора парафиноотложений ТНПХ- 1

16. Журнал «Нефть России»

17. Журнал «Нефтяное хозяйство»

Оценить/Добавить комментарий
Имя
Оценка
Комментарии:
Делаю рефераты, курсовые, контрольные, дипломные на заказ. Звоните или пишите вотсап, телеграмм, вайбер 89675558705 Виктория.
06:27:21 17 октября 2021
Срочная помощь учащимся в написании различных работ. Бесплатные корректировки! Круглосуточная поддержка! Узнай стоимость твоей работы на сайте 64362.ru
18:51:49 11 сентября 2021
Привет студентам) если возникают трудности с любой работой (от реферата и контрольных до диплома), можете обратиться на FAST-REFERAT.RU , я там обычно заказываю, все качественно и в срок) в любом случае попробуйте, за спрос денег не берут)
Olya21:19:51 25 августа 2019
.
.21:19:51 25 августа 2019
.
.21:19:50 25 августа 2019

Смотреть все комментарии (16)
Работы, похожие на Дипломная работа: Выбор и расчет оборудования для депарафинизации нефтяных скважин в условиях НГДУ "ЛН"

Назад
Меню
Главная
Рефераты
Благодарности
Опрос
Станете ли вы заказывать работу за деньги, если не найдете ее в Интернете?

Да, в любом случае.
Да, но только в случае крайней необходимости.
Возможно, в зависимости от цены.
Нет, напишу его сам.
Нет, забью.



Результаты(286174)
Комментарии (4151)
Copyright © 2005-2021 HEKIMA.RU [email protected] реклама на сайте