Федеральное агентство по образованию и науке РФ.
Пензенский государственный университет.
Институт систем управления и информационной безопасности.
Кафедра "Автономные информационные и управляющие системы"
Курсовая работа
по дисциплине: "Статистическая теория помехоустойчивости"
на тему: "Спектральный анализ дискретного сигнала и расчет ЦФ"
Выполнил: студент группы 04УУ1
Трошкин В.В.
Проверил: д. т. н. Чистова Г.К.
г. Пенза 2008
Исходные данные:
x0
=0, x1
= , x2
=1, x3
= , x4
=0, x5
= , x6
=-1, x7
= .
1. Нахождение дискретных преобразований Фурье заданного дискретного сигнала
N=8 - количество отсчетов






 
2. Построение одностороннего и двустороннего спектров этого сигнала
Односторонний спектр

Двусторонний спектр

Односторонний действительный спектр

3. Расчет отсчетов дискретного сигнала по полученному спектру
; ; ; ; ; ; ; 
 







3. Восстановление аналогового сигнала по спектру дискретного сигнала

; ; ; ; 



















Восстановленный аналоговый сигнал

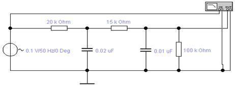
4. Расчет ЦФ с характеристиками заданной электрической цепи
Исходные данные:
R1=20 кОм; R2=15 кОм; R3=∞; R4=100 кОм; C1=0,02 мкФ; C2=0,01мкФ
Моделирование работы заданной электрической цепи в пакете E. W. B.5.0С и снятие ее частотной и фазовой характеристики


Определяем частоту среза на уровне 0.707Кmax
(Кmax
=0.740). Из практического графика видно, что частота среза нижняя fн≈320.5 Гц.

Из графика видно, что сдвиг фазы составляет -180o
.
Составление дифференциального уравнения цепи и нахождение коэффициента передачи в операторном виде.
Составляем следующую систему уравнений:
Пусть ; ;
Так как
; ; ; ; ,
получим:
  ; 
  



 


    
В результате получилась передаточная функция:

Построение АЧХ и ФЧХ ФНЧ в Mathcad


Определяем частоту среза на уровне 0.707Кmax
. Из теоретического графика видно, что нижняя частота среза fн≈320.5 Гц. Следовательно, можно сделать вывод, что теоретическая АЧХ полностью совпадает с практической. Значит, передаточная функция фильтра была найдена правильно.

Данная характеристика имеет сдвиг фазы -180o
. Из этого можно сделать вывод, что теоретическая ФЧХ совпадает с практической.
Выбор периода дискретизации по частотной характеристики и составление разностного уравнения ЦФ
Выбираем частоту дискретизации 

- период дискретизации
Составим разностное уравнение ЦФ:
Обозначим ; ; 
; ; 
Имеем дифференциальное уравнение:




Подставляем исходные данные резисторов и конденсаторов в данное выражение:



В результате получаем разностное уравнение ЦФ:

; ; 
- коэффициенты ЦФ
Расчет передаточной функции ЦФ и построение частотной и фазовой характеристики

Найдем передаточную функцию ЦФ :

Вместо величин , , , подставим в разностное уравнение ЦФ величины , , , соответственно.


, 
Построение АЧХ и ФЧХ ЦФ в Mathcad

Как видно из рисунка АЧХ ЦФ имеет такую же форму как и АЧХ ФНЧ.
Для ЦФ: Кmax
=0,740, Для ФНЧ: Кmax
=0,740
Определяем частоту среза на уровне 0.707Кmax
. Из теоретического графика (рисунок 12) видно, что нижняя частота среза fн≈320.5 Гц.

Данная характеристика имеет сдвиг фазы -180o
. Из этого можно сделать вывод, что теоретическая ФЧХ ЦФ совпадает с ФЧХ ФНЧ.
Нахождение нулей и полюсов передаточной функции и анализ устойчивости ЦФ

Составим характеристическое уравнение. Для этого умножим числитель и знаменатель на .
- характеристическое уравнение

- корни характеристического уравнения

- характеристическое уравнение
- ноль передаточной функции, - условие устойчивости

Рисунок - Единичная z– область
Т. к. полюса (корни характеристического уравнения) лежат внутри окружности, то ЦФ устойчив. Но как видно из рисунка устойчивость его мала, он находится почти на грани устойчивости. Чем ближе значения полюсов к центру окружности, тем устойчивее ЦФ.
Проверим устойчивость ЦФ другим методом:
- условие устойчивости
; 
Если данная точка находится в треугольнике, но выше параболы, то полюса являются мнимыми; если данная точка находится в треугольнике, но ниже параболы, то полюса являются действительными.

Рисунок - Область треугольника
Т. к. точки (a1
, a2
) лежат в углу треугольника выше параболы, то корни характеристического уравнения мнимыми и ЦФ устойчив. Но как видно из рисунка устойчивость его мала, он находится почти на грани устойчивости.
Построение импульсной характеристики ЦФ

Пусть n=0…60
Подадим на вход ЦФ дискретный аналог импульсной функции:

- начальные условия

…………………………………….

Построим импульсную характеристику в математическом пакете Mathcad 2000:

Импульсная характеристика до 20-го отсчета имеет небольшой выброс амплитуды, а затем начинает сходится к нулевой отметке, что так же свидетельствует об устойчивости исследуемого фильтра.
Нахождение реакции ЦФ на гармонический сигнал вблизи частоты среза
Разностное уравнение ЦФ:

Пусть n=0…2000
Подадим на вход ЦФ гармонический сигнал с частотой близкой к частоте среза и периодом равным периоду дискретизации фильтра:


Анализируя график можно сказать, что после переходного процесса наблюдается гармонический сигнал. Из рисунка видно, что цифровой фильтр пропускает гармонический сигнал с частотой, близкой к частоте среза ЦФ, с амплитудой примерно равной 0.707Kmax.
|