Банк рефератов содержит более 364 тысяч рефератов, курсовых и дипломных работ, шпаргалок и докладов по различным дисциплинам: истории, психологии, экономике, менеджменту, философии, праву, экологии. А также изложения, сочинения по литературе, отчеты по практике, топики по английскому.
Полнотекстовый поиск
Всего работ:
364139
Теги названий
Разделы
Авиация и космонавтика (304)
Административное право (123)
Арбитражный процесс (23)
Архитектура (113)
Астрология (4)
Астрономия (4814)
Банковское дело (5227)
Безопасность жизнедеятельности (2616)
Биографии (3423)
Биология (4214)
Биология и химия (1518)
Биржевое дело (68)
Ботаника и сельское хоз-во (2836)
Бухгалтерский учет и аудит (8269)
Валютные отношения (50)
Ветеринария (50)
Военная кафедра (762)
ГДЗ (2)
География (5275)
Геодезия (30)
Геология (1222)
Геополитика (43)
Государство и право (20403)
Гражданское право и процесс (465)
Делопроизводство (19)
Деньги и кредит (108)
ЕГЭ (173)
Естествознание (96)
Журналистика (899)
ЗНО (54)
Зоология (34)
Издательское дело и полиграфия (476)
Инвестиции (106)
Иностранный язык (62791)
Информатика (3562)
Информатика, программирование (6444)
Исторические личности (2165)
История (21319)
История техники (766)
Кибернетика (64)
Коммуникации и связь (3145)
Компьютерные науки (60)
Косметология (17)
Краеведение и этнография (588)
Краткое содержание произведений (1000)
Криминалистика (106)
Криминология (48)
Криптология (3)
Кулинария (1167)
Культура и искусство (8485)
Культурология (537)
Литература : зарубежная (2044)
Литература и русский язык (11657)
Логика (532)
Логистика (21)
Маркетинг (7985)
Математика (3721)
Медицина, здоровье (10549)
Медицинские науки (88)
Международное публичное право (58)
Международное частное право (36)
Международные отношения (2257)
Менеджмент (12491)
Металлургия (91)
Москвоведение (797)
Музыка (1338)
Муниципальное право (24)
Налоги, налогообложение (214)
Наука и техника (1141)
Начертательная геометрия (3)
Оккультизм и уфология (8)
Остальные рефераты (21692)
Педагогика (7850)
Политология (3801)
Право (682)
Право, юриспруденция (2881)
Предпринимательство (475)
Прикладные науки (1)
Промышленность, производство (7100)
Психология (8692)
психология, педагогика (4121)
Радиоэлектроника (443)
Реклама (952)
Религия и мифология (2967)
Риторика (23)
Сексология (748)
Социология (4876)
Статистика (95)
Страхование (107)
Строительные науки (7)
Строительство (2004)
Схемотехника (15)
Таможенная система (663)
Теория государства и права (240)
Теория организации (39)
Теплотехника (25)
Технология (624)
Товароведение (16)
Транспорт (2652)
Трудовое право (136)
Туризм (90)
Уголовное право и процесс (406)
Управление (95)
Управленческие науки (24)
Физика (3462)
Физкультура и спорт (4482)
Философия (7216)
Финансовые науки (4592)
Финансы (5386)
Фотография (3)
Химия (2244)
Хозяйственное право (23)
Цифровые устройства (29)
Экологическое право (35)
Экология (4517)
Экономика (20644)
Экономико-математическое моделирование (666)
Экономическая география (119)
Экономическая теория (2573)
Этика (889)
Юриспруденция (288)
Языковедение (148)
Языкознание, филология (1140)

Дипломная работа: Реконструкция и модернизация подстанции "Ильинск"

Название: Реконструкция и модернизация подстанции "Ильинск"
Раздел: Рефераты по физике
Тип: дипломная работа Добавлен 19:36:01 28 апреля 2010 Похожие работы
Просмотров: 7486 Комментариев: 20 Оценило: 2 человек Средний балл: 4.5 Оценка: неизвестно     Скачать

Содержание

Введение

1. Общие данные

1.1 Исходные данные

1.2 Организация эксплуатации

1.3 Существующее состояние ПС до расширения

1.4 Главная схема электрических соединений

1.5 Расчетные климатические и геологические условия

2. Расчет мощности и выбор главных понижающих трансформаторов

2.1 Определение максимальных нагрузок

2.2 Определение расчетной мощности подстанции

2.3 Собственные нужды подстанции

2.4 Построение годового графика нагрузок подстанции

2.5 Расчет средней нагрузки и коэффициента заполнения графика

2.6 Выбор силовых трансформаторов

2.7 Технико-экономический расчёт трансформаторов

3. Компоновка распределительного устройства 110 кВ

3.1 Общие положения

3.2 Расчет геометрических параметров ячейки и всего ОРУ-110 кВ

4. Выбор типа распределительного устройства и изоляции по условиям загрязнения атмосферы

5. Расчет токов короткого замыкания

5.1 Составление расчетной схемы замещения

5.2 Определение параметров схемы замещения

5.3 Расчет токов короткого замыкания

6. Выбор коммутационной, защитной аппаратуры и сборных шин

6.1 Выбор выключателей, разъединителей отделителей и короткозамыкателей

6.2 Выбор трансформаторов тока и напряжения

6.3 Выбор оборудования установленного в нейтрали трансформаторов

6.4 Выбор шин

7. Расчет устройств заземления и молниезащиты

8. Расчет релейной защиты и автоматики

8.1 Расчет защиты силовых трансформаторов

8.2 Расчет устройств автоматики установленных на подстанции

9. Обоснование измерительной аппаратуры

10. Эффективность использования ОПН для защиты от коммутационных и атмосферных перенапряжений

10.1 Основные сведения

10.2. Конструкция и принцип действия

10.3 Основные термины и определения

10.4 Техническое обслуживание ограничителей перенапряжения

11. Оценка инвестиционного проекта

11.1 Организация строительства второй очереди

11.2 Сметно-финансовый расчет

11.3 Перерасчет сметной стоимости (в ценах 2001 года).

11.4 Определение капитальных затрат на реконструкцию подстанции

11.5 Расчет экономического эффекта от реконструкции подстанции

11.6 Расчет численности и состава бригад электромонтажников

11.7 Определение продолжительности работ по реконструкции подстанции

11.8 Разработка ленточного графика выполнения строительно-монтажных работ

12. Вопросы безопасности и экологичности проекта

12.1. Введение

12.2 Проектирование рабочего места диспетчера.

12.3 Расчет освещения

12.4 Анализ устойчивости объекта при возможны ЧС

Приложения

Список использованных источников


ВВЕДЕНИЕ

В настоящее время в связи с переходом сельского хозяйства на промышленную основу, строительством крупных животноводческих комплексов, ростом электропотребления на производстве и в быту единичные мощности электропотребителей растут. Но структура организации сельскохозяйственного производства, малая плотность населения сельских районов определяют малую плотность электрических нагрузок и значительную протяженность электрических сетей.

Основой системы ЭС являются электрические сети напряжением 0.38- 110 кВ, от которых снабжаются электроэнергией преимущественно сельскохозяйственные потребители, включая коммунально-бытовые, объекты мелиорации и водного хозяйства, а также предприятия и организации, предназначенные для бытового и культурного обслуживания сельского населения.

Воздушные линии (ВЛ) 35-110 кВ выполняются на железобетонных или деревянных опорах. Применение деревянных опор рекомендуется для ВЛ в лесных районах страны и в районах с повышенными гололедными и ветровыми нагрузками. На ВЛ-110 кВ применяют провода марки АС (сечением 70-240 мм2 ), на ВЛ-35 кВ – марок АС, АНС (сечение 50-150 мм2 сечение проводов выбирается по экономическим интервалам нагрузки.

Трансформаторные подстанции (ТП) 35-110 кВ, применяемые для ЭС сельскохозяйственных районов, имеют один или два трансформатора напряжением 35/10 кВ, мощностью 630-6300 кВ А; 110/10 кВ – 2500-10000 кВ А; 110/35/10 кВ – 6300-80000 кВ А. Место размещение подстанции выбирается вблизи центра электрических нагрузок, автомобильных дорог и железнодорожных станций. Подстанция (ПС) должна располагаться, как правило, на непригодных для сельскохозяйственного использования земель; на незаселенной или занятой кустарниками территории; по возможности вне зон интенсивных природных и промышленных загрязнений. Важным требованием при размещении ПС является обеспечение удобных заходов ВЛ.

Рациональное проектирование сетевых ПС всех типов и категорий и, в частности, рациональное и экономичное построение главных электрических схем, выбор параметров оборудования и аппаратуры, а также оптимальная их расстановка представляет собой сложную и ответственную задачу.

В проектах должны быть максимально использованы типовые и повторно используемые экономичные проекты, типовые конструкции высокой заводской готовности из эффективных и высокопрочных материалов, укрупненные монтажные элементы.


1. ОБЩИЕ ДАННЫЕ

1.1 Исходные данные

Рабочий проект расширения подстанции 110/35/10 кВ разработан на основании задания на проектирование, выданного Котласскими электрическими сетями “Архэнерго”.

Расширение ПС предусмотрено Схемой развития электрических сетей 35 кВ и выше сельскохозяйственного назначения Архангельской области на 2000-2005 гг.

Подстанция предназначается для электроснабжения сельскохозяйственных потребителей, расположенных в зоне действия сетей 35 и 10 кВ, а также торфобрикетного завода по ВЛ-35 “Самино-1”.

Предполагаемый срок ввода в эксплуатацию ПС 2001 год. За расчетный год принят 2005 г.. В состав стройки входит:

- установка второго трансформатора 110/35/10 кВ, второй секции РУ 35 кВ и РУ 10 кВ.

- замена масляных выключателей 10 кВ на вакуумные серии ВВ/TEL.

- ОПУ тип IV.

1.2 Организация эксплуатации

Существующая подстанция 110/35/10 кВ “Ильинск” находится на балансе Котласских электрических сетей “Архэнерго”. Оперативное и ремонтно-эксплуатационное обслуживание ПС существующее.

1.3 Существующее состояние подстанции до расширения

Подстанция построена по проекту ЛО Сельэнергопроекта в обьеме первой очереди. Тип подстанции – КТПБ 110/35/10 кВ Куйбышевского завода “Электрощит”. На подстанции установлен один трансформатор напряжением 110/35/10 кВ, мощностью 10000 кВА.

Схема ОРУ 110 кВ – (110-3).

РУ 10 кВ и 35 кВ выполнено односекционными.

Баланс мощности на шинах 10-35 кВ приведен в таблице 1.1

Таблица 1.1 Баланс мощности на шинах подстанции

Наименование Расчетный уровень, МВА
Шины 10 кВ 2.25

Шины 35 кВ

1.Сельское хозяйство

2.Леспромхоз

3.Торфобрикетный завод

5.21

2

4

Итого на 35 кВ 11.21
Итого по подстанции 13.76

1.4 Главная схема электрических соединений, конструктивная часть и другие вопросы

Данным проектом предусматривается расширение с реконструкцией ПС 110/35/10 кВ “Ильинск”.

Расширение с реконструкцией ПС выполняется в связи с увеличением нагрузок существующих потребителей, подключением новых и переводом ПС на постоянный оперативный ток.

Расширением подстанции предусматривается выполнение:

- ОРУ 110 кВ по схеме (110-4) “Два блока с отделителями и автоматической перемычкой со стороны линии”.

- ОРУ 35 кВ по схеме (35-9) “Одна рабочая секционированная выключателем система шин”.

- РУ 10 кВ по схеме (10-1) “Одна секционированная выключателем система шин”.

В существующих шкафах 10 кВ типа К-37 демонтируются масляные выключатели марки ВМПП-10 и устанавливаются вакуумные марки BB/TEL (в двух секциях).

На подстанции устанавливается второй трансформатор мощностью 10000 кВА с регулированием напряжения под нагрузкой.

Оборудование для расширения ПС принято комплектным заводского изготовлени поставки Самарского завода “Электрощит”.

Существующий трансформатор собственных нужд ТМ-63 демонтируется. На подстанции устанавливаются два трансформатора собственных нужд типа ТМ-100/10/0.4 кВ. Для компенсации емкостных токов на напряжении 35 кВ предусмотрена установка дугогасящей катушки типа РЗДСОМ-310/35У1.

На подстанции принимается постоянный оперативный ток. Для этого предусмотрена установка аккумуляторной батареи СК-5 на число элементов n=108 шт. и два зарядно-подзарядных устройства.

Щит постоянного тока комплектуется тремя шкафами: шкаф ШСН-1201 ввода и секционной связи и двумя шкафами отходящих линий ШСН-1203.

Щит собственных нужд переменного тока подстанции комплектуется пятью панелями типа ПСН: одна панель ввода и секционной связи ПСН-1101-78 и четыре панели отходящих линий ПСН-1114-78.

Аккумуляторная батарея и щиты собственных нужд устанавливаются в здании ОПУ.

Защита от грозовых и коммутационных перенапряжений осуществляется с помощью устанавливаемых ОПН. От прямых ударов молнии существующими молниеотводами. Вновь устанавливаемое оборудование присоединяется к существующему контуру заземления полосой 40х4


1.5 Расчетные климатические и геологические условия

Согласно метеорологическим данным и расчетам район климатических условий принят по гололеду 2 (расчетная толщина стенки гололедного отложения 10 мм), по ветру 1-2 (расчетная скорость ветра 25 м/сек).

Расчетный скоростной напор ветра на высоте до 15 м ,даН/м2 :

- максимальный 40;

- при гололеде 10.

Нормативная глубина промерзания грунта по площадке ПС – 165 см.

Грунтовые воды по площадке ПС встречены на глубине 0,7-1 м.

Район строительства по пляске проводов 1 (с редкой пляской проводов).

Температура воздуха, 0 С:

- максимальная +37;

- минимальная –51;

- среднегодовая +1,2;

- средняя наиболее холодной пятидневки –33.

Число грозовых часов в году -39.


2. РАСЧЕТ МОЩНОСТИ И ВЫБОР ГЛАВНЫХ ПОНИЖАЮЩИХ ТРАНСФОРМАТОРОВ

2.1 Определение максимальных нагрузок (для каждой ступени напряжения)

По заданным Sн и cosjн определяем активную и реактивную мощность по формулам:

Pmax = Smax cosjmax ; (2.1)

Qmax = S2 max –P2 max ; (2.2)

Для стороны СН:

Pсн =11.21×0.81=9.08 [МВт];

Qсн = 11.212 –9.082 =6.57 [МВАр];

Для стороны НН:

Рнн =2.55×0.82=2.09 [МВт];

Qнн = 2.552 –2.092 =1.46 [МВАр];

На стороне НН для компенсации реактивной мощности ставим компенсирующие устройства- конденсаторные установки (КУ).

Мощность КУ:

Qку = P tgj- tgjк )a , (2.3)

где tgj – естественный коэффициент мощности до компенсации:

tgj= tgjнн = 0.65,

tgjк – соответствующий коэффициент мощности после компенсации:

tgjк = tgjраб = 0.395,

a - коэффициент, учитывающий повышение коэффициента мощности мерами, не требующими установки КУ : a=1.

Qку = 2.09×0.65- 0.395)×1=0.533 [МВАр];

Выбираем КУ: 1´УКЛ-10-450(П) УЗ,

тогда Qку = 1×0.45=0.45 [МВАр];

Тогда полная мощность с учетом компенсации:


Sнн = P2 нн +(Qнн -Qку ) 2 = 2.092 +(1.46 –0.45) 2 =2.32 [МВА]; (2.4)

Таблица 2.1

Параметры конденсаторной установки

Тип

Qном,

КВАр

Габаритные размеры, мм

Масса,

кг

длина ширина высота
УКЛ-10-450 УЗ 450 3810 82 1600 1170

2.2 Определение расчётной мощности подстанции

При определении расчётной мощности подстанции учитываются мощности трансформаторов собственных нужд, которые присоединяются к сборным шинам 10 кВ. Принимая Pmax и Qmax за 100% типового графика строим график для каждой ступени мощности, значения которой находим из выражений [3,стр.8] по формулам :

p i ×Pmax g i ×Qmax

Pi = ; Qi = (2.5)

100 100

где pi , gi – ординаты типового графика [3, рис1.] для рассматриваемой ступени мощности в % .

Результаты расчёта сводим в таблицы 2.2-2.4

Таблица 2.2

Суточный график изменения нагрузки подстанции (сторона 110 кВ )

Мощность Интервал времени, час
0 – 4 4 – 8 8 – 14 14 – 21 21 – 24
P, МВт 9.26 10.56 9.26 11.87 9.26
Q, МВАр 5.42 6.19 5.42 6.95 5.42
S, МВА 10.73 12.24 10.73 13.76 10.73

Pрасч =10.2 [МВт] ; Qрасч =6.0 [МВАр]; Sрасч =11.6 [МВА];

МВА, S

МВт, P

МВар Q


16

14

12

S

10

P

8


6

Q

4

2

t


0 4 8 14 21 24 час

Рис.1

Таблица 2.3

Суточный график изменения нагрузки подстанции (сторона 35 кВ )

Мощность Интервал времени, час
0 – 4 4 – 8 8 – 14 14 – 21 21 – 24
P, МВт 7.08 8.08 7.08 9.08 7.08
Q, МВАр 5.12 5.84 5.12 6.57 5.12
S, МВА 8.73 9.97 8.73 11.21 8.73

Pрасч =7.8 [МВт] ; Qрасч =5.12 [МВАр]; Sрасч =9.33 [МВА];

Таблица 2.4

Суточный график изменения нагрузки подстанции (сторона 10 кВ )

Мощность Интервал времени, час
0 – 4 4 – 8 8 – 14 14 – 21 21 – 24
P, МВт 1.63 1.86 1.63 2.09 1.63
Q, МВАр 0.79 0.9 0.79 1.01 0.79
S, МВА 1.80 2.1 1.8 2.32 1.8

Pрасч =1.8 [МВт] ; Qрасч =0.89 [МВАр]; Sрасч =2.0 [МВА];

При определении расчётной мощности подстанции следует учесть мощность трансформаторов собственных нужд (ТСН), которые обычно присоединяются к сборным шинам НН, а также коэффициент перспективы роста нагрузок на 5-10 лет (К10 =1.25).Расчетная мощность подстанции определим по формуле:

Sрасч.п/с =( Sрасч +Sсн )×К10, (2.6)

2.3 Собственные нужды подстанции

Приемники собственных нужд подразделяются на три категории:

а) основные, постоянно включенные в сеть;

б) приемники, включенные в зависимости от сезонных условий (от температуры окружающего воздуха);

в) ремонтные, как правило, передвижные, подключаемые временно в периоды ревизий и ремонтов оборудования. Данные по нагрузкам собственных нужд сведены в таблицу 2.5.

Таблица 2.5

Данные по нагрузкам собственных нужд

Наименование нагрузки Установленная мощность, кВт h Cosj Tgj Расчетная нагрузка на трансформатор
Летом Зимой
Коэффициент спроса P Q Коэффициент спроса P Q
Мощность единицы 5 кол-во Общая мощность
КВт квар кВт квар
КРУН отопление, вентиляция - 11 1 1 0 1 11 - 1 11 -
Наружное освещение ПС 0,358 2.4 1 1 0 0,7 0,84 - 0,7 0,84 -
КРУН освещение - 1 1 1 0 1 1 - 1 1 -
Аппаратура связи - 1,2 1 1 0 1 1,2 - 1 1,2 -
Обогрев шкафов КРУН 1514 14 1 1 0 - - - 1 14 -
Обогрев выключателей 553 15 1 1 0 - - - 1 15 -
Обогрев пружины заводки выключателей 110 кВ 1,153 3,3 1 1 0 - - - 1 3,3 -
Охлаждение трансформаторов Т1, Т2 252 4 1 1 0 1 4 - 1 1 -
Отопление ОПУ - 33 1 1 0 - - - 1 33 -
Освещение, вентиляция ОПУ - 4 1 1 0 1 4 - 1 4 -
ИТОГО 22,04 84,34

Полная расчётная мощность подстанции будет равна :

Sрасч.п/с =( Sрасч +Sсн )×К10 =(11.6+0.084)×1.25= 13.89 [МВА].

На трансформаторных ПС 35-750 кВ устанавливаются два трансформатора собственных нужд (ТСН), мощность которых выбирают в соответствии с нагрузками, с учетом допустимой перегрузки (kП =1,4) при выполнении ремонтных работ и отказах одного из трансформаторов [5].

При двух ТСН эксплуатация их может осуществиться двумя способами:

1) один из двух трансформаторов питает всю нагрузку собственных нужд (СН), а второй находится в автоматическом резерве;

2) оба трансформатора работают совместно, питая каждый 50…60% нагрузки СН, присоединяемый к раздельно работающим секциям сборных шин низшего напряжения. На межсекционном аппарате имеется схема автоматического ввода резерва (АВР).

К установке принимаем второй вариант эксплуатации ТСН.

Нагрузка СН переменного тока по данным таблицы 2.5 составляет 84.34 кВ.А. Нагрузка на один ТСН определяется по формуле:


(2.7)

где kодн – коэффициент одновременности, kодн =0,7.

.

Для ТСН необходимо иметь резерв, поэтому номинальная мощность ТСН с учетом допустимой перегрузки должна составить:

(2.8)

Соответственно выбираем два трансформатора мощностью 100 кВ.А марки ТМ-100/10.

Панели щитов СН в количестве пяти штук установлены в ОПУ.

Наличие на проектируемой ПС сложных защит, автоматики и телемеханики, обуславливает применение постоянного оперативного тока. Устанавливаем свинцово-кислотные аккумуляторные батареи напряжением 220 В марки СК-5.

Количество элементов, присоединяемых к шинам в режиме постоянного подзаряда, определяется по формуле [6]:

(2.9)

где - число основных элементов в батарее;

- напряжение на шинах, ;

- напряжение на элементе в режиме подзаряда, .


Аккумуляторная батарея СК-5 состоит из 108 элементов. Устанавливаем аккумуляторные батареи в специальном помещении ОПУ.

ТСН подключаем к сборным шинам КРУН 10 кВ через вакуумный выключатель.

Таблица2.6 Технические данные ТСН

Sном , кВА Uвн , кВ Uнн , кВ Pхх , кВт Рк , кВт Uк, % Iхх, %
100 10 0.4 0.22 1.28 4.5 2.8

2.4 Построение годового графика нагрузок подстанции

На рис.2 построен годовой график по продолжительности, результаты расчёта находятся в таблице 2.7.

Таблица 2.7

Годовой график нагрузок по продолжительности

Мощность Интервал времени, час
0 – 2402 2402 – 4945 4945 – 8760
P, МВт 13.76 11.8 10.3
S, МВА 11.87 10.2 8.91

Годовой график нагрузок по продолжительности МВА, S


МВА, S

МВт, Р

16

14

12

S

10

P

8

6

4

2

t


0 2402 4945 8760 час

Рис.2

2.5 Расчёт средней нагрузки и коэффициента заполнения графика

Среднюю нагрузку определим по данным годового графика:

Sср =Wгод /8760 , (2.11)

где Wгод - полная потребляемая энергия за год ;

Wгод =13.76×2402+11.8×(4945-2402)+10.3×(8760-4945)=102353.42 [МВА×ч];

Sср =102353.42 / 8760 = 11.684 [МВА];

Коэффициент заполнения графика:

Кзп = Sср / Smax =11.684/13.76 = 0.85;

Время использования максимальной активной нагрузки за год:

Tmax,a =Wa, год /Pmax ; (2.12)

Wa,год =11.87×2402+10.2×(4945-2402)+8.9×(8760-4945)=88403.84 [МВА×ч];

Tmax , a =88403.84/11.87 = 7447.0 [ч];

Наибольшее время работы в году с максимальной нагрузкой определим по формуле из [3, стр.11]:

tнб =(0.124+ Tmax,a /10000)2 ×8760 , (2.13)

tнб =(0.124+ 7447/10000)2 ×8760 = 6610.5 [ч];

2.6 Выбор силовых трансформаторов

Так как в связи с увеличением нагрузок существующих потребителей, подключением новых мощности одного трарсформатора недостаточно, поэтому необходимо установить второй трансформатор.

Для двухтрансформаторной подстанции:

Sтр >(0.65-0.7)×Sр = 0.65×13.89= 9.02 [МВА];

По [13, табл. 3.8] для двухтрансформаторной подстанции 110/35/10 кВ два варианта трёхфазных трёхобмоточных трансформаторов:

1) 2´ТДТН - 10000/110 ,

2) 2´ТДТН - 16000/110 .

Проверяем возможность работы в аварийном режиме .

Коэффициент перегрузки в аварийном режиме:

К(1) п.ав = Sр /Sном(1) =13.89/10 = 1.389<1.4 ,

К(2) п.ав = Sр /Sном(2) =13.89/16 = 0.868<1.4 .

Условия выполняются, значит работа в аварийном режиме возможна .

Таблица 2.8

Технические данные трансформаторов

Тип

тр-ра

Sн

мва

Uном , кВ

Pх

кВт

Pк

кВт

Uк , %

Iхх

%

Цена т.р

ВН СН НН В-С В-Н С-Н

ТДТН

-10000

10 110 35 11 17 76 10.5 17.5 6.5 1 51
ТДТН-16000 16 110 35 11 21 100 11 17.5 6.5 0.8 62

2.7 Технико-экономический расчёт трансформаторов (по приведённым затратам)

З=Рн ×Кт +И , (2.14)

где Рн – нормативный коэффициент эффективности капитальных вложений ,

Кт – стоимость трансформатора ,

И =ИаА - ежегодные эксплуатационные издержки , (2.15)

Иа =D×n×Кт ×аг – издержки на амортизацию, (аг =0.1) , (2.16)

ИА = в×Агг – издержки из-за потерь электроэнергии , (2.17)

D – коэффициент приведения, учитывающий современные условия ,

в =0.65 [руб] – стоимость одного кВт×ч электроэнергии .

Агг = n×Px ×8760+ 1/n×Pк ×[0.6×(Sвн /Sн )2 +0.4×(S /Sн ) 2 +0.4×(Sнн /Sн ) 2 ]×tнб , (2.18)

где n – число трансформаторов,

tнб =6610.5 [ч] (см. п. 2.5) .

Проведём расчёты для обоих вариантов:

1) Атг =2×17×8760+1/2×76[0.6(13.89/10)2 +0.4(11.21/10) 2 +0.4(2.32/10) 2 ]6610.5= =720301.1 [кВт×ч],

ИА =0.65 × 720301.1 =468195.7 [руб],

Иа =2×0.1×16.5×51=168.3 [тыс.руб], З1 =0.15×51×2×16.5+468.19+168.3 = 888.85 [тыс.руб],

2)

Атг =2×21×8760+1/2×100(0.6(13.89/16)2 +0.4(11.21/16)2 +0.4(2.32/16)2 ]6610.5 =585056.7 [кВт×ч],

ИА =0.65×585056.7=380286.855 [руб],

Иа =2×0.1×16.5×62 =204.6 [тыс.руб],

З2 =0.15×62×2×16.5+380.3+204.6 = 891.8 [тыс.руб] .

Так как затраты во втором варианте больше, чем затраты в первом варианте, то в этом случае, очевидно, выгоднее взять трансформаторы :

2´ТДТН-10000/110/35/10 .


3. КОМПАНОВКА РАСПРЕДЕЛИТЕЛЬНОГО

УСТРОЙСТВА 110 кВ

3.1 Общие положения

Электрооборудование, токоведущие части, изоляторы, крепления, ограждения, несущие конструкции и другие расстояния на ПС должны быть выбраны и установлены таким образом, чтобы:

1) вызываемые нормальными условиями работы электроустановки, нагрев, электрическая дуга не могли привести к повреждению оборудования и возникновению КЗ или замыкания на землю, а также причинять вред обслуживающему персоналу;

2) при нарушении нормальных условий работы электроустановки была обеспечена необходимая локализация повреждений, обусловленных действием КЗ;

3) при снятом напряжении с какой-либо цепи, относящиеся к ней аппараты, токоведущие части и конструкции могли подвергаться безопасному осмотру, замене и ремонтам, без нарушения нормальной работы соседних цепей [4].

Во всех цепях распределительного устройства (РУ) должна быть предусмотрена установка разъединяющих устройств с видимым разрывом, обеспечивающих возможность отсоединения всех аппаратов (выключателей, отделителей, трансформаторов тока и напряжения и тому подобное) каждой цепи от сборных шин, а также от других источников напряжения.

Выключатель или его привод должен иметь хорошо видимый и надежноработающий указатель положения (“включено”, “отключено”).

В открытом РУ (ОРУ), комплектном распределительном устройстве наружной установки (КРУН) должен быть предусмотрен нагрев масла масляных выключателей.

ОРУ ПС должно быть оборудовано стационарными заземляющими ножами, обеспечивающими в соответствии с требованиями безопасности заземление аппаратов и ошиновки без применения переносных заземлений. Заземляющие ножи должны быть окрашены в черный цвет. В местах, в которых стационарные заземляющие ножи не могут быть применены, на токоведущих и заземляющих шинах должны быть подготовлены контактные поверхности для присоединения переносных заземляющих проводников.

Сетчатое ограждение ОРУ должно иметь высоту над уровнем планировки 2 м; сетки должны иметь отверстия размером не менее 10510 мм и не более 25525 мм, а также приспособление для запирания их на замок. Нижняя кромка этих ограждений должна располагаться на высоте 0,1-0,2 м.

Компоновка и конструктивное выполнение РУ должны предусматривать возможность применения механизмов, в том числе специальных, для производства монтажных и ремонтных работ.

3.2 Расчет геометрических параметров ячейки и всего ОРУ 110 кВ

К основным факторам, определяющим конструкцию ОРУ относятся:

1) схема электрических соединений;

2) уровень номинального напряжения;

3) тип и габариты электрооборудования;

4) число и порядок подключения присоединения;

5) компоновка ОРУ и его элементов.

При разработке компоновки ОРУ должны соблюдаться минимальные расстояния от токоведущих частей до элементов ОРУ.

ОРУ выполняется по схеме с одной секционированной системой шин. Рядом с трансформаторами размещена автодорога для проезда ремонтных механизмов. Габарит проезда должен быть не менее 4000 мм по ширине и высоте [4].

Минимальное расстояние от основания фарфора аппарата до земли 2500 мм [4].

ОРУ 110 кВ выполнено с учетом наименьших расстояний от токоведущих частей до различных элементов ОРУ в свету, в соответствии с данными таблицы 9.4 [ 2 ].

Наименьшее расстояние от неогражденных токоведущих частей до земли при наибольшем провисании проводов должно быть 3600 мм [4].

Основные размеры ОРУ 110 кВ:

- расстояние от контакта и ножа разъединителя в отключенном положении до ошиновки, присоединенной ко второму контакту 1100 мм, принимаем 1500 мм;

- расстояние между проводниками разных фаз 1000 мм, принимаем 1500 мм;

- расстояние между осями элементов ячеек (трансформаторов, выключателей) 9000 мм, с тем, чтобы обеспечить расстояние 2900 мм между неогражденными частями различных цепей;

Длина ячейки ОРУ 110 кВ составит 57 м, ширина 39 м. Получаем размеры 57539 м.


4. ВЫБОР ТИПА РАСПРЕДЕЛИТЕЛЬНОГО УСТРОЙСТВА И ИЗОЛЯЦИИПО УСЛОВИЯМ ЗАГРЯЗНЕНИЯ АТМОСФЕРЫ

Как правило, РУ напряжением 35 кВ и выше сооружаются открытыми. Также как и закрытые распределительные устройства (ЗРУ), ОРУ должны обеспечить надежность работы, безопасность и удобство обслуживания при минимальных затратах на сооружение, возможность расширения, максимальное применение крупноблочных узлов заводского изготовления.

Изоляция электроустановок может загрязняться промышленными выбросами в атмосферу, в том числе зимой из дымовых труб электростанций, а в близи морей происходит загрязнение изоляции солями.

Различают шесть степеней загрязненности атмосферы:

1 степень – лес, тундра, лесотундра, поля, луга;

2 степень – сельскохозяйственные угодья, где применяются химические удобрения, промышленного района;

3-6 степени загрязнения – промышленные зоны в зависимости от вида загрязнения и расстояния от него до ПС.

По материалам метеостанций район города Виледь, где располагается проектируемая ПС, будет располагаться в условиях 2 степени загрязнения атмосферы. По воздействию на стальные и металлические конструкции степень агрессивности атмосферы слабая, территория относится к зоне нормальной влажности.

В главе 3 перечислены факторы, определяющие конструкцию и выбор РУ.

Окончательно выбираю ОРУ 110 кВ исходя из степени загрязнения атмосферы (2) и количества присоединений (14), по схеме 2 блока с отделителями и автоматической перемычкой со стороны линии.

ОРУ-35 кВ-одна секционированная выключателем система шин.

Для напряжения 10 кВ выбираю КРУН 10 кВ со шкафами серии К-37.


5. Расчёт токов короткого замыкания

Коротким замыканием (КЗ) называют всякое не предусмотренное нормальными условиями работы соединение двух точек электрической цепи (непосредственное или через пренебрежимо малое сопротивление). Причинами КЗ являются механические повреждения изоляции, ее пробой из-за перенапряжения и старения, обрывов, набросов и схлестывания проводов воздушных линий, ошибочные действия персонала и тому подобное.

Вследствие КЗ в цепях возникают опасные для элементов сети токи, которые могут вывести их из строя. Поэтому для обеспечения надежной работы электрической сети, электрооборудования, устройств релейной защиты производится расчет токов КЗ.

Основная цель расчета состоит в определении периодической составляющей тока КЗ для наиболее тяжелого режима работы сети.

При трехфазном КЗ все фазы электрической сети оказываются в одинаковых условиях, поэтому его называют симметричным. Учет апериодической составляющей производят приближенно, допуская при этом, что она имеет максимальное значение в рассматриваемой фазе [6].

Расчёт проводится для ожидаемого уровня нагрузок в расчетный период.

Расчёт проводится для выбора и проверки уставок релейной защиты и автоматики или проверки параметров оборудования .

Введём ряд допущений, упрощающих расчёт и не вносящих существенных погрешностей:

1. Линейность всех элементов схемы ;

2. Приближенный учёт нагрузок ;

3. Симметричность всех элементов за исключением мест короткого замыкания;

4. Пренебрежение активными сопротивлениями, если X/R>3;

5. Токи намагничивания трансформаторов не учитываются;

Погрешность расчётов при данных допущениях не превышает 2-5% .

5.1 Составление расчётной схемы замещения

Расчёт токов короткого замыкания проводим в относительных единицах. Принимаем нормальный режим работы подстанции. Расчёт проводим для двух режимов: максимального и минимального .

Расчётные точки короткого замыкания:

К1- на шинах ВН ,

К2- на шинах СН ,

К3- на шинах НН ,

К4- на конце воздушной линии, подключенной к шинам СН ( L=25.5 км),

К5- на конце воздушной линии, подключенной к шинам СН ( L=15.0 км),

К6- на конце воздушной линии, подключенной к шинам НН (L= 19.5 км),

К7- на конце воздушной линии, подключенной к шинам НН (L=5.7 км),

К8- на шинах собственных нужд.

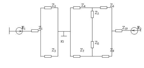
Рис.3 Схема замещения


5.2 Определение параметров схемы замещения

За базисную мощность при расчёте в относительных единицах принимаем мощность системы :

Sб =Sкс =700 [МВА].

Определим базисные напряжения и токи ступеней напряжения:

ВН: Uб,вн =115 [кВ] ;

Iб,вн = Sб / 3 ×Uб,вн = 700/( 3×115) = 3.5 [кА] , (5.1)

СН: Uб,cн = Uб,вн ×К т,вн-сн =115×38.5/115 =38.5 [кВ];

Iб,cн =700/( 3×38.5) =10[кА],

НН: Uб,нн = Uб,вн ×К т,вн-нн =115×11/115=11 [кВ];

Iб,нн = 700/( 3×11) = 37.7 [кА]

Параметры системы:

Z1 =X1 =U2 н,ср ×Sб /Sc ×U2 б,вн =1152 ×700/1152 ×700=1 ; (5.2)

E1 =E ср /Uб,вн =115/115=1 . (5.3)

Параметры воздушных линий ВН:

Для двухцепной ВЛ-110 “КЦБК-Ильинск” Lвн = 61.5 [км] :

X0 =0.4 [Ом/км]; R0 =0.249 [Ом/км] ;

X2 = X3 = X0 ×Lвн ×Sб /U2 б,вн =0.4×61.5×700/1152 =1.3 ;

R2 = R3 = R0 ×Lвн ×Sб /U2 б,вн =0.249×61.5×700/1152 =0.81 ;


Z2 =Z3 = X2 2 + R2 2 = 1.32 +0.812 =1.53 .

Параметры воздушных линий СН:

Для ВЛ-35 “Быково” Lсн = 20 [км] :

X0 =0.432 [Ом/км]; R0 =0.428 [Ом/км] ;

X10 =X0 ×Lсн ×Sб /U2 б,сн =0.432×20×700/38.52 =4.1 ;

R10 =R0 ×L ×Sб /U2 б,cн = 0.428×20×700/38.52 =4.0 ;

Z10 = ÖX10 2 + R10 2 = Ö 4.12 + 4.02 = 5.76 .

Для ВЛ-35 “Самино-I” Lсн = 25.5 [км] :

X11 =X0 ×Lсн ×Sб /U2 б,сн =0.421×25.5×700/38.52 =5.1 ;

R11 =R0 ×L ×Sб /U2 б,cн =0.306×25.5×700/38.52 =3.7 ;

Z11 = ÖX11 2 + R11 2 = Ö5.12 +3.72 =6.3 .

Для ВЛ-35 “Кошкино” L=15 [км].

X130 ×Lсн ×Sб /U2 б,сн =0.432×15×700/38.52 =3.1;

R13 =R0 ×L ×Sб /U2 б,cн =0.306×15×700/38.52 =3.05;

Z13 = ÖX13 2 + R13 2 = Ö3.12 + 3.052 =4.35.

Параметры воздушных линий НН:

Для ВЛ-10 “Ильинск-I” Lнн = 5.7 [км] ;

ВЛ-10 “Ильинск-II” Lнн = 5.7 [км] .

X0 =0.44 [Ом/км]; R0 =0.45 [Ом/км] ;

X16 = X19 =X0 ×Lнн ×Sб /U2 б,нн =0.44×5.7×700/112 =1.18 ;

R16 = R19 =R0 ×Lнн ×Sб /U2 б,нн =0.45×5.7×700/112 =1.21 ;

Z16 = Z19 = ÖX16 2 + R16 2 =Ö1.182 +1.212 =1.7 .

Для ВЛ-10 “Пузырёво” Lнн = 19.5 [км] :

ВЛ-10 “к/з Ленина” Lнн = 19.5 [км] :

X15 = X20 = X0 ×Lнн(в) ×Sб /U2 б,нн =0.44×19.5×700/112 =4.05 ;

R15 = R30 =R0 ×Lнн(в) ×Sб /U2 б,нн =0.45×19.5×700/112 =4.14 ;


Z15 =Z30 = ÖX15 2 + R15 2 = Ö4.052 +4.142 =5.8 .

Для ВЛ-10 “к-з Заря” Lнн = 10 [км] :

ВЛ-10 “ Калинино” Lнн = 10 [км] :

X17 = X21 = X0 ×Lнн(в) ×Sб /U2 б,нн =0.44×10×700/112 =2.07 ;

R17 = R21 =R0 ×Lнн(в) ×Sб /U2 б,нн =0.45×10×700/112 =2.12 ;

Z17 =Z21 = ÖX17 2 + R17 2 = Ö2.072 +2.122 =2.97 .

Параметры силовых трансформаторов:

Xв =0.5/100(Uк,в-с +Uк,в-н -Uк,с-н )= 0.5/100(10.5+17.5-6.5)=0.11 ; (5.4)

Xс =0.5/100(Uк,в-с +Uк,с-н -Uк,в-н )= 0.5/100(10.5+6.5-17.5)= - 0.0025 ; (5.5)

Xн =0.5/100(Uк,в-н +Uк,с-н -Uк,в-с )= 0.5/100(17.5+6.5-10.5)=0.068 ; (5.6)

X4 = X7 = Xв ×Sб ×U2 н,вн /Sн ×U2 б,вн =0.11×700×1152 /10×1152 =7.7 ;

Z4 = Z7 =X4 =7.7 ;

X5 = X8 = Xc ×Sб ×U2 н, c н /Sн ×U2 б, c н = - 0.0025×700×38.52 /10×38.52 = - 0.175 ;

Z5 = Z8 =X5 = - 0.175 ;

X6 = X9 = Xн ×Sб ×U2 н,нн /Sн ×U2 б,нн =0.068×700×112 /10×112 =4.76 ;

Z6 = Z9 =X6 =4.76 .


Параметры КУ:

Z19 =X19 =0.5×Sб ×U2 н,нн /Qку ×U2 б,нн =0.5×700×112 /0.45×112 =777 ; (5.7)

E2 =E3 »1.06 .

Параметры ТСН :

Z14 = Z22 = X14 = X22 ;

X14 = (Uк% /100)×Sб ×U2 н,нн /Sном,тр-ра ×U2 б,нн =(4.5/100)×700×112 /0.1×112 =500 . (5.8)

Все сопротивления схемы замещения сведены в таблицу 5.1

Таблица 5.1

Значения сопротивлений схемы замещения

N0 1 2 3 4 5 6 7 8 9 10 11
О.е. 1 1.53 1.53 7.7 - 0.175 4.76 7.7 -0.175 4.76 5.76 6.3
N0 12 13 14 15 16 17 18 19 20 21 22
О.е. 6.3 4.35 500 5.8 1.7 2.97 777 1.7 5.8 2.97 500

Таблица 5.2Значения ЭДС

Е1 1.00
Е2 1.06

5.3 Расчёт токов КЗ

Расчёт проводится для двух режимов: максимальный и минимальный

За минимальный режим принимаем режим с нормально отключенными секционными выключателями.

За максимальный режим принимаем режим со включенными секционными выключателями.

Точка К1

Максимальный режим (см. рис.4)

Рис.4

Zэкв 1 =(Z2 ×Z3 )/(Z2 +Z3 )=1.53×1.53/3.06=0.765 ,

Zэкв 2 = Zэкв 1 + Z1 =0.765+1=1.765 ,

Zэкв 3 = (Z4 + Z6 ) (Z7 +Z9 ) / (Z4 + Z6 + Z7 +Z9 ) = =(7.7+4.76) (7.7+4.76) / (7.7+7.7+4.76+4.76)=6.23 ,

Zэкв 4 = Z18 + Zэкв 3 =777+6.23 =783.23 ,

Еå = (E1 Zэкв 4 +E2 Zэкв2 )/(Zэкв 4 +Zэкв 2 )= (1×783.23 + 1.06×1.765)/(783.23+1.765)=1.00

Zå = (Zэкв 4 × Zэкв 2 )/(Zэкв 4 + Zэкв 2 )=783.23×1.765/(783.23+1.765)=1.761 ,

Отсюда ток КЗ

I*(3) К1 = Еå / Zå =1.00/1.76=0.57 , (5.9)

I(3) К1 = I*(3) К1 ×Iб,вн = 0.57×3.5=1.99 [кА] . (5.10)


Ударный ток


iуд = 2 ×Куд ×I(3) К1 =1.414×1.6×1.99=4.5 [кА] , (5.11)

где Куд =1.6 для Та=0.02 [с] ( справочная величина ) ;

Минимальный режим (см. рис.5)

Z2

E1 Z1 Z4 Z6 Z19 E2

Z3

Рис.5

Zэкв1 =Z4 +Z6 +Z18 = 7.7+4.76+777= 789.46 ,

Zэкв2 = (Z2 /2)+Z1 = (1.53/2)+1=1.765 ,

E2 =1.06 , E1 =1 ,

Еå =(E1 Zэкв1 +E2 Zэкв2 )/(Zэкв1 +Zэкв2 )=(1×789.46+1.06×1.765)/(789.46+1.765)=1.00 ,

Zå = (Zэкв 1 × Zэкв 2 )/(Zэкв 1 + Zэкв 2 ) = 789.46×1.765/(789.46+1.765)=1.761 ,

I*(3) К1 = Еå / Zå =1.00/1.761=0.57 ,

I(3) К1 = I*(3) К1 ×Iб,вн = 0.57×3.5=1.99 [кА] ,


iуд = 2 ×Куд ×I(3) К1 =1.414×1.6×1.99=4.5 [кА] .

Точка К2 :

Максимальный режим

Zэкв1 = Zэкв1 +( Z2 ×Z6 )/(Z2 +Z3 )=1+0.765=1.765 ,

Zэкв2 = Z18 +(Z6 ×Z9 )/(Z6 +Z9 )=777+ (4.76×4.76)/(4.76+4.76) = 779.38 ,

Z'экв3 = (Zэкв3 ×Zэкв2 )/(Zэкв3 +Zэкв2 ) = (5.615×779.38)/(5.615+779.38)=5.57 ,

Еå =(Е1 ×Zэкв32 ×Zэкв1 )/(Zэкв3 +Zэкв1 )=(1×5.615+1.06×1.765)/(5.615+1.765)=1.01 ,

Zå = (Zэкв5 ×Zэкв8 )/(Zэкв5 + Zэкв8 )= [-0.175×48.8(-0.175)]/(-0.175-0.175)=-0.087 ,

Zå =Zэкв4 +Zэкв5 =5.57-0.087=5.48 ,

I*(3) К2 = Еå / Zå =1.01/5.48=0.184 ,

I(3) К2 = I*(3) К2 ×Iб,сн = 0.184×10.5=1.932 [кА],


iуд = 2 ×Куд ×I(3) К2 =1.414×1.6×1.932=4.37 [кА] .

Минимальный режим

Zэкв1 =1.765 (см.макс. режим в точке К2)

Zэкв3 =Zэкв1 +Z4=1.765+7.7=9.465 ,

Еå =(Е1 ×Zэкв2 + E2 Zэкв1 )/(Zэкв2 + Zэкв1 ) = (1.00×781.76 + 1.06×1.765)/(781.76 + 1.765)=1.0

Zå = Z5 + (Zэкв 3 × Zэкв 2 )/(Zэкв 3 +Zэкв 2) = - 0.175 + (9.465×781.76)/(9.465+781.76) = 9.176

I*(3) К2 = Еå / Zå =1.00/9.176=0.11 ,

I(3) К2 = I*(3) К2 ×Iб,сн = 0.11×10.5=1.14 [кА],

iуд = 2 ×Куд ×I(3) К2 =1.414×1.6×1.14=2.59 [кА] .

Точка К3:

Максимальный режим

Zэкв1 = (Zэкв2 ×Zэкв3 )/ (Zэкв2 + Zэкв3 ) + Z1 =0.765+1=1.765 ,

Zэкв2 =Zэкв1 +( Zэкв4 + Zэкв6 )( Zэкв7 + Zэкв9 )/( Zэкв4 + Zэкв6 + Zэкв7 + Zэкв9 ) =

=1.765+(7.7+4.76)(7.7+4.76)/(7.7+7.7+4.76+4.76)=8.0 ,

Еå = (E1 Zэкв18 +E2 Zэкв2 )/(Zэкв18 +Zэкв2 )= (1.00×777+1.06×6.18)/(777+6.18)= 1.00 ,

Zå = (Zэкв 2 × Zэкв 18 )/(Zэкв 2 + Zэкв 18 )=(8.0×777)/(8.0+777)=7.92 ,

I*(3) К3 = Еå / Zå =1.00/7.92=0.12 ,

I(3) К3 = I*(3) К3 ×Iб,нн = 0.12×37.7=4.70 [кА],


iуд = 2 ×Куд ×I(3) К3 =1.414×1.6×4.70=10.6 [кА] .

Минимальный режим

Zэкв1 = Zэкв1 + Zэкв4 + Zэкв6 + (Zэкв2 ×Zэкв3 )/(Zэкв2 +Zэкв3 )=1 + 7.7 + 4.76 + 0.76=14.23,

Еå =(E1 ×Z18 +E2 ×Zэкв1 )/( Z18 + Zэкв1 )=(1.00×777+1.06×14.23)/(777+14.23)=1.00 Zå =(Zэкв1 ×Zэкв18 )/(Zэкв1 + Zэкв18 )= (14.23×777)/(14.23+777)=13.97 ,

I*(3) К3 = Еå / Zå =1.00/13.97= 0,07

I(3) К3 = I*(3) К3 ×Iб,нн = 0.07×37.7=2.7 [кА];


iуд = 2 ×Куд ×I(3) К3 =1.414×1.6×2.7 = 6.1 [кА] .

Точка К4:

Максимальный режим

Zэкв1 = Zэкв1 +(Z2 ×Zэкв3 )/(Zэкв2 +Zэкв3 ) = 1+0.765=1.765 ,

Zэкв2 = (Z4 ×Z7 )/(Z4 +Z7 ) + Zэкв1 =(7.7×7.7)/(7.7+7.7)+1.765=5.615 ,

Zэкв3 = Z18 + (Z6 ×Z9 )/(Z6 +Z9 )=777+(4.76 × 4.76)/(4.76+4.76)=779.38 ,

Zэкв4 = (Z2 ×Z3 )/( Z2 +Z3 )=(5.615×779.38)/(5.615+779.38)=5.57 ,

Еå = (E1 Zэкв3 + E2 Zэкв2 )/ (Zэкв3 + Zэкв2 )= (1.00×779.38 + 1.06×5.615)/(779.38 + 5.615)= 1.0

Zå = Zэкв5 + Zэкв4 + Z11 = -0.087+5.57+6.3=11.78 ,

I*(3) К4 = Еå / Zå =1.0/11.78=0.085 ,

I(3) К4 = I*(3) К4 ×Iб,сн = 0.085×10.5=0.89 [кА],

iуд = 2 ×Куд ×I(3) К4 =1.414×1.6×0.89 = 2.0 [кА] .

Минимальный режим

Zэкв1 = Z1 +( Z2 ×Z3 )/( Z2 + Z3 )+ Z4 =1+0.765+7.7=9.47 ,

Zэкв2 = Z18 + Z6 =777+4.76=781.76

Еå =(E2 ×Zэкв1 +E1 Zэкв2 )/(Zэкв1 +Zэкв2 )=(1.06×9.47+1×781.76)/(9.47+781.76)=1.00

Zå =(Zэкв1 ×Zэкв2 )/(Zэкв1 +Zэкв2 )+Z5 +Z11 =(9.47×781.76)/(947+781.76)+(-0.175)+6.3= =15.48 ,

I*(3) К4 = Еå / Zå =1.00/15.48=0.065 ,

I(3) К4 = I*(3) К4 ×Iб,сн = 0.065×10.5=0.68 [кА],

iуд = 2 ×Куд ×I(3) К4 =1.414×1.6×0.68=1.53 [кА] .

Точка К5:

Максимальный режим

Zэкв1 = Z1 +(Z2 ×Z3 )/(Z2 + Z3 )= 1+0.765=1.765 ,

Zэкв2 = (Z4 ×Z7 )/( Z4 + Z7 )+Zэкв1 =(7.7×7.7)/(7.7+7.7)+1.765=5.615 ,

Zэкв3 = Z18 +(Z6 ×Z9 )/( Z4 + Z4 )=777+(4.76×4.76)/(4.76+4.76)=779.38 ,

Zэкв4 = (Zэкв2 ×Zэкв3 )/( Zэкв2 + Zэкв3 )=(5.615×779.38)/(5.615+779.38)=5.57 ,

Zэкв5 =( Z5 ×Z8 )/( Z5 + Z8 )=[(-0.175)×(-0.175)]/[(-0.175)+(-0.175)]=-0.087 ,

Еå = 1.00 (см.максим.режим К4)

Zå = Zэкв4 + Zэкв5 + Zэкв13 =5.57+(-0.087)+4.35=9.83 ,

I*(3) К5 = Еå / Zå =1.00/9.83=0.102 ,

I(3) К5 = I*(3) К5 ×Iб,сн = 0.102×10.5=1.07 [кА];

iуд = 2 ×Куд ×I(3) К5 =1.414×1.6×1.07=2.4 [кА] .

Минимальный режим

Zэкв1 = Z1 +(Z2 ×Z3 )/( Z2 + Z3 )=1.765 (см.максим.режим К5) ;

Zэкв2 = Z4 + Z6 + Z18 =7.7+4.76+777=789.46 ,

Zэкв3 =( Zэкв1 ×Zэкв2 )/( Zэкв1 + Zэкв2 )=(1.765×789.46)/(1.765+789.46)=1.76 , Еå =(E1 Zэкв2 +E2 Zэкв1 )/(Zэкв2 +Zэкв1) = (1.0×789.46+1.06×1.765)/(789.46+1.765)=1.0 ,

Zå = Zэкв3 + Z7 +Z8 +Z13 =1.76+7.7+(-0.175)+4.35=13.63 ,

I*(3) К5 = Еå / Zå =1.0/13.63=0.073 ,

I(3) К5 = I*(3) К5 ×Iб,сн = 0.073×10.5=0.77 [кА],

iуд = 2 ×Куд ×I(3) К5 =1.414×1.6×0.77=1.74 [кА].

Точка К6:

Максимальный режим

Zэкв1 =1.765 (см.максим.режим К5),

Zэкв2 =[(Z4 +Z6 )×( Z7 +Z9 )]/( Z4 + Z6 + Z7 + Z9 )+Zэкв1 = =[(7.7+4.76)×(7.7+4.76)]/(7.7+4.76+7.7+4.76)+1.765=8.0 ,

Еå = (E1 Z18 +E2 Zэкв2 )/( Z18 + Zэкв2 )=(1.0×777+1.06×8.0)/(777+8.0)= 1.00 ,

Zå = Z15 +(Zэкв2 ×Z18 )/(Zэкв2 +Z18 )=5.8+7.92=13.72 ,

I*(3) К6 = Еå / Zå =1.00/13.72=0.073 ,

I(3) К6 = I*(3) К6 ×Iб,нн = 0.073×37.7=2.75 [кА],

iуд = 2 ×Куд ×I(3) К6 =1.414×1.6×2.75=6.2 [кА] .


Минимальный режим

Zэкв1 =1.765 (см.максим.режим К5) ,

Zэкв2 = Z4 + Z6 + Zэкв1 = 7.7+4.76+1.765=14.23 ,

Еå =(E1 ×Z18 +E2 Zэкв2 )/( Z18 + Zэкв2 )=(1.00×777+1.06×14.23)/(777+14.23)=1.00,

Zå =Z16 +(Zэкв2 ×Z18 )/( Zэкв2 + Z19 )=5.8+(14.23×777)/(14.23+777)=19.77 ,

I*(3) К6 = Еå / Zå = 1.00/19.77= 0.05 ,

I(3) К6 = I*(3) К6 ×Iб,нн = 0.05×37.7=1.9 [кА],

iуд = Ö2 ×Куд ×I(3) К6 =1.414×1.6×1.9=4.3 [кА] .

Точка К7:

Максимальный режим

Zэкв1 =1.765 (см.максим.режим К5) ,

Zэкв2 =8.0 (см.максим.режим К6) ,

Еå = 1.00 (см.максим.режим К6) ,

Zå = Z16 +(Zэкв2 ×Z18 )/( Zэкв2 + Z18 )=1.7+7.92=9.62 ,

I*(3) К7 = Еå / Zå = 1.00/9.62=0.1 ,

I(3) К7 = I*(3) К7 ×Iб,нн = 0.1×37.7=3.92 [кА],

iуд = 2 ×Куд ×I(3) К7 =1.414×1.6×3.92=3.92 [кА] .

Минимальный режим

Zэкв1 = 1.765 (см максим.режим К5) ,

Zэкв2 =14.23 (см.миним.режим К6) ,

Еå = 1.00 (см.миним.режим К6) ,

Zå =Z16 +(Zэкв2 ×Z18 )/(Zэкв2 +Z18 )=1.7+(14.23×777)/(14.23+777)=15.67 ,

I*(3) К7 = Еå / Zå = 1.00/15.67=0.064 ,

I(3) К7 = I*(3) К7 ×Iб,нн = 0.064×37.7=2.4 [кА],

iуд = 2 ×Куд ×I(3) К7 =1.414×1.6×2.4=5.44 [кА] .

Точка К8:

Максимальный режим

Zэкв1 =1.765 (см.максим.режим К5) ,

Zэкв2 = 8.0 (см.максим.режим К6) ,

Еå = 1.00 (см.максим.режим К6) ,

Zå = 7.92+500=507.92 (см.максим.режим К7) ,

I*(3) К8 = Еå / Zå =1.00/507.92=0.002 ,

I(3) К8 = I*(3) К8 ×Iб,нн = 0.002×37.7=0.07 [кА],

iуд = 2 ×Куд ×I(3) К8 =1.414×1.6×0.07=0.158 [кА] .

Минимальный режим

Zэкв1 =1.765 (см.миним.режим К6) ,

Zэкв2 =14.23 (см.миним режим К6) ,

Еå = 1.00 (см.миним.режим К6) ,

Zå =500+13.97=513.97 (см.миним.режим К6),

I*(3) К8 = Еå / Zå = 1.00/ 513.97=0.002

I(3) К8 = I*(3) К8 ×Iб,нн = 0.002×37.7=0.07 [кА] ,

iуд = 2 ×Куд ×I(3) К8 =1.414×1.6×0.07=0.158 [кА] .

Таблица 5.1

Результаты расчета токов короткого замыкания

N0 точки КЗ

I(3) к ,max

кА

I(3) к ,min

кА

iуд ,max

кА

iуд ,min

кА

К1 1.99 1.99 4.5 4.5
К2 1.93 1.14 4.37 2.59
К3 4.7 2.7 10.6 6.1
К4 0.89 0.68 2.0 1.53
К5 1.07 0.77 2.42 1.74
К6 2.75 1.9 6.2 4.3
К7 3.92 2.4 8.86 5.44
К8 0.07 0.07 0.158 0.158

6. ВЫБОР КОММУТАЦИОННОЙ , ЗАЩИТНОЙ АППАРАТУРЫ И СБОРНЫХ ШИН

Электрические аппараты, изоляторы и токоведущие устройства работают в условиях эксплуатации в трех основных режимах: длительном, перегрузки (с повышенной нагрузкой, которая для некоторых аппаратов достигает значения до 1,4 номинальной) и короткого замыкания (КЗ).

В длительном режиме надежная работа аппаратов, изоляторов и токоведущих устройств обеспечивается правильным выбором их по номинальному напряжению и току.

В режиме перегрузки надежная работа аппаратов и других устройств электрических установок обеспечивается ограничением значения и длительности повышения напряжения или тока в таких пределах, при которых еще гарантируется нормальная работа электрических установок за счет запаса мощности.

В режиме КЗ надежная работа аппаратов, изоляторов и токоведущих устройств обеспечивается соответствием выбранных параметров устройств условиям термической и электродинамической стойкости. Для выключателей, предохранителей и выключателей нагрузки добавляется условие выбора их по отключающей способности.

В проекте предусмотрена установка вакуумных выключателей серии ВВ/TELв КРУН-10.

Выключатели вакуумные серии BB/TEL предназначены для коммутации электрических цепей с изолированной нетралью при нормальных и аварийных режимах рабрты в сетях переменного тока частоты 50 Гц с номинальным напряжением U=6-10 кВ.

Вакуумный выключатель (ВВ) - это коммутационный аппарат нового поколения, в основе принципа действия которых лежит гашение возникающей при размыкании контактов электрической дуги в глубоком вакууме, а фиксация контактов вакуумных дугогасительных камер(ВДК) в замкнутом положении осуществляется за счет остаточной индукции приводных электромагнитов(“магнитная защелка“).

Отличительная особенность конструкций ВВ/TEL по сравнению с традиционными коммутационными аппаратами в том, что соосность электромагнитного привода и ВДК в каждом полюсе ВВ, которые механически соеденены между собой общим валом.

Оригинальность конструкции ВВ/TEL позволила достичь следующих преймуществ по сравнению с другими коммутационными аппаратами:

- высокий механический и коммутационный ресурс;

- малые габариты и вес;

- небольшое потребление энергии по цепям управления;

- возможность управления по цепям постоянного, выпрямленного и переменного оперативного тока;

- простота встраивания в различные типы КРУ и КСО и удобство организации необходимых блокировок;

- отсутствие необходимости ремонта в течении всего срока службы;

- доступная цена.

Благодаря своим преймуществам BB/TEL широко применяется во вновь разрабатываемых (КРУ,КСО,КРН), а также для реконструкции ячеек КРУ, находящихся в эксплуатации и имеющих в своем составе на момент реконструкции выключатели других конструкций, которые устарели морально и физически.

Отделители заводского изготовления на стороне 110 кВ, в перемычке переделываются для работы “на включение”. Такая схема с автоматической перемычкой более предпочтительна, т.к. она обеспечивает надежное электроснабжение потребителей при повреждениях на линиях, которые возникают гораздо чаще, чем повреждение трансформаторов.


6.1 Выбор выключателей, разъединителей, отделителей и короткозамыкателей

Выключатели выбираются по номинальному значению тока и напряжения, роду установки и условиям работы, конструктивному исполнению и отключающим способностям

Выбор выключателей производится:

1) по напряжению Uном ³ Uсети,ном ,

2) длительному току Iном ³ Iраб, max ,

3) по отключающей способности.

Проверяется возможность отключения периодической составляющей тока короткого замыкания


tа, t £tа,норм = 2×bнорм ×Iоткл норм (6.1)

допускается выполнение условия

Ö2×(1+bнорм )Iоткл норм >tк, t = Ö 2 ×Iп, t +tа, t , (6.2)

где bнорм – нормативное процентное содержание апериодической составляющей в токе отключения;

t - наименьшее время от начала короткого замыкания до момента расхождения контактов:

t=tз,мин +tсоб , (6.3)

где tз,мин =0.01 – минимальное время действия защиты ;

tсоб – собственное время отключения выключателя .

На электродинамическую стойкость выключатель проверяется по предельному сквозному току короткого замыкания:

I(3) кз £Iпр,скв ; iпр,скв =iдин >iуд , (6.4)

где Iпр,скв – действительное значение предельного сквозного тока короткого замыкания;

I(3) кз – начальное значение периодической составляющей тока короткого замыкания в цепи выключателя.

На термическую стойкость выключатель проверяется по тепловому импульсу

I2 терм,норм ×tтерм,норм ³Bк , (6.5)

где I2 терм,норм – предельный ток термической стойкости;

tтерм,норм – нормативное время протекания предельного тока термической стойкости.

6.1.1 Выбор аппаратуры на стороне ВН

Тепловой импульс тока короткого замыкания определяется по формуле:

Bк = (I(3) к, max )2 ×(tоткла ) , (6.1.1)

где Та = 0.02 [c];

tоткл – справочная величина

tоткл = tр . з . осн + tв . откл , (6.1.2)


где tр.з.осн – время действия основной релейной защиты;

tв.откл – полное время отключения выключателя.

Iвн раб, max = Sр / Ö 3 ×Uвн (6.1.3)

Iвн раб, max = 11.6×103 /1.732×110= 60.9 [A]

Выбор и обоснование разъединителей, отделителей и короткозамыкателей на стороне ВН приведены в таблице 6.1.

6.1.2 Выбор аппаратуры на стороне С


Iсн раб, max = Sр / Ö3 ×Uсн = 9.3×103 /1.732×35=154.0 [A]

Выбор и обоснование аппаратуры на стороне СН приведены в таблице 6.2

Выбор секционного выключателя и разъединителей на стороне СН:

(секционный выключатель марки С-35М уже был установлен в плане строительства первой очереди):


Iсн раб ,max = Sр / Ö 3 ×2×Uсн = 77 [A] (6.1.4)

Выключатель и разъединители выберем те же (см.таблицу 6.2)

Выбор аппаратуры на линиях СН:

Iсн раб ,max = Sр / Ö 3 ×4×Uсн = 9.3×103 /4×1.732×35=38.5 [A].

Выключатели и разъединители возьмём такие же, что и в таблице 6.2.


6.1.3 Выбор аппаратуры на стороне НН

на вводе Iнн раб, max = Sр /Ö 3 ×Uнн = 2000/1.732×10=115.5 [A].

В вводной ячейке монтируем вакуумный выключатель серии BB/TEL.

Выбор и обоснование приведены в таблице 6.3.

Выбор секционного выключателя :

Iнн раб, max = Sр / Ö3 ×2×Uнн = 2000/2×1.732×10=57.7 [A] .

Выключатель возьмём такой же, что и в таблице 6.3.

Таблица 6.1

Выбор аппаратуры на стороне ВН (110 кВ )

Условия

выбора

Численное

Значение

РЗД-2-110/1000 УХЛ1 ОДЗ-1-110/1000 УХЛ1 КЗ-110УХЛ1
Uном ³ Uсети Uсети =110кВ Uном =110кВ Uном =110 кВ Uном =110 кВ
Iном ³ Iраб, max Iраб, max =60.9А Iном =1000 А Iном =1000А -
Iоткл ³ Iкз Iкз =1.99 кА - - -
iпр.скв ³ iуд iуд =4.5 кА iпр.скв =80кА iпр.скв =80кА iпр.скв =51кА
I2 ×t ³ Bк Bк =11.9 кА2 с I2 ×t=2977кА2 с I2 ×t=2977кА2 ×с I2 ×t=1200кА2 с

Таблица 6.2

Выбор аппаратуры на стороне СН (35 кВ )

Условия выбора Численное значение РЗД-2-35/1000 УХЛ1 С-35М-630-10 У1
Uном ³ Uсети Uсети =35 кВ Uном =35 кВ Uном =35 кВ
Iном ³ Iраб, max Iраб, max =154 А Iном =1000 А Iном =630 А
Iоткл ³ Iкз Iкз =1.93 кА - Iоткл =10 кА
iпр.скв ³ iуд iуд =4.37 кА iпр.скв =63 кА iпр.скв =26 кА
I2 ×t ³ Bк Bк =11.2 кА2 с I2 ×t=625 кА2 с I2 ×t=300 кА2 с

Таблица 6.3

Выбор аппаратуры на стороне НН (10 кВ )

Условия

выбора

Численное

Значение

BB/tel-10-12.5/630У3
Uном ³ Uсети Uсети =10 кВ Uном =10кВ
Iном ³ Iраб, max Iраб, max =115.5А Iном =630А
Iоткл ³ Iкз Iкз =4.7 кА Iоткл =12.5кА
iпр.скв ³ iуд iуд =10.6 кА Iпр.скв =12.5 кА
I2 ×t ³ Bк Bк =66.3кА2 с -

6.2 Выбор трансформаторов тока и напряжения

6.2.1 Выбор трансформаторов тока

На стороне 110 кВ для силового трансформатора выбираем встроенные в трансформатор ТТ (см. таблицу 6.3).

Количество ТТ на один ввод: 2 штуки.

На стороне 35 кВ выбираем встроенные в выключатель ТТ, выбор и обоснование которых приведены в таблице 6.4. Количество ТТ на выключатель 12 штук.

На стороне 10 кВ выбор и обоснование ТТ представлен в таблице 6.5

Таблица 6.4

Выбор ТТ на стороне ВН (110 кВ )

Условия

выбора

Численное

Значение

ТВТ-110-I-150/5

(для силового тр-ра)

Uном ³ Uсети Uсети =110 кВ Uном =110 кВ
Iном ³ Iраб, max Iраб, max =60.9А Iном =150 А
iдин ³ iуд iуд =4.5 кА iдин =20 кА
I2 ×t ³ Bк Bк =11.9 кА2 ×с I2 ×t=133 кА2 ×с

Таблица 6.5

Выбор ТТ на стороне СН (35 кВ )

Условия

Выбора

Численное

значение

На вводе секционный на линии
ТВ-35-III- 300/5 ТВ-35-III-300/5 ТФЗМ-35А-У1-150/5
Uном ³ Uсети Uсети =35 кВ Uном =35 кВ Uном =35 кВ Uном =35 кВ
Iном ³ Iраб, m Iраб, max =154/ 77/38.5 А Iном =200 А Iном =100 А Iном =75 А
iдин ³ iуд iуд =4.37 кА iдин =10 кА iдин =10 кА iдин =15 Ка
I2 ×t ³ Bк Bк =11.2кА2 с I2 ×t=400кА2 с I2 ×t=400кА2 с I2 t=15.9кА2 с

Таблица 6.6

Выбор ТТ на стороне НН (10 кВ)

Условия

выбора

Численное

значение на вводе

ТЛМ-10- 2УЗ

Численное

Значение на линиях

ТЛМ-10-2УЗ
Uном ³ Uсети Uсети =10 кВ Uном =10 кВ Uсети =10 кВ Uном =10 кВ
Iном ³ Iраб, max Iраб, max =115 А Iном =200 А8 Iраб, max = 20А Iном =100 А
iдин ³ iуд iуд = 10.6 кА iдин =52 Ка Iуд =2.4 кА iдин =17.6 кА
I2 ×t ³ Bк Bк =66.3 кА2 ×с I2 ×t=306кА2 с Bк =46.1кА2 с I2 ×t=119кА2 с

Условия

выбора

Значение для секционного

ТТ

ТЛМ-10-2УЗ

ТВТ-I-10-600/5

(встроенный в тр-р)

Uном ³ Uсети Uсети =10 кВ Uном =10кВ Uном =10 кВ
Iном ³ Iраб, max Iраб, max =57.7 А Iном =100 А Iном =600 А
iдин ³ iуд iуд =10.6 кА iдин =17.6Ка iдин =85.5 кА
I2 ×t ³ Bк Bк =66.3 кА2 ×с I2 ×t=119.1кА2 ×с I2 ×t=2350 кА2 ×с

6.2.3 Выбор трансформаторов напряжения

Условие выбора ТН:

Uном ³ Uсети (6.2.1).

В данном проекте на место деионтируемых трансформаторов напряжения марки ЗНОМ-35 и НТМИ-10 устанавливаются НАМИ-35 и НАМИ-10.Этот тип трансформатора напряжения является масштабным измерительным преобразователем и предназначен для выработки сигнала измерительной информации для электрических измерительных приборов и цепей учета, защиты и сигнализации в сетях 10-35 кВ с изолированной нейтралью. В отличие от НТМИ-НАМИ, благодаря антирезонансным свойствам имеет повышенную надежность и устойчив к перемежающимся дуговым замыканиям сети на землю.Для обеспечения своей устойчивости он не требует принятия каких-либо дополнительных мер со стороны потребителя.

ТН подключаются через предохранители- на 35 кВ-типа ПКТ-102-35-20-8У3:

Uном =35 кВ, I ном пр. =50 А, Iоткл.ном =2.5 кА; на 10кВ ПКТ-104-10-200-12.5У3: Uном =10кВ, Iном пр.= 50 А, Iоткл.ном =2.5 кА.

Выбор ТН представлен в таблице 4.7

Таблица 6.7 Выбор ТН

Тип ТН Uном , кВ Uном1, кВ Uном2, В Uном.доп, В Sном, ВА (0.5) Sпред, ВА
НКФ-110-83У1 110 110/Ö3 100/Ö3 100 400 2000
НАМИ-35-УХЛ1 35 35/Ö3 100/Ö3 100/3 150 1200
НАМИ-10-УХЛ1 10 10 100 100/3 120 1000

Для РУНН-10 кВ выбираем камеры высоковольтных сборных РУ серии К-37, с одной системой шин , одностороннего обслуживания на напряжение до 110 кВ и ток до 1000 А с вакуумным выключателем серии BB/TEL-10 и приводом к ним типа БУ/TEL-220-10 . Т.к.привод взаимозаменяемый с существующими пружинномоторными и электромагнитными приводами (ПЭ-11, ПП-61, ППО-10 и т.п.),то адаптация цепей РзиА этих ячеек к работе с выключателями BB/TEL-не требуется.

Аппаратура первичной коммутации размещена в пределах камеры . Сборные шины вне камеры . Разъединители и выключатели нагрузки со стационарными заземляющими ножами и блокировками.

6.3 Выбор оборудования установленного в нейтрали трансформаторов

В нейтрали трансформатора, на стороне 35 кВ устанавливаются:

1. Ограничители перенапряжения (ОПН);

2. Дугогасительная катушка;

3. Заземляющий разъединитель марки ЗОН-110 М-1-У1;

4. Трансформаторы тока ТВТ-35-1-300/5.

4.3.1 Выбор ограничителей перенапряжения

Ограничитель перенапряжения (ОПН)-это защитный аппарат, состоящий из нелинейного металлооксидного сопротивления, заключенного в изоляционную покрышку.Сопротивление ОПН состоит из последовательно соединенных варисторов. Основным отличием ОПН от разрядника, определяющим особенности его выбора и эксплуатации, является постоянное подключение к сети, а не через искровой промежуток.

Создание ограничителей перенапряжения позволило отказатся от дорогостоящих и ненадежных искровых промежутков, значительно (на 30-50%) снизить уровень ограничения коммутационных перенапряжений, в 2-3 раза улучшить массово-габаритные показатели защитных аппаратов.

Специалистями предрприятия “Таврида Электрик” разработаны типовые “Рекомендации по выбору и применению ограничителей перенапряжений”.По желанию потребителя выбор необходимых ОПН может быть выполнен специалистами предприятия-изготовителя,что и было сделано при выполнении проекта.

Условие выбора ограничителей перенапряжения:

Uном =Uсети (6.3.1)

Параметры ОПН представлены в таблице 6.8

Таблица 6.8

Параметры и технические данные ограничителей перенапряжения

Тип ОПН

ОПН-У/TEL

110/70

ОПН-Т/TEL

35/40.5

ОПН-Т/TEL

10/10.5

Класс напряжения сети Uном =110 кВ Uном =35 кВ Uном =10 кВ
Наибольшее рабочее длительно допустимое напряжение Uдлит.доп =70 кВ Uдлит.доп =40.5 кВ Uдлит.доп =10.5 кВ
Номинальный разрядный ток,при импульсе 8/20мкс Iном.разр =10 кА Iном.разр =10 кА Iном.разр =10 кА
Максимальная амплитуда импульса тока 4/10мкс Iампл =100 кА Iампл =100 кА Iампл =100 кВ

В нейтраль главного понизительного трансформатора ставим разрядники ОПН-Т/TEL 35/38.5 и OПН-Т/TEL 10/10.5.

6.3.2 Выбор дугогасительной катушки

Задача эксплуатации дугогасительной катушки (ДК) состоит в том, чтобы уменьшить ток замыкания на землю и тем самым обеспечить быстрое погасание заземляющей дуги. При значение тока КЗ в изолированной нейтрали более 10 А повляется необходимость установки ДК.

Произведем расчет однофазного тока короткого замыкания на землю в сети 35 кВ.

В сетях с изолированной нейтралью в точке замыкания фазы на землю проходит ток, равный геометрической сумме емкостных токов неповрежденных фаз:

Ic =3×Uф jw×C , (6.4.1)

где Iс -ток замыкания на фазу, А;

С=С0 ×l-емкость сети, Ф;

w=2p¦-угловая частота,с-1 .

С00 ×10-6 /2p¦ , (6.4.2)

где в0 -удельная проводимость сети, (в0 =2.65см).

Для ВЛ-35 “Самино-1”, “Самино-2”:

С0 =2.65×10-6 /(2×3.14×50)=8.44×10-9 [Ф/км] ,

С=25.5×8.44×10-9 =2.15×10-7 [Ф] ,

Ic =3×(35000/Ö3)×314×2.15×10-7 =4.1 [А].

Аналогичным способом определим Ic для остальных ВЛ-35 кВ:

Для ВЛ-35 “Быково”: С0 =8.44×10-9 Ф/км, С=1.5×10-7 Ф, Iс =2.86 А;

Для ВЛ-35 “Кошкино”: С0 =8.44×10-9 Ф/км, С=1.16×10-7 Ф, Iс =2.2 А;

åIc =4.1+4.1+2.86+2.2=13.26А>10A.

Таким образом необходима установка дугогасительной катушки.

Параметры катушки приведены в таблице 6.9


Таблица 6.9 Параметры дугогасящей катушки

Тип

Типовая мощность, кВ×А

Номинальное напряжение сети, кВ Номинальное напряжение реактора, кВ Предельный ток реактора, А

Трансформатор

тока

Масса, кг
Тип Масла Общая
РЗДСОМ-310/35У1 310 35 38.5/Ö3 25 ТВ-35-III-200/5У2 880 2100

6.4 Выбор шин

6.4.1 Выбор шин на стороне 110 и 35 кВ

Так как расширяемая подстанция блочного типа, то вся ошиновка оборудования выполняется из аллюминиевых труб, которые расчитывает и поставляет предприятие-изготовитель,в связи с этим расчет ошиновки выполненных из аллюминевых труб в проекте не выполняется .

Согласно расчетам предприятия-изготовителя на стороне 110 кВ устанавливаем аллюминиевые трубы наружным диаметром 16 мм, при этом Iдоп =295А>61А;

На стороне 35 кВ устанавливаем аллюминиевые трубы наружным диаметром 20 мм, при этом Iдоп =345А>154А.

6.4.2 Выбор шин на стороне 10 кВ

Iнн раб, max =115.5 [A],

gмин = ÖВк /ct = Ö66.3×106 /90=90.47 [мм2 ].

Сборные шины выполним жесткими алюминиевыми.Выбираем однополосные алюминиевые шины прямоугольного сечения размером b´h=50´5 мм:


Iдоп =665 А> Iнн раб, max =115.5 A,

условие по допустимому току выполняется.

Площадь поперечного сечения : S=2.49 cм2 ,

масса 1 м шины :0.672 кг ( табл.7.2[2]).

Механическая система:две полосы-изоляторы должны иметь частоту собственных колебаний больше 200 Гц , чтобы не произошло резкого увеличения усилий в результате механического резонанса.Исходя из этого первое условие выбора пролёта:

l£ 0.133×10-2 × 4 ÖE×Jn /mn , (6.4.3)

где Jn =b×h3 /12 – момент инерции полосы;

mn = 2.152 кг/м ;

E=7×1010 Па – модуль упругости.

Второе условие выбора такое, чтобы электродинамические силы, возникающие при КЗ не вызывали соприкосновение полос:

ln £ 0.216×Öаn /iуд ×4 ÖE×Jnср , (6.4.4)

где кср =0.47;

аn =2×0.8=1.6 см – расстояние между осями полос.

По первому условию

Jn =b×h3 /12=5×0.53 /12=0.34 ,

тогда l=0.133×10-2 4 Ö 7×1010 ×0.05/0.672 =0.36 [м].


По второму условию


ln =0.216×Ö1.6/ 10.6×103 × 4 Ö7×1010 ×0.05/0.47 =0.78 [м]

Принимаем ln =0.36 м ,

тогда число прокладок в пролете n=l / ln -1 , где l=1.2 м

n=1.2/0.36 – 1=2.3 принимаем n=2

При двух прокладках в пролете, расчетный пролет

ln =l /n+1=1.2/3=0.4 [м].

Определим силу взаимодействия между полюсами:

fn = (iуд 2 ×кср /4×h) ×10-7 , (6.4.8)

fn = ((10.6×103 )2 ×0.47/4×0.005) ×10-7 =264.05 [Н/м].

Напряжение в материале полос:

fn ×ln 2

sn = (6.4.9)

12×Wn

где Wn = h2 × b/6 – момент сопротивления одной полосы ;

Wn = 0.52 × 5/6=0.21 , тогда

sn =264.05×0.42 /12×0.21=16.76 [МПа].


Напряжение в материале шин от взаимодействия фаз:

l2 ×iуд 2

sф = Ö3 ×10-8 , (6.4.10)

а×Wср

где Wср = h2 × b/3 – момент сопротивления;

Wср = 0.52 .5/3=0.42 ,

а=0.8 – расстояние между фазами.

sф =1.732×10-8 ×1.22 ×10.62 ×106 /0.8×0.42=8.3 [МПа],

шины остаются механически прочными , если

sрасч =sn +sф £sдоп ; (6.4.11)

sдоп =75 [МПа],

sрасч =16.76+8.3=25.1<75 условие выполняется.


7. РАСЧЕТ УСТРОЙСТВ ЗАЗЕМЛЕНИЯ И МОЛНИЕЗАЩИТЫ

При расчёте молниезащиты используется методика из [3]. Принимаем высоту молниеотвода h=50 м ,(см.рис.6)

Зона защиты одиночного стержневого молниеотвода

О

О’

K rx M


B B’ C A’ A

Рис.6

Длина отрезков: CA’=CB’=0.75×h=0.75×50=37.5 [м],

Расстояние: CO’=0.8×h=0.8×50=40 [м],

Длина отрезков: CA=CB=1.5×h=1.5×50=75 [м].

Защиты определяются по следующим выражениям:

rx =1.5(h-1.25hx ) при 0 £hx £ 2/3h , (7.1)

rx =0.75(h-hx ) при hx ³ 2/3h. (7.2)

Оптимальная высота молниеотвода определяется из предыдущих выражений по формулам:

hопт = (rx +1.9hx )/1.5 при0 £hx £ 2/3h , (7.3)

hопт = (rx +0.75hx )/0.75 приhx ³ 2/3h (7.4)

При hx =20 м

rx =1.5(50-1.25×20)=37.5 [м],

hопт = (37.5+1.9×20)/1.5=50.3 [м].

При hx =40 м

rx =0.75(50-40)=7.5 [м],

hопт = (7.5+0.75×40)/0.75=50 [м].

Устанавливаем на подстанции 4 молниеотвода (смотри план подстанции).

При расчёте устройства заземления для электроустановок 110 кВ и выше согласно ПУЭ сопротивление заземляющей установки должно быть не более 0.5 Ом.

Принимаем сопротивление естественных заземлителей Rе =1.5 Ом. Расчётное удельное сопротивление грунта :

rрасч= rизм ×Y, (7.5)

где Y=1.4 – климатический коэффициент для сухого твердого суглинка,

rизм =Rгр =215 [Ом×м],

тогда:

rрасч= 215×1.4=301 [Ом×м].

Находим сопротивление исскуственного заземлителя:

Rи = Rе ×Rз / Rе -Rз =1.5×0.5/1.5+0/5=0.75 [Ом]. (7.6)

В качестве вертикального стержня принимаем стальную трубу длиной 3 м и d=0.05 м. При заглублении вертикального стержня ниже уровня земли на 0.7 м ,т.е Н0 =0.7 м

Rв = (rрасч / 2p×L)× [ln(2×L)/d+0.5ln(4H0 +L)/(5H0 +L)], (7.7)

Rв =(301/18.85)×(4.78+1.22)=95.81 [Ом],

На глубине Н=Н0 +L/2=2.2 м

Rв = (rрасч / 2p×L)× [ln(2×L)/d+0.5ln (4H+L)/(5H+L)]

=(301/18.85)×(4.78+1.22)=79.55 [Ом].

Определим общее сопротивление сетки горизонтальных проводников , выполненных из полосовой стали сечением 40´4 мм . Общая длина горизонтальных заземлителей равна 848 м. Число вертикальных стержней примем 100:

Rг = (rрасч / 2p×L)×ln(2×L2 )/b×H=(301/18.85)×17.75=283.5 [Ом],

где b=40 мм – ширина полосы

Н=0.7 м .

Вертикальные стержни располагаем через 8.5 м ,отсюда Rг с учётом коэффициента использования h=0.19 соединительной полосы:

Rг = 283.5/0.19=1492.1 [Ом].

Уточняем сопротивление искусственного заземлителя

Rи’ = Rи ×Rг / Rи +Rг =1.5×0.5/1.5+0/5=0.749 [Ом].

Окончательное число вертикальных заземлителей с учётом коэффициента использования hст =0.5:

n= Rв /hст ×Rи’ =79.55/0.749×0.5=213 штук.


8. РАСЧЕТ РЕЛЕЙНОЙ ЗАЩИТЫ

Питание цепей релейной защиты и автоматики (РЗА) осуществляется на постоянном оперативном токе от аккумуляторной батареи 220 В. Устройство РЗА всех элементов ПС за исключением ВЛ-10 кВ, секционного выключателя 10 кВ и ТСН размещается на панелях в здании ОПУ. Защита остальных элементов выполнена с использованием оборудования, поставляемого комплектно с камерами КРУН К-37, из которых комплектуется РУ 10 кВ.

В соответствии с [4] для силового трансформатора 10 000 кВА должны выполнятся защиты: дифференциальная токовая и газовая, которые используются в качестве основных защит, максимальная токовая защита (МТЗ), используемая в качестве резервной, и защита от перегрузки с действием на сигнал.

8.1 Р асчет защиты силовых трансформаторов

8.1.1 Диффренциальная защита с торможением

Проведем расчет дифференциальной защиты с торможением с применением реле серии ДЗТ-11 [8].

1) Определим значения первичных и вторичных токов плеч дифференциальной защиты. Сторона 10 кВ принимается за основную.

а) Находим первичные номинальные токи трансформатора по формуле:

I 1ном = S ном тр / Ö 3 × U ном , (8.1)

где S ном.тр – номинальная мощность трансформатора;

U ном – номинальное напряжение.

б) Находим вторичные номинальные токи трансформатора по формуле:


I 2ном = I 1ном × k сх / ki , (8.2)

где ki - коэффициент трансформации ТТ (с учетом возможных перегрузок k i =150/5 для стороны ВН, k i =200/5 для стороны СН и ki =600/5 для стороны НН );

k сх - коэффициент схемы, показывающий во сколько раз ток в реле защиты больше чем вторичный ток ТТ. Для схем соединения ТТ в звезду k сх =1, для схем, соединенных в треугольник k сх =Ö3.

Расчет сводим в таблицу 8.1.

Таблица 8.1

Результаты расчета вторичных токов в плечах защиты

Наименование величины Численное значение для стороны
110 кВ 35 кВ 10 кВ
Первичные номинальные токи трансформатора, А 10000/Ö3×110=52.5 10000/Ö3×35=165 10000/Ö3×10=577.4
Коэффициенты трансформации трансформаторов тока, kI 150/5 300/5 600/5
Схемы соединения трансформаторов тока D D Y
Вторичные токи в плечах защиты, А 52.5×Ö3×5/150=3.03 165×Ö3×5/300=4.76 577.4×1×5/600=4.81

2) Тормозную обмотку реле ДЗТ-11 включаем в плечо 10 кВ.

3) Определим первичный ток небаланса с учетом составляющей Iнб ’’’ по формулам:

I нб = I нб + I нб ’’ + I нб ’’’ , (8.3)

I нб = k апер × k одн × ¦ i × I к.макс ; (8.3.1)

где I к.макс - периодическая слагающая тока (при t=0) при расчетном внешнем трехфазном металлическом КЗ (I к.макс =4700 А);

¦ i - относительное значение тока намагничивания, при выборе трансформаторов тока по кривым 10%ных кратностей принимается равным 0,1;

k одн - коэффициент однотипности, принимается равным 1, если на всех сторонах трансформатора имеется не более одного выключателя;

k апер - коэффициент, учитывающий переходный режим, для реле с НТТ принимаем равным 1.

, (8.3.2)

где , - периодические составляющие токов (при t=0), проходящих при расчетном внешнем КЗ на сторонах, где производится регулирование напряжения;

, - относительные погрешности, обусловленные регулированием напряжения на сторонах защищаемого трансформатора и принимаемые половине суммарного (полного) диапазона регулирования напряжения на соответствующей стороне.

I нб =1×1×0.1×4700+0.16×1990+0.05×1930=1154.9 [А],

4) Выбираем ток срабатывания защиты по условию отстройки от бросков тока намагничивания по выражению:

I с.з. = k н × I ном тр =1.5 × I ном тр (8.4)

где k н =1.5 для реле серии ДЗТ.

I с.з . =1.5×10000/Ö3×10=866 А,


5) Определим число витков обмоток ДЗТ для основной и неосновных сторон:

Расчет будем производить по следующим формулам:

I с.р.осн = I с.з.осн . × k сх осн (3) / ki , (8.5)

где I с.з.осн . - ток срабатывания защиты, выбранный по условию (8.4) и приведенный к напряжению основной стороны;

ki - коэффициент трансформации трансформатора тока на основной стороне;

k сх осн (3) - коэффициент схемы для ТТ на основной стороне.

(8.6)

где - намагничивающая сила срабатывания реле,

(8.7)

(8.8)

(8.9)

где и - расчетные числа витков уравнительных обмоток ДЗТ для неосновных сторон;

и - периодические составляющие токов КЗ (при t=0), проходящих при расчетном внешнем КЗ на сторонах, где используются соответственно числа витков и .

Результаты расчета числа обмоток ДЗТ сводим в таблицу 8.2.


Таблица 8.2

Определение чисел витков обмоток НТТ

Обозначение величины и расчетное

Выражение

Численное значение
по (8.5) Iс.р.осн =866×1×5/600=7.22 А
по (8.6) wосн.р . =100/7.22=13.85 вит
(ближайшее меньшее число) 13 вит
100/13=7.7А
1 по (8.7) wн.р.1 =13×4.81/3.03=20.6 вит
2 по (8.7) wн.р.2 =13×4.81/4.76=13.1 вит
1 20 вит
2 13 вит
по (8.9) Iнб ’’’ =(20.6-20)×1990/20.6+(13.1-13) ××1930/13.1=72.7

6) Определим необходимое число витков тормозной обмотки по выражению:

(8.10)

где - тангенс угла наклона к оси абсцисс касательной, поведенной из начала координат к характеристике срабатывания реле (тормозной), соответствующей минимальному торможению (кривая 2 на рис. 2-16 [8]); для реле ДЗТ-11 принимается равным 0,87 [9].

w m 1 =1.5×306.9×33/1990×0.87=8.7 вит.

Принимается ближайшее большее число витков тормозной обмотки: 9 вит. (числа витков на тормозной обмотке реле ДЗТ-11 могут быть установлены: 1, 3, 5, 7, 9, 11, 13, 18 и 24).

w m 2 =1.5×306.9×26/1930×0.87=7.13вит.

Принимается ближайшее большее число витков тормозной обмотки: 9 вит. (числа витков на тормозной обмотке реле ДЗТ-11 могут быть установлены: 1, 3, 5, 7, 9, 11, 13, 18 и 24).

7) Определим коэффициент чувствительности защиты при КЗ в зоне действия, когда ток повреждения проходит только через ТТ сторон 110 кВ и 35 кВ и торможение отсутствует из выражения:

(8.11)

где - ток в первичной обмотке НТТ реле ДЗТ при условии, что он проходит по ТТ только одной из сторон, определяется приведением минимального первичного тока КЗ к вторичной цепи этих ТТ с учетом вида повреждения, схем соединения ТТ и обмоток защищаемого трансформатора:

(8.12)

I р.мин вн =(1.5×1990) ×5/150=99.5 А

I р.мин.сн =(1.5×1140) ×5/300=28.5 А

Ток срабатывания реле ДЗТ при выбранном числе витков обмотки на стороне 110 кВ w неосн1 =20 :

I с.р =100/20=5 А,

Ток срабатывания реле ДЗТ при выбранном числе витков обмотки на стороне 35 кВ w неосн2 =13 :

I с.р . =110/13=7.7 А,

Коэффициенты чувствительности K ч1 =99.5/5=19.9>1,5 , Кч2 =28.5/7.7=3.7>1,5 . Окончательно принятый ток срабатывания защиты приI с.р.осн =7.7 А (см. табл. 6.2) I с.з .= 866 А

8.1.2 Максимальная токовая защита с пуском по напряжению

Максимальная токовая защита (МТЗ) служит для защиты от токов внешних КЗ.

1) Выбор тока срабатывания максимальной защиты:

(8.13)

где k н – коэффициент надежности, обеспечивающий надежное несрабатывание защиты путем учета погрешности реле с необходимым запасом, k н =1,2;

k сзп – коэффициент самозапуска двигателей нагрузки, kсзп =1, т.к. защита имеет пуск по напряжению, посредством которого защита отстроена от самозапуска;

k в – коэффициент возврата реле, для реле РТ-80 kв = 0,8.

1,4 – коэффициент допустимой перегрузки;

I т.ном – номинальный ток трансформатора на соответствующей стороне.

I с.з.в =1.2×1×1.4×10000/0.8×Ö3×110=110.2 А

I с.з.с =1.2×1×1.4×10000/0.8×Ö3×35=346.4 А

I с.з.н =1.2×1×1.4×10000/0.8×Ö3×10=1212.43 А

Определим ток срабатывания реле по формуле (8.5):

I с.р.в =110.2×Ö3×5/150=6.4 А,

Выберем уставку реле РТ-80/20 Iуст =10 А [10].

I с.р.в =346.4×Ö3×5/300=9.9 А,

Выберем уставку реле РТ-80/20 Iуст =10 А [10].

I с.р.в =1212.43×Ö3×5/600=17.5 А,

Выберем уставку реле РТ-80/40 Iуст =20 А [10].

Определим коэффициенты чувствительности по (8.11):

Кч1 =99.5/6.4=15.5>1,5; Кч2 =28.5/9.9=2.8>1,5.

2) Выбор напряжения срабатывания защиты:

(8.14)

где U ном – номинальное напряжение сети.

Определим напряжение срабатывания реле:

(8.15)


где k н – коэффициент трансформации трансформатора напряжения, установленного на шинах 10 кВ, от которого питаются реле комбинированного пускового органа защиты.

Выбираем уставку минимального реле напряжения РН-54/160 Iуст =56 В [10].

3) Напряжение срабатывания фильтр-реле по выражению:

(8.16)

По (8.15):

Напряжение срабатывания реле соответствует минимальной уставке реле типа РНФ-1 с пределами шкалы 6-12 В, Uуст =6 В [10].

4) Выбор времени действия защиты:


(8.17)

8.1.3 Газовая защита трансформаторов

Газовая защита реагирует на повреждения внутри бака трансформатора, при которых происходит выделение газа или ускоренное протекание масла или смеси масла с газом из бака в расширитель, а также и по другим причинам (междуфазные КЗ, межвитковые замыкания в обмотках, замыкание обмотки на корпус, пожар в стали магнитопровода и др.).

Газовая защита поставляется с газовым реле Бухгольца BF 80/Q (B – реле с двумя элементами, F – с фланцем, 80 – внутренний диаметр фланца в мм, Q – фланец квадратной формы).

В зависимости от вида и развития повреждения трансформатора возможна последовательная работа сигнального и отключающего элементов реле или их одновременная работа.

8.2 Расчет устройств автоматики установленных на ПС

Устройствами автоматики, установленными на подстанции, предусматривается устранение аварий, связанных:

с повреждениями на шинах 10 кВ;

с повреждениями силовых трансформаторов и трансформаторов с.н.;

с отключением после неуспешного действия АПВ одной из питающих линий.

Аварии ликвидируются действием следующих автоматических устройств:

АПВ выключателей 10 кВ трансформаторов (АПВТ);

АВР секционного выключателя 10 кВ;

АВР секционных отделителей 110 кВ (АО);

АПВ на питающих линиях.

Структурная схема автоматики подстанции представлена на листе.

8.2.1 Устройство АВР секционного выключателя 10 кВ

При повреждении трансформатора Т1 АПВ его выключателя 10 кВ действовать не будет. Оно блокируется при отсутсвии напряжения и включении короткозамыкателя.В этом случае питание шин 1-й секции востанавливается включением от АВР секционного выключателя СВ 10 кВ.Пуск АВР осуществляется вспомогательными контактами короткозамыкателя в момент его включения.Цепь пуска проходит последовательно через вспомогательные контакты короткозамыкателя КЗ1 и выключателя В1.Если включится короткозамыкатель и отключится выключатель В1, то АВР секционного выключателя будет работать с минимальной выдержкой времени t1 =1.5с. АВР секционного выключателя должен находится в работе как при двух работающих трансформаторах, так и при одном. В последнем случае АВР будет выполнять роль АПВ секционного выключателя 10 кВ.

8.2.2 Устройство АПВ вводного выключателя 10 кВ

Устройсво АПВ выключателя запускается замыканием вспомоготельных контактов выключателя В1, отключившегося защитой.

Действие АПВ будет успешным, если повреждение самоустранится. Если же после АПВ выключатель В1 опять отключится защитой, то схема АПВ выводится из действия. Устройство АПВ подготавливается к новому циклу работы лишь после включения выключателя В1 в работу ключом управления или по каналу ТУ.

Работа АПВ блокируется при повреждении трансформатора Т1, когда действием защит от внутренних повреждений включается короткозамыкатель КЗ1. Вспомогательные контакты включившегося короткозамыкателя размыкают цепь АПВ.

Аналогично выполнена схема АПВ выключателя В2 10 кВ трансформатора Т2.

Устройство АПВ выключателей 10 кВ трансформаторов держат включенными при работе одного и двух трансформаторов. Роль АПВ особенно заметна в обеспечении надежности электроснабжения, когда в работе находится один трансформатор и одна линия.

8.2.3 Расчет устройства автоматического повторного включения линии 110 кВ с односторонним питанием

Время срабатывания однократного автоматического повторного включения (АПВ) определяется по следующим условиям:

(8.18)

где tг.п – время готовности привода, которое в зависимости от типа привода находится в пределах от 0,1 до 0,2 [8], принимаем tг.п = 0,2 с.

(8.19)

где tг.в. – время готовности выключателя, которое в зависимости от типа выключателя [2], tг.в =2 с;

tв.в. – время включения выключателя [2], tв.в. =0,06 с.

(8.20)

где tд – время деонизации среды в месте КЗ, составляющее 0,1-0,3 с [8], принимаем tд =0,3 с;

tзап =0,4-0,5 с [8], одинаково для выражений (8.18)-(8.20).

По условию (8.18):

По условию (8.19):

По условию (8.20):

Выбираем t1апв =3с.

Для обеспечения однократности действия АПВ выключателя, оборудованного пружинным или грузовым приводом, минимальное время натяжения пружин или подъема груза (время возврата АПВ tв ) должно быть отрегулировано большим максимального времени действия защиты после включения на устойчивое КЗ:

(8.21)

где tзап =2-3 с [8], принимаем tзап =3 с.

Время срабатывания второго цикла двукратного АПВ выбирается равным [8]:

(8.22)

Принимаем t2АПВ =15 с.

8.2.4 Расчет параметров автоматического включения резерва

Автоматическое включение резерва (АВР) устанавливаем на секционирующих выключателях 10 и 35 кВ.

1) Напряжение срабатывания (замыкания размыкающих контактов) минимального реле напряжения принимаем, согласно условия:

(8.23)

Выбираем уставку реле РН-53/200 Uуст =50 В [10].

2) Напряжение срабатывания максимального реле напряжения, контролирующего наличие напряжения на резервном источнике, определяется из условия отстройки от минимального рабочего напряжения и принимается равным для реле РН-50:

(8.24)

Выбираем уставку реле РН-53/200 Uуст =70 В [10].

3) Определим время срабатывания реле времени пускового органа напряжения.

Время срабатывания реле после неуспешного действия АПВ первого цикла питающей линии 110 кВ:

Время срабатывания реле после неуспешного действия АПВ второго цикла питающей линии 110 кВ:

Очевидно, что в целях ускорения действия АВР1 не следует считаться с возможностью успешного действия АПВ второго цикла, тем более, что вероятность его не велика, а уменьшение времени срабатывания пускового органа АВР1 позволит выбрать меньшую уставку по времени для пускового органа АВР2.

Время срабатывания реле времени пускового органа напряжения прежде всего должно быть на ступень селективности больше выдержек тех защит, в зоне действия которых КЗ вызывают снижения напряжения ниже напряжения срабатывания минимального реле напряжения или реле времени:

(8.25)

(8.26)

где t1 – наибольшая выдержка времени защиты присоединений, отходящих от шин высшего напряжения ПС;

t2 – то же для присоединений, отходящих от шин, где установлен АВР;

t – ступень селективности, принимаемая равной 0,5-0,6 с [8].

По условию (8.25):

По условию (8.26):

Принимаем время срабатывания реле времени пускового органа АВР1 tс.р. =7,5 с. Выбираем реле типа ЭВ-132 с диапазоном уставок от 0,5 до 9,0 с [10].

Выберем уставку реле времени пускового органа устройства АВР2 (на секционирующем выключателе 10 кВ).

Определим время срабатывания реле после неуспешного действия АВР1:

Принимаем время срабатывания реле времени пускового органа АВР2 tс.р. =10 с. Выбираем реле типа ЭВ-142 с диапазоном уставок от 1 до 20 с [10].


9. ОБОСНОВАНИЕ ИЗМЕРИТЕЛЬНОЙ АППАРАТУРЫ

Питание цепей РЗА осуществляется на постоянном оперативном токе от аккумуляторной батареи 220 В. Устройство РЗА всех элементов ПС за исключением воздушных линий электропередачи, секционного выключателя 10 кВ и ТСН размещается на панелях в здании ОПУ. Защита остальных элементов выполнена с использованием оборудования, поставляемого комплектно со шкафами К-37, из которых комплектуется КРУН 10 кВ на переменном (выпрямленном) оперативном токе.

Объем электроизмерительных приборов на ПС[6]:

На линиях 110-220 кВ устанавливаются один амперметр, один счетчик активной энергии и один фиксирующий амперметр, так как длина ВЛ более 20 км.

На линиях 35 кВ устанавливаются один амперметр, один счетчик активной энергии, счетчик реактивной энергии.

На линиях 10 кВ устанавливаются один амперметр, один счетчик активной энергии.

Для линий, принадлежащих потребителю, допускается установка счетчиков на приемном конце, у потребителя.

На силовом трехобмоточном трансформаторе устанавливаются три амперметра в одноименных фазах ВН,СН и НН, три ваттметра, один указатель положения РПН, три счетчика активной энергии и три счетчика реактивной энергии.

На секционный (шиносоединительный) выключатель устанавливается один амперметр.

На ТСН устанавливается один амперметр и один счетчик активной энергии.

Устанавливаем эти приборы в связи с необходимым их объемом на ПС.


10. ЭФФЕКТИВНОСТЬ ИСПОЛЬЗОВАНИЯ ОГРАНИЧИТЕЛЕЙ ПЕРЕНАПРЯЖЕНИЯ ДЛЯ ЗАЩИТЫ ОТ АТМОСФЕРНЫХ И КОММУТАЦИОННЫХ ПЕРЕНАПРЯЖЕНИЙ

10.1 Основные сведения

Ограничители перенапряжений серии TEL на оксидно-цинковых нелинейных резисторах без искровых промежутков предназначены для защиты электрооборудования станций и сетей от коммутационных и атмосферных перенапряжений и используются для внутренней и наружной установки в сетях низкого, среднего и высокого переменного напряжения промышленной частоты 48-62 Гц.

По сравнению с вентильными разрядниками ограничители серии TEL имеют следующие преймущества:

- глубокий уровень ограничения для всех видов волн перенапряжений;

- отсутствие сопровождающего тока после затухания волны перенапряжения;

- простота конструкции и высокая надежность в эксплуатации;

- стабильность характеристик и устойчивость к старению;

- способность к рассеиванию больших энергий;

- непрерывное подключение к защищаемой сети;

- стойкость к атмосферным загрязнениям;

- малые габариты, вес и стоимость.

10.2 Конструкция и принцип действия

Ограничители серии TEL представляют собой разрядники без искровых промежутков, в которых активная часть состоит из металлооксидных нелинейных резисторов, изготавливаемых из окиси цинка (ZnO) c малыми добавками окислов других металлов.

Высоконелинейная вольтамперная характеристика резисторов позволяет длительно находиться под действием рабочего напряжения, обеспечивая при этом глубокий уровень защиты от перенапряжений.

Резисторы опрессовываются в оболочку из полимерных материалов, которая обеспечивает заданную механическую прочность и изоляционные характеристики. Полимерный корпус обеспечивает надежную защиту от всех внешних воздействий на протяжении всего срока службы.

Эта конструкция отлично зарекомендовала себя во всех условиях эксплуатации, включая районы с высоким уровнем атмосферных загрязнений.

В нормальном рабочем режиме ток через ограничитель носит емкостной характер и составляет десятые доли миллиампера. При возникновении волн перенапряжений резисторы ограничителя переходят в проводящее состояние и ограничивают дальнейшее нарастание напряжение на выводах. Когда перенапряжение снижается, ограничитель возвращается в непроводящее состояние.

Ограничители серии TEL были испытаны в соответствии с различными стандартами на взрывоопасность. При возникновении импульсов тока, значительно превышающих расчетный уровень, разрушение ограничителя происходит без взрывного эффекта.

Все испытания показали отсутствие разрушительных эффектов на окружающую среду, что является принципиальным отличием от ограничителей в фарфоровом или другом прочном корпусе.

10.3 Основные термины и определения

Длительно допустимое рабочее напряжение Uнд:

- это наибольшее действующее значение напряжения промышленной частоты, которое может быть приложено к выводам ограничителя неограниченно долго (при нормированных условиях эксплуатации).

Пропускная способность:

- это гарантированная способность ограничителя выдерживать воздействие прямоугольного импульса тока длительностью 2000 мкс без пробоев и перекрытий не менее 20 раз.

Номинальный разрядный ток:

- это амплитудное значение грозового импульса тока 8/20 мкс, используемое для классификации ограничителя.

Остающееся напряжение:

- это максимальное значение напряжения на выводах ограничителя при протекании через него импульса тока заданной формы.

Разрядники без искровых промежутков не имеют напряжение пробоя и характкризуются остающимся напряжением. Как правило, нормируются импульсы тока с длительностями 1/4мкс,8/20мкс, 40/90мкс.

Импульс тока с длительностью 1/4мкс представляет собой очень крутые волны перенапряжения, а соответствующее остающееся напряжение можно сравнить с напряжением срабатывания традиционных искровых разрядников на фронте волны.

Остающееся напряжение на импульсе номинального разрядного тока 8/20мкс соответствует защитному уровню разрядника при грозовых перенапряжениях.

Импульс тока с формой 40/90мкс вызывает остающее напряжение, типичное для разрядника при воздействии коммутационных перенапряжений с крутым фронтом. Уровень защиты ограничителя от коммутационного импульса представляет собой максимальное остающееся напряжение при нормированных токах коммутационного импульса.

Защитные характеристики ограничителя достаточно полно описываются этими тремя видами импульсов тока.


10.4 Техническое обслуживание ограничителей перенапряжения

Монтаж и эксплуатация ограничителей TEL должны проводится в соответствии с Паспртом предприятия-изготовителя. Правильно выбранный и установленный ограничитель не требует технического обслуживания в течение всего срока службы.


11. ОЦЕНКА ИНВЕСТИЦИОННОГО ПРОЕКТА

11.1 Организация строительства

11.1.1 Общая часть

Организация строительства ПС 110/35/10 кВ “Ильинск” Вилегодского района Архангельской области разработана в соответствии с СНИП 3.01.01-85 “Организация строительного производства” и Инструкцией по разработке проектов организации строительства (Электроэнергетика), ВСН 33-82, Минэнерго СССР.

Все строительно-монтажные работы будут выполнятся трестом “Запсельэлектросетьстрой”.

Организация строительного производства должна обеспечивать целенаправленность всех организационных, технических и технологических решений на достижение конечного результата-ввода в действие обьекта с необходимым качеством и в установленные сроки.

11.1.2 Характеристика обьекта строительства

Строительство ПС 110/35/10 кВ “Ильинск” относится к категории несложных.

В состав стройки входят:

- подстанция типа КТПБ 110/35/10 кВ с трансформатором мощностью 10,0 МВ А (вторая очередь). Оборудование подстанции комплектуется Самарским заводом “Электрощит”;

- ОПУ тип IV.

Продолжительность строительства ПС 110/35/10 кВ – 3 мес.

11.1.3 Календарный план строительства

Календарный план строительства составлен на основе общей организационно-технической схемы строительства, включая очередность строительства основных и вспомогательных зданий и сооружений, работы подготовительного периода, с распределением капитальных вложений и объемов строительно-монтажных работ по периодам строительства.

Перечень выполняемых работ, их последовательность и продолжительность приведены на листе таблица 1.

Комплектование строительно-монтажными кадрами предполагается за счет постоянных кадровых рабочих строительно-монтажной организации (80-85%), а также за счет привлечения рабочих из местного населения (20-15%).

11.1.4 Источники получения основных грузов. Транспортная схема

Поставка конструкций из сборного железобетона осуществляется с заводов Главэнергостройпрома Минэнерго.

Источники основных грузов:

- трансформатор собсвенных нужд - Минский электротехннический

завод им.В.И. Козлова

- КТПБ - Самарский завод

- силовой трансформатор ТДТН- - Средневолжское производствен-

-10000/110 ное объединение “Трансформа-

тор” г.Тольятти

Доставка основных материалов производится в соответствии с приведенной схемой:

-строительные конструкции, материалы и оборудование предусмотрено разгружать на железнодорожной станции “Виледь”, откуда к месту монтажа они будут доставляться автотранспортом по дороге до приобьектног склада у ПС на расстоянии 41 км.

Доставка трансформатора по 36.6 т осуществляется на трейлере грузоподъемностью 40 т. Погрузка и разгрузка трансформатора выполняется такелажным способом.


11.1.5 Производство строительно-монтажных работ

Строительство ПС осуществляет трест “Запсельэлектросетьстрой”.

Все работы по расширению подстанции должны производиться поэтапно:

I Этап

Устанавливается временное ограждение вдоль существующего оборудования:

Выполняются следующие работы:

1.Устанавливается второй трансформатор Т-2 мощностью 10 МВ А, блок ЗОН 110 кВ, разъединитель 35 кв, дугогасительная катушка и четыре стойки с опорными изоляторами 35 кВ, 4 блока опорных изоляторов 10 кВ.

2.Оборудуются линейная и вводная ячейка 110 кВ.

3.Монтируется ОПУ тип IV.

4.Устанавливаются 2 трансформатора собственных нужд ТМ-100/10.

5.Монтаж II секции РУ-10 кВ.

6.В ОРУ-35 кВ устанавливаются 5 блоков(в том числе СМВ-35 кВ) и подключение их ко II секции.

7.Выполняется ошиновка установленного оборудования, заземление.

8.Прокладываются силовые и контрольные кабели.

9. ВЛ-35 “Быково” и “Самино II” заводятся во II секцию.

10. Пуско-наладочные работы.

II Этап

I секция ОРУ-35 кВ обесточивается, оба трансформатора находятся под напряжением. I секция РУ-10 кВ подключена к Т-1, II секция ОРУ-35 кВ – к Т2, СМВ 35 кВ отключен. На этом этапе выполняются следующие работы:

1.Подключение СМВ 35 кВ подключается к I секции ОРУ 35 кВ.

2.Прокладка силовых и контрольных кабелей ко II секции РУ-10 кВ.

3.Пуско-наладочные работы на I секции ОРУ-35 кВ и II секции РУ-10 кВ.


III Этап

Трансформатор Т-1 отключен. Питание потребителей осуществляется от Т-2. На этом этапе выполняются следующие работы:

1.Перезаводка части ВЛ-10 кВ с I секции РУ-10 кВ во II секцию.

2.Пуско-наладочные работы.

После окончания всех перечисленных работ и подключение I секции РУ-10 кВ ко II секции подстанция вводится в эксплуатацию по нормальной схеме.

11.2 Сметно-финансовый расчет

Смета составляется по специальным формам, где находят свое отражение затраты на приобретение оборудования и материалов , их монтаж, демонтаж, транспорт и прочие расходы.

Стоимость демонтируемого оборудования равняется половине первоначальной стоимости и учитывается со знаком минус при подсчете итоговых сумм сметной стоимости оборудования.

После заполнения таблицы подсчитываются итоговые суммы. На основную заработную плату (ЗП) электромонтажников начисляем накладные расходы в размере 75% от основной ЗП.

Затем находится сметная стоимость монтажа и накладных расходов и от этой суммы в размере 8% находим плановые накопления.

На стоимость оборудования определяются доплаты:

- на тару и упаковку в размере 2% ;

- на транспортные расходы 5% ;

- на заготовительно-складские расходы 1.2 % ;

- наценка снаба 5.5 % ;

Сметная стоимость определяется как сумма всех найденных величин .

Сметная стоимость монтажа оборудования приведена в таблице 11.1.1,сметная стоимость демонтажа в таблице 11.1.2.

Таблица 11.1.1 Сметная стоимость монтажа

Наименование прейскуранта

ценника и номер позиции

Наименование и техническая характеристика оборудования или видов монтажных работ Единицы измерения Количество Сметная стоимость

Трудозатраты

чел / час

Единицы Общая
Оборудование

Монтаж

В том числе зарплата Оборудование

Монтаж

В том числе зарплата единицы общие
основная по экспл. машин основная по экспл. машин
1 2 3 4 5 6 7 8 9 10 11 12 13 14

15-05-01-063

8-68-1

п.10

8-67-1

п.140

8-68-1

8-1-12

ТДТН-63000/110

Слив масла

Ревизия тр-ра

Сушка масла

Сушка тр-ра

Заливка тр-ра

Монтаж

1шт

1шт

1шт

1шт

1

22,35

1

22,35

1

22,35

1

63300

4,58

40,3

13,9

1360

4,58

865

1,51

21

7,08521

1,51

253

1,06

3,55

1,13

104

1,06

135

63300

4,58

40,3

13,9

1360

4,58

865

1,51

21

7,08521

1,51

253

1,06

3,55

1,13

104

1,06

135

3

31

12

733

3

442

67,05

31

268,2

733

67,05

422

15-05-01-014

8-68-1

п.4

8-67-1

п.132

8-68-1

8-1-8

ТМ-100/10

Слив масла

Ревизия тр-ра

Сушка масла

Сушка тр-ра

Заливка тр-ра

Монтаж

1шт

1шт

1шт

1шт

2

0,53

2

0,53

2

0,53

2

1830

4,58

16,3

13,9

20,6

4,58

21,8

1,51

10,8

7,0810,2

1,51

12,9

1,06

0,02

1,13

0,14

1,06

3,04

3660

4,86

32,6

14,7

41,2

4,86

43,6

1,6

21,2

7,51

20,4

1,6

25,8

1,13

0,04

1,2

0,28

1,13

6,08

3

18

12

16

3

21

3,18

36

12,72

32

3,18

42

15-03-03-189

8-25-20

8-25-20

Монтаж блоков с обор. 110 кВ:

ЗОН-110

ОПН-110с КЗ

б

л

о

к

1

1

84

300

32,5

32,5

22,8

22,8

2,38

2,38

84

300

32,5

32,5

22,8

22,8

2,38

2,38

37

37

37

37

15-03

04-154

8-25-21

Монтаж

блока разъед.

РДЗ.2-110/1000

б

л

о

к

1 215 19,1 8,62 2,38 215 19,1 8,62 2,38 14 14

15-03-

06-029

8-25-18

Монтаж блока шинных апп.

НАМИ-35

б

л

о

к

1

185 27,7 9,31 4,83 185 27,7 9,31 4,83 17 17

15-03-01-087

8-25-19

Монтаж блока выкл.

С-35М

б

л

о

к

3 1900 34,7 19,3 3,16 5700 104 57,9 9,48 30 90

15-03-03-199

8-25-21

Монтаж блока отделителяОДЗ-1-110/1000

б

л

о

к

1 450 19,1 8,62 2,38 450 19,1 8,62 2,38 14 14

15-10-04-059

8-17-8

Монтаж блока опорных изоляторов

ИОС-35

б

л

о

к

1 27,9 8,13 2,82 0,81 27,9 8,13 2,82 0,81 6 6

продолжение табл.11.1.1.

Наименование прейскуранта

ценника и номер позиции

Наименование и техническая характеристика оборудования или видов монтажных работ Единицы измерения Количество Сметная стоимость

Трудозатраты

чел / час

Единицы Общая
Оборудование

Монтаж

В том числе зарплата Оборудование

Монтаж

В том числе зарплата единицы общие
основная по экспл. машин основная по экспл. машин
1 2 3 4 5 6 7 8 9 10 11 12 13 14

15-03-03-101

8-11-2

Монтаж разъединит.

РДЗ-2-35/1000

1шт 9 90 32 14,5 1,73 810 288 131 15,57 24 48

15-03-03-160

8-4-2

Монтаж дуго-

гасящей катушки РЗДСОМ-310/35

1шт 1 200 59,3 31,5 6,34 200 59,3 31,5 6,34 51 51

15-10-04-059

8-17-8

Монтаж опорного изолятора

ИОС-35-500

1шт 4 9,3 2,71 0,94 0,27 37,2 10,84 3,76 1,08 2 8

15-03-01-017

8-27-1

8-27-3

Монтаж шкафов с

BB/TEL-10

Резервный с

BB/TEL-10

1шт

1шт

12

3

3700

29,9

15,9

20,7

8,82

2,53

2,02

27750

358,8

47,7

248

26,5

30,36

6,06

34

15

408

45

15-03-06-027

8-27-2

Монтаж шкафов с

НАМИ-10

1шт 2 125 21,7 13,5 2,36 250 43,4 27 4,72 23 46

15-03-02-048

8-61-1

Монтаж ПКТ-10 1шт 2 25 1,18 0,79 0,02 50 2,36 1,58 0,04 1 2

15-03-05-083

8-53-1

Монтаж

ТЛМ-10-2

1шт 12 67 1,52 1,13 0,02 804 18,24 13,6 0,24 2 24

15-03-05-137

8-60-1

Монтаж

ТФЗМ-35А

1шт 2 250 18,3 9,7 2,4 500 36,6 19,4 4,8 16 36

15-03

8-22-1

Ошиновка

ОРУ-110 кВ

Пролет 1 - 108 26,4 12,9 - 108 26,4 12,9 43 43

15-03

8-22-1

Ошиновка

ОРУ-35 кВ

Пролет 1 - 96,4 23,5 11,7 - 96,4 23,5 11,7 39 39
Итого 104656,6 3779,6 1363,9 378,9 2878,4

Таблица 11.1.2 Сметная стоимость демонтажа

Наименование прейскуранта

ценника и номер позиции

Наименование и техническая характеристика оборудования или видов монтажных работ Единицы измерения Количество Сметная стоимость

Трудозатраты

чел / час

Единицы Общая
Оборудование

Монтаж

В том числе зарплата Оборудование

Монтаж

В том числе зарплата единицы общие
основная по экспл. машин основная по экспл. машин
1 2 3 4 5 6 7 8 9 10 11 12 13 14
15-05-01-014

Демонтаж

ТМ-63/10

1шт 1 850 21,8 12,9 3,04 850 21,8 12,9 3,04 21 21

15-03-04-048

8-15-2

Демонтаж

РВС-110

Компл.3ф 1 92,5 43,8 13,8 8,75 92,5 43,8 13,8 8,75 23 23

15-03-04-038

8-15-1

Демонтаж

РВС-35

Компл.3ф 2 27 19,2 5,73 3,4 54 19,2 5,73 3,4 10 20

15-03-04-028

8-69-1

Демонтаж

РВС-10

Компл.3ф 1 24 2,84 2,16 0,12 24 2,84 2,16 0,12 4 4

15-03

8-7-1

Демонтаж

ЗНОМ-35-65У1

1шт 1 87,5 20,5 8,71 3,52 87,5 20,5 8,71 3,52 14 14

15-03-01-007

8-59-1

Демонтаж

ВМПП-10

1шт 6 600 11,2 9,41 0,18 4200 78,4 65,87 1,26 14 98

15-03-06-027

8-54-2

Демонтаж

НТМИ-10

1шт 1 125 2,44 1,91 0,12 125 2,44 1,91 0,12 3 3

Итого

5433 188,98 111,1 20,21 183

Итого

общая

ст-ть

99223,6 3968,6 1475 399,11 3061,4

За итогом сметы учитываем:

-на основную заработную плату:

1475 × 0.75 = 1106,25 (руб.);

-плановое накопление:

(3968.6+1106.25) × 0,08 = 405.99 (руб.);

-на тару и упаковку:

99223.6 × 0,02 = 1984.47 (руб.);

-на транспортные расходы:

99223.6 × 0,05 = 4961.2 (руб.);

-на заготовительно-складские расходы:

99223.6 × 0,012 = 1190.7 (руб.);

-наценка снаба:

99223.6 × 0,055 = 5457.3 (руб.);

Сметная стоимость:

Sсс =105066.31+15105.91=120172.22 (руб.).

11.3 Перерасчет сметной стоимости по СМР (в ценах 2000 года )

Определяем стоимость материальных ресурсов:

Смр = А = С0 – Зпосн – Зпэксп , (11.2.1)

где С0 – сметная стоимость монтажа;

Зпосн - основная заработная плата;

Зпэксп. – заработная плата по эксплуатации машин.

А=2094.5 (руб)- сметная стоимость материальных ресурсов;

Б=99223.6 (руб)- сметная стоимость оборудования;

В=1874.11 (руб)- суммарная заработная плата.

Коэффициент повышения: Кпов =110×4(2001) /76(1984) =5.79;

Пересчет сметной стоимости сводим в таблицу 11.2.1.

Таблица 11.2.1

Перерасчет сметной стоимости

Статьи затрат

Примечание Сметная стоимость руб. Дополнительные затраты Итого
1. Удорожание материальных ресурсов, приобретенных по свободным ценам (А+Б)×6 607908.6
2. Уточнение структуры накладных расходов 11% от (А+Б+В) 11351.1
3. Увеличение з/п рабочим занятых в строительном производстве В×кпов ×1,15 12478.76
4. Уточнение стоимости эксплуатации машин 13%отБ×6 77394.4
5. Уточнение тарифов на транспортные расходы 5%от(А+В)×6 30395.3
6. Уточнение структуры плановых накоплений 8% от п.14 87632.3
7. Посреднические услуги 20%от(А+Б)×6 121581.4
8. НИОКР 2% от п.3 249.5
9. Приобретение строй-материалов по договорной цене 9%от(А+Б)×6 54711.6
10. Дополнительные затраты на работу в зимнее время 4% от п.3 499.1
11. Дополнительные затраты на временные здания и сооружения 3% от Б×6 17860.2
12. Прочие затраты с учетом отчислений на социальные нужды 39% от п.3 4866.7
13. Затраты на развитие без индустрии 10% от п.3 486.67
14. Итого 1095403.9
15. Всего 1183036.2
16. НДС 236607.2
17. Общая сметная стоимость 1419643.4

Коэффициент удорожания:

Куд = 1419643.4/120172.22=11.8 .

11.4 Определение капитальных затрат на реконструкцию подстанции

Капитальные затраты на реконструкцию подстанции будут равны:

Креконстр. = [Кнов.обормонт. нов. обор.демонт.ст.обор. - Сдемонт.обор. ]×Куд. , (11.3.1)

где Кнов.обор - капитальные затраты на покупку нового оборудования;

Кмонт. нов. обор - капитальные затраты на монтаж нового оборудования;

Кдемонт.ст.обор - капитальные затраты на демонтаж старого оборудования ;

Сдемонт.обор. - стоимость демонтируемого оборудования ;

Куд. - коэффициент удорожания (13,87 – реальный по электрооборудованию) .

Креконстр. = [ 104656 + 3779.6 +188.98 - 5433 ] × 11.8 = 1217660.6 (руб.);

11.5 Расчет экономического эффекта от реконструкции подстанции

Эффект от реконструкции подстанции рассчитываем по формуле:

Эг = Плi сну.е. - К реконстр. × Ен , (11.4.1)

где Плi сн – плата за электроэнергию по двухставочному тарифу для потребителей подключенных к сетям среднего напряжения;

К реконстр. – капитальные затраты на реконструкцию подстанции;

Ен – нормативный коэффициент эффективности капитальных вложений;

Зу.е. - затраты на содержание оборудования подстанции.

Плата за электроэнергию по двухставочному тарифу для потребителей подключенных к сетям среднего напряжения считается:

Плi сн = То эм × Рi max + Тэ сн × Эi , (11.4.2)

где То эм – общая ставка платы за заявленную мощность;

Рi max - мощность заявленная i-м потребителем в часы максимума ;

Тэ сн – ставка за потребленную электроэнергию из сети среднего напряжения;

Эi – количество потребленной электроэнергии.

Плi сн = 150.265 ×7.8 × 103 +0.2514 ×12312 = 1175162.24 (руб),

З у.е. =З’у.е. ×N , (11.4.3)

где З’у.е - затраты на содержание одной условной единицы оборудования;

N - количество ремонтных единиц .

Зу.е. =2100×186.4=391440 (руб),

Эг = 1175162.24 - 391440 - 1217660.6×0.12=637602.97 (руб.).


11.6 Расчет численности и состава бригад электромонтажников

, (11.5.1)

где Тр – трудоемкость работ в чел. час.;

q – количество часов в рабочем дне;

кв – производительность труда;

ки – коэффициент использования рабочего времени.

Чсп =3061.4/174.6×3×1.1×0.9=5.9@6 (чел)

Т.о. составляем одну бригаду из 4 человек и одну из 2-х человек .

11.7 Определение продолжительности работ по реконструкции подстанции

Время работы определяется по формуле:

; (11.6.1)

где ТР –общая трудоемкость работ по реконструкции;

Ч – количество человек;

Кв (8×1.1×0.9) – производительность труда.

t= 3061.4/6 ×8×1.1×0.9 =64.5 (дня);


11.8 Расчет ленточного графика выполнения электромонтажных работ

Ленточный график представляет собой указания о времени начала и окончания той или иной работы. По длительности лент и их последовательности можно проследить занятость электромонтажных бригад.

При построении лент графика учитывается производительность и число рабочих в бригаде. Для производства работ бригада разбивается на звенья с учетом специализации.

Первая бригада численностью 4 человека, выполняет работы по монтажу силового трансформатора ТДТН-10000/110 и трансформаторов собственных нужд ТМ-100/10. А после перевода питания на трансформатор Т-2 и отключения Т-1 производит необходимый демонтаж оборудования.

Вторая бригада, состоящая из 2-х человек, выполняет работы по монтажу коммутационной аппаратуры, производит ошиновку распределительных устройств. Монтирует шкафы серии К-37 в КРУН-10 кВ.

Время на монтаж оборудования определяется по формуле:

T=Tр /Ч×8×1.1×0.9, (11.7.1)

где ТР –общая трудоемкость работ по реконструкции ;

Ч – количество человек.

Время на сушку, слив и залив масла определяется по формуле:

T=Тр/24 , (11.7.2)

ТР –общая трудоемкость работ по реконструкции .


12. ВОПРОСЫ БЕЗОПАСНОСТИ И ЭКОЛОГИЧНОСТИ ПРОЕКТА

12.1 Введение

В системах электроснабжения промышленных предприятий, городов и сельского хозяйства важную роль играют электрические подстанции, на которых понижается напряжение и распределяется электроэнергия.

Оборудование подстанций осуществляется в соответствии с ПУЭ, которые предусматривают соответствующие меры безопасности для обслуживающего персонала.

Основными факторами, влияющими на безопасность оперативного и обслуживающего персонала подстанции, являются:

- опасность прямого поражения электрическим током при обслуживании различного рода электрооборудования, установленного на данной подстанции;

- опасность поражения электротоком от нетоковедущих частей электрооборудования находящихся под напряжением вследствие повреждения изоляции, при прикосновении к корпусам электроустановок, находящихся под напряжением в случае неудовлетворительного состояния заземления;

- пожароопасность электрооборудования, вызванная наличием в изоляции горючих материалов и веществ, изоляционных трансформаторных масел, компаундов и т.д.;

- опасность поражения электрическим разрядом грозовых перенапряжений (молнией), проникновение (занос) электрических потенциалов в здания подстанции при грозах;

- выброс и растекание по территории подстанции трансформаторного масла при авариях и неисправностях в трансформаторе;

подстанции 110/35/10 кВ произведена с соблюдением норм, правил, инструкций и государственных стандартов.

Во избежание поражения электрическим током при повреждении изоляции все электрооборудование подстанции, как существующее, так и устанавливаемое вновь, присоединяется к существующему контуру заземления, который имеет сопротивление менее 0.5 Ома в любое время года.

Во всех цепях РУ 110, 35 кВ предусматривается установка разъединяющих устройств с видимым разрывом, обеспечивающих возможность отсоединения аппаратов каждой цепи от сборных шин и других источников напряжения. Обозначение фаз и ошиновки РУ выполнено в соответствии с ПУЭ. Также для ОРУ обеспечена установка сетчатых и смешанных ограждений токоведущих частей и открыто установленных трансформаторов, выполненная на высоте 2 м от защищаемых аппаратов.

РУ подстанции, подъездные пути оборудованы электрическим освещением, для чего используются светильники с лампами типа ДРЛ, с номинальной мощностью 400 кВт.

Комплектные РУ для наружной установки (КРУН) состоят из шкафов, в отдельных отсеках которых установлено электрооборудование. При выкатывании тележки с выключателем специальные шторки автоматически ограждают токоведущие части, находящиеся под напряжением и закрывают доступ к ним людей.

Силовые трансформаторы периодически осматривают, обращая внимание на состояние кожухов, показания термометров уровень масла в расширителях, состояние изоляции вводов, предохранителей, заземления, а так же общее состояние помещений. При обнаружении сильного шума, потрескивания внутри трансформатора, ненормально высокой температуры масла, наличия выброса масла из расширителя или разрыва диафрагмы на выхлопной трубе, недопустимого снижения уровня масла трансформатор немедленно выводится из работы, путем всестороннего отключения при помощи соответствующих выключателей и разъединителей.

Для предотвращения растекания масла по площадке подстанции при аварии в трансформаторах запроектирована закрытая сеть аварийных маслоотводов от маслоприемных устройств в общий маслосборник, предусматриваемый для вмещения полного объема масла, находящегося в трансформаторе.

На подстанции соблюдены все требуемые по ПУЭ расстояния между расположением токоведущих частей и зданиями или сооружениями, расстояния между токоведущими частями разных цепей, а также противопожарные расстояния и расстояния необходимые для обслуживания и замены оборудования.

На подстанции для тушения пожара предусматривается водопровод с питанием от существующей внешней сети.

Фундаменты под силовые трансформаторы и некоторые маслонаполненные аппараты выполнены из несгораемых материалов. Обеспечен проезд автотранспорта по спроектированным автодорогам к порталам, зданиям щитов управления, КРУНам.

Регулярно проводятся мероприятия по обучению персонала подстанции противопожарному минимуму, пожарный инструктаж и противопожарные проверки оборудования подстанции.

ОРУ и вся территория подстанции защищается от прямых попаданий молнии при помощи спроектированных стержневых молниеотводов.

Защита изоляции 110, 35 кВ оборудования от волн атмосферных перенапряжений выполняется разрядниками. Для защиты изоляции 10 кВ используются разрядники, устанавливаемые на выводах трансформаторов 10 кВ.

Территория подстанции ограждена внешним забором высотой 2 м.


12.2 Проектирование рабочего места диспетчера

Согласно ГОСТ 21034-75 рабочее место человека-оператора (в нашем случае диспетчера)-это место в системе человек-машина(СЧМ), оснащенное средствами отображения информации, органами управления и вспомогательным оборудованием,где осуществляется трудовая деятельность человека; оно может быть индивидуальным и коллективным.

Рабочее место диспетчера располагается в комфортной среде, которая обеспечивает оптимальную динамику работоспособности, хорошее самочувствие и сохраняет здоровье диспетчера.

ГОСТ 22269-76 “Рабочее место оператора”, устанавливает общие эргономические требования к взаимному расположению элементов рабочего места-пульта управления, средств отображения информации, органов управления, кресла вспомогательного оборудования, при этом учитывается рабочая поза дежурного диспетчера, пространство для его размещения, возможность обзора диспетчером элементов рабочего места и пространства за его пределами, а также возможность ведения записей, размещение документации и материалов, используемых диспетчером.

Стенд, на котором нанесена оперативная схема подстанции, расположен в 4-х метрах от места дежурного диспетчера, что позволяет ему взглядом охватывать большую часть стенда. Разный класс напряжения обозначен разным цветом. Например, шины ОРУ-110кВ обозначены красным цветом, ОРУ-35кВ – зеленым. Различный цвет способствует быстрому ориентированию на схеме.

Взаимное расположение элементов рабочего места способствует оптимальному режиму труда и отдыха, снижению утомления, предупреждению появления ошибочных действий.

Взаимное расположение пульта управления, вращающегося кресла, органов управления и средств отображения информации соответствует антропометрическим данным диспетчера, психофизическим и биомеханическим характеристикам.

Руки дежурного в позе “сидя” совершают движения в пределах определенной максимальной зоны.Чтобы эти движения были экономными, без лишнего напряжения рабочая зона составляет 300 мм в радиусе от груди дежурного. В этой зоне размещаются органы управления талефоном, персонального компьютера или телевизора.

Т.к. дежурный переодически делает записи в различные ведомости и журналы, которые находятся на столе, они расположены на нем с учетом частоты их употребления. Более часто употребляемые размещаются в оптимальной рабочей зоне досигаемости рук без наклонов туловища,редко употребляемые- в более отдаленной зоне.

В соответствие с требованиями Правил технической эксплуатации электроустановок потребителей (ПТЭЭП) на подстанции должна быть следующая оперативная документация:

а) оперативный журнал для записи в хронологическом порядке времени приема и сдачи смены, выполняемых переключений в электросети, распоряжений руководящего технического персонала о допуске к работе;

б) бланки нарядов на производство ремонтных и наладочных работ в электроустановках;

в) бланки переключений;

г) оперативные схемы электроустановок;

д) журнал дефектов оборудования;

е) ведомости показаний электроизмерительных приборов и электросчетчиков;

ж) Журнал проверки знаний, а также списки лиц, имеющих право единоличного осмотра электроустановок.

Как уже отмечалось выше в помещениях, где установлено ответственное оборудование, подлежащие частым осмотрам дежурным, устанавливаются телекамеры. С пульта управления подстанции дежурный, включая поочередно объекты наблюдения, осуществляет осмотр оборудования, не покидая пульт управления, с помощью телевизора.

Рабочее место диспетчера находится в светлом хорошо проветриваемом помещении.

Естественное освещение положительно влияет не только на зрение, но также тонизирует организм человека в целом и оказывает благоприятное психологическое воздействие. В связи с этим помещение выполнено с большими оконными проемами за спиной диспетчера.

Температура в помещении составляет 18-21С.

12.3 Расчет освещения

Питание осветительной нагрузки осуществляется от шин 0.4 кВ собственных нужд подстанции.

Для освещения помещений объединенного пульта управления (ОПУ) применяются лампы типа ЛБ (люминисцентная белого света), тип светильника ОДР. Последние выполняются с компенсацией реактивной мощности, поэтому cosg=0.93, коэффициент пускорегулирующей аппаратуры кпра =1.3. Высота подвеса светильников 3¸4 метра.

Расчет производится методом удельных мощностей [12]. Установленная мощность для аварийного освещения принимается не менее 5 % от установленной мощности основного освещения.

Для освещения территории подстанции (подъездные пути, ОРУ-110 кВ, ОРУ-35 кВ) применяются светильники с лампами типа ДРЛ, 9 штук, Рном =300 Вт, cosg=0.5.

Приведем пример расчета осветительной нагрузки для помещения аккумуляторной, нашей подстанции.

По известной площади помещения Sпом =48 м2 и руководствуясь разрядом зрительных работ средней точности IV находим значение освещенности Е для нашего помещения Е=200 лк [13, табл.56-20].

По таблице для коэффициентов отражения поверхностей стен rс , потолка rп и рабочей поверхности rр , для Е=200 лк, высоте подвеса h= 4 м, площади помещения 48 м2 находим значение удельной мощности Руд =7.2 Вт/м2 .

Найдем количество ламп ЛХБ, при Рл =40 Вт ,

n= Sпом ×Рудл =48×7.2/40=8.64»9 [штук]; (12.3.1)

Рустуд ×Sпом =48×7.2=345.6 [Вт]; (12.3.2)

Расчетная мощность:

Ррасчс × кпра × Руст = 1×1.3×345.6=450 [Вт], (12.3.3)

где кс - для мелких производственных зданий = 1;

кпра - коэффициент учитывающий потери в пуско-регулирующей аппаратуре =1.3, для люминисцентных ламп с бесстартерными схемами включения.

Qрасч = Ррасч ×tgg =216 [ВАр]; (12.3.4)

Все результаты расчета по остальным помещениям подстанции сводим в таблицу 12.3.1.

Таблица 12.3.1 Расчет осветительной нагрузки

Наименование

Помещения

Площадь

помещения

Sп, м2

Удельная мощность Руд, Вт/м2

Руст ,=Руд Sп

Вт

Рр ,=Руст кс кпра ,

Вт

Qрр tgg

Вар

Источник

света,тип, мощность

Аккумуля-торная 48 7.2 345.6 450 216

ЛБХ,ОДР

9´40 Вт

Диспетчерская 9.6 14.4 138.2 180 86.4

То же

3´65 Вт

Комната отдыха 9.6 10.8 103.7 134.8 65

То же

3´65 Вт

Помещение связи 14.4 7.2 103.7 134.8 65

То же

3´65 Вт

Релейный зал 144 6.5 936 1217 584 12´80 Вт
Коридор 15 6.3 94.5 123 59 3´40 Вт

Санузел

3 6.3 18.9 24.6 11.8 1´40 Вт
Освещение территории 1904 0.55 1047.2 1361.4 538.1

ДРЛ,

8´400 Вт

ИТОГО: - - - 3625.6 1625.3 -

12.4 Анализ устойчивости объекта при воздействии возможных ЧС

Под устойчивостью технической системы (объекта) понимается возможность сохранения его работоспособности при чрезвычайных ситуациях (ЧС).

Важную роль при определении возможных ЧС влияет географическое положение района где расположена электрическая подстанция.

Расширяемая ПС находится недалеко от лесного массива, в связи с этим возникает вероятность лесного пожара (особенно в летние месяцы). На ПС предусмотрены меры по тушению пожара. Это наличие пенных огнетушителей, пожарных щитов, кранов, водоема. Вокруг ПС сделан ров, предотвращающий переброс огня на её территорию.

Наводнение району, где расположена ПС, не грозит. Подстанция находится на возвышенности. Никаких дополнительных мер обеспечивающих работоспособность ПС при наводнении не предусмотрено.

Подземных толчков и землетрясений в районе нет.

Для защиты от грозовых и коммутационных перенапряжений на подстанции установлены ограничители перенапряжения. Они устойчивы к старению и атмосферным загрязнениям, что в свою очередь повышает надежность ПС.

Подстанция устойчива к ураганам и сильным ветрам, т.к. вся ошиновка электрооборудования выполнена из аллюминиевых труб и жестких шин прямоугольного сечения.

Вблизи ПС нет предприятий, которые при аварии могли бы создать чрезвычайные ситуации.


СПИСОК ИСПОЛЬЗУЕМЫХ ИСТОЧНИКОВ

1. Электротехнический справочник: В 3 т. Т.3. В 2 кн. Кн. 1. Производство и распределение электрической энергии / (Под ред. : И.Н. Орлова. 7-е изд., испр. и доп. – М.: Энергоатомиздат, 1988. – 880 с.: ил.

2. Неклепаев Б.Н., Крючков И.П. Электрическая часть станций и подстанций. Справочные материалы для курсового и дипломного проектирования: Учеб. пособие для вузов. – 4-е изд., перераб. и доп. – М.: Энергоатомиздат, 1989. – 608 с.: ил.

3. Рогов Г.А. Методические указания для курсового проектирования. Электрическая часть станций и подстанций. – Вологда: ВоПИ, 1989. – 40 c.:ил.

4. Правила устройства электроустановок / Минэнерго СССР. – 6-е изд. перераб. и доп. - М.: Энергоатомиздат, 1986. – 648 с.: ил.

5. Гук Ю.Б., Кантан В.В., Петрова С.С. Проектирование электрической части станций и подстанци: Учеб. пособие для вузов. - Л.: Энергоатомиздат, 1985. – 312 с.: ил.

6. Рожкова Л.Д., Козулин Д.С. Электрооборудование станций и подстанций. Учеб. для техникумов. - 3-е изд., перераб. и доп. - М.: Энергоатомиздат, 1987. – 648 с.: ил.

7. Пособие к курсовому и дипломному проектированию для электроэнергетических специальностей вузов: Учеб. пособие для студентов электроэнергетических специальностей вузов, 2-е изд. перераб. и доп. / В.М. Блок, Г.К. Обушев, Л.Б. Паперно и др.; Под ред. В.М. Блок. – М.: Высш. шк., 1990. – 383 с.: ил.

8. Шабад М. А. Расчеты релейной защиты и автоматики распределительных сетей. - Л.: Энергия, 1972. – 176 с.: ил.

9. Дроздов А.Д., Платонов В.В. Реле дифференциальных защит элементов энергосистем. - М.: Энергия, 1968. – 240 c.: ил.

10. Алексеев В.С., Варганов Г.П. Реле защиты. – М.: Энергия, 1976. – 464 с.: ил.

11. Техника безопасности в электроэнергетических установках. Справочное пособие / Под ред. П.А.Долина. - М.: Энергоатомиздат,1988. – 400 с.: ил.

12. Охрана труда в электроустановках: Учеб. для вузов / Под ред. Б.А. Князевского. – 3-е изд., перераб. и доп. – М.: Энергоатомиздат, 1983. – 336 с.: ил.

13. Федоров А.А., Старкова Л.Е. Учебное пособие по электроснабжению промышленных предприятий: Учеб. пособие для вузов. – М.: Энергоатомиздат, 1987. – 368 с.: ил.

14. Атаманюк В.Г., Ширшев Л.Г., Акимов Н.И. Гражданская оборона: Учеб. для вузов / Под ред. Д.И. Михайлика. – 2-е изд. – М.: Высш. шк., 1987. – 288 с.: ил.

15. ЕНиР. Единые нормы и расценки на строительные, монтажные и ремонтно-строительные работы. Сб. 23. Электромонтажные работы. - М.:Стройиздат,1978. – 152 с.

16. Строительные нормы и правила. Приложение. Сборники расценок на монтаж оборудования. Сб. № 8. Электротехнические установки / Госстрой СССР. - М.:Стройиздат, 1985. – 191 с.

17. Прейскуранты оптовых цен. - М.: Стройиздат, 1982. – 185 с.

Оценить/Добавить комментарий
Имя
Оценка
Комментарии:
Хватит париться. На сайте FAST-REFERAT.RU вам сделают любой реферат, курсовую или дипломную. Сам пользуюсь, и вам советую!
Никита17:29:33 02 ноября 2021
.
.17:29:30 02 ноября 2021
.
.17:29:30 02 ноября 2021
.
.17:29:28 02 ноября 2021
.
.17:29:27 02 ноября 2021

Смотреть все комментарии (20)
Работы, похожие на Дипломная работа: Реконструкция и модернизация подстанции "Ильинск"

Назад
Меню
Главная
Рефераты
Благодарности
Опрос
Станете ли вы заказывать работу за деньги, если не найдете ее в Интернете?

Да, в любом случае.
Да, но только в случае крайней необходимости.
Возможно, в зависимости от цены.
Нет, напишу его сам.
Нет, забью.



Результаты(287744)
Комментарии (4159)
Copyright © 2005-2021 HEKIMA.RU [email protected] реклама на сайте