На правах рукописи
ГАЛИМОВ ФАРИД МИСБАХОВИЧ
Реализация хладоресурса углеводородных топлив в силовых и энергетических установках
05.14.04 –
Промышленная теплоэнергетика
АВТОРЕФЕРАТ
диссертации на соискание ученой степени
доктора технических наук
Казань
Работа выполнена в Казанском государственном технологическом университете
Научный консультант:
доктор технических наук, профессор, член-корреспондент АН Татарстана Гарифуллин Ф.А.
Официальные оппоненты:
доктор технических наук, профессор,
член-корреспондент Российской АН Назмиев Ю.Г.
доктор технических наук, профессор Шевченко И.В.
доктор технических наук, профессор,
член-корреспондент АН Татарстана Даутов Г.Ю.
Ведущая организация
–Центральный институт авиационного моторостроения
, г.Москва
Защита состоится «____» ____________ 2001 года в ____ часов на заседании диссертационного совета Д 212.080.06 в Казанском государственном технологическом университете по адресу: 420015, г.Казань, ул.К.Маркса,68, аудитория А-330, зал заседаний Ученого совета.
С диссертацией можно ознакомиться в библиотеке Казанского государственного технологического университета.
Автореферат диссертации разослан «___»_________ 200__ г.
Ученый секретарь диссертационного совета,
доктор технических наук, профессор А.Г.Лаптев
ОБЩАЯ ХАРАКТЕРИСТИКА РАБОТЫ
Удовлетворение потребностей современной промышленности и общества в электрической и тепловой энергии может быть решено путем переоборудования существующих отопительных котельных в теплофикационные энергетические газотурбинные установки.
Наиболее эффективными газотурбинными установками малой мощности являются установки, выполненные на базе авиационных газотурбинных двигателей (Скибин В.А., Солонин В.И., Цховребов М.М. Перспективы авиационных двигателей в развитии транспорта и энергетики// Конверсия в машиностроении. –1999. №2. ‑С.28‑35.; Алемасов В.Е., Кравцов Я.И. и др. Автономная ТЭЦ на базе газотурбинных технологий /Матер. научно-практ. конф.«Энергосбер. в хим. технол.» Казань,2000.С.60-63.)
. На базе серийных и опытных авиационных двигателей в России разработана широкая номенклатура наземных газотурбинных установок класса мощности от 0.5 до 60 МВт. Целый ряд таких установок на сегодняшний день уже освоен и успешно эксплуатируется на газоперекачивающих станциях. Назначенный ресурс таких установок составляет величину 100 000 часов, а межремонтные 25 000 часов. Кроме того, авиационные двигатели, отработавшие свой ресурс в авиации, находят широкое применение в качестве высокоэффективных источников механической, газодинамической и тепловой энергии в судостроении, сушильных установках, пожаротушении, в аэродромных и железнодорожных снегоочистителях и других индустриальных установках, используемых во многих отраслях народного хозяйства. Наземный ресурс таких установок соизмерим, а в ряде случаев в несколько раз превышает отработанный. При дальнейшей эксплуатации возникают проблемы, связанные с образованием коксовых отложений и влиянием его на теплопередающие свойства поверхности.
Аналогичные проблемы возникают и в нефтехимической, нефтеперерабатывающей промышленности, энергетике, автомобильной промышленности и других отраслях народного хозяйства.
Актуальность работы
Диссертация посвящена решению актуальной научно-технической проблемы –обеспечению эффективного применения жидких углеводородных топлив в теплонапряженных узлах силовых, энергетических и технологических установок. Повышение топливной экономичности связано с увеличением хладоресурса и удельной работоспособности углеводородных топлив и реализации их в термодинамическом цикле. Значительного прироста хладоресурса и работоспособности можно достичь при перегреве топлив, т.е. за счет повышения их предельных температур нагрева, однако при этом происходит образование смолистых и коксовых отложений. Эти отложения, прежде всего, отрицательно сказываются на ресурсе и надежности агрегатов установки, в связи с чем при разработке последних остро встает вопрос по снижению интенсивности образования коксоотложений. Работы в этом направлении в настоящее время носят чисто эмпирический характер и не опираются на научные представления о механизме образования коксоотложений. Одной из ключевых задач решения этой проблемы является изучение процессов, происходящих в топливах при их нагреве, закономерностей тепло- и массообмена в углеводородных топливах в широком диапазоне изменения режимных параметров, свойств образовавшихся при этом отложений, механизмов их подавления и удаления.
Данные исследования проводились в соответствии с Координационным планом НИР Академии наук по комплексной проблеме “Теплофизика и энергетика” на 1986‑1990 гг. (разделы 1.9.1.3., 1.9.1.9., 1.9.1.10); Межотраслевых программ “Химическая регенерация тепла для повышения экономичности, надежности и экологической чистоты силовых и транспортных средств”; темы “Федерация -МАП” на 1991‑1995 гг.; Федеральной целевой научно-технической программы «Исследования и разработки по приоритетным направлениям развития науки и техники гражданского назначения» 1997-1999 г.г. комплексной программы Минвуза РСФСР “Человек и окружающая среда”, а также по договорам с ЦИАМ им. П.И.Баранова.
Целью работы
является разработка научных основ повышения охлаждающей способности углеводородных топлив для охлаждения теплонапряженных узлов и каналов силовых и энергетических установок. Для достижения этой цели были поставлены следующие задачи:
-исследовать закономерности образования смолистых и коксовых отложений в каналах при течении жидких углеводородных топлив в условиях жидкофазного окисления;
-изучить влияние отложений на процессы теплообмена на греющей поверхности нагревателя;
-экспериментально определить теплофизические свойства отложений;
-разработать методы подавления процессов образования смолистых и коксовых отложений;
-разработать методы удаления смолистых и коксовых отложений;
-исследовать закономерности образования смолистых и коксовых отложений в каналах при течении жидких углеводородных топлив в условиях термической деструкции;
Научная новизна
В данной работе впервые комплексно исследованы процессы образования смолистых и коксовых отложений в каналах при течении жидких углеводородных топлив в условиях жидкофазного окисления и термической деструкции. Учтено влияние целого ряда факторов, влияющих на образование отложений, таких, как химический состав и фазовое состояние топлива, материал и состояние поверхности, контактирующих с топливом стенок. Комплексно рассмотрены вопросы подавления образования отложений. Разработаны высокоэффективные методы удаления отложений, отличающиеся от прототипов низкой энергоемкостью, высокой (практически 100 %-ной) эффективностью и возможностью сохранения каталитических свойств поверхности стенок канала.
Автором получены новые данные:
-по закономерностям образования смолистых и коксовых отложений в каналах при течении жидких углеводородных топлив в условиях жидкофазного окисления;
-по влиянию отложений на процессы теплообмена на греющей поверхности нагревателя;
-по теплофизическим свойствам отложений;
-по закономерностям подавления процессов образования смолистых и коксовых отложений;
-по закономерностям удаления смолистых и коксовых отложений из элементов силовых, энергетических и технологических установок;
-по закономерностям образования смолистых и коксовых отложений в каналах при течении жидких углеводородных топлив в условиях термической деструкции.
Достоверность
полученных данных обеспечивалась применением аттестованных измерительных средств и апробированных методик измерения и обработки данных, анализом точности измерений, повторяемостью результатов, а также воспроизводимостью результатов по теплообмену, свойствам, по подавлению и удалению отложений и применением статистических методов оценки погрешностей и обработки экспериментальных данных.
Практическая ценность
Результаты работы послужили основой для создания:
-способов охлаждения теплонапряженных узлов силовых, энергетических и технологических установок;
-способов подавления процессов образования отложений в топливных системах силовых и энергетических;
-способов удаления отложений из авиационных двигателей и силовых, энергетических и технологических установок.
Реализация основных положений диссертации
Основные результаты исследования использованы в следующих организациях:
-МКБ «Гранит» в комплексе работ по разработке методов очистки топливных коллекторов от смолистых и коксовых отложений;
-в СГНПП «Труд» в комплексе работ по подавлению смолистых и коксовых отложений при проектировании топливного коллектора;
-в Центральном институте авиационного моторостроения в комплексе работ по повышению охлаждающей способности реактивных топлив в условиях фазовых превращений и разработке методов и программ по созданию НТЗ по перспективной тематике;
-в НПО «Пищепромпроектмаш» при проектировании теплообменного оборудования пищевой промышленности;
-в ЗАО «Татнефтьавиасервис» в работах по предотвращению и удалению отложений в топливоподающих трубопроводах и емкостях по хранению углеводородных топлив;
-в учебных курсах авиационных, технологических и энергетических специальностей ВУЗов (МГФТУ, КГТУ, МАИ, МЭИ и др.).
Основные положения, выносимые на защиту
Новые результаты экспериментальных исследований, методик расчета теплообмена, закономерностей подавления образования отложений, внедрение которых в практику способствует обеспечению эффективного применения жидких углеводородных топлив в теплонапряженных узлах силовых и энергетических установок. Способы удаления смолистых и коксовых отложений из элементов силовых, энергетических, технологических установок и двигателей летательных аппаратов.
Апробация работы
Основные результаты доложены на научно-технических конференциях, в т.ч. на:
· на ежегодных научно-технических конференциях КГТУ-КХТИ (г.Казань 1989-2000 гг.);
· II
Межотраслевой научно-технической конференции по проблеме химической регенерации тепла в летательных аппаратах и силовых установках (Москва 1991 г.);
· II
Минском международном форуме по тепломассообмену (Минск 1992 г.);
· научно-технической конференции «Экологическая защита городов» (Москва 1996г.);
· 11 международном симпозиуме по физике кипения и конденсации (Москва 1997 г.).
· 11 и 12ом Межвузовском научно‑техническом семинаре «Внутрикамерные процессы в энергетических установках, акустика, диагностика» (Казань 1999, 2000).
· Международной научной конференции «Двигатели
XXI
века» (Москва 2000 г.)
Публикации
По теме диссертации опубликовано 33 печатных работы, в т.ч. 9 монографий.
Объем и структура работы
Диссертация состоит из введения, шести глав, заключения и списка использованной литературы. Содержание диссертации изложено на 250 страницах машинописного текста, содержит 9 таблиц, 54 рисунка. Список использованной литературы включает 212 наименований.
СОДЕРЖАНИЕ РАБОТЫ
Во введении
обоснована актуальность темы диссертации и дан краткий обзор содержания глав диссертации.
В главе 1
представлено состояние проблемы и сформулированы цели и основные задачи исследования, его научная новизна и практическая значимость. Отмечено, что при реализации хладоресурса топлив возможны ограничения по температуре нагрева, накладываемые термической стабильностью топлива и давлением насыщенных паров.
Физический хладоресурс стандартных углеводородных топлив вследствие небольших значений теплоемкости, относительно невелик, и при нагреве до температуры начала кипения не превышает 500-600 кДж/кг (Рис.1). Реализация теплоты парообразования и перегрев до 400о
С позволяет достичь хладоресурса до 1300-1400 кДж/кг, однако увеличение предельных температур нагрева топлив осложняет процесс теплообмена тем, что на поверхности образуются коксоотложения, которые влияют на теплопередачу как за счет роста термического сопротивления стенки, так и за счет влияния на теплоотдачу вследствие изменения состояния поверхности. Одним из основных факторов, определяющих процесс образования кокса, является жидкофазное окисление топлив растворенным в них кислородом.

Рис.1.
Хладоресурс топлив
D
Нх
в зависимости от температуры Т при Р=0.1 МПа:
1 –хладоресурс топлива Т-6, соответствующий максимальной температуре применения;
2 –хладоресурс топлива РТ, Т-8, соответствующий максимальной температуре применения;
3 –хладоресурс топлива Т-1, ТС-1, Т-2, соответствующий максимальной температуре применения.
Анализ показывает, что образование отложений является весьма сложным процессом, зависящим как от кинетики химических превращений, так и от внутренних характеристик течения и теплообмена, которые в свою очередь могут во многом определяться структурой и свойствами самих отложений.
Значительный прирост хладоресурса и работоспособности может быть достигнут при перегреве топлив за счет использования эндотермического разложения топлив в паровой фазе. Суммарный хладоресурс углеводородных топлив при нагреве до 700-800 о
С может достигать значений 2500-4000 кДж/кг. Однако вместе с тем следует отметить, что процессы, происходящие в топливах в области высоких температур, практически не изучены. Кроме того, при фазовых превращениях и деструкции топлив в силовых, энергетических и технологических установках происходит образование смоло- и коксоотложений, которые в свою очередь приводят к росту гидравлического сопротивления трубопроводов и термического сопротивления стенок. Образование кокса в топливных коллекторах и форсунках камер сгорания, прежде всего, отрицательно сказывается на ресурсе и надежности агрегатов и установок, в связи с чем при разработке последних стремятся снизить интенсивность образования коксоотложений. Работы в этом направлении в настоящее время носят чисто эмпирический характер и не опираются на научные представления о механизме образования коксоотложений при течении нагреваемых топлив (горючих) в узлах и каналах аппаратов.
В главе 2
приведены экспериментальные установки для изучения закономерностей образования отложений в условиях жидкофазного окисления углеводородных топлив. Отмечено, что образование низкотемпературных отложений, которые в основном отмечаются на стенках складских топливных резервуаров, фильтрах тонкой очистки заправочных средств, а также в топливных системах самолетов на фильтрах тонкой очистки, деталях топливоподающей аппаратуры и в топливомасляных радиаторах могут забивать фильтры, нарушать работу топливорегулирующей аппаратуры и снижать эффективность охлаждения двигателей и теплообменных аппаратов. Обнаружено, что механизм окисления топлив меняется при достижении температур 110 ¸ 130 о
С. На рисунке 2 представлены данные по образованию нерастворимых осадков при хранении топлив Т-1, ТС-1 и РТ в зависимости от температуры при статических (при контакте с надтопливным воздухом) условиях.
Как видно из этого рисунка, при низких температурах нет принципиального различия в механизме образования отложений в реактивных топливах. Эти данные соответствуют выводам работ Г.Ф.Большакова (Образование гетерогенной системы при окислении углеводородных топлив/ Большаков Г.Ф. -Наука. Сиб. Отд-ние, 1990. –248 с
.), в которой отмечается, что, начиная от температуры начала кристаллизации и до температур начала вытеснения легких фракций, меняется лишь скорость процесса отложения нерастворимых осадков.

Рис.2.
Масса нерастворимого осадка, образовавшегося при хранении реактивных топлив в течение 1500 часов на стеклянной поверхности в зависимости от температуры

Рис.3.
Склонность топлив к образованию нерастворимых осадков при повышенных температурах для статических условий.
С повышением температуры увеличивается количество образующегося за определенное время осадка. Как видно из рисунка 3, при значениях температуры 150 - 170 о
С (в зависимости от марки топлива) оно достигает максимума, а с дальнейшим повышением температуры снижается. Объяснение этому можно найти в уменьшении доступа кислорода к топливу по мере роста температуры.
Изучены кинетические закономерности окисления реактивных топлив в контакте с конструкционными материалами топливных систем летательных аппаратов. Обнаружено, что среди исследованных металлов имеются как катализаторы, так и ингибиторы окисления.
Для изучения закономерностей образования коксоотложений при течении различных топлив и горючих в условиях нагрева была смонтирована экспериментальная установка (Рис.4).
В качестве рабочего участка использовались сменные трубки одной партии поставки из стали 12Х18Н9Т, сплава ХН60ВТ, меди М1, в том числе с внутренними покрытиями, длиной от 0,3 до 1,0 м и внутренним диаметром от 1 до 4 мм. Установка имеет разомкнутый топливный контур с горизонтально расположенным рабочим участком, нагреваемым переменным током. Предварительно очищенное от механических примесей топливо с различным содержанием кислорода, смол и непредельных соединений из расходного бака 5 через сетчатые фильтры 4 с ячейками 16 и 5 мкм подавалось насосом 2 марки 661Л в электронагреватель 15, где производился предварительный подогрев топлива. После этого топливо поступало в рабочий участок 17, где происходил его нагрев до заданной температуры.

Рис.4.
Экспериментальная установка для изучения закономерностей образования отложений при течении углеводородных топлив в условиях нагрева
1 - бак закачки топлива; 2 - насос; 3 - предохранительный клапан; 4 - фильтр;
5 - расходный бак; 6 - вентиль; 7 - трехходовой кран;8 - штихпробер;
9 - уравнительный бак; 10 - теплообменник; 11 - кран с электроприводом;
12 - датчик расхода; 13 - электроконтактный манометр; 14 - термопара;
15 - электронагреватель; 16 - манометр; 17 - реактор; 18 - холодильник;
19 - регулировочный кран; 20 - топливо-газовый отделитель;
21 - газовый счетчик ; 22 - кран управления; 23 - топливный бак;
Ввиду того, что веществами, обусловливающими образование кокса при нагреве различных топлив, являются растворенные в них кислород, смолы, ненасыщенные соединения и др. химически активные примеси, а также вещества, находящиеся в топливе в виде коллоидных и микрогетерогенных частиц, были проведены исследования закономерностей образования коксоотложений при течении топлив в условиях варьирования концентраций этих примесей. Концентрация растворенного в топливе кислорода (в топливном баке) варьировалась от 5,0 % (равновесная концентрация при нормальных условиях) до 0,2 % (объемн). Уменьшение концентрации растворенного кислорода -обескислороживание - осуществлялось посредством барботажа топлива в баке инертным газом (N2
, Ar, He) до требуемого содержания остаточного кислорода при нормальных условиях. Содержание остаточного кислорода варьировалось посредством выбора инертного газа и времени барботирования (Рис. 5) с целью изучения влияния концентрации растворенного кислорода на скорость образования кокса на стенках канала. Как видно из этого рисунка, наилучший результат по вытеснению кислорода как для топлива РТ, так и других реактивных топлив РТ, ТС-1 обнаружен при барботировании с применением газа гелия.

Рис.5.
Зависимость содержания остаточного кислорода в топливе РТот времени барботажа инертного газа. 1- азот; 2-гелий.
Объем топлива ‑15 л. Расход газа - 9.
10-4
кг/c.
Закономерности образования кокса в трубках определяли при постоянных режимных параметрах. Давление и температуру топлива на входе в рабочий участок изменяли от 0,5 до 8,0 МПа (Р/Ркр
=0,2‑3,6) и от 10 до 150 о
С (Т/Ткр
=0,5‑0,75), соответственно через заданные промежутки времени. Режимы течения топлива в трубках ‑ламинарный, переходный и турбулентный. После испытания трубки разрезали на отдельные отрезки длиной по 50 мм, отложения фотографировали со 100- и 2000-кратным увеличением с использованием сканирующего микроскопа DSМ - 960 Opton. Средние величины шероховатости и пористости отложений определялись путем статистической обработки результатов микроисследований.
Эксперименты показали, что коксоотложения представляют собой мелкопористую структуру, сформированную из отдельных сфероподобных глобул. Характерное счетное распределение этих глобул по эквивалентным диаметрам приведено на рисунке 6, где Fi
‑число глобул в Di
- интервале диаметров, FS
- суммарное число глобул. Видно, что глобулы имеют характерные размеры 15 - 25 мкм.

Рис.6.
Счетное распределение частиц коксоотложений по диаметрам.
Схема исследования коксоотложений, образовавшихся в процессе нагревания топлив, приведена на рисунке 7

Рис.7
. Схема
исследования коксоотложений, образовавшихся при нагреве углеводородных топлив
По мере наработки отложения покрывают металлическую поверхность не сразу, а постепенно. Обработка данных показала, что зависимость от времени наработки доли поверхности стенки, покрытой отложениями, =S/Smax
, может быть описана соотношением
= 1 - exp(-at) , (1)
где а -эмпирический коэффициент, t -время наработки поверхности.
Для определения массы коксоотложений и их элементного и группового состава использовалась специальная установка, приведенная на рисунке 8.

Рис.8
. Установка для определения состава и массы коксоотложений:
1 - газометр; 2,3 - осушительные склянки;
4,5 - U-образные трубки; 6 - реактор для выжигания кокса;
7 - газовая горелка; 8,9 - электропечи; 10,11,12 ‑ поглотители;
13 - заключительная трубка; 14 - аспиратор; 15 - цилиндр;
16 - кварцевый стакан.
Кварцевый стаканчик 16 с закоксованной трубкой помещали в кварцевый реактор 6 для выжигания кокса в потоке кислорода, проходящего из баллона 1 через склянки 2 - 5 для очистки, где расход составлял 35‑70 мл/мин при Р=0,1 МПа. Температура электропечей 8 и 9 составляла 800-980 о
С и 200 о
С, соответственно. После достижения указанных температур и присоединения поглотительных трубок 10 и поглотительных аппаратов 11 и 12 производили выжигание кокса.
Образовавшиеся продукты разложения и горения смешивались с большим избытком О2
и, пройдя через зону, нагретую до 850 - 950 о
С, полностью окислялись до СО2
и Н2
О. Последние улавливались адсорбентами в аппаратах 11 и 12. Количества образовавшихся СО2
и Н2
О определялись по разности масс поглотительных аппаратов до и после сжигания кокса. Время выжигания составляло 4 - 5 ч в зависимости от состава и количества кокса.
Поскольку при горении отложений в металлической трубке происходит образование оксидов металлов, для предотвращения попадания частиц этих оксидов в аппараты 11 и 12 была введена поглотительная трубка 10, представляющая собой обогреваемый фильтр из серебряной стружки. Обогрев поглотительной трубки до 200 о
С необходим для предотвращения конденсации образовавшейся воды на этой стружке.
Анализ, проведенный посредством растворения смолистых продуктов и кокса и механического их удаления с последующим исследованием методами микроэлементного анализа, атомно-абсорбционной и инфракрасной спектроскопии, показал, что элементный состав отложений, снятый из различных участков системы охлаждения ЖРД, практически одинаков. Основной частью отложений являются органические вещества (С ‑62-70 %, Н ‑4-7 %, О –10-13 %), а зольная часть отложений (продукты неорганического происхождения) составляют 15-20 %, что согласуется с данными Г.Ф.Большакова.
Коэффициент теплопроводности кокса, как гетерогенной пористой структуры, может быть рассчитан по формуле (Глебов В.П., Эскин Н.Б., Трубачев и др. Внутритрубные образования в паровых котлах сверхкритического давления. –М., Энергоиздат, 1983. –240 с
.)
lотл
= (1 - П)lк
+ Пlт
, (2)
где П=Vпор
/Vотл
-пористость, в объемных долях; lк
, lт
-коэффициенты теплопроводности каркаса кокса и топлива.
Для определения теплопроводности каркаса отложений кокс подвергался разрушению с использованием пресса. Прилагаемое усилие составляло 250 кг/см2
. Как показали исследования, основанные на методах цветной дефектоскопии, пористость каркаса после разрушения не превышала П»0.00013.
Как показали эксперименты, теплопроводность каркаса отложений слабо меняется в ограниченном диапазоне изменения температуры в слое кокса. Для определения коэффициента теплопроводности в зависимости от параметра q×dотл
получена номограмма (Рис.9).

Рис.9
.Номограмма для коэффициентов теплопроводности коксоотложений
¾¾
Т-6; - - РТ; - .
- н-октан.
, Вт/м: 1-60; 2-50; 3-40; 4-30; 5-20; 6-10; 7-1.0; 8-0.5
Плотность сплошных отложений, образующихся вследствие окисления топлив на каталитически неактивных поверхностях, оказалась практически постоянной: rотл
=1010 ±50 кг/м. Плотность же пористых отложений, образовавшихся вследствие окисления топлив при течении на металлических поверхностях, линейно убывает с ростом пористости П кокса,
rотл
= 1000 (1 - 1,82 П), (3)
где П < 0,5.
Групповой химический состав коксоотложений определялся по методу, основанному на селективной растворимости отдельных классов углеводородов в различных растворителях. Асфальтены хорошо растворяются в бензоле (С6
Н6
), но не растворяются в эфире (легкий бензин, получаемый с помощью легких фракций из бензинов прямой перегонки). Смолы наоборот хорошо растворимы в эфире. Карбено-карбоидные соединения не растворимы ни в эфире, ни в бензоле. Результаты этих экспериментов приведены в таблице 1.
Таблица 1
.
| Компоненты |
Состав отложений, % масс.
|
| Кокса |
Температура стенки, О
С
|
| 300 |
400 |
500 |
600 |
| Смолообразные |
90-98 |
80-90 |
55-70 |
20-30 |
| Асфальтено-смолистые |
1,3-5 |
3-6 |
15-35 |
30-40 |
| Карбено-карбоидные |
0,1-0,7 |
0,2-0,8 |
2-10 |
20-40 |
В главе 3
представлены результаты экспериментального исследования теплообмена при нагреве углеводородных топлив в условиях реализации физического хладоресурса. Эксперименты проводились как в условиях естественной конвекции, так и при наличии фазовых превращений.
Для изучения теплообмена была смонтирована экспериментальная установка (Рис.10)
Нагрев топлив осуществлялся на горизонтально расположенной сменной трубке, изготовленной из стали 1Х18Н9Т, длиной 0,118 м и диаметром 6.7х6 мм, нагреваемой электрическим током. Начальная чистота поверхности соответствовала состоянию цельнотянутой трубки.
Эксперименты по определению коэффициента теплоотдачи для реактивных топлив в условиях естественной конвекции проводились как при атмосферном давлении, так и при повышенном (до 0.7 МПа). Как показали эти исследования, особого отличия в теплообмене между однокомпонентными жидкостями в виде воды, спиртов и н-гексана, так и реактивными и моторными топливами, подвергнутыми диоксегинизации, не проявляются. Образовавшиеся в начальном периоде работы поверхности незначительные отложения на коэффициент теплоотдачи видимого влияния не оказывали.

Рис.10
Принципиальная схема экспериментальной установки для изучения теплообмена при нагреве топлив в условиях естественной конвекции.
1 –экспериментальный бачок, 2 –крышка, 3,8 –штуцеры,
4 –манометр, 5 –конденсатор, 6,7 –смотровые окна,
9 –медные наконечники, 10 –вставка для стока конденсата,
11,12 –отвод и нагреватель конденсата, 13 –нагреватель,
14,16 –краники, 15 –гильзы с термопарами.
Как показали эксперименты, для условий однофазной конвекции на линии насыщения при расчете коэффициента теплоотдачи к реактивным топливам может быть использовано уравнение
(4)
Погрешность расчета по выражению (4) не превышает 20 %.
Для развитого пузырькового кипения для поверхности без отложений получена расчетная зависимость, основанная на модели В.В.Ягова (Ягов В.В. Теплообмен при развитом пузырьковом кипении //Теплоэнергетика, -1988. -№3. ‑С.4-9
.).
. (5)
где для всех реактивных топлив.
При выводе расчетного соотношения исходили из особенностей процесса кипения сложных, многокомпонентных смесей, в частности более низкой интенсивности испарения жидкости с поверхности менисков на границах сухих пятен (центров парообразования). Как известно, увеличение локальной концентрации высококипящих компонентов смеси в пристенном слое жидкости и вызванное этим снижение действительного температурного напора приводит к резкому уменьшению плотности центров парообразования. В результате обобщения всего массива опытных данных получено расчетное соотношение.
Среднеквадратичное отклонение опытных точек от расчетной зависимости (5) составляет 4.63 %. На рисунке 11 приведено сопоставление экспериментальных точек по реактивным топливам с расчетной зависимостью. Аналогичные результаты получены и для автомобильных бензинов и дизельного топлива.

Рис.11.
Обобщение экспериментальных данных по реактивным топливам
с помощью модели кипения В.В.Ягова
Как уже было отмечено ранее, при нагреве топлив по мере наработки формируются отложения, которые оказывают значительное влияние на процессы теплообмена. Коксоотложения на поверхности теплоотдающей поверхности здесь играют роль своего рода как теплоизоляторов, так и являются потенциальными центрами генерации паровых пузырей, в связи с чем на интенсивность охлаждения оказывает влияние их толщина и теплопроводность.
При изучении закономерностей парообразования на поверхности с коксоотложениями следует рассмотреть три аспекта процесса: зарождение парообразования, интенсивность теплоотдачи при кипении и наступление кризиса кипения.
Эксперименты, проведенные с реактивными топливами для условий естественной конвекции, показали, что образование отложений оказывает незначительное влияние на коэффициент теплоотдачи. Была изучена теплоотдача как на поверхности после 16-и суток окисления при температуре 114 °С, так и после развитого пузырькового кипения в течении 8 часов при q=200 кВт/м2
и Ps
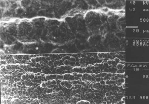
=0.5 МПа. Структура отложений, образовавшихся при данных температурах, приведена на фотографии (Рис.12).

Рис.12.
Структура отложений на поверхности 1Х18Н9Т при нагреве
реактивного топлива ТС-1.
Верхняя часть фото –после 16 –и суток окисления при Тст
=114-116 о
С
Нижняя часть фото –после 8 –и часов развитого кипения при Тст
=278 о
С
Сопоставление экспериментальных данных для топлив с расчетной зависимостью (4), полученной для гладких поверхностей, показало, что коксоотложения несколько снижают a. Погрешность расчета по этой зависимости составляет 28 %. Однако, если в этом выражении несколько изменить значение постоянного множителя и показателя степени, то расчетная зависимость
(6)
позволяет описать опытные точки для всех реактивных топлив с погрешностью до 12 %. Аналогичные результаты получены и для других топлив (бензин А-76, АИ-93 и дизельного топлива) в интервале давлений Ps
=0.1-1.1 МПа и плотности теплового потока q=1.1-7.6 кВт/м2
.
В этом выражении за определяющую величину принят диаметр трубки.
Определение условий возникновения паровой фазы и зарождения пузырей на твердой поверхности является одной из наиболее сложных и важных задач физики кипения жидкостей. Этот вопрос еще более усложняется для поверхности, покрытой отложениями. На рисунке 13а приведены результаты экспериментов по изучению условий возникновения пузырей на поверхности кипения, покрытой отложениями для топлива ТС-1. Сплошная линия соответствует поверхности,обработанной по техническому классу чистоты (Ñ6 - 7 и ниже) со средней глубиной впадин до 10 мкм, без отложений.
Как видно из этого рисунка, условия образования отложений вносят существенный вклад на значение теплового потока, необходимого для зарождения паровых пузырей. Если для поверхности после 16 суток окисления при температуре 114 °С мы наблюдаем значительный рост необходимого теплового потока для зарождения пузырей, который достигает до 3-4 кВт/м2
, то для поверхности, подвергнутой заранее 8 часам развитому пузырьковому кипению при плотности теплового потока q=200 кВт/м2
и Ps
=0.5 МПа, значение перегрева и соответственно плотности теплового потока влияет незначительно (не превышает 1.5 кВт/м2
для всего диапазона исследованных давлений). Объяснение этому можно найти в структуре образования самих отложений (см.рис.12). Как уже отмечалось ранее, при пониженных температурах на поверхности (имеется в виду Тст.
=114-116 о
С) в основном откладываются смолообразные осадки, которые в свою очередь забивают имеющиеся шероховатости. Последнее приводит к необходимости роста перегрева трубки для условия зарождения на ней парового пузыря, что мы и наблюдаем.
На поверхности, подвергнутой 8 часам развитому пузырьковому кипению, образовавшиеся отложения состоят, кроме смолообразных отложений, также из асфальтено-смолистых и карбено-карбоидных отложений, которые, как известно, представляют из себя более высокомолекулярные соединения и являются предшественниками образования кокса. Отложение последних приводит к образованию пористых структур на поверхности, в связи с этим шероховатость поверхности по сравнению с предыдущей поверхностью оказывается выше. Причем эти поры забиваются не топливом из объема системы, а обогащены соединениями, содержащими смолообразную структуру, т.е. температура их кипения намного выше, чем температура кипения самого топлива.
Замедление зарождения паровых пузырей по сравнению с чистой поверхностью можно объяснить только низкой теплопроводностью и толщиной этих отложений.
Аналогичные результаты получены также при обратном переходе от режима одиночных пузырей к однофазной конвекции. Здесь наблюдалось незначительное снижение плотности теплового потока, т.е. имел место своего рода гистерезис вырождения кипения как для чистой поверхности, так и для поверхности с отложениями. Причем величина гистерезиса для чистой поверхности лежит в пределах 1-1.5 кВт/м2
, а для поверхностей с отложениями составляет до 3-5 кВт/м2
.
а)
б)
Рис.13
. Влияние коксоотложений на переход
а) -от режима естественной конвекции к пузырьковому кипению;
б) - от режима пузырькового кипения к естественной конвекции.
На рисунке 13б представлены результаты экспериментов для топлива ТС‑1. Следует также отметить, что вырождение пузырей на поверхности после 8 часов развитого кипения происходит значительно позже, чем для чистой поверхности и поверхности после однофазного окисления, что также объясняется природой процесса кипения. Динамические процессы на поверхности кипения, связанные с ростом парового пузыря, приводят к деформации образовавшихся отложений, что приводит к росту неровностей и шероховатости. Для отложений, образовавшихся при повышенной температуре, как уже отмечалось ранее, свойственно присутствие асфальтено-смолистых и карбено-карбоидных соединений, шероховатость которых оказывается значительно выше, чем для поверхности с смолообразными отложениями.
Аналогичные результаты получены также для топлив РТ, Т-6, Т-1.
Для расчета теплоотдачи при кипении топлив на поверхности, покрытых отложениями, теплофизические свойства которых заметно отличны от свойств металла, известные формулы, полученные при кипении на трубках в начале наработки, когда отложений не было, в общем случае оказываются непригодными. Это обусловлено тем, что появление слоя малотеплопроводных отложений на металлической стенке приводит к изменению условий для зарождения и роста паровых пузырей. В зависимости от природы образовавшихся отложений, значительно претерпевается изменению шероховатость поверхности, а также заметно уменьшается коэффициент аккумуляции тепла на стенке , что в свою очередь снижает интенсивность теплоотдачи. Кроме этого, отложения оказывают влияние на возникновение температурных пульсаций при испарении микрослоя жидкости в окрестности центров парообразования.
Как показали предварительные эксперименты, влиянием шероховатости стенки, вследствие образования отложений при развитом кипении, можно пренебречь, так как в условиях развитого пузырькового кипения коэффициент теплоотдачи в течение значительного времени изменяется незначительно. Кроме того, как показали эксперименты по зарождению пузырей (Рис.13), отложения, образованные в условиях кипения, оказали меньшее влияние на образование паровой фазы, чем смолообразные отложения, которые образуются при пониженных температурах. В связи со всем вышесказанным можно заключить, что на поверхностях нагрева, обработанных по техническому классу чистоты (Ñ6‑7 и ниже) со средней глубиной впадин до 10 мкм, т.е. достаточно грубо, изменение шероховатости за счет коксоотложений не оказывает влияния на коэффициент теплоотдачи.
Среднее значение глубины проникновения температурных пульсаций при испарении микрослоя топлив с поверхности отложений, согласно оценкам, выполненным по формуле
, (7)
не превышает 0.1 мм.
Для описания теплоотдачи при развитом пузырьковом кипении в условиях образования на поверхности нагрева отложений получена расчетная зависимость
, (8)
где a рассчитывается из уравнения (5).
Параметр определяется из выражения
[dотл
/hср
+(1-dотл
/hср
)2
]2
. (9)
Выражение (8) отличается своей универсальностью. Так для чистой поверхности выражение под корнем =1. Для условия, когда толщина отложений dотл
, превышает величину глубины температурных пульсаций (hср
/dотл
<1), расчет ведется согласно теплофизическим свойствам отложений, а для случая, когда (hср
/dотл
>1), используется выражение (9)
Погрешность расчета по зависимости (8) не превышает ± 35 % для всех исследованных топлив.
Глава 4
посвящена моделированию процессов теплообмена и образования коксоотложений при течении углеводородных топлив в топливных каналах силовых и энергетических установок. Предложена трехстадийная схема образования веществ кокса
Топливо + Кислород Промежуточные продукты
Промежуточные продукты + Топливо ВМС
(10)
ВМС кокс
Рассмотрим окисление углеводородов по этой схеме при развитом турбулентном течении в обогреваемых каналах.
Поскольку концентрации продуктов окисления весьма малы (~10-4
моль/л) и концентрация кислорода незначительна (~10-2
моль/л), изменением концентрации топлива и тепловыми эффектами реакции окисления можно пренебречь, и течение окисляемого топлива можно отнести к классу течений химически реагирующих сильно разбавленных жидкостей.
Система уравнений гидродинамики и теплообмена записывается в виде:
, (11)
, (12)
, (13)
(14)
, (15)
(16)
(17)
(18)
(19)
с граничными условиями:
x=0: wx
= , wr
=0 h=hо
(r);
r=0: ; (20)
r=rw
: wx
=wr
=0 ; -
В этих уравнениях: wx
и wr
–составляющие скорости вдоль оси трубы x и радиуса r; h –энтальпия; P –давление; r –плотность; t и q –суммарное (молекулярное и турбулентное) касательное напряжение и поперечный тепловой поток, которые выражаются через кинематический коэффициент турбулентной вязкости et
и коэффициент турбулентной температуропроводности eq
; m –динамический коэффициент вязкости; l ‑коэффициент теплопроводности; Cp
–теплоемкость.
Тогда выражения (14) и (16) с учетом (17) и (18) перепишутся в виде
t ; q= (21)
где Pr=n/a ‑молекулярное число Прандтля;
Prт
=et
/eq
–турбулентное число Прандтля, которое принимается равным единице.
Коэффициент турбулентной вязкости при переменных физических свойствах et
рассчитывается по формуле В.Н. Попова (Попов В.Н. и др. Теплообмен и турбулентное течение воды сверхкритических параметров состояния в вертикальной трубе при существенном влиянии свободной конвекции. //Теплоэнергетика. 1986. №4. С.22-29
):
, (22)
Коэффициент турбулентной вязкости при постоянных физических свойствах определяется по формуле Рейхардта, уточненнной для относительно малых чисел Рейнольдса (3.
103
£ Re £ 2.
104
):

(23)
Здесь R=r/rw
=1-h/hо
, hо
= .
Система уравнений баланса масс имеет вид:
, i=1,2,3 (24)
где ji
-соответственно, источниковый член. Для кислорода (i=1), промежуточного продукта (i=2) и ВМС (i=3); сi
‑весовая концентрация; Di
и DTi
соответственно коэффициенты молекулярной и турбулентной диффузии, рассчитываемые согласно теории кинетики химических реакций.
Граничные условия :
r=0; =0.
х=0; C1
=Co
; C2,3
=0 (25)
r=rw
; ;
.
Запишем выражения для источниковых членов:
j1
=K1
c1
cRH
r2
/МRH
;
j2
=K1
c1
cRH
/ -K2
c2
cRH
r/МRH
; (26)
j3
=K3
c3
cRH
r2
/МRH
Мi
-молекулярная масса, кг/кмоль; Ki
=Ai
.
exp(-Ei
/RT) -константы скоростей реакций окисления углеводорода.
Система уравнений (11-26) решается конечно‑разностным методом.
В качестве последнего граничного условия (25) принято равенство диффузионного потока потоку массы вследствие реакции на стенке: J3w
=Kw
c3w
, где Кw
-константа скорости реакции на стенке. Величина Kw
выбрана из условия совпадения с экспериментом по скорости образования коксоотложений в кинетическом режиме.
Для учета влияния дезактивации металлической поверхности вследствие коксоотложений принималось, что скорость дезактивации имеет первый порядок по константе скорости основной поверхностной реакции:
, (27)
где tн
-время наработки, Kg
-константа скорости дезактивации, определяемой по изменению доли площади поверхности, покрываемой отложениями.
Данная модель позволила детально изучить свойства процесса коксоотложения на основе результатов численного моделирования. Это особенно важно при изучении такого сложного процесса, как термоокисление топлив, т.к. многие стадии этого процесса практически не поддаются экспериментальным исследованиям.

Рис.14.
Распределение концентраций продуктов окисления
реактивного топлива РТ по длине канала х
(трубка
Æ
4х1500; 1 -О2
; 2 –промеж. прод.; 3 -ВМС).
Результаты моделирования условий образования кокса при течении нагреваемых топлив в каналах продемонстрированы на рис. 14, где приведена зависимость среднемассовых концентраций кислорода, промежуточного продукта, ВМС по длине канала х при тепловой нагрузке qw
=3,8.
105
Вт/м2
; расходе G=0,585.
10-2
кг/с; и температуре на входе Твх
=373 К для топлива РТ. Концентрация примесей принималась равной нулю.
В
главе 5
представлены данные по теплообмену и образованию отожений при течении углеводородных топлив в условиях реализации химического хладоресурса.
Химический хладоресурс так же, как и физический, может использоваться при подводе тепла к топливу непосредственно от теплонапряженных элементов при их охлаждении или же как промежуточный теплоноситель (например, в топливо-воздушном или топливо-газовом теплообменнике). При этом продукты химических превращений топлив могут быть перед подачей в камеру сгорания использованы в качестве рабочего тела для привода агрегатов системы топливопитания двигателя. Появляется возможность разработки комбинированных ВРД новых схем, работающих по более современным, чем цикл Брайтона, термодинамическим циклам за счет использования возможностей топлива как хладагента, рабочего тела с высокой газовой постоянной и высококалорийного горючего.
Исследования закономерностей термической деструкции топлив проводились при атмосферном и повышенном давлениях и температурах до 900 o
С на экспериментальной установке (Рис.4). В результате проведенных опытов установлено, что при температурах ниже 575-600 о
С газообразование практически не наблюдается. Повышение температуры выше 575-600 о
С приводит к появлению газообразных продуктов, что свидетельствует о термическом разложении топлив. Увеличение времени пребывания (контакта) также способствует росту газообразования. Изучение же закономерностей образования отложений при термической деструкции показало, что в условиях турбулентного течения металлическая поверхность покрывается тонким сплошным слоем кокса.
Как следует из вышеизложенного, для установок многоразового использования образовавшиеся отложения ставят проблему по их очистке.
В главе 6
приведены физико-механические, физико-химические, химико-термические способы удаления отложений.
Физико-механические методы очистки загрязненных коксоотложениями трубопроводов основаны, как правило, на разрушении отложений путем промывки моющими средствами с ультразвуковым или термоакустическим воздействием. Они используются в основном для очистки неответственных деталей или деталей, механическая обработка которых не представляет опасности с точки зрения нарушения их прочности или состояния рабочей поверхности. Этот метод обладает невысокой эффективностью
при очистке трубопроводов сложной конфигурации
(колен с большими углами загиба, змеевиков и трубопроводов, имеющих глухие полости, впадины и экранированные зоны, исключающие непосредственное попадание в них ультразвуковых волн и т.д.). С помощью этого метода (Табл.2) недостаточно эффективно удаляются твердые отложения
, т.к. для этого, как показывают опыты, увеличение трения вследствие торможения потока жидкости недостаточно. Поэтому очистка трубопроводов требует значительного времени и, как правило, разборки установок. Несмотря на то, что этот метод позволяет производить очистку трубопроводов большой длины, тем не менее эта длина ограничена вследствие снижения интенсивности колебаний вдоль трубы. Имеет место продольная неравномерность очистки трубопровода
, т.к. начальный участок очищается лучше, чем остальные.
Таблица 2.
Эффективность очистки физико-механическими методами
| Температура образования кокса о
С |
Степень очистки % |
250-350
350-550
550-700
700-800
|
До 20
20-30
25-40
90-95
|
Физико-химические методы (Табл.3) являются более эффективными по сравнению с физико-механическими и основаны на удалении коксоотложений посредством щелочных соединений, поверхностно-активных веществ, синтетических моющих средств и растворяюще-эмульгирующих средств.
Таблица 3.
Эффективность очистки физико-химическими методами
| Температура образования |
Степень очистки * |
| коксоотложений, о
С |
СМС |
РЭС |
| 300 |
25-45 |
60-70 |
| 400 |
20-30 |
40-50 |
| 500 |
15-20 |
30-40 |
| 600 |
10-15 |
20-30 |
* Время очистки - 1 час.
Полученные результаты показали, что посредством СМС и РЭС удаляются в основном смолообразные вещества, образованные при температурах поверхности ниже 400 о
С. Однако СМС и РЭС малоэффективны при очистке от асфальтено-смолистых и коксообразных веществ, образованных при температурах стенки выше 400 о
С. При этом более эффективным средством оказались РЭС.
Недостатком данного метода является: 1. Низкая эффективность удаления твердого кокса. 2. Более интенсивное повторное коксование. 3.Большая длительность процесса очистки.
Химико-термические методы (Табл.4) являются наиболее эффективными по сравнению с выше рассмотренными. Как видно из этой таблицы, химико-термические методы позволяют достичь наиболее высокой степени очистки от кокса (80-100%). Метод выжигания отложений оказался наиболее эффективным. Экспериментальное исследование закономерностей выгорания коксоотложений в потоке О2
проводилось на установке микроэлементного анализа (Рис.8). Через трубку с коксом, нагреваемую снаружи газовой горелкой до температур 800-980 о
С, продувался поток О2
или смесь О2
+N2
при температуре Т@20 о
С.
Недостатком этого метода является высокая энергоемкость процесса, и кроме того, сам процесс удаления кокса путем выжигания осуществляется при высоких температурах (800-950 о
С), при которых возможны деформация и разрушение очищаемых элементов.
Таблица 4.
Эффективность очистки химико-термическими методами
| Температура образования кокса о
С |
Степень очистки, % |
| Расплав солей |
Расплав щелочей |
Сгорание в воздушном потоке |
250-350
350-550
550-700
700-800
|
90-95
87-93
85-90
85-90
|
90-95
86-94
86-90
85-90
|
95-100
92-98
92-95
90-95
|
Автором разработана технология (Рис.15) и опробован на реальных объектах метод удаления коксоотложений посредством озонолиза.

Рис.15
Схема технологического процесса удаления коксоотложений озонированием
1 -баллон с кислородом; 2 - генератор озона; 3 - реактор; 4 - электропечь;
5 - очищаемый элемент; 6 – анализатор двойных связей АДС-4;
7 - бак для промывки органическими растворителями;
8 - бак для промывки водными растворами неорганических веществ;
9 - бак для промывки водой; 10 - бак для сушки.
Удаление коксоотложений посредством озонирования проводилось следующим образом: трубка с коксом продувалась смесью О2
+О3
при температурах 20-150 о
С в течение 15 мин. В качестве источника О3
использовали генератор озона ГО-3 (концентрация О3
в кислороде 4% объемн.). После обработки озоном отложения последовательно обрабатывались ацетоном и 18%-ным водным раствором едкого натрия при температурах 70-85 о
С.
В таблице 5приведены данные по степеням удаления кокса на стадиях озонирования и последовательной обработки растворителями.
Таблица 5.
Эффективность очистки методом озонирования
| Степень удаления отложений, % |
| Температура образования |
После озонирования |
После последовательной
обработки растворителями
|
S, %
|
| кокса, о
С |
Ацетон |
водный раст-
вор NaOH (10%)
|
| 300 |
30 |
20 |
50 |
100 |
| 400 |
24 |
18 |
55 |
97 |
| 490 |
19 |
15 |
58 |
92 |
Изложенное выше свидетельствует о том, что предложенный метод удаления коксоотложений является весьма эффективным. Технология удаления коксоотложений на базе этого метода включает следующие операции:
1. Обработку отложений озоном при температуре »100 о
С; время обработки определяется по прекращению изменения концентрации озона.
2. Промывку продуктов озонирования отложений ацетоном при температуре начала кипения.
3. Промывку продуктов озонирования отложений 18% ‑ным раствором NaOH при температурах 70-85 о
С.

Рис.16.
Удаление отложений методом озонирования и последующей промывки ацетоном и 18%-ным водным раствором
NaOH
.
Разработанная технология была использована для удаления кокса из полостей форсунок и топливного коллектора камеры сгорания в МКБ «Гранит» (Рис.16). Очистка проводилась без их предварительной разборки. После очистки посредством озонолиза получен положительный результат, заключающийся в увеличении прокачки топлива, а также в увеличении равномерности распределения расходов топлива через форсунки.
Кроме того, разработанная технология была использована для очистки от кокса закалочно-испарительных аппаратов (ЗИА) и теплообменников нефтехимических производств.
ОСНОВНЫЕ РЕЗУЛЬТАТЫ И ВЫВОДЫ
В результате проведенных комплексных и систематических исследований по изучению закономерностей образования коксоотложений, методов подавления и удаления отложений и процессов теплообмена установлено следующее:
· Проблема с охлаждением силовых и энергетических установок может быть решена за счет повышения охлаждающей способности топлива (реализация теплоты парообразования и приращения энтальпии их паров), при которой суммарный хладоресурс достигает 1200-1400 кДж/кг.
· Процесс образования кокса происходит при нагреве жидких углеводородных горючих и обусловлен окислением растворенным в них кислородом. Основными факторами, оказывающими влияние на процесс образования коксоотложений, являются: химический состав топлива, его фазовое состояние и температура, давление и скорость потока, температура, материал и состояние поверхности нагрева, контактирующей с горючим.
· С повышением температуры увеличивается количество образующегося за определенное время осадка. При значениях температуры топлив 150 - 170 о
С количество образовавшегося осадка достигает максимума, и с дальнейшим повышением температуры оно снижается, что объясняется уменьшением доступа кислорода к топливу по мере роста температуры.
· Уменьшение шероховатости поверхности греющей стенки способствует снижению образования на ней отложений и повышению стабильности работы топливных систем и систем охлаждения двигателей.
· Получены расчетные соотношения, позволяющие оценить влияние образования отложений на коэффициент теплоотдачи как в условиях естественной конвекции, так и в режиме развитого пузырькового кипения.
· Разработан метод удаления отложений посредством озонолиза с последующей обработкой ацетоном и 18% -ным водным раствором NaOH,
· Разработаны рекомендации по подавлению образования отложений при нагреве топлив, заключающиеся в удалении непредельных соединений путем предварительной обработки топлив озоном и дальнейшей его очистке через селикогелевый фильтр, обескислороживании путем барботажа инертным или нейтральным газом, подборе каталитически пассивных материалов, что позволяет повысить ресурс силовых, энергетических и технологических установок в 10 и более раз.
Проведенные исследования позволили разработать научные основы применения топлив в силовых, энергетических и технологических установках и обеспечить эффективное использование ГСМ в перспективных технических устройствах.
Основное содержание диссертации изложено в следующих работах
В Монографиях
1.
Шигабиев Т.Н., Галимов Ф.М
. Кипение смесей
. Казань, Издательство НПО «Пищепромпроектмаш», 1994. -133 с.
2.
Шигабиев Т.Н., Яновский Л.С., Галимов Ф.М
., Иванов В.Ф. Тепло и массообмен при фазовых превращениях топлив и масел
.
Казань, Издательство НПО «Пищепромпроектмаш», 1995. 58 с.
3.
Шигабиев Т.Н., Яновский Л.С., Галимов Ф.М
., Иванов В.Ф. Эндотермические топлива и рабочие тела силовых и энергетических установок
. Казань. Издательство «Абак», 1996. 264 с.
4.
Яновский Л.С., Дубовкин Н.Ф., Галимов Ф.М
., Иванов В.Ф. Экология легких моторных топлив
. Казань, Издательство «Абак», 1997. 204 с.
5.
Яновский Л.С., Дубовкин Н.Ф., Галимов Ф.М
., Иванов В.Ф., Сагидуллин Р.Н. Энергоемкие горючие
. Казань, Издательство «Абак», 1997. 131 с
6.
Дубовкин Н.Ф., Яновский Л.С., Галимов Ф.М
., Иванов В.Ф., Сагидуллин Р.Н. Авиационные криогенные углеводородные топлива
. Казань, Издательство «Абак», 1998. 255 с.
7.
Яновский Л.С., Иванов В.Ф., Галимов Ф.М
., Сапгир Г.Б. Коксоотложения в авиационных и ракетных двигателях
.
Казань, Издательство «Абак», 1999. –284 с.
8.
Дубовкин Н.Ф., Яновский Л.С., Шигабиев Т.Н., Галимов Ф.М
. Иванов В.Ф. Инженерные методы определения физико-химических и эксплуатационных свойств топлив
. Казань, Издательство «Мастер Лайн», 2000. ‑378 с.
9.
Шигабиев Т.Н., Яновский Л.С., Галимов Ф.М
., Иванов В.Ф. Физический и химический хладоресурс углеводородных топлив
.
Казань, Издательство «Мастер Лайн», 2000. –240 с.
В статьях и трудах научных конференций с открытой публикацией
1.
Шигабиев Т.Н., Галимов Ф.М.
Теплоотдача при кипении реактивного топлива ТС1. /В сб. Тепло и массообмен в химической технологии. Казань. 1989. С.117120.
2.
Галимов Ф.М
. Шигабиев Т.Н. Обобщение опытных данных по теплоотдаче при кипении реактивных топлив //В сб. Тепло и массообмен в хим. технологии. Казань, 1990. С.99102.
3.
Галимов Ф.М
., Шигабиев Т.Н. Влияние длительности кипения реактивного топлива ТС1 на состояние поверхности нагрева //В сб. Тепло и массообмен в хим. технологии. Казань, 1991. С.1114.
4.
Галимов Ф.М.,
Головин С.В. Теплообмен при кипении многокомпонентных смесей углеводородов /Материалы IV Всесоюзной конференции молодых исследователей. Новосибирск, 1991. С.142143.
5.
Галимов Ф.М
. Теплоотдача при кипении реактивных топлив в условиях естественной конвекции /Автореферат диссертации на соиск. уч. ст. канд. техн. наук. Казань, 1991. 16с.
6.
Галимов Ф.М
., Шигабиев Т.Н., Усманов А.Г. Теплообмен при кипении реактивных топлив в условиях естественной конвекции. /В сб. Тепло и массообмен в химической технологии. Казань. 1991. С.1421.
7.
Шигабиев Т.Н., Галимов Ф.М
. Теплообмен при кипении многокомпонентных смесей углеводородов. //Химическая промышленность. №11. 1992. С.678-681.
8.
Усманов А.Г., Гумеров Ф.М., Галимов Ф.М
. и др. Исследование теплообмена при кипении реактивных и моторных топлив /Научнотехнический отчет №1¸4, кафедра ТОТ КХТИ. Казань 19921993 гг. 65 с.
9.
Шигабиев Т.Н., Галимов Ф.М
. Теплообмен при кипении реактивных топлив в диапазоне давлений 0.11.1 МПа. //Промышленная теплотехника. Т.16, №1, 1994. С.79.
10.
Галимов Ф.М
., Шигабиев Т.Н. Теплообмен при кипении автомобильных бензинов и дизельных топлив в условии естественной конвекции //В сб. Тепло и массообмен в химической технологии. Казань. ‑1994. С.4650.
11.
Ягов В.В., Яновский Л.С., Галимов Ф.М
., Тимошенко А.В. Теплообмен при пузырьковом кипении реактивных топлив //Теплофизика высоких температур. 1994. ‑Т.32, №6. С.867872.
12.
Шигабиев Т.Н., Галимов Ф.М.
. Теплоотдача при кипении углеводородных топлив в условиях естественной конвекции //Инженерно‑физический журнал. 1995. Т.68. №3. С.438443.
13.
Шигабиев Т.Н., Галимов Ф.М
. Влияние процесса фракционирования на коэффициент теплоотдачи при кипении углеводородных топлив в условии естественной конвекции //Химическая промышленность №2. 1995. С.8790.
14.
Галимов Ф.М
., Гарифуллин Ф.А., Яновский Л.С. Образование коксоотложений при нагреве углеводородных топлив. /Сборник докладов и сообщений на 11м научнотехническом семинаре “Внутрикамерные процессы в энергетических установках, акустика, диагностика”. Казань. 1999. С.4850.
15.
Галимов Ф.М
., Гарифуллин Ф.А., Яновский Л.С. Использование хладоресурса реактивных топлив для охлаждения узлов и конструкций летательных аппаратов /Сборник докладов и сообщений на 11м научнотехническом семинаре “Внутрикамерные процессы в энергетических установках, акустика, диагностика”. Казань. 1999. С.5254.
16.
Фадеев Д.А., Галимов Ф.М
., Гарифуллин Ф.А. Расчет коэффициента теплоотдачи при кипении однокомпонентных систем /Сборник докладов и сообщений на 11м научно-техническом семинаре “Внутрикамерные процессы в энергетических установках, акустика, диагностика”. Казань, 1999. С.5051.
17.
Галимов Ф.М.
Возможности реализации химического хладоресурса топлив летательных аппаратов /Тезисы докладов 12го Межвузовского научнотехнического семинара “Внутрикамерные процессы в энергетических установках, акустика, диагностика”. Казань, 2000. С.76‑78.
18.
Фадеев Д.А., Галимов Ф.М
., Гарифуллин Ф.А. Кипение суспензионных горючих на примере смеси топлива ТС-1 и алюминия /Тезисы докладов 12го Межвузовского научнотехнического семинара “Внутрикамерные процессы в энергетических установках, акустика, диагностика”. Казань, 2000. С.84‑85.
19.
Галимов Ф.М
., Гарифуллин Ф.А., Яновский Л.С. Структура и состав коксоотложений в каналах ГТД и ВРД. /Тезисы докладов 12го Межвузовского научнотехнического семинара “Внутрикамерные процессы в энергетических установках, акустика, диагностика”. Казань, 2000. С.80‑82.
20.
Фадеев Д.А., Галимов Ф.М
., Гарифуллин Ф.А. Обобщение экспериментальных данных по теплоотдаче при кипении суспензионной смеси топлива ТС-1 и алюминия //Химическая промышленность. №10, 2000. С.53-56.
21.
Галимов Ф.М
. Влияние отложений на начало образования пузырей при поверхностном кипении топлив /Тезисы докладов 12го Межвузовского научнотехнического семинара “Внутрикамерные процессы в энергетических установках, акустика, диагностика”. Казань. 2000. С.82‑83.
22.
Фадеев Д.А., Галимов Ф.М
., Гарифуллин Ф.А. Кипение жидких суспензионных горючих в большом объеме //Материалы международной научной конференции «Двигатели XXI века». Москва, 2000. С.226-227.
23.
Галимов Ф.М.
Возникновение кипения углеводородных топлив на поверхности при наличии отложений //Материалы всероссийской научной конференции «Тепло и массообмен в химической технологии». Казань, 2000. С.82-86.
24.
Фадеев Д.А., Галимов Ф.М
., Гарифуллин Ф.А. Обобщенные зависимости для расчета интенсивности теплоотдачи при кипении однокомпонентных жидкостей в условии естественной конвекции //Материалы международной научной конференции «Двигатели XXI века». Москва, 2000. С.228-229.
Соискатель Ф.М.Галимов
Заказ Тираж 100 экз
Офсетная лаборатория КГТУ
420015, г.Казань, ул.К.Маркса, 68
|