Банк рефератов содержит более 364 тысяч рефератов, курсовых и дипломных работ, шпаргалок и докладов по различным дисциплинам: истории, психологии, экономике, менеджменту, философии, праву, экологии. А также изложения, сочинения по литературе, отчеты по практике, топики по английскому.
Полнотекстовый поиск
Всего работ:
364139
Теги названий
Разделы
Авиация и космонавтика (304)
Административное право (123)
Арбитражный процесс (23)
Архитектура (113)
Астрология (4)
Астрономия (4814)
Банковское дело (5227)
Безопасность жизнедеятельности (2616)
Биографии (3423)
Биология (4214)
Биология и химия (1518)
Биржевое дело (68)
Ботаника и сельское хоз-во (2836)
Бухгалтерский учет и аудит (8269)
Валютные отношения (50)
Ветеринария (50)
Военная кафедра (762)
ГДЗ (2)
География (5275)
Геодезия (30)
Геология (1222)
Геополитика (43)
Государство и право (20403)
Гражданское право и процесс (465)
Делопроизводство (19)
Деньги и кредит (108)
ЕГЭ (173)
Естествознание (96)
Журналистика (899)
ЗНО (54)
Зоология (34)
Издательское дело и полиграфия (476)
Инвестиции (106)
Иностранный язык (62791)
Информатика (3562)
Информатика, программирование (6444)
Исторические личности (2165)
История (21319)
История техники (766)
Кибернетика (64)
Коммуникации и связь (3145)
Компьютерные науки (60)
Косметология (17)
Краеведение и этнография (588)
Краткое содержание произведений (1000)
Криминалистика (106)
Криминология (48)
Криптология (3)
Кулинария (1167)
Культура и искусство (8485)
Культурология (537)
Литература : зарубежная (2044)
Литература и русский язык (11657)
Логика (532)
Логистика (21)
Маркетинг (7985)
Математика (3721)
Медицина, здоровье (10549)
Медицинские науки (88)
Международное публичное право (58)
Международное частное право (36)
Международные отношения (2257)
Менеджмент (12491)
Металлургия (91)
Москвоведение (797)
Музыка (1338)
Муниципальное право (24)
Налоги, налогообложение (214)
Наука и техника (1141)
Начертательная геометрия (3)
Оккультизм и уфология (8)
Остальные рефераты (21692)
Педагогика (7850)
Политология (3801)
Право (682)
Право, юриспруденция (2881)
Предпринимательство (475)
Прикладные науки (1)
Промышленность, производство (7100)
Психология (8692)
психология, педагогика (4121)
Радиоэлектроника (443)
Реклама (952)
Религия и мифология (2967)
Риторика (23)
Сексология (748)
Социология (4876)
Статистика (95)
Страхование (107)
Строительные науки (7)
Строительство (2004)
Схемотехника (15)
Таможенная система (663)
Теория государства и права (240)
Теория организации (39)
Теплотехника (25)
Технология (624)
Товароведение (16)
Транспорт (2652)
Трудовое право (136)
Туризм (90)
Уголовное право и процесс (406)
Управление (95)
Управленческие науки (24)
Физика (3462)
Физкультура и спорт (4482)
Философия (7216)
Финансовые науки (4592)
Финансы (5386)
Фотография (3)
Химия (2244)
Хозяйственное право (23)
Цифровые устройства (29)
Экологическое право (35)
Экология (4517)
Экономика (20644)
Экономико-математическое моделирование (666)
Экономическая география (119)
Экономическая теория (2573)
Этика (889)
Юриспруденция (288)
Языковедение (148)
Языкознание, филология (1140)

Лабораторная работа: Переходные электромагнитные процессы

Название: Переходные электромагнитные процессы
Раздел: Рефераты по физике
Тип: лабораторная работа Добавлен 06:58:57 21 октября 2010 Похожие работы
Просмотров: 148 Комментариев: 19 Оценило: 2 человек Средний балл: 5 Оценка: неизвестно     Скачать

Практическая работа

По курсу «Переходные электромагнитные процессы»


1. При симметричном трёхфазном коротком замыкании в заданной точке «К» схемы определить аналитическим путём, а также методом расчетных кривых, начальное значение периодической составляющей тока и ударный ток.

2. Используя метод расчетных кривых, определить величину тока при несимметричном коротком замыкании К(1) в этой же точке для начального момента времени, через 0.2 с после начала короткого замыкания и в установившемся режиме.

3. Построить векторные диаграммы токов и напряжений в точке короткого замыкания для начального момента времени.

Схема задания показана на рисунке 1.1 .

Рисунок 1.1 – Расчетная схема задания


Исходные данные для произведения расчетов.

Таблица 1- параметры оборудования

Наименование обородувания Тип оборудования Sн,МВА Uн ,кВ cosφ x’’ d x2
Генераторы
Г1 ТВФ-63-2ЕУЗ 78,75 10,5 0,8 0,136 0,166
Г2 СВ-850/120 40 10,5 0,8 0,23 0,2
Г3 ТВС-32-2ЕУЗ 40 10,5 0,8 0,153 0,187
Синхронный компенсатор Sн,МВА Uн ,кВ cosφ x’’ d
СК КС-10-10УЗ 10 10,5 0,9 0,2
Трансформаторы Sн,МВА Uк ,% cosφ Uквн ,% Uксн ,% Uквс ,% Uнн ,кВ Uнс ,кВ Uнв ,кВ
Т1 ТДН-80/110 80 10,5 0,8 38,5 115
Т245 ТДН-40/110 40 10,5 0,8 38,5 115
Т3 ТЦ-160/200 160 11 0,8 15,75 242
АТ1 АТДЦТН-200/220/110 200 32 20 11 6,6 121 230
ЛЭП Длина, км Х0 ,Ом/км
Л1 130 0,4
Л2 20 0,4
Л3 50 0,4
Л4 35 0,4
Л5 50 0,4
Л6 10 0,4
Л7 125 0,4
Реактор Uн ,кВ Iн хр ,%
L1 РТМТ-35-200-6 35 200 6
Нагрузки Sн ,МВА
Н12 35
Система Sс ,МВА
С 1500

Задание 1

1.1 Аналитический метод расчета

Выбираем базисную мощность и базовое напряжение S б = 1000 МВА, U б =115 кВ.

Рассчитываем ЕДС генераторов, нагрузок, а также рассчитываем реактивные сопротивления элементов в относительных единицах в схеме.

Для генераторов:

;

;

;

;

;

;

;

.

Для трансформаторов:

2х обмоточные

;

;

;

;

автотрансформаторы

; ;

; ;

; ;

; ;

; ;

; .

Для линий электропередач:

, где ;

;

;

;

;

;

;

.

Для системы:

;

.

Для нагрузок:

;

;

;

.

Для реактора:

;

;

;

.

Для синхронного компенсатора:

;

;

Рисунок 1.2 – Схема замещения расчетной схемы

;

.

Рисунок 1.3 – Первый шаг преобразования схемы замещения

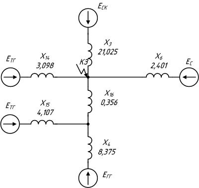
;;

Х3 = ХСКАТН = 20+1,025 = 21,025; Х4 Т5 Г2 = 2,625 +5,75 = 8,375;

Х5 = ХТ4Г3 = 2,625+3,825 = 6,45;

Х6 = ХАТВ +Хл7/2+ХТ3С = 0,575+0,945/2+0,666 = 2,401.

Рисунок 1.4 - Второй шаг преобразования схемы замещения

Х7 = Х1Л1 /2+(Х1Л1 /2)/ХЛ2 = 3,04+3,931/2+(3,04*3,931/2)/0,604 = 14,889;

Х8 = Х1Л2 +(Х1Л2 )/(ХЛ1 /2) = 3,04+0,604+3,04*0,604/(3,931/2) = 4,581;

Х9 = ХЛ1 /2+ХЛ2 +(ХЛ1 /2*ХЛ2 )/Х1 = 2,961;

Х10 = (Х36 )/(Х36 ) = (21,025*2,401)/(21,025+2,401) = 2,155;

Х11 = (Х4Н2 )/(Х4Н2 ) = (8,375*10)/(8,375+10) = 4,557;

Е1 =(ЕС3СК6 )/(Х36 ) = (1*21,025+1,12*2,401)(21,025+2,401) = 1,012;

Е2 =(ЕН24Г2Н2 )/(Х4Н2 ) = (0,85*8,375+1,138*10)/(8,375+10) = 1,006.

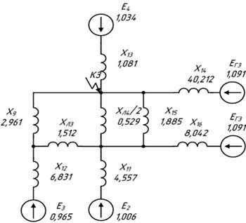
Рисунок 1.5 – Третий шаг преобразования схемы замещения

Х12 = (Х72 )/(Х72 ) = (14,889*12,625)/(14,889+12,625) = 6,831;

Х13 = (Х810 )/(Х810 ) = (4,581*2,155)/(4,581+2,155) = 1,465;

Х14 = ХЛ55Л55Л6 =1,512+6,45+1,512*6,45/0,302 = 40,212;

Х15 = ХЛ5Л6Л5Л65 = 1,512+0,302+1,512*0,302/6,45 = 1,885;

Х16 = Х5Л65Л6 )/ХЛ5 = 6,45+0,302+6,45*0,302/1,512 = 8,042;

Е3 =(ЕН17Г12 )/(Х72 ) =

(0,85*14,889+1,081*12,625)/(14,889+12,625) = 0,956;

Е4 =(Е18Г110 )/(Х810 ) = (0,85*4,581+1,081*2,155)/(4,581+2,155) = 1,034.

Рисунок 1.6 – Четвёртый шаг преобразования схемы замещения

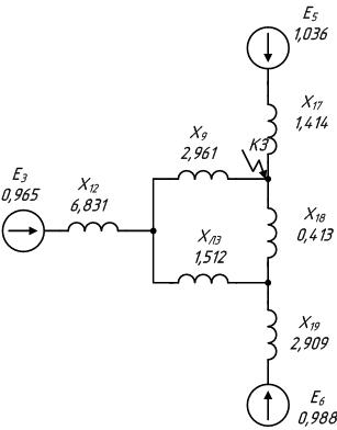
Х17 = (Х1314 )/(Х1314 ) = (1,465*40,212)/(1,465+40,212) = 1,414;

Х18 = (Х15Л4 /2)/(Х15Л4 /2) = (1,885*1,058/2)/(1,885+1,058/2) = 0,413;

Х19 = (Х1116 )/(Х1116 ) = (4,557*8,042)/(4,557+8,042) = 2,909.

Е5 =(Е414Г313 )/(Х1413 ) =

(1,034*40,212+1,091*1,465)/(40,212+1,465) = 1,036.

Е6 =(Е216311 )/(Х1116 ) =

(1,006*8,042+0,956*4,557)/(8,042+4,557) = 0,988.

Рисунок 1.7 – Пятый шаг преобразования схемы замещения

Х20 = (Х9Л3 )/(Х9Л318 ) = (2,961*1,512)/(2,961+1,512+0,413) = 0,916;

Х21 = (Х918 )/(Х9Л318 ) = (2,961*0,413)/(2,961+1,512+0,413) = 0,250;

Х22 = (Х18Л39Л3 +Х18) = (0,413*1,512)/(2,961+1,512+0,413) = 0,127;

Рисунок 1.8 – Шестой шаг преобразования схемы замещения

Х23 = Х1220 = 6,831+0,916 = 7,748;

Х24 = Х1922 = 2,909+0,127 = 3,037;

Х25 = (Х2324 )/(Х2324 )= (7,748*3,037)/(7,748+3,037) = 2,181;

Х26 = Х2521 = 2,181+0,250 = 2,432;

Е7 =(Е324623 )/(Х2423 ) =

(0,956*3,037+0,988*7,748)/(3,307+7,748) = 0,979.


Рисунок 1.9 – Седьмой шаг преобразования схемы замещения

Е8 = (Е717526 )/(Х1726 ) =

(0,979*1,414+1,036*2,432)/(1,414+2,432) = 1,021;

Х27 = (Х1726 )/(Х1726 )= (1,414*2,432)/(1,414+2,432) = 0,894.

Нахождение тока короткого замыкания

Iп * = E / X = 1,021/ 0,894 = 1,141;

Ток К.З. в именованных единицах:

Iп = Iп * *Iб = 1,141*1000/(1,732*115) = 5,732кA

Ударный ток короткого замыкания:

Iу = 1,414*Ку *Iп = 1,414 * 1,8 *5,732= 14,590кA.

1.2 Метод расчётных кривых

Для решения свернем схему замещения, не смешивая при этом турбо- и гидрогенераторы, систему и синхронный компенсатор, убрав при этом из схемы замещения нагрузки, так они удаленны от точки короткого замыкания.

Также воспользуемся расчётными данными, полученными в аналитическом методе.

Х1 Г1Т1 = 1,728+1,313 = 3,04;Х2 = ХТ2Н1 = 2,625+10 = 12,625;

Х3 = ХСКАТН = 20+1,025 = 21,025; Х4 Т5 Г2 = 2,625 +5,75 = 8,375;

Х5 = ХТ4Г3 = 2,625+3,825 = 6,45;

Х0 = ХЛ1 /2+ХЛ3 = 3,931/2+1,512 = 3,478;

Рисунок 1.10 – Первый шаг преобразования схемы замещения

Х6 = ХАТВ +Хл7/2+ХТ3С = 0,575+0,945/2+0,666 = 2,401

Рисунок 1.11 – Второй шаг преобразования схемы замещения


Х7 = ХЛ5Л6Л5Л65 = 1,512+0,302+1,512*0,302/6,45 = 1,885;

Х8 = ХЛ55Л55Л6 = 6,45+1,512+6,45*6,45/0,302 = 40,212;

Х9 = ХЛ655Л6Л5 = 0,302+6,45+6,45*0,302/1,512 = 8,042;

Х10 = (ХЛ4 /2*Х7 )/(ХЛ4 /2+Х7 ) = (1,058/2+1,885)/(1,058/2+1,885) = 0,413;

Рисунок 1.12 – Третий шаг преобразования схемы замещения

Х11 = ХЛ20Л2Л31 = 0,604+3,478+0,604*1,512/3,04 = 2,582;

Х12 = ХЛ21Л210 = 0,604+3,931+0,604*3,04/3,478 = 3,357;

Х13 = Х1010Л2 = 3,04+3,478+3,478*3,04/0,604 = 8,939;


Рисунок 1.13 – Четвертый шаг преобразования схемы замещения

Х14 = (Х128 )/(Х128 ) = (3,357*40,212)/(3,357+40,212) = 3,098;

Х15 = (Х913 )/(Х913 ) = (8,042*8,939)/(8,042+40,212) = 4,107;

Х16 = (Х1110 )/(Х1110 ) = (2,582+0,413)/(2,582+0,413) = 0,356.

Рисунок 1.14 – Пятый шаг преобразования схемы замещения

Х17 = Х161516154 = 0,356+4,107+0,356*4,107/8,375 = 4,638;

Х18 = Х16416415 = 0,356+8,375+0,356*8,375/4,107 = 9,457;

Х19 = Х41541516 = 8,375+4,107+8,375*14,107/0,356 = 109,026;

Х20 = (Х1417 )/(Х1417 ) = (3,098*4,638)/(3,098+4,638) = 1,857.

По расчетным кривым найдем расчетные токи генераторов:

ХрасчГГ = Х18 *(SсумГГ /Sб ) = 9,457*(40/1000) = 0,378;

ХрасчТГ = Х20 *(SсумТГ /Sб ) = 1,857*((78,75+40)/1000) = 0,220;

ХрасчС = Х6 *(SС /Sб ) = 2,401*(40/1000) = 3,602;

ХрасчСК = Х3 *(Sск /Sб ) = 21,025*(10/1000) = 0,210;

I*пСК = ЕСКрасчСК = 1,12/0,21 = 5,326;

I*пС = 1/ХрасчС = 3,602 ;

По расчетным кривым найдем расчетные токи генераторов:

I*пГ = 3,08

I*пТ = 4,6;

IпсумТ = SсумТ /√3*Uб = 118,75/1,732*115 = 0,596 кА;

IпсумГ = SсумГ /√3*Uб = 40/1,732*115 = 0,2 кА;

IпсумС = Sс /√3*Uб = 1000/1,732*230 = 7,53 кА;

IпсумСК = Sск / √3*Uб = 10/1,732*115 = 0,05 кА;

Рассчитаем периодическую составляющую тока короткого замыкания:

Iп =I*пТ *IпсумТ +I*пГ *IпсумГ +I*пС *IпсумС +IпсумСК *I*пСК = =4,6*0,596+3,08*0,2+3,602*7,53+5,326*0,05 = 5,71 кА;

Найдем ударный ток короткого замыкания:

Iу = 1,414Ку *Iп = 1,414 * 1,8 *6,445 =14,55 кА;

Полученный ток отличается от рассчитанного в предыдущем методе на

Δ%=((Iп -Iп )/Iп )*100% = 0,2%.

Задание 2

Использую метод расчетных кривых, определить величину тока при несимметричном коротком замыкании К(1) в этой же точке для начального момента времени, 0,2с после начала короткого замыкания и в установившемся режиме.

Для нахождения тока однофазного короткого замыкания нужно найти сопротивления прямой, обратной и нулевой последовательностей.

Ток прямой последовательности находится по данным метода расчетных кривых:

Х∑1 =1/(1/X18 + 1/X20 + 1/X3 +1/X36 ) =

1/(1/9,457+1/1,857+1/21,025+1/2,401) = 0,902;

Найдем сопротивление обратной последовательности генераторов:

Xг1 = х2 *Sб /Sнг = 0,166*1000/ 78,75 = 2,108;

Xг2 = х2 *Sб /Sнг = 0,2 *1000/40 = 5;

Xг3 = 0,153 *1000/40 = 4,675;

Найдем сопротивление обратной последовательности для заданной схемы по шагам метода расчетных кривых:

Х1 Г1Т1 = 2,108+1,313 = 3,42;Х2 = ХТ2Н1 = 2,625+10 = 12,625;

Х3 = ХСКАТН = 20+1,025 = 21,025; Х4 Т5 Г2 = 2,625 +5 = 7,625;

Х5 = ХТ4Г3 = 2,625+4,675 = 7,3;

Х6 Л1 /2+ХЛ3 = 3,931/2+1,512 = 2,401;

Х7 = ХЛ5Л6Л5Л65 = 1,512+0,302+1,512*0,302/7,3 = 1,885;

Х8 = ХЛ55Л55Л6 = 7,3+1,512+6,45*7,3/0,302 = 45,312;

Х9 = ХЛ655Л6Л5 = 0,302+7,3+7,3*0,302/1,512 = 9,062;

Х10 = (ХЛ4 /2*Х7 )/(ХЛ4 /2+Х7 ) = (1,058/2+1,885)/(1,058/2+1,885) = 0,413;

Х11 = ХЛ2Л3Л2Л3 /(ХЛ1 /2) = 0,604+1,512+0,604*1,512/(3,931/2) = 2,582;

Х12 = ХЛ2Л1 /2+(ХЛ2Л1 /2)/ХЛ3 = 0,604+3,931/2+(0,604*3,931/2)/1,512 = 3,357;

Х13 = ХЛ1 /2+ХЛ3 +(ХЛ1 /2*ХЛ3 )/ХЛ2 = 3,931/2+1,512+(3,931/2*1,512)/0,604 = 8,939;

Х14 = (Х128 )/(Х128 ) = (3,357*40,212)/(3,357+40,212) = 3,125;

Х15 = (Х913 )/(Х913 ) = (8,042*8,939)/(8,042+40,212) = 4,375;

Х16 = (Х1110 )/(Х1110 ) = (2,582+0,413)/(2,582+0,413) = 0,355.

Х17 = Х161516154 = 0,355+4,375+0,355*4,375/7,625 = 4,916;

Х18 = Х16416415 = 0,355+7,625+0,355*7,625/4,375 = 8,603;

Х19 = Х41541516 = 7,625+4,107+7,625*14,107/0,355 = 105,3;

Х20 = (Х1417 )/(Х1417 ) = (3,125*4,916)/(3,125+4,916) = 1,19.

Суммарное сопротивление обратной последовательности:

Х∑2 =1/(1/X18 + 1/X20 + 1/X3 +1/Х6 ) = 1/(1/8,603+1/1,19+1/21,025+1/2,401) = 0,906.

Найдем сопротивление нулевой последовательности. Для этого сопротивления линий и сопротивление реактора увеличим в три раза.

Рисунок 2.3- Схема замещения нулевой последовательности

Рисунок 2.4 – Первый шаг преобразования схемы замещения нулевой последовательности

Х1 = 3ХЛ1 /2 = 3*3,931/2 = 5,897;

Х2 = (ХТ5Н2 ) /(ХТ5Н2 ) = (2,625*10)/(2,625+10) = 2,079;

Х3 = ХАТВТ3 +3ХЛ7 /2 = 0,575+0,687+3*0,945/2 = 2,680;

Х4 = 3ХЛ4 /2 = 3*1,058/2 = 1,588;

Х5 = 3ХРТ4 = 3*4,618+2,625 = 16,48;

Х6 = (ХАТН3 ) /(ХАТН3 )+ХАТС = (1,025*2,680)/(1,025+2,680)+0 = 0,741;

Х7 = ХТ1 +3ХЛ2Т1 *3ХЛ21 = 1,312+9*0,604+1,312*3*0,604/5,897 = 3,261;

Х8 = ХТ11Т11 /3ХЛ2 = 1,312+5,897+1,312*5,897/3*0,604 = 11,476;

Х9 = Х1 +3ХЛ21 *3ХЛ2Т1 = 5,897+3*0,604+5,897*3*0,604/1,312 = 15,867;

Х10 = 3ХЛ5 +3ХЛ6 +3ХЛ5 *3ХЛ65 = 3*1,512+3*0,302+9*1,512*0,302/17,471 = 5,679;

Х11 = 3ХЛ55 +3ХЛ55 /3ХЛ6 = 3*1,512+17,471+3*1,512*17,471/3*0,302 = 109,366;

Х12 = 3ХЛ65 +3ХЛ65 /3ХЛ5 = 3*0,302+17,471+3*0,302*17,471/3*1,512 = 21,873;

Рисунок 2.5 – Второй шаг преобразования схемы замещения нулевой преобразования

Рисунок 2.6 – Третий шаг преобразования схемы замещения нулевой последовательности


Х13 = (Х8Т2 ) /(ХТ28 ) = (11,476*2,625)/(11,476+2,625) = 2,136;

Х14 = (Х67 ) /(Х67 ) = (0,741*3,261)/(0,741+3,261) = 0,604;

Х15 = (Х410 ) /(Х410 ) = (1,588*5,697)/(1,588+5,697) = 1,240;

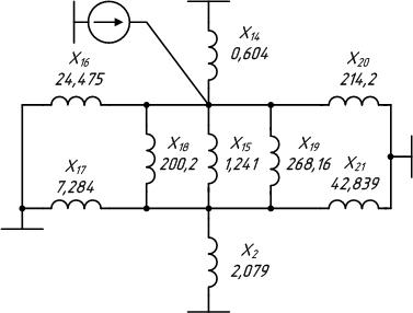
Х16 = Х913913 /3ХЛ3 = 15,867+2,136+15,867*2,136/3*1,512 = 25,475;

Х17 = Х13 +3ХЛ313 *3ХЛ39 = 2,136+3*1,152+2,136*3*1,512/15,867 = 7,284;

Рисунок 2.7 – Четвёртый шаг преобразования схемы замещения нулевой последовательности

Х18 = Х9 +3ХЛ39 *3ХЛ313 = 15,867+3*1,512+15,867*3*1,512/2,136 = 200,202;

Х19 = Х111211125 = 109,366+21,873+109,366*21,873/16,48 = 268,159;

Х20 = Х11511512 = 109,366+16,48+109,366*16,48/21,873 = 214,195;

Х21 = Х51251211 = 16,48+21,873+16,48*21,873/109,366 = 42,839;

Рисунок 2.8 – Пятый шаг преобразования схемы замещения нулевой последовательности

Х22 = (Х1416 ) /(Х1416 ) = (0,604*25,475)/(0,604+25,475) = 0,590;

Х23 = (Х1518 ) /(Х1518 ) = (1,240*200,202)/(1,240+200,202) = 1,233;

Х24 = (Х217 ) /(Х217 ) = (2,079*7,284)/(2,079+7,284) = 1,617;

Рисунок 2.9 – Шестой шаг преобразования схемы замещения нулевой последовательности

Х25 = (Х2220 ) /(Х2220 ) = (0,590*214,195)/(0,590+214,195) = 0,855;

Х26 = (Х1923 ) /(Х1923 ) = (268,159*1,233)/(268,159+1,233) = 1,213;

Х27 = (Х2124 ) /(Х2124 ) = (42,839*1,617)/(42,839+1,617) = 1,764;

Рисунок 2.10 - Седьмой шаг преобразования схемы замещения нулевой последовательности

Х28 = Х2627 = 1,227+1,588 = 2,978;

Рисунок 2.11 – Восьмой шаг преобразования схемы замещения нулевой последовательности

Х29 = (Х2825 ) /(Х2825 ) = (2,978*0,855)/(2,978+0,855) = 0,665;

Сопротивление нулевой последовательности: X∑0 = 0,665

Нахождение тока однофазного короткого замыкания.

Найдем Х = Х∑2 +X∑0 = 0,906+0,665 = 1,571;

Найдем коэффициенты распределения токов:

СТГ = Х∑1ТГ = 0,902/1,857 = 0,486;

СГГ = Х∑1ГГ = 0,902/9,457= 0,096

ССК = Х∑1СК = 0,902/21,025 = 0,043;

СС = Х∑1С = 0,902/2,401 = 0,375;

Найдем расчетные сопротивления генераторов и системы:

ХрассчТТ = (Х∑1 + Х )/Стг *(S )/ Sб ;

Храссч.ТГ = (0,902+1,571)/0,486*(40+78,75)/1000 = 0,604;

Храссч.ГГ = (0,902+0,1,571)/0,096*(40)/1000 = 1,037;

Храссч.С = (Х∑1 + Х )/СС *SС / Sб = (0,902+0,1,571)/0,375*1500/1000 = 9,875;

Храссч.СК = (Х∑1 + Х )/ССК *SСК / Sб = (0,902+1,571)/0,043*10/1000 = 0,576;

По расчетным кривым определим расчетные токи для генераторов в моменты времени 0, 0,2 и ¥ с.:

Iрассч.ТГ 0 = 1,62; Iрассч.ТГ 0,2 = 1,43; Iрассч.ТГ ∞ = 1,63

Iрассч.ГГ 0 = 1,02; Iрассч.ГГ 0,2 = 1,01; Iрассч.ГГ ∞ = 1,3

Найдем расчетный ток системы :

IрассчС = 1/XрассчС = 1/9,875 = 0,101;

IрасчСК = ЕСКрасчСК = 1,12/0,576 = 1,943;

Рассчитаем номинальный ток генераторов, синхронного компенсатора и системы:

Iн∑ТГ = 118,75 /(√3 *115 ) = 0,596 кА

Iн∑ГГ = 40 /(√3 * 115 ) = 0,20 кА

Iн∑С = 1500 /(√3 * 115 ) = 7,531 кА.

Iн∑СК = 10 /(√3 * 115 ) = 0,050 кА.

Коэффициент взаимосвязи токов: m(1) = 3

Рассчитаем периодическую составляющую тока короткого замыкания для заданного момента времени:

IП0 = m(Iрассч.ТГ0 * Iн∑ТГ + Iрассч.ГГ0 * Iн∑ГГ + IрассчС *IнС + IрассчСК *IнСК )

IП0 = m*(IрасчТГ0 *IнсумТГ +IрасчГГ 0 *IнсумГГ +IрасчС *IнС +IрасчСК *IнСК )

IП0 = 3*(1,62*0,596+1,02*0,20+0,101*7,531+1,943*0,050) = 6,092кА

IП0,2 = m*(IрасТг0,2*IнсумТг+IрасчГг0,2*IнсумГг+IрасчС*IнС+IрасчСК*IнскмСК)

IП0,2 = 3*(1,43*0,596+1,01*0,20+0,101*7,531+1,943*0,050)= 5,746 кА

IП∞ = m*(IрасТГ∞ * IнсумТГ +IрасчГГ∞ *IнсумГГ +IрасчС *IнС +IрасчСК *IнСК )

IП∞ = 3*(1,63*0,596+1,3*0,20+0,101*7,531+1,943*0,050)= 6,278 кА

Задание 3

Построение векторной диаграммы токов и напряжений в точке короткого замыкания для начального момента времени.

Граничные условия

IК B 1 = 0;

IК C 1 = 0;

UКА = 0;

Найдем прямую, обратную и нулевую последовательность тока короткого замыкания:

IКА1 = IКА2 = IКА0 = Iп0 /3 = 6,092/3 = 2,03 кА;

Рассчитаем напряжение прямой последовательности фазы А:

UКА1 = j*IКА1 *(Х∑2 +X∑0 ) = j*2,03*(11,985+8,798) = j42,2 кВ

Рассчитаем напряжение обратной последовательности фазы А:

UКА2 = -j*IКА2 ∑2 = -j*2,03*11,985 = -j24,33 кВ

Найдем напряжение нулевой последовательности фазы А:

UКА0 = -j*IКА0 *X∑0 = -j*2,03*8,798 = -j17,867 кВ

Рассчитаем напряжения короткого замыкания фаз В и С:

UКВ = j*IКА1 *[Х∑2 *(а2 -а)+X∑02 -1)] = j*2,03*[11,985*(а2 -а)+8,798*(а2 -1)]

UКВ = j*2,03*[11,985*(-j* )+8,798*(-0,5-j*/2-1)] = 57,62-j26,8 кВ

UКС = j*IКА1 *[Х∑2 *(а-а2 )+X∑0 (а-1)] = j*1,246*[0,314*(а-а2 )+0,485*(а-1)]

UК C = j*2,03*[11,985*(j* )+8,798*(-0,5+j*/2-1)] = -57,62-j26,8 кВ

Найдем модули напряжений короткого замыкания фаз В и С:

|UКВ |= 63,55 кВ

|UК C |= 63,55 кВ

Векторная диаграмма токов и напряжений представлена на рисунке 3.1, масштаб: 1см = 8,44 кВ ; 1см = 0,8 кА .

Оценить/Добавить комментарий
Имя
Оценка
Комментарии:
Хватит париться. На сайте FAST-REFERAT.RU вам сделают любой реферат, курсовую или дипломную. Сам пользуюсь, и вам советую!
Никита17:26:40 02 ноября 2021
.
.17:26:38 02 ноября 2021
.
.17:26:38 02 ноября 2021
.
.17:26:37 02 ноября 2021
.
.17:26:37 02 ноября 2021

Смотреть все комментарии (19)
Работы, похожие на Лабораторная работа: Переходные электромагнитные процессы

Назад
Меню
Главная
Рефераты
Благодарности
Опрос
Станете ли вы заказывать работу за деньги, если не найдете ее в Интернете?

Да, в любом случае.
Да, но только в случае крайней необходимости.
Возможно, в зависимости от цены.
Нет, напишу его сам.
Нет, забью.



Результаты(288032)
Комментарии (4159)
Copyright © 2005-2021 HEKIMA.RU [email protected] реклама на сайте