Федеральное агентство по образованию
Сибирский государственный технологический университет
Кафедра АТЛМ
РАСЧЕТНО-ГРАФИЧЕСКАЯ РАБОТА
Тема: Проектирование тягача лесной промышленности
Выполнил:
студент гр. 92 – 03
Глебов В.В.
Проверил:
Холопов В.Н.
Красноярск 2005 г.
Содержание
Задание к расчетно-графической работе
Исходные данные
1 Расчет компоновки лесовозного тягача
1.1 Определение весов неучтенных агрегатов проектируемого тягача
1.2 Определение координат центра масс неучтенных агрегатов
1.3 Определение положения составных частей автомобиля и нагрузок на оси в порожнем состоянии
1.4 Определение положения коника на тягаче
2 Обоснование схемы рулевого управления и расчет параметров рулевой трапеции проектируемого тягача
3 Расчет характеристик системы двигатель – гидротрансформатор
3.1 Определение внешней скоростной характеристики двигателя тягача
3.2 Определение безразмерной характеристики гидротрансформатора прототипа
3.3 Определение характеристики входа системы двигатель –гидротрансформатор
3.4 Определение выходной характеристики системы двигатель –гидротрансформатор
Задание к расчетно-графической работе
Автомобиль КрАЗ – 255Б1

Грузоподъемность, кг……………………7500
Допустимая масса прицепа, кг..………..30000
Собственная масса, кг…………………..11650
В том числе на переднюю ось…………...5010
» тележку …………………6640
Полная масса, кг………………………...19525
В том числе на переднюю ось…………...5300
» тележку ………………..14075
Масса агрегатов, кг:
двигатель с оборудованием и сцеплением1385
коробка передач…………………………….375
раздаточная коробка………………………..400
карданные валы……………………...……...167
передний мост………………………………960
средний мост………………………………..845
задний мост…………………………………845
рама……………………………….……….1020
кузов…………………………..…………...1040
кабина……………………………………….465
колесо в сборе с шиной……..……………...220
радиатор…………………...……….……...…75
Исходные данные
Прототип: КрАЗ – 255Б1
Компоновочная схема: КЗД
Колесная формула: 6×6
Число управляемых колес: 2
Вариант гидротрансформатора: 4
Характеристика двигателя:
Ne
max
= 176,5 кВт; nN
= 2100 об/мин;
Me max
= 882,6 Нм; nM
= 1500 об/мин;
а = 0,48; b = 1,73; с = 1,21
1 Расчет компоновки лесовозного тягача
1.1 Определение весов неучтенных агрегатов проектируемого тягача
Сумма весов известных агрегатов, Н

где mиз.агр
– масса известных агрегатов, кг;
g – ускорение свободного падения, 10 м/с2
.

Сумма весов неучтенных агрегатов, Н

где mсобств
– собственная масса тягача, кг.

1.2 Определение координат центра масс неучтенных агрегатов
Составляем уравнение моментов сил относительно задней оси автомобиля и определяем из этого уравнения координату центра масс неучтенных агрегатов
 
1.3 Определение положения составных частей автомобиля и
нагрузок на оси в порожнем состоянии
В соответствии с заданием проектируемый автомобиль ничем не отличается от прототипа, поэтому перекомпоновку автомобиля не производим.
Нагрузка на задний мост, Н


Грузоподъемность машины, учитывая сохранение осевых нагрузок груженого прототипа, Н


1.4 Определение положения коника на тягаче
Нагрузка на передний мост, Н


Составляем уравнение моментов и определяем положение коника

(на чертеже ).
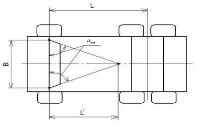
2 Проектирование рулевой трапеции
2.1 Определение теоретической зависимости между углами поворота наружного и внутреннего управляемых колес, при которой исключено боковое скольжение колес.

Рисунок 1 – Расчетная схема рулевой трапеции
.
Задаемся от 0 до 40º с шагом 5º и определяем 
 
 
 
 
Строим график зависимости от 
2.2 Определение параметров рулевой трапеции
Координаты точки пересечения осей рычагов

k1
= 0,7…1,0.

Начальный угол


Длина поперечной рулевой тяни

k2
= 0,12…0,16.

2.3 Определение зависимости между углами поворота внутреннего и наружного колес, соединенных проектируемой рулевой трапецией

где m – длина рычага


Повороты колес

Задаемся и определяем 



Так как отличие , рассчитанного в пункте 2.1, от , рассчитанного выше, не составляет 3º, значит рулевая трапеция рассчитана верно.
Задаемся от 0 до 40º с шагом 5º и определяем :

      
Строим график зависимости от в той же системе координат
3 Расчет характеристик системы "двигатель-гидротрансформатор"
3.1 Определение безразмерной характеристики гидротрансформатора – прототипа
Из формулы расчета момента насоса выражаем коэффициент нагрузки насоса

где коэффициент нагрузки насоса,
удельный вес,
nН
– число оборотов насоса,
D – активный (профильный) диаметр гидротрансформатора.

1)
2) 
3) 
4) 
5) 
6) 
Строим график зависимости коэффициента нагрузки от передаточного отношения в одной системе координат с коэффициентом полезного действия и безразмерной величиной К.
3.2 Определение внешней скоростной характеристики двигателя тягача
Эффективный момент двигателя, Нм при различном числе оборотов

1) 
2) 
3) 
4) 
5) 
6) 
7) 
Строим внешнюю скоростную характеристику.
3.3 Определение характеристики входа трансформатора
Определяем активный диаметр гидротрансформатора

где МНрасч
– момент по графику при nрасч
, МНрасч
= 875 Нм;
коэффициент нагрузки при i = 0;
nрасч
= neNmax
= 1680 об/мин.

Определяем зависимость момента насоса от числа оборотов в зависимости от передаточного отношения гидротрансформатора. Графически эта зависимость представляет собой пучок квадратных парабол. Этот пучок пересекает кривую крутящего момента на каком-то участке этой кривой.

Задаемся передаточным отношением и числом оборотов до тех пор, пока параболы не пересекут кривую крутящего момента.
i = 0
1) 
2) 
3) 
4) 
5) 
6) 
7) 
8) 
9) 
i = 0,2
1) 
2) 
3) 
4) 
5) 
6) 
7) 
8) 
9) 
i = 0,4 и i = 0,6 совпадаютс i = 0,2
i = 0,8
1) 
2) 
3) 
4) 
5) 
6) 
7) 
8) 
9) 
i = 0,9
1) 
2) 
3) 
4) 
5) 
6) 
7) 
8) 
9) 
10) 
При данном положении пучка парабол не обеспечивается использование максимальной мощности двигателя, поэтому необходимо уменьшить величину активного диаметра гидротрансформатора.
Изменяя величину активного диаметра, определяем его значение, при котором обеспечивается использование максимальной мощности двигателя, D = 0,466 м. Момент при этом диаметре равен 803 Нм при 2100 об/мин, что равно моменту при максимальной мощности двигателя.
Определив активный диаметр гидротрансформатора, рассчитываем момент насоса, Нм

3.4 Определение выходной характеристики системы двигатель-гидротрансформатор
Определяем точки совместной работы двигателя внутреннего сгорания и гидротрансформатора.
Для каждого выбранного значения передаточного отношения гидротрансформатора определяем значение крутящего момента на валу турбины и число оборотов этого вала, соответствующее найденному значению крутящего момента. Расчет проводится по формулам


1) i = 0; МН
= 870 Нм; nН
= 1670 об/мин.

2) i = 0,2; МН
= 880 Нм; nН
= 1630 об/мин.

3) i = 0,4; МН
= 880 Нм; nН
= 1630 об/мин.

4) i = 0,6; МН
= 880 Нм; nН
= 1630 об/мин.

5) i = 0,8; МН
= 865 Нм; nН
= 1730 об/мин.

6) i = 0,9; МН
= 825 Нм; nН
= 2000 об/мин.

Строим график зависимости MT
от nТ
и переносим график коэффициента полезного действия.
|