Банк рефератов содержит более 364 тысяч рефератов, курсовых и дипломных работ, шпаргалок и докладов по различным дисциплинам: истории, психологии, экономике, менеджменту, философии, праву, экологии. А также изложения, сочинения по литературе, отчеты по практике, топики по английскому.
Полнотекстовый поиск
Всего работ:
364139
Теги названий
Разделы
Авиация и космонавтика (304)
Административное право (123)
Арбитражный процесс (23)
Архитектура (113)
Астрология (4)
Астрономия (4814)
Банковское дело (5227)
Безопасность жизнедеятельности (2616)
Биографии (3423)
Биология (4214)
Биология и химия (1518)
Биржевое дело (68)
Ботаника и сельское хоз-во (2836)
Бухгалтерский учет и аудит (8269)
Валютные отношения (50)
Ветеринария (50)
Военная кафедра (762)
ГДЗ (2)
География (5275)
Геодезия (30)
Геология (1222)
Геополитика (43)
Государство и право (20403)
Гражданское право и процесс (465)
Делопроизводство (19)
Деньги и кредит (108)
ЕГЭ (173)
Естествознание (96)
Журналистика (899)
ЗНО (54)
Зоология (34)
Издательское дело и полиграфия (476)
Инвестиции (106)
Иностранный язык (62791)
Информатика (3562)
Информатика, программирование (6444)
Исторические личности (2165)
История (21319)
История техники (766)
Кибернетика (64)
Коммуникации и связь (3145)
Компьютерные науки (60)
Косметология (17)
Краеведение и этнография (588)
Краткое содержание произведений (1000)
Криминалистика (106)
Криминология (48)
Криптология (3)
Кулинария (1167)
Культура и искусство (8485)
Культурология (537)
Литература : зарубежная (2044)
Литература и русский язык (11657)
Логика (532)
Логистика (21)
Маркетинг (7985)
Математика (3721)
Медицина, здоровье (10549)
Медицинские науки (88)
Международное публичное право (58)
Международное частное право (36)
Международные отношения (2257)
Менеджмент (12491)
Металлургия (91)
Москвоведение (797)
Музыка (1338)
Муниципальное право (24)
Налоги, налогообложение (214)
Наука и техника (1141)
Начертательная геометрия (3)
Оккультизм и уфология (8)
Остальные рефераты (21692)
Педагогика (7850)
Политология (3801)
Право (682)
Право, юриспруденция (2881)
Предпринимательство (475)
Прикладные науки (1)
Промышленность, производство (7100)
Психология (8692)
психология, педагогика (4121)
Радиоэлектроника (443)
Реклама (952)
Религия и мифология (2967)
Риторика (23)
Сексология (748)
Социология (4876)
Статистика (95)
Страхование (107)
Строительные науки (7)
Строительство (2004)
Схемотехника (15)
Таможенная система (663)
Теория государства и права (240)
Теория организации (39)
Теплотехника (25)
Технология (624)
Товароведение (16)
Транспорт (2652)
Трудовое право (136)
Туризм (90)
Уголовное право и процесс (406)
Управление (95)
Управленческие науки (24)
Физика (3462)
Физкультура и спорт (4482)
Философия (7216)
Финансовые науки (4592)
Финансы (5386)
Фотография (3)
Химия (2244)
Хозяйственное право (23)
Цифровые устройства (29)
Экологическое право (35)
Экология (4517)
Экономика (20644)
Экономико-математическое моделирование (666)
Экономическая география (119)
Экономическая теория (2573)
Этика (889)
Юриспруденция (288)
Языковедение (148)
Языкознание, филология (1140)

Реферат: Однофазные параллельные регистры двухтактного действия и однотактного действия. Парафазные параллельные регистры, сдвигающие регистры

Название: Однофазные параллельные регистры двухтактного действия и однотактного действия. Парафазные параллельные регистры, сдвигающие регистры
Раздел: Рефераты по коммуникации и связи
Тип: реферат Добавлен 02:06:56 16 июня 2009 Похожие работы
Просмотров: 468 Комментариев: 10 Оценило: 2 человек Средний балл: 5 Оценка: неизвестно     Скачать

БЕЛОРУССКИЙ ГОСУДАРСТВЕННЫЙ УНИВЕРСИТЕТ ИНФОРМАТИКИ И РАДИОЭЛЕКТРОНИКИ

КАФЕДРА РЭС

РЕФЕРАТ

НА ТЕМУ:

«Однофазные параллельные регистры двухтактного действия и однотактного действия. Парафазные параллельные регистры, сдвигающие регистры»

МИНСК, 2009


Под регистрами (от лат. registrum — список, указатель) в цифровой электронике и технике подразумевают узлы и устройства, осуществляющие ряд операций с информацией, представленной в виде многоразрядного двоичного кода. К этим операциям относятся: хранение, сдвиг в разрядной сетке, поразрядные логические операции и выдача числовых слов в определенном коде. Уже одно перечисление функций регистров показывает, что это самые распространенные узлы цифровых устройств.

На схемах регистры обозначаются буквами RG. В отечественных сериях микросхем регистрам соответствуют буквы ИР.

Итак, регистрами называются устройства, выполняющие функции приема, хранения и передачи информации. Информация в регистрах хранится в виде числа (слова), представленного комбинацией сигналов 0 и 1. Каждому разряду числа, записанному в регистр, соответствует свой разряд, выполненный на основе триггера CRS-, CD- и CJK-типов с управлением записью видов L, LF, и F. Другими словами, регистр – это цепочка триггеров для запоминания одного двоичного числа (обычно от 4 до 16). Общее количество триггеров равно наибольшей разрядности хранимого числа.

На регистрах могут осуществляться операции преобразования информации из одного вида в другой (последовательного кода в параллельный и т.п.), а так же некоторые логические операции (например, поразрядное логическое сложение, умножение).

Основным классификационным признаком, по которому различают регистры, является способ записи информации или кода числа в регистр. По этому признаку можно выделить регистры трех типов: параллельные (статические); последовательные (сдвигающие); параллельно-последовательные.

В параллельные регистры запись числа осуществляется параллельным кодом, т.е. во все разряды одновременно.

Последовательные регистры характеризуются последовательной записью кода числа, начиная с младшего или старшего разряда, путем последовательного сдвига кода тактирующими импульсами.

Параллельно-последовательные регистры имеют входы как для параллельной, так и для последовательной записи кода числа. В зависимости от числа каналов, по которым поступает информация на входы разрядов регистра, различают регистры парафазного и однофазного видов .

Парафазные регистры характеризуются тем, что информация на каждый разряд поступает по двум каналам (прямому и инверсному).

В однофазных регистрах информация поступает на каждый разряд только по одному каналу. Парафазные регистры выполняются, как правило, с применением триггеров CRS-типа, а однофазные – на основе триггеров CD-типа.

В зависимости от типов триггеров, применяемых при построении регистров, и способа их тактирования различают регистры многотактные и однотактного действия.

Параллельные регистры

В параллельных (статических) регистрах схемы разрядов не обмениваются данными между собой. Общими для разрядов обычно являются цепи тактирования, сброса установки, разрешения выхода или приема, т.е. цепи управления. В этих регистрах прием и выдача слов производится по всем разрядом одновременно. В них хранятся слова, которые могут быть подвергнуты поразрядным логическим преобразованиям.

При построении N-разрядных параллельных регистров необходимо применить N триггеров, каждый из которых будет иметь число входов, соответствующее числу источников информации, подключенных ко входу регистра. По сути каждый из триггеров имеет свой независимый информационный вход и свой независимый информационный выход. Тактовые входы (С) всех триггеров соединены между собой. В результате параллельный регистр представляет собой многоразрядный, многовходовый триггер.

Однофазные параллельные регистры двухтактного действия

Наиболее экономичными по числу компонентов являются однофазные регистры двухтактного действия, в качестве разрядов которых используются триггеры - типов (двухтактные D-триггеры на рис.1).

На рис.1 приводится схема параллельного регистра двухтактного действия с однофазной записью информации для режима записи двух чисел A и B (регистр на два входа). Входы соответствуют входам разрядов первого числа, а входы - входам разрядов второго числа.

Рис. 1. Схема параллельного регистра на триггерах CL S-RL - типа

Первый тактирующий сигнал осуществляет установку всех разрядных триггеров в состояние 0 ().

Второй сигнал обеспечивает запись в регистр числа А, а импульс - запись числа В.

Однофазные параллельные регистры двухтактного действия характеризуются наименьшим быстродействием, но вместе с тем и наименьшими затратами по числу элементов.

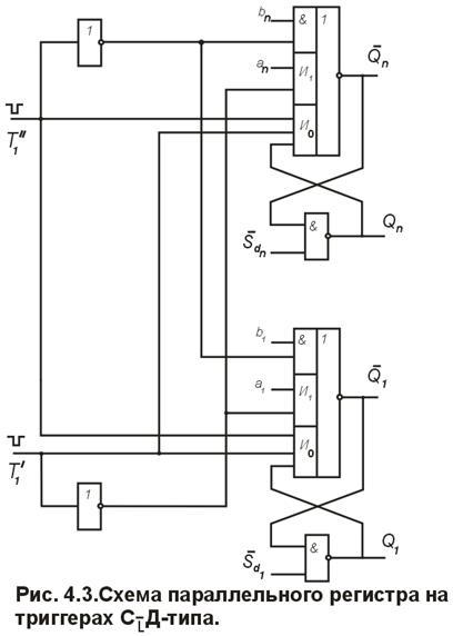
Однофазные параллельные регистры однотактного действия

Для реализации однотактных параллельных однофазных регистров применяются - триггеры, число входов которых соответствует числу входов регистра. На рис.2 приведена функциональная схема такого регистра на два входа. Запись числа осуществляется при поступлении импульса , а запись числа -при поступлении импульса без предварительной установки разрядов в состояние 0.

Рис. 2. Схема параллельного регистра на триггерах CL D -типа

Быстродействие данного регистра увеличилось примерно в 2 раза по сравнению со схемой рис. 1, но и аппаратурные затраты на их реализацию увеличились, так как реализация - триггера требует большего числа вентилей.

На рис. 3 показан один из наиболее экономичных вариантов схем такого регистра, каждый разряд которого выполнен на - триггере с использованием элементов НЕ, И-НЕ, И-ИЛИ-НЕ.

Рис. 3.Схема параллельного регистра на триггерах CL D -типа

В режиме хранения информации, т.е. при отсутствии тактирующих импульсов открыты вентили обратной связи всех триггеров регистра. При поступлении ТИ (например ) закрываются вентили и с задержкой открываются вентили записи кода числа А (вентили ). В разрядах регистра установятся уровни в соответствии с кодом числа А. Например, при и на выходе сформируется уровень 0, а на выходе -уровень 1. После окончания действия ТИ () вначале откроются вентили обратных связей всех триггеров и зафиксируется новый код в его разрядах, а затем через закроются вентили записи числа А. Регистр перейдет в режим хранения информации. Схема получила широкое распространение при разработке параллельных цифровых устройств благодаря своей экономичности и надежности. Однако самые экономичные варианты схем рассмотренных регистров получаются при их реализации на основе элементов T-TTL, когда каждый разрядный триггер выполняется на одном элементе.

Парафазные параллельные регистры

Парафазные параллельные регистры (ППР) не отличаются широким многообразием, как однофазные. Все ППР по своему принципу действия являются однотактными и выполняются на триггерах - типа. На рис. 4 приведена схема ППР на два входа (для записи чисел А и В).

Код числа поступает на регистр по двум каналам (прямому и инверсному), а тактирующие импульсы и открывают вентили прямого и инверсного каналов одновременно. Быстродействие ППР полностью определяется быстродействием триггеров, используемых в качестве типовых разрядов регистра.

При сравнительной оценке однофазных и парафазных регистров необходимо отметить, что однофазные являются наиболее эффективными при выполнении на ИМС, так как содержат в 2 раза меньше информационных входов, чем парафазные регистры. Уменьшение числа входов позволяет сократить число выводов микросхем, что упрощает процесс проектирования БИС.

Рис. 4. Схема параллельного регистра на триггерах CL RS-типa.

Сдвигающие (последовательные, сдвиговые) регистры и их

классификация

Сдвигающие регистры (СР) (англ. ShiftRegister) получили свое название от вида одной из наиболее распространенных операций, выполняемых в ЭВМ – операции сдвига кода числа. Операция сдвига – это перемещение (сдвиг) под действием внешних тактирующих импульсов содержимого регистра на определенное число разрядов вправо или влево. Чаще всего такое перемещение осуществляется на один разряд, и эту операцию можно записать в виде:

где - содержимое i-го(последующего) разряда регистра после цикла сдвига;

- содержимое (i-1)-го (предыдущего) разряда до сдвига;

i=1,2,3,…,n – число разрядов регистра сдвига.

Наиболее общими классификационным признаком сдвигающих регистров можно считать способ управления сдвигом кода числа . Этот классификационный признак предполагает деление регистров по числу тактирующих сигналов , необходимых для выполнения операции сдвига информации на один разряд. В соответствии с этим числом, которое в дальнейшем назовем тактовым числом регистра, СР подразделяются на регистры однотактного и многотактного действия. Особенностью однотактных СР является то, что в них сдвиг кода числа на один разряд осуществляется за один такт или с помощью одного ТИ сдвига, т.е. . В многотактных регистрах сдвиг кода числа на один разряд осуществляется как минимум за два импульса сдвига. В свою очередь, каждый из однотактных и многотактных СР можно классифицировать по следующим признакам:

· по виду электрической связи между разрядами;

· по направлению сдвига;

· по способу приема и выдачи кода числа.

Вид электрической связи между разрядами.

По этому признаку СР на триггерах подразделяются на регистры с однопроводной(однофазной), двухпроводной(парафазной) и смешанной типами связей. Первые выполняются на триггерах D-типа, вторые на триггерах RS- или JK типа, а третьи совместно, например на триггерах RS- и D- или JK- и D- типов.

Направление сдвига.

В соответствии с этим признаком регистры подразделяются на три вида:

· регистры, осуществляющие сдвиг кода числа вправо(в сторону младших разрядов);

· регистры, сдвигающие код числа влево( в сторону старших разрядов);

· регистры, сдвигающие код числа как вправо, так и влево – реверсивные регистры сдвига.

Способ приема и выдачи кода числа.

По этому признаку регистры подразделяются на три вида:

· с последовательным приемом и последовательной выдачей информации;

· с параллельным вводом кода числа и параллельным его выводом;

· с последовательно-параллельным вводом и последовательно-параллельным выводом кода числа.

Последние относятся к разряду наиболее универсальных, т.к. они могут применяться в качестве первого и второго типа СР.

В основу приведенных классификационных признаков СР фактически положены функциональные требования, предъявляемые к ним. А это означает, что при проектировании СР всегда задают:

а) направление сдвига;

б) способы приема и выдачи кода числа, представляющие собой функциональные требования для любого СР.

Кроме них к функциональным требованиям следует отнести функциональную надежность регистра. Эти требования для регистров (как и для триггеров) должны быть выполнены безусловно. Применительно к СР требование функциональной надежности характеризуют отсутствием опасных межкаскадных состязаний при условии выполнения разрядов регистра на функционально надежных триггерах.

К основным функциональным параметрам регистров сдвига можно отнести также разрядность и быстродействие.

Последовательный регистр сдвига обладает двумя недостатками: он позволяет вводить только по одному биту информации на каждом тактовом импульсе и каждый раз при сдвиге информации вправо теряется крайний правый информационный бит.

Эти недостатки устраняются в параллельно загружаемых регистрах сдвига кольцевого типа. Кольцевое перемещение информации предусматривает возврат данных с выхода регистра обратно на его вход, что исключает потерю данных при сдвиге.


ЛИТЕРАТУРА

1. Новиков Ю.В. Основы цифровой схемотехники. Базовые элементы и схемы. Методы проектирования. М.: Мир, 2001. - 379 с.

2. Новиков Ю.В., Скоробогатов П.К. Основы микропроцессорной техники. Курс лекций. М.: ИНТУИТ.РУ, 2003. - 440 с.

3. Пухальский Г.И., Новосельцева Т.Я. Цифровые устройства: Учеб. пособие для ВТУЗов. СПб.: Политехника, 2006. - 885 с.

4. Преснухин Л.Н., Воробьев Н.В., Шишкевич А.А. Расчет элементов цифровых устройств. М.: Высш. шк., 2001. - 526 с.

5. Букреев И.Н., Горячев В.И., Мансуров Б.М. Микроэлектронные схемы цифровых устройств. М.: Радио и связь, 2000. - 416 с.

6. Соломатин Н.М. Логические элементы ЭВМ. М.: Высш. шк., 2000. - 160 с.

Оценить/Добавить комментарий
Имя
Оценка
Комментарии:
Делаю рефераты, курсовые, контрольные, дипломные на заказ. Звоните или пишите вотсап, телеграмм, вайбер 89675558705 Виктория.
11:00:50 19 октября 2021
Срочная помощь учащимся в написании различных работ. Бесплатные корректировки! Круглосуточная поддержка! Узнай стоимость твоей работы на сайте 64362.ru
17:20:17 11 сентября 2021
Ребятки, кто на FAST-REFERAT.RU будет заказывать работу до 26го мая - вводите промокод iphone, и тогда будете учавствовать в розыгрыше iphone xs)) сам только что узнал, что у них такие акции бывают (п.с. кстати не удивляйтесь что вас перекидывает на сайт с другим названием, так и должно быть)
FAST-REFERAT.RU11:39:46 23 мая 2019
Мне с моими работами постоянно помогают на FAST-REFERAT.RU - можете просто зайти узнать стоимость, никто вас ни к чему не обязывает, там впринципе всё могут сделать, вне зависимости от уровня сложности) у меня просто парень электронщик там какой то, тоже там бывает заказывает))
FAST-REFERAT.RU12:14:17 06 декабря 2018
Спасибо, Оксаночка, за совет))) Заказал курсач, отчет по практике, 2 реферата и дипломную на REFERAT.GQ , все сдал на отлично, и нервы не пришлось тратить)
Алексей19:57:05 15 июля 2018Оценка: 5 - Отлично

Смотреть все комментарии (10)
Работы, похожие на Реферат: Однофазные параллельные регистры двухтактного действия и однотактного действия. Парафазные параллельные регистры, сдвигающие регистры

Назад
Меню
Главная
Рефераты
Благодарности
Опрос
Станете ли вы заказывать работу за деньги, если не найдете ее в Интернете?

Да, в любом случае.
Да, но только в случае крайней необходимости.
Возможно, в зависимости от цены.
Нет, напишу его сам.
Нет, забью.



Результаты(286406)
Комментарии (4153)
Copyright © 2005-2021 HEKIMA.RU [email protected] реклама на сайте