Министерство образования Республики Беларусь
Учреждение образования
Белорусский Государственный Университет Информатики и Радиоэлектроники
Кафедра: Систем телекоммуникаций
Факультет: Телекоммуникаций
ПОЯСНИТЕЛЬНАЯ ЗАПИСКА
к дипломному проекту
НА ТЕМУ:
УСИЛИТЕЛЬ МОЩНОСТИ МИЛЛИМЕТРОВОГО ДИАПАЗОНА ДЛИН ВОЛН
Дипломник:
Руководитель
Консультанты:
по электрической части
по экономике
по производственной иэкологической безопасности
Рецензент:
МИНСК - 2002
СОДЕРЖАНИЕ
Перечень принятых сокращений
Введение
1. Современное состояние разработок усилителей мощности миллиметрового диапазона длин волн
1.1 Применение ЛБВ в радиолокационно-связной аппаратуре
2. Технические требования по реализации усилителя мощности на ЛБВ диапазона
2.1 Требования технического задания к усилителю мощности
2.2 Анализ требований к источникам питания
2.3 Анализ требований к импульсному модулятору для ЛБВ
3. Разработка и обоснование структурной схемы проектируемого устройства
3.1 Структурная схема усилителя
3.2 Структурные схемы источника питания и выбор элементной базы
3.3 Основные схемы построения импульсных модуляторов питания
4. Расчет электрический основных узлов импульсного источника
4.1 Расчет низковольтного трансформатора для импульсного источника питания
4.2 Расчет высоковольтного полупроводникового модулятора
5. Охрана труда и экологическая безопасность. Обеспечение защиты от электромагнитных полей при эксплуатации усилителя мощности миллиметрового диапазона длин волн
5.1 Влияние на организм человека электромагнитных полей радиочастотного диапазона
5.2 Технические устройства, организационные и лечебно- профилактические мероприятия
5.3 Применение электромагнитных помещений и замкнутых экранов для защиты от электромагнитных полей
5.4 Оценка уровня электромагнитного излучения на рабочем месте
6. Технико-экономическое обоснование
6.1 Характеристика технико-экономического обоснования проекта
6.2 Определение сметной стоимости
6.3 Определение себестоимости товара и рыночной цены
6.4 Расчет затрат у производителя
6.5 Расчет экономической эффективности
Заключение
Библиографи
Приложение А. Справка об исследовании патентной литературы
Перечень принятых сокращений.
АЧХ – Амплитудно-частотная характеристика.
ВВИП - Высоковольтные вторичные источники питания.
ВГС – Высшие гармонические составляющие.
ВЧ – Высокая частота.
ЗС – Замедляющая система.
ИП – Источник питания.
ККМ – Коррекция коэффициента мощности.
КПД – Коэффициент полезного действия.
ЛБВ – Лампа бегущей волны.
МПФС –Магнитная периодическая фокусирующая система
ПОМ – Приемный оптический модуль.
РЛС – Радио локационная станция.
СВЧ – Сверх высокие частоты.
ТТЛ – Транзисторно транзиснорная логика
ТТУ – Твердо тельный усилитель.
ШИМ – Широтно импульсная модуляция.
ЭМП – Электро магнитные поля.
Введение
Лампы бегущей волны продолжают оставаться одним из важнейших комплектующих элементов, определяющих технический уровень радиолокационно-связных систем. Этот тип ЭВП обладает превосходными рабочими и эксплуатационными характеристиками: широкой полосой рабочих частот, большим коэффициентом усиления и КПД, выходной' мощностью от десятков до сотен ватт, высокой устойчивостью к внешним воздействиям, термостабильностью параметров и высокой надежностью при долговечности до 100 тыс. ч и более. Они допускают эксплуатацию в гораздо более жестких режимах, чем твердотельные приборы.
Разработанные ЛБВ, используются в выходных усилителях ретрансляторов космических аппаратов "Молния", "Радуга", "Глобус", "Луч", "Галс" и др. Имеется большая номенклатура приборов, уже освоенных в производстве, с развитой технической базой и значительным научно-техническим заделом. Благодаря систематическим исследованиям, разработкам и внедрению все более совершенных конструктивных и технологических решений с использованием вновь разработанных материалов, высокоточного автоматизированного оборудования, современных средств испытаний и контроля, обеспечено производство ЛБВ, соответствующее современному техническому уровню, и комплектацию ими ретрансляторов в любой части сантиметрового и миллиметрового диапазона длин волн.
Направления работ по повышению технического уровня ЛБВ, выпускаемых предприятиями, определяются потребностями развития систем спутниковой связи и радиолокационно-связных систем. С целью удовлетворения этих потребностей предприятия России продолжают вести как перспективные исследовательские работы, обеспечивая высокий технический уровень своей продукции, так и опытно-конструкторские разработки для комплектации новых космических аппаратов связи и промышленное производство разработанных ранее ЛБВ.
Условно можно выделить следующие наиболее важные этапы развития техники широкополосных ЛБВ (таблица 1).
В начале шестидесятых годов было разработано под руководством А.Д. Жукова и О.С. Полякова первое поколение пакетированных широкополосных ЛБВ в диапазоне 1... 4 ГГц с выходной мощностью 100... 200 Вт. Возникшие проблемы теплоотвода от спирали, низкий КПД, высокий уровень гармоник стимулировали комплекс специальных исследований и разработок, выполненных под руководством А.М. Каца (теория и расчет приборов), Б.С.Правдина, В.В. Пензякова (теория и расчет электронно-оптических систем), В.П. Кудряшова (методы подавления высших гармоник и самовозбуждения на обратной волне), В. Б. Рабкина и Р.Ф. Козловой (новые материалы и сплавы). Ю.Н. Балалаева и Ю.А.Мельникова (магниты и магнитные системы на редкоземельных металлах) [1].
В конце шестидесятых начались работы по созданию усилительных цепочек на ЛБВ, выходным каскадом в которых являлась «прозрачная» для СВЧ-сигнала ЛБВ без поглощающей вставки с усилением 7...17дБ. Первоначально они предназначались для обеспечения непрерывно-импульсного режима работы (входная ЛБВ работала в непрерывном режиме, выходная - в импульсном). Были изготовлены экспериментальные образцы усилителя. Впоследствии был выполнен цикл исследований и разработок широкополосных усилительных цепочек, обеспечивающих уровень выходной мощности 500 Вт в диапазоне 1... 8 ГГц. Для повышения устойчивости таких цепочек был предложен «ЛБВ-вентиль», основанный на взаимодействии СВЧ-сигнала с быстрой волной пространственного заряда[2].
Таблица 1- Этапы развития техники ЛБВ
| Время |
60-е годы |
70-80-е годы |
90-е годы , |
| Достижения в технологии и конструировании |
Магнитная периодическая фокусирующая система (МПФС). Специальные сплавы на основе меди. Импрегнированныкатоды.Токоперехватывающая и теневая сетки. Разработкаметодов триангуляции. |
МПФС на основе SmCo-Плющенка из молибдена, фольфрама, сплава МАГТ-0.2.Сетки из гафния .Разработка комплексированных устройств с источниками питания.
|
ВЧ пакеты с анизотропным экраном.Разработка методов термообжатия и термо вставления.
|
Достигнутые параметры: верхняя частота
Выходная мощность
Полоса уиливаемых частот идентичность амплитуды и фазы КПД
|
10 ГГц
200 Вт непр.
1 кВт имп
2:1
± 3 дБ; ± 40дБ
10... 15%
|
40 ГГц
500 Вт непр.
10 кВт имп
3: 1
± 2 дБ; ± 30дБ
20... 25%
|
40 ГГц
1000 Вт непр
10 кВт имп
3: 1
± 1 дБ: ± 25дБ
20... 30%
|
Эти работы способствовали тому, что второе поколение широкополосных приборов и усилителей, , было на уровне лучших мировых аналогов, нашло широкое применение в радиоаппаратуре и позволило резко увеличить промышленный выпуск приборов и комплексированных устройств на их основе.
В девяностые годы усилия разработчиков были направлены на усовершенствование конструкции и технологии изготовления, достижение максимальных значений выходной мощности и ширины полосы усиливаемых частот, КПД, амплитудной и фазовой идентичности, уменьшение шумов, снижение массы и габаритных размеров. Практически была создана методология оптимального построения сверхширокополосных ЛБВ с учетом требований по перечисленным параметрам и разработанных конструктивно-технологических приемов и методов
1.Современное состояние разработок усилителей мощности миллиметрового диапазона длин волн
1.1 Применение ЛБВ в радиолокационно-связной аппаратуре
Лампы бегущей волны продолжают оставаться одним из важнейших комплектующих элементов, определяющих технический уровень спутников связи. Этот тип ЭВП обладает превосходными рабочими и эксплуатационными характеристиками:
широкой полосой рабочих частот,
большим коэффициентом усиления и КПД,
выходной мощностью от десятков до сотен ватт,
высокой устойчивостью к внешним воздействиям,
термостабильностью параметров
высокой надежностью при долговечности до 100 тыс. ч и более.
Они допускают эксплуатацию в гораздо более жестких режимах, чем твердотельные приборы.
Направления работ по повышению технического уровня ЛБВ, определяются потребностями развития систем связи . С целью удовлетворения этих потребностей ведутся как перспективные исследовательские работы, обеспечивая высокий технический уровень своей продукции, так и опытно-конструкторские разработки для комплектации новых систем связи и промышленное производство разработанных ранее ЛБВ [3].
Результаты разработки и особенности технологии производства ЛБВ
В последние годы наибольший объем работ, был направлен на повышение надежности, ресурса и КПД ЛБВ, улучшение спектра и фазовых характеристик ее выходного сигнала, улучшение массогабаритных параметров. Для этого были исследованы пути увеличения эффективности энергообмена в пространстве взаимодействия ЛБВ с широкополосными электродинамическими структурами и возможности рекуперирования остаточной энергии электронных потоков с широким спектром энергий электронов.
В таблице 1.1 приведены основные параметры широкополосных ЛБВ непрерывного действия, разработанных за последние 10 лет. Описание конструкции и характеристик некоторых из них позволяют составить представление о том, как практически решается задача оптимизации основных характеристик широкополосных спиральных ЛБВ.
Таблица 1.1- Современные ЛБВ
| Прибор |
F,ГГц |
P,вых,Вт |
Кус,Дб |
Uсп,кВ |
Iк,мА |
Uк,кВ |
Размеры, мм Масса, кг |
Охлаждение |
| УВ-А3001 |
1...2
|
400 |
40 |
5 |
440 |
3,2 |
1040х82х86
10
|
Жидк. |
| УВ-АЗ002 |
1...2 |
1000 |
30 |
8.3 |
840
|
6 |
977х88х128
14
|
Жидк. |
| УВ-АЗООЗ |
2...4 |
400 |
40 |
5.4 |
440 |
3.4 |
642х82х86
7
|
Жидк. |
| УВ-А3004 |
2...4 |
1000 |
30 |
9.2 |
840 |
6,5
|
862х100х128
12
|
Жидк, |
| УВ-АЗООб |
4...8 |
180 |
40 |
7.5 |
250 |
4.5 |
500х100х75
3
|
ВОЗД. |
| УВ-А3008 |
8...12 |
200 |
35 |
7.5 |
250 |
4.5 |
450х100х75
3
|
Конд. |
| УВ-А3018 |
7,5.. 18 |
250 |
33 |
10.4 |
330
|
6.5/3 |
450х55х75
3
|
Конд |
| УВ-А3020 |
18..26 |
10 |
30 |
10 |
40 |
5 |
350х54х80
2.0
|
ВОЗД |
УВ-А3021
|
26...40
|
10 |
35 |
11 |
100 |
6 |
350х54х57
2,0
|
Конд.
|
Лучшие результаты получены в лампах со спиральными замедляющим
и системами (ЗС) малого диаметра, в которых для снижения СВЧ-потерь используется спиральный проводник прямоугольного сечения из материала МАГТ-0,2 с проводимостью по постоянному току, близкой к проводимости меди (не менее 85%). В таких ЗС реализованы схемы согласования фазовых скоростей в СВЧ волновом пакете с энергетическими характеристиками электронного потока вдоль пространства взаимодействия лампы, обеспечивающие передачу СВЧ-полю на частоте первой гармоники 60... 75% энергии электронов компактного сгустка, содержащего до 80% электронов на периоде СВЧ-волны [A1] .
Высокая эффективность энергообмена в пространстве взаимодействия, низкие потери СВЧ-мощности в ЗС и удобный для многоступенчатого рекуперирования спектр энергий электронов в электронном потоке на входе в коллектор при применении новых конструкций спиральных ЗС позволили увеличить электронный КПД в средней части сантиметрового диапазона до 30... 36% , а технический КПД ЛБВ с трехступенчатым коллектором электронов - до 56%. При этом были улучшены и другие параметры, влияющие на качество выходного сигнала усилителя [4]:
относительный уровень выходной мощности на частоте второй гармоники снизился до минус 25 дБ, максимальное значение коэффициента амплитудно-фазовых преобразований при изменении входных мощностей от нулевой до входной мощности, соответствующей режиму насыщения, уменьшилось до 6 град/дБ.
Полученные данные позволили сделать вывод, что в ЛБВ с электронным КПД более 30% при сопровождении электронного потока в периодических магнитных полях может быть достигнуто токопрохождение на коллектор в динамическом режиме более 97%. Увеличение электронного КПД привело к уменьшению удельного токоотбора с поверхности катода и увеличению долговечности ЛБВ [A2]. Последующее увеличение долговечности до 100 тыс ч и более стало возможным после разработки специальных технологических процессов, методов контроля качества, обеспечивающих производство основных узлов ЛБВ повышенной надежности металлокерамических, катодных, ЗС, узлов связи и МПФС.
Основные электрические параметры ряда приборов:
Рвых - выходная мощность на частоте первой гармоники,
Ky - коэффициент усиления,
I 0 -ток катода (суммарный ток электродов),
N - количество ступеней коллектора.
М - масса,
Д - долговечность,
Они приведены в таблице 1.2. В ней представлены данные из технических условий, которые, как правило, обеспечиваются конструкциями и технологией с большими производственными запасами. Результаты разработки образцов ЛБВ с КПД 60% и долговечностью 150...200 тыс. ч
Выполненные. исследования показали возможность создания и освоения производства ЛБВ средней мощности сантиметрового диапазона с долговечностью 150... 200 тыс. ч и КПД более 60% . Важнейшее условие обеспечения работы ЛБВ в течение 200 тыс. ч. - повышение эмиссионной долговечности катода. Необходимая эмиссионная долговечность достигается в двухкамерных металлопористых катодах при плотности токоотбора с эмитирующей поверхности до 1 А/см2.
В результате первой серии испытаний экспериментальных образцов ЛБВ нового поколения было обнаружено, что после наработки более 100 тыс. ч могут возникать отказы приборов из-за снижения поверхностного сопротивления керамических деталей металлокерамических узлов электронной пушки, а после наработки 100... 150 тыс. ч среди приборов с большой токовой нагрузкой на ЗС могут возникать отказы по снижению выходной мощности.
Таблица 1.2- Параметры ЛБВ
| Тип |
Диапазон частот, ГГц |
Рвых. Вт |
Ку.дБ |
Uзс. кВ |
Iо, мА |
N, шт |
Кпд,% |
М,кг |
Д, ч |
| УВ-481 |
3,4...3,9 |
40 |
42 |
3,5 |
70 |
3 |
45 |
2,6 |
57500 |
| УВ-А2002 |
3,4...3,9 |
80 |
42 |
3.7 |
130 |
3 |
45 |
2,6 |
55000 |
| УВ-509 |
7,0...8,0 |
40 |
40 |
4,0 |
40 |
3 |
50 |
0,8 |
77000 |
| УВ-А2006 |
11,4...11,7 |
22 |
40 |
5.0 |
40 |
3 |
40 |
1,9 |
55000 |
| УВ-А2008А |
11.7...12,5 |
100 |
48 |
6.5 |
140 |
5 |
56 |
1.8 |
100000 |
| УВ-А2008 |
11.7...12,5 |
150 |
50 |
6,5 |
160 |
5 |
55 |
1,8 |
100000 |
| УВ-А2010 |
13,4...14,0 |
50 |
50 |
5,6 |
55 |
3 |
40 |
2,0 |
77000 |
| УВ-485 |
14,5...15,5 |
40 |
50 |
5,6 |
55 |
3 |
40 |
2.0 |
55000 |
Снижение поверхностного сопротивления керамических деталей в электронной пушке связано с накоплением на их поверхности проводящих материалов, испаряющихся с нагретых поверхностей катода. Для устранения этого эффекта разработаны электронные пушки, в которых керамические детали защищены экранами от попадания на них испарившихся с катода материалов. Надежность этих пушек подтверждена испытаниями, проведенными по методике ускоренных испытаний в специальных режимах в течение времени, эквивалентного наработке более 300 тыс. ч.
Механизм снижения выходной мощности также связан с переносом вещества с поверхности нагретых частей спирали на диэлектрические опоры ЗС. При незначительных тепловых нагрузках на спираль время, в течение которого могут быть обнаружены негативные последствия для ЗС со спиралью из МАГТ-0,2, превышает 1 млн. ч. В противном случае это время может сокращаться в зависимости от температуры спирали в десятки и более раз. Возрастание СВЧ-потерь в результате металлизации диэлектрических опор приводит к увеличению тепловой нагрузки на спираль и увеличивает скорость деградации параметров такой ЛБВ [A3].
Добиться необходимого уменьшения скорости переноса вещества с поверхности спирали на опоры ЗС можно улучшением теплоотвода от спирали ЗС и уменьшением токовой нагрузки на спираль. В разрабатываемых ЛБВ улучшение теплоотвода достигается применением деталей из материалов с высокой теплопроводностью, например медных оболочек ЗС , и применением пластичных материалов для создания необходимых тепловых контактов в местах сопряжения теплоотводящих элементов конструкции. Уменьшение токовой нагрузки, как следует из анализа токопрохождения в ЛБВ с электронным КПД более 30%, возможно за счет улучшения токопрохождения в статическом режиме и уменьшения тока, возвращенного из коллекторов. Такая работа была выполнена на основе метода конечных элементов при моделировании электронного потока в аксиально-симметричных узлах ЛБВ .
Разработанные ЛБВ средней мощности сантиметрового диапазона отличаются высоким техническим уровнем, КПД различных типов ЛБВ принимают значения 45... 55 % , а долговечность достигает 100 тыс. ч. Указанные значения КПД получены при использовании ЗС с = 0.8...0,9 и малыми СВЧ-потерями, долговечность ЛБВ обеспечивается надежностью конструкций узлов и особенностями технологии, включающей специальные методики прогнозирования их надежности и ресурса. Исследованы пути увеличения КПД ЛБВ до 60% и долговечности до 200 тыс. ч. Разработаны и испытаны образцы ЛБВ с КПД 60... 64% и долговечностью более 150 тыс. ч
Первые разработки спиральных ЛБВ с шириной полосы более октавы позволили определить, что главным препятствием по расширению полосы рабочих частот является взаимодействие на частотах, кратных частоте основного сигнала (высших гармонических составляющих (ВГС)). В результате многочисленных исследований было установлено, что все многообразие средств подавления ВГС, причем с достаточно эффективной передачей их энергии основному сигналу, реализуется. с помощью единственного метода - метода компенсации . Он заключается в том, что на входе или в пространстве взаимодействия самой ЛБВ формируется сигнал, насыщенный гармониками. противофазными гармоникам, образующимся в результате нелинейного взаимодействия по основному сигналу [5].
Наиболее просто он реализуется в усилительных цепочках на ЛБВ, в которых между каскадами устанавливается так называемый фазовый компенсатор (отрезок длинной линии с максимально крутой дисперсией), который изменяет фазовый сдвиг между основным сигналом и его гармониками на необходимую величину (как правило, от 90 до 180°). Для повышения устойчивости цепочки между каскадами фазовый компенсатор может быть совмещен с ЛБВ-вентилем. основанным на взаимодействии отраженного СВЧ-сигнала с быстрой волной пространственного заряда. Именно такое построение усилителя позволило впервые достичь уровня мощности порядка 1 кВт в диапазоне 1.8 ГГц с мгновенной полосой частот до 1,5...2 октав.
Для осуществления метода компенсации в одной ЛБВ необходимо обеспечить определенные условия взаимодействия широкополосной ЛБВ.Выбор параметров выходного участка пространства взаимодействия является главной задачей при проектировании широкополосной ЛБВ, поскольку именно он определяет выходную мощность и КПД, уровень нелинейных искажений и ВГС. Наконец, от выбранной модели подавления гармоник и передачи их энергии полю основного сигнала определяются требования и к другим участкам прибора. Характерны два варианта энергообмена между ВГС и основным сигналом:
первый - при равенстве фазовых скоростей возмущенных волн поля на частотах первой и, как правило, второй гармоник, что соответствует слабой нормальной дисперсии ;
второй - когда эти скорости существенно различаются (большая нормальная дисперсия и нулевая или аномальная дисперсия). В первом случае для реализации процесса компенсации необходимо создать специальный компенсирующий сигнал; во втором по мере изменения по длине фазовых соотношений (из-за упомянутой выше разности скоростей) гармоники автоматически попадают в фазу оптимального энергообмена с основным сигналом.
Вместе с тем высокий уровень гармоник в слабонелинейном режиме, повышенная неравномерность амплитудно-частотной характеристики, обусловленная скачком фазы поля, показывают, что этот метод сложен для реализации в сверхширокополосных ЛБВ .
Оптимизация пространства взаимодействия велась в октавном диапазоне: в результате технический КПД при одноступенчатой рекуперации превысил 30%, а уровень ВГС в режиме насыщения уменьшился до 10 Дб.
Коэффициент усиления и собственные шумы широкополосных ЛБВ
Одним из главных ограничений коэффициента усиления в широкополосных ЛБВ является требование минимизации уровня собственных шумов в рабочей полосе частот. Эти два параметра связаны известным соотношением
(1)
где Рш - интегральный шум в рабочей полосе ( );
k =1,38-10-23постоянная Больцмана;
То =293 К -шумовая температура;
Кш коэффициент шума;
Ку-максимальный в полосе частот коэффициент усиления прибора в линейном режиме работы;
Кф- коэффициент формы АЧХ, лежащий обычно в пределах 0,3... 0,5.
Из анализа (I) видно, что возможны два направления работ по уменьшению уровня шумов при заданных значениях коэффициента усиления и полосы усиливаемых частот: уменьшение коэффициента шума и минимизация перепада коэффициента усиления в диапазоне частот (определяемая значениями Кумах и Кф)
Зависимость коэффициента шума ЛБВ средней и большой (более 20 Вт) мощностей от выходной мощности Рвых [Вт] может быть выражена в следующем виде:
(2)
где Рид - выходная мощность прибора по ТУ, Вт.
Связь между Кш и минимально возможным коэффициентом шума Кшmin быть представлена в виде :
(3)
где S и В- диаметры катода и электронного пучка
Вытекающая из (3) очевидная рекомендация по уменьшению диаметра катода связана с увеличением удельного токоотбора н, как следствие, со снижением долговечность прибора и поэтому далеко не всегда применима. На практике при конструировании и изготовлении электронно-оптической системы необходимо предпринять все меры к тому. чтобы снизить разброс скоростей электронов, исключить возможность эмиссии с боковых поверхностей катода и других электродов пушки. Как правило, при настройке прибора в МПФС приходится предпринимать специальную юстировку по уровню шума, Однако все эти меры не позволяют кардинально изменить коэффициент шума и достигнуть нижнего предела допуска [6].
Более широкие возможности по уменьшению собственных шумов ЛБВ заложены в оптимизации АЧХ прибора Каждый участок пространства взаимодействия, работающий в линейной и слабонелинейной областях взаимодействия, конструируется таким образом, чтобы обеспечить минимальный период коэффициента усиления в заданном диапазоне частот. Освоение управлением дисперсией позволяет использовать для этой цели разнообразные комбинации скачков фазовой скорости и дисперсии, реализуемые с помощью изменения шага и диаметра спирали, формы керамических и металлокерамических опор, диаметра и формы экрана.
В более коротковолновых ЛБВ из-за отсутствия к началу их разработки приемлемого конструкторско-технологического решения по управлению дисперсией такие средства не применялись. В результате интегральная мощность шума таких приборов на 1 - 2 и более порядков выше, чем в длинноволновых ЛБВ при тех же значение коэффициента усиления. (таблица1.3)
Таблица 1.3- Параметры ЛБВ
Тип
ЛБВ
|
УВ-
А3001
|
УВ-
А3002
|
УВ-
А3003
|
УВ-
А3004
|
УВ-
А3009
|
УВ-
А349А
|
УВ 3018 |
F,ГГц
|
1...2 |
1...2 |
2..4 |
2...4 |
8...18 |
8…18 |
7,5…18 |
| Рвых.Вт |
400 |
1000 |
400 |
1000 |
50 |
100 |
250 |
| Ку,Дб |
40 |
30 |
40 |
30 |
50 |
40 |
33 |
| Pш, мВт |
10 |
1 |
10 |
1 |
2000 |
1000 |
180 |
Комплексированные устройства
При создании таких устройств могут решаться различные задачи, чаще всего оптимизируются высокочастотные характеристики СВЧ-усилителя и согласование СВЧ-приборов с источниками питания. Работы в этих направлениях ведется с начала семидесятых годов, и сегодня серийно выпускаемые комплексированные изделия используются в различных радиоэлектронных системах гражданского и военного назначениея. Одними из первых комплексированных устройств были упомянутые выше усилительные цепочки в составе: широкополосная ЛБВ с высоким коэффициентом усиления, «ЛБВ-вентиль», совмещенная с фазовым компенсатором, и «прозрачная» для СВЧ-сигнала ЛБВ с малым (6...8, дБ) коэффициентом усиления. Они позволили качественно улучшить характеристики СВЧ-усилителей и в значительной степени иллюстрируют методологию комплексирования, в которой заложены три основополагающих, на наш взгляд, принципа: каждый-элемент комплексированного устройства ответственен за одну или несколько функций всего устройства-параметры каждого элемента согласованы с параметрами других элементов и обеспечивают их нормальное функционирование [A4];
Предполагается оптимальное конструирование устройства в целом с интеграцией элементов конструкции, систем охлаждения, контроля и т.д.
В соответствии с этими принципами были разработаны комплексированные устройства на основе широкополосных спиральных ЛБВ (таблица 1.4).
Оптимизации по СВЧ параметрам., как правило, подлежала наиболее распространенная схема усилителя 1, Изображенная на рис.6 и включающая в себя корректор усиления, транзисторный усилитель 2, широкополосную ЛБВ 3 и источник питания (ИП) 4.
Рисунок 6- Комплексированные устройства
Корректор коэффициента усиления - пассивный, аттенюатор, обеспечивающий частотную характеристику затухания, аналогичную (по форме) частотной зависимости общего коэффициента усиления ЛБВ и транзисторного усилителя, представляет собой цепочку резонаторов с регулируемой добротностью и выполняется на основе либо коаксиальной, либо полосковой линии. В результате комплексированное устройство характеризуется постоянством коэффициента усиления во всем рабочем диапазоне частот.
Современные твердотельные усилители (ТТУ) большой мощности имеют коэффициент шума не более 10 дБ, что существенно ниже, чем у аналогичных ЛБВ, поэтому при распределении усиления между ТТУ и ЛБВ необходимо стремиться к снижению коэффициента усиления ЛБВ, т. e к увеличению выходной мощносги ТТУ. Именно 'поэтому корректор усиления целесообразнее устанавливать до ТТУ и ЛБВ, а не между ними [7].
Все источники питания для широкополосных ЛБВ построены по схеме преобразования частоты питающей сети, имеют стабилизированные источники питании замедляющей системы, анода и коллектора- отвечают требованиям- предъявляемым к соответствующей их применению аппаратуре по механическим и климатическим воздействиям снабжены устройствами защиты и контроля.
Таблица 1.4-Параметры ЛБВ
| Частота ГГц |
Рвых
Вт
|
Ку, дБ |
Состав |
Габаритные размеры мм
Maccа кг
|
Сеть |
| 0.8…2 |
200 |
60 |
ТТУ-коррекгор-
ЛБВ-ИП
|
ЛБВ – 1040х82х86
10
ИП- 700 х 300 х 350.
45
|
200В
400 Гц
|
| 1…2 |
1000 |
54 |
ТТУ-коррекгор-
ЛБВ-ИП
|
ЛБВ – 977х82х86
14
ИП- 790 х 320 х 370.
65
|
200В
400 Гц
|
| 2...4 |
400 |
40 |
Коррекгор-
ЛБВ-ИП
|
ЛБВ – 642х82х86
7
ИП- 700 х 330 х 350.
55
|
200 В
400 Гц
|
| 2…4 |
1000 |
50 |
ТТУ-коррекгор-
ЛБВ-ИП
|
ЛБВ –862х100х128
12
ИП- 700 х 330 х 350.
65
|
200 В
400 Гц
|
| 7...11 |
100 |
35 |
ЛБВ-ИП |
545 X 125 х 195 |
200В
400 Гц
|
| 4…8 |
100 |
40 |
ЛБВ-ИП |
545 X 125 х 195 |
200В
400Гц
|
| 12…18 |
100 |
27 |
ЛБВ-ИП |
ЛБВ – D70х380
3
ИП 460х100х295
13
|
200 В
400 Гц
|
| 8...18 |
100 |
27 |
ЛБВ-ИП |
330х453х100
15
|
200В
400Гц
|
| 27…29 |
20 |
40 |
ЛБВ-ИП |
ЛБВ –2 кг
ВИП- 15 кг
|
220В 50 Гц |
ЛБВ миллиметрового диапазона длин волн
При переходе в миллиметровый диапазон конструктивно-технологические проблемы создания ЛБВ pезко возрастают. Основная причина этого -уменьшение поперечных размеров ВЧ пакета ЛБВ и соответственно диаметра ее пролетного канала. что приводит к сложностям формирования и сопровождения электронных пучков, получения эффективного взаимодействия и необходимости решения проблем теплоотвода от спирали. Требование к величинам магнитного поля для осуществления периодической фокусировки электронного пучка малого диаметра заставляет уменьшать его первеанс , что приводит к снижению электронного КПД ЛБВ, чему способствует и быстрый рост собственных распределенных потерь ЗС. Ограничения величины выходной мощности ЛБВ миллиметрового диапазона связаны с проблемами эффективного геплоотвода от элементов ЗС. Тепловые нагрузки при продвижении в коротковолновую область возрастают вследствие увеличения распределенных поттерь и токооседа-ния. а элементы, в которых выделяется и по которым отводится тепло, становятся все миниатюрнее.
Для решения задач создания ЛБВ миллиметрового диапазона был проведен комплекс конструкторско-технологических разработок. Основное внимание было уделено решению тепловой задачи и разработке базовых конструкций ЭОС. позволяющей транспортировать электронный пучок в пролетном канале, диаметр которого составляет 0,6 мм при токе до 100 мА. Благодаря созданной оригинальной конструкции МПФС достигнутое значение токопрохождения составляет 98%.
Снижение собственных распределенных потерь в ЗС рассматривалось как эффективный способ увеличения электронного КПД ЛБВ, с одной стороны, и снижения тепловых нагрузок на спираль, с другой. Известно несколько способов уменьшения потерь, но все они сводятся к использованию материалов или покрытий с высокой электрической проводимостью. Применение медной плющенки для изготовления спиралей предполагает применение пайки ВЧ-пакета, которая является единственно возможным способом закрепления спирали, изготовленной из такого неформоустойчивого материала, как медь. Пайка одновременно обеспечивает почти идеальный теплоотвод от спирали, что снижает ее температуру в рабочем режиме и, следовательно, предотвращает дальнейший рост ВЧ-потерь при разогреве спирали. Однако эксперименты показали, что ВЧ пакеты, изготовленные с применением пайки, имеют большой разброс параметров из-за слабо контролируемой величины галтелей образующихся в процессе пайки. Спирали, изготовленные из молибдена или вольфрама с нанесенным покрытием из меди или золота, также оказались малопригодны для использования из-за непрочности покрытия. В результате проведенных исследований оказалось, что наиболее технологичными оказались спирали, изготовленные из полированной вольфрамовой плющенки. Полировка дает снижение ВЧ-потерь- сравнимое с их снижением при использовании спиралей с покрытием. Для снижения ВЧ-потерь и облегчения тепловой задачи в ВЧ пакете была уменьшена диэлектрическая нагрузка за счет использования опорных спиралей прямоугольной формы. Одновременно с работами, направленными на снижение величины тепловых нагрузок за счет улучшения токопрохождения и снижения потерь в ВЧ пакетах, был проведен комплекс работ по обеспечению надежного закрепления ВЧ пакета в оболочках. В результате в качестве базовых методов закрепления ВЧ пакетов в ЛБВ миллиметрового диапазона используются метод холодного обжатия медной оболочки и метод термообжатия. Оба метода обеспечивают хороший тепловой контакт «стержень-оболочка», не уступающий паяному соединению.
Однако снижение тепловых сопротивлений только внутри ВЧ пакета недостаточно для обеспечения надежной работы ЛБВ миллиметрового диапазона. Необходимо решать и внешнюю тепловую задачу.
Разработаны базовые конструкции ЛБВ в миллиметровом диапазоне длин волн с уровнем выходной мощности 10...50 Вт (рисунок 1).
Рисунок 1- Типичная АЧХ ЛБВ миллиметрового диапазона
Разработаны и производятся сверхширокополосных спиральных ЛБВ средней и большой мощностей, а также комплексированных устройств на их основе. Основные технические характеристики проанализированы с позиции их взаимосвязи с особенностями конструкции и технологии изготовления.
Современный этап развития СВЧ-приборов такого класса, характеризующийся успехами в области их миниатюризации и комплексирования совместно с твердотельными устройствами , требует разработки новых конструкторско-технологических работ, решений и подходов.
2. ТЕХНИЧЕСКИЕ ТРЕБОВАНИЯ ПО РЕАЛИЗАЦИИ УСИЛИТЕЛЯ МОЩНОСТИ НА ЛБВ КА ДИАПАЗОНА
2.1 Требования технического задания
Анализ современного состояния разработок ЛБВ миллиметрового
диапазона длин волн показал, что наиболее подходящее для проектируемого усилителя является ЛБВ типа ТW-33-200 имеющая следующие параметры.
Требования технического задания.
1. Рабочий диапазон частот, ГГц 33 – 34;
2. Выходная импульсная мощность, Вт ³200;
3. Входная мощность,мВт 75-100;
4. Ток катода импульсный,мА <250;
5. Неравномерность АЧХ в рабочей полосе, дБ 3;
6. Напряжение замедляющей системы, кВ 24,5-25,5;
7. Напряжение коллектора, кВ 10-12;
8. Напряжение управляющего электрода
относительно катода, кВ
-в паузе между импульсами, кВ 2,2;
-во время импульса, В 50;
9. Напряжение накала (переменное), В 3,15-3,5;
10. Ток накала, А 2,0-2,5;
11. Ток замедляющей системы, мА 20;
12. Длительность импульса, мкС 6-10;
13. Частота повторений, кГц 8;
14. Максимальный коэффициент заполнения, % 10;
15. Непрерывная работа, час не менее 4;
16. Способ охлаждения : принудительно-воздушное охлаждение;
17. Масса, кг 4,8;
18. Вывод энергии - прямоугольный волновод
сечением, мм 21.86х10,16;
19. КСВН нагрузки £1,5;
20. Средняя наработка на отказ, час ³1000.
2.2 Анализ требований к источникам питания
В соответствии с техническим заданием на разработку высоковольтных источников питания для СВЧ передатчиков необходимо разработать два источника питания, удовлетворяющие нижеприведенным техническим требованиям.
Технические требования к источнику питания №1 (ИП-1).
Электрические требования:
1. Выходное напряжение 10-12кВ;
2. Характер потребляемого тока импульсный;
3. Ток в импульсе 250мА;
4. Частота повторения импульсов тока нагрузки 8кГц;
5. Длительность импульса 6-10мкС;
6. Гальваническая развязка выходных цепей питания
от шин источника входной электроэнергии.
7. Частота преобразования 8-40кГц с возможностью
синхронизации от внешнего задающего генератора
8. Защита по перегрузкам по выходному току и
напряжению и автоматическое восстановление работы
после снятия перегрузки;
9. Первичная сеть 220В 50Гц;
10. Нестабильность первичной сети 5%;
Технические требования к источнику питания №2 (ИП-2)
Электрические требования:
1.Выходное напряжении 2,5-3,5кВ;
3.Характер потребляемого тока импульсный;
4.Ток в импульсе 20мА;
5.Частота повторения импульсов тока 8кГц;
6.Длительность импульса 10 – 20 мкc;
7.Первичная сеть 220В 50Гц;
8.Нестабильность первичной сети 5%;
Предварительный анализ технических требований показывает, что оба источника питания работают в импульсном режиме потребления выходного тока со скважностью Q > 12.
Определим максимальную среднюю мощность, потребляемую от первичной сети ИП- 1 и ИП –2 по формуле:
Рср
=Ри
/( *Q), (2.1)
где Ри
–мощность потребляемая нагрузкой в импульсе,
- коэффициент полезного действия вторичного источника питания,
Q -скважность.
Принимая =0,85, Q=12, получим:
для ИП-1 Рср
=300ВA;
для ИП-2 Рср
=50ВА.
Таким образом, ИП-1 можно отнести к высоковольтным вторичным источникам питания (ВВИП) средней мощности, а ИП-2 к ВВИП малой мощности.
Хотя деление ВВИП по мощности весьма условно, тем не менее принципы построения и структура источников питания малой и средней мощности могут существенно отличатся друг от друга в зависимости от электрических требований и наличия необходимой элементной базы для построения высоковольтной части ВВИП. При выборе структуры построения ВВИП наличие необходимой элементной базы и необходимой технологии изготовления высоковольтных узлов играет не последнюю роль. Дополнительные требования к выбору структуры построения ВВИП обусловлены условиями эксплуатации и конструктивно технологическими требованиями.
2.3 Анализ требований к импульсному модулятору для ЛБВ
Импульсный модулятор предназначен для формирования мощных видеоимпульсов, управляющих напряжением на управляющем электроде ЛБВ. Модулятор является сложным и ответственным устройством любого передатчика и от его устойчивой работы зависит обеспечение ряда важных характеристик блока.
Сформируем требования к модулятору.
Таблица 2.1 – Требования к модулятору
| №/№ п/п |
Параметр |
Значение параметра |
Примечания |
| 1 |
2 |
3 |
4 |
| 1. |
Частота повторения импульсов, Гц |
8000 |
| 2. |
Длительность импульса, мкс |
12 |
| 3. |
Длительность переднего фронта импульса, мкс |
£0,1 |
| 4. |
Длительность заднего фронта импульса, мкс |
<0.2 |
| 5. |
Скважность |
³10 |
| 6. |
Напряжение на выходе модулятора, В
Отрицательное в паузе,
Положительное в импульсе
|
1800
0-100
|
ТЗ на ЛБВ |
| 7. |
Емкость нагрузки Спар, пф |
£50 |
| 8. |
Ток нагрузки в импульсе, mA |
£2 |
| 9. |
Питание модулятора, В |
Уточняется при проектировании |
| 10. |
Импульс запуска (ИЗМ) от синхронизатора, В |
ТТЛ |
Проведем анализ требований к модулятору, представленных в таблице.
Пункты 1, 2, 5, 6 являются директивными и обсуждению не подлежат.
Пункт 3, 4. Длительность импульса модулятора может быть больше длительности СВЧ импульса, так как длительность фронтов огибающей СВЧ импульса всегда меньше, чем у модулирующего импульса в силу действия закона степени 3/1.
Пункт 7. Определяется параметрами ЛБВ.
Пункт 8. Определяется параметрами ЛБВ.
Пункт 9. Определяется параметрами ЛБВ.
В соответствии с техническими характеристиками ЛБВ амплитуда импульса должна быть не менее 1500 В. Длительность фронта импульса tфи
= 0.2 мкс. Емкость управляющий электрод – катод – Свх = 50 пФ. Определим мощность которую должен обеспечить модулятор (Рфи), чтобы зарядить входную емкость Свх на 1500 В, за время длительности фронта импульса.
Рфи = (СU)2
/2tфи
= 300 Вт. (2.2)
Видно, что несмотря на отсутствие тока управляющего электрода, импульсный модулятор должен обеспечивать очень большую мощность для формирования заданного значения длительности фронта импульса.
3. Разработка и обоснование структурной схемы проектируемого устройства
3.1 Структурная схема усилителя
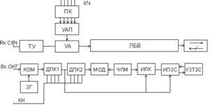
Структурная схема усилителя мощности на ЛБВ приведена на рисунке 3.1. Усиливаемый входной сигнал поступает на вход твердотельного усилителя мощности на ЛПД (ТУ). Коэффициент усиления ТУ 16 дБ. Выходная мощность более 100 мВт. С выхода усилителя СВЧ сигнал поступает на управляемый аттенюатор. Ослабление вносимое аттенюатором выбирается таким образом, чтобы сквозной коэффициент усиления со входа усилителя на его выход не зависел от АЧХ ЛБВ. Для этого измеряется АЧХ ЛБВ и дешифратор программируется таким образом, что вносимое аттенюатором ослабление равно по величине и противоположно по знаку изменению коэффициента усиления ЛБВ, выраженному в дБ. Применение аттенюатора позволяет установить оптимальное значение мощности сигналы на входе ЛБВ, имеющей неравномерную АЧХ. При отсутствии кода частоты возможно некоторое уменьшение мощности выходного сигнала и увеличение фазовых искажений на выходе ЛБВ. При использовании усилителя в передающем устройстве РЛС частота передатчика всегда известна и формирование кода частоты усиливаемого сигнала не вызывает трудностей. С выхода УА сигнал поступает на ЛБВ. Питание ЛБВ осуществляется от высоковольтных источников питания ИП1 и ИП2. ИП1 обеспечивает питание замедляющей системы ЛБВ и имеет напряжение 25 кВ, мощность ИП1 - 40 вт. ИП2 обеспечивает питание коллектора ЛБВ и имеет напряжение 10 –15 кВ, мощность более 300 вТ. Для уменьшения массы и габаритов ИП1 и ИП2 выполнены по схеме высокочастотного преобразователя и работают на частотах 30 – 40 кГц. На управляющий электрод ЛБВ подается импульсный сигнал модулятора. Амплитуда импульса более 1.5 кВ. Для уменьшения влияний пульсаций источников питания и улучшения параметров и электромагнитной совместимости усилителя мощности на ЛБВ, частота высокочастотного преобразователя, должна быть кратна частоте повторения импульсов. Это может быть обеспечено путем синхронизации частот ИП1 и ИП2 сигналом опорного кварцевого генератора РЛС. Это позволяет обеспечить когерентность сигналов РЛС и высокочастотных преобразователей ИП1 и ИП2, частоты которых задаются сигналом с выхода делителя с переменным коэффициентом деления ДПКД1. При таком построении частота следования импульсов на выходе передатчика может задаваться сигналом с выхода ДПКД2. Выбирая требуемые значения коэффициентов деления ДПКД1 и ДПКД2, можно обеспечить необходимое значение частоты импульсов на выходе передатчика. При этом частота высокочастотных преобразователей будет равна 32 – 40 кГц.
 |
Рисунок 3.1 - Структурная схема усилителя на ЛБВ
Рисунок 3.2 - а) Блок схема параллельного включения;
б) Блок схема последовательного включения.
Такое построение передатчика устраняет возможность появления комбинационных составляющих в спектре доплеровских частот принимаемого сигнала, образованных частотой повторения импульсов и частотой источника питания, позволяет снизить требования к коэффициенту пульсаций источника питания. Для работы усилителя мощности при отсутствии сигнала ОКГ, через коммутатор (Ком) в схему подается сигнал собственного генератора ЗГ. Частота генератора ЗГ выбрана равной 10 МГц.
Основное отличие разных реализаций современных бортовых источников питания ЛБВ заключается в способе включения коллекторного источника.
На рисунке 3.2 представлены блок-схемы для двух таких способов.
С точки зрения обеспечения заданных напряжений на электродах ЛБВ, обе схемы совершенно эквивалентны, и обе широко распространены в отечественной и мировой практике, однако имеются соображения к предпочтительному выбору.
Схема на рисунке 3.2 б) более компактна, поскольку около 50-60% напряжения получаем как бы “бесплатно” за счет суммирования коллекторного напряжения. В схеме на рисунке 3.2 а) проще реализуются требования по пульсациям и защитные функции при переходных процессах.
Конкретный выбор обычно зависит от уровня мощности источника и, в некоторой степени, от личного опыта разработчика. Как и при выборе охлаждения и в проблемах с высотностью, здесь мы сталкиваемся с пограничным случаем. Обычно при мощностях УМ ³500 Вт выбирают параллельный вариант.
При отсутствии жестких требований к массе и габаритам источника питания целесообразно использовать раздельные источники питания цепи коллектора и замедляющей системы. При этом защита по току цепей коллектора и замедляющей системы может быть осуществлена в выходных каскадах высокочастотных преобразователей.
Для увеличения времени наработки на отказ питание цепи накала должно осуществляться переменным напряжением 3 В, при частоте источника питания 50 или 400 Гц. Цепь накала ЛБВ обладает индуктивностью. Для частот 50 – 400 Гц этой индуктивностью можно пренебречь, сопротивление цепи накала считается чисто активным, значение индуктивности цепе накала ЛБВ неизвестно и может иметь большой разброс для различных экземпляров ЛБВ одного типа. При питании накала частотой 30 – 40 кГц, значение индуктивного сопротивления цепи накала увеличивается в сотни раз и пренебрегать его значением нельзя. Устранить влияния индуктивности можно путем питания цепи накала от источника тока. Однако источники питания цепей коллектора и замедляющей системы (ИП1 и ИП2) – источники напряжения. Поэтому для увеличения выходного сопротивления источника питания цепи накала напряжением 3 В, на обмотке накала трансформатора ИП2 формируется напряжение 12 В, а ток цепи питание задается резистором, значение которого равно
R = (12 – 3)/Iн, (3.1)
где I – ток накала ЛБВ ( А).
Схема цепи накала ЛБВ приведена на рисунке 3.3.
L
Rн
Рисунок 3.3 - Схема цепи накала
Для устранения самовозбуждения ЛБВ и улучшения стабильности АЧХ и ФЧХ усилителя при неидеальной нагрузке, на выходе ЛБВ установлен ферритовый вентиль.
3.2 Структурные схемы источника питания и выбор элементной базы
Источник питания цепи коллектора (ИП-1) по мощности относится к ИП средней мощности. С учетом анализа технических требований за основу для предварительного расчета выберем один из известных вариантов структурных схем для ключевого источника питания средней мощности. В ИП (рис.3.4) входит входной выпрямитель, ключевой стабилизатор напряжения, мостовой преобразователь напряжения, высоковольтный трансформаторно-выпрямительный модуль, цепь обратной связи, по которой поступает информация о напряжении и токе в нагрузке, а также служебный маломощный источник питания для питания стабилизированным напряжением схемы управления и защиты +15 В. Такая структурная схема не является окончательной, в процессе отработки режимов работы всего устройства в целом она может претерпевать определенные изменения, но она позволяет провести предварительные расчеты режимов по токам и напряжениям и выбрать необходимую элементную базу для высоковольтного источника питания в целом или сформировать необходимые требования к отдельным компонентам ИП.
 |
Рисунок 3.4 - Структурная схема ИП-1
Входной выпрямитель.
Сетевой выпрямитель выполняется на полупроводниковых диодах по мостовой однофазной схеме, преимуществами которой является удвоенная частота пульсаций и достаточно «мягкие» требования к диодам по импульсному току и напряжению по сравнению с однополупериодной однофазной схемой выпрямления. Выбор диодов производится по результатам расчетов по допустимому обратному импульсному напряжению Uобри
и прямому среднему Iо
и импульсному току Iпр. и
. Для сетевого напряжения 220В +-5% и мостовой схемы выпрямления амплитуду обратного напряжения на диодах определим как:
Uобр.и
=1,5 U0,
( 3.2)
где U0
- максимальное напряжение питающей сети, с учетом нестабильности
Uo
=220+220*0,05=231В, (3.3)
Максимальный средний выпрямленный ток Io
определим при наименьшем напряжении питающей сети и максимальной нагрузке, из соотношения.
Iо
=Рср
/Uсети мин
=300/210=1,43А; (3.4)
Прямой импульсный ток диода найдем по формуле:
Iпри
= 3,5Io
=5А; (3.5)
Таким образом без учета эксплуатационных и конструкторско технологических требований диоды выпрямителя, выполненного по мостовой схеме должны удовлетворять следующим требованиям по напряжению и току:
Uобри
>=350B,
Iпри
>=5A,
Io
>=1,43A.
Ниже будет показано, что для обеспечения заданной надежности и с учетом эксплуатационных требований диоды следует выбирать с некоторым запасом, как по напряжению, так и по току.
Исходя из конструктивно-технологических соображений в большинстве случаев целесообразнее использовать однофазный мост вместо дискретных диодов. Сглаживающий фильтр, включенный на выход выпрямителя, выполняет функцию сглаживания пульсаций переменного сетевого напряжения до величины приемлемой для нормальной работы преобразователя напряжения. Для ИП малой и средней мощности целесообразнее всего использовать простой емкостной фильтр, состоящий из конденсаторов, удовлетворяющих требованиям по прямому постоянному и импульсному напряжению, амплитуде пульсаций переменного тока питающей частоты и пульсаций тока частоты преобразования, которая составляет десятки килогерц, а с учетом высших гармоник -сотни кГц. Конденсаторы фильтра должны иметь низкие потери на высокой частоте (количественная характеристика –tg ), низкий импеданс Z (эквивалентное сопротивление на высоких частотах, которое учитывает активные потери и реактивное сопротивление эквивалентной емкости и паразитной индуктивности, включенных последовательно). Эквивалентная емкость и паразитная индуктивность образуют последовательный резонансный контур частотой fр
, причем конденсатор эффективно может работать на частотах меньших fр
. Эффективным способом увеличения резонансной частоты и уменьшения потерь на высоких частотах является параллельное подключение к электролитическому конденсатору высокочастотных керамических или пленочных конденсаторы емкостью 0,1…1мкф, имеющих значительно большую резонансную частоту. Для снижения величины активной составляющей эквивалентного сопротивления, и паразитной индуктивности вместо одного конденсатора номинальной емкости можно включить несколько параллельно включенных конденсаторов аналогичного типа с суммарной емкостью, равной номинальной. При этом эквивалентное активное сопротивление уменьшается в соответствующее число раз, а следовательно уменьшается амплитуда переменной составляющей и потери на проводимости. Для ключевых источников питания разработаны специальные электролитические конденсаторы с малыми потерями на высоких частотах, низким эквивалентным последовательным сопротивлением, с большими значениями амплитуд пульсаций переменного тока.
Расчет величины конденсатора фильтра проводится по заданному коэффициенту пульсаций (кпо1
) выпрямленного напряжения на частоте основной гармоники пульсаций выпрямленного напряжения. Для двухполупериодного выпрямителя частота основной гармоники пульсаций равна удвоенной частоте питающей сети т.е.
fп
= 2*fc
=100Гц. (3.6 )
где fc
- частота питающей сети
Величина кпо1
определяется как:
, ( 3.7 )
где U01
амплитуда первой гармоники пульсации напряжения
U0
–среднее значение выпрямленного напряжения.
Величина коэффициента пульсаций не задана, а является промежуточной величиной, определяемой схемой управления (ШИМ-контроллером) и схемой выходного каскада преобразователя напряжения. Фактически это означает, что величина коэффициента пульсаций должны быть такой, чтобы обеспечить нормальную работу преобразователя напряжения с выполнением требований по допустимой амплитуде пульсаций на выходе высоковольтного источника и суммарной стабильности выходного напряжения от воздействия всех дестабилизирующих факторов. Неоправданное уменьшение коэффициента пульсаций влечет за собой увеличение емкостей сглаживающего фильтра, а следовательно увеличение габаритов, веса и стоимости устройства. Приближенно величину емкости фильтра не заданной частоте можно определить по инженерной формуле
C= . (3.8)
где Iн
- ток в нагрузке (среднее значение);
f - частота пульсаций;
U01
- амплитуда основной гармоники выпрямленного напряжения.
Типичные значения емкости конденсатора для мощностей 200-1000ВА, составляет величину порядка 200мкф...1000мкф соответственно, при постоянном напряжении 350…450Вольт. Выбор типа конденсаторов для сглаживающего фильтра весьма широк, поэтому при выборе конденсаторов следует главным образом обращать внимание на такие параметры, как низкое эквивалентное сопротивление, малые потери на высоких частотах, допустимые амплитуды пульсаций тока на основной частоте и на высоких частотах. Кроме этого также следует обратить внимание на условия эксплуатации, такие, как температура и давление окружающей среды, так как электролитические конденсаторы весьма критичны к этим параметрам.
Заметим, что величина емкости, необходимая для обеспечения прохождения высокочастотной составляющей тока преобразователя напряжения всегда намного меньше той, которая требуется для обеспечения необходимых пульсаций на частоте выпрямленного напряжения. Определяющее значение для высокочастотных составляющих имеет правильный выбор типа конденсатора по минимуму потерь на высоких частотах. В случае применения электролитических конденсаторов рекомендуется параллельно подключать высокочастотные керамические или пленочные конденсаторы емкостью 0,1…1мкф с низким значением tg и малой собственной индуктивностью. Максимальная амплитуда пульсаций переменного тока на частоте преобразования не должна превышать допустимого значения, чтобы температура конденсатора в процессе эксплуатации при заданной температуре окружающей среды не превышала допустимого значения. При этом сумма постоянной и переменной составляющей, приложенной к конденсатору не должна превышать номинального значения напряжения, на который рассчитан конденсатор.
Мостовой преобразователь напряжения
При выборе структуры будем руководствоваться следующими требованиями:
-обеспечение максимально- достижимой надежности;
-обеспечение высокого к.п.д.;
-возможность внешней синхронизации преобразователя;
-наличие высоковольтного трансформатора
-возможность пробоев высокого напряжения в нагрузке, не связанных с работой источника питания и в связи с этим способность источника сохранять работоспособность и ограничивать мощность при возникновении пробоев в нагрузке.
Преобразователь в целом состоит из схемы управления и выходного каскада.
Назначение выходного каскада - обеспечение необходимой выходной мощности с высоким кпд и высокой надежностью
Для требуемой выходной мощности (300ВА), и с учетом вышеизложенных требований, наиболее подходящей схемой для выходного каскада преобразователя будет мостовая схема (рис. 3.4), которая имеет ряд преимуществ:
-амплитуда переменного напряжения на выходе полного моста вдвое выше, чем у полумостовой схемы, что благоприятно сказывается на конструкции высоковольтного трансформатора (коэффициент трансформации уменьшается в два раза, что снижает паразитную индуктивность. частично паразитную емкость), и благоприятно сказывается на большинстве параметров высоковольтной части ИП;
-мощность потерь как статических, так и динамических равномерно распределяется между четырьмя транзисторами моста, что снижает требования к транзисторам по рассеиваемой мощности по сравнению с полумостовой схемой, а при применении таких же транзисторов повышается запас по загрузке элементов, а следовательно повышается надежность;
Рисунок 3.5 - Cтруктурная схема управления ИП на ШИМ-контроллере Т1494.
-мостовая схема преобразователя позволяет простой заменой транзисторов без переделки схемы управления увеличивать выходную мощность до нескольких киловатт, что делает схему преобразователя унифицированной и пригодной для многих применений;
-упрощается схема фильтра сетевого источника питания, ввиду отсутствия необходимости иметь расщепленный источник питания со средней заземленной точкой, необходимый для питания полумостовой схемы;
-при работе мостовой схемы с импульсами управления без паузы на нуле упрощается фильтрация выпрямленного высокочастотного напряжения – отпадает необходимость применения фильтрующих дросселей и снижаются требования к выпрямительным высоковольтным диодам, так как выходное напряжение пропорционально только числу витков вторичной обмотки и не связано с колебаниями напряжения сети и тока нагрузки, т.е. с изменением скважности.
Схема управления
Схема управления предназначена для управления выходным каскадом преобразователя, для регулировки и стабилизации выходного напряжения, формирования сигналов защиты от перегрузок по выходному напряжению и току нагрузки, мягкого запуска преобразователя, индикации и контроля работы ИП. В качестве схемы управления в настоящее время применяются специализированные интегральные микросхемы ИС, так называемые ШИМ контроллеры, выполняющие указанные выше функции. Для разрабатываемого ИП ШИМ контроллер должен удовлетворять следующим требованиям: осуществлять стандартную функцию преобразования аналог-ширина импульса, иметь возможность осуществлять внешнюю синхронизацию, иметь двухтактный выход, иметь входы для ввода сигналов обратной связи по напряжению и току, входы для управления режимами включения и выключения и другие цепи. Питание схемы управления в мощных и надежных ИП желательно осуществлять от отдельного маломощного стабилизированного источника питания, не связанного гальванически с цепями ВВИП (так называемое ”служебное питание”).
Фирмы разработчики предоставляют большой выбор ШИМ-контроллеров, задача разработчика выбрать наиболее удовлетворяющий всем требованиям технического задания, с целью наименьшего привлечения дополнительных элементов для выполнения необходимых функций.
Наиболее современные ШИМ –контроллеры. Кроме функций регулирования напряжения выполняют также функции улучшения качества электропитания. Примером современного комбинированного ШИМ-контроллера для применения в источниках питания различного назначения является ИС TDA16888-новая разработка фирмы Infineon Technologics (Siemens) в области источников питания.
Интегральная схема (ИС) TDA16888 предназначена для новых поколений источников питания с активной коррекцией коэффициента мощности (ККМ), режимом ожидания и широким диапазоном входного напряжения
TDA16888 предназначена для управления двухступенчатой топологией источника питания, включающей ККМ и ШИМ преобразователи. Внутренние интеллектуальные управляющие ИС, синхронизируют работу ККМ и ШИМ преобразователей, обладают большим количеством встроенных функций управления и контроля, что позволяет минимизировать внешние соединения без значительного ограничения гибкости разработки. ККМ преобразует выпрямленное, несглаженное напряжение сети в регулируемое напряжение промежуточной цепи. Потребляемый сетевой ток регулируется, так что его кривая приближается к форме приложенного сетевого напряжения. Всегда возможно питание постоянным напряжением. Второй ШИМ преобразователь обеспечивает передачу напряжения и потенциальную развязку цепей. Для преобразователя созданы хорошие постоянные условия работы благодаря предварительному регулированию напряжения в промежуточной цепи. В режиме ожидания, ШИМ преобразователь не активен. Топология двухкаскадного преобразователя дает высокую гибкость в пределах предъявляемых требований, мощности и КПД, а также высокий уровень надежности и стойкости по отношению к колебаниям и скачкам питающего напряжения.
Это совершенное исполнение комбинированного контроллера оптимизировано, чтобы обеспечить электромагнитную совместимость, уменьшить системные затраты, реализовать схемные решения для широкого диапазона применений. ИС разработана по правилам FMEA (эффективного анализа повреждений), которые ставят условием, что простой сбой не должен приводить к неконтролируемым выходам из строя и гарантировать риск от пожара.
В настоящее время производители электронных компонентов предлагают разработчикам большой ассортимент активных и пассивных элементов. Проблема разработчика выбрать компоненты, наиболее
Всю элементную базу для ВВИП можно разделить условно на две оптимально удовлетворяющие требованиям на разрабатываемый прибор группы:
1) элементная база низковольтной части ИП, включая электронную часть высокочастотного преобразователя;
2) элементная база высоковольтной части источника, включая
высоковольтный трансформатор преобразователя и высоковольтный выпрямитель.
Разделение на две группы по критерию напряжения (низкое, высокое) не случайно. При выборе элементной базы для низковольтной части ИП для разработчика ВВИП предоставлен широкий спектр комплектующих изделий и поэтому выбор конкретных компонентов, осуществляется, как правило, после выбора структурной схемы низковольтной части ИП. Вариант структурной схемы определяется техническими требованиями, такими как выходная мощность, характер нагрузки, диапазон изменения входного напряжения, требованиями стабильности и регулировки выходного напряжения и т.п. Выбор элементной базы для низковольтной части ИП как правило не представляет значительных трудностей.
Для высоковольтной части источника питания выбор элементной базы имеет свои особенности, и часто структура построения схемы высоковольтной части источника питания зависит от наличия и возможности применения тех или иных высоковольтных компонентов, а именно высоковольтных высокочастотных диодов, высоковольтных высокочастотных конденсаторов и других высоковольтных компонент (резисторы, транзисторы и т.п.). Наличие или отсутствие какого-либо высоковольтного элемента с необходимыми параметрами может повлечь за собой изменение схемы высоковольтной части ИП. От правильного выбора элементной базы зависит надежность источника питания. Поэтому тщательный анализ и выбор элементной базы является наиболее ответственным этапом проектирования высоковольтного источника питания.
3.3 Основные схемы построения импульсных модуляторов
Целесообразно рассмотреть различные варианты построения модуляторов.
В практике разработки УМ применение находят два способа:
- формирование мощного импульса на потенциал земли, и затем передача его на потенциал катода с помощью импульсного трансформатора, обмотки которого изолированы на полный потенциал катода;
- модулирующий импульс формируется на высоком потенциале двумя ключами, которые поочередно подключают сетку к источнику смещения или превышения (так называемая схема “Тандем”), а запускающий импульс с помощью различных развязывающих устройств передается на высокий потенциал. В американской трактовке такую схему называют “плавающая платформа”, имея ввиду что сетка ЛБВ и все с ней связанные
элементы “плавают” от потенциала смещенного до потенциала превышения.
На рисунке 3.6 приведены структурные схемы.
3.6 а) - вариант с импульсным трансформатором.
3.6 б) - вариант “плавающей платформы”.
А)
Б)
Рисунок 3.6 - Варианты импульсных модуляторов.
Ф - формирователь.
Тр - импульсный трансформатор.
Uсм
- источник смещения.
Uпр
- источник превышения.
РУ - развязывающее устройство.
К1 - ключ U+.
К2 - ключ U -.
ПМ - подмодулятор.
Модулятор на импульсном трансформаторе
Схема модулятора приведена на рисунке 3.7.
Рисунок 3.7 - Схема модулятора.
Импульс запуска поступает на вход мощного полевого транзистора. В цепи стока включен повышающий импульсный трансформатор. Напряжение питания полевого транзистора 300В. Во вторичной обмотке формируется импульс амплитудой 1500 В. Диод D открывается и конденсатор Ср заряжается до напряжения 1700 В. При открытом диоде на нагрузке напряжение 0.7 – 1 В. После окончания импульса диод закрывается и отрицательное напряжение емкости Ср перезаряжает входную емкость ЛБВ Свх до величины 1700 В. За время между импульсами емкость Ср разряжается на 150 – 200 В, Однако при напряжениях более 1500 В ЛБВ находится в закрытом состоянии. При поступлении следующего импульса, конденсатор Свх разряжается, диод открывается и конденсатор Свх разряжается , фиксирует напряжение на уровне Uип. Резистор Rогр ограничивает ток заряда конденсатора Сн и обеспечивает прохождение тока через диод в течение всей длительности импульса. Макетирование схемы показало, что при использовании трансформатора на ферритовом сердечнике площадь которого составляла 2 квадратных сантиметра, возможно формирование импульсов со скважностью более 50. Уменьшение скважности приводит к увеличению постоянной составляющей тока через трансформатор и нарушению режима его работы. Дя обеспечения скважности 10 необходимо или устранить постоянную составляющую тока, или увеличить размеры трансформатора.
Модулятор на ключах
Ключи выполняются на лампах и транзисторах.
В российских системах преимущественно используются ламповые ключи, тогда как в зарубежных - почти исключительно транзисторные. Этому есть объяснение.
В зарубежных ЛБВ электрод, называемый сеткой, таковой и является, т.е. представляет собой ажурную мелкоструктурную конструкцию, создание которой требует исключительно высоких технологий. Моделирующее напряжение в такой системе составляет 3,5-4,5 % от Uзс
. Это позволяет использовать транзисторы умеренной высоковольтности. Некоторые российские фирмы сеточные технологии освоили, другие идут более простым и надежным путем: у них сетка представляет собой достаточно массивный управляющий электрод с напряжением 7-7,5 % от Uзс
, но зато не требующий принятия серьезных защитных мер. Логическим продолжением такого подхода является применение разработчиками передатчиков в качестве ключей электровакуумных ламп, также очень стойких к различным нестационарным процессам в блоке. Надо отметить, что “квазисеточные” направления исповедуют разработчики, занятые созданием достаточно массовых систем (тысячи бортов), и многолетний опыт реальной эксплуатации не отмечает проблем с такими конструкциями.
В системах с высокой частотой повторения (сотни кГц) низковольтное управление может оказаться предпочтительнее в силу квадратичной зависимости энергии перезаряда паразитных емкостей от модулирующего напряжения.
Вариант исполнения - по рисунку 3.6.б). В качестве ключей используются модуляторные лампы. Конкретный тип лампы определяется в результате расчета, но предварительно это будет либо тип, упоминающегося в разделе 2 лучевого триода, либо генераторный триод с плоской электродной системой.
Развязывающее устройство выполняется по варианту “пичковый запуск”. Функциональная схема модулятора приведена на рисунке 3.7. Работа схемы ясна из пояснений к рисунку, отметим лишь, что к “плавающей платформе” относятся: катод и сетка К1, анод К2, сетка ЛБВ, ТФ+
, ИП+
, вторичные обмотки Тр1, накальная цепь К1. К этим элементам предъявляются требования дополнительной электропрочности и малой емкости относительно других элементов. Достоинством ламповых модуляторов является надежность ламп при возникновение переходных процессов в высоковольтных цепях питания. К недостаткам следует отнести большие значения паразитных емкостей источников питания, необходимость создания цепей накала. Работа ламп при перезаряде емкостей с сеточными токами затрудняет использование импульсных трансформаторов для формирования управляющих импульсов большой длительности, и требует применения усилителей на входе лампы.
1. В качестве ключей используются полевые транзисторы.
В настоящее время допустимые напряжения сток – исток полевых транзисторов составляют 600 - 700 В. Поэтому в модуляторе необходимо последовательное включение не менее трех транзисторов. Отсутствие токов затвора упрощает формирование управляющего напряжения импульсным трансформатором. Схема требует надежной защиты транзисторов при возникновении переходных процессов в высоковольтных цепях источника питания.
Применение волоконно-оптической линии при построении модулятора.
Волоконно-оптические линии связи находят свое применение в различных областях науки и техники, так как обладают рядом достоинств; широкополосностью, малыми габаритами и весом, помехоустойчивостью, не подвержены электромагнитным влияниям. обладают возможностью электрического разделения передающего и приемного оборудования. Оптическая линия предназначена для управления высоковольтными ключами и осуществляет оптическую развязку схемы управления и импульсных ключей, предназначенных для формирования коротких высоковольтных импульсов. Структурная схема оптической линии (рис.3.8) состоит из передающего оптического модуля (ПОМ),оптического разветвителя (ОР) и 4-х приемных оптических модулей (ПрОМ).
Рисунок 3.8 - Структурная схема оптической линии.Сигнал управления подается на передающий оптический модуль, где происходит преобразование электрического сигнала в оптический.
Рисунок 3.9 - Принципиальная схема передающего модуля
Принципиальная схема передающего модуля приведена на рисунке 3.9. Модуль выполнен на основе светодиода фирмы Неw1еtt Расkard (HFBR-1412T), который обеспечивает передачу в линию среднюю мощность-13дБм.Сигнал с уровнем ТТЛ подается на микросхему типа 1554ЛИТ ( или другую подобного типа), и затем с выход элементов D1.2...D1.4,через ограничивающие резисторы и корректирующую цепочку под R4C1 подается на светодиод который преобразует электротехнический сигнал в оптический.
Оптический сигнал подается в оптическом разветвителе, который представляет собой четыре оконцованных разъемами типа FC волоконных оптических световода с диаметром сердцевины 50 мкм, объединенных в однм соединении типа FC. Таким образом от световода , который имеет соеденитель типа FC, оптический сигнал вводится в четыре волоконных световода и подается на фотодетекторы оптических приемных модулей (ПрОМ).
Приемные оптические модули выполнены по однотипной схеме приведенной на рисунке 3.10.
Рисунок 3.10 - Приемный оптический модуль.В качестве фотодетектора использован p-i-n фотодиод.
Преобразованный p-i-n фотодиодом оптический модуль усиливается двумя однотипными усилительными каскадами , выполненными на основе операционных усилителей с токовой обратной связью типа АД8005 и низким потреблением .
Во второй каскад введена нелинейная обратная связь, которая выполняет функции АРУ при больших входных сигналах и выполнена на диодах с барьером Шотки КД922А.
Далее сигнал формируется ключевым каскадом на транзисторе КТ371 и инвертором микросхемы 15543ЛА3.
Оптическая шина имеет следующие параметры:
Длительность входного и выходного импульса - 100...30000 нс;
Фронт нарастания и спада входного импульса не более 10нс;
Время задержки выключения не более -20 нс;
Входные и выходные уровни соответствуют уровням ТТЛ;
Ток потребляемый приемной стороной - 470мкА;
Допустимая разность потенциала между передатчиком и приемником линии не менее-50кВ.
4. Расчет электрический основных узлов источника питания
4.1 Расчет низковольтного трансформатора
Конструктивные параметры трансформаторов выбираются из условия обеспечения допустимого падения напряжения на обмотках и допустимого перегрева обмоток.
В диапазоне частот от 50 Гц до 10 кГц используются стали ,свыше 10 кГц – фериты ,от 5 кГц до сотен килогерц – сплавы.
Трансформатор содержит две первичные полуобмотки ,на которые подается напряжение U1 ,две выходные обмотки , с которых снимаются напряжения U2 и U3.
Частота принята равной 50 кГц.
Напряжение U1 на первичных полуобмотках определяется входным напряжением источника электропитания и равно 132 В
Напряжения на второй и третьей обмотках заданы с учетом падения напряжения на диодах выходных выпрямителей :U2 = 4В; U3 = 100В.
Токи второй и третьей обмоток заданы : I2 = 1.5A;I3 = 0.5 А .
Диапазон температур от –50 до +65 С.
Последовательность расчета
1. Выходная мощность трансформатора
Р2= U2 / I2 + U3 / I3 = 4 • 1.5 + 100 • 0,5 = 56 В • А. (1)
2.Принимаем КПД трансформатора на базе статистических данных = 0,99. Тогда входная мощность трансформатора
Р1 = Р2 / = 56 / 0,99 = 56.56 В*А. (2)
3. Входной ток трансформатора
I1 = Р1 / U1 = 56.56 / 132 = 0.42 А. (3)
Округляем значение входного тока: I1 = 0.5 А.
4. По значениям входной мощности P1 = 56.56 В • А и частоты f = 50 кГц выбираем из таблицы 4.2 типоразмер магнитопровода Ш12х15 марки М2000НМ1-14. Образец записи в технической документации: «Сердечник замкнутый М2000НМ1-14 ШГ2 х 15 ОЖО.707.140 ТУ».
Площадь поперечного сечения выбранного магнитопровода
Q = (12 х 15) мм = 1,8 см (4)
6. Площадь поперечного сечения провода обмотки определяется допустимой плотностью тока :
q = I / (5)
Для выбранного магнитопровода из таблицы 4.1 определяем допустимую плотность
< 4,4 А / мм.
6.1. Для первых полуобмоток принимаем = 2 А/мм. Тогда сечение провода первой обмотки
q1 = I1 / 1 = 0.5 / 2= 0.25 мм. (6)
В качестве обмоточного выбираем провод марки ПЭТВ-2 (таблица 4.1). Для увеличения коэффициента заполнения окна магнитопровода и снижения потерь мощности берем два провода с диаметрами по меди (d = 0,8 мм (сечение 0,5 мм) и по изоляции с d = 0,88мм.
6.2. Для второй обмотки принимаем 2 = 2,4 А/мм. Тогда сечение провода второй обмотки
q2 = 1.5 / 2,4 = 25 мм. (7)
Таблица 4.2 -Параметры провода ПЭТВ-2
Диаметр провода по
Меди, мм
|
Номинальное сечение провода, мм^ |
Диаметр провода по изоляции, мм
|
0.1
|
0,00785
|
0,128
|
0,112
|
0,00985
|
0,14
|
0,125
|
0,01227
|
0,154
|
0,14
|
0,01539
|
0.17
|
0,16
|
0,02011
|
0,198
|
0,18
|
0,02545
|
0,22
|
0,2
|
0,03142
|
0,24
|
0,224
|
0,03939
|
0.264
|
0,25
|
0,04909
|
0,3
|
0,28
|
0,06154
|
0,33
|
0,315
|
0,07789
|
0,364
|
0,355
|
0,09893
|
0,414
|
0,4
|
0,1256
|
0,46
|
0,45
|
0,15896
|
0,51
|
0,5
|
0,19625
|
0,56
|
0,56
|
0,24618
|
0,63
|
0,63
|
0,31157
|
0,7
|
0,71
|
0,39572
|
0,79
|
0,75
|
0,44156
|
0,83
|
0,8
|
0,50265
|
0,88
|
0,85
|
0,56716
|
0,937
|
0,9
|
0,63617
|
0,99
|
0,95
|
0,70846
|
1,04
|
1,0
|
0,7854
|
1,09
|
1,06
|
0,88203
|
1,15
|
1,12
|
0,9852
|
1,21
|
1,18
|
1,09303
|
1,27
|
1,25
|
1,2272
|
1,35
|
1,32
|
1,36778
|
1,42
|
1,4
|
1,5394
|
1,5
|
1,5
|
1,7671
|
1,6
|
1,6
|
2,0096
|
1,71
|
1,7
|
2,26865
|
1,81
|
1,8
|
2,5434
|
1,91
|
1,9
|
2,83365
|
2,01
|
2,0
|
3,14
|
2,12
|
2,12
|
3,5281
|
2,24
|
2,24
|
3,93882
|
2,36
|
2,36
|
4,37214
|
2,48
|
2,5
|
4,90625
|
2,63
|
Для второй обмотки выбираем ленту медную ГОСТ 1173-77 с поперечными размерами 25 х 1 мм.
6.3. Для третьей обмотки принимаем = 2,55 А/мм. Тогда сечение провода третьей обмотки
q3 = 0,5 / 2,55 = 0,196 мм2. (8)
Этому сечению соответствует провод с диаметром по меди dм3 = 0,5 мм и диаметром по изоляции dиз3 = 0,56 мм.
7. Число витков первой полуобмотки
n1 = U1 * 10 / 4 * Kф * f *B * Q (9)
где Kф — коэффициент формы трансформируемого напряжения (для синусоиды Kф = 1,11, для меандра Kф — 1).
Согласно табл. 4.2 индукция в выбранном магнитопроводе при частоте 50000 Гц не должна превышать 0,16 Тл. Принимаем значение индукции меньше допустимого приблизительно на 30 %: В — 0,115 Тл.
Тогда число витков
n1 = 132 * 100000 / 4 * 1 * 50000 * 0,115 * 1,8 = 31.99
Для удобства расположения выводов первичной полуобмотки принимаем
n1 = 32,5 витка.
8. Значение напряжения, приходящегося на один виток первичной полуобмотки,
e1= U1 / n1= 132 / 32.5 =4.06 B/виток (10)
9. Число витков второй обмотки
n2 = U2 * м2 / e1 (11)
где м2 — коэффициент, учитывающий падение напряжения на второй обмотке.
Согласно табл. 4.2 для выбранного магнитопровода падение напряжения
U < 3 %. Принимаем U2 = 0,5 %. Для этого значения коэффициент м2 = 1,005. Тогда число витков
n2 = 4 * 1.005 / 4.06 = 0,98 витка.
Округляем полученное значение: n2 = 1 виток.
10. Число витков третьей обмотки
n3 = U3 * m3 / e1 (12)
Для третьей обмотки принимаем
U3 = 0,4 % и m3 = 1,004. Тогда число витков
n3 = 100 / 1.004 = 24.7 витка.
Округляем число витков: n3 = 25 витка.
11. Число витков, размещаемых в одном ряду. Обмотки размещаются на изолирующем каркасе.
11.1. В первичной полуобмотке
b1 = Lн * Ку1 / d из1 (13)
где Lн — размер из рис. 3.22;
Ку1 — коэффициент укладки провода первой обмотки.
Принимаем Kу1 = 0.95
Для выбранного магнитопровода Lн = 27 мм. Тогда
b1 = 27 * 0.95 / 0.88 = 29,148 витка.
Число витков округляем в меньшую сторону: b1 = 29 витков.
11.2. Во второй обмотке согласно п. 9 имеем
b2 — 1 виток. (14)
11.3. В третьей обмотке
b3 = Lн * Ку3 / d из3 (15)
где Ку3 — коэффициент укладки провода третьей обмотки.
Принимаем Ку3 = 0,93. Тогда число витков в одном ряду третьей обмотки
b3 = 27 * 0.93 / 0.56 = 44.84
Принимаем b3 = 44 (округляем в сторону меньших значений).
12.Число слоев в обмотках
12.1. В первой обмотке число слоев
N1 = (n1 * Кпр / b1) * v , (16)
где v = 2 — число полуобмоток.
Коэффициент Kпр учитывает количество параллельных проводов, используемых при изготовлении обмотки.
Согласно п. 6.1 имеем Кпр = 2. Тогда
N1 = (32.5 * 4 / 29) * 2 = 4.48
Число слоев округляем в сторону больших значений: N1= 5.
12.2. Во второй обмотке согласно п. 9 число слоев N2 = 1.
12.3. В третьей обмотке число слоев
N3 = n3 / b3 = 25 / 44 = 0.57 (17)
Третью обмотку размещаем в незаполненном слое первой обмотки с промежутком 5 мм от крайнего витка первой обмотки.
Размеры обмоток по высоте намотки
Высота i- и обмотки ; i = 1; 2; 3.
h i = [N i * d из + (Ni- 1) * i ] * Крi, (18)
где Кр — коэффициент разбухания обмотки;
— толщина межслоевой изоляции (табл. 3.7); г = 1; 2; 3.
13. 1. У первой обмотки
h 1 = [N 1 * d из1 + (N1- 1) * 1 ] * Кр1 , (19)
= 0,12 мм — толщина слоя изолирующей бумаги марки К-120. Принимаем коэффициент разбухания Кр1 = 1,15. Таким образом,
h1= [5 • 0,88 + (5 - 1) • 0,12] • 1,15 = 5,612 мм.
У второй обмотки
h2 = [N 2 * d из2 + (N2- 1) * 2 ] * Кр2 , (20)
Принимаем коэффициент разбухания Кp2 =1,2 мм. Таким образом,
h2 = [1 . 1 + ( 1 - 1) . 0,12] • 1,2 = 1,2 мм.
13.3. У третьей обмотки
h 3 = [N 3 * d из3 + (N3- 1) * 3 ] * Кр3 , (21)
3 = 0,12 мм.
Принимаем коэффициент разбухания Кр3 = 1,1. Таким образом,
h3 = [1 -0,56 + (1 - 1)-0,12] * 1,1 = 0,616 мм.
Изолирующие зазоры в конструкции катушки Воздушный
зазор между магнитопроводом и каркасом составляет обычно 0,4. . .0,5 мм. Выбираем зазор равным 0,4 мм. Толщина каркаса определяется размерами магнитопровода и значением испытательного напряжения. Для приведенных выше условий она принята hк = 0,8 мм.
Межслоевая и межобмоточная изоляция выбирается в соответствии с рекомендациями, помещенными в таблице 4.3.
Между каркасом и первой обмоткой помещены два слоя изоляционной бумаги марки К-120 (толщина двух слоев 0,12 ммх2=0,24 мм) и один слой пленки марки ПЭТ-Э толщиной 0,012 мм. Так же выполнены изоляция между первой и второй обмотками и внешняя изоляция. Кроме того, дополнительно снаружи помещается слой ленты из бумаги К-120 (толщина слоя 0,12 мм).
Таким образом, суммарная толщина изоляции hк-1 между каркасом и первой обмоткой равна 0,252 мм. Такая же толщина изоляции h1-2 = 0,252 мм между первой и второй обмотками. Толщина внешней изоляции
hвн = 0,252 + 0,12 = 0,372 мм. (22)
15. Толщина катушки, включающая в себя обмотки, каркас и электроизоляционные зазоры,
h = 0,4 + 0,8 + 0,24 + 0,012 + 5,612 + 0,24 + 0,012 +1,2+ +0,24 +
0,012+0,12 = 8,888 мм. (23)
Таблица 4.3- Рекомендации по выбору межслоевой и межобмоточной изоляци и расчетных коэффициентов
Иаметр провода по изоляции с dиз,
Мм
|
Коэффициент укладки провода Kу |
Коэффициент разбухания
Kp
|
Наименование межслоевой изоляции |
Толщина межслоевой изоляции
Мм
|
ГОСТ на
Бумагу
|
0,07. ..0.20
|
0.83
|
1,1
|
Бумага конденсаторная марки КОН-2
|
0,022
|
ГОСТ
1908-88
|
0,21. ..0.28
|
0,86
|
1.1
|
0,022
|
0,30... 0,38
|
0.92
|
1,1
|
Бумага электроизоляционная намоточная марки ЭН-50
|
0,050
|
ГОСТ
1931-80
|
0,41.. .0,64
|
0,93
|
1,1
|
0,050
|
0.66... 0.99
|
0,95
|
1,15
|
Бумага кабельная марки К-120
|
0,120
|
ГОСТ 23436-83
|
Более 0,99
|
0,87
|
1,15
|
0.120
|
Полученное значение h меньше минимального размера окна маг-литопровода hо = 9 мм, что обеспечивает размещение катушки в окне.
16. Длины средних витков обмоток
16.1. Длина среднего витка первой обмотки
Lср1 = 2а + 2с + 2п(гк + hk-1 + h1/2) = 2 • 12,8 + 2 • 16 + 2п(1,2+ +0,252 + 5,612/2) = 84,353 мм. (24)
16.2. Длина среднего витка второй обмотки
Lср2 = 2а + 2с + 2п(гк + hk-1 + h1 + h1-2 + h2/2) = 2 • 12,8 + 2 • 16 + 2п(1,2 + 0,252 + 5,612 + 0,252 + 1,2 / 2) = 107,336 мм. (25)
Длина среднего витка третьей обмотки
Lср3 = Lср1 = 84,353 мм (26)
17. Сопротивление обмоток постоянному току при температуре окружающей среды tос = +20°С.
Сопротивление первой обмотки
R1 = * Lср1 * 2 * n1 / q1 (27)
где — удельное электрическое сопротивление медного провода, равное 0,0175 Ом • мм2/м;
q1 — сечение провода первой обмотки из п. 6.1 (два провода по 0,5 мм2);
R1 = 0.0175 * 84.353 * 0.001* 2 * 32.5 / 1= 0.096 Ом
17.2. Сопротивление второй обмотки
R2 = * Lср2 * n2 / q2 = 0,0175 * 107,336 * 0.001 * 1 / 25
=0.000075 Ом (28)
17.3. Сопротивление третьей обмотки
R3 = * Lср3 * n3 / q3 = 0,0175 * 84.353 * 0.001 * 2.5 / 0.196 =0.0187 Ом (29)
18. Сопротивление обмоток переменному току
R_i = K_i * Ri (30)
где K_i — коэффициент увеличения активного сопротивления от частоты f, определяемый по i — 1; 2; 3.
18.1. Сопротивление первой обмотки
R_1 = К_1 *R1 = 1,18 • 0,096 = 0,113 Ом, (31)
где К_ определен для d = 0,8 мм при частоте f = 50 кГц.
18 2 Сопротивление второй обмотки
R_2 = К_2 * R2 = 1,18-7,5 * 10-5 = 8,85 * 10-5 Ом, (32)
где К_определен для d = 1,0 мм. при частоте f = 50 кГц.
18.3. Сопротивление третьей обмотки
R_3 = К_3 * R3 = 1,05-0,0183 = 0,0192 Ом. (33)
Масса меди обмоток
Масса первой обмотки
M1 = Lср1 * n1 * q1 * y (34)
где y — удельная масса медного провода, равная 8,9 г/см;
М1 = 84,353 * 0.1(2 * 32,5) - 1 – 0.01 - 8,9 = 0,0488 кг.
19.2. Масса второй обмотки
M2 = Lср2 * n2 * q2 * y= 107,336 * 0.1 * 1 * 25 * 0.01 * 8,9=
= 0,0239 кг. (35)
19.3. Масса третьей обмотки
M3 = Lср3 * n3 * q3 * y= 84,353 * 0.1 * 2,5 * 0,196 * 0.01 * 8,9 = =0,00037 кг. (36)
Суммарная масса меди обмоток
М = М1 + М2 + М3 = 0,0488 + 0,0239 + 0,00037 = 0,073 кг. (37)
20.Потери в меди обмоток
Рм = К * I * R_i (38)
где К — температурный коэффициент сопротивления, учитывающий температуру перегрева обмотки относительно температуры окружающей среды
t ос = 20° С ; i = 1; 2; 3;
Кz = 1 + Y * Z (39)
Для меди коэффициен Y= 0,004 1/°С. Задаемся допустимым значением нагрева обмоток Zдоп = 90°С. Тогда перегрев относительно температуры окружаюіцей среды +20°С составит
Z = 90 - 20 = 70° С (40)
и температурный коэффициент
Кz = 1+0,004*70= 1,28;
Рм1 = Кz * І1 * R_1 = 1,28 • 22 • 0,113 = 0,578 Вт: (41)
Рм2 = Кz * І2 * R_2 = 1,28 • 1.5• 8,85 • 10-5 = 0,408 Вт: (42)
Рм3 = Кz * І3 * R_3 =1,28*0,5 *0,0192=0,006 Вт. (43)
Суммарные потери в медм обмоток
Рм = Рм1 + Рм2 + Рм3 = 0,578 + 0,408 + 0,006 = 0,992 Вт. (44)
21. Потери в феррите магнитопровода .
Рф = Руд * Gф, (45)
где Руд — удельные потерм в магнмтопроводе, определяемые по фор-муле
Руд = Ро ( t / f ‘) * ( Bm / Bm’) (46)
где f ‘= 1 кГц — базовое значение частоты;
В’ = 1 Тл — базовое значение индукции;
Ро, — коэффициенты, полученные из экспериментальных данных ;
Gф — масса магнитопровода, равная суммарной массе двух Ш-образных деталей:
Gф = 0,046 кг * 2 = 0,092 кг.
Из табл. 4.2 находим для феррита маркм М2000НМ1 Ро = 68 Вт/кг;
Значение рабочей частоты f = 50 кГц берем из исходных данных, значение индукции Вm = 0,115 Тл — согласно п. 7. Таким образом,
Руд = 68(50/1) (0.115/1) = 17,427 Вт/кг;
Рф = 17,427 • 0,092 = 1,603 Вт.
22. Потери в трансформаторе
Ртр = Ры + Рф = 0,992 + 1 ,603 = 2,595 Вт. (47)
23. Проверяем значение КПД на основании полученных' расчетных значений мощностей:
= Р2 / (Р2 + Ртр) = 245/(245 + 2,595) = 0,9895. (48)
Таким образом, значение КПД принято в п. 2 с достаточно хорошим приближением и изменения его не требуется.
24. Уточняем значение входного тока трансформатора. Активная составляющая тока холостого хода
Iхха = Рф / U1 = 1,603 / 132 = 0.0121 А. (49)
Реактивная составляющая тока холостого хода
Iххр = H * Lсрф / n1 (50)
где Н = В / , В = 0,115 Тл берется из п. 7;
= 4п * 10-7 Гн/м;
= 1655 — эквивалентная магнитная проницаемость, определяемая из табл. 4.2 для магнитопровода Ш12х15;
Lсрф = 9,67 см — длина средней линии магнитопровода Ш12х15 из табл. 4.2:
H = 0.115 / 4п * 1655 = 55,13 А /м = 0,5513 А / см ;
Iххр = 0.5513 * 9.67 / 32.5 = 0,164 А.
Ток холостого хода трансформатора
Iхх = =0,164 А. (51)
Уточненное значение входного тока
I1ут’ =  =1,882 А. (52)
Учитывая возможные отклонения от технологии сборки, принимаем Іхх = 0,18 А. Окончательное уточненное значение входного тока
Iут’’ = 2,1 А.
25.Определяем падения напряжения на обмотках трансформатора. Падение на первой обмотке
U1 = Kz * Iут1’’ * R_1 = 1,28 * 2.1 * 0,113 = 0,303 В. (53)
Падение на второй обмотке
U2 = Kz * Iут1’’ * R_2 = 1,28 * 1.5 * 8,85 * 10-5 = 0,0068 В. (54)
Падение на третьей обмотке
U3 = Kz * Iут3’’ * R_3 = 1,28 * 0,5 * 0,0192 = 0,0123 В. (55)
В процентном выражении:
U1% = U1 / U1* 100 % = 0.229 %; (56)
U2% = U2 / U2* 100 % =0,17%; (57)
U3% = U3 / U3* 100 % = 0,123 %. (58)
Проверяем принятые в пп.7 и 10 значения падений напряжений. Для этого определяем приведенные падения напряжения U1-2% (на обмотках 1 и 2} и U1-3% (на обмотках 1 и 3 ):
U1-2% = U1% + U2% = 0,229 + 0,17 = 0,399 %: (59)
U1-3% = U1% + U3% = 0,299 + 0,123 = 0,352 %. (60)
Полученное значение U1-2% меньше значения 0,5 %, принятого в п.9, а значение U1-3%, меньше значения 0,4 %, принятого в п.10. Таким образом, принятые значения падений напряжений и, следовательно, число витков не требуют уточнения.
5. ОХРАНА ТРУДА И ЭКОЛОГИЧЕСКАЯ БЕЗОПАСНОСТЬ
Обеспечение защиты от электромагнитных полей при эксплуатации усилителя мощности миллиметрового диапазона длин волн
5.1 Влияние на организм человека электромагнитных полей радиочастотного диапазона
В результате научно - технического прогресса широкое применение и промышленности, науке и быту в последние десятилетие получила электромагнитная энергия различных диапазонов частот. Так, энергия высоких и ультравысоких радиочастот широко применяются в радиосвязи, радиовещании, телевидении, в промышленных установках и так далее. Электромагнитная энергия сверхвысоких частот (СВЧ) получила широкое применение в радиолокации, радионавигации, радиоастрономии и так далее. Кроме того, дальнейшее совершенствование новых типов СВЧ - генераторов позволит в ближайшем будущем применять энергию СВЧ - диапазона в радарных системах транспортных средств для предупреждения столкновений, в дорожных системах сигнализации, в опорных воздушных линиях связи и линиях электропередач, в мощных системах наземной и спутниковой связи и других [8].
В связи с этим значительное влияние на электромагнитный фон Земли, который ранее формировался главным образом за счет естественных источников космического, земного и околоземного происхождения, стали оказывать искусственные источники электромагнитного поля (ЭМП). В результате уже в настоящее время практически все население земного шара в большей и меньшей степени подвергается воздействию надфоновых уровней ЭМРЦ [9].
В процессе эволюционного развития все живые существа на Земле приспосабливались к определенным изменениям природных электромагнитных полей и по мнению большинства исследователей вынуждены были вырабатывать по отношению к ним не только защитные механизмы, но н в какой-то степени включать их в свою жизнедеятельность. Поэтому увеличение или уменьшение параметров ЭМП, значительно отличающихся от адекватных, могут вызывать в организмах функциональные сдвиги, в ряде случаев перерастающие в патологические. О биологической значимости ЭМП свидетельствуют как давние наблюдения, так и экспериментальные исследования последних лет на различном уровне организации биологических систем. При этом установлено, что воздействие искусственных ЭМП на биообъекты обусловлено не только энергетическими, но и информационными его характеристиками, вызывая тепловое и нетепловое действие.
Исследования по изучению влияния ЭМП радиочастотного диапазона на организм человека выявили определенные функциональные сдвиги со стороны нервной, сердечно - сосудистой, дыхательной системы, изменения показателя крени, обмена веществ и некоторых функций эндокринных желез [10].
При обследовании больших контингентов людей в производственных условиях установлено, что количество и частота жалоб на ухудшение самочувствия возрастает с увеличением профессионального стажа, причем при хроническом облучении более ранние и более выраженные реакции обнаруживаются со стороны нервной системы. Психоневрологические симптомы появляются в виде постоянной головной боли, повышенной утомляемости, слабости, нарушения сна, повышенной раздражительности, ослабления памяти и внимания. Иногда наблюдаются приступообразная головная боль, побледнение кожных покровов и обморочное состояние. Прн длительном воздействии СВЧ - излучений могут иметь место изменения в крови, помутнение хрусталика, трофическое заболевания (выпадения волос, похудение, ломкость ногтей и так далее).
Таким образом, признанная биологическая значимость ЭМП, все возрастающая роль искусственных источников ЭМП в формировании электромагнитной обстановки в производственной и окружающей среде являются важной предпосылкой для освоения будущими специалистами и руководителями производств методик гигиенической оценки и прогнозирования обстановки в рабочей зоне и жилой территории, определения санитарно - защитных зон и других инженерно - технических мероприятий по снижению вредного воздействия ЭМП на организм человека
5.2 Технические устройства, организационные и лечебно- профилактические мероприятия
Прн выборе защиты персонала или населения от электромагнитных излучений необходимо учитывать особенности производства, условия эксплуатации оборудования, рабочий диапазон частот, характер выполняемых работ, интенсивность поля, продолжительность облучения и другое.
Согласно ГОСТУ для снижения интенсивности поля в рабочей или жилой зоне рекомендуется применять различные инженерно технические способы и средства, а также организационные и лечебно - профилактические мероприятия.
В качестве инженерно - технических методов и средств применяются: экранирование излучателей, помещений , рабочих мест; уменьшение напряженности и плотности потока энергии в рабочей или жилой зоне за счет уменьшения мощности источника и использования ослабителей мощности и согласованных нагрузок, применения средств индивидуальной защиты.
Организационные мероприятия включают в себя: требования к персоналу (возраст, медицинское освидетельствование, обучение, инструктаж), выбор рационального взаимного размещения в рабочем помещении оборудования, излучающего электромагнитную энергию, и рабочих мест; установление рациональных режимов работы оборудования и обслуживающего персонала; ограничения работы оборудования во времени; защита расстоянием; удаление рабочего места от источника ЭМП; защита временем; применение средств предупреждающей сигнализации.
Лечебно - профилактические мероприятия направлены на предупреждение заболевания, которое может быть вызвано воздействием ЭМП, а также на своевременное лечение работающих при обнаружении заболевания.
Для предупреждения профессиональных заболеваний у лиц, работающих в условиях ЭМП, применяются такие меры, как предварительный (для поступающих на работу) и периодический (не реже одного раза в год) медицинский осмотр за состоянием, а также других мер, способствующих по повышению устойчивости организма человека к действию ЭМП.
Медицинский контроль позволяет выявить людей с такими патологическими изменениями в организме, при которых работа и условиях облучения ЗМП противопоказана, и определить необходимость проведения лечения.
К мероприятиям, способствующим повышению резистентности организма человека к ЭМП, могут быть отнесены регулярные физические упражнения, рационализация времени труда и отдыха, а также использование некоторых лекарственных препаратов и общеукрепляющих витаминных комплексов.
5.3 Применение электромагнитных помещенй и замкнутых экранов для защиты от электромагнитных полей
Для локализации ЭМП внутренних источников применяются электрогерметичные помещения, аппаратные и кабины, представляющие собой замкнутые электромагнитные экраны. В таких помещениях экранируется стены, потолки, пол, оконные и дверные проемы и вентиляционные системы. Такие помещения и кабины могут использоваться для защиты и от внешних полей.
Монтаж экранов в больших помещениях производится прикреплением металлических листов (стальных, дюралюминиевых и других) непосредственно к поверхностям помещения. Размеры листов обшивки и их толщена определяются сортаментом прохода Для достижения электрической герметичности рекомендуется листы соединить внахлест, встык или в фалец.
При экранировании используются такие явления, как поглощение электромагнитной энергии материалом экрана и её отражение от поверхности экрана. Поглощение ЭМП обуславливается тепловыми потерями в толще материала и зависит от электромагнитных свойств материала экрана (электрической проводимости, магнитной проницаемости и др.). Отражение обуславливается несоответствием электромагнитных свойств воздуха и материала экрана.
Для изготовления экранов применяют либо тонкие металлические (сталь, алюминий, медь, сплавы) листы, либо металлические сетки.
Толщина экрана (D) из металлического листа выбирается, исходя из соображений механической прочности, не менее 0,5 мм, и должна быть больше глубины проникновения электромагнитных волн в толщину экрана:
(5.1)
где г- глубина проникновения поля в проводящую среду;
μ-магнитная проницаемость материала, Гн/м;
σ- электрическая проводимость материала, см.
Большая отражательная способность металлов, обусловленная значительным несоответствием электромагнитных свойств воздуха и металла, в ряде случаев может оказаться нежелательной, так как может увеличивать интенсивность поля в рабочей зоне и влиять на режим работы генератора (излучателя). Поэтому в подобных случаях следует применять экраны с малым коэффициентом отражения специальной конструкции, так называемые поглощающие экраны.
Металлические экраны за счёт отражения и поглощения практически непроницаемы для электромагнитной энергии радиочастотного диапазона (d≥λ,где λ-длина волны).
Применение поглощающих нагрузок и аттенюаторов позволяет ослабить интенсивность излучения электромагнитной энергии в окружающее пространство на 60 дБ и более.
Для защиты от ЭМП при работе в антенном поле, проведении испытательных и регулировочных работ на объектах, устранении аварийных ситуаций и ремонте рекомендуется использование индивидуальных средств защиты. Для защиты всего тела применяются комбинезоны, халаты капюшоны. Их изготавливают из трёх слоев ткани. Внутренний и наружный слой делают из хлопчатобумажной ткани, а средний, защитный слой- из радиотехнической ткани, имеющей проводящую сетку. Для защиты глаз используются специальные радиозащитные очки (ОРЗ-5) из стекла, покрытого полупроводниковым оловом. Эффективность таких очков составляет 20-22 дБ.
5.4 Оценка уровня электромагнитного излучения на рабочем месте
Оценим уровень электромагнитного излучения на рабочем месте регулировщика радиоаппаратуры от генератора мощностью 0.1 Вт, работающего в диапазоне частот 3-4 ГГц, с точки зрения необходимости разработки мероприятий по защите персонала, если рабочее место удалено от источника излучения на расстояние 1м, а продолжительность пребывания персонала в условиях облучения за смену не превышает б часов.
Оценка уровня поля осуществляется сравнением значений плотности потока энергии на рабочем месте (так как генератор работает в диапазоне СВЧ) и предельно допустимым.
Плотность потока энергии на рабочем месте можно рассчитать по формуле:
ЛПЭр.м≈Рист/4π, Вт/м2 (5.2)
где Рист.- мощность генератора, Вт;
ч - расстояние от излучения до рабочего места,1м.
ППЭр.м ≈.0.1/(4•3,14•1)=2,35, Вт/м2.
Предельно допустимое значение плотности потока энергии, определяется по формуле:
ППЭпд=К•ЭНппз/Т,Вт/м2, (5.3 )
где К- коэффициент, равный 1, для данного условия;
Эпппз пз- максимальная энергетическая нагрузка, равна 2Вт/м2;
Т - время облучения персонала , по условиям задачи, равно бч.
ППЭпд= 1•2/6-= 0,33, Вт/м2.
Сравнивая значения ППЭ на рабочем месте (2,35 Вт/м2) и предельно допустимое (0,33 Вт/м2) делаем вывод о том, что защита персонала в данном случае необходима, так как фактическое значение ППЭ, воздействующее на регулировщика , в 3 раз превышает предельно допустимые.
Для достижения высокой эффективности экранирования рекомендуется элементы конструкции экрана сваривать непрерывным швом или применять другие сплошные соединения.
Для защиты персонала будем применять вышеописанные методы до того момента пока уровень излучения на рабочем месте не будет иметь допустимых значений.
В ряде случаев во избежание отражения энергии, образования стоячих волн и зон, где плотность ЭМП излучения может оказаться больше первоначальной плотности потока энергии создаваемой источником, стены и другие ограждающие конструкции таких помещений должны быть покрыты поглощающими материалами. В случае направленного излучения допускается применение поглощающего покрытия только тех стен, на которые направленно излучение.
При защите помещений от внешних излучений применяется склеивание стен специальными металлизированными обоями, засетчивание окон, использование специальных металлизированных штор и далее. Дпя изготовления экранных штор, чехлов и других защитных изделий, также как н для изготовления защитной одежды применяется радиотехнические ткани, в структуре которых тонкие металлические нити образуют сетку.
В качестве экранирующего материала для световых проемов, приборных панелей, смотровых окон, также как и для защитных очков применяется оптически прозрачное стекло, покрытое полупроводниковой двуокисью олова. Световые проемы или смотровые окна могут также экранироваться металлической сеткой.
При конструировании замкнутых экранов в диапазоне СВЧ иногда возникает необходимость предусматривать в них различного рода отверстий: вентиляционные окна, отверстия для проводов питания, ручек управления и так далее которые не должны нарушать электрическую герметичность экрана и снижать его эффективность.
Для ослабления излучаемой энергии через отверстия различной формы без металлических выводов через них применяются трубки предельных волноводов (по форме отверстия экрана), длины которых определяются в зависимости от необходимой величины ослабления энергии и ослабляющей способности трубки.
Коаксиальные отверстия в отличие от отверстий типа "предельный волновод " практически беспрепятственно проводят высокочастотную энергию в любом диапазоне. Один из способов ослабления излучения в коаксиальных выводах являются заполнение пространства между центральным и наружным проводниками поглощающим материалом -корбональным железом, графитом и так далее).
Просачивание высокочастотной энергии через коаксиальные отверстия можно уменьшить также путем применения специальных фильтров, простейшим из которых является фильтр, основанный на соединении встык двух коаксиальных линий с резко отличающимися волновыми сопротивлениями. Одна такая стыковка коаксиальных кабелей обеспечивается затухание по мощности более 10 дБ.
Более эффективным способом экранирования щелей в широком диапазоне частот является применением поглощающих прокладок по всей длине щели, либо обеспечение плотного электрического контакта по всему периметру щели.
6. Технико-экономическое обоснование
6.1 Характеристика технико-экономического обоснования проекта
Разрабатываемый усилитель мощности миллиметрового диапазона длин волн предназначен для усиления сигнала и передачи его на определенное расстояние. Существенным преимуществом является тот факт, что устройство работает в новом диапазоне длин волн .
Значение экономического обоснования целесообразности разработки, внедрения и использования новой техники особенно возрастает в условиях рыночной экономики.
Учитывая тот факт, что моральное старение электронной техники происходит очень быстро, следует отметить, что период производства данного изделия не должен превышать трех, четырех лет [11].
Проблем материально-технического обеспечения ресурсами всех видов (оборудование, кадры, материалы) не предполагается. При эффективном функционировании предприятия возможно производство приемо-передающего модуля на протяжении нескольких лет. В качестве расчетного периода выберем срок два года. Так как проектируемый модуль представляет собой основную часть всей системы, то технико-экономический расчет целесообразно вести для всей системы сразу.
6.2 Определение сметной стоимости НИОКР
Смета затрат на проведение научно исследовательской работы рассчитывается по следующим статьям:
- материалы и комплектующие;
- спецоборудование;
- расходы на оплату труда;
- налоги и отчисления, приравненные к материальным затратам;
- командировочные расходы;
- амортизация на полное восстановление основных фондов;
- услуги сторонних организаций;
- прочие расходы;
- накладные расходы.
Расчет основной заработной платы выполним на основе длительности разработки (6 мес.), количества занятого научно-технического персонала и величины среднемесячной заработной платы (таблица 6.1).
Таблица 6.1- Расчет основной заработной платы
| Исполнители |
Количество, чел |
Длительность разработки, мес. |
Среднемесячная ЗП, тыс. руб. |
Сумма основной ЗП, тыс. руб. |
| Научный руководитель проекта |
1 |
6 |
150 |
900 |
| Ответственный исполнитель проекта |
1 |
6 |
130 |
780 |
| Инженер |
2 |
6 |
100 |
1200 |
| Техник |
1 |
6 |
75 |
450 |
| Всего |
5 |
3330 |
Полная смета затрат на проведение НИОКР и договорная цена разработки приведены в таблице 6.2.
Таблица 6.2 - Смета затрат разработки
| Статьи затрат |
Методика расчета |
Сумма, тыс. руб. |
| 1 |
2 |
3 |
Основная зарплата (Зо)
|
3330 |
| Дополнительная зарплата (Зд) |
20% от Зо |
666 |
| Отчисления в фонд социальной защиты населения (Зос) |
36% от (Зо + Зд ) |
2637.36 |
| Командировочные расходы (Рком) |
4% от Зо |
133.2 |
| Прочие расходы (Рпр) |
10% от (Зо + Зд + Зос + Рком ) |
1009.66 |
| Чернобыльский налог (Рч) |
4% от (Зо+ Зд ) |
293.04
|
| Накладные расходы (Ркос) |
150% от Зо |
3956.04 |
| Итого полная себестоимость (Сп) |
Сумма вышеперечисленных статей |
15355.3 |
| Плановая прибыль (П) |
30 % от Сп |
4606.59 |
| Цена предприятия (Цп) |
Цп= Сп+П |
10748.71 |
| Налоги и отчисления в местный бюджет (Омб) |
Омб=Цп*Нмб/(100-Нмб)
где Нмб=2%-норматив отчислений в местный бюджет
|
219.36
|
| Налоги и отчисления в республиканский бюджет (Орб) |
Орб=(Цп+Омб)*Нрб/
(100-Нрб)
где Нрб=2,5%- норматив отчислений в республиканский бюджет
|
223.83
|
| Налог на добавленную стоимость (НДС) |
НДС=(Цп+Омб+Орб)*Ндс/100
Ндс=20%
|
2238.38
|
Отпускная цена (цена реализации) (Цот)
|
Цот=Цп+Омб+Орб+НДС
|
13430.28 |
6.3 Определение себестоимости товара и рыночной цены
В самом общем виде в состав затрат включаются материалы, комплектующие изделия, заработная плата персонала, износ специнструментов и приспособлений, расходы по содержанию и эксплуатации оборудования [12]. Для производства представленного устройства необходимы комплектующие приведенные в таблице 6.3.
Таблица 6.3- Расчет затрат на материалы и комплектующие изделия
| № |
Нименование комплектующих |
Количество, шт |
Цена за ед., тыс. руб. |
Сумма |
| 1 |
Корпус |
1 |
130 |
130 |
| 2 |
Ип-1 |
1 |
216 |
216 |
| 3 |
Ип-2 |
1 |
67,5 |
67,5 |
| 4 |
Ус-1 |
1 |
108 |
108 |
| 5 |
Прочие радиодетали |
540 |
540 |
| 6 |
Флюс и припой |
20,5 |
20,5 |
| Итого: |
848 |
Для изделий электронной техники удельные веса прямых затрат в полной себестоимости составляют:
Ум = 10%;
Уук = 75%;
Уз = 15%.
Таким образом можем определить величину затрат Рм и Рз:

Полную себестоимость изделия определим по укрупненной схеме формуле:
(6.3)
где: a = 2,1 – коэффициент общих косвенных расходов;
b = 0,03 – коэффициент внепроизводственных расходов, связанных с
реализацией продукции;
Нс – налоги и отчисления, приравниваемые к материальным затратам.
(6.4)
где: Рзд – величина дополнительной заработной платы
производственных рабочих (30% от Рз);
Рпк – основная и дополнительная заработная плата прочих работников
(130% от Рз + Рзд).
Рзд и Рпк определяем по формулам:
Рзд = Рз×0,3 = 113.06×0,3 = 33.91тыс. руб.
Рпк = (Рз + Рзд)×1,3 = (113.06+33.91)×1,3 = 191.07тыс. руб.
Соответственно Нс равно:
Нс = (113.06+ 33.91+191.07)×0,4 = 135.21тыс.руб.
Теперь рассчитываем Ц:
Ц = (169.6+ 848.8+ 113.06(1+2,1))(1 + 0,03) + 135.21= 1545.16тыс. руб.
Цену одного изделия определяем как:
Цизд
= Ц + Пп
+ Омб
+ Орб
+ НДС (6.5)
Пп
= 15% от Ц (6.6)
Oмб
= (Ц+ Пп
)×Нмб
/(100% - Нмб
) (6.7)
где Нмб
= 2%.
Oрб
= (Ц + Пп
+ Омб
)×Нрб
/(100% - Нрб
) (6.8)
где Нрб
= 2,5%
НДС = (Ц + Пп
+ Омб
+ Орб
)×Ндс
/100% (6.9)
где Ндс
= 20%.
Пп
= 1545.16×0,15 = 231.77тыс. руб.
Oмб
= 219.36 тыс. руб.
Oрб
= 223.83 тыс. руб.
НДС = 2238.38 тыс. руб.
Цизд
= 4458.5 тыс. руб.
6.4 Расчет затрат у производителя
Капитальные вложения в сфере производства новой техники определяются следующим образом:
Кпф = Цоб + Ктр + Км + Кзд + Коф + Кос (6.10)
где: Цоб – цена оборудования необходимого для изготовления новой
техники;
Ктр – затраты на транспортировку приобретаемого оборудования;
Км – затраты на монтаж оборудования;
Кзд – затраты на строительство зданий или стоимость производственной площади;
Коф – балансная стоимость действующих основных фондов,
непосредственно связанных с изготовлением проектируемого изделия;
Кос – затраты на пополнение оборотных средств.
Таблица 6.4- Расчет балансовой стоимости оборудования необходимого для изготовления нового вида техники
| Балансная стоимость оборудования, тыс.руб |
Трудоемкость с учетом Квыр, н/час |
Расчетное количество техники |
Балансная стоимость Коф, тыс. руб |
| На един. |
На программу |
| Бс |
Тед |
TедN/Квыр |
Гр3/(ФвКз) |
Гр1гр4 |
| 7050 |
20 |
3636 |
1 |
7050 |
Где: Квыр – коэффициент выполнения норм выработки (1,1);
Кз – средний коэффициент загрузки оборудования (0,8);
Фв – фонд времени работы оборудования, ч/год.
Фв = n×Др×S×tg(1-Нр/100) (6.11)
Где: n – количество установленных станков, шт.;
Др – число дней работы (номинальный фонд времени работы
оборудования на определенный период);
S – число смен работы оборудования;
Tg – продолжительность работы оборудования за смену, час;
Нр - процент потерь рабочего времени на планово-предупредительный
ремонт оборудования.
Фв = 1×252×2×8(1-4/100) = 3870 час (6.12)
Капитальные вложения в оборотные фонды определяются по формуле:
КОС
= КОС
М
+ КОС
ПРИС
+ КОС
Д
(6.13)
Где: КОС
М
– капитальные вложения в образование постоянных нормативных запасов основных и вспомогательных материалов, полуфабрикатов и комплектующих изделий в расчете на годовую программу, ден.е;
КОС
ПРИС
– капитальные вложения в образование постоянного запаса малоценных приспособлений и инструментов в расчете на годовую программу, ден. ед.
КОС
Д
– капитальные вложения в образование постоянных заделов материалов и узлов в расчете на годовую программу, ден.ед.
При выполнении экономического обоснования дипломного проекта можно пренебречь расчетом КОС
М
по следующей формуле:
(6.14)
где: Цmi – цена единицы материала i-го вида, ден.ед./нат.ед.;
Nmi – годовая потребность в материале i-го вида, нат.ед./год.;
ТН – количество дней работы предприятия в год, дн./год;
ТНЗМ – норма запасов материалов, дней;
n – количество видов используемыз материалов, полуфабрикатов,
комплектующих изделий.

6.4 Расчет затрат у потребителя
Амортизационные отчисления определяем по формуле:
(6.15)
где: На = 4,5% – норма амортизации на полосе восстановления
оборудования;
Цизд – цена одного изделия;
Ктранс + Кмонт = 10% от Цизд – сумма затрат на транспортировку и
монтаж изделия;
Затраты на потребляемую электроэнергию:
Рэл = Wд×Тэф×Цэл (6.16)
где: Wд – потребляемая мощность, кВтч;
Тэф – фонд времени работы, ч/год;
Цэл – тариф на электроэнергию, руб./кВтч.
Рэл = 0,05×8760×14 = 6132 руб
Затраты на текущий ремонт:
Ртр = 4(Цизд +Ктранс + Кмонт)/100% (6.17)
Ртр = 4(6270,48 +627,05)/100 = 275тыс. руб.
А = 4,5(199,18 + 19,92)/100 = 310,38тыс. руб.
Затраты у потребителя:
Робщ = А + Рэл + Ртр (6.18)
Робщ = 310,38 + 6,132 + 275= 588,52 тыс.руб
6.5 Расчет экономической эффективности
На основании проведенных расчетов определим экономическую эффективность внедрения разрабатываемого устройства. Норматив приведения разновременных затрат и результатов примем Ен = 0,4. Коэффициент приведения рассчитываем по формуле:
(6.19)
Расчет экономической эффективности приведен в таблице 6.5.
Таблица 6.5- Расчет экономической эффективности
| Показатели |
Ед. изм. |
Расчетный период |
| 2001 год |
2002 год |
Результат
|
Прогнозируемый объем производства (N)
|
Шт. |
50 |
50
|
| Прибыль от одного изделия (Пп) |
Тыс.руб. |
231.77 |
231.77 |
Чистая прибыль от внедрения (Пп×0,7×N)
|
Тыс.руб. |
81119.5 |
81119.5 |
| Затраты |
Единовременные
Капитальные вложения у производителя
|
Тыс.руб. |
3544 |
--- |
| Всего затрат |
Тыс.руб. |
16974.28 |
| Экономический эффект |
| Превышение результата над затратами |
Тыс.руб. |
64145.22 |
81119.5 |
| То же с нарастающим итогом |
Тыс.руб. |
64145.22 |
81119.5 |
| Коэффициент приведения |
--- |
1 |
0.714 |
Как показывает расчет, приведенный выше разрабатываемое устройство окупает все расходы уже за первый год эксплуатации.
ЗАКЛЮЧЕНИЕ
В ходе работы над дипломным проектом был разработан усилитель мощности миллиметрового диапазона длин волн в диапазоне 33-34 ГГц, который удовлетворяет всем требованиям технического задания. Рассмотрены способы усиления частоты миллиметрового диапазона длин волн, а также произведен обзор современных разработок усилителей мощности миллиметрового диапазона длин волн. Рассчитана экономическая эффективность разрабатываемого усилителя. Разработка окупает себя уже в первый год выпуска изделия. В дипломном проекте были рассмотрены вопросы экологической и производственной безопасности.
БИБЛИОГРАФИЯ
1. Табаков А. В. Состояние и перспективы развития усилителей мощности для передающей аппаратуры связи // Электросвязь.- 1993. -№ 1.-С. 18-34
2. Меньшиков В. А.,Чернов В. В. Космос и связь// Электросвяэь.1995.- № 6.-С. 34-43
3. Манькин И. А. Шалаев П. Д. Высокоэффективные лампы с бегищей волной// Радиотехника и электроника.- 1997.- №10.- С. 2-12
4.Щербаков Ю. Н.,Якунин А. Н. О моделировании многоскоросного электронного потока. – Математическое моделирование, 1997, т.9,№ 11
5. Кудряшов В. П. Побочные колебания в широкополосных ЛБВО. –Обзоры по Электронной технике. Сер.1. Электроника СВЧ. –М.,:ЦНИИ «Электроника»,1997, вып.3.
6. Новости СВЧ-техники// ГНПП «Исток».- 2000.- № 1.- С.20-47
7. Кудряшов В. П. ЛБВО с малым уровнем побочных колебоний//Электронная техника. Сер. 1. Электроника СВЧ. 1988.- № 5.-С 23-45
8. Защита от СВЧ излучений/ Сост. И.Г. Шупейко: Методические указания. – Мн.: БГУИР, 1996. – 17 с.
9. Романов Г.М., Туркина Н.В., Колпащиков Л.С. Санитарные нормы и правила размещения радиотелевизионных и радиолокационных станций . – Л.: Машиностроение, 1986. – 56 с.
10. Литвак И.И. Эргономическая безопасность работы с компьютером// Проблемы информатизации. – М., 1996. – Вып. 3. – C. 3 – 17.
11. Елецких Т.В., Афитов Э.А., Палицын В.А., Феденя А.К. Технико-экономическое обоснование дипломных проектов: Методические указания. – Мн.: БГУИР, 1995. – 124 с.
12. Гарбер К.Д. Технико-экономическое обоснование программных средств. – Мн.: 1991. – 76 с.
Приложение А
Справка об исследовании патентной литературы
Наименование объекта поиска: усилитель мощности миллиметрового диапазона длин волн. Что и за какой период просмотрено: Реферативный журнал. Связь.
1999. -№1-12; 2000.-№1-12 ; 2001.№1.
Патентный фонд БГУИР. Патентный фонд РНТБ.
| Название выявленных аналогов. |
Отличительные признаки, сущность аналогов. |
| 1. |
2. |
| А.1. Пат. 5880633 США, МПК Н 03 F1/34 Эффективный усилитель мощности. Источник: РЖ. Св. 2000. Реф. 00.02-24Г 26П. |
Патентуемая схема широкополосного усилителя с диапазоном до 34ГГц обеспечивающая высокую равномерность АЧХ и возможность реализации в виде ИС. |
| А.2.Пат.5939941 США МПК Н 03 F3/217 Усилитель мощности с повышенным КПД . Источник: РЖ Св.2000.Реф. 00.07-24Г.40П. |
Патентуемая схема использует ступень раскачки на гетеропереходном унельном транзисторе. 2 |
| А.3.Пат.2778801 Франция МПК Н 03 F3/189 Усилитель мощности СВЧ-диапозона Источник:РЖСв.2000.Реф. 00.02-24Г 70П. |
Патентуемый усилитель содержит монолитную ИС СВЧ-диапозона,4 полевых транзистора соединенных последовательно по схеме с общим истоком. |
| А.4.Пат.5889434 США,МПК Н 03 F/191 Усилитель мощности СВЧ-диапозона Источник: РЖ СВ.2000.Реф. 00.07-43П. |
Приводятся эксперименталиные и расчетные исследования ЛБВ
широкополосных СВЧ –усилителеи мощности.
|
А.5.Пат.277635 Франция,МПК Н 03 Н2/189 Усилитель с большим коэффициентом усиления.
Источник:РЖ СВ.2000.Реф. 00.06-24Г 115П.
|
Патентуемая схема содержит твердотельную полупроводниковую ИС содержащую микроволновыи усилитель в полосе 1-100 ГГц и коффициент усиления не больше 60 дБ. |
| А.6.Пат.27663183 США,МПК Н 03 Н1/23 Схема широкополосного усилителя СВЧ-диапозона. Источник: РЖ В.2001.Реф.01.0123П. |
Патентуемая схема широкополосного усилителя обеспечивает низкии уровень шумов. |
А.7.Пат.2137288 Россия,МПК Н 03 F3/60 Усилитель с распределенным
Усилением. Источник: РЖ СВ.2000.Реф.00.01-146П.
|
Изобретение может быть использовано при построении передающих устроиств для радиосвязи.Обеспечивает вышенный КПД при усилении СВЧ сигналов в широкои полосе частот. |
| А.8.Пат.5880631 США,МПК Н 23 G3/30 Усилитель с широким динамическим диапазоном и регулируемым усилением. Источник: РЖ СВ.1999.Реф.99.05-23П. |
Патентная схема усилителя обеспечивает малый уровень шума и искажений.
|
|