МИНИСТЕРСТВО ОБРАЗОВАНИЯ РОССИЙСКОЙ ФЕДЕРАЦИИ
РЯЗАНСКАЯ ГОСУДАРСТВЕННАЯ РАДИОТЕХНИЧЕСКАЯ АКАДЕМИЯ
КАФЕДРА РАДИОТЕХНИЧЕСКИХ СИСТЕМ
УТВЕРЖДАЮ
Зав. кафедрой радио-
теxническиx систем
____________ В.И.Кошелев
"___"__________ 2004 г.
ПОЯСНИТЕЛЬНАЯ ЗАПИСКА
к курсовому проекту по дисциплине: "СХЕМОТЕХНИКА АЭУ"
на тему: "Усилители звуковых частот"
Автор работы Глазнёв В. В.
Специальность 200700 г
р. 114
Руководитель Свиридов Н.Г.
Рязань 2004 г.
Содержание
Введение
Глава 1. Разработка и расчет структурной схемы
Глава 2. Разработка и расчет принципиальной схемы
2.1 Расчет оконечного каскада
2.2 Расчет регулятора тембра
2.3 Расчет предоконечного каскада
Заключение
Список использованных источников
Введение
Усилительные устройства актуальны были всегда. И в нынешнем, современном мире они все также находят достойное место среди другой аппаратуры. Усилители широкополосные, импульсные, осциллографические, видео, звуковые и еще много других, без которых не обходится сейчас практически ни один законченный функциональный блок. Особое место занимают усилители звуковых частот (УЗЧ). Необходимость их применения очевидна и вытекает из названия. УЗЧ применяются как бытовой аппаратуре, так и в военной, а также космической технике.
Сейчас, в век интегральных технологий габариты устройств снизились на столько, что полностью законченное устройство можно разместить и на ладони. Не обошло стороной это и УЗЧ. Сейчас легко приобрести довольно компактную микросхему усилителя нужной мощности и, дополнив ее некоторыми стандартными навесными элементами, получить готовый прибор. Однако, за габариты микросхем, в некоторой степени, нужно "платить". Дело в том, что многие микросхемы требуют достаточно громоздкие радиаторы, поэтому в мощных усилителях, а точнее в их выходных каскадах применяют в основном транзисторы. Микросхемы (например, операционный усилитель) дают очень большой коэффициент усиления по напряжению, однако, для того чтобы развить в нагрузке необходимую мощность требуется еще и усиление по току. Транзисторы являются приборами, которые работают с большими токами, и, к тому же они не очень высокочастотны, то есть они отлично подходят для УЗЧ. В промежуточных и входных каскадах чаще используют все же микросхемы. Таким образом, в современной аппаратуре с успехом применяются как транзисторы, так и аналоговые микросхемы.
Кстати сказать, сейчас среди довольно известных знатоков музыки бытует мнение о том, что якобы ламповые усилители наиболее четко передают истинное звучание живой музыки. Поэтому, в последнее время у наиболее крупных фирм-производителей аудио аппаратуры появились усилители звука на лампах (довольно дорогие, надо сказать). Специально для этой цели разработаны новые, компактные, лампы. Такая вот тенденция к возвращению к былым технологиям. Что ж, не все старое нужно выбрасывать и забывать…
Глава 1. Разработка и расчет структурной схемы
Основываясь на предварительном анализе технического задания можно сделать вывод, что нужно спроектировать усилитель звуковой частоты небольшой мощности, к которому не предъявляются очень высокие требования по качеству воспроизведения и условиям эксплуатации. Однако, усилитель должен иметь компактные размеры и удовлетворять массовости производства, то есть собран из недорогих деталей. Поэтому, для получения необходимого результата проекта, будем разрабатывать как можно более простую и дешевую схему с малым количеством деталей.
Структурные схемы применяются для упрощённого изображения схем электронных устройств, в том числе и схем усилителей. Структурная схема состоит из прямоугольников, обозначающих основные узлы устройства. Структурные схемы называют также блок-схемой или функциональной схемой.
Блок-схема разрабатываемого усилителя изображена на рис. 1.

Рис. 1.
Входное устройство служит для передачи сигнала от источника сигнала во входную цепь предварительного усилителя тогда, когда прямое подключение к источнику сигнала невозможно или нецелесообразно. В нашем случае это конденсатор, который предотвращает попадание постоянной составляющей на вход регулятора тембра. Регулятор усиления используется для обеспечения желаемой мощности на выходе усилителя. Регулятор усиления может быть реализован в виде обычного делителя или выполнен по схеме с применением ООС ОУ. В разрабатываемой схеме регулятор усиления будет смонтирован в цепи обратной связи усилителя. Предоконечный каскад используется для усиления напряжения, тока и мощности сигнала до величины необходимой для подачи на вход оконечного каскада мощности. Оконечный каскад предназначен для отдачи в нагрузку необходимой мощности сигнала. Отрицательная обратная связь (ООС) охватывает усилитель и требуется для понижения нелинейных искажений усилителя, вносимых оконечным каскадом усилителя мощности и для повышения стабильности. Но при этом понижается коэффициент усиления каскадов охваченных ООС. Выходное устройство служит для передачи усиленного сигнала из выходной цепи в нагрузку. Применяется когда непосредственное подключение нагрузки невозможно или нецелесообразно. Конденсатор используется для разделения постоянных составляющих тока и напряжения выходной цепи и нагрузки. Источник питания используется для питания усилителя, его энергия преобразуется в энергию усиленного сигнала.
В разрабатываемой схеме отсутствует входной каскад. Обоснованием сего служит стремление к удешевлению устройства, к тому же в качестве промежуточного каскада используем ОУ, с помощью которого обеспечим необходимый коэффициент усиления по напряжению всего усилителя. Регулировка усиления будет построена на этом же ОУ. Можно сделать регулировку тембра активной, на этом же ОУ, однако, это чревато взаимным влиянием усиления на тембр, и к тому же расчет такой схемы слишком сложен. Поэтому сделаем ее пассивной, и поставим на входе устройства, а все потери в регуляторе скомпенсируем дополнительным увеличением коэффициента усиления ОУ. При этом несколько возрастут шумы усилителя, однако, так как ограничения в этой области в техническом задании не указаны, то учитывать шумы не будем.
Глава 2. Разработка и расчет принципиальной схемы
2.1 Расчет оконечного каскада
В настоящее время широко применяются усилители с двухтактным бестрансформаторным оконечным каскадом и последовательным питанием транзисторов по постоянному току. Вследствие симметрии двухтактных схем и возможности поочерёдной работы плеч, они могут работать в энергетически более выгодных режимах класса В и АВ. При этом удаётся существенно повысить к. п. д. и отдаваемую мощность при сравнительно небольшом уровне нелинейных искажений.
Наиболее целесообразен для двухтактных усилителей режим класса АВ. Особенностью режима класса АВ является зависимость среднего значения токов баз и коллекторов от уровня подводимых сигналов. Изменение средних токов в зависимости от амплитуды сигналов является препятствием для осуществления температурной стабилизации режима. Поэтому обычные схемы стабилизации оказываются непригодными.
Указанное в техническом задании значение выходного напряжения и сопротивление нагрузки позволяют определить необходимую мощность в нагрузке. Примерно оценивая значение выходной мощности, приходим к выводу, в выходном каскаде в качестве оконечных транзисторов целесообразно использовать транзисторы разной полярности, благо при малых мощностях такую комплементарную пару подобрать не сложно.
Работа предоконечного каскада существенно влияет на качественные показатели оконечного усилителя. Это обусловлено, прежде всего, тем, что цепи возбуждения мощных транзисторов являются низкоомными и потребляют значительную мощность возбуждающих колебаний. Для обеспечения работы транзисторов предоконочного каскада в режиме АВ на их базы приходится подавать небольшое начальное смещение.
Оконечные каскады питаются обычно от двух источников напряжения, что часто неудобно. Так как в симметричной двутактной схеме ток в цепи нагрузки не содержит постоянной составляющей, последовательно с нагрузкой можно включить разделительный конденсатор Сp и заменить два источника питания одним с удвоенным напряжением. Так как по техническому заданию необходимо спроектировать устройство с одним источником питания, то используем схему с несимметричным питанием.
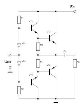
На основании выше сказанного можно составить принципиальную электрическую схему оконечного усилителя мощности (рис. 2).

Рис. 2
Данная схема является комплементарной схемой на составных транзисторах с несимметричным источником питания. Транзисторы VT1, VT3 и VT2, VT4 образуют составные транзисторы включённые по схеме с общим коллектором. Составные транзисторы используются с целью увеличения коэффициента усиления по току и входного сопротивления всего каскада. Резисторы R1 и R2 задают необходимую величину тока покоя предоконечных транзисторов. Резисторы R3 и R4 стабилизируют работу плеч каскада и создают в нем отрицательную обратную связь.
Разделительный конденсатор Сp защищает сопротивление нагрузки от тока короткого замыкания в случае пробоя транзисторов.
Расчет элементов схемы.
Найдём мощность, развиваемую в нагрузке:

Коэффициент использования питающего напряжения:

Для выбора оконечных транзисторов найдем максимальную амплитуду коллекторного напряжения

и амплитуду коллекторного тока:

Максимальная мощность, рассеиваемая на коллекторе одного транзистора в режиме B, равна

Предельная частота оконечных транзисторов должна быть не менее следующей:

По рассчитанным данным Iкm
, Uкэmax
, Pк
max
, fh21э выберем оконечные транзисторы VT3 , VT4. В качестве транзистора VT3 выберем транзистор ГТ404Б, а в качестве VT4 комплементарный предыдущему—ГТ402Б. Характеристики данных транзисторов приведены в приложении.
Для построения нагрузочной прямой вычислим Uкэ
и Iк

По характеристикам определили, что:

Определим фактически отдаваемую оконечными транзисторами мощность:

Таким образом, видно, что в нагрузке обеспечивается необходимое значение мощности.
По выходным характеристикам (рис.3) определим ток базы: Iбm
= 7.44 мА, а по входным напряжение на базе Uбэm
= 330 мВ.
Расчетное значение статического коэффициента усиления по току транзистора:


Расчетное значение амплитуды базового тока:

Теперь выберем предоконечные транзисторы VT1 и VT2 и сделаем расчёт их режимов работы.
Амплитуда переменной составляющей тока коллектора предоконечного транзистора:

Ток покоя лучше задавать только в предоконечных транзисторах, обеспечивая падение напряжения на резисторах R3 и R4 порядка 0.4 В. Для того, чтобы получить достаточно низкий уровень переходных искажений, выбираем наименьшую допустимую величину тока покоя:

Тогда сопротивление резисторов R3 и R4 будут равны

Зададим значения резисторов R3=R4=330 Oм.
Уточним амплитуду коллекторного тока предоконечных транзисторов

Максимальная мощность рассеяния на предоконечных транзисторах:

Выберем предоконечные транзисторы p-n-p ТМ2А и n-p-n ТМ3А.
Параметры данных транзисторов приведены в приложении.
Статический коэффициент усиления по току:
 

Рассчитаем токи базовой цепи

По входным характеристикам для транзистора VT1 (рис.5) определяем величину U’бэm
=0,11В, а для транзисторов VT1 и VT2 соответственно величины U’бэ01
= 0,11 В и U’бэ02
= 0,11 В. Найдём напряжение смещения между базами транзисторов VT1 и VT2:
Uсм
= U’бэ01
+ U’бэ02
+ UR
1
+UR
2
= 0,11+0,11+ 0,4+0,4 = 1,02 В.
Напряжение смещения обеспечивается термостабилизирующими элементами, например диодами. Для того чтобы при максимальном входном сигнале диоды не запирались, выбираем ток смещения:

Выберем диод Д2И. По статическим характеристикам диода найдём соответствующее току Iсм
напряжение на диоде. Uд
= 0,5 В
Необходимое число диодов 2 штуки.
Расчет номиналов резисторов R1 и R2:

Зададим значения резисторов R1=R2=5.1 кОм
Расчет нелинейных искажений.
Для определения нелинейных искажений оконечного каскада необходимо построить сквозную динамическую характеристику, устанавливающую зависимость тока Iк в нагрузке Rн
от входного напряжения каскада Uвх, т. е. Iк
= f(Uвх). С учётом присущей эмиттерному повторителю обратной связи входное напряжение
Uвх=U’бэ
+Uбэ
+Iк
*Rн
.
По входной характеристике предоконечных находим U’бэ
.
Для построения сквозной характеристики одного плеча достаточно трёх точек.
1-ая точка:
Iк = Iкm = 0.707 А
Uвхmax
= U’бэ
m
+ Uбэ
m
+ Uн
m
=0,25+0,33+5,66 = 6,24 В
2-ая точка:
0,5*Iк
m
= 0,5*0,707 =0,354 м А
Iб
= Iк
/h21э
= 0,354/95 = 3,73 мА
рассчитаем токи предоконечного транзистора:
I’к
= Iб
+ Uбэ
/R3 = 3,73+ 260/357 = 4,46 мА,
I’б
= I’к
/h’21э
= 4,46/31 = 144 мкА.
U’бэ
= 0,17 В,
определяем значение Uвх
Uвх = U’бэ
m
+ Uбэ
m
+ Iк
*Rн
= 0,18 + 0,26+ 2,83 = 3,27 В.
3-я точка:
Iк
=Iок
=0, Iб
=0, Uбэ
=0,13
I’к
= Iб
+ Uбэ
/R3 = 0 + 0,13/357 = 0,364 мА,
I’б
= I’к
/h’21э
= 0,364/31 = 0,012 мА,
U’бэ
= 0,07 В,
Uвхmin
= U’бэm
+ Uбэm
+ Iк
*Rн
= 0,07+0,13= 0,2 В
По трем точкам строим сквозную характеристику для одного плеча .
Значения токов Iкm
, Iк1
, Iок
с учётом асимметрии плеч являются исходными для определения сквозной динамической характеристики. Если параметры оконечных транзисторов отличаются не более чем на 15…20%, то при определении сквозной динамической характеристики коэффициент асимметрии b = 0,15…0,2. Возьмем b = 0,15
Применим метод пяти ординат.
Imax
= Iк
m
*(1+b) = 0,707*(1+0.15) = 0,813 А,
I0
= Iок
*(1+b) - Iок
*(1+b) = 2*b*Iок
= 0 А,
I1
= Iк
1
*(1+b) = 0,354*(1+0.15) = 0,407 А,
I2
= -Iк
1
*(1-b) = -0,354*(1-0.15) = -0,3 А,
Imin
= -Iк
m
*(1-b) = -0,707*(1-0.15) = -0,6 А.
Метод пяти ординат основан на разложении искажённой кривой тока в ряд Фурье при его ограничении членом, соответствующий 4-й гармонике. При этом сопротивление цепи, в которой протекает рассматриваемый ток, предполагается чисто активным, в результате чего начальные фазы гармоник оказываются равными 0 или . Средние значения тока и амплитуды токов гармоник получаются из следующих выражений:
Iср
= (Imax
+Imin
+2*(I1
+I2
))/6 = (0,813-0,6+2*(0,407-0,3))/6 = 0,0712 А,
I1m
= (Imax
-Imin
+I1
-I2
)/3 = (0,813+0,6+0,407+0,3)/3 = 0,707 А,
I2m
= (Imax
+Imin
-2*I0
)/4 = (0,813-0,6)/4 = 0,0533 А,
I3m
= (Imax
-Imin
-2*(I1
-I2
))/6 = (0,813+0,6-2*(0,407+0,3))/6 = -0,167 мА,
I4m
= (Imax
+Imin
-4*(I1
+I2
)+6*I0
)/12 = (0,813-0,6-4*(0,407-0,3)+6*0)/12 = -0,0179 А.
Проверим правильность расчёта разложения
Iср
+I1
m
+I2
m
+I3
m
+I4
m
=Imax
0,0712 + 0,707+ 0,0533 – 0,167*10^-3 - 0,0179 = 0,813 А = Imax
.
Значит разложение верно.
Коэффициент гармонических нелинейных искажений каскада определяется по следующей формуле

d2
, d3
, d4
-.
d2
= I2
m
/I1
m
= 0,0533/0,707 = 0,0754,
d3
= I3m
/I1m
= 0/0,707=0,
d4
= I4
m
/I1
m
= -0,0179/0,707 = -0,0253,


Как видно, . Необходимо принять меры по снижению коэффициента гармоник. Для этого применим ООС, охватывающую оконечный промежуточный усилители. Для обеспечения заданного коэффициента гармоник определим необходимую глубину обратной связи:

Коэффициент передачи петли ОС:

где Ко- исходный коэффициент передачи по напряжению каскадов, охваченных ОС. Поскольку для оконечного каскада , то величина K определяется промежуточными каскадами.
2.2 Расчет регулятора тембра
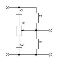
В ряде усилительных устройств необходимо регулировать АЧХ в определенных областях частот. Осуществляемая с помощью регуляторов тембра, она позволяет существенно приблизить тембр звучания к естественному. Для регулировки АЧХ используют пассивные частотно- зависимые цепи либо цепь с частотно- зависимой ООС. В этапе разработки структурной схемы, мы условились, что регулировку тембра сделаем пассивной. По техническому заданию требуется рассчитать регулятор тембра с двусторонней регулировкой в области ВЧ. Схема пассивного регулятора тембра ВЧ изображена на рис. 3

Рис. 3.
При расчете регулятора тембра необходимо учитывать влияние смежных цепей. Выбирать сопротивление регулятора следует в таких пределах, чтобы, с одной стороны регулятор тембра не нагружал предшествующую ему цепь, а с другой—последующая цепь несущественно нагружала регулятор, или, другими словами, необходимо реализовать достаточно большие значения коэффициентов включения нагрузки:
 ,
где и -минимальное входное и максимальное выходное сопротивления регулятора; -сопротивление источника сигнала (в нашем случае это входной источник сигнала усилителя), -входное сопротивление последующего каскада (каскада предварительного усиления).
Зададим обычные для практики коэффициенты нагрузок: 
Выберем частоту начала спада (подъема АЧХ в области ВЧ): ,
тогда:
.
Определим коэффициент коррекции по зависимостям для ВЧ регуляторов тембра. По техническому заданию , находим: .
Сопротивление регулятора определяется приближенным соотношением:
,
по техническому заданию сопротивление источника сигнала для усилителя равно , тогда:

Постоянная времени регулятора:
,
обычно, x’ принимают равным 0.5 для регуляторов ВЧ:

Определим емкость регулятора:
.
Выясним какое затухание вносит регулятор тембра в полосе равномерного усиления:
.
Рассчитаем необходимое сопротивление следующего каскада по приближенной формуле:

Элементы схемы рассчитываемого регулятора определяются следующим образом:

Выберем номиналы элементов следующими:

Рассчитаем коэффициент передачи тембрблока на СЧ:

2.3 Расчет предоконечного каскада
Важным элементом схемы является предварительный усилитель. Основной задачей предварительного каскада является увеличение уровня входного сигнала усилителя Uвх до величины, необходимой для возбуждения оконечного каскада и равной U1m. Кроме того, каскад предварительного усиления должен компенсировать ослабление сигнала в регуляторе тембра, коэффициент передачи которого Крт<<1. Помимо того, мы договорились на предварительном усилителе реализовать регулировку усиления всего усилителя. Предусилитель определяет отношение сигнал- шум всей схемы, поскольку он работает с малыми сигналами. Поэтому при выборе ОУ следует обратить особое внимание на его показатели. Принципиальная схема предварительного усилителя реализованного на ОУ К157УД4А приведена на рис. 4.

Рис. 4.
В конечном счете в результате предварительного усиления должна быть обеспечена величина:
,
что достигается при коэффициенте усиления предварительных каскадов:

где Кu – заданный в техническом задании коэффициент усиления по напряжению разрабатываемого усилителя, а Крт – коэффициент передачи регулятора тембра.
Таким образом, необходимый коэффициент усиления предоконечного каскада:

Для выбранной микросхемы К157УД4А, при заданном техническим заданием питании 12В, коэффициент усиления по напряжению . Чтобы получить рассчитанное значение , необходимо ввести ООС с глубиной:
.
Очевидно, что коэффициент гармоник при такой глубине ООС будет меньше чем указанный в задании, так как глубина ООС оказалась значительно больше, чем необходимая (ранее рассчитанная):

Коэффициент передачи обратной связи в этом случае равен:

Расчет регулировки усиления и элементов схемы предоконечного каскада.
Выразим коэффициент усиления Кu в децибелах:

По техническому заданию требуется обеспечить регулировку усиления в рассчитываемом усилителе 30 дБ. Поэтому, минимальный коэффициент усиления усилителя равен 60-30=30 дБ. Выразим его в разах:

Итак, коэффициент передачи усилителя должен варьироваться в диапазоне
.
В выбранной схеме предоконечного каскада коэффициент передачи определяется соотношением:


При коэффициент усиления .

Пусть
, а .
При Коэффициент усиления.


Возьмем R4=3.3 кОм.
Резисторы R1 и R2 необходимы для подачи на неинвертирующий вход ОУ напряжения смещения, равное E/2, поскольку для питания ОУ используется несимметричный источник. Параллельное соединение этих резисторов по переменному току определяет входное сопротивление каскада. Из этапа проектирования регулировки тембра было выяснено, что входное сопротивление этого каскада должно быть не меньше 520.6 кОм. Поэтому зададим R1=R2=1.5 МОм.
Расчет разделительных конденсаторов схемы.
Оглядываясь на структурную схему проектируемого устройства (рис.1) и детализированную схему предоконечного каскада (рис.8) видно, что разделительных конденсаторов в усилителе всего четыре. Распределим заданные в техническом задании искажения на нижних частотах по долям на каждый из этих элементов в следующем порядке. Суммарные искажения составляют 2.5 дБ. На все конденсаторы кроме того, который отделяет нагрузку, отведем по 0.5 дБ, на нагрузочный же отложим 1 дБ.
Рассчитаем конденсаторы в схеме предоконечного каскада.
С1- разделительный конденсатор.

где М- доля искажений, отводимая на данный элемент. R- входное сопротивление ОУ, которое определяется параллельным соединением резисторов R1, R2. Поскольку получаем:

Выберем С1=8.2 нФ.
Конденсатор С2 необходим для изоляции второго входа ОУ от постоянного напряжения источника питания. Выбирается он из соображений:

Выберем С1=100 мкФ.
С3- корректирующая емкость, необходимая для предотвращения самовозбуждения ОУ на верхних частотах. С4=30 пФ.
Итого, номиналы элементов схемы предоконечного каскада следующие:


Рассчитаем теперь разделительные емкости на входе и выходе.
Входной конденсатор Ср (рис.1) рассчитывается по соотношению:

Выберем Ср=0.1 мкФ.
Выходной разделительный конденсатор Ср перед нагрузкой (рис.1):

Так как на него отведено искажений, то:

Выберем Ср=470 мкФ.
Определим зависимость смещения выходного напряжения от температуры в заданном диапазоне.
По заданию усилитель должен стабильно работать в пределах Тмин=5 ’С Тмакс=35 ‘С.
Поэтому . У выбранного операционного усилителя в предоконечном каскаде, температурный дрейф напряжения смещения составляет ..
Таким образом смещение выходного напряжения составит:

Это напряжение существенно меньше напряжения выхода, поэтому какую-либо компенсацию вводить не будем, так как это дополнительно усложнит схему.
Заключение
В данном курсовом проекте было разработано устройство усиления звуковых частот, удовлетворяющее техническому заданию. Данный усилитель получился достаточно простым и дешевым, что удовлетворяет серийности производства. К достоинствам этого аппарата можно отнести его компактность, и малый коэффициент гармоник. Недостатками данного усилителя является не проконтролированный уровень шумов (Еш более 2 мкВ) и довольно невысокое входное сопротивление.
Список использованных источников
1. Аналоговые электронные устройства: Методические указания к курсовой работе / РГРТА; Сост. Д. И. Попов. Рязань, 1992. 32 с.
2. Регуляторы тембра: Методические указания к курсовой работе / РГРТА; Сост. В. С. Осокин. Рязань, 1993. 24 с.
3. Регуляторы усиления: Методические указания к курсовой работе / РГРТА; Сост. В. С. Осокин. Рязань, 1990. 28 с.
4. Мигулин И. Н., Чаповский И. З. Усилительные устройства на транзисторах (проектирование). Киев: Техника, 1971. 324 с.
5. Справочная книга радиолюбителя- конструктора. Под ред. Н.И. Чичтякова М.: Радио и связь, 1990. 624 с.
6. Проектирование транзисторных усилителей звуковых частот / Н. Л. Безладнов, Б. Я. Герценштейн, В. К. Кожанов и др.; под ред. Н. Л. Безладнова. М.: Связь, 1979. 368 с.
7. Проектирование усилительных устройств: Учеб. пособие / В. В. Ефимов, В. Н. Павлов, Ю. П. Соколов и др.; под ред. Н. В. Терпугова. М.: Высш. школа, 1982. 190 с.
8. Интегральные микросхемы: Справочник / Б. В. Тарабрин, Л. Ф. Лукин, Ю. Н. Смирнов и др.; Под ред. Б. В. Тарабрина. М.: Радио и связь, 1984. 528 с.
9. Транзисторы для аппаратуры широкого применения: Справочник / К. М. Брежнева, Е. И. Гатман, Т. И. Давыдова и др.; Под ред. Б. Л. Перельмана. М.: Радио и связь, 1981. 656 с.
10. Курс лекций по дисциплине "Схемотехника аналоговых электронных устройств" ./Попов Д.И.
|