Міністерство освіти і науки України
Харківський національний університет радіоелектроніки
Кафедра радіоелектронних пристроїв
КУРСОВА РОБОТА
ПОЯСНЮВАЛЬНА ЗАПИСКА
СИНТЕЗ ФІЛЬТРА ВИСОКИХЧАСТОТ
РЕФЕРАТ
Пояснительная записка: 20 с., 10 рис.
Цель работы - синтез схемы активного RC-фильтра и расчет компонентов схемы.
Метод исследования - аппроксимация АЧХ фильтра полиномом Чебышева.
Аппроксимированная передаточная функция реализована с помощью активного фильтра. Фильтр построен на одном активном звене. В фильтре использован неинвертирующий усилитель с конечным усилением, который реализован на операционном усилителе.
Результаты работы могут использоваться для синтеза фильтров радиотехнической аппаратуры.
Прогнозируемые предложения относительно развития объекта исследования - поиск оптимальных схем фильтров.
АКТИВНЫЙ ФИЛЬТР, АППРОКСИМАЦИЯ, ФИЛЬТР ЧЕБЫШЕВА, ОПЕРАЦИОННЫЙ УСИЛИТЕЛЬ, ПЕРЕДАТОЧНАЯ ХАРАКТЕРИСТИКА
Перечень условных сокращений
ОУ – операционный усилитель;
АЧХ – амплитудно-частотная характеристика;
ФВЧ – фильтр высоких частот;
ФНЧ – фильтр низких частот.
Введение
Фильтры – это частотно-избирательные устройства, которые пропускают или задерживают сигналы, лежащие в определенных полосах частот. До 60-х годов для реализации фильтров применялись, в основном, пассивные элементы, т. е. индуктивности, конденсаторы и резисторы. Основной проблемой при реализации таких фильтров оказывается размер катушек индуктивности (на низких частотах они становятся слишком громоздкими). С разработкой в 60-х годах интегральных ОУ появилось новое направление проектирования активных фильтров на базе ОУ. В активных фильтрах применяются резисторы, конденсаторы и усилители (активные компоненты), но в них нет катушек индуктивности. В дальнейшем активные фильтры почти полностью заменили пассивные. Сейчас пассивные фильтры применяются только на высоких частотах (выше 1МГц), за пределами частотного диапазона большинства ОУ широкого применения.
Сейчас во многих случаях аналоговые фильтры заменяются цифровыми. Работа цифровых фильтров обеспечивается, в основном программными средствами, поэтому они оказываются значительно более гибкими в применении по сравнению с аналоговыми. С помощью цифровых фильтров можно реализовать такие передаточные функции, которые очень трудно получить обычными методами. Тем не менее, цифровые фильтры пока не могут заменить аналоговые во всех ситуациях, к тому же их частотный диапазон ограничен тактовой частотой самого фильтра, и эти фильтры могут оказаться слишком «медленными» в некоторых случаях. Поэтому сохраняется потребность в наиболее популярных аналоговых фильтрах – активных RC –фильтрах.
По сравнению с пассивными активные фильтры имеют следующие преимущества:
– в них используются только сопротивления и конденсаторы, т.е. компоненты, свойства которых ближе к идеальным, чем свойства катушек индуктивности;
– они относительно дёшевы;
– они могут обеспечивать усиление в полосе пропускания и (в отличие от пассивных фильтров) редко вносят существенные потери;
– использование в активных фильтрах операционных усилителей обеспечивает развязку входа от выхода;
– активные фильтры относительно легко настраивать;
– активные фильтры невелики по размерам и массе.
Активные фильтры имеют и недостатки. Они нуждаются в источниках питания, а их рабочий диапазон частот ограничен сверху максимальной рабочей частотой операционного усилителя.
Проектирование активных фильтров выполняется в данной работе.
1.
Обзор аналогичных схем
Фильтр Баттерво́рта
— один из типов электронных фильтров. Фильтры этого класса отличаются от других методом проектирования. Фильтр Баттерворта проектируется так, чтобы его амплитудная частотная характеристика была максимально гладкой на частотах полосы пропускания. Для построения фильтра используются две топологии: топология Кауэра, которая использует пассивные элементы (ёмкости и индуктивности) и топология Саллена-Кея, которая использует помимо пассивных также и активные элементы (операционные усилители).
Достоинства.
АЧХ фильтра Баттерворта максимально гладкая на частотах полосы пропускания и снижается практически до нуля на частотах полосы подавления. Фильтр Баттерворта — единственный из фильтров, сохраняющий форму АЧХ для более высоких порядков (за исключением более крутого спада характеристики на полосе подавления) тогда как многие другие разновидности фильтров (фильтр Бесселя, фильтр Чебышева, эллиптический фильтр) имеют различные формы АЧХ при различных порядках.
Недостатки.
В сравнении с фильтрами Чебышева I и II типов или эллиптическим фильтром, фильтр Баттерворта имеет более пологий спад характеристики и поэтому должен иметь больший порядок (что более трудно в реализации) для того, чтобы обеспечить нужные характеристики на частотах полосы подавления.

Рисунок 1.1 – ФВЧ-II Баттерворта

Рисунок 1.2 – АЧХ для фильтра Баттерворта
нижних частот порядка от 1 до 5
Фильтр Чебышева
— один из типов линейных аналоговых или цифровых фильтров, отличительной особенностью которого является более крутой спад амплитудно-частотной характеристики (АЧХ) и существенные пульсации амплитудно-частотной характеристики на частотах полос пропускания (фильтр Чебышева I рода) и подавления (фильтр Чебышева II рода), чем у фильтров других типов.
Фильтры Чебышева обычно используются там, где требуется с помощью фильтра небольшого порядка обеспечить требуемые характеристики АЧХ, в частности, хорошее подавление частот из полосы подавления, и при этом гладкость АЧХ на частотах полос пропускания и подавления не столь важна.
Различают фильтры Чебышева I и II родов.
Фильтр Чебышева I рода. Это более часто встречающаяся модификация фильтров Чебышева. В полосе пропускания такого фильтра видны пульсации, амплитуда которых определяется показателем пульсации .В случае аналогового электронного фильтра Чебышева его порядок равен числу реактивных компонентов, использованных при его реализации. Более крутой спад характеристики может быть получен если допустить пульсации не только в полосе пропускания, но и в полосе подавления, добавив в передаточную функцию фильтра нулей на мнимой оси jω в комплексной плоскости. Это однако приведёт к меньшему эффективному подавлению в полосе подавления. Полученный фильтр является эллиптическим фильтром, также известным как фильтр Кауэра.

Рисунок 1.3 – АЧХ для фильтра Чебышева
нижних частот I рода четвёртого порядка
Фильтр Чебышева II рода. Фильтр Чебышева II рода (инверсный фильтр Чебышева) используется реже, чем фильтр Чебышева I рода ввиду менее крутого спада амплитудной характеристики, что приводит к увеличению числа компонентов. У него отсутствуют пульсации в полосе пропускания, однако присутствуют в полосе подавления.

Рисунок 1.4 – АЧХ для фильтра Чебышева
нижних частот II рода
 
а) б)
Рисунок 1.5 – ФВЧ Чебышева: а) I порядка; б) II порядка
Фильтр Саллена-Кея
. Реализуется в виде простой схемы с двумя резисторами, двумя конденсаторами и активным элементом (например с операционным усилителем), представляя собой фильтр с передаточной функцией второго порядка. Фильтры более высокого порядка могут быть получены включением элементарных фильтров последовательно. Фильтр Саллена-Кея может иметь произвольный коэффициент усиления в полосе пропускания, в отличие от фильтра Баттерворта с единичным коэффициентом.

Рисунок 1.6 – ФВЧ Саллена-Кея
2. Выбор и обоснование схемы фильтра
2.1 Формирование шаблона и определение порядка фильтра
Определяем вид шаблона АЧХ проектируемого фильтра, отметив необходимые значения коэффициентов передач и частот.

Рисунок 2.1 – Шаблон коэффициента передачи фильтра
Для расчета фильтра сделаем переход от реального ФВЧ к нормированному фильтру-прототипу ФНЧ, преобразовав коэффициенты передачи и граничные частоты.
Кн
max
= К
max
– К
min
=20-17=3 (Дб);
К
н
min
= К
max
-
K
з=20-15=5 (Дб);
¦пн =
¦п
/¦п
=1
; ¦зн
=¦п
/
f
з=200/100=2
.
Определяем порядок фильтра Чебышева по формуле [1]:
(2.1)
Округляем до ближайшего большего целого и получаем порядок фильтра n=2.
2.2 Передаточная функция фильтра
Рассчитываем передаточную функцию нормированного ФНЧ по формуле W(р)=N(р)/D(p).
Находим полиномы N(р)
и D(p)
из таблиц [1] для фильтра Чебышева II порядка, учитывая, что пульсации в полосе пропускания равны 3 Дб. Получаем:
(2.2)
Сделаем обратный переход от нормированного ФНЧ к проектируемому, для чего преобразуем передаточную функцию: W1
(р)=N1
(р)/D1
(p)
, где
(2.3)
Масштабируем по частоте: делаем замену р®wп
/р, где wп
=
2p¦п=
400p=1256,64[рад/с]. Тогда D1
(p)= D(wп
/р)
и передаточная функция примет вид:
(2.4)
2.3 Выбор схемного решения
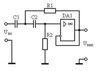
В соответствии с техническим заданием и рассчитанными параметрами, в качестве схемного решения выбираем ФВЧ-ІІ Саллена-Кея, так как схема имеет небольшой диапазон номиналов элементов. Порядок всего фильтра n=2 совпадает с порядком звена Саллена-Кея, поэтому для построения фильтра необходимо одно звено.

Рисунок 2.2– ФВЧ-ІІ Саллена-Кея
3. Топологическая модель и расчет элементов фильтра
3.1 Граф Мезона ФВЧ- ІІ.
Составим граф Мезона для выбранной схемы.

Рисунок 3.1 – Граф Мезона ФВЧ-ІІ
Найдём передаточную функцию по формуле Мезона:
(3.1)
Сопоставим с канонической формулой для ФВЧ-ІІ [2]:
(3.2)
Откуда получим:

3.2 Расчет элементов схемы
Задаём ёмкость конденсаторов C1
=C2
=10/fn
=10/0,2=50 (нФ)
Определяем сопротивление резисторов:
(3.3)
Выбираем сопротивление R3
=30 кОм, а R4 рассчитаем из соотношения:
(3.4)
Согласуем номиналы элементов со стандартным рядом E6:
R1
=R2
=15 кОм; R4
=37,4 кОм;
Устанавливаем в схему рассчитанные значения и снимаем АЧХ фильтра.

Рисунок 3.1 – АЧХ проектируемого фильтра
4. Методика настройки и регулировки фильтра
Коэффициент усиления фильтра можно настроить при помощи резисторов R3
и R4
[2]:
K=1+R4
/R3
; (4.1)
При использованном в схеме операционном усилителе, сопротивление резистора R3
можно выбирать в пределах от нескольких кОм до 1 Мом. При меньшем значении R3
становится большим ток, потребляемый схемой, а при большем – вносит своё влияние входное сопротивление микросхемы.
Сопротивление R4
определяется из формулы 4.1 для требуемого коэффициента усиления. Учитывая следующее соотношение (см. раздел 3.2):
(4.2)
можно показать, что максимально достижимый коэффициент усиления в полосе пропускания равен 3. В этом случае добротность фильтра наибольшая, но при этом присутствуют наибольшие пульсации в полосе пропускания. При попытке увеличения Кл
фильтр самовозбуждается и превращается в генератор колебаний на частоте w0
. Из этого ограничения определим, что сопротивление R4
лежит в диапазоне от 0 до 2R3
. При нулевом сопротивлении схема становится фильтром Баттерворта с единичным усилением.
Частоту w0
можно настроить с помощью элементов R1
, R2
, C1
и С2
[2]:
(4.3)
При условии, что R1
=R2
=R и C1
=C2
=C, формула 4.3 упрощается: w0
=1/RC. Если сопротивления и ёмкости не равны, то соотношением R1
к R2
и C1
к C2
регулируется добротность фильтра. При этом также нужно учитывать, что при больших добротностях фильтр склонен к самовозбуждению.
Выводы
В данной курсовой работе был разработан фильтр высокой частоты второго порядка с аппроксимацией полиномом Чебышева. Он состоит из одного звена Саллена-Кея 2 порядка. Устройство обеспечивает максимальный коэффициент усиления 3,2 в полосе пропускания. Частота полосы пропускания fn
=180 кГц, что на 10% отличается от заданной. Это обусловлено использованием элементов из стандартного ряда E6, которые имеют разброс номиналов 10%. Фильтр допускает простую настройку коэффициента усиления и частоты пропускания, а также имеет небольшой разброс номиналов элементов. Из недостатков можно назвать наличие пульсаций в полосе пропускания, присущее фильтрам с аппроксимацией Чебышева.
Перечень ссылок
1. Методические указания к выполнению курсового проекта по дисциплине «Аналоговые электронные устройства» для студентов дневной и заочной формы обучения специальностей направления «Радиотехника» / Составители: Тимошенко Л.П., Басецкий В.Л., Х.: ХНУРЭ, 2001.
2. Зеленин А.Н, Костромицкий А.И, Бондарь Д.В. Активные фильтры на операционных усилителях. – Х.: Телетех, 2000. - 136 с.
3. Ногин В.Н. Аналоговые электронные устройства: Учеб. пособие для вузов. – М.: Радио и связь, 1992. – 309 с.
|