Банк рефератов содержит более 364 тысяч рефератов, курсовых и дипломных работ, шпаргалок и докладов по различным дисциплинам: истории, психологии, экономике, менеджменту, философии, праву, экологии. А также изложения, сочинения по литературе, отчеты по практике, топики по английскому.
Полнотекстовый поиск
Всего работ:
364139
Теги названий
Разделы
Авиация и космонавтика (304)
Административное право (123)
Арбитражный процесс (23)
Архитектура (113)
Астрология (4)
Астрономия (4814)
Банковское дело (5227)
Безопасность жизнедеятельности (2616)
Биографии (3423)
Биология (4214)
Биология и химия (1518)
Биржевое дело (68)
Ботаника и сельское хоз-во (2836)
Бухгалтерский учет и аудит (8269)
Валютные отношения (50)
Ветеринария (50)
Военная кафедра (762)
ГДЗ (2)
География (5275)
Геодезия (30)
Геология (1222)
Геополитика (43)
Государство и право (20403)
Гражданское право и процесс (465)
Делопроизводство (19)
Деньги и кредит (108)
ЕГЭ (173)
Естествознание (96)
Журналистика (899)
ЗНО (54)
Зоология (34)
Издательское дело и полиграфия (476)
Инвестиции (106)
Иностранный язык (62791)
Информатика (3562)
Информатика, программирование (6444)
Исторические личности (2165)
История (21319)
История техники (766)
Кибернетика (64)
Коммуникации и связь (3145)
Компьютерные науки (60)
Косметология (17)
Краеведение и этнография (588)
Краткое содержание произведений (1000)
Криминалистика (106)
Криминология (48)
Криптология (3)
Кулинария (1167)
Культура и искусство (8485)
Культурология (537)
Литература : зарубежная (2044)
Литература и русский язык (11657)
Логика (532)
Логистика (21)
Маркетинг (7985)
Математика (3721)
Медицина, здоровье (10549)
Медицинские науки (88)
Международное публичное право (58)
Международное частное право (36)
Международные отношения (2257)
Менеджмент (12491)
Металлургия (91)
Москвоведение (797)
Музыка (1338)
Муниципальное право (24)
Налоги, налогообложение (214)
Наука и техника (1141)
Начертательная геометрия (3)
Оккультизм и уфология (8)
Остальные рефераты (21692)
Педагогика (7850)
Политология (3801)
Право (682)
Право, юриспруденция (2881)
Предпринимательство (475)
Прикладные науки (1)
Промышленность, производство (7100)
Психология (8692)
психология, педагогика (4121)
Радиоэлектроника (443)
Реклама (952)
Религия и мифология (2967)
Риторика (23)
Сексология (748)
Социология (4876)
Статистика (95)
Страхование (107)
Строительные науки (7)
Строительство (2004)
Схемотехника (15)
Таможенная система (663)
Теория государства и права (240)
Теория организации (39)
Теплотехника (25)
Технология (624)
Товароведение (16)
Транспорт (2652)
Трудовое право (136)
Туризм (90)
Уголовное право и процесс (406)
Управление (95)
Управленческие науки (24)
Физика (3462)
Физкультура и спорт (4482)
Философия (7216)
Финансовые науки (4592)
Финансы (5386)
Фотография (3)
Химия (2244)
Хозяйственное право (23)
Цифровые устройства (29)
Экологическое право (35)
Экология (4517)
Экономика (20644)
Экономико-математическое моделирование (666)
Экономическая география (119)
Экономическая теория (2573)
Этика (889)
Юриспруденция (288)
Языковедение (148)
Языкознание, филология (1140)

Курсовая работа: Розрахунок керованого випрямляча за схемою з нульовим виводом

Название: Розрахунок керованого випрямляча за схемою з нульовим виводом
Раздел: Рефераты по коммуникации и связи
Тип: курсовая работа Добавлен 00:07:25 31 марта 2010 Похожие работы
Просмотров: 272 Комментариев: 20 Оценило: 2 человек Средний балл: 5 Оценка: неизвестно     Скачать

РЕФЕРАТ

Курсова робота містить сторінок, 12 ілюстрацій, 1 додаток – схема керованого випрямляча в зборі, функціональна схема з характеристиками, 5 джерел.

Ціль курсової роботи – розрахунок керованого випрямляча за схемою з нульовим виводом, СІФУ (у даному випадку – система імпульсно-фазового керування), джерела живлення, що включений у схему СІФУ.

У курсовому проекті проводиться опис схеми керованого випрямляча, обгрунтування вибору елементів, розроблений захист пристрою від аварійних режимів, при розрахунку враховувалось коливання величини живлячьої напруги, для підсилення несинусоїдальних сигналів на вході випрямляча передбачений нульовий вентиль.

Розроблений випрямляч може використовуватись для живлення двигунів постійного струму і регулювання швидкості їхнього обертання. Зарядки акумуляторів,у зварювальних апаратах, електроапаратурі.

Схема разрахованного випрямляча має наступні достоїнства: відносна простота, використання однієї СІФУ, мала кількість елементів, простота в керуванні, налагоджені і с борці. До недоліку можна віднести великий коефіцієнт пульсації і в наслідок цього необхідні необхідність застосування в деяких випадках додаткові стабілізатори.

Зроблено докладний розрахунок схеми випрямляча, стабілізатора, тригера Шмідта, що є елементо сіфу, що дозволяє в разі потреби модифікувати схему.

СХЕМА, РОЗРАХУНОК, ФОРМА НАПРУГИ, ВИПРЯМЛЯЧ, СІФУ, КЕРУВАННЯ.


Зміст

Введення

1. Розрахунок схема керованого випрямляча

1.1 Вибір схеми і розрахунок основних параметрів випрямляча

1.2 основні параметри випрямляча в керованому режимі

1.3 Вибір елементів керованого випрямляча

1.4 Розрахунок регулюючої характеристики керованого випрямляча

1.5 Вибір захисту тиристорів від перевантажень по струму та напрузі

2. Проектування СІФУ

2.1 Розрахунок параметрів пускових імпульсів

2.2 Розрахунок керування тиристорами

2.3Визначаємо параметри вхідного ланцюга керування тиристорами

2.4 Розрахунок параметрів блокінг генератора

2.5 Розрахунок ланцюга, що диференціює

2.6 Розрахунок елементів блоку синхронізації

3. Розрахунок параметрів джерела живлення СІФУ

3.1 Вибір схеми і розрахунок основних параметрів джерела живлення

3.2 Розрахунок параметрів фільтрів, що згладжує

3.3 Розрахунок мостового випрямляча

4. Модулювання

Висновки

Додаток А Перечень елементів керованого випрямляча і СІФУ

Перелік посилань


ВВЕДЕННЯ

В наш час системи перетворення змінної синусоїдальної напруги і струму в постійну практично повністю представлені напівпровідниковими випрямлячами. Дуже часто необхідно релегувати величину отриманої постійної напруги. Економічно та вигодно поставити випрямляч с системо імпульсно-фазового керування через її відносну дешевизну, високий ККД і її крипакність.

В даній курсовій роботі розглядується двополуперіодний керований випрямляч. Його призначення – перетворення напруги, що змінюється, по синусоїдальному закону в пульсуюче. Даний випрямляч складається з наступних складових частин: трансформатор – для перетворення напругу живлення в необхідну по велечені; блок вентилів, що змінює форму напруги в необхідну.

Виконаний випрямляч побудований на керованих вентилях (тиристорах), для керування якими використовуються система імпульсно-фазового керування. Її задача – подати на керуючі електроди тиристорів прямокутні імпульси з необхідним зсувом по фазі щодо самостійного включення вентиля.


1 РОЗРАХУНОК СХЕМИ КЕРОВАНОГО ВИПРЯМЛЯЧА

1.1 Вибір схеми і розрахунок основних параметрів випрямляча.

Відповідно до завдання приймаємо схему випрямляча з нульовим виводом

Рисунок 1.1 — Керований випрямляч з нульовим виводом

На початку розрахунок проводимо в некерованому режимі, тобто при . Оскільки напруга мережі може коливатися в межах визначимо величини випрямленої напруги на навантаженні:

де випрямлена напруга на навантаженні при нормальній напрузі мережі;

випрямлена напруга при підвищеній напрузі мережі.

З визначуваний:

де - максимальна зворотна напруга на тиристорах.


де - середнє значення струму тиристора.

Із значень і вибираємо тип тиристора КУ108М.

Визначаємо активний опір фази трансформатора:

де —

— коефіцієнт, залежний від схеми випрямляння;

B — магнітна індукція в магнітопроводі;

S — число стрижнів магнітопровода для трансформаторів.

Визначаємо індуктивність розсіяння обмоток трансформатора:

де —.

Визначаємо напругу холостого ходу з урахуванням опору фази трансформатора і падіння напруги на дроселі :


де =6 — число пульсацій в кривій випрямленої напруги за період мережі;

=0,7(В) — падіння напруги на тиристорах;

— падіння напруги на дроселях;

Напруга на вторинних обмотках трансформатора:

Дійсний струм вторинної обмотки:

Коефіцієнт трансформації для обмоток:


Типова потужність трансформатора:

Визначуваний кут комутації:

Визначаємо мінімально допустиму індуктивність дроселя фільтру:

Внутрішній опір випрямляча:

ККД випрямляча:


— коефіцієнт корисної дії трансформатора;

— витрати потужності на випрямних тиристорах;

N — число тиристорів в схем N=1, оскільки в кожен момент часу працює 1 тиристор.

1.2 Основні параметри випрямляча в керованому режимі.

Визначаємо максимальний і мінімальний кути регулювання:

Мінімальний і максимальний кути провідності тиристорів:

Мінімальна напруга на навантаженні:


Струм в тиристорі:

Струм в навантаженні:

Максимальний струм через діод:

1.3 Вибір елементів керованого випрямляча

Вентилі до тиристорів вибираються з умови максимальної зворотної напруги і найбільших значень струмів.

для тиристорів - Uo6p макс =139,9(В); Iа=42,9 (А); для діодів -Uo6p макс 387,8 (В); Iд.ср=43,1 (А); для нульового вентиля - Uo6p. макс =387,8 (В); 10=60 (А).

Вибираємо для випрямляча два тиристори типу КУ108М. Для охолоджування тиристорів «застосовуємо типові охолоджувачі М-6а.»

Принимаємо тиристори и діоди с допустимим обраною напругою:

Uобр max = 387,8(В).


Припустимі токи через тиристори і силові вентилі залежать від кута провідності l и не перевищують 40%*Iн .

Тиристори на струм

Нульовий діод на струм

1.4 Розрахунок регулювальної характеристики керованого випрямляча.

Загальна розрахункова формула для всього сімейства характеристик навантажень:



Рисунок 1.2 – Регуліровачная характеристіка випрямляча

1.5 Вибір захисту тиристорів від перевантажень по струму і напрузі.

Для захисту тиристорів від перевантажень застосовуємо плавкий швидкодіючий запобіжник. Досить поставити запобіжник в ланцюзі навантаження.

Струм плавкої вставки:

де Кэ.пер - коефіцієнт можливого експлуатаційного перевантаження, Кэ.пер=1,2.

Kl - коефіцієнт, що характеризує співвідношення струмів в ідеальному випрямлячі, К1=0,5.

Ki - коефіцієнт враховує відхилення форми опорною юка нежилей від прямокутної, Ki=l,05

n - коефіцієнт трансформатора, n=1,5.

Приймаємо до установки швидкодіючі запобіжники типу ПНБ-5-380/100.

Захист від комутаційних перенапруженні здійснюється включенням RC ланцюжків на вхідних тванях перетворювача

Рисунок 1.3 – схема захисту вентильних блоків від перевонтажень по струму і напрузі.

Для ослаблення перенапруження використовуваний - ланцюжки, які включаються паралельно тиристору. Такий ланцюжок спільно з індуктивностями ланцюга комутації утворює послідовний коливальний контур. Конденсатор обмежує перенапруження, а резистор — струм розряду цього конденсатора при відмиканні і запобігає коливанням в послідовному контурі. Параметри ланцюжків визначимо по наступних співвідношеннях:

Величина напруги на конденсаторі:

Cтрум розряду контура:


де Rдv1 – динамічний опір відкритого тиристора.

Потужність розсіяння на резисторі:

По довіднику вибираємо конденсатори C2, С3 – MБM-5.6мкФ-320В, резисторы R2, R3 – ПЭВ-100-100-


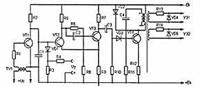
2. ПРОЕКТУВАННЯ СІФУ

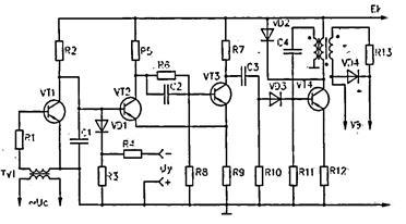
Рисунок 2.1 – Принципова схема

2.1 Розрахунок параметрів пускових імпульсів

Визначаємо необхідну тривалість імпульсу керування , виходячи з знання кута комутації , визначеного при розрахунку силових схем:

Приймалося во увагу, що 1 електричний градус зразково дорівнює 56мкс.

2.2 Розрахунок керування тиристорами.

Для тиристорів КУ108М визначаємо токи і напруги керування:

Напруга керування: .


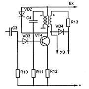
2.3 Визначаемо параметри вхідного ланцуга керування тиристорами

Рисунок 2.2 – схема вхідного кола тиристора.

Ланцюги керування тиристорів живляться через вихідний трансформа-тор і обмежучі елементи і .

Визначаємо величину обмежуючого опору :

Визначаємо внутрішній топір керуючого переходу тиристора :

Визначаємо потужність розсіювання на резисторі ,з огляду на імпульсний характер навантаження (10%):

Приймаємо ризистор ОМЛТ з опором, рівним 35 Ом.

Для обмеження негативних викидів встановлюється діод VD4. Шунтирующий діод приймаємо типу КД205ДО.

Тому що в схемі випрямляча з 2-ма тиристорами то схему вхідного ланцюга тиристора необхідно дублювати 2 рази.

2.4 Розрахунок параметрів блокінг-генератора

Рисунок 2.3 – Схема блокінг генератора.

Вихідні данні: напруга живлення Ек=20(В); опір навантаження:

Тривалість вхідного імпульсу tu=0,023(c); вихідна напруга Uвих.=10(В) вихідній струм Iвих.=0,1(А); період повторення імпульсів Т=0,02(с).

Коефіцієнт трансформацій:

Визначемо приведений опір у ланцюзі колектора:


Знаходимо амплітуду імпульсів трансформатора I2= Iвих.=0,65(А).

Визначаємо струм первинної обмотки трансформатора:

Знаходимо допустиме навантаження на колекторі:

Визначаємо максимальну потужність первинної обмотки трансформатора:

По максимальній потужності і допустимому навантаженні на колекторі первинній обмоці вибираємо транзистор типу П606 з параметрами:

напруга колектора – Uкє=35(У);

струм колектора – Iк=1,5(А);

потужність розсіювання - Pрас.макс.=3(Ут);

коефіцієнт передачі по струму – β=40;

зворотній струм колектора – Iк0=0,002(А);

об'ємний опір бази – rб=30(ОМ);

Подаємо підключення навантаження через окрему обмотку з коефіцієнтом передачі:


Вибираємо коефіцієнт трансформації n0=Wб/Wк близький до оптимального:

Визначаємо опір часозадаючього резистора R11 з умов:

R11(10…20…20)Rвх(10…20…20)rб=600(Ом).

Приймаємо: R11=620(Ом) типу ОМЛТ – 1.

Знаходимо ємність часозадоючого конденсатора:

Попередньо визначаємо:


Приймаємо конденсатор типу ДО71 ємністю 57 мкФ.

Визначаємо індуктивність колекторної обмотки імпульсного трансформатора:

Вибираємо тородідальне осереддя з фериту марки 1500 НМ3 10х6,0х2,0. Магнітна проникність:

де µн – початкова магнітна проникність ферамагниту марки 1500 НМ µн=1500;

µ0 – магнітна проникність феритів, µ0 =4π10-7 Гн/м;

l – середня довжина магнітної лінії, l=24 мм2 ;

S – поперечний переріз кільця феріта, S=3,9 мм2 .

Знаходимо кількість вітків колективної і базової обмотки трансформатора:


Приймаємо Wk /Wб =12, отже, навантажувальна обмотка буде містити:

Приймаємо: Uсм =0,2Ек =0,220=4(В).

Знаходимо величину опору в ланцюзі емітера:

Приймаємо до установки R12 =25(Ом).

Знаходимо величину шунтируючого діода по сумарній напрузі на колекторі транзистора в момент ударного порушення контуру Uк =2Ек =40(В) і струму колекторній обмотці Iµ =Ik =1,5(А). вибираємо діод КД 208А.

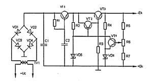
2.5 Розрахунок тригера Шмідта

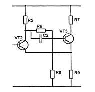
Рисунок 2.4 – Схема тригера Шмідта.


Вихідні данні: амплітуда вихідних імпульсів Um =(1,1…..15) Uсм =7,2(В); період проходження імпульсів запуску Т=0,02(с); мінімальна тривалість імпульсів, tu.зап. =0,1tu.у =0,2310-3 (с), напруга джерела живлення Ек =20(В).

Визначаємо максимальну тривалість вихідного імпульсу граничного пристрою з умови:

tu.вих.макс. ≥(α-γ)5610-6 +2,310-4 =3,45(мс)

Вибираємо транзистор VT3, VT2 з умови:

Uк.доп. ≥Ек =20(В)

Цим вимогам задовільняє транзистори КТ 104А с параметрами: Uк.доп. =30(В); Iк.доп =50(мА); β=36; f=5(мГц); Iк0 =300(мкА); P=150(мВТ).

Визначаємо струм насичення :

Iкн =0,8Iк.доп =0,850=40(мА)

Знаходимо величину резистора R7 :

Визначаємо припустиме потужність розсіювання на резисторі R7 :


Приймаємо резистор R7 типу ОМЛТ 510 (Ом), 1 (Ут).

Знаходимо величину опору резистора R5 зі співвідношення:

R5 = (2…3)R7 =3510=1530(Ом)

Знаходимо припустиме потужність розсіювання на резисторі R5

Приймаємо резистор R5 ОМЛТ 1500 (Ом), 5 (Ут).

Знаходимо величину резистора R9 :

Знаходимо припустиме потужність розсіювання на резисторі R9

Приймаємо резистор R9 ОМЛТ 1200 (Ом), 2 (Ут).

Обчислюємо ємність конденсатора, що прискорює,зС:


Приймаємо С3 типу ПМ на 35 (пФ).

Обчислюємо величину опору R8 зі співвідношення:

Приймаємо R8 =30 (кОм).

Обчислюємо велечену опору R6 зі співвідношення:

Приймаемо R6 7000 (Ом).

2.6 Розрахунок ланцюга, що диференціює

Розрахунок ланцюга, що диференціює, робимо з урахування наступних даних:

тривалість вхідних імпульсів tu.вх. =3,45 (мс);

амплітуда вхідних імпульсів Uм =6 (В);

паразитна ємність генератора імпульсів Сп =50 (nФ).

Внутрішній опір генераторів імпульсів:


Ємність ланцюга, що диференціює, вибираємо з умов С2 >>CП =510 (nФ).

Тоді опір ланцюга,що диференціює і визначається як:

Приймаємо R10 =14 (МОм).

Амплітуда вихідних імпульсів з ланцюжка, що диференціює:

Імпульсний діод VD3 вибираємо по Uвих.мах. типу Д103.

2.7 Розрахунок елементів блоку синхронізації

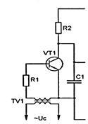
Рисунок 2.5 – Схема блока синхронізації.


Розрахунок блоку синхронізації робимо з урахування наступних даних:

IН >Iбv1 , UН >Uвv1 =U' 2 =30 (В), Ек = (В).

Максимальна потужність:

Pmax =IEk =0,002520=0,05(Вт)

Обираємо транзистор типу КТ 203 Б з наступними параметрами: Uк.доп. =30(В); Iк.доп =10(мА); β=30-150; fа =5(мГц); Uе.б. =15(В); Pроз. =150(мВТ).

Визначаємо опір R2 :

Потужність, що розсіюється опором R2 визначається як:

PR2 =Ik 2 R2 =0,01500=0,05(Вт).

Приймаємо опір R2 МЛТ-0,1-500 (Ом).

Визначаємо величину струму бази:


Визначаємо опір R1 :

Потужність, що розсіюється опором R1 визначається як:

PR1 =Iб 2 R1 =0,00162 9375=2,4(Вт)

Приймаємо опір R1 ОМЛТ-5-10 (кОм), конденсатор С1 =10 (мкФ).

Коефіцієнт трансформації трансформатора:

Через малу потужність розрахунок трансформатора не проводиться. Вторинна обмірка трансформатора може розташуватися на силовому трансформаторі джерела живлення.


3 РОЗРАХУНОК ПАРАМЕТРІВ ДЖЕРЕЛА ЖИВЛЕННЯ ДЛЯ СІФУ

3.1 Вибір схеми і розрахунок основних параметрів джерела живлення.

Вибираємо схему джерела живлення:

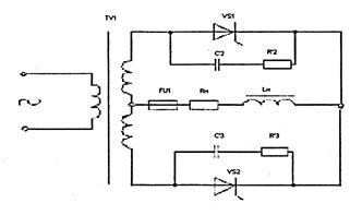
Рисунок 3.1 – джерело живлення СІФУ.

Визначаємо мінімальні припустиму вхідну напругу стабілізатора:

Номінальне і максимальне значення напруги на вході стабілізатора при коливанні мережі на ± 10%.


Максимальне падіння на регулюючому транзисторі:

Uек.мах. =Uвх.мах. -Uвих. =30-24(В)

Максимальна потужність розсіювання на транзисторі VT3:

PV2 =Uек.мах. Iвих.мах. =60,2=1,2(Вт)

Вибираємо регулюючий транзистор П214 з параметрами: Pк.доп =10(Вт). Uк.доп. =45(В); Iк.мах. =5(А); β1 =30.

Колекторний струм транзистора:

Максимальна потужність розсіювання на транзисторі VT2:

PV1 =Uек.мах. Iк1.мах. =100,012=0,12(Вт).

Вибираємо транзистор, що согласує, ГТ403А с параметрами: Pк.доп =0,6(Вт). Uк.доп. =30(В); Iк.мах. =1,25(А); β1 =20..60.

Базовий струм транзистора, що согласує:


Опір R4, що задає струм Ic дорівнює:

Потужність розсіювання опора R4 дорівнює:

PR4 =Iс 2 R4 =0,0052 4000=0,1(Вт)

Напруга на колекторі підсилювання транзистора VT4:

Uекv1 =Uвих. -Uст1 =24-10=14(В); Uст1 <Uвих.мін. =19-3=16(В).

Вибираємо стабілітрон

Д811 з Uст1 =(10..12)В; Iст1 =5 (мА)

Задаємось максимальним колекторним струмом підсилювального транзистора Iкv3.max. 5(мА), тоді потужність, що розсіюється на колекторі VT4:

PkV3 =UekV3 2 Ik.max =100,005=0,05(Вт).

Вибираємо підсилювальний транзистор МП39 з параметрами: Pк.доп =0,15(Вт). Uек.доп. =15(В); Iк.мах. =0,04(А); ; Iк.мах. =0,04(А).

Опір R2 знаходимо як:


Задаємо струм дільника Iд=5…10(мА). Коефіцієнт передачі дільника:

Сумарний опір дільника:

Визначаємо мінімальний і максимальний ККД стабілізатора:

3.2 Розрахунок параметрів фільтрів, що згладжує

Коефіцієнт пульсації на виході випрямляча К' н =67%, фільтра Кп =2%,струм навантаження Iн =0,2(А), Uвих.ф =Uвх.max =30(В).

Максимальна потужність розсіювання на транзисторі VT1:

Pkv1 =Uek.max Iвих.max. =300,2=6(Вт)


Вибираємо транзистор типу П214 з параметрами: Pк.доп =10(Вт). Uек.доп. =45(В); Iк.мах. =5(А); β1 =30.

Знаходимо коефіцієнт згладжування фільтра:

Опір R1 знайдемо як:

Потужність розсіювання на цьому опорі:

PR1=Iн2R1.= 0,222,5=0,9(Вт)

Коефіцієнт передачі постійної напруги з входу на вихід:

Тоді коефіцієнт фільтрації фільтра:


Визначаємо добуток R1C1:

3.3 Розрахунок мостового випрямляча

Величина випрямленої напруги:

Задаємо струм дільника Iд =5…10(мА). Коефіцієнт передачі дільника:

Визначаємо анодний струм і зворотна напруга для діодів VD1…VD4:

Вибираємо по довіднику діоди VD1…VD4 типу КД202Г с припустимим струмом та напругою: Iмакс =3,5(А); Uобр.макс. =100(В).

Визначаємо параметри силового трансформатора:


Знаходимо коефіцієнт трансформації:

Струм первинної обмотки трансформатора:

З довідника по типовій потужності Sm вибираємо уніфікований трансформатор типу ТПП-248-127/220-50.


4. МОДЕЛЮВАННЯ СИЛОВОЇ ЧАСТИНИ ВИПРЯМЛЯЧА

Для моделювання схеми силової частини випрямляча використовувалася програма Proteus 7 Professional

Схема моделі прийняла наступний вигляд:

Рисунок 4.1 — Модель силової частини випрямляча

Із-за особливостей програми Proteus 7 Professional замість трансформатора було використано джерело змінної напруги з необхідними вихідними характеристиками (розрахунковими вихідними характеристиками трансформатора).

Не було враховано падіння напруги на трансформаторі і коливання напруги мережі, проводився облік падіння напруги на вентилях.(оскільки в даній моделі були присутні елементи, що ідеалізувалися.)

Рисунок 4.2 – Свідчення осцилографа


ВИСНОВКИ

У силу розглянутих переваг дана схема СІФУ і випрямляча є одна із кращої для випрямлення однофазного синусоїдального струму та напруги. Напруга на виході має високий коефіцієнт пульсації,тому необхідно в деяких випадках використати додаткові стабілізатори. Від цього недоліку урятовані трифазні випрямлячі, але вони із значно більшої кількості елементів і більш складні. Таким чином, дана система діє гайні результати при невеликих витратах. У побуті трифазна напруга часто не доступно, це багато в цьому визначає область застосування пристрою.


ПЕРЕЛІК ПОСИЛАНЬ

1. Приборы и устройства промышленной электроники /В.С. Рудненко, В.И. Сененко, В.В. Трифонюк (Б-ка инженера). – К.: Техника, 1990. – 386с.

2. Полупроводниковые приемно-усилительные устройства: Справочник радиолюбителя /Терещук К.М. – К.: Наукова думка, 1981. – 670 с.

3. Тиристоры: справочник /Григорьев О.П., Замятин В.Я. – М.: Радио и связь, 1982. – 520с.

4. Транзисторы для аппаратуры широкого применения: справочник /Перельман В.П. – М.: Радио и связь, 1982 – 529с.

5. Москатов Е.А. Справочник по полупроводниковым приборам. – М.: Журнал “Радио”, 2005. – 208 с.

Оценить/Добавить комментарий
Имя
Оценка
Комментарии:
Хватит париться. На сайте FAST-REFERAT.RU вам сделают любой реферат, курсовую или дипломную. Сам пользуюсь, и вам советую!
Никита17:20:01 02 ноября 2021
.
.17:20:00 02 ноября 2021
.
.17:19:59 02 ноября 2021
.
.17:19:59 02 ноября 2021
.
.17:19:58 02 ноября 2021

Смотреть все комментарии (20)
Работы, похожие на Курсовая работа: Розрахунок керованого випрямляча за схемою з нульовим виводом

Назад
Меню
Главная
Рефераты
Благодарности
Опрос
Станете ли вы заказывать работу за деньги, если не найдете ее в Интернете?

Да, в любом случае.
Да, но только в случае крайней необходимости.
Возможно, в зависимости от цены.
Нет, напишу его сам.
Нет, забью.



Результаты(289964)
Комментарии (4186)
Copyright © 2005-2021 HEKIMA.RU [email protected] реклама на сайте