Министерство РФ по связи и информатизации
Уральский технический институт связи и информатики
(филиал) СибГУТИ
ПОЯСНИТЕЛЬНАЯ ЗАПИСКА
к курсовой работе по дисциплине «Сети связи и системы коммутации»
ТЕМА: РАСЧЁТ ПАРАМЕТРОВ КОММУТИРУЕМОЙ ТЕЛЕКОММУНИКАЦИОННОЙ СЕТИ
Студент: Плишкин Михаил.
Группа: МЕ-72
Преподаватель: Потаскуева Л.П.
Екатеринбург, 2010
Содержание
Введение
1. Обоснование эффективности организации узлов на ГТС
2. Разработка схемы сопряжения ТФОП с СПС
3.Разработка функциональной схемы передающих устройств каналов, сигналов управления и взаимодействия (СУВ)
4. Расчет числа звеньев сигнализации сети ОКС№7
5. Синтез модулей цифровой коммутации
5.1 Синтез модуляции пространственной коммутации
Заключение
Список используемой литературы
Введение
В данной курсовой работе необходимо произвести расчет основных параметров коммутируемой сети: разработать схемы организации связи коммутационных станций, каналов; децентрализованных и централизованных систем сигнализации и синтез модулей цифровой коммутации.
Основная задачакурсовой работы - закрепление навыков расчета основных параметров коммутируемой сети. Кроме того, в процессе ее выполнения я должен продолжить знакомство с учебной и справочной литературой по теории коммутируемой телекоммуникационной сети, закрепить навыки выполнения технических расчетов с использованием персональных ЭВМ. А также имеет место - отработка навыков изложения результатов технических расчетов, составления и оформления технической документации. Такие навыки необходимы в инженерной деятельности.
1. Обоснование эффективности организации узлов на ГТС
Вычертить схему организации связи на ГТС и функциональную схему связи двух РАТС одного узлового района. Указать нумерацию абонентских линий. Обосновать эффективность введения узлов на ГТС.
Таблица 1 - исходные данные
| Ёмкость ГТС, номеров |
Нагрузка направления, Эрл. |
Доступность направления, Деф. |
| 250000 |
25 |
22 |
Для определения количества линий можно использовать формулу О'Делла:
V = αy + β
Где: α=1,27 и β=6,0 - коэффициенты, значения которых зависят от величины доступности в направлении; y - нагрузка направления от РАТС к РАТС, Эрл.
Емкость ГТС 250000 номеров, следовательно, 25 РАТС по 10000 номеров и 24 направления. Коэффициент использования линий (η) определяем, как отношение доступности направления к количеству линий.
Расчет сети по принципу КСК
Vсл
= α×y + β =1,27 × 25 + 6 = 37,75 (сл)
Vкск
=N× Vсл
= 24 × 37,75 = 912 (сл)
кск
=y/Vкск =25/37,75 = 0,662
Расчёт сети ГТС с УВС:
Число линий в направлении к станциям чужих узловых районов
V̒сл
= α×y×10 + β = 1,27×10×25+6=323,5 (сл)
- число соединительных линий, которое обслуживает нагрузку к УВС-2 или к УВС-3
Vувс
=4×Vсл+2×V̒сл= 4×37.75+323.5×2=798 (сл)
увс=10×y/V̒сл=250/323,5=0,773
Расчёт сети ГТС с УВИС
V̒̒сл
= α×y×24 + β =1,27 × 25 × 24+6 = 768 (сл)
увис
=24×у/ V̒̒ сл
=24×25/768=0,781

Рисунок 1 – Схема организация сети на ГТС
План нумерации.
УВС 1:
РАТС 10: 100000-109999
РАТС 11: 110000-119999
РАТС 12: 120000-129999
РАТС 13: 130000-139999
РАТС 14: 140000-149999
УВС 2:
РАТС 20: 200000-209999
РАТС 21: 210000-219999
РАТС 22: 220000-229999
РАТС 23: 230000-239999
РАТС 24: 240000-249999
УВС 3:
РАТС 30: 300000-309999
РАТС 31: 310000-319999
РАТС 32: 320000-329999
РАТС 33: 330000-339999
РАТС 34: 340000-349999
УВС 4:
РАТС 40: 400000-409999
РАТС 41: 410000-419999
РАТС 42: 420000-429999
РАТС 43: 430000-439999
РАТС 44: 440000-449999
УВС5:
РАТС 50: 500000-509999
РАТС 51: 510000-519999
РАТС 52: 520000-529999
РАТС 53: 530000-539999
РАТС 54: 540000-549999
2. Разработка схемы сопряжения ТФОП с СПС
Разработать схему организации связи и план нумерации при сопряжении ТФОП с СПС. Рассчитать параметры сети СПС.
Таблица 2 - Исходные данные
| Статус сети СПС |
Ёмкость сети, (номеров) |
Радиус, R (км) |
Повторяемость ячеек, С |
Полоса частот, МГц |
Ширина канала, КГц |
| УПАТС |
1000 |
1,0 |
12 |
869…894 |
30 |
Параметры сети СПС.
При создании сети СПС важным вопросом является определение оптимальных размеров ячейки, т.е. размеры зоны обслуживания одной БС. Этот вопрос связан с выбором частот для ячейки. Для исключения взаимного влияния БС в смежных ячейках устанавливаются разные диапазоны рабочих частот. Для двух БС может быть установлен один и тот же частотный диапазон, если они удалены друг от друга на расстояние D, называемое защитным интервалом. Количество БС, для которых установлены разные диапазоны различных частот и которые являются смежными, называется повторяемостью использования ячеек и обозначается через С. Соотношение между С и D зависит от формы ячейки, которая определяется способом размещения антенны на БС ее видом. Оптимальным считается соотношение при шестиугольной форме. Группа ячеек с различными наборами частот называется кластером.
Сотовые сети имеют радиальный или радиально-узловой принцип построения, в их состав входят три вида станций:
1) ЛС (MS - MobileStation) - абонентская станция, связанная с базовой радиостанцией вызывным радиоканалом (РКВ) или разговорным (РКР).
2) БС (BS - BaseStation) - базовая станция, приемно-передающая радиостанция и контроллер базовых станций.
3) ЦС (MSC - MobileServiceSwitchingCentre) - центральная коммутационная станция СПС
План нумерации
NРАТС-3 = 9000NN
РАТС-5: 51000…59999
NУПАТС=1000NN
УПАТС: 50000…50999
DEF de 50000 – DEF de 50999
Расчёт параметров сети СПС
Расчёт величины защитного интервала в зависимости от радиуса и повторяемости ячеек:
D = R ,
Где: R - радиус (км);
С - повторяемость ячеек.
D = 1× =1×6 =6 км
Расчет числа разговорных каналов в заданной полосе частот:

где - полоса частот (МГц);
- ширина канала (кГц).
Расчет абонентской ёмкости системы, если известно, что один канал пропускает нагрузку Ук
=0,25 Эрл, а удельная абонентская нагрузка Уаб
=0,01Эрл:


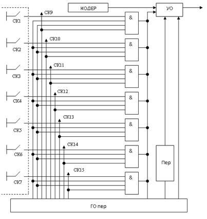
3. Разработка функциональной схемы передающих устройств каналов, сигналов управления и взаимодействия (СУВ)
Определить структуру цикла и сверхцикла, если известно количество разговорных каналов (РК=14)передающих устройств сигнальных каналов, показать расположение каналов СУВ в сверхцикле.
Составить функциональную схему передающих устройств каналов сигналов управления и взаимодействия (СУВ) для разработанного варианта структуры цикла и сверх цикла.
В системах с ИКМ за каждым РК закрепляется низкоскоростной канал сигнализации. В пределах одного цикла за счёт 8-го канального интервала можно организовать два сигнальных канала. Для организации 12 СК циклы объединяют в сверхциклы.

Рисунок 2 - Функциональная схема передающих устройств каналов СУВ
4. Расчёт числа звеньев сигнализации сети ОКС №7
Разработать схему организации связи сети ОКС №7 для заданной ГТС и рассчитать потребное число звеньев для одного из оконечных пунктов сигнализации.
Таблица 3 - Исходные данные
| Ёмкость ГТС, тыс. ном. |
250 |
| Кол-во АТСЭ емкостью 10000 номеров |
11 |
| Кол-во MSU для одного соединения |
10 |
| Длина MSU |
10 |
| Среднее время распространения сигналов по ОКС, мс |
10 |
| Среднее время обработки сообщений на стороне SPB
(SPA
) |
60 |
| Суммарная нагрузка в одном направлении связи, Эрл |
80 |
| Средняя продолжительность занятия Информационного канала, с |
120 |
Расчет времени передачи одной значащей СЕ (MSU) заданной длины и одной заполняющей СЕ (FISU) длиной 7 байт; расчет времени передачи MSU и FISU производить для канала со скоростью передачи 64 Кбит/с:


Расчёт времени передачи заданного числа MSU для одного соединения в случае отсутствия искажений:
Тп
= Мзн
× (2Тзн
+ 2Тзп
+ 2Тр
+ 2То
),
Где: Мзн
- количество значащих СЕ для одного соединения;
Тзп
, Тзн
- соответственно время передачи одной заполняющей СЕ;
Тр
- время распространения сигналов по ОКС;
То
- время обработки сообщений на стороне SPb(SPa).
Тп
= 10×2×(1,25×10-3
+0,875×10-3
+10×10-3
+60×10-6
)=244мс
Расчёт интенсивности MSU:
Расчёт числа сигнальных сообщений в направлении:

Расчёт числа звеньев сигнализации (SL) для одного из оконечных пунктов (SPi
):



Рисунок 3 – Схема организации связи сети ОКС №7
5. Синтез модулей цифровой коммутации
5.1 Синтез модуляции пространственной коммутации
Выполнить синтез модуля пространственной коммутации (МПК) с использованием заданной элементной базы. Пояснить работу МПК при коммутации заданных каналов.
Таблица 4 - Исходные данные
| Метод декомпозиции |
Параметры МПК NxM |
Тип избирательной схемы |
Коммутация Ys
|
| По выходам |
16x32 |
16х1 |
K14
(S6
;t14
)
K14
(S28
; t14
)
|
Функциональное описание модуля, его структурный эквивалент
  
Рисунок 4- Функциональная схема МПК.
Эту функциональную схему можно представить в виде матрицы:

В соответствие каждому входящему тракту поставим переменную хi
, каждому исходящему тракту - zj
.Тогда обобщенная переменная, определяющая адрес коммутации - аij
.
Процесс коммутации входящего - исходящего тракта описывается логическим уравнением:
Gj :
{Zj= Xj × aij, }
Структура адресного ЗУ (АЗУ).
Для управления МПК используется управляющая память (АЗУ), в котором каждый массив памяти закреплен за одним коммутационным элементом (СМПК).
- общее число ячеек в ЗУ (АЗУ) равно 16x32=512 ячеек;
- длина адреса выхода равна U=log2
16=4,
- переведя в двоичный код, получим код требуемого выхода - 0110.
Описание процесса коммутации.
Сеанс связи разбивается на 3 последовательные фазы:
1фаза-установление соединения.
УУ фиксирует данные о требуемом соединении – определяет входящий и исходящий канал. В соответствии с этим координатами устанавливается виртуальная точка коммутации (ТК).
В ячейку АЗУ номер который соответствует временному интервалу коммутации, записывается адрес коммутации (№ вх. Тракта). Запись в АЗУ производится в ациклическом режиме.
2фаза- перенос информации
Перенос сообщений из тракта приема в тракт передачи обеспечивается за счет формирования в СМПК физической точки коммутации.
Этим формированием управляет УУ, используя АЗУ. УУ просматривает в циклическом (последовательном) режиме ячейки АЗУ. Такты обращения и ячейкам АЗУ синхронизированы с временными интервалами трактов ИКМ.
Если в определенной ячейки АЗУ будет обнаружен адрес коммутации, он подается на адресные входы СМПК. В результате в данном временном интервале в СМПК устанавливается соединение между входом и выходом вследствие чего сообщение канала приема передается в канал передачи. Такой перенос сообщения будет выполняться один раз в каждом цикле работы.
3фаза- разъединение.
При получении сигналов освобождения УУ стирает адрес коммутации в ячейке коммутируемого канала, т.е. разрушает виртуальную точку коммутации. Вследствие этого физическая точка коммутации формироваться не будет, и перенос сообщений прекращается.
Таблица 5 – исходные данные
| № варианта |
Параметры микросхемы ОЗУ |
Параметры МВК NxM |
| Информационная емкость |
Время обращения, нс |
| 1 |
256х1 |
60 |
16х16 |
Расчет числа микросхем для информационного и адресного ЗУ(для ИЗУ АЗУ)
ИЗУ:
Объем:
Vизу
=Nтрактов
×nканала
=16×32=512 ячеек
Требуется 2 модуля по 8 микросхем
АЗУ;
Объем:
Vазу
=Nтрактов
×nканала
=16×32=512 ячеек

Требуется 2 модуля по 9 микросхем
N=2×8+2×9=16+18=34 микросхемы
Расчет числа каналов, которое может обслуживать данный МВК и вывод по расчету.
Время обращения к ЗУ

Где: Тц
- длительность цикла
n- количество каналов в цикле
Тц
=125мкс
τ=60 нс
канала
<1041,следовательно, микросхема с данным быстродействием подходит для реализации МВК 16х16.
Заключение
В процессе выполнения данной работе мною были рассчитаны основные параметры коммутируемой сети, разработаны схемы организации связи коммутационных станций, каналов; децентрализованных и централизованных систем сигнализации; модулей цифровой коммутации.
При разработке схемы сети ГТС (на 250т. номеров) я рассмотрел три разных варианта построения сети. Мною был выбран вариант с УВС, так как он более рационален(у варианта КСК самый низкий КПД, а вариант с УВИС не подходит так как не планируется дальнейшее развитие сети ГТС).
Список используемой литературы
1. Автоматическая коммутация под редакцией Ивановой О.Н. - М.: Радио и Связь, 1988.
2. Баркун М.А. Цифровые системы синхронной коммутации. - М.: ЭКО-ТРЕНДЗ, 2001.
3. Битнер В.И. Общеканальная система сигнализации №7. - Новосибирск, СибГУТИ, 1999.
4. Булдакова Р. А. Принципы построения цифровых коммутационных полей. Учебное пособие. - Екатеринбург: УрТИСИ - СибГУТИ, 2002.
5. Гольдштейн Б.С. Сигнализация в сетях связи. - М: Радио и связь, 1997.
6. Гольдштейн Б.С. Протоколы сетей доступа. - М.: Радио и связь, 1999.
7. Карташевский В.Г. Сети подвижной связи. -М.: ЭКО-ТРЕНДЗ, 2001.
8. Росляков А.В. Общеканальная система сигнализации №7. - М.: ЭКО-ТРЕНДЗ, 1999.
9. Скалин Ю.В. Цифровые системы передачи. - М.: Радио и связь, 1988.
10. Телекоммуникационные системы и сети. Том l./Под ред. Шувалова В.П. Новосибирск: Сиб. Предприятие «Наука» РАМ, 1998.
|