БЕЛОРУССКИЙ ГОСУДАРСТВЕННЫЙ УНИВЕРСИТЕТ ИНФОРМАТИКИ И РАДИОЭЛЕКТРОНИКИ
Кафедра ЭТТ
РЕФЕРАТ
На тему:
«Принципы построения и действия ПЗС»
МИНСК, 2008
Приборы с зарядовой связью (ПЗС), как и транзисторы, обладают свойством универсальности, позволяющим использовать их в самых разнообразных устройствах. Они применяются в цифровых ЗУ большой информационной емкости. В оптоэлектронных приемниках изображений на основе ПЗС создают формирователи видеосигналов. В радиотехнических системах обработки информации ПЗС используют при разработке линий задержки, фильтров различных типов, устройств спектрального анализа и обработки радиолокационных сигналов.
В данном случае рассматривается устройство, принцип действия и параметры элементов ПЗС, а также разновидности их конструкций.
Устройство, принцип действия.
Основными элементами ПЗС являются однотипные МДП – конденсаторы, сформированные на общей монокристаллической полупроводниковой подложке 1 p
– типа (рис.1).Расположенные на слое диэлектрика 2 полоски затворов 3 образуют регулярную линейную систему или плоскую матрицу. Для большинства приборов подложку изготавливают из высокоомного кремния, диэлектриком служит диоксид кремния. Затворы с помощью алюминиевых или поликремниевых пленочных проводников присоединяют к управляющим шинам, на которые относительно заземленного электрода подложки подают импульсные управляющие напряжения. В рассматриваемом приборе три управляющих шины Ф1,Ф2,Ф3,
поэтому он называется трехтактным. Для приборов с подложкой p
-типа управляющие напряжения как правило имеют положительную полярность,а с подложкой n
-типа – отрицательную.

При подаче напряжения высокого уровня, например,на шину Ф1
в приповерхностных областях полупроводниковой подложки под затворами, соединенными с этой шиной (первым, четвертым и т.д.),возникают потенциальные ямы для электронов. Электрический сигнал в ПЗС представлен не током или напряжением, как в микросхемах транзисторах на транзисторах, а зарядом – зарядовым пакетом.
Принцип действия ПЗС основан на накоплении и хранении зарядовых пакетов в потенциальных ямах под затворами и на зарядовых пакетов в потенциальных ямах под затворами и на перемещении зарядовых пакетов между соседними элементами при изменении управляющих напряжений – тактовых импульсов. Взаимодействие соседних элементов осуществляется с помощью переноса зарядовых пакетов в полупроводниковой подложке в направлении, показанном стрелкой на рис.1,а.
Это взаимодействие называют зарядовой связью, что отражено в названии прибора. Для того чтобы между соседними элементами обеспечивалась эффективная зарядовая связь, расстояния между затворами должны быть достаточно малыми по сравнению с толщиной обедненных слоев под затворами.
Благодаря непосредственной зарядовой связи между соседними элементами в ПЗС не нужны сигнальные проводники, необходимые в интегральных микросхемах содержащих транзисторы. На поверхности большей части кристалла распологаются только управляющие шины,а сигнальнальные проводники используются лишь на входах и выходах ПЗС.
У поверхности подложки сформированы области 4 p+-типа, границы которых на рис.1,а показаны штриховыми линиями. Области p+-типа ограничивают часть подложки, расположенную под затвором, в которой перемещаются зарядовые пакеты. Поэтому ее называют каналом переноса.


Рассмотрим физические процессы в МДП – структуре, подробно описанные в [3],применительно к ПЗС, которые в отличие от МДП транзисторов работают только в импульсном режиме. Пусть при t=0 напряжение на затворе изменяется скачком от Uз =0 до Uз >Uпор, где Uпор- пороговое напряжение. В полупроводнике под затвором образуется потенциальная яма для электронов и в течение очень короткого отрезка времени (порядка времени диэлектрической релаксации) формируется слой с высоким удельным сопротивлением, в котором под действием поля удалены основные носители – дырки , а электроны еще не успели накопиться. Глубина потенциальной ямы максимальна на границе полупроводника с диэлектриком , здесь начинает накапливаться зарядовый пакет электронов Qn. Он появляется вследствие контролируемого переноса зарядов из соседней МДП-структуры и неконтролируемых процессов: тепловой генерации электронов в обедненном слое или на поверхности полупроводника, диффузии электронов из подложки.
Распределения поверхностного потенциала в МДП-структуры и неконтролируемых процессов : тепловой генерации электронов в обедненном слое или на поверхности полупроводника, диффузии электронов из подложки.
  Распределение поверхностного потенциала в МДП-структуре в направлении, перпендикулярном затвору, для различных моментов времени приведены на рис.2.Координата x отсчитывается от границы полупроводник (П) – диэлектрик (Д). Штриховой линией показана граница диэлектрик – металл (М). По мере накопления зарядового пакета за счет тепловой генерации носителей заряда толщина обедненного слоя Lоб и поверхностный потенциал полупроводника фпов уменьшаются, а разность потенциалов на диэлектрике увеличивается. В установившемся режиме (t ) поверхностный потенциал уменьшается до значения фпор=2фтln(Na/ni), где Na– концентрация акцепторов в подложке; ni – концентрация собственных носителей. При этом у поверхности образуется инверсный слой n-типа, максимальный заряд электронов в котором
Qn макс =Cд(Uз-Uпор),
Где Cд=SзE
0
E
д/d – емкость диэлектрика; Sз – площадь затвора.
Для работы ПЗС существенна зависимость поверхностного потенциала от величины зарядового пакета при заданном напряжении затвора (рис. 3). Эта зависимость приблизительно линейная:
     фпов= -Qn/Cд.
При постоянном значении Qn поверхностный потенциал возрастает при увеличении напряжении затвора также приблизительно по линейному закону.
Приведенные зависимости позволяют наглядно проиллюстрировать работу ПЗС с помощью гидродинамической модели (рис.4, а-в). В этой модели потенциальная яма отождествляется с сосудом, зарядовый пакет Qn- с жидкостью, заполняющей этот сосуд, поверхностный потенциал, т.е. глубина потенциальной ямы,- с расстоянием h от поверхности жидкости, заполняющий этот сосуд, др верхнего края сосуда . В такой модели между объемом жидкости в сосуде и глубиной h (Qn) его незаполненной части существует линейная зависимость вида, а глубина пустого сосуда h(0) увеличивается пропорционально напряжению затвора. Эта модель используется для пояснения процесса переноса зарядного пакета.
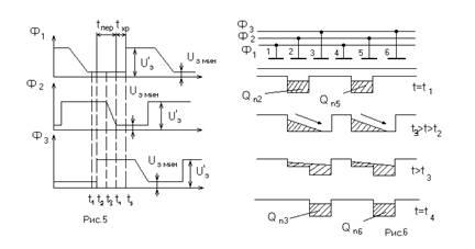
Рассмотрим процесс переноса зарядного процесса в ПЗС с трехактной схемой управления. Временные диаграммы управляющих импульсов для этого случая приведены на рис.5. Пусть в момент времени t1 на затворах, присоединенных к ширине Ф2 , напряжение высокого уровня U’3>Uпор и под вторым и пятым затворами накоплены зарядовые пакеты Qn2 и Qn5 (рис.6), а на затворах, присоединенных к шинам Ф1 и Ф3 – напряжение низкого уровня и под соответствующими затворами нет потенциальных ям и зарядовых пакетов. В момент времени t2 на затворы,соединенные с шиной Ф3 поступает напряжение высокого уровня и под ними практически мгновенно формируются пустые потенциальные ямы. На затворах шины Ф1 сохраняется напряжение низкого уровня.
Для нормальной работы ПЗС расстояние между соседними затворами должно быть достаточно малым, чтобы потенциальные ямы соседних элементов, на затворы которых подано напряжение U’3, сливались в единую потенциальную яму без барьера посередине,. для момента времени t3 >t >t2.

Рис.4

Перенос зарядочных пакетов становится возможным благодаря краевому эффекту. Он состоит в том, что размеры потенциальной ямы в плоскости пластины ( в направлении переноса зарядных пакетов) превышают размеры затвора, т.е. потенциальная яма образуется не только под затвором, но и некотором расстоянии от его краев. Размеры областей за границами затвора, в которых формируется потенциальная яма, увеличиваются с ростом напряжения на затворе. Только при достаточно больших напряжениях на соседних затворах и малых расстояниях между ними потенциальные ямы под соседними затворами перекрываются, образуя единую потенциальную яму.
Поскольку при t = t2 ( см. рис.6) в третьем элементе электронов нет, а во втором накоплен зарядовый пакет Qn2, то согласно зависимостям, показанным на рис.3., при одинаковых напряжениях на затворах U32 =U 33 =U’3 поверхностный потенциал под затвором 3 будет значительно выше, чем под затвором 2. В результате влияния зарядового пакета Qn2 при одинаковых напряжениях на затворах 2 и 3 в общей потенциальной яме возникает продольное электрическое поле, ускоряющее электроны в сторону третьего элемента.
В гидродинамической модели ПЗС процессу переноса зарядового пакета соответствует перетекание жидкости в пределах общего сосуда. После повышения напряжения в затворе 3 формируется общий сосуд, расположенный под двумя затворами и в промежутке между ними. Жидкость в этом сосуде при t > t2 распределена неравномерно и начинает перетекать под затвор 3. По мере выравнивания уровней жидкости под затворами 2 и 3 скорость его течения уменьшается. Чтобы ускорить перекачку жидкости, напряжение на затворе 2 при t > t3 постепенно понижают до значения U3 мин. Дно сосуда под этим затвором поднимается, и жидкость перемещается в сосуд, расположенный под затвором 3.
При t = t4 перенос зарядового пакета из второго элемента в третий заканчивается, при этом зарядовый пакет Qn2. В тот же период времени осуществляется аналогичный перенос зарядового пакета из пятого элемента в шестой. Направленность переноса зарядового пакетов Qn2 и Qn5 обеспечивается тем, что во время переноса на затворах 1 и 4 (шина Ф1) поддерживается низкое напряжение и под ними потенциальная яма не формируется. Для направленного переноса в рассмотренном случае используют трехтактные управляющие напряжения ( см. рис. 5). Для хранения и переноса одного зарядного пакета необходимо три элемента.
В момент времени t = t5 на шину Ф1 подается напряжение высокого уровня ( см. рис.5) и начинается перенос зарядовых пакетов Qn3 и Qn6 в следующие элементы. Таким образом интервал времени tпер = t 4-t2 соответствуют времени, отводимому для переноса зарядовых пакетов, а интервал txp= t 5– t 4 – времени хранения.
Устройства ввода и вывода зарядовых пакетов являются обязательными структурными элементами ПЗС. Они позволяют преобразовать выходные сигналы ( уровни напряжения) в сигнальные зарядовые пакеты, а на выходе осуществлять обратное преобразование.
Рассмотрим устройство ввода электрического сигнала ( рис.7,а). Оно состоит из области 1 n+ - типа, которая образует с подложкой n+-p переход ( входной диод), входного омического контакта 2 к области 1 и входного затвора Ф вх. При простом способе ввода на вход подается сигнал отрицательной полярности, смещающий входной диод в прямом направлении, а к Ф вх прикладывается управляющее положительное направление. Наибольшее прямое смещение инжектирующего n+-p перехода обеспечивается в приповерхностной области, оно увеличивается с ростом разности напряжений на входе и на входном затворе. Зарядовый пакет инжектируется вначале из под n+- области под входной затвор ( рис.7, б), а затем переносится под первый затвор Ф1. Величина инжектируемого зарядового пакета увеличивается с ростом амплитуды входного сигнала по линейному ( приблизительно экспоненциальному ) закону. Кроме того, она зависит от времени инжекции, т.е. от тактовой частоты управляющих импульсов ( см. рис.5). Достоинство данного способа ввода электрического сигнала – высокое быстродействие ( время инжекции составляет несколько наносекунд).
В ряде случаев требуется обеспечить близкую к линейной зависимость величины инжектируемого зарядового пакета от входного напряжения. Она может быть получена в том же устройстве ввода (см. рис.7, а), если использовать иной режим его работы, называемый режимом инжекции – экстракции ( рис.7, в).

Информационный сигнал положительной полярности подают на Ф вх, а входной диод вначале смещают в прямом направлении. На этапе I обеспечивается максимальное заполнение электронами потенциальных ям под входным затвором и первым затвором Ф1, подают напряжение U’3 > U пор. На этапе II входной диод смещают в обратном направлении и экстрагируют электроны из-под затворов Ф вх и Ф1 в n+- область. При этом из-под входного затвора заряд экстрагируется полностью, а из-под первого он экстрагируется до уровня, соответствующего поверхностному потенциалу под входным затвором. Поскольку потенциальная яма входного затвора оказывается пустой, то поверхностный потенциал под этим затвором, как отмечалось выше, пропорционален напряжению на этом затворе, т.е. напряжению входного сигнала. Следовательно, величина зарядового пакета под первым затвором Ф1, пропорциональная поверхностному потенциалу под входным затвором, будет изменяться приблизительно линейно при изменении амплитуды входного сигнала.
Для вывода зарядового пакета на выходе используют устройство ( рис. 8, а), содержащее область 1 n+ - типа проводимости, омический контакт 2 к этой области и выходной затвор Фвых . Область 1 образует с подложкой выходной диод, который смещают в обратном направлении. Для этого на выходной контакт через резистор подают постоянное положительное напряжение, превышающее максимальное напряжение на Фвых. В некоторый момент времени на выходной затвор подают импульс положительной полярности, разрешающий вывод зарядового пакета. Если в последнем элементе Ф3 к этому моменту времени был накоплен зарядовый пакет, то он переместиться в потенциальную яму, расположенную под выходным затвором ( рис.8,б) , а затем в более глубокую потенциальную яму области n+- типа и, наконец, в выходную цепь - резистор, присоединенный к n+ - области. К выходному выводу подключают чувствительный усилитель на МДП - транзисторах, которые создаются на этой же подложке.
В ряде случаев необходимо осуществлять неразрушение считывание зарядового пакета. Для этого в качестве датчика поверхностного потенциала и связанной с ним величины зарядового пакета используют МПД - транзистор.
ЛИТЕРАТУРА
1. Рычина Т.А. Устройства функциональной электроники и электрорадиоэлементы., Мн: Радио, 2005г.
2. Ефимов А.В, Микроэлектроника, Мн: ВШ, 2004г.
3. Свитенко В.И. Электрорадиоэлементы, Мн: Радио, 2006г.
|