Банк рефератов содержит более 364 тысяч рефератов, курсовых и дипломных работ, шпаргалок и докладов по различным дисциплинам: истории, психологии, экономике, менеджменту, философии, праву, экологии. А также изложения, сочинения по литературе, отчеты по практике, топики по английскому.
Полнотекстовый поиск
Всего работ:
364139
Теги названий
Разделы
Авиация и космонавтика (304)
Административное право (123)
Арбитражный процесс (23)
Архитектура (113)
Астрология (4)
Астрономия (4814)
Банковское дело (5227)
Безопасность жизнедеятельности (2616)
Биографии (3423)
Биология (4214)
Биология и химия (1518)
Биржевое дело (68)
Ботаника и сельское хоз-во (2836)
Бухгалтерский учет и аудит (8269)
Валютные отношения (50)
Ветеринария (50)
Военная кафедра (762)
ГДЗ (2)
География (5275)
Геодезия (30)
Геология (1222)
Геополитика (43)
Государство и право (20403)
Гражданское право и процесс (465)
Делопроизводство (19)
Деньги и кредит (108)
ЕГЭ (173)
Естествознание (96)
Журналистика (899)
ЗНО (54)
Зоология (34)
Издательское дело и полиграфия (476)
Инвестиции (106)
Иностранный язык (62791)
Информатика (3562)
Информатика, программирование (6444)
Исторические личности (2165)
История (21319)
История техники (766)
Кибернетика (64)
Коммуникации и связь (3145)
Компьютерные науки (60)
Косметология (17)
Краеведение и этнография (588)
Краткое содержание произведений (1000)
Криминалистика (106)
Криминология (48)
Криптология (3)
Кулинария (1167)
Культура и искусство (8485)
Культурология (537)
Литература : зарубежная (2044)
Литература и русский язык (11657)
Логика (532)
Логистика (21)
Маркетинг (7985)
Математика (3721)
Медицина, здоровье (10549)
Медицинские науки (88)
Международное публичное право (58)
Международное частное право (36)
Международные отношения (2257)
Менеджмент (12491)
Металлургия (91)
Москвоведение (797)
Музыка (1338)
Муниципальное право (24)
Налоги, налогообложение (214)
Наука и техника (1141)
Начертательная геометрия (3)
Оккультизм и уфология (8)
Остальные рефераты (21692)
Педагогика (7850)
Политология (3801)
Право (682)
Право, юриспруденция (2881)
Предпринимательство (475)
Прикладные науки (1)
Промышленность, производство (7100)
Психология (8692)
психология, педагогика (4121)
Радиоэлектроника (443)
Реклама (952)
Религия и мифология (2967)
Риторика (23)
Сексология (748)
Социология (4876)
Статистика (95)
Страхование (107)
Строительные науки (7)
Строительство (2004)
Схемотехника (15)
Таможенная система (663)
Теория государства и права (240)
Теория организации (39)
Теплотехника (25)
Технология (624)
Товароведение (16)
Транспорт (2652)
Трудовое право (136)
Туризм (90)
Уголовное право и процесс (406)
Управление (95)
Управленческие науки (24)
Физика (3462)
Физкультура и спорт (4482)
Философия (7216)
Финансовые науки (4592)
Финансы (5386)
Фотография (3)
Химия (2244)
Хозяйственное право (23)
Цифровые устройства (29)
Экологическое право (35)
Экология (4517)
Экономика (20644)
Экономико-математическое моделирование (666)
Экономическая география (119)
Экономическая теория (2573)
Этика (889)
Юриспруденция (288)
Языковедение (148)
Языкознание, филология (1140)

Реферат: Последние нововведения: ШИМ-контроллеры

Название: Последние нововведения: ШИМ-контроллеры
Раздел: Рефераты по коммуникации и связи
Тип: реферат Добавлен 06:35:27 14 мая 2005 Похожие работы
Просмотров: 179 Комментариев: 20 Оценило: 2 человек Средний балл: 5 Оценка: неизвестно     Скачать

Последние нововведения

Импульсные источники питания (ИИП) получили повсеместное распро­странение в середине уже теперь про­шлого столетия. И сегодня ИИП под­вергаются эволюционным изменениям практически ежегодно./

В качестве мощных (150 Вт и более) обыч­но применяют мостовые ИИП. Обратноходовые ИИП чаще используют как маломощные и средней мощности (до 150 Вт) и широко применяются в блоках питания телевизоров, компьютеров и другой электронной аппаратуре. В свою очередь широкое применение в этих ИИП получили ШИМ - контролеры микросхемы типа КР1033УЕ10 и VIPer – 100A

Еще не успели внедриться в отече­ственную бытовую технику интеграль­ные ШИМ-контроллеры КР1033ЕУ5 (зарубежный аналог ТDА4605), как в зарубежной видеотехнике, и особенно видеомониторах, уже ши­роко используется их новая разно­видность UС3842, КА3842 и UС3844, КА3844 (отечественные аналоги КР1033ЕУ10 и КР1033ЕУ11 соответственно). Внешне и принци­пиально ничем не отличающиеся от прототипа, относительно новые ШИМ-контроллеры все же претерпе­ли ряд усовершенствований.

Кратко рассмотрим основные свой­ства и отличия микросхемы КР1033ЕУ10 (UС3842, КА3842), кото­рую дальше будем именовать ЕУ10, от КР1033ЕУ5 (ТDА4605), именуемой ЕУ5.

Обе микросхемы выполнены в пластмассовом корпусе 2101.8-1 (по зарубежной терминологии — DIР-8). Назначение выводов ЕУ10 приведено в таблице 1.

Таблица 1.

Вывод Наиме­нование Функциональное назначение
1 СОМР Выход усилителя сигнала ошибки
2 UFB Вход усилителя сигнала ошибки
3 ISEN Вход компаратора контроля тока
4 Rт/Ст Вывод для подключения частотозадающей цепи
5 GND Общий вывод
6 UOUT Выход коммутирующих импульсов
7 UCC Напряжение питания микросхемы
8 UREF Выход источника прецизионного образцового напряжения

Основные характеристики

Пороговый уровень напря­жения питания при пере­ходе в состояние, В

"Включено" ........14,5...17,5

"Выключено" ........8,5...11,5

Максимальное напряжение

питания, В ..................30

Потребляемый ток в состоя­нии, мА

"Включено" ...........11...17

"Выключено"...........0.5...1

Частота следования комму­тирующих импульсов, кГц, не более .....500

Входное напряжение уси­лителя сигнала ошиб­ки, В .................2,42...2,58

Пределы изменения комму­тирующего тока, А........-1 ... + 1

ШИМ-контроллер ЕУ10, как и ЕУ5, рассчитан на подключение n-канального полевого транзистора с изолиро­ванным затвором и в основном облада­ет теми же функциональными возможностями.

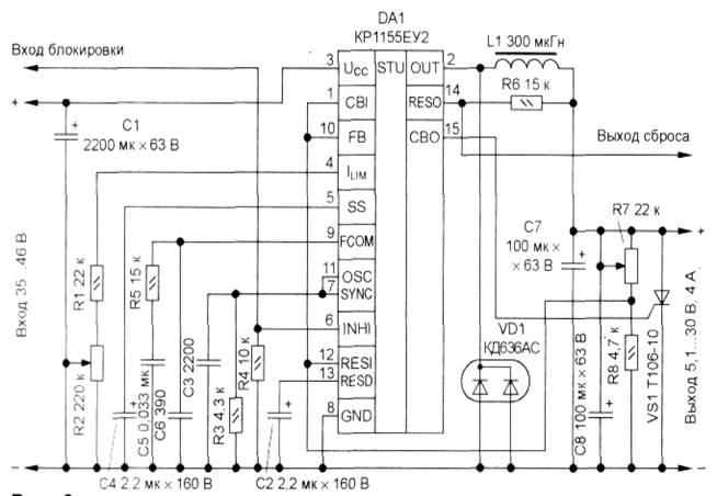
Сегодня разработка импульсных ста­билизаторов значительно упростилась. Стали доступны (в том числе и по цене) интегральные микросхемы, включающие в себя все необходимые узлы. Кроме то­го, производители полупроводниковых приборов стали сопровождать свои изде­лия большим количеством информации по применению, содержащей типовые схемы включения, которые удовлетворя­ют потребителя в подавляющем боль­шинстве случаев. Это практически ис­ключает из разработки этапы предвари­тельных расчетов и макетирования. При­мер тому — микросхема КР1155ЕУ2.

В ее состав входят коммутатор, дат­чик тока, источник образцового напря­жения (5,1 В ± 2 %), узел управления тринистором для защиты от превыше­ния напряжения на нагрузке, узел плав­ного запуска, узел сброса для внешних устройств, узел для дистанционного вы­ключения, узел защиты микросхемы от перегрева.

Рассмотрим источник питания, разработанный на основе КР1155ЕУ2.

Технические характеристики

Входное нестабилизирован­ное напряжение, В ........35...46

Интервал регулирования вы­ходного стабилизирован­ного

напряжения, В.......5,1 ...30

Максимальный ток нагруз­ки, А .........................4

Размах (двойная амплитуда) пульсаций выходного на­пряжения при максималь­ной нагрузке, мВ..............30

Интервал регулирования срабатывания защиты по току, А.....................1...4

Схема устройства приведена на рис. 9. Она мало отличается от стан­дартной схемы включения, причем по­зиционные обозначения элементов сов­падают. Здесь реализован способ уп­равления с фиксированным периодом следования импульсов, т. е. широтно-импульсное управление.

Конденсатор С1 — входной фильтр. Он имеет большую, чем указано в типо­вой схеме включения, емкость, что обусловлено сравнительно большим потребляемым током.

Резисторы R1 и R2 управляют уров­нем защиты по току. Максимальному суммарному их сопротивлению соот­ветствует максимальный ток срабаты­вания защиты, а минимальному сопро­тивлению — минимальный ток.

С помощью конденсатора С4 осуще­ствляется плавный запуск стабилизато­ра. Кроме того, его емкость определяет период перезапуска при превышении порога защиты по току.

Резистор R5 и конденсаторы С5, С6 — элементы частотной компенсации внутреннего усилителя ошибки.

Конденсатор СЗ и резистор RЗ опре­деляют несущую частоту широтно-импульсного преобразователя.

Конденсатор С2 задает время между резким уменьшением выходного напря­жения (вызванного внешними причина­ми, например, кратковременной пере­грузкой по выходу) и переходом сигнала RESО (вывод 14 DА1) в состояние, соот­ветствующее нормальной работе, когда транзистор, включенный между выво­дами RESО и GND внутри микросхемы, закрывается. Резистор R6 обеспечива­ет нагрузку открытого коллектора этого транзистора. Если планируется исполь­зовать сигнал RESО с привязкой его к напряжению, отличному от выходного напряжения стабилизатора, то резис­тор R6 не устанавливают, а нагрузку от­крытого коллектора подключают внутри приемника сигнала RESО.

Резистор R4 обеспечивает нулевой потенциал на входе INHI (вывод 6 DА1), что соответствует нормальной работе микросхемы. Стабилизатор можно вы­ключить внешним сигналом высокого ТТЛ уровня.

Применение диода КД636АС (его сум­марный допустимый ток значительно пре­восходит требуемый в этом стабилизато­ре) позволяет увеличить КПД на 3...5 % при незначительном удорожании устрой­ства. Это приводит к снижению температуры теплоотвода и, следовательно, к уменьшению его габаритов и массы.

Резисторы R7 и R8 служат для регу­лирования выходного напряжения. Ког­да движок резистора R7 находится в нижнем по схеме положении, напря­жение на выходе минимально и равно образцовому напряжению микросхемы DА1, соответственно, когда в верхнем — выходное напряжение максимально.

Тринистор VS1 открывается сигна­лом СВО (вывод 15 DА1), если напряже­ние на входе СВI (вывод 1 DА1) превышает внутреннее образцовое микросхе­мы DА1 приблизительно на 20 %. Так осуществляется защита нагрузки от превышения напряжения на выходе.

Все оксидные конденсаторы К50-35, кроме С1 — К50-53. Конденсатор С6 — керамический К10-176, остальные пленочные (К73-9, К73-17 и т. д.). Все по­стоянные резисторы — С2-23. Перемен­ные резисторы R2 и R7 — СПЗ-4аМ мощ­ностью 0,25 Вт. Их устанавливают на пла­те с помощью кронштейнов. Дроссель 11 наматывают на двух сложенных кольце­вых магнитопроводах К20х12х6,5 из пер­маллоя МП140.

.

Рис.9.

Импульсный стабилизатор напряжения на микросхеме LM 2576 ADJ (рис.10)

Сегодня многие фирмы производят специализированные мик­росхемы для импульсных стабилизаторов напряжения. Рассмотрим применение в подобном уст­ройстве микросхемы фирмы NationalSemiconductor. Отличи­тельная ее особенность — возможность регулирования выходно­го напряжения при токе нагрузки 3 А.

Основное преимущество импульс­ных стабилизаторов по сравнению с аналоговыми — высокий КПД, по­скольку работающий в переключатель­ном режиме регулирующий транзистор рассеивает минимальную мощность. Благодаря этому не требуется боль­шой теплоотвод. Кроме того, в регули­руемых стабилизаторах можно осуще­ствить непрерывное перекрытие всего интервала выходного напряжения, без введения подинтервалов (без до­полнительных переключений), что осо­бенно важно для лабораторных блоков питания. Однако из-за присущих им­пульсным стабилизаторам специфиче­ских свойств — сложности, наличия импульсных помех и сквозного тока ре­гулирующего транзистора — на прак­тике их применяют гораздо реже ана­логовых.

Современные специализированные микросхемы позволяют значительно упростить импульсные стабилизаторы напряжения и снизить уровень им­пульсных помех, а применение мощных быстродействующих диодов с барье­ром Шотки практически решает про­блему сквозного тока регулирующего транзистора.

Сегодня такие микросхемы выпуска­ют многие отечественные предприятия и зарубежные фирмы. Например, фир­ма NationalSemiconductor производит несколько серий микросхем для интег­ральных импульсных стабилизаторов напряжения. Одна из них — LM2576 Основные технические характерис­тики микросхем этой серии

Максимально допустимое

входное напряжение, В ........45

Интервал входного напря­жения, В ...............4,75...40

Номинальное напряжение сигнала обратной связи, В .........................1,23

Интервал напряжения об­ратной связи, В......1,217...1,243

Импульсный коммутируе­мый ток, А...................5,8

Средний ток, А ...................3

Частота коммутации, кГц .........52

КПД, % ........................77

Тепловое сопротивление

кристалл—корпус, °С/Вт ......2 »

Корпус......пластмассовый ТО220-5

Рис.10.
Литература

1. Найвельт Г.С. Источники электропитания радиоэлектронной аппаратуры.

М.Радио и связь. 1985г.

2. Радио. Журналы. 2000 – 2003гг.

Оценить/Добавить комментарий
Имя
Оценка
Комментарии:
Хватит париться. На сайте FAST-REFERAT.RU вам сделают любой реферат, курсовую или дипломную. Сам пользуюсь, и вам советую!
Никита17:16:52 02 ноября 2021
.
.17:16:51 02 ноября 2021
.
.17:16:51 02 ноября 2021
.
.17:16:50 02 ноября 2021
.
.17:16:50 02 ноября 2021

Смотреть все комментарии (20)
Работы, похожие на Реферат: Последние нововведения: ШИМ-контроллеры

Назад
Меню
Главная
Рефераты
Благодарности
Опрос
Станете ли вы заказывать работу за деньги, если не найдете ее в Интернете?

Да, в любом случае.
Да, но только в случае крайней необходимости.
Возможно, в зависимости от цены.
Нет, напишу его сам.
Нет, забью.



Результаты(287965)
Комментарии (4159)
Copyright © 2005-2021 HEKIMA.RU [email protected] реклама на сайте