Содержание
Введение
1. Назначение
2. Общее устройство коробки передач
3. Главная передача с дифференциалом
4. Автоматические коробки передач
5. Неисправности коробки передач
6. Заключение
Литература
Введение
Автомобилю приходится двигаться со скоростями от очень маленькой до сотни-другой километров в час – а потому диапазон, в котором изменяются обороты колес, получается огромным – раз в 50. Но двигатель внутреннего сгорания способен эффективно работать лишь в интервале 2000–6000 об/мин, то есть менять скорость вращения коленчатого вала всего раза в три. Поэтому и приходится между ним и колесами ставить ту самую коробку, чтобы получить требуемую скорость движения при близких к оптимальным оборотах двигателя.
Кстати, не все известные моторы требуют применения такого преобразователя на шестеренках. Например, паровая машина и электродвигатель развивают немалый крутящий момент, что называется, "от нуля" – именно поэтому в троллейбусах (как и в паровозах) нет ни третьей педали, ни рычага коробки передач.
На различных автомобилях устройство коробки передач может отличаться, но принципиальная схема остаётся примерно одинаковой. Во втором разделе мы рассмотрим общее её устройство.
В четвёртом разделе мы выясним можно-ли заставить коробку передач работать, автоматически подстраиваясь к режиму движения. Рассмотрим три самых распространенных сегодня варианта.
В пятом разделе будут рассмотрены основные неисправности коробки передач и способы их устранения.
Назначение
Назначение коробки передач — изменять силу тяги, скорость и направление движения автомобиля. У автомобильных двигателей с уменьшением частоты вращения коленчатого вала крутящий момент незначительно возрастает, достигает максимального значения и при дальнейшем снижении частоты вращения также уменьшается. Однако при движении автомобиля на подъемах, по плохим дорогам, при трогании с места и быстром разгоне необходимо увеличение крутящего момента, передаваемого от двигателя к ведущим колесам. Для этой цели и служит коробка передач, в которую входит также передача, позволяющая автомобилю двигаться задним ходом. Кроме того, коробка передач обеспечивает разъединение двигателя с трансмиссией.
Ступенчатая коробка передач состоит из набора зубчатых колес, которые входят в зацепление в различных сочетаниях, образуя несколько передач или ступеней с различными передаточными числами. Чем больше число передач, тем лучше автомобиль «приспосабливается» к различным условиям движения. Коробка передач должна работать бесшумно, с минимальным износом; этого достигают применением зубчатых колес с косыми зубьями.
Ступенчатые коробки передач по числу передач переднего хода делят на четырех- и пятиступенчатые. Обычно коробки передач легковых автомобилей, малогабаритных автобусов и грузовых автомобилей небольшой грузоподъемности имеют четыре ступени, а коробки передач больших автобусов и грузовых автомобилей значительной грузо-подъемности — пять ступеней.
Ступенчатые коробки передач могут быть простые и планетарные. В основном на автомобилях применяют простые ступенчатые коробки передач, переключение передач в которых происходит двумя способами: передвижением зубчатых колес или передвижением муфт.
Иногда автомобили оборудуют бесступенчатыми коробками передач с плавным изменением передаточного числа и комбинированными коробками передач, в которых использованы оба способа изменения передаточного числа.
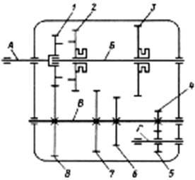
В простой ступенчатой коробке передач (рис. 1) имеются три вала: ведущий (первичный) А, связанный через сцепление с коленчатым валом двигателя; ведомый (вторичный) Б, соединенный через карданную передачу и другие механизмы с ведущими колесами автомобиля; промежуточный В. С ведущим валом как одно целое изготовлено ведущее зубчатое колесо 1, находящееся в постоянном зацеплении с ведомым зубчатым колесом 8, жестко соединенным с промежуточным валом. При включении сцепления вращаются ведущий и промежуточный валы.

Рис.1. Схема трехступенчатой коробки передач: А — ведущий вал; Б — ведомый вал; В — промежуточный вал; Г — ось зубчатого колеса передачи заднего хода; 1–8 — зубчатые колеса.
На ведомом валу установлены подвижные зубчатые колеса 2 и 3, а зубчатые колеса 7, 6 и 4, так же как и колесо 8, жестко соединены с промежуточным валом. Отношение числа зубьев ведомого зубчатого колеса к числу зубьев ведущего колеса, обратное отношению их частот вращения, называют передаточным числом. Например, передаточное число передачи, состоящей из зубчатых колес 8 и 1,

где z8 — число зубьев ведомого зубчатого колеса 8; z1 — число зубьев ведущего зубчатого колеса 1.
Когда какое-либо зубчатое колесо ведомого вала входит в зацепление с одним из зубчатых колес промежуточного вала, крутящий момент от двигателя через ведущий, промежуточный и ведомый валы коробки передач передается карданной передаче и далее на ведущие колеса автомобиля. Для включения первой передачи колесо 3 передвигают вперед, вводя его в зацепление с шестерней 6 первой передачи промежуточного вала. Общее передаточное число первой передачи определяют как произведение передаточных чисел отдельных пар зубчатых колес, т. е.

где z3 и z6 — числа зубьев соответственно колеса 3 и шестерни 6.
При включении первой передачи крутящий момент Мк на ведомом валу коробки передач увеличивается по сравнению с крутящим моментом двигателя Мд в u1 раз, т. е.

и имеет максимальную величину, так как шестерня 6 является наименьшей из зубчатых колес промежуточного вала, а колесо 3 — наибольшим из зубчатых колес ведомого вала.
Первой передачей пользуются при движении автомобиля в самых тяжелых дорожных условиях, на крутых подъемах, а также при трогании с места на плохой дороге и с грузом.
Вторая передача обеспечивается включением зубчатых колес 2 и 7. Тогда

где z2 и z7 — числа зубьев зубчатых колес соответственно 2 и 7.
Вторая передача является промежуточной. В приведенной схеме трехступенчатой коробки она единственная. В четырех- и пятиступенчатой коробках передач может быть две или даже три промежуточные передачи.
При включении прямой (в данном случае третьей) передачи ведущий и ведомый валы соединяются непосредственно через зубчатые колеса 1 и 2 (u3 = 1). Прямая передача является основной передачей, используемой при движении автомобиля по хорошей дороге.
Переключение передач выполняют при выключенном сцеплении, вводя подвижные зубчатые колеса (каретки) ведомого вала в зацепление с неподвижными зубчатыми колесами промежуточного вала. Это зацепление сопровождается ударами торцов зубьев и их повышенным износом. Поэтому на автомобилях часто применяют коробки передач с постоянным зацеплением зубчатых колес, отличающиеся высокой долговечностью.
С зубчатым колесом 4 промежуточного вала в постоянном зацеплении находится промежуточное зубчатое колесо 5 передачи заднего хода, которое на рис. 1 условно изображено в плоскости чертежа. Для включения передачи заднего хода зубчатое колесо 3 передвигают назад, вводя его в зацепление с промежуточным зубчатым колесом 5 передачи заднего хода, свободно вращающимся на своей оси.
Общее устройство коробки передач
На различных автомобилях устройство коробки передач может отличаться, но принципиальная схема остаётся примерно одинаковой. В этом разделе мы рассмотрим общее её устройство.
Коробка передач (рис. 1) механическая, трехходовая, четырехступенчатая, с четырьмя передачами вперед и одной назад. Зубчатые колеса первой, второй, третьей и четвертой передач косозубые. Ведущее и ведомое зубчатые колеса заднего хода прямозубые. Промежуточное зубчатое колесо заднего хода косозубое.
Передаточные числа пар зубчатых колес коробки передач
первой передачи......................................... 3,8
второй передачи......................................... 2,118
третьей передачи........................................ 1,409
четвертой передачи.................................... 0,964
заднего хода............................................... 4,156
Картер коробки передач
представляет собой блочную конструкцию, разделенную перегородками на три секции. В первой секции со стороны маховика размещена главная передача. Во второй секции размещены зубчатые колеса первой и второй передач и зубчатые колеса заднего хода, а в третьей секции — зубчатые колеса третьей и четвертой передач. Первая и вторая секции сообщаются между собой и имеют общее отверстие для слива масла, закрытое пробкой с вклеенным постоянным магнитом для сбора металлических частиц, попавших в масло. Третья секция сообщается с полостью задней крышки и также имеет отверстие для слива масла, закрытое такой же пробкой. В третьей секции между зубчатыми колесами третьей и четвертой передач установлено зубчатое колесо привода спидометра. В передней части картера коробки передач крепится картер сцепления, к задней — задняя крышка. Посадочные места картера коробки передач обработаны совместно с картером сцепления, поэтому они заменяются в комплекте.

Рис. 2. Коробка передач:
1 — задняя крышка; 2 — шток ползуна; 3 — уплотнитель; 4 — задняя втулка;5 — передняя втулка; 6 — крышка картера; 7 — прокладка; 8 — втулка; 9 — ведущая шестерня четвертой передачи; 10 — шайба; 11 — ступица; 12 — муфта третьей и четвертой передач; 13 — игольчатый подшипник; 14 — кольцо блокирующее; 15 — шестерня третьей передачи; 16 — подшипник роликовый; 17 — промежуточный вал; 18 — рычаг; 19 — стопорное кольцо; 20 — ведущий вал коробки передач; 21 — крышка; 22 — ведущая шестерня (ведомый вал) главной передачи; 23 — крышка переднего подшипника; 24 — маслосливная пробка; 25 — регулировочная прокладка; 26 — упорный подшипник ведущей шестерни; 27 — регулировочная прокладка; 28 — ведомая шестерня первой передачи; 29 — шайба; 30 — ведомая шестерня заднего хода; 31 — ведомая шестерня второй передачи; 32 — ведомая шестерня третьей передачи; 33 — ведущая шестерня привода спидометра; 34 — ведомая шестерня четвертой передачи; 35 — задний подшипник ведущей шестерни; 36 — картер коробки передач; 37 — прокладка; 38 — шайба; 39 — гайка; 40 — шайба; 41 — шлицевой вал ведущей шестерни заднего хода; 42 — промежуточная ведущая шестерня заднего хода; 43 — промежуточная ведомая шестерня заднего хода; 44 — втулка оси; 45 — ось шлицевого вала; 46 - сухарь; 47 — пружина; 48 — заглушка; 49 — ведомая шестерня привода спидометра; 50 — уплотнитель; 51 — ведущая шестерня; 52 — вал; 53 — корпус редуктора; 54 — шестерня; 55 — ведомый вал. Схема работы синхронизатора: а — нейтральное положение передач; б — начало синхронизации; в — передача включена
 |
Рис. 3.Ведущий вал
коробки передач вращается на двух подшипниках: передний конец вала на игольчатом подшипнике, запрессованном в болт маховика, а задний — на подшипнике, установленном в отверстие картера коробки передач. Упорное разрезное кольцо, установленное на ведущем валу, препятствует смещению подшипника и вала назад. От смещения вперед он удерживается крышкой заднего подшипника, которая закреплена болтами с моментом затяжки 1,6-2 кгс-м. На переднем конце ведущего вала нарезаны шлицы для скользящей посадки ведомого диска сцепления. В средней части вала, находящейся внутри коробки передач, нарезана косозубая шестерня, которая находится в постоянном зацеплении с ведомой шестерней первой передачи и промежуточной ведомой шестерней заднего хода. Осевая сила, возникающая при передаче крутящего момента ведущим валом, воспринимается шариковым подшипником. За шестерней на заднем конце ведущего вала имеются эвольвентные шлицы, входящие в зацепление со ступицей промежуточного вала. Уплотнение ведущего вала осуществляется самоподвижным резиновым сальником с масло сгонной резьбой.
Промежуточный вал
коробки передач пустотелый, выполнен заодно с ведущей шестерней второй передачи. Вращается вал на двух подшипниках: переднем роликовом и заднем шариковом, установленных в отверстии картера коробки передач. На промежуточном валу на двухрядных игольчатых подшипниках вращаются ведущие шестерни третьей и четвертой передач. Для ограничения осевых перемещений, возникающих на косозубых шестернях при передаче крутящего момента, установлены упорные фигурные шайбы. Необходимый осевой разбег шестерен в пределах 0,26-0,39 мм обеспечивается длиной втулок.
Ось шлицевого вала
заднего хода запрессована в отверстия передней и средней стенок картера и дополнительно удерживается усом крышки, входящим в паз на переднем конце оси. Диаметр переднего конца оси на 27 мм больше диаметра остальной части на 0,04 мм. Соответственно увеличено и отверстие в передней стенке картера, что облегчает сборку и разборку узла.
Ведомый вал
выполнен заодно целое с ведущей шестерней главной передачи и вращается на трех подшипниках, запрессованных в картер коробки передач. Передний подшипник двухрядный, упорный, конический, запрессован в переднюю спинку картера и воспринимает радиальное и осевое усилия от главной передачи. От осевых перемещений, возникающих под действием осевых сил на стальных зубьях при передаче крутящего момента, подшипник фиксируется крышкой, которая крепится к картеру четырьмя болтами моментом 3,2-4 кгс-м.
Синхронизаторы
предназначаются для выравнивания скоростей вращающихся деталей силовой передачи при переключении передач. В коробке передач предусмотрены два синхронизатора: для четвертой и третьей передач и для второй и первой. Синхронизаторы имеют одинаковое устройство и одни и те же размеры, но в синхронизаторе второй и первой передач муфтой служит ведомая шестерня заднего хода. Ступица синхронизатора внутренними шлицами надета на шлицы промежуточного вала и удерживается на нем вместе с другими деталями, шайбами и гайкой. На наружной поверхности ступицы нарезаны шлицы, по которым может перемещаться муфта синхронизатора. Кроме шлицев, на ступице вырезаны на разных расстояниях один от другого три продольных паза, в которых помещены три штампованных сухаря с выступами на середине. Сухари прижаты к шлицам муфты двумя пружинными кольцами, причем выступы сухарей входят в кольцевую проточку муфты. С обеих сторон ступицы установлены латунные блокирующие кольца. На торцах этих колец, обращенных к ступице, сделано по три паза, в которые входят концы сухарей. Блокирующие кольца имеют внутреннюю коническую поверхность, которая соответствует конической поверхности венцов синхронизатора шестерен. На конической поверхности колец нарезана мелкая резьба. В цилиндрическую проточку на верхней поверхности муфты синхронизатора входит вилка включения передач. Она разрывает пленку между блокирующими кольцами и конической поверхностью шестерни включаемой передачи при их соприкосновении, вследствие чего между кольцом и конической поверхностью возникает повышенное трение. Снаружи на кольцах имеются короткие прямые зубцы, такие же, как и на соседних с ними венцах синхронизатора шестерен. Эти зубцы соответствуют впадинам между шлицами муфты синхронизатора, в результате чего муфта, перемещаясь в осевом направлении, может входить в зацепление своими шлицами с зубцами блокирующих колец и с зубчатыми венцами. Муфты и ступицы подбираются на заводе комплектами, таким образом обеспечивается плавное и легкое скольжение  муфты по ступицам с минимальным зазором. На автомобиле ЗИЛ – 130 применяют синхронизатор инерционного типа.
Рис. 4. Механизмы переключения и управления коробкой передач:
1 — рычаг; 2 — чехол; 3, 33 — пружина; 4 — упорная чашка; 5 — шаровая чашка; 6 — крышка; 7 — опорная втулка; 8 — вкладыш; 9 — стопорный болт; 10 — рычаг включения заднего хода; 11 — шток переключения задней передачи; 12 — шток переключения третьей и четвертой передач; 13 — замок верхних штоков; 14 — шток ползуна; 15 — толкатель замков; 16 — ползун переключения передач; 17 — вилка третьей и четвертой передач; 18 — крышка; 19 — пружина; 20 — шарик фиксатора; 21 — шток переключения первой и второй передач; 22 — замок нижних штоков; 23 — контргайка; 24 — шайба; 25 — болт; 26 — гайка; 27 — муфта; 28 — вал; 29 — крышка туннеля пола; 30 — чехол; 31 — ползун; 32 — направляющая чашка; 34 — демпфирующее кольцо; 35 — кронштейн; 36 — болт крепления механизма; 37 — корпус; 38 — коврик; 39 — стопорное кольцо.
Переключение передач
осуществляется с помощью муфт, вилок и трех подвижных штоков (рис. 4), параллельных друг другу и расположенных в одном ряду. Штоки перемещаются в отверстиях, расточенных в задней и средней стенках картера коробки передач. Концы штоков, входящие в полость задней крышки, имеют пазы, в которые входит ползун переключения. Для фиксации рабочих положений штоков на их поверхности имеются углубления, в которые входят фиксаторы в виде шариков, прижатых пружинами, расположенными во втулках. Втулки запрессованы в отверстия картера и закрыты общей крышкой. Для предотвращения включения сразу двух передач установлено блокирующее устройство, состоящее из верхнего и нижнего замков и толкателя. Управление коробкой передач осуществляется рычагом на туннеле пола кузова. Нижний палец рычага шарнирно соединен с ползуном механизма управления коробкой передач. Ползун при помощи вала и резиновой упругой муфты соединен с ползуном коробки передач. На задней крышке коробки передач установлен выключатель фонарей заднего хода, который включается специальным выступом, выполненным на штоке включения заднего хода.
Главная передача с дифференциалом
Главная передача увеличивает крутящий момент и передаёт его от карданного вала к полуосям под прямым углом. Главная передача может быть одинарной, состоящей из одной пары шестерён, и двойной, состоящей из двух пар шестерён. Передаточные числа главных передач автомобилей следующие: ЗИЛ – 130 – 6,45; ГАЗ – 53А – 6,83; ГАЗ – 24 «Волга» - 4,1.
Главная передача с дифференциалом расположена между картером сцепления и картером коробки передач и конструктивно изготовлена в одном блоке с коробкой передач (рис. 5). Ведущая шестерня главной передачи одновременно выполняет и функции ведомого вала коробки передач, который вращается на трех опорах. Между буртом переднего подшипника и передней стенкой картера установлены регулировочные прокладки, определяющие положение ведущей шестерни. Ведомая шестерня главной передачи крепится на корпусе дифференциала болтами и вместе с дифференциалом вращается на двух конических подшипниках, установленных в корпусах. Корпуса подшипников вставляются в боковые отверстия картера коробки передач и сцепления и крепятся к нему гайками. Конические подшипники ведомой шестерни крепятся регулировочными гайками, которыми устанавливается боковой зазор в зацеплении главной пары в пределах 0,1-0,22 мм. Стопорение регулировочных гаек осуществляется стопорами, входящими в их пазы. В корпусе дифференциала размещены сателлиты и полуосевые шестерни. Полуосевые шестерни имеют фасонный паз, в который сухарями вставляется полуось. Для защиты главной передачи от пыли и грязи, а также от вытекания смазки из картера, на полуоси устанавливается защитный резиновый чехол, внутри которого помещаются корпус манжеты и манжета. Корпуса манжет имеют маслосгонную резьбу: левый корпус — левую, правый — правую. Для их отличия на конце втулки левого корпуса сделана проточка (А). Для предохранения манжетного устройства от грязи на расстоянии 224 мм от фланца на полуоси установлен грязеотражатель.
 Рис. 5. Ступица заднего колеса, главная передача и полуоси:
1 — гайка; 2 — шплинт 3 — упорная шайба; 4 — колпак декоративный; 5 — манжета; 6 — тормозной барабан; 7 — гайка крепления колеса; 8 — щит тормоза; 9 — ступица; 10 — рычаг задней подвески; 11 — вилка кардана ведущая; 12 — фланец; 13 — болт; 14 — штифт стопорный; 15 — полуось; 16 — крышка; 17 — палец полуоси; 18 — сухарь полуоси; 19— корпус манжеты правый; 20 — шестерня полуоси; 21— чехол; 22 — корпус левый; 23 — манжета; 24 — грязеотражатель; 25 — подшипник крестовины кардана; 26 — иголки подшипника; 27 — стопорное кольцо; 28 — уплотнитель; 29 — колпачок; 30 — пресс-масленка; 31 — крестовины; 32 ,— ведомая вилка; 33 — подшипник ступицы; 34 — распорная втулка; 35 — корпус подшипников; 36 — болт; 37 — болт крепления тормозного барабана; 38 — диск колеса; А — проточка на левом корпусе 22.
Полуось соединяется с карданным шарниром шлицевым соединением и стопорится штифтом. Карданный шарнир состоит из двух вилок, крестовины, подшипников, манжет и стопорных колец. Ступица заднего колеса вращается на двух конических подшипниках (одного размера), запрессованных в корпус. Между внутренними обоймами подшипников установлена пластмассовая распорная втулка. С обеих сторон корпуса подшипники защищены манжетами. Со стороны колеса в корпус вставлена ступица до упора во внутреннюю обойму подшипника. В шлицевую часть ступицы входит вал с карданным шарниром. Крепится вал к ступице гайкой и шплинтуется. Этой же гайкой регулируется зазор в подшипниках. К фланцу ступицы шестью болтами крепится тормозной барабан.
Автоматические коробки передач
Сегодня актуальны три основных типа автоматических коробок передач.
Автомобилю приходится двигаться со скоростями от черепашьей до сотни-другой километров в час – а потому диапазон, в котором изменяются обороты колес, получается огромным – раз в 50. Но двигатель внутреннего сгорания способен эффективно работать лишь в интервале 2000–6000 об/мин, то есть менять скорость вращения коленчатого вала всего раза в три. Поэтому и приходится между ним и колесами ставить ту самую коробку, чтобы получить требуемую скорость движения при близких к оптимальным оборотах двигателя.
Кстати, не все известные моторы требуют применения такого преобразователя на шестеренках. Например, паровая машина и электродвигатель развивают немалый крутящий момент, что называется, "от нуля" – именно поэтому в троллейбусах (как и в паровозах) нет ни третьей педали, ни рычага коробки передач.
Итак, ДВС для автомобилей – мотор не самый лучший. А поскольку скорой замены ему пока нет, совсем без коробки передач в ближайшие годы обойтись не удастся. Но вот заставить ее работать, автоматически подстраиваясь к режиму движения, можно, причем даже несколькими способами. Рассмотрим три самых распространенных сегодня варианта.
ПЛАНЕТАРНАЯ КОРОБКА С ГИДРОТРАНСФОРМАТОРОМ
Парадокс: устройство, наиболее сложное по механике и гидравлике, прижилось на серийных автомобилях, пожалуй, раньше других – в 1955 году в американской технической литературе уже рассматривались конструкции доброго десятка "автоматов" разных фирм! А самая первая трехступенчатая планетарная коробка передач была создана "Кадиллаком" еще в… 1906 году.

Рис. 6. Классический "автомат": 1 – колесо насоса; 2 – колесо турбины; 3 – кожух; 4 – блок управления (работает автоматически или по командам от рычага либо кнопок на рулевом колесе); 5 – солнечная шестерня; 6 – шестерни-сателлиты; 7 – коронная шестерня.
Применяемые в таких "автоматах" планетарные коробки передач получили свое название за шестерни-сателлиты, вращающиеся вокруг центральной (солнечной) шестерни, подобно планетам. Рассказ о принципе работы таких систем занял бы слишком много места. Скажем лишь, что их использование в автоматической трансмиссии обусловлено крайней простотой изменения передаточного отношения: достаточно лишь притормозить тот или иной вращающийся элемент или соединить их между собой посредством специальной фрикционной муфты. Эти процессы относительно легко поддаются автоматизации.
Но просто переключать шестерни недостаточно: автомобиль не должен разгоняться рывками. Поэтому такая коробка всегда дополняется гидротрансформатором – он плавно изменяет соотношение между скоростями вращения входного и выходного валов (а также между крутящим моментом на входе и на выходе) в довольно узком диапазоне (обычно от 1:1 до 1:2,3). Вот теперь, когда на место привычной и небольшой механической коробки с шестеренками взгромоздился сложный гидромеханический агрегат (рис. 1), водитель может расслабиться и почти забыть о рычаге под правой рукой и педали под левой ногой. Почти – потому что задний ход или специальный режим для тяжелых условий (а в последнее время появились еще режимы для скользкой дороги, интенсивного разгона) все-таки надо включать самому.
Российскому водителю прелести езды с "автоматом" до недавних пор не были знакомы, если не считать городских автобусов ЛиАЗ, переключение передач в которых сопровождалось ощутимыми рывками, да недоступных правительственных "членовозов".
Отметим здесь же характерные недостатки этой классической конструкции: большие потери мощности (а значит, перерасход топлива и потеря динамики), дороговизна, сложность и громоздкость. Что касается надежности, то в современных коробках-автоматах эта проблема решена и ресурс при надлежащем обслуживании достигает сотен тысяч километров. (Правда, при покупке подержанной иномарки следует проявить максимум осторожности, ведь стоило бывшему владельцу залить в гидротрансформатор что-нибудь кроме фирменного "Дексрона" (Dexron) или отбуксировать закапризничавшую машину без погрузки ведущих колес на эвакуатор – и вам обеспечен ремонт стоимостью, превышающей самые пессимистические ожидания.)
БЕССТУПЕНЧАТЫЙ ВАРИАТОР
Устройство известно давным-давно и подкупает кажущейся простотой: клиновой ремень да пара разрезных шкивов (рис. 2). Сдвигая или раздвигая диски одного из них, можно плавно изменять передаточное отношение в достаточно широких пределах. Вариатор уже давно нашел применение в легких машинах типа снегоходов, квадрициклов и т. п., но на пути внедрения в полноразмерный автомобиль встала проблема надежности. Передача значительного крутящего момента так нагружала ремень, что говорить о приемлемом сроке его службы не приходилось. Пожалуй, только голландская фирма ДАФ первой отважилась поставить вариатор на серийную легковую машину, но на ее наследнице "покрупнее" от него отказались.

Рис. 7. Клиноременный вариатор: 1 – "ремень" вариатора; 2 – разрезной шкив; 3 – при малом зазоре между щеками шкива передаточное отношение максимальное; 4 – при большом зазоре – минимальное.
Прорыв принесла технология конца двадцатого века: наборный "ремень", состоящий из стальной ленты и стальных же трапецеидальных сегментов, нанизанных на нее. Система получила название CVT (Continous Variable Transmission – бесступенчато варьируемая трансмиссия). Ныне она завоевывает позиции во все более тяжелых классах автомобилей с мощными двигателями. Езда на "Хонде-Сивик" с "Си-Ви-Ти" дает совершенно необычные ощущения: прибавляешь газ, стрелка тахометра застывает где-то около 4000 и ровное, без рывков и провалов, ускорение вдавливает в спинку сиденья, пока другая стрелка – спидометра – не подберется к цифре 200! Конструкция вариатора позволила легко осуществить и ручной режим управления: достаточно ввести в память компьютера несколько фиксированных значений передаточного отношения, и его можно будет переключать вручную рычагом или кнопками. Так сделано, например, в новом "ФИАТ-Пунто", где "передач"… семь! Что до ресурса, то при надлежащем исполнении он также достигает сотен тысяч километров, да и поменять "ремень" технически несложно, разве что дорого.
Кстати, существовавшая до недавнего времени проблема передачи большого крутящего момента уже решена конструкторами "Ауди", применившими "ремень", стальные звенья которого связаны между собой сложным переплетением и способны передавать до 280 Н.м! А японцы предполагают в недалеком будущем обойтись вообще без ремня, применив конический фрикционный вариатор.

Рис. 8. Конический фрикционный вариатор.
КВАЗИАВТОМАТИЧЕСКАЯ ТРАНСМИССИЯ

Рис. 9. Квазиавтоматическая трансмиссия: 1 – вилка выключения сцепления, управляемая от электронного блока; 2 – тарельчатая пружина; 3 – ведомый диск; 4 – маховик; 5 – муфты включения передач; 6 – шестерни; 7 – валы.
Увы, ничего более подходящего в автомобильном языке пока не нашлось: фирмы применяют собственные названия – "стептроник", "селеспид".., суть которых одна. Речь идет об автоматическом управлении обычной пятиступенчатой коробкой передач и сцеплением (рис. 3). Можно сказать, здесь проблема решена в лоб: вместо рук и ног педалью и рычагом управляют пневмогидроцилиндры или соленоиды, а команды им выдает электронный мозг, соединенный со множеством датчиков. Ясно, что такое решение стало возможным только недавно, но оно уже начало вовсю вытеснять классические автоматы. Ведь подобная система, по определению, не влечет дополнительных потерь мощности, а значит, не влияет на экономичность и динамику автомобиля. Более того, правильно написанная программа управления обеспечит разгон по оптимальному алгоритму, на что обычно способен лишь водитель-ас. К тому же нетрудно ввести и "ручное" управление – кнопками на руле или рычажком в полу. Причем автоматика не позволит водителю совершить серьезную ошибку – например, не вовремя включить задний ход или передачу, не соответствующую возможностям двигателя в данном режиме. Ресурс не будет отличаться от ресурса обычной коробки, а, может быть, даже повысится: ведь автоматика позаботится о плавном переключении и включении сцепления. Ну а электроника сейчас стала, пожалуй, надежнее механики. Ведутся подобные разработки и в НАМИ, и если бы не хроническое безденежье, мы бы уже отчитывались об испытаниях "автоматической" "Оки" или "Лады".
Насколько же в реальности "автоматические" удобства меняют характеристики автомобилей? Обратимся к любопытным тестам наших немецких коллег. Они взяли по паре совершенно одинаковых автомобилей – с автоматической трансмиссией и без нее – и сняли характеристики. Классический "автомат" с гидротрансформатором представляли "Порше" и "Опель", CVT – понятное дело, "Хонда", а новомодную механическую коробку с автоматическим управлением – "Альфа-Ромео" и "Мерседес" А-класса. Результаты подтвердили: "автомат" с гидротрансформатором тяжел, отбирает мощность и прожорлив; вариатор полегче, тоже ухудшает динамику, но почти не увеличивает аппетит; механика с автоматическим управлением несколько вяловата, зато экономит бензин. И самый любопытный вариант – автоматическое сцепление в одной из версий А-класса: динамику почти не портит, расход топлива даже уменьшает. То, что это действительно так, доказывает и редакционный опыт эксплуатации "Оки-Престиж", оснащенной системой ЭПС (подробнее о ней см. ЗР, 1999, № 7).
Ну а теперь немного всезнающей статистики. На диаграмме 1 в теплых тонах показаны механические ручные коробки передач, в холодных – "автоматы". Как видите, доля машин с автоматическими коробками растет и к 2000 году составит около 17%. При этом коробки с гидротрансформатором, бывшие в 1980 году единственным вариантом "автоматов", столь же неуклонно сдают позиции системам из механических коробок с автоматическим управлением и вариаторам. По некоторым прогнозам, к 2010 году гидротрансформатор станет реликвией. Хотя… "Ситроен" только что предложил "автоматическую" "Ксару" с планетарной коробкой, алгоритм управления которой позволяет сэкономить топливо по сравнению с "механикой", управляемой среднестатистическим водителем! Из той же диаграммы видно, что в 2000 году на новых машинах не станет четырехступенчатых механических коробок – более того, все чаще будут встречаться шестиступенчатые агрегаты. Если же вернуться в день сегодняшний, то доля машин, оборудованных автоматической трансмиссией, показана на диаграмме 2: она составляет от 4% (малый класс) до 93% (класс "люкс").
СООТНОШЕНИЕ ВЫПУСКА МАШИН С РАЗЛИЧНЫМИ ТИПАМИ ТРАНСМИССИЙ

ДОЛЯ МАШИН С АВТОМАТИЧЕСКОЙ ТРАНСМИССИЕЙ (по классам)

Неисправности коробки передач
Хаpактеpные признаки:
- трудность переключения передачи;
- самопроизвольное выключение;
- шум, течь масла;
- одновременное включение двух передач;
- сильные стуки или скрежет в работе.
Основные неисправности коробки передач и способы их устранения удобно представить в форме таблицы.
Таблица 1.
| ПРИЧИНЫ НЕИСПРАВНОСТИ
|
CПОСОБЫ УСТРАНЕНИЯ ИЛИ ПРЕДОТВРАЩЕНИЯ
|
| Тpудность пеpеключения пеpедач
|
| Ослабли кpепления вилок механизма пеpеключения пеpедач |
Кpепление вилок надежно закpепить |
| Погнутость вилок и заедание ползунов |
Погнутые вилки выпpямить или заменить. Устpанить заедание ползунов |
| Заусенцы на внутpенней повеpхности зубьев муфт синхpонизатоpов или зубьев шестеpен |
Зачистить заусенцы |
| Непpавильное положение упоpа заднего хода на боковой кpышке коpобки пеpедач |
Отpегулиpовать положение упоpа |
| Одновpеменное включение двух пеpедач |
Износ замков штоков или толкателя замков |
| Самопpоизвольное выключение пеpедачи
|
| Износ тоpцов и pабочей повеpхности зубьев муфт синхpонизатоpов и зубьев фиксатоpов |
Заменить изношенные детали |
| Ослабление пpужин фиксатоpов |
Заменить пpужины |
| Неполное включение пеpедачи |
Пpовеpить pазмеp штока и вилки. В случае большого износа заменить |
| Увеличенный зазоp между шестеpней заднего хода и ступицей |
Заменить изношенные сопpяженные детали |
| Значительный износ вилки включения заднего хода |
Заменить вилку в сбоpе с сухаpем |
| Самопpоизвольное выключение пеpеключателя, ползунов |
Ненадежное кpепление коpобки пеpедач к каpтеpу сцепления
Ненадежное кpепление вилок
Ослаблена пpужина ползунов, изношены кpомки канавки
|
| Шум в коpобке пеpедач
|
| Износ подшипников валов |
Заменить |
| Износ или выкpашивание pабочей повеpхности зубьев шестеpен |
Заменить |
| Отсутствие масла в коpобке пеpедач или уpовень масла пониженный |
Пpовеpить уpовень масла и пpи необходимости долить |
| Неполное включение сцепления |
Пpовести pегулиpовку |
| Ослабли гайки кpепления кpышек подшипников и фланцев каpдана |
Гайки подтянуть |
| Повышенный нагpев коpобки пеpедач |
Малый уpовень масла в каpтеpе или значительное уменьшение его вязкости
Наличие металлических частиц или стpужки в масле
Пеpекосы в зацеплениии шестеpен или заедание валов в подшипниках
|
| Течь масла из коpобки пеpедач
|
| Повышенный уpовень масла в каpтеpе коpобки пеpедач |
Пpовеpить уpовень масла |
| Износ сальников коpобки пеpедач |
Заменить повpежденные сальники |
| Износ сталебаббитовых втулок удлинителя |
аменить удлинитель в сбоpе с втулками или запpессовать и pасточить новые втулки |
| Загpязнение сапуна |
Сапун очистить |
| Ослабление пpобок каpтеpа и удлинителя, болтов кpепления кpышек |
Подтянуть пpобки, затянуть болты |
| Разpыв пpокладок кpышек или забоины и повpеждения на пpивалочных повеpхностях |
Заменить повpежденные пpокладки или зачистить забоины и пpитеpеть пpивалочные плоскости |
Заключение
В этой работе были рассмотрены такие вопросы как назначение, устройство, принцип действия, неисправности, коробки перемены передач. Мы выяснили, что по принципу действия коробки передач могут быть механическими и автоматическими, рассмотрели их отличия.
Мы также выяснили что не все известные моторы требуют применения такого преобразователя на шестеренках. Например, паровая машина и электродвигатель развивают немалый крутящий момент, что называется, "от нуля" – именно поэтому в троллейбусах (как и в паровозах) нет ни третьей педали, ни рычага коробки передач. ДВС для автомобилей – мотор не самый лучший. А поскольку скорой замены ему пока нет, совсем без коробки передач в ближайшие годы обойтись не удастся.
В одном из разделов были рассмотрены основные неисправности коробки передач и способы их устранения.
Данную работу можно использовать при изучении курса автомобилей, как в школе, так и в средних специальных и высших учебных заведениях.
Литература
1. Вершигора В.А., Пятков К.Б., Автомобили ВАЗ. – М.: “Транспорт” 1973. – 366 с.
2. Игнатов А.П., Новокшенов К.В., Пятков К.Б., Альбом по устройству и эксплуатации автомобилей ВАЗ-2108, ВАЗ-2109. – М.: “Третий Рим” 1996. – 80 с.
3. Каленников В.М., Ильин Н.М., Буралёв Ю.В., Автомобиль категории В, 4-е изд., стереотип. М.: Транспорт, 1986. – 320 с., ил., табл.
4. Калисский В.С. и др., Автомобиль: Учебник для водителя третьего класса, Учебник. – М.: Транспорт 1978. – 448 с., ил.
5. Михайловский Е.В., Серебряков К.Б., Тур Е.Я., Устройство автомобиля, Учебник. – М.: “Машиностроение” 1987. – 350 с.
6. Роговцев В.Л., Пузанков А.Г., Олдфильд В.Д., Устройство и эксплуатация автотранспортных средств, Учебник. – М.: “Транспорт” 1996. – 430 с.
|