БЕЛОРУССКИЙ ГОСУДАРСТВЕННЫЙ УНИВЕРСИТЕТ ИНФОРМАТИКИ И РАДИОЭЛЕКТРОНИКИ
КАФЕДРА РЭС
РЕФЕРАТ
НА ТЕМУ:
«КОНСТРУКТИВНО-ТЕХНОЛОГИЧЕСКИЕ ВАРИАНТЫ ИСПОЛНЕНИЯ БИПОЛЯРНОГО И ПОЛЕВОГО ТРАНЗИСТОРОВ В ОДНОМ КРИСТАЛЛЕ. ИНЖЕКЦИОННО-ПОЛЕВАЯ ЛОГИКА»
МИНСК, 2009
При изготовлении биполярного и полевого транзисторов в одном кристалле возникает проблема оптимизации характеристик и физико-топологических структур в связи с необходимостью оптимизации одновременно двух биполярных транзисторов п+
-р-п-
и р
-n
-р
-типов, создаваемых в одном кристалле.
Из описания принципа работы полевого транзистора с управляющим р-п
переходом ясно, что одновременно обеспечить низкое напряжение отсечки и высокое напряжение пробоя р-п
перехода затвор – исток полевого транзистора можно созданием тонкого и слаболегированного канала. Для обеспечения большого коэффициента передачи тока и высокой граничной частоты биполярного транзистора база также должна быть тонкой. Но при снижении степени легирования базы уменьшаются предельная частота усиления и напряжение прокола базы. Такая взаимосвязь конструктивно-технологических параметров областей и электрических характеристик транзисторов определила один из возможных путей создания интегрированных биполярных и полевых с управляющим электродом структур – формирование активных областей транзисторов различных типов с различной толщиной и степенью их легирования.
Один из вариантов такого рода структур, характеризующийся малым напряжением отсечки ПТУП, представлен на рис. 1. В данном случае уменьшение напряжения отсечки достигается за счет использования V-ПТУП. Технология изготовления данной структуры состоит из следующих этапов: в кремниевую подложку р
-типа с эпитаксиальным слоем n
-типа, содержавшую скрытый п
+
-слой и изолирующие диффузионные области р
+
-типа, проводится диффузия для формирования областей базы и канала р
-типа. Затем с помощью фотолитографии вскрывается окно в окисном слое и осуществляется химическое травление базовой области в структуре ПТУП для образования V-образного углубления. Подложка имеет кристаллографическую ориентацию (100). Далее проводится диффузия для формирования областей n
+
-типа эмиттера, затвора и омического контакта коллектора.

Рис. 1. Структура, содержащая биполярный и V- ПТУ П -транзистор:
/– подложка кремния р
-типа; 2–
эпитаксиальный слой; 3–
скрытый слой; 4
– изолирующие области; 5– базовая область; 6 –
область канала р
-типа; 7–V-образное углубление; 8–
область эмиттера; 9-
область затзора; 10–
n
+
-область контакта коллектору
Этот конструктивно-технологический вариант изготовления микросхемы позволяет полностью совместить технологические операции формирования областей обоих типов транзисторов, но требует введения дополнительных операций фотолитографии и травления.
Обеспечить более точную регулировку концентрации легирующей примеси в канале, а следовательно и напряжения отсечки, по сравнению с диффузионной технологией, можно с помощью ионного легирования. Применение ионного легирования позволяет изготовлять микросхемы, содержащие на одном кристалле высококачественные биполярные транзисторы и высококачественные полевые транзисторы с точно согласованными параметрами. Структура, содержащая такие транзисторы, представлена на рис. 2. В ней одна ионно-легированная область образует канал р
-типа между областями истока и стока, а вторая ионно-легированная область образует затворную область над этим каналом.
Такая технология включает операции диффузии базы, истока и стока, а также эмиттера и омических контактов коллектора и затвора. На следующих этапах изготовления микросхемы готовая пластина с диффузионными областями дополняется областями канала и затвора, формируемыми методом ионного легирования. Различие между структурой биполярный транзистор — ПТУП и структурой на основе обычной планарно-эпитаксиальной технологии заключается в наличии сформированного ионным легированием канала, заглубленного под поверхность полупроводникового материала в промежутке между областями истока и стока. В процессеизготовления этой структуры одна операция ионного легирования обеспечивает формирование канала p
-типа между истоковым и стоковым контактами, которые представляют собой стандартные диффузионные области р
-типа, формируемые одновременно с диффузией базы в биполярных транзисторах. С помощью второго ионного легирования формируется затворная область n
-типа, закрывающая сверху область канала. Напряжение отсечки полевого транзистора с управляющим р-
n
переходом пропорционально суммарному количеству легирующей примеси, имеющемуся в его канале.

Рис. 2. Структура, содержащая биполярный транзистор и полевой транзистор с управляющим р-п
переходом с ионно-легированным каналом (1
) и ионно-легированным верхним управляющим затвором (2)

Рис. 3. Биполярно-полевая структура с диэлектрической изоляцией элементов, обеспечивающая высокий коэффициент усиления: 1
– ионно-легированная область базы транзистора; 2– изолирующий окисел кремния; 3
– поликристаллический кремний с большим удельным сопротивлением; 4–
область канала полевого транзистора
При использовании диффузионной технологии напряжение отсечки полевых транзисторов контролируется очень плохо и получить два полевых транзистора с согласованными напряжениями отсечки почти невозможно. При переходе на формирование канала с помощью ионного легирования появляется возможность практически точно задать количество ионов примеси, необходимое для получения канала с заданными свойствами. В результате становится вполне реальным управлять абсолютными значениями напряжений отсечки и получить ПТУП с точно согласованными параметрами. В то же время формирование ионно-легированных каналов с малыми примесными концентрациями позволяет получить не только небольшие по абсолютному значению напряжения отсечки, но и высокие пробивные напряжения полевых транзисторов.
В рассмотренных выше вариантах структур биполярный транзистор — ПТУП особое внимание уделено обеспечению малых значений напряжения отсечки полевых транзисторов. Однако, при использовании этих структур в ОУ следует учитывать и необходимость обеспечения высоких электрических характеристик биполярных транзисторов, в частности, статического коэффициента передачи тока В.
Для этих целей разработана структура биполярного транзистора с большим коэффициентом передачи тока, в которой областьактивной базы имеет низкую концентрацию легирующей примеси (N
=2...4·1015
см–3
). Такой уровень легирования базы при ее малой толщине, обусловленной необходимостью обеспечения высокой граничной частоты и коэффициента передачи тока, достигается в данной структуре сочетанием ионной имплантации и диффузии.
Биполярно-полевая структура с диэлектрической изоляцией элементов, содержащая биполярный транзистор с большим коэффициентом В,
изображена на рис. 3. Технологическая последовательность ее изготовления следующая: диффузия р
+
-областей, длительная диффузия для образования р
-канала, ионное легирование и кратковременная диффузия р
-области для образования базы биполярного транзистора, диффузия n
+
-областей для образования эмиттера биполярного и затвора полевого транзисторов.
При изготовлении биполярно-полевой каскодной схемы необходимо создание на одном кристалле биполярного п-р-п-
и полевого с л-каналом транзисторов (рис. 4). В этой структуре полевой транзистор имеет кольцевую геометрию, а область канала полевого транзистора изолирована от коллектора биполярного транзистора диффузионными р-п
переходами. Нижним затвором служит подложка. Для создания верхнего затвора проводится предварительная диффузия примеси бора с высокой поверхностной концентрацией и длительный диффузионный отжиг для заглубления р
+
-области затвора. Затем проводится диффузия бора с меньшей поверхностной концентрацией и менее длительным временем для формирования базы биполярного транзистора. В результате более высокой концентрации и более длительной диффузии бор в полевом транзисторе диффундирует глубже, чем в биполярном. Области п
+
-типа эмиттера и омического контакта коллектора биполярного транзистора, стока и истока полевого транзистора образуются одновременно диффузией фосфора.
Рис. 4. Биполярно-полевая структура с изоляцией элементов р-п
переходами и n
-канальным полевым транзистором: /— диффузионная область базы биполярного транзистора; 2
— область изолирующей диффузии; 3
— р
+
-область верхнего затвора полевого транзистора; 4
— область канала полевого транзистора
Рис. 5. Биполярно-полевая структура, содержащая ПТУП с вертикальным каналом n
-типа: /—область канала ПТУП; 2
—р
+
-область затвора: 3
— скрытый слой; 4
— изолирующая р
- область', 5
—р
+
-область пассивной базы; 6
— р
-
-область активной базы
Структура, в которой интегрированы малошумящий высокочастотный и-канальный полевой и биполярный n
-р
-n
-транзисторы, изображена на рис. 5. Она отличается от приведенных выше структур тем, что содержит не горизонтальный, а вертикальный полевой транзистор. Важным преимуществом последнего является возможность формирования очень короткого канала и, тем самым, достижения высокого быстродействия.
При изготовлении этой структуры одновременно формируют n
+
-области эмиттера, контакта к коллектору, стока и истока; р
+
-область затвора может формироваться или при диффузии активной базы р
-типа, или, что более эффективно, при создании заглубленной области р
+
-типа пассивной базы биполярного транзистора. В целях повышения воспроизводимости параметров структуры диффузия может быть заменена ионной имплантацией.
Вертикальный полевой транзистор при площади истока, равной 250 мкм2
, имеет предельную частоту усиления 7 ГГц, напряжение отсечки 2 В, напряжение пробоя исток — затвор 10 В. Следует отметить, что область истока с целью осуществления контакта выполняется шире канала и поэтому перекрывает диффузионные области затвора.
Недостатками такой конструкции полевого транзистора, обусловленными перекрытием затвором области истока, является повышенная емкость затвор — исток и малое напряжение пробоя. Перекрытие может быть исключено с помощью техники самосовмещения, но это требует дополнительных технологических операций. Трудность изготовления на одном кристалле биполярного и полевого с вертикальным каналом транзисторов заключается в выборе оптимального значения сопротивления эпитаксиального слоя, определяющего сопротивление канала и коллектора.
ФУНКЦИОНАЛЬНО-ИНТЕГРИРОВАННЫЕ БИПОЛЯРНО-ПОЛЕВЫЕ СТРУКТУРЫ. ИНЖЕКЦИОННО-ПОЛЕВАЯ ЛОГИКА
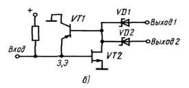
Функционально-интегрированная структура, содержащая биполярный p
-n
-p
-транзистор VT
1
и полевой транзистор с управляющим р-п
переходом VT
2,
показана на рис. 6. В ней совмещены коллекторная область биполярного р-
n
-транзистора с затворной областью и и-канального полевого транзистора, а также базовая область р
-n
-р
-транзистора с истоковой областью полевого транзистора.
Эта структура является основой нового схемотехнического базиса логических элементов, использующего явление инжекции основных носителей заряда и полевой эффект и названного инжекционно-полевой логикой, выполняет функции инвертора и содержит полевой транзистор в качестве переключательного элемента, а в качестве нагрузочного элемента (генератора тока) — биполярный транзистор. Затвор полевого транзистора служит входом (рис. 6 а, б, в),
а сток — выходом инвертора.

Рис. 6. Структура (а), топология (б) и эквивалентная электрическая схема (в) инжекционно-полевого инвертора
Инжекционно-полевой элемент работает следующим образом. Подключение базы и эмиттера р
-n
-р
-транзистора соответственно к земле и к плюсовым электродамцепи питания при подаче на последние напряжения, равного напряжению открывания эмиттерного р-п
перехода (0,3...0,6 В), обеспечивает протекание тока питания между эмиттером и коллектором р-
n
-р
-транзистора. При этом р
-n
-р-
транзистор включен по схеме с общей базой и является генератором постоянного тока, величина которого практически не зависит от напряжения на его коллекторе. Ток питания представляет собой ток неосновных носителей заряда, перемещающихся в базовой области р-
n
-р
-транзистора, являющейся одновременно истоковой областью полевого транзистора. Неосновные носители заряда собираются (коллектируются) р-
n
переходом затвор — исток.
Полевой транзистор в ИПЛ-инверторе работает в режиме, не характерном для работы полевых транзисторов в традиционных схемах. При нулевом потенциале на входе инвертора (т. е. при замыкании затвора полевого транзистора на «землю», см. рис. 6), соответствующем напряжению логического нуля, полевой переключательный транзистор закрыт, так как его канал перекрыт обедненным слоем объемного заряда р-п
перехода затвор — исток и имеет очень высокое сопротивление (рис. 7). Кроме того, обычно напряжение между затвором и истоком, при котором происходит перекрытие канала слоем объемного заряда, имеет отрицательную полярность и составляет несколько вольт. В случае ИПЛ-элемента это напряжение имеет положительную полярность и составляет несколько долей вольта. В самом деле, если гальваническая связь между входом и «землей» отсутствует, то неосновные носители заряда, коллектированные р-
n
переходом затвор — исток, будут накапливаться в затворной области, пока на ней не установится потенциал, примерно равный напряжению источника питания. При этом р-
n
переход затвор — исток смещается в прямом направлении и сопротивление канала резко уменьшается вследствие уменьшения слоя объемного заряда. Переключательный полевой транзистор открывается. Напряжение 0,3...0,6В соответствует напряжению логической «1».

Рис. 7. Структура нормально закрытого полевого n
-канального транзистора с управляющим р-п
переходом: /— область канала; 2
— область объемного заряда; 3
— диффузионно-легированная кольцевая р
- область затвора; 4
— ионно-легированная п
+
- область стока.
Описанный выше режим работы полевого транзистора не оптимален с точки зрения обеспечения привычных характеристик полевых транзисторов, в частности высокого входного сопротивления, реализуемых в традиционных схемах. Однако такой режим работы является единственно возможным для осуществления работы ИПЛ-инверторов в логических схемах непосредственно друг на друга без промежуточных каскадов и при одном только источнике питания.
Включение переключательного полевого транзистора по схеме с общим истоком, а биполярного нагрузочного транзистора по схеме с общей базой позволяет строить логические схемы на ИПЛ-элементах в общей подложке без эпитаксиального слоя и без изоляции отдельных элементов друг от друга. Это заранее предопределяет простоту технологии, повышение выхода годных микросхем и снижение их стоимости.
Топология элемента допускает в случае необходимости выполнение выходов инвертора в виде нескольких независимых стоковых областей, аналогичных многоколлекторному выходу классической инжекционной логики. С целью получения более высокого быстродействия элементов инжекционно-полевой логики, их строки формируют совмещенными с диодами Шотки (рис. 8). В основу конструкции элемента ИПЛ с диодами Шотки положена обычная планарно-эпитаксиальная структура со скрытым n
+
-слоем. Изолирующие области р
+
-типа в ней соединены металлизацией с n
+
-областью стока полевого транзистора.
Кроме описанной выше и приведенной на рис. 6 основной структуры ИПЛ-элемента возможны и другие ее варианты, использующие различные конструкции переключательного и нагрузочного элементов. Общим для всех модификаций будет принцип работы, заключающийся в инжекции неосновных носителей заряда посредством прямосмещенного р-п
перехода в истоковую область нормально закрытого полевого транзистора с последующим их коллектированием выпрямляющим переходом затвор — исток полевого транзистора, за счет чего и осуществляется управление проводимостью канала.
На рис. 8 представлена функционально-интегрированная биполярно-полевая структура, формируемая с применением ионной имплантации. В ней биполярный р-
n
-р
-транзистор изготавливается по обычной планарно-эпитаксиальной технологии, а для формирования области стока нормально закрытого ПТУП и создания необходимой низкой концентрации примесей в п
-области канала используются две операции ионного легирования.
а) 
Рис. 8. Структура (а)
и эквивалентная электрическая схема (б)
элемента инжекционно-полевой логики с диодами Шотки

Рис. 9. Структура биполярного-полевого элемента микросхемы с применением ионного легирования: /— подложка; 2
— скрытый n
+
-слой; 3
— эпитаксиальный n
-слой; 4
— область перекомпенсирования примеси n
-типа имплантацией бора; 5
— окисел кремния; 6
— фоторезист
Одним из важнейших условий формирования структуры полевого транзистора в ИПЛ-схемах является обеспечение низкой (на уровне 10|3
...1015
см~3
) концентрации примеси в канале. Поэтому вначале имплантацией примеси р-типа в базовую область р-п-р-транзистора за счет перекомпенсации создается участок с пониженной концентрацией донорной примеси (рис. 9,6), а затем имплантацией примеси n-типа формируется г-область стока полевого транзистора.
Перспективы развития инжекционно-полевой логики на основе нормально закрытого полевого транзистора оцениваются очень высоко, что объясняется возможностью создания на их основе сверхскоростных, сверхбольших интегральных микросхем и их способностью работать в широком диапазоне температур. Предполагается, что интегральные микросхемы на элементах ИПЛ найдут применение при создании аналоговых устройств (операционных усилителей, аналого-цифровых и цифро-аналоговых преобразователей, усилителей считывания в цифровых устройствах), логических устройств (БИС-часов и микрокалькуляторов, однокристальных ЭВМ), запоминающих устройств (БИС оперативной памяти, БИС ПЗУ и др.).

Рис. 10. Структура кристалла микросхемы, содержащей ЭСЛ и ИПЛ, изготовляемых в одном технологическом процессе с комбинированной изоляцией.
Некоторые конструктивно-технологические решения направлены на создание на одном кристалле элементов инжекционно-полевой логики и элементов других схемотехнических базисов (рис. 10).
ЛИТЕРАТУРА
1. Новиков Ю.В. Основы цифровой схемотехники. Базовые элементы и схемы. Методы проектирования. М.: Мир, 2001. - 379 с.
2. Новиков Ю.В., Скоробогатов П.К. Основы микропроцессорной техники. Курс лекций. М.: ИНТУИТ.РУ, 2003. - 440 с.
3. Пухальский Г.И., Новосельцева Т.Я. Цифровые устройства: Учеб. пособие для ВТУЗов. СПб.: Политехника, 2006. - 885 с.
4. Преснухин Л.Н., Воробьев Н.В., Шишкевич А.А. Расчет элементов цифровых устройств. М.: Высш. шк., 2001. - 526 с.
5. Букреев И.Н., Горячев В.И., Мансуров Б.М. Микроэлектронные схемы цифровых устройств. М.: Радио и связь, 2000. - 416 с.
6. Соломатин Н.М. Логические элементы ЭВМ. М.: Высш. шк., 2000. - 160 с.
|