Федеральное агентство по образованию Российской Федерации
Орловский Государственный технический университет
Орловский технологический институт
Орловский политехнический колледж
Реферат
По дисциплине: «Типовые элементы САУ»
Тема: «Коммутационные элементы»
Студент:
Группа:
Специальность: 220301
Реферат защищен с оценкой:
Руководитель: Гаранжа Т.С.
Орел 2007
КОММУТАЦИОННЫЕ ЭЛЕМЕНТЫ
Назначение. Основные понятия
Коммутационные элементы предназначены для включения, отключения и переключения электрических цепей. Под коммутацией обычно понимают выполнение этих трех операций. Различают коммутационные элементы ручного и автоматического управления. Коммутационные элементы ручного управления срабатывают при непосредственном механическом воздействии на их органы управления. Автоматические коммутационные элементы срабатывают под воздействием электромагнитных сил на их приводные органы. Основной частью таких элементов обычно является электромагнит, входным сигналом для них служит электрический ток или напряжение. Автоматические коммутационные элементы используются в системах автоматики и при дистанционном управлении различными механизмами и устройствами. Они рассматриваются в последующих главах данного раздела.
В этой главе рассмотрены коммутационные элементы с механическим приводом. Используются они, как правило, для местного управления и для подачи сигналов о достижении каких-либо промежуточных и конечных положений. По своему назначению коммутационные элементы подразделяют на два вида: для коммутации силовых цепей (обмоток электродвигателей, мощных электромагнитов, трансформаторов, нагревателей и других потребителей) и для коммутации цепей управления (обмоток релейно-контактной аппаратуры, устройств контроля, регулирования и сигнализации). Такое разделение обусловлено различными значениями токов и напряжений в коммутируемых цепях, что, в свою очередь, влияет на конструктивное исполнение и габаритные размеры. Изучение коммутационных элементов для силовых цепей не входит в нашу задачу. Отметим только, что наибольшее распространение для этих целей получили рубильники и переключатели рубящего типа, обеспечивающие быстрое размыкание и имеющие специальные устройства для гашения электрической дуги.
Все коммутационные элементы, используемые в цепях управления, обязательно имеют следующие узлы: неподвижные контакты, подвижные контакты и орган управления. Кроме того, они могут иметь элементы фиксации, монтажа и настройки, дугогашения и т. п. Необходимые коммутационные элементы выбирают по допустимым значениям тока и напряжения. Но наиболее важной для практики характеристикой коммутационных элементов является их надежность, т. е. сохранение работоспособности при большом числе срабатываний.
Коммутационные элементы различают по числу коммутируемых цепей (одноцепные и многоцепные) и по числу фиксированных положений, причем имеются коммутационные элементы с самовозвратом в исходное положение, т. е. без фиксации переключенного положения, что может быть необходимо для ряда схем управления.
К коммутационным элементам с механическим приводом относятся кнопки управления, микропереключатели, тумблеры, клавишные, поворотные, рычажные и кулачковые переключатели, а также концевые и путевые выключатели.
Кнопки управления и тумблеры
Кнопки управления — это аппараты, подвижные контакты которых перемещаются и срабатывают при нажатии на толкатель кнопки. Комплект кнопок, смонтированных на общей панели, представляет собой кнопочную станцию. Используемые в схемах автоматики кнопки управления различают по числу и типу контактов (от 1 до 4 замыкающих и размыкающих), форме толкателя (цилиндрический, прямоугольный и грибовидный), способу защиты от воздействия окружающей среды (открытые, закрытые, герметичные, взрывобезопасные и т. д.).
Независимо от конструкции и габаритных размеров кнопок (рис.1, а, б)
все они имеют неподвижные контакты 1
и подвижные контакты 6,
перемещаемые с помощью толкателя 3.
Внешняя цепь подсоединяется к кнопке с помощью винтовых зажимов 7. Корпус 2
кнопки фиксируется на панели управления гайками 4
и 5.


Рис. 1.
Конструкции кнопок управления
Электрические параметры наиболее распространенных кнопок приведены в табл.1. Кнопки управления общепромышленного применения серий КУ и КЕ имеют различные исполнения и формы толкателей.
Таблица 1.
Электрические параметры кнопок управления различных типов
| Наименование параметров |
Типы кнопок |
| КУ О |
КУ1, КУ2 |
КЕ |
ВК 14-21 |
К 20, К 03 |
Номинальное напряжение, В: переменного тока
постоянного тока
|
380
220
|
500
440
|
500
200
|
660
440
|
380
220
|
| Минимальное напряжение, В |
24 |
24 |
24 |
12 |
- |
| Номинальный ток, А |
2,5 |
5 |
6 |
10 |
5 |
| Разрываемый переменный ток, А |
2,5 |
12 |
9,6 |
16 |
6 |
Для коммутации цепей электроники выпускаются специальные кнопки (например, типа ВК14-1). Малогабаритные кнопки управлениявыполняют на основе микровыключателя типа МП, который используют в качестве исполнительного контактного элемента в тумблерах типа MT1 и МТП. Долговечность и надежность кнопок управления оценивают коммутационной износостойкостью, которую выражают в гарантированном числе циклов включений-отключений под нагрузкой. Этот параметр различен для разных кнопок и условий эксплуатации. Например, для кнопок типа ВК14-21 с медными контактами он составляет 0,25 * 106
циклов, с биметаллическими контактами — 2,5 * 10б
, с серебряными контактами — 4 * 10'' циклов. Механическая износостойкость всегда превышает коммутационную. В последнее время все большее распространение получили кнопки управления с прямоугольной формой толкателя — их называют клавишами.
На основе кнопок управления изготовляют кнопочные станции, содержащие до 12 кнопок различного исполнения, собранных на общей панели или в одном корпусе. Такие коммутационные устрой ства называют кнопочными или клавишными переключателями (рис.2).

Рис.2. Кнопочный переключатели
Переключатель представляет собой наборную панель из кнопок 1
(или клавиш), смонтированных на общем каркасе 2
и снабженных механизмом фиксации, который может быть независимым для каждой кнопки (клавиши) или взаимно сблокированным. Кнопки могут также иметь самовозврат в исходное положение или чередование включенного и отключенного фиксированных положений. Каждая кнопка или клавиша осуществляет коммутацию одной или нескольких цепей. Некоторые типы переключателей снабжают специальной кнопкой возврата (сброса) включенных кнопок в исходное положение. В этом случае возможно включенное положение нескольких кнопок одновременно. Особенностью этих переключателей является двухпозиционное положение (включено, отключено) каждой кнопки или клавиши. Необходимый режим или программа управления задается путем набора включенных и отключенных положений соответствующих кнопок (клавиш). При этом положение кнопок или клавиш (поднятое или утопленное) играет роль указателя. Для этой цели используют также световые сигнализаторы 3
(лампы или светодиоды), вмонтированные в корпус блока переключателя (рис.2). Закрытое исполнение и использование высококачественных материалов (биметаллов, сплавов серебра и т. п.) для контактов обеспечивают малые переходные сопротивления, что весьма важно при установке этих переключателей в низковольтных и слаботочных цепях автоматики и электроники.
Для более мощных цепей автоматики применяют тумблеры, используемые в качестве выключателей, а также двух- и трехпозиционных переключателей. На рис.3 показано устройство двухпозиционного тумблера. Мостиковый контакт, выполненный в виде токопроводящего ролика /, замыкает одну из двух пар неподвижных контактов 2.
Переключение контактов тумблера осуществляется воздействием на рычаг 3,
а ускорение срабатывания (мгновенное действие) обеспечивается пружиной 4.
Номинальный ток тумблера I и 2 А при напряжении 220 В, масса их не превышает 30 г.

Рис.3.
Двухпозиционный тумблер
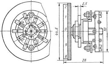
Для коммутации нескольких цепей при нескольких фиксированных положениях для выбора различных режимов работы используются пакетные переключатели. Такой переключатель (рис.4, а)
состоит из ряда слоев — пакетов 3
(показан отдельно на рис.4, б),
внутри которых находятся подвижный 5
и неподвижный 4
контакты. Подвижный контакт 5
закреплен на оси 2,
вращающейся с помощью рукоятки 1
и имеющей ряд фиксированных положений, и которых замыкаются неподвижные контакты одного из пакетов. Выводы 6
неподвижных контактов закреплены в корпусе переключателя. Недостаток таких пакетных переключателей — низкая надежность скользящих контактов.
Пакетные переключатели кулачкового типа, в которых электрическая цепь замыкается неподвижными контактами, более надежны. Подвижными у них являются диэлектрические кулачки, которые и замыкают контакты в зависимости от профиля кулачка и положения оси. Конструкции пакетных переключателей, предназначенных для цепей управления, позволяют получить десятки и сотни вариантом разнообразных схем соединений при числе коммутируемых цепей до 24 (12 пакетов) и количестве фиксированных положений до X (через 45, 60 или 90°).

Рис.4. Пакетный переключатель
Имеются переключатели и без фиксации переключаемого положения — с самовозвратом в исходное положение. Особенность этих переключателей — наличие запирающего (на ключ) устройства, что, исключает бесконтрольное переключение.
Наиболее распространенными переключателями цепей управленияявляются аппараты серий ПКУ2 и ПКУЗ. Номинальный (длительно допустимый) ток переключателей серии ПКУ2 — 6 А при напряжении 380 В переменного тока и 220 В постоянного тока, а для переключателей серии ПКУЗ — 10 А при 500 В переменного тока. Как видно по техническим параметрам, такие переключатели пригодны и для непосредственного включения и отключения довольно мощных потребителей электроэнергии, например электродвигателей мощностью в несколько киловатт.
Меньшими габаритами обладают переключатели серий ПУ и ПЭ,
имеющие поворотные механизмы привода на два или три положения. Среди них имеется исполнение с выемным ключом-рукояткой.
Такими переключателями, как правило, блокируют подачу напряжения в схему управления, изменяют режимы и способы управления. При этом предусмотрена возможность запирания переключателя как в отключенном, так и в других его положениях. Номинальный ток переключателей серий ПУ и ПЕ — 5 А при напряжении 220 В переменного тока и 1 А при 110 В постоянного тока.
Системы автоматического и программного управления требуют весьма сложных переключений, для которых необходимы многопозиционные и многоцепные переключатели (при числе цепей и положений порой в несколько десятков). Конструктивно такие коммутационные элементы выполнены в виде двух, четырех (и более) неподвижных секций, смонтированных на платах, и подвижных контактов, закрепленных на общем валу и фиксируемых специальным пружинно-шариковым фиксатором в заданных позициях.
На рис.5 показаны наиболее распространенные ползунковые переключатели серии ПП однопанельного исполнения на 35 цепей. Переключатели в открытом исполнении предназначены для встроенного монтажа за панелью управления. Аналогичные щеточные переключатели, но закрытого исполнения, имеют от 1 до 4 секций причисле контактов в каждой секции от 4 до 24. Они обеспечивают Надежную коммутацию при токе нагрузки до 1 А цепей переменного (напряжением 380 В) и постоянного (напряжением 220 В) тока.
В радиоэлектронной аппаратуре используются аналогичные пакетным переключатели — так называемые галетные. Они имеют от 2 до 11 положений при числе секций (галет) от 1 до 4. На рис.6 показан переключатель серии ПГС на 10 положений.
Рис.5. Ползунковый переключатель

Рис.6.
Галетный переключатель
В последнее время в автоматике все шире используются достижения микроэлектроники, например большие интегральные схемы Для коммутации в цепях, содержащих подобные элементы, необходимы переключатели, контакты которых обеспечивали бы надежное прохождение очень слабых токов (милли- или микроамперы) при пониженных значениях напряжений (до 5 В).
Путевые и конечные выключатели
Путевые и конечные выключатели представляют собой коммутационные элементы, кинематически связанные с рабочей машиной и срабатывающие в зависимости от перемещения подвижной части рабочей машины. Путевые выключатели срабатывают в определенных промежуточных точках на пути перемещения, конечные выключатели срабатывают в крайних точках: в начале и конце пути. Особенно широко путевые и конечные выключатели используются в схемах автоматизированного электропривода различных производственных механизмов. С их помощью происходят автоматическое управление приводом на отдельных участках пути и автоматическое отключение в крайних положениях механизма.
В зависимости от устройства, осуществляющего замыкание или размыкание контактов, путевые и конечные выключатели можно подразделить на кнопочные (нажимные), рычажные, шпиндельные и вращающиеся. Переключение контактов в этих выключателях осуществляется следующим образом. В кнопочных — нажатием рабочего органа механизма на шток, с которым связаны контакты выключателя. В рычажных — воздействием рабочего органа механизма на рычаг, с которым связаны контакты. В шпиндельных — перемещением гайки по винту, связанному через передачи с валом механизма. Во вращающихся — переключающими кулачковыми шайбами, связанными с валом механизма.
В штоковых выключателях скорость переключения контактов определяется скоростью перемещения производственного механизма. При малой скорости взаимное перемещение подвижных и неподвижных контактов происходит медленно, что приводит к длительному горению дуги, возникающей между размыкающимися контактами, и их быстрому разрушению из-за оплавления и усиленного окисления. Для нормальной работы такого выключателя скорость перемещения механизма должна быть не менее 0,5 м/мин. А для обеспечения мгновенного переключения контактов используются специальные пружинные механизмы, освобождающиеся с помощью спусковых механизмов (собачек). Пружины также используются для обеспечения необходимой силы контактного нажатия. На рис.7 показано устройство простого конечного выключателя.

Рис.7. Конечный микровыключатель с мгновенным переключением контактов
Закрепляется он таким образом, чтобы упор на подвижной части производственного механизма находился напротив штока 4.
При нажатии упора на шток 4
последний давит на пружину 3.
При достижении определенной силы нажатия пружина 3
перебрасывается влево, размыкая контакт 2
и замыкая контакт /. При этом ток пойдет по другой цепи управления. Внешние соединения выключателя выполняются с помощью пайки к выводам: 5
— неподвижный контакт (общий); 6—
размыкающийся контакт 2;
7 — замыкающийся контакт 1.
Плоская пружина 3
выполнена и i трех частей. Средняя часть длиннее крайних, поэтому она всегда находится в изогнутом состоянии и стремится прижимать контакты в их крайних положениях (/ или 2).
Переключатель способен работать в цепях с напряжением до 380 В при токе до 3 А. Перемещение штока составляет 0,5—0,7 мм, необходимое усилие для срабатывания не более 5—7 Н. Время срабатывания 0,01—0,02 с при частоте включений до двух раз в минуту.
На рис.8 показан конечный выключатель типа ВК-111 с мостиковыми контактами. Переключение контактов производится нажатием на шток 1,
а возврат контактов в исходное положение осуществляется пружиной 2.
Использование мостикового контакта 3
уменьшает вероятность возникновения дуги, поскольку цепь разрывается в двух точках. Такие выключатели могут работать при токе включения до 20 А и длительном токе 6 А. Износоустойчивость выключателей — 10б
срабатываний. Допустимая частота — 600 включений в час.

Рис.8. Конечный выключатель типа

Рис.9. Путевой выключатель моментного
ВК- 111с мостиковыми контактами
На рис. 9 показан выключатель с малым временем срабатывания (моментного действия). Контакты подобных выключателей переключаются с постоянной скоростью при определенном положении производственного механизма независимо от скорости движения. Поэтому их применяют при малых скоростях (до 0,5 м/мин) или при необходимости повышенной точности срабатывания (до 0,05 мм).
При нажатии упора на ролик / рычаг 2 поворачивается и давит на набор спиральных пружин 3,
мгновенно действующих на поводок 4.
Поводок поворачивается, и ролик 10,
сжимая пружину 11,
движется по планке 9,
занимая положение правее от оси поворота планки 9.
При этом собачка 6
отводится и контактный мостик под действием пружины 11
и ролика 10
перебрасывается в другое положение, размыкая контакт 7 и замыкая контакт 8.
После отхода упора от ролика 1
поводок 4
и контактный мостик возвращаются в исходное положение под действием пружины 5.
В некоторых случаях используются многопозиционные трех- и пятиконктактные датчики, последовательно управляющие несколькими управляющими цепями. Конструкции таких датчиков сложнее, и они значительно дороже двухконтактных.
Рассмотренные путевые и конечные выключатели имеют сравнительно низкую надежность, связанную с повышенным износом контактной пары. Более высокая надежность обеспечивается при использовании бесконтактных датчиков (например, индуктивного или фотоэлектрического типов), мгновенность срабатывания которых обеспечивается с помощью электронных схем.
Контрольные вопросы
1.Что такое коммутация?
2.Какие коммутационные элементы вы используете у себя дома?
3.Как осуществляется моментное действие выключателя?
4.Что такое кнопка управления?
5.Чем отличаются путевые от конечных выключателей?
6.В чем заключается недостаток пакетных переключателей?
|