Содержание
1. Привести и описать схему дистанционного управления проходческим комбайном 4ПП – 2.
2. Привести схему устройства высоковольтного вентильного разрядника и объяснить его действие.
3. Описать требования, предъявляемые к релейной защите.
4. Что понимается под коэффициентом мощности, и какие способы его повышения применяют на шахтах?
Задачи
1.
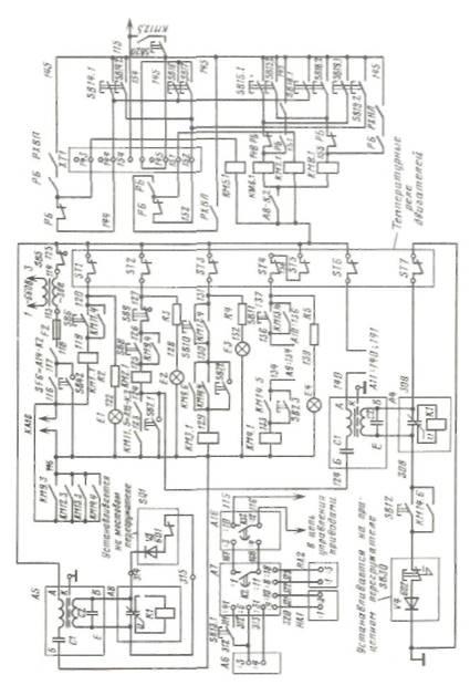
Привести и описать схему дистанционного управления проходческим комбайном 4ПП – 2
  Проходческие комбайны типов ПКЗР. 4ПУ. ГПК. ГПКВ, ПК8М, 4ПП2 комплектуют серийно выпускаемым электрооборудованием со специальными станциями управления в исполнении РВ. Электрические схемы комбайнов обеспечивают выполнение следующих функций: дистанционную подачу электроэнергии на станцию управления; подачу звукового предупредительного сигнала перед началом работы; управление электроприводами комбайна; включение электроприводов в любой последовательности в режиме «Наладка», освещение комбайна; нулевую и максимальную токовую зашиты; подключение температурных реле, встроенных в об   мотки электродвигателей; включение контакторов электропривода хода при работающем исполнительном органе, но выключенных перегружателях; световую сигнализацию о срабатывании защиты от токов к. з. и перегрузок; отключение станции управления при авариях; ряд блокировок исключающих возможность: включения привода исполнительного органа при проведении ремонта в его зоне, работы при нарушенной системе орошения, наезда комбайна на мостовой перегружатель при ходе «Назад»; обеспечивающих последовательность включения электроприводов, снятие напряжения со станции управления при отключении аварийного выключателя; позволяющих проверять схему станции без включения электроприводов; предусматривающих перемещать комбайн при включенном маслонасосе и освобожденных тормозных муфтах редукторов хода.
Отдельные комбайны, например ГПК, комплекс «Кузбасс», имеют счетчики учета рабочего времени.
В качестве примера рассмотрим схему управления комбайном 4ПП2, силовые цепи которого показаны на рис. 7.5, где приводы: Ml
— исполнительного органа; М2
— вентилятора пылеотсоса; МЗ
— маслонасоса; М4
— питателя; М5
— скребкового конвейера; Мб
— прицепного, М7
— мостового перегружателя; М8
и М9
— соответственно левой и правой гусениц; М10 —
насосной установки. На комбайне установлена станция управления типа СУВК-9, которая питается от пускателя ПВИ-320, установленного в штреке. Привод насосной станции орошения типа НУМС работает от пускателя ПВИ-63 (ПВИ-320, ПВИ-63 и двигатель НУМС на рисунках не показаны). Электрическая схема обеспечивает выполнение всех функций, изложенных выше, за исключением учета часов работы комбайна. Управлять приводами комбайна можно в одном из трех режимов: со стационарного или переносного пульта управления или в автоматическом режиме. Рассмотрим первый вариант, с учетом взаимодействия элементов схемы, изображенных на рис. 7,5, 7,6 и 7,7. Вначале включают на станции управления аварийный 5-4/ и автоматический SF
1
выключатели, а затем кнопкой SB
1
включают ПВИ-320 и станция СУВК-9 получает питание. Без дополнительных включений, сразу, получают питание трансформатор TV
1,
стабилизирующие блоки А12, А13,
катушка независимого расцепителя SF
4
и вспомогательный контакт SF
6
выключателя SF
1,
вольтметр PV
,
фары Е1
— ЕЗ,
лампа подсветки шкал приборов Е4,
реле К1
блока А14,
что приводит к замыканию контакта А14-К2
в цепях управления приводами. Для подачи предупредительного сигнала служат акустические излучатели НА1
и НА2,
работающие через электронный блок А7
устройства предупредительного сигнала ПС-ИУ, который получает питание при нажатии на кнопку SB
13.1
и дальнейшем шунтировании этой кнопки замыкающими контактами реле К1
(на схеме не показаны) блока Л7. Контакт К2
блока А7
через б с после начала подачи предупредительного сигнала замыкается в цепи реле времени блока А16 и размыкает свои контакты в цепи питания блока А6. Еще через 2с замыкается контакт К3,2 блока А16. За это время необходимо включить привод исполнительного органа или привод перегружателей. Если включение не произойдет, то схема возвращается в исходное положение. Последовательность включения электроприводов такова. Первым включается привод пылеотсоса, затем насосной станции орошения, мостового и прицепного перегружателей, скребкового конвейера и питателя, маслонасоса, хода, и наконец исполнительного органа. Нажатием на кнопку SB6 обеспечивает включение катушки КМ1,1, замыкающие контакты, которой подают питание на катушку КМ11,1, что приводит к срабатыванию контактора КМ11,2, замыканию его силовых контактов и включению двигателя пылеотсоса. Вспомогательный контакт КМ11.5
подготавливает к работе цепь питания катушки КМ2.1
и цепь управления реле К1
блока А4.
Контактами КМ11.3
включается пускатель штрека насосной станции НУМС, а контактами КМ11.4
шунтируется кнопка SB
6.
Если давление и расход воды в системе орошения в норме, то срабатывает реле давления SP
1,
замыкает свой контакт SP
1
в блоке Л/5, контакт А15-К2
в цепи катушки КМ2.1
и реле К1
блока А4.
Кнопкой SB
12
включают электродвигатели мостового и прицепного перегружателей. Вновь происходит включение реле К1
блока А4,
которое своим замыкающим контактом А4-К.2
замыкает контакты в цепи питания катушки KM
14.
I
,
что приводит к срабатыванию контактора КМ 14.
Включается мостовой и прицепной перегружатели. Дальнейшее включение происходит подобно предыдущему. Остановимся только на включении электропривода исполнительного органа Ml
.
Для этого установлена кнопка SB
8
включающая цепь питания катушки КМ2.1
пускателя KMJ
,
замыкающий контакт которого КМ2.2
подает напряжение на катушку КМ9.1
контактора КМ9.
Включение контактора КМ9
одинаково с включением пускателя ПВИ-250, основа которого — срабатывание контактора при снижении напряжения на 15% номинального. Замыкающий контакт КМ9.4
шунтирует кнопку SB
8,
а КМ9.6
— вспомогательный контакт КМ14.4
в цепи пускателя КМЗ
маслонасоса. Подобная блокировка позволяет включить маслонасос при отключенных перегружателях, питателе и скребковом конвейере и при включенном исполнительном органе. Порядок управления ходом комбайна осуществляется следующим образом. Основная команда подается с гидропульта, что приводит к растормаживанию гусениц хода и включению гидравлического толкателя, который включает кнопку SB
20.
Включение данной кнопки позволяет выполнить следующие операции:, кнопка SB
14
обеспечивает «Ход вперед», SB
15 —
«Ход назад», SBI
6 —
«Разворот вправо», SBI
7
— «Разворот влево», SB
18
— «Поворот вправо», SB
19
— «Поворот влево». Этому способствуют контакты реле блокировки (на рисунке не показано) для управления с местного пульта. Если включение происходит с переносного пульта управления (на рисунке также не показан), то используются замыкающие вспомогательные контакты реле РБ, РХВП. РХВЛ, РХНП. РХНЛ,
расположенные в блоке реле, которые находятся в станции управления. Световая сигнализация позволяет определить срабатывание защиты от токов к. з. или температурной защиты. При этом загораются лампы Е5
или Е6.
В обычных условиях электроприводы отключают соответствующими кнопками «Стоп», но с соблюдением очередности отключения, а в аварийных ситуациях предусмотрено отключение рукояткой аварийного выключателя SA
1;
разрыв цепи кнопкой SB
5
«Стоп общий» или разрыв цепи с последующей фиксацией кнопкой SB
31
в блоке А14.
Схемы управления проходческими комбайнами других типов менее сложны, но последовательность включения электроприводов сохраняется для всех комбайнов.
На комбайне ГПК установлено 7 электродвигателей, на комбайне 4ПУ — 6, а проходческий комплекс КН-5Н «Кузбасс» оснащен 11 электродвигателями.

2. Привести схему устройства высоковольтного вентильного разрядника и объяснить его действие
Разрядники выпускают вентильного — РВ (ГОСТ 16357-83) и трубчатого — РТ (ГОСТ 11475-80) типа. На электростанциях применяют разрядники РВС (С — станционные), на подстанциях РВП (П — подстанционные), для защиты вращающихся машин РВРД (РД — с растягивающей дугой). Применяются также магнитовентильные разрядники серии РВМ и РВМГ (М — с магнитным дутьем, Г — грозовой). Трубчатые в фибробакелитовой трубке обозначают РТФ, а в винипластовой трубке — РТВ.

Вентильный разрядник РВП (рис. 9.14) состоит из рабочего сопротивления 5, набранного из вилитовых (тиритовых или тервитовых) дисков, основной частью которых является карбид кремния, и искровых промежутков 3,
выполненных из латунныхэлектродов, разделенных слюдяными, миканитовыми или фарфоровыми прокладками. Сжатие прокладок осуществляет пружина 2.
Все устройство помещено в фарфоровый корпус 4,
герметизированный озоностойкой резиной 6.
Для крепления разрядника служит хомут 8
с двумя отверстиями под болты. Разрядник присоединяют к токоведущему проводу пластиной 1, а к земле — с помощью шпильки 7.
При номинальном напряжении в линии сопротивление вилита очень велико, и ток через разрядник не проходит. При грозовом разряде напряжение достигает огромных значений, сопротивление вилита падает и волна грозового перенапряжения проходит в землю. После спада волны перенапряжения сопротивление вилита вновь восстанавливается. Вентильные разрядники выбирают по напряжению линии, уровню электрической прочности его изоляции и наибольшему возможному напряжению между проводом и землей в месте присоединения разрядника к сети. Трубчатые разрядники выбирают по напряжению установки и предельным значениям тока к. з. в данной точке сети.
3. Описать требования, предъявляемые к релейной защите
При эксплуатации электросистем могут возникать нарушения нормального режима с отклонением номинальных значений тока, напряжения, частоты и различного рода повреждения, меняющие характеристики номинальных параметров. Для автоматического отключения поврежденных участков от источников питания используют релейную защиту, которая способна воздействовать непосредственно на отключение силовых выключателей или подать соответствующий сигнал обслуживающему персоналу. Защита должна удовлетворять ряду требований, основными из которых являются: быстрота и надежность действия, избирательность, чувствительность, наличие резерва и сигнальных устройств.
Быстродействующей называют защиту, время срабатывания которой не превышает 0,1—0,2 с. Время срабатывания некоторых видов защиты составляет 0,02—0,04 с. Надежность действия состоит в высокой термической и электродинамической стойкости, механической и диэлектрической прочности, постоянной готовности к работе независимо от частоты включений, безотказной работе в пределах установленной зоны защиты и в отсутствии ложных срабатываний. Наличие элементов избирательности позволяет отключать только поврежденные участки сети, не затрагивая комплекс электроустановок или всю систему в целом.
Чувствительность защиты характеризует ее способность реагировать на отклонения контролируемых параметров сети от их нормальных или заданных значений. Она задается коэффициентом чувствительности, который определяется как отношение минимального тока двухфазного к. з. в электрически наиболее удаленной точке зоны действия зашиты к току срабатывания защиты, т. е. Чувствительность защиты определяется ее способностью к срабатыванию не только в пределах защищаемого участка, но и на смежных участках. Данное действие защиты называют дальним резервированием.
Резервирование предусматривают для случаев отказа срабатывания основной релейной защиты или когда аппараты основной защиты по принципу своего действия не в состоянии осуществлять дальнее резервирование.
Каждое реле состоит из трех основных элементов: измерительного (воспринимающего), который реагирует на появление или изменение определенных электрических или механических величин; промежуточного, сравнивающего измеряемую величину с определенным эталоном и при достижении ею заданного значения передающего воздействие к исполнительному элементу; исполнительного, который воздействует на управляемую цепь. Роль измерительного элемента электрических реле выполняют катушки, промежуточного — магнитные системы, исполнительного — контакты.
Реле защиты классифицируют следующим образом: в зависимости от физической величины, на которую происходит реакция, — реле тока, напряжения, мощности, сопротивления, частоты, времени и др.; по принципу действия измерительного элемента — электромагнитные, индукционные, электротермические, электронные и др.; по принципу действия исполнительного элемента — контактные и бесконтактные; по способу воздействия на отключающее устройство — прямого и косвенного действия; по времени действия — безынерционные, быстродействующие, обыкновенные, замедленного действия; в зависимости от способа включения — первичные, непосредственно включаемые в цепь, и вторичные, включаемые через измерительные трансформаторы.
Цепи релейной защиты получают питание от источников постоянного, переменного или выпрямленного оперативного тока. Источниками постоянного тока служат аккумуляторные батареи напряжением 110—220 или 24—48 В. Достоинство аккумуляторных батарей: надежное питание в любой момент времени независимо от наличия или отсутствия напряжения в электросистеме; недостаток — дополнительные затраты на сооружение помещения, приобретение, монтаж и эксплуатацию аккумуляторов. Источниками переменного тока служат измерительные трансформаторы тока и напряжения, трансформаторы собственных нужд подстанций. Для питания цепей защиты используют также энергию, заранее накопленную в конденсаторе, разрядный ток которого можно использовать при отсутствии напряжения на шинах подстанции. Источниками выпрямленного тока служат полупроводниковые выпрямители, сохраняющие преимущества защиты на постоянном токе при отсутствии аккумуляторов.
Виды защит.
На поверхности горных предприятий для электроустановок и электросетей напряжением выше 1 кВ применяют следующие виды защит токовую, от снижения или повышения напряжения, дифференциальную, газовую.
Токовой или максимально-токовой называют защиту, которая реагирует на превышение заранее установленного значения тока в защищаемой цепи как при междуфазных замыканиях, так и при замыкании фаз на землю. Она обладает широким диапазоном применения — может быть использована для защиты генераторов, трансформаторов, электродвигателей, воздушных и кабельных ЛЭП. Различают максимально-токовую защиту с выдержкой времени и быстродействующую, называемую токовой отсечкой.
В сетях переменного тока возникают колебания напряжения (снижение или отсутствие его по отношению к номинальному), что может нанести значительный ущерб электроприемникам. Для защиты от колебаний напряжения устанавливают реле минимального напряжения и нулевую защиту. Для мгновенного отключения к. з. на ЛЭП, отходящих от электростанций и крупных подстанций, применяют дифференциальную защиту. Защиту одинарных ЛЭП называют продольной, а параллельных ЛЭП — поперечной дифференциальной защитой. Продольная ЛЭП основана на принципе сравнения значений и фаз токов в начале и конце ЛЭП, ее применяют на ЛЭП 110—220 кВ длиной до 10—15 км. Вторая основана на принципе значений и фаз токов, которые протекают по двум параллельным ЛЭП с одинаковым сопротивлением. Для ЛЭП, имеющих в начале и конце по одному общему выключателю, применяют токовую поперечную защиту. При установке отдельных выключателей для каждой ЛЭП применяют направленные поперечные защиты.
В первом случае защиту устанавливают только со стороны источника питания, и при возникшем к. з. она отключает обе ЛЭП. Во втором случае защиту устанавливают с двух сторон, и происходит отключение только поврежденной ЛЭП.
Газовая защита — одна из наиболее универсальных и чувствительных защит от всех внутренних повреждений в силовых трансформаторах, результатом которых является выделение газа, а также при понижении уровня масла.
Применение газовой защиты является обязательным на трансформаторах мощностью 6300 кВ-А, а при отсутствии быстродействующей защиты — и на трансформаторах мощностью 1000— 4000 кВ-А. Для трансформаторов, установленных в цехах поверхности горных предприятий, мощностью 400 кВ-А и выше установка газовой защиты обязательна, несмотря на установку других видов защиты.
Для персонала, обслуживающего средства релейной защиты, необходимо знать основные параметры реле: номинальные данные, указываемые на заводском щитке; величину срабатывания, т. е. величину, при которой происходит автоматическое изменение положения контактных групп реле (замыкающие контакты становятся замкнутыми, размыкающие — разомкнутыми); уставку — значения тока, напряжения и т. д., на которые отрегулировано данное реле; напряжение или ток втягивания — минимальные значения этих величин, при которых происходит притягивание подвижного якоря к неподвижному сердечнику под действием магнитного поля катушки; напряжение или ток отпадания — максимальные значения этих величин, при которых происходит полный отход якоря от сердечника; коэффициент возврата реле — отношение напряжения или тока отпадания к напряжению или току втягивания; время срабатывания реле при втягивании — время, которое тратится в период подачи питания на катушку реле до замыкания или размыкания контактов; время срабатывания реле при отпадании — время, необходимое для изменения положения контактов после прекращения питания катушки реле.
В качестве быстродействующих исполнительных реле применяют реле максимального тока серии РТ-40 9 исполнений с различными диапазонами уставок от 0,05 до 200 А; реле напряжения серии РН-50 5 исполнений с диапазонами уставок от 0,7 до 400 В. Технические характеристики реле приведены в Руководстве [21].
В качестве индукционных с зависимой от тока выдержкой времени выпускают реле максимального тока серии РТ-80 12 исполнений и серии РТ-90 4 исполнений. В зависимости от типа реле они рассчитаны на номинальный ток 5 или 10 А и уставки срабатывания индукционного элемента от 2 до 5 или от 4 до 10 А. Уставки времени срабатывания РТ-80 составляют от 0,5 до 16 с и РТ-90— до 4 с. Кратность тока срабатывания отсечки колеблется от 2 до 8 по отношению к току срабатывания индукционного элемента. Главные контакты реле могут иметь нормальное или усиленное исполнение.
55. Что понимается под коэффициентом мощности и какие способы его повышения применяют на шахтах?
Приведенные примеры показывают, что работа при пониженном значении коэффициента мощности, а следовательно, при значительной реактивной мощности требует дополнительных затрат, которые в масштабах горной промышленности могут составлять значительную сумму.
Необходимо помнить, что проблема снижения передаваемой реактивной мощности связана со всем комплексом вопросов от проектирования до эксплуатации электроустановок.
Рассматривая данный вопрос, необходимо учитывать, что производство и потребление электрической энергии взаимосвязаны, совпадают во времени и представляют экономически единое целое.
К основным причинам сравнительно большой реактивной мощности потребителей относятся: несовершенство конструкций асинхронных электродвигателей; установка асинхронных двигателей и силовых трансформаторов завышенной мощности по сравнению с расчетной; некачественный ремонт электродвигателей; повышение напряжения электрической сети.
Как известно, в электрических машинах между ротором и статором имеется воздушный зазор, обусловливающий большое магнитное сопротивление и, следовательно, высокие значения намагничивающего тока и реактивной мощности. Величину минимально допустимого зазора определяют, исходя из условий механической надежности двигателя. Естественно, что двигатели, предназначенные для работы в особо тяжелых условиях, что относится к горной промышленности, должны иметь повышенную механическую надежность. Последняя может быть достигнута за счет увеличения воздушного зазора, что приводит к возрастанию намагничивающего тока асинхронных электродвигателей, особенно взрывобезопасного исполнения.
Реактивная мощность мало зависит от нагрузки, так как при постоянном напряжении сети магнитный поток двигателей и трансформаторов и, следовательно, намагничивающий ток практически не меняются. Неполное использование активной мощности при постоянной реактивной мощности снижает коэффициент мощности. Особенно резкое снижение происходит в установках, где по условиям взрывобезопасности асинхронные электродвигатели встроены внутрь корпусов машин и не подлежат замене, хотя при выполнении маневровых операций их нагрузка не превышает 10 % номинальной мощности. При холостом ходе электродвигателей коэффициент мощности мал (0,1—0,25). Соотношения мощностей в зависимости от коэффициента мощности приведены в табл. 12.1.
Причинами, снижающими коэффициент мощности и увеличивающими реактивную мощность после ремонта электродвигателей, являются изменение обмоточных данных и обточка ротора, что приводит к увеличению воздушного зазора.
Повышение напряжения на зажимах двигателей на 1 %
выше номинального увеличивает реактивную мощность в среднем на 3%.
Для разработки мероприятий по снижению реактивной мощности электроустановок промышленных предприятий, в том числе горных предприятий, в стране с 1982 г. действует «Инструкция по системному расчету компенсации реактивной мощности в электрических сетях» [18]. В данной инструкции изложена методика расчета оптимальных значений реактивной мощности, задаваемых потребителю.
Но при проектировании и эксплуатации электромеханического хозяйства в первую очередь необходимо рассмотреть и осуществить мероприятия, которые не требуют установки компенсирующих устройств, вызывающих дополнительные затраты денежных средств.
К таким мероприятиям относятся: 1) упорядочение технологического процесса, которое ведет к улучшению энергетического режима электрооборудования и к снижению расчетного максимума реактивной нагрузки; 2) подбор электродвигателей и силовых трансформаторов, которые по своим параметрам должны соответствовать или быть близкими к расчетным данным, полученным методом технико-экономического обоснования; 3) установка устройств, ограничивающих холостой ход электроприемников; 4) использование синхронных электродвигателей вместо асинхронных для нерегулируемых электроприводов с постоянным режимом работы, если это допустимо по техническим и экономическим условиям; 5) применение других технических средств, которые смогут обеспечить повышение технико-экономических показателей системы электроснабжения.
В период реконструкции системы электроснабжения необходимо предусматривать: 1) замену или отключение на период малых нагрузок силовых трансформаторов, загружаемых менее чем на 30 % их номинальной мощности, при условии сохранения нормального режима сети и электроприемников; 2) замену загружаемых менее чем на 60 % асинхронных электродвигателей на двигатели меньшей мощности или изъятие отдельных электродвигателей при наличии практической возможности; 3) повышение качества ремонта электродвигателей. Основа качества — выпуск двигателей после ремонта с сохранением номинальных данных. Несоблюдение этого требования приводит к повышению тока холостого хода и, следовательно, реактивной мощности, большой неравномерности нагрузки отдельных фаз и другим недостаткам, что в конечном итоге приводит к повышенным потерям электроэнергии.
Для искусственной компенсации реактивной мощности используют статические конденсаторы и синхронные компенсаторы (синхронные двигатели облегченной конструкции без нагрузки на валу). Кроме этого, используют синхронные электродвигатели, работающие с нагрузкой на валу и имеющие запас реактивной мощности. Предпочтение отдают статическим конденсаторам, но иногда для крупных горных предприятий установка синхронных компенсаторов бывает необходимой по условиям работы энергосистемы. Необходимость диктуется созданием условий устойчивости и возможности регулирования напряжения в энергосистеме. Компенсаторы в периоды малой нагрузки работают с недовозбуждением (с отстающим током), а в период максимальной нагрузки — с перевозбуждением (с опережающим током). При наличии надежной схемы управления компенсатор позволяет плавно регулировать уровень напряжения на приемных концах сети.
К положительным качествам компенсаторов относятся также: возможность плавного и автоматического регулирования реактивной мощности, достаточная термическая и электродинамическая стойкость обмоток при возникающих к. з., возможность восстановления поврежденных компенсаторов.
Недостатки компенсаторов - значительные потери активной энергии на выработку реактивной, которые при полной их нагрузке колеблются в пределах 0,15—0,32 кВт-ч/квар*ч; сложные условия пуска; шум во время работы; более сложная эксплуатация по сравнению со статическими конденсаторами.
Статические конденсаторы представляют собой специальные емкости, способные вырабатывать реактивную энергию. Они могут работать лишь как генераторы реактивной энергии, т. е. по своему действию подобны синхронному компенсатору, работающему с перевозбуждением.
Достоинства статических конденсаторов следующие: бесшумность в работе, простота в эксплуатации ввиду отсутствия вращающихся и трущихся частей, простота выполнения монтажных работ ввиду малого веса и отсутствия фундамента, малые потери (0,0025—0,05 кВт/квар), возможность их установки для компенсации реактивной мощности отдельно стоящего электродвигателя, группы двигателей участка или цеха, возможность установки для всех электроприемников горного предприятия, возможность использования в распределительных сетях напряжением от 220 В до 35 кВ. Недостатки конденсаторов: отсутствие плавного автоматического регулирования их реактивной мощности, пожароопасность, наличие остаточного заряда, недостаточная прочность при возникающих к. з., сравнительно малый срок службы в пределах 8—10 лет, зависимость реактивной мощности от напряжения сети.
Задача
Определить сечение линии трехфазного тока напряжением 6 кВ, питающего трансформаторный киоск мощностью Sк = 1310 кВ • А, средневзвешенный коэффициент мощности потребителей cosφ
= 0,8, длина линии L = 2,5 км.
Решение
Расчет выполнить в двух вариантах: 1. Воздушная линия с алюминиевыми проводами. Определяем сечение воздушной линии по допустимому току нагрузки.
Ток нагрузки

Где S = 1310 кВА, мощность киоска;
U = 6кВ – напряжение сети.
По табл. 25 (2) этому току соответствует сечение алюминиевого провода А-25 S = 25 мм2
.
Определяем сечение провода по допустимой потере напряжения:

Где - сумма моментов нагрузки кВт/м;
Р = 
Р – реактивная мощность потребителя;
L = 2500 м – длина воздушной линии,
γ =32 - удельная проводимость алюминия
U = 6кВ – напряжение сети.
U - активная составляющая потери напряжения в линии, В;
- допустимая потеря напряжения в линии, В;
- индуктивная составляющая потери напряжения в линии, В;

% = 5 – допустимая потеря напряжения в линии, %;

Где - удельное сопротивление воздушной линии;
Q= квар – реактивная нагрузка потребителей,
при
L - длина воздушной линии, км;
Принимаем ближайшее большее стандартное сечение – S = 95мм
Окончательно принимаем провод марки А-95.
Задача
Рассчитать и выбрать высоковольтный кабель и высоковольтное КРУ, питающее передвижную подстанцию ТСВП-630/б. Мощность короткого замыкания на шинах ЦПП S = 50 000кВА. От ЦПП до РПП-6 проложен кабель СБН-Зх70 L, = 2000 м. Расстояние от РПП-6 до ПУПП L2
= 800 м. Допустимая потеря напряжения в кабельной сети от ЦПП до ПУПП — 2,5%. На участке работает комбайн 1ГШ-68. Сумма токов приемников участка = 700 А. Средневзвешенный коэффициент мощности токоприемников участка 
I
. Расчет кабеля напряжением 6 кВ, питающего участок.
Расчет производится по допустимому нагреву, экономической плотности тока, термической устойчивости к токам короткого замыкания (т. к. з.), допустимой потере напряжения.
1. Для расчета сечения жилы кабеля по допустимому нагреву рабочим током необходимо определить ток в кабеле:

Где: кВА – номинальная мощность трансформаторной подстанции;
U = 6кВ – напряжение сети.
К прокладке принимаем кабель марки ЭВТ. Этому току соответствует сечение жилы кабеля 16 мм2
.
2. Экономическое сечение жилы кабеля определяется по формуле:

Где - экономическая плотность тока, определяемая в зависимости от годового числа часов использования максимума нагрузки шахт (Т ), для
Т = 3500 – 4200ч. =2,5А/ мм
Принимаем кабель, сечение жилы которого равно 25 мм2
.
3. Минимальное сечение жилы кабеля по термической устойчивости к т. к. з. определяется по формуле:

Где С — коэффициент, учитывающий конечную температуру нагревания жил и напряжение кабеля: для кабеля с медными жилами и бумажной пропитанной изоляцией напряжением до 10 кВ С = 145; для кабелей с резиновой или полихлорвиниловой изоляцией С = 122; для кабелей с полиэтиленовой изоляцией С = 104, tф = tP
м + tвм = 0,05 + 0,20 = 0,25 с — фиктивное время действия т. к. з., которое для шахтных кабельных сетей можно принимать равным реальному времени срабатывания максимальных реле (
tP
м)
и высоковольтного выключателя Твм
- действующее значение установившегося т. к. з., А, определяется по фактической мощности к. з. на шинах ЦПП:
=
где = 50000 кВА — мощность к. з. на шинах ЦПП;
U = 6 кВ — напряжение на стороне ВН на шинах ЦПП.
Если кабель, питающий участок, прокладывается от РПП-6, то определяется следующим образом:
а) ток короткого замыкания на шинах ЦПП:
=
б) индуктивное сопротивление системы до шин ЦПП:

Где U = 6300В – напряжение на высшей стороне понижающего тр-ра ГПП;
в) индуктивное сопротивление кабеля ЦПП-РПП-6;

- удельное сопротивление кабеля ЦПП – РПП – 6, для кабеля, S = 70 мм
=0,08 Ом/км;
г) активное сопротивление кабеля ЦПП-РПП-6;
Rк= R0
. L, = 0,26 • 2,0 = 0,52 Ом
где Ro = 0,26— удельное активное сопротивление кабеля ВН, Ом/км;
д) ток короткого замыкания на шинах РПП-6 (действующее значение установившегося т. к. з. на шинах РПП-6)


Принимаем кабель сечением жилы S = 16 мм2
.
4 Сечение жилы кабеля с учетом допустимых потерь напряжения определяется по формуле:
мм
где L2
= 800 м-длина кабеля РПП-6-ПУПП, м;
Y = 53 м/Ом-жлс2
— удельная проводимость жилы бронированного кабеля;
— допустимая потеря напряжения в высоковольтном кабеле от ЦПП до ПУПП не должна превышать 150 В при напряжении U = 6000 В).
Допустимая потеря напряжения в кабеле РПП-6-ПУПП пропорциональна длине этого кабеля:

Принимаем сечение жилы кабеля 35 мм2
. Из четырех значений сечения кабеля принимаем наибольшее. Окончательно принимаем кабель ЭВТ-3*35+4*4+1*10
|