ГОСУДАРСТВЕННОЕ ОБРАЗОВАТЕЛЬНОЕ УЧРЕЖДЕНИЕ ВЫСШЕГО ПРОФЕССИОНАЛЬНОГО ОБРАЗОВАНИЯ
ДАЛЬНЕВОСТОЧНЫЙ ГОСУДАРСТВЕННЫЙ УНИВЕРСТИТЕТ ПУТЕЙ СООБЩЕНИЯ
Кафедра: «ЭтЭЭм»
КУРСОВОЙ ПРОЕКТ
на тему: «Двигатель постоянного тока»
КП 14020365 637
Выполнил: Кузнецов К. И.
Проверил: Пашнин В.М.
Хабаровск
2007
Введение
Почти вся электрическая энергия вырабатывается электрическими машинами. Но электрические машины могут работать не только в генераторном режиме, но и в двигательном, преобразуя электрическую энергию в механическую. Обладая высокими энергетическими показателями и меньшими, по сравнению с другими преобразователями энергии, расходами материалов на единицу мощности, экологически чистые электромеханические преобразователи имеют в жизни человеческого общества огромное значение.
При проектировании электрической машины приходится учитывать большое количество факторов, от которых зависят её эксплуатационные свойства, заводская себестоимость и надёжность в работе.
При проектировании выбор материалов, размеров активных и конструктивных частей машины должен быть технически и экономически обоснован. При этом следует использовать предшествующий опыт и ориентироваться на данные современных машин. Однако необходимо критически относиться к этим данным, выявить недостатки машин и найти способы их устранения.
Целью данной работы была разработка конструкции двигателя постоянного тока. За основу конструкции была принята машина постоянного тока серии 2П. Проектирование двигателя включает в себя выбор и расчёт размеров статора и ротора, обмоток, изоляции, конструктивных деталей, объединение их в конструктивные узлы и общую компоновку всех его частей.
Материалы, размеры и формы конструктивных деталей должны быть так выбраны и отдельные детали так объединены, чтобы двигатель по возможности наилучшим образом соответствовал своему назначению и был наиболее экономичным в работе и изготовлении.
1 Выбор и расчёт главных размеров двигателя
1.1 – предварительное значение КПД двигателя назначаем в зависимости от его мощности по [рис1.1]. Принимаем среднее значение ηн
= 0,8.
1.2 Определяем предварительное значение номинального тока:

А
1.3 Ток якоря:

где значение коэффициента выбираем из табл.1.1., =0,08
А
1.4 Определяем электромагнитную мощность двигателя:
,
кВт
1.5 Диаметр якоря D можно принять равным высоте оси вращения:

Определяем наружный диаметр якоря DН
, м:
,
.
1.6 – линейная нагрузка якоря по [рис1.3].
1.7 – магнитная индукция в воздушном зазоре по [рис1.4].
– расчетный коэффициент полюсного перекрытия по [рис1.5].
1.8
Определяем расчётную длину якоря:
,
м
1.9 Определяем отношение длины магнитопровода якоря к его диаметру:
,
.
полученное λ удовлетворяет условию 
1.10 Принимаем число полюсов двигателя 2р = 4.
1.11 Находим полюсное деление:

.
1.12 Определяем расчётную ширину полюсного наконечника:
,
.
1.13 Действительная ширина полюсного наконечника при эксцентричном зазоре под главными полюсами
.
2 Выбор обмотки якоря
2.1 Т.к. ток якоря меньше 600 А, выбираем простую волновую обмотку
(2а = 2). Ток параллельной ветви равен:
,
.
2.2 Определяем предварительное общее число эффективных проводников обмотки якоря:
,
.
2.3 Крайние пределы чисел пазов якоря:
,
где t1
– зубцовый шаг, граничные значения которого зависят от высоты оси вращения.
Принимаем t1
max
= 0.02 м; t1
min
= 0.01 м. Тогда:
.
Ориентировочное число пазов якоря:


где отношение определяется по табл.2.1
=10
Зубцовый шаг:


2.4 Число эффективных проводников в пазу:


В симметричной двухслойной обмотке это число должно быть четным. Принимаем Nп
=24, тогда число проводников в обмотке якоря определяется как .
2.5 Т.к. диаметр якоря меньше 200 мм, пазы якоря выполняем полузакрытыми овальной формы, зубцы с параллельными стенками. Выбор такой конструкции обусловлен тем, что обмотка якоря таких машин выполняется всыпной из эмалированных медных проводников круглого сечения, образующих мягкие секции, которые легко можно уложить в пазы через сравнительно узкие шлицы.
2.6 Выбор числа коллекторных пластин. Минимальное число коллекторных пластин К ограничивается допустимым значением напряжения между соседними коллекторными пластинами. Для серийных машин без компенсационной обмотки .
Минимальное значение К:
,

Принимаем коллекторное деление:

Максимальное значение К:

где – наружный диаметр коллектора
Число коллекторных пластин:
,
где - число элементарных пазов в одном реальном ( =3).
Данные полученные ранее записываем в таблицу:
| un
|
К = un
·Z |
 |
 |
 |
| 3 |
120 |
4 |
18 |
3.27 |
Уточнённое значение линейной нагрузки, А/м
,
,
где 
2.7 Скорректированная длина якоря:


2.8 Наружный диаметр коллектора 
2.9 Окружная скорость коллектора:
,

2.10 Коллекторное деление tk
= 3.27 мм
2.11 Полный ток паза:

.
2.12 Предварительное значение плотности тока в обмотке якоря:
,
где - принимаем в зависимости от диаметра якоря по [рис 1.3].
.
2.13 Предварительное сечение эффективного провода:
,

Для обмоток якоря с полузакрытыми пазами из [табл.2.4] выбираем круглый провод марки ПЭТВ с сечением 0.883 мм2
, диаметром неизолированного провода 1.06 мм и диаметром изолированного провода 1.14 мм.
Число элементарных проводников .
3 Расчёт геометрии зубцовой зоны
3.1 Площадь поперечного сечения обмотки, уложенной в один полузакрытый паз:

где dИЗ
= 1.14 мм – диаметр одного изолированного провода;
nЭЛ
= 1 – число элементарных проводников в одном эффективном;
WС
= 4 – число витков в секции;
un
= 3 – число элементарных пазов в одном реальном;
КЗ
= 0.7 – коэффициент заполнения паза изолированными проводниками.
Тогда:

3.2 Высоту паза предварительно выбираем по рис 3.1 в зависимости от диаметра якоря:
hП
= 25 мм
Ширина шлица bШ
должна быть больше суммы максимального диаметра изолированного проводника и двухсторонней толщины пазовой изоляции. Принимаем bШ
= 2 мм.
Высоту шлица принимаем hШ
= 0.6 мм.
3.3 Ширина зубца:

где BZ
= 2 Тл– допустимое значение магнитной индукции в зубцах для частоты перемагничивания 50Гц и двигателя со степенью защиты IP22 и способом охлаждения ICO1;
КС
= 0,95 – коэффициент заполнения пакета якоря сталью.
Тогда:
м
3.4 Большой радиус паза:
,
м
3.5 Меньший радиус паза:
,
м
3.6 Расстояние между центрами радиусов:


3.7 Минимальное сечение зубцов якоря:


3.8 Предварительное значение ЭДС:
ЕН
= КД
∙UН
где КД
= 0.9 – выбирается в зависимости от мощности двигателя по табл.1.1. Тогда:
ЕН
= 0.9∙440 = 396 В
3.9 Предварительное значение магнитного потока на полюс:

3.10 Индукция в сечении зубцов (сталь марки 2312):

Bz
не удовлетворяет условию Bz
≤2. В таком случае пересчитываем так, что бы выполнялось условие Bz
≤2:


4 Расчёт обмотки якоря
4.1 Длина лобовой части витка при 2р = 4:

4.2 Средняя длина полувитка обмотки якоря:
lа ср
= (lп
+ lл
), м
где lп
≈ lδ
= 0.16 – длина якоря приближённая для машин без радиальной вентиляции, м
Тогда:
lа ср
= 0.16+ 0.158= 0.318 м
4.3 Полная длина проводников обмотки якоря:
Lма
= N·lа ср
= 960·0.318= 305.28 м
4.4 Сопротивление обмотки якоря при температуре t = 20 ˚С:


4.5 Сопротивление обмотки якоря при температуре t = 75 ˚С:
Rda
= 1.22Rа
= 1.22·1.6 = 1.952 Ом
4.6 Масса меди обмотки якоря:
Мма
= 8900·lа ср
·N·q0
= 8900·0.318·960·0.83635·10-6
= 2.272 кг
4.7 Расчёт шагов обмотки. Шаг по коллектору для простой волновой обмотки:

Результирующий шаг Y = YК
= 59
Первый частичный шаг:

где Σ – дробное число, с помощью которого Y1
округляется до целого числа.
Тогда:

Второй частичный шаг:
Y2
= Y – Y1
= 59 – 30 = 29
5 Определение размеров магнитной цепи
5.1 Предварительное значение внутреннего диаметра якоря и диаметра вала:

5.2 Высота спинки якоря:

Магнитная индукция в спинке якоря:

где – площадь поперечного сечения спинки якоря;
Kc
= 0,95; 
Тогда 
Bj
не удовлетворяет условию . В таком случае делаем перерасчет внутреннего диаметра якоря Do
:
 
5.3 Принимаем сталь марки 3411 толщиной 0.5 мм, у которой известно
Кс
= 0.95; σг
= 1.2; bp
= 0.07812 м
Ширина выступа полюсного наконечника равна

5.4 Ширина сердечника главного полюса:


5.5 Индукция в сердечнике:

5.6 Сечение станины:

где ВС
= 1,3 – индукция в станине, Тл.

5.7 Длина станины:
lC
= lг
+ 0.4D = 0.285 + 0.4·0,16 = 0.221 м
5.8 Высота станины:

5.9 Наружный диаметр станины:

5.10 Внутренний диаметр станины:
dC
= DH
– 2hC
= 0.31 – 2·0.0278= 0.254 м
5.11 Высота главного полюса:

где δ = 0.015м – предварительное значение воздушного зазора по [рис 5.2.]

6 Расчётные сечения магнитной цепи
6.1 Сечение воздушного зазора:
Sδ
= bρ
·lδ
= 0.0781·0.285 = 0.0222 м2
6.2 Длина стали якоря:

6.3 Минимальное сечение зубцов якоря из п.3.7:
S =0.00665 м
6.4 Сечение спинки якоря:
Sj
= lс.
∙hj
= 0.27∙0.0175 = 0.0473 м2
6.5 Сечение сердечников главных полюсов:
Sr
= Kc
∙lr
∙br
= 0.95∙0.285∙0.0469 = 0.0127 м2
6.6 Сечение станины из п. 5.6.:
SC
= 0.00614 м2
7 Средние длины магнитных линий
7.1 Воздушный зазор δ = 0.015 м.
7.2 Коэффициент воздушного зазора, учитывающий наличие пазов овальной формы на якоре:

7.3 Расчётная длина воздушного зазора:

7.4 Зубцы якоря для пазов овальной формы:

7.5 Спинка якоря:

7.6 Сердечник главного полюса:
Lr
= hr
= 0.017 м
7.7 Воздушный зазор между главным полюсом и станиной:
LС.П.
= 2lr
·10-4
+10-4
= 2·0.285·10-4
+10-4
= 0.000157 м
7.8 Станина:

8 Индукция в расчётных сечениях магнитной цепи
8.1 Индукция в воздушном зазоре:

8.2 Индукция в сечении зубцов якоря:

8.3 Индукция в спинке якоря:

8.4 Индукция в сердечнике главного полюса:

8.5 Индукция в станине:

9 Магнитное напряжение отдельных участков магнитной цепи
9.1 Магнитное напряжение воздушного зазора:

9.2 Коэффициент вытеснения потока:

9.3 Магнитное напряжение зубцов якоря:
FZ
= 2HZ
LZ
= 2∙38800·0.0242 = 1877.92 А
9.4 Магнитное напряжение спинки якоря:
Fj
= Hj
Lj
= 1000·0.0451 = 45.1 А
9.5 Магнитное напряжение сердечника главного полюса:
Fr
=2Hr
Lr
= 2∙460·0.017 = 15.64 А
9.6
Магнитное напряжение воздушного зазора между главным полюсом и станиной:
FС.П
= 1.6·Br
·LС.П
∙106
= 1.6·1.26·0.000157·106
= 316.512 А
9.7 Магнитное напряжение станины:
FС
= HС
LС
= 550·0.1247 = 68.585 А
9.8 Суммарная МДС на пару полюсов:
FΣ
= Fδ
+ FZ
+ Fj
+ Fr
+ FС.П
+ FC
= 1456.77 + 1877.92 + 45.1+ 15.64 + +316.512+198.273 = 3780.527 А
9.9 МДС переходного слоя:
FδZj
= Fδ
+ FZ
+ Fj
= 1456.77+1877.92+45.1 = 3379.79 A
Аналогично производится расчёт для потоков равных 0,5; 0,75; 0,9; 1,1; 1,15 от номинального значения. Результаты расчёта сведены в таблицу 1.
Таблица 1 – Расчёт характеристики намагничивания машины.
№
п/п
|
Расчётная
величина
|
Расчётная формула |
Ед.
вел.
|
0,5ФδН
|
0,75ФδН
|
0,9ФδН
|
ФδН
|
1,1ФδН
|
1,15ФδН
|
| 1 |
ЭДС |
Е |
В |
– |
– |
– |
396 |
– |
– |
| 2 |
Магнитный
поток
|
 |
Вб |
0.00655 |
0.009975 |
0.01197 |
0.0133 |
0.01463 |
0.015295 |
| 3 |
Магнитная индукция в воздушном зазоре |
 |
Тл |
0.3 |
0.45 |
0.54 |
0.6 |
0.66 |
0.69 |
| 4 |
МДС воздушного зазора |
 |
А |
728.385 |
1092.578 |
1311.093 |
1456.77 |
1602.447 |
1675.286 |
| 5 |
Магнитная индукция в зубцах якоря |
 |
Тл |
1 |
1.5 |
1.8 |
2 |
2.2 |
2.3 |
| 6 |
Напряженность
магнитного поля
|
НZ
|
 |
240 |
1600 |
13400 |
38800 |
144000 |
224000 |
| 7 |
Магнитное напряжение зубцов |
FZ
= 2HZ
LZ
|
А |
11.616 |
77.44 |
648.56 |
1877.92 |
6969.6 |
10841.6 |
| 8 |
Магнитная индукция в спинке якоря |
 |
Тл |
0.7 |
1.05 |
1.26 |
1.4 |
1.54 |
1.61 |
| 9 |
Напряженность
магнитного поля
|
Нj
|
 |
96 |
270 |
460 |
1000 |
2200 |
3600 |
| 10 |
Магнитное напряжение в спинке якоря |
Fj
= Hj
Lj
|
А |
4.3296 |
12.177 |
20.746 |
45.1 |
99.22 |
162.36 |
| 11 |
Магнитный поток
главного полюса
|
Фr
= σг
Фδ
|
Вб |
0.00798 |
0.01197 |
0.014364 |
0.01596 |
0.017556 |
0.018354 |
| 12 |
Магнитная индукция в серд. глав. полюса |
 |
Тл |
0.63 |
0.95 |
1.13 |
1.26 |
1.39 |
1.45 |
| 13 |
Напряжённость
магнитного поля
|
Нr
|
 |
89 |
215 |
330 |
460 |
940 |
1300 |
| 14 |
Магнитное напряжение серд. глав. полюса |
Fr
= 2Hr
Lr
|
А |
3.026 |
7.31 |
11.22 |
15.64 |
31.96 |
44.2 |
| 15 |
Магнитная индук.
в возд. зазоре между гл. пол. и стан.
|
ВС.П
= Вr
|
Тл |
0.63 |
0.95 |
1.13 |
1.26 |
1.39 |
1.45 |
| 16 |
Магнитное напряж.
возд. зазора между гл. полюсом и стан.
|
FС.П
= =1.6·106
·Br
·LС.П
|
А |
158.256 |
237.384 |
284.8608 |
316.512 |
348.1632 |
364 |
| 17 |
Магнитная индукция в станине |
 |
Тл |
0.65 |
0.98 |
1.17 |
1.3 |
1.43 |
1.5 |
| 18 |
Напряжённость
магнитного поля
|
НС
|
 |
91 |
230 |
370 |
550 |
1180 |
1600 |
| 19 |
Магнитное напряжение станины |
FС
= HС
LС
|
А |
11.3477 |
28.681 |
46.139 |
68.585 |
147.146 |
199.52 |
| 20 |
Сумма магн. напряж. всех участков магнит. цепи |
FΣ
= Fδ
+ FZ
+ Fj
+ Fr
+ +FС.П
+ FC
|
А |
916.9603 |
1455.57 |
2322.619 |
3780.527 |
9198.5362 |
13286.95 |
| 21 |
Сумма магн. напряжений участков переходного слоя |
FδZj
= Fδ
+ FZ
+ Fj
|
А |
744.3306 |
1182.195 |
1980.399 |
3379.79 |
8671.267 |
12679.25 |
По данным таблицы строятся характеристика намагничивания
Bδ
=f (FΣ
)и переходная характеристика Bδ
=f (FδZi
)

Рисунок 1. Характеристика намагничивания и переходная характеристика
10 Расчёт параллельной обмотки возбуждения
10.1 Размагничивающее действие реакции якоря:
Fqd
= 180 А.
10.2 Необходимая МДС параллельной обмотки:
FВ
= FΣ
+ Fqd
= 3780.527 + 180 = 3960.527 А
10.3 Средняя длина витка катушки параллельной обмотки:
lср.в.
= 2(lr
+ br
) + π(bКТ.В
+ 2ΔИЗ
), м
где bКТ.В
= 0.03 – ширина катушки, м;
ΔИЗ
= 0.75·10-3
– толщина изоляции, м.
Тогда:
lср.в.
= 2(0.285 + 0.0469) + 3.14(0.03 + 2·0.75·10-3
) = 0.67 м
10.4 Сечение меди параллельной обмотки:

где КЗ.В
= 1.1 – коэффициент запаса;
m = 1.22 – коэффициент, учитывающий увеличение сопротивления меди при увеличении температуры до 75˚С.
Тогда:

Окончательно принимаем стандартный круглый медный провод марки ПЭТВ с сечением qВ
= 0.283 мм2
, диаметром без изоляции d = 0.6 мм и диаметром с изоляцией dИЗ
= 0.655 мм.
10.5 Номинальная плотность тока принимается:
JВ
= 4.45·106
А/м2
10.6 Число витков на пару полюсов:

10.7 Номинальный ток возбуждения:

10.8 Полная длина обмотки:
LB
= p·lСР.В
·WB
= 2·0.67·3145 = 4214.3 м
10.9 Сопротивление обмотки возбуждения при температуре υ=20˚С:

10.10 Сопротивление обмотки возбуждения при температуре υ=75˚С:
RB
75
= m·RB
20
= 1.22·261.25 = 318.73 Ом
10.11 Масса меди параллельной обмотки:
mм.в.
= 8.9·lв.ср.
·Wв
·qв
·103
= 8.9·0.67·3145·0.283·10-6
·103
= 5.307 кг
11 Коллектор и щётки
11.1 Ширина нейтральной зоны:
bН.З
= τ– bР
= 0.126 – 0.0781 = 0.0479 м
11.2 Ширина щётки для простой волновой обмотки:
bЩ
= 3.5tК
= 3.5·0.00327 = 0.0115 м
Окончательно принимаем стандартную ширину щётки: bЩ
= 0.0125 м. Длина щётки lЩ
= 0.025 м.
11.3 Поверхность соприкосновения щётки с коллектором:
SЩ
= bЩ
·lЩ
= 0.0125·0.025 = 0.0003125 м2
11.4 При допустимой плотности тока JЩ
= 11·104
,А/м2
, число щёток на болт:

Окончательно принимаем NЩ
= 1.
11.5 Поверхность соприкосновения всех щёток с коллектором:
ΣSЩ
= 2р·NЩ
·SЩ
= 4·1·0.0003125 = 0.00125 м2
11.6 Плотность тока под щётками:

11.7 Активная длина коллектора:
lК
= NЩ
(lЩ
+ 8·10-3
) + 10·10-3
= 1(0.025 + 8·10-3
) + 10-2
= 0.043 м
12 Потери и КПД
12.1 Электрические потери в обмотке якоря:
Рmа
= I2
Rda
= 16.7272
·1.952 = 546.16 Вт
12.2 Электрические потери в параллельной обмотке возбуждения:
РМ.В
= I2
ВН
·RВ75
= 1.2592
·318.73= 505.21 Вт
12.3 Электрические потери в переходном контакте щёток на коллекторе:
РЭ.Щ
= I·2ΔUЩ
, Вт
где 2ΔUЩ
= 2 – потери напряжения в переходных контактах, В.
Тогда:
РЭ.Щ
= 16.727·2 = 33.454 Вт
12.4 Потери на трение щёток о коллектор:
РТ.Щ
= ΣSЩ
·РЩ
·f·VК
, Вт
где РЩ
= 3·104
Па – давление на щётку;
f = 0.2 – коэффициент трения щётки.
Тогда:
РТ.Щ
= 0.00125·3·104
·0.2·14.392 = 107.94 Вт
12.5 Потери в подшипниках и на вентиляцию определим по рис.13.1.:
РТ.П
+ РВЕНТ.
= 105 Вт.
12.6 Масса стали ярма якоря:


12.7 Условная масса стали зубцов якоря с овальными пазами:

12.8 Магнитные потери в ярме якоря:
Pj
= mj
·Pj
, Вт
где Pj
– удельные потери в ярме якоря, Вт/кг:

где Р1.0/50
= 1.75 – удельные потери в стали для В = 1.0 Тл и f=50 Гц, Вт/кг;
f = – частота перемагничивания, Гц;
β = 2.
Тогда удельные потери:

Общие магнитные потери в ярме якоря:
Pj
= 83.553·16.97 = 1417.89 Вт
12.9 Магнитные потери в зубцах якоря:
PZ
= mZ
·PZ
, Вт
где - удельные потери, Вт/кг.
Тогда общие магнитные потери в зубцах якоря:
PZ
= 7.14·34.63 = 247.26 Вт
12.10 Добавочные потери:

12.11 Сумма потерь:
ΣР = Рmа
+ РМ.В
+ РЭ.Щ
+ РТ.Щ
+ (РТ.П
+ РВЕНТ.
) + Pj
+ PZ
+ РДОБ
=
= 546.16 + 505.21 + 33.454 + 107.94 + 105 + 1417.89 + 247.26 + 96.37 = 3059.284 Вт
12.12 КПД двигателя:


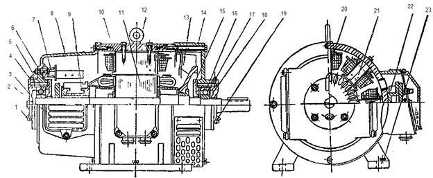
Рисунок 2.Электрическая машина постоянного тока.
1 – пробка винтовая; 2 – крышка; 3 – лабиринт: 4 – масленка; 5 – подшипник; 6 – лабиринт; 7 – траверса; 8 – щит подшипниковый; 9 – коллектор; 10 – станина; 11 – якорь; 12 – винт грузовой; 13 – вентилятор; 14 – щит подшипниковый; 15 – лабиринт; 16 – подшипник; 17 – лабиринт; 18 – вал; 19 – полюс добавочный; 20 – полюс главный; 21 – конденсатор; 22 – коробка выводов; 23 – болт для заземления.
Заключение
Проектирование электрической машины представляет собой сложную задачу. Для её разрешения требуются глубокие теоретические знания, многие опытные данные и достаточно подробные сведения о назначении машины и условия, в которых она будет работать.
В результате расчёта был спроектирован двигатель на заданную мощность. Был произведен выбор и расчет размеров статора и ротора, обмоток, изоляции, конструктивных деталей.
Список литературы
1. Пашнин В. М. Электрические машины: Методические указания к курсовому проекту. – Хабаровск: Изд-во ДВГУПС, 2000. – 40 с.: ил.
2. Сергеев П. С. и др. Проектирование электрических машин. Изд. 3-е, переработ. и доп. М., “Энергия”, 1969.
3. Копылов И. П. Проектирование электрических машин: Учеб. пособие для вузов. – М.: Энергия, 1980. – 496 с., ил.
|