Міністерство освіти та науки України
Державний вищий навчальний заклад
„Лисичанський нафтохімічний технікум”
ЖУРНАЛ
Лабораторні роботи
( звіти )
5.0
5130103
.ЕОЕ.
096
.00.00.ЛР
Перевірив викладач
_______ З. І. Вахрамєєва
Виконав студент
_________ Д. I. Левченко
Лисичанськ
2009
ЗМІСТ
Лабораторна робота № 1„Ознайомлення з правилами техніки безпеки, правилами збіркисхем і правилами користування електровимірювальною апаратурою”
Лабораторна робота № 2„Дослідження схем з’єднання резисторів”
Лабораторна робота № 3„Перевірка амперметра і вольтметра”
Лабораторна робота № 4„ Паралельне з’єднання індуктивної котушки і конденсатора.Компенсація потужності”
Лабораторна робота № 5„Дослідження трифазного кола при з’єднанні споживача зіркою”
Лабораторна робота № 6„Дослідження режимів однофазного трансформатора”
Лабораторна робота № 7„Зняття робочих характеристик трифазного асинхронного двигуназ короткозамкненим ротором”
Лабораторна робота № 8„Збірка і перевірка роботи схем релейно-контакторного управліннятрифазним асинхронним двигуном з короткозамкненим ротором”
Лабораторна робота №9„Визначення втрат напруги і потужності у проводах ЛЕП”
Лабораторна робота № 10„Дослідження роботи однонапівперіодного і двохнапівперіодногооднофазного випрямлячів”
Лабораторна робота № 1
„Ознайомлення з правилами техніки безпеки, правилами збірки
схем і правилами користування електровимірювальною апаратурою”
Мета роботи: ознайомитися з правилами техніки безпеки, правилами збіркисхем і правилами користування електровимірювальноюапаратурою
ВИКОНАННЯ РОБОТИ
Ознайомитися з правилами техніки безпеки
Ознайомитися з правилами збірки схем
Ознайомитися з правилами користування вимірювальної апаратури:
Оглянути зовнішній вигляд пристрою
Визначити призначення пристрою
Ознайомитися з інструкцією; технічною характеристикою пристрою; правилами користування;
Визначити діапазон вимірювання, ціну поділки
4. Здати усний залік по правилам ТБ
Лабораторна робота № 2
„Дослідження схем з’єднання резисторів ”
Мета роботи: 1) навчитися складати послідовне, паралельне та мішане кола;
2) вивчити співвідношення між струмами і напругами при послі-
довному, паралельному і мішаному зєднаннях резисторів;
3)визначити опір електричного кола
Прилади і обладнання: міліамперметр А (- 50 мА), міліамперметр А (- 300 мА),амперметр А (- 1 А), вольтметр V1
(-50 В), вольтметр V2
(-15 В),резистори R2
, R3
, R4
, R5
, з’єднувальні проводи
Таблиця 2.1 Технічні характеристики приладів
| Найменування приладу, його шифр |
Система приладу |
Клас точності |
Діапазон вимірювання |
Рід
струму
|
І. Дослідження послідовного з’єднання резисторів
Рис.2.1 – Схема послідовного з’єднання резисторів
Таблиця 2.2 Результати дослідження послідовного з’єднання резисторів
№
досліду
|
Експериментальні дані |
Результати обчислень |
Uзаг
,
В
|
U2
,
В
|
U3
,
В
|
U4
,
В
|
U5
,
В
|
Iзаг
,
А
|
U/
заг
,
В
|
R2
,
Ом
|
R3
,
Ом
|
R4
,
Ом
|
R5
,
Ом
|
Rзаг
,
Ом
|
R/
заг
,
Ом
|
| 1 |
10 |
| 2 |
20 |
| 3 |
30 |
Перевіряємо виконання другого закону Кірхгофа
:

Обчислюємо значення опорів:
 
 
 
ІІ. Дослідження паралельного з’єднання резисторів
Рис. 2.2 – Схема паралельного з’єднання резисторів
Таблиця 2.3 Результати дослідження паралельного з’єднання резисторів
№
досліду
|
Експериментальні дані |
Результати обчислень |
Uзаг
,
В
|
Iзаг
,
А
|
I2
,
А
|
I3
,
А
|
I/
заг
,
А
|
R2
,
Ом
|
R3
,
Ом
|
Rзаг
,
Ом
|
R/
заг
,
Ом
|
| 1 |
10 |
| 2 |
15 |
| 3 |
20 |
Перевіряємо виконання першого
закону Кірхгофа
:

Обчислюємо значення опорів за формулами:
  
 
Лабораторна робота № 3
„Перевірка амперметра і вольтметра”
Мета роботи: навчитися перевіряти амперметри і вольтметри; виявляти відповідністьперевіряємих приладів класу точності, позначеному на них
Прилади і обладнання: міліамперметр mA (~ 300 мА), зразковий міліамперметр mA (~300 мА з класом точності 0.5), вольтметр V1
( - 15 В), зразковий вольтметр V (-15 В з класом точності 0.5), резистори R/
1
, R/
2
, з’єднувальні проводи
ВИКОНАННЯ РОБОТИ
Таблиця 3.1 Технічні характеристики приладів
| Найменування приладу, його шифр |
Система приладу |
Клас точності |
Діапазон вимірювання |
Рід
струму
|
ДОСЛІД І
mA mA1
~ 0÷ 6.3 В
грубо точно
R/
1
R/
2
Рис 3.1 – Схема перевірки амперметра
Таблиця 3.2 Результати перевірки міліамперметра
| Покази перевіряємого міліамперметра І, mA |
| Покази зразкового міліамперметра Iзр
, mA |
| Абсолютна похибка ∆І, mA |
| Зведена похибка, γзв
, % |
Лабораторна робота № 6
„Дослідження режимів однофазного трансформатора”
Мета роботи: визначити коефіцієнт трансформації і ККД трансформатора в різних режимах; побудувати зовнішню характеристику трансформатора і залежність його ККД від коефіцієнта завантаження
Прилади і матеріали: джерело живлення (мережа змінного струму), однофазнийтрансформатор ( 220/42 В), лабораторний автотрансформаторЛАТР, два вольтметри V1
(~250 В), V2
(~50 В), два амперметри А1
(~5 А) і А2
(~5 А) електромагнітної системи, ватметр Р1 (~1500 Вт),ламповий реостат на 6 ламп розжарювання, однополюсний вимикачS1
, автоматичний вимикач QF, з’єднувальні проводи
ВИКОНАННЯ РОБОТИ
Таблиця 6.1 Технічні характеристики приладів
| Найменування приладу, його шифр |
Система приладу |
Клас точності |
Діапазон вимірювання |
Рід
струму
|

Рис. 6.1 - Схема для дослідження режимів однофазного трансформатора
Таблиця 6.2 Результати дослідження режимів однофазного трансформатора
| № п/п |
Режим роботи трансформатора |
Дані досліджень |
Результати обчислень |
U1
,
В
|
I1
,
А
|
P1
,
Вт
|
U2
,
В
|
I2
,
А
|
P2
,
Вт
|
k3
|
η,
%
|
| 1 |
Холостий хід |
| 2 |
Увімкнуто 1 лампу |
| 3 |
Увімкнуто 2 лампи |
| 4 |
Увімкнуто 3 лампи |
| 5 |
Увімкнуто 4 лампи |
| 6 |
Увімкнуто 5 ламп |
| 7 |
Коротке замикання |
Обчислюємо коефіцієнт трансформації К (тільки для холостого ходу), корисну потужність P2
, коефіцієнт завантаження k3
, , ККД трансформатора η за формулами:
; ; 
де 

де = Р1
в першому досліді ( досліді холостого ходу),
= Р1
в сьомому досліді ( в досліді короткого замикання)
Лабораторна робота № 7
„Зняття робочих характеристик трифазного асинхронного двигуна
з короткозамкненим ротором”
Мета роботи: виявити залежність параметрів двигуна від навантаження на його валу
Прилади і матеріали: джерело живлення (трифазна мережа змінного струму), трифазний асинхронний двигун з короткозамкненим ротором, вольтметр V (~250 В), амперметр А (~5 А) електромагнітної системи, два однофазних ватметри феродинамічної системи W1
i W2
(~1500 Вт), тахометр, механічне гальмо, автоматичний вимикач QF, з’єднувальні проводи
ВИКОНАННЯ РОБОТИ
Таблиця 7.1 Технічні характеристики приладів
| Найменування приладу, його шифр |
Система приладу |
Клас точності |
Діапазон вимірювання |
Рід
струму
|
QF C1 Гальмо
С2
С3
Рис. 7.1 - Схема для дослідження трифазного двигуна
Розрахунки:
 
 


Таблиця 7.2 Результати зняття робочих характеристик трифазного двигуна
№
п/
п
|
Режим роботи |
Дані спостереження |
Результати обчислення |
U,
В
|
I,
А
|
P,
Вт
|
n,
об/хв
|
l,
м
|
m,
кг
|
n0
-n,
об/хв
|
s,
%
|
cosφ |
M,
Нм
|
P2
,
Вт
|
η ,
%
|
| 1 |
Холостий хід |
| 2 |
Під навантаженням |
| 3 |
Під навантаженням |
| 4 |
Під навантаженням |

Рис. 7.2 Робо чі характеристики n=f(P2
), I=f(P2
), M=f(P2
), s=f(P2
), cosφ=f(P2
), η=f(P2
)
Лабораторна робота № 8
„Збірка і перевірка роботи схем релейно-контакторного управління трифазним асинхронним двигуном з короткозамкненим ротором”
Мета роботи: вивчити ДЕСТи на графічні і буквенні позначення на електричних схемах; вивчити будову і принцип дії пускової низьковольтової апаратури; здобути навички в збірці схем пуску двигунів; зібрати і перевірити схеми пуску нереверсивного і реверсивного трифазногоасинхронного двигунів з короткозамкненими роторами
Обладнання: трифазний автоматичний вимикач, трьох кнопкова станція, дваконтактори, теплове реле, трифазний двигун з короткозамкненимротором, з’єднувальніпроводи
ВИКОНАННЯ РОБОТИ

Рис. 8.1 – Схема пуску нереверсивного трифазногоасинхронного двигуна з короткозамкненим ротором
Рис.8.2 – Схема пуску реверсивного трифазного асинхронного двигуна з короткозамкненим ротором
Лабораторна робота № 9
„Визначення втрат напруги і потужності у проводах ЛЕП”
Мета роботи: вияснити, який вплив надає навантаження лінії і опір її проводів нанапругу приймача; визначити потужність втрат в проводах іККД лінії електропередач
Прилади і матеріали: двохпровідна лінія з мідними і сталевими проводами,лабораторний автотрансформатор ЛАТР, два вольтметри іамперметр електромагнітної системи, ламповий реостат на 3 лампи,з’єднувальні проводи
ВИКОНАННЯ РОБОТИ
Таблиця 9.1 Технічні характеристики приладів
| Найменування приладу, його шифр |
Система приладу |
Клас точності |
Діапазон вимірювання |
Рід
струму
|
Рис. 9.1 – Двох провідна лінія електропередач
Таблиця 9.2 Результати дослідження проводів ЛЕП
№
п
/п
|
проводи |
Опір проводу
R, Ом
|
Дані спостережень |
Результати обчислень |
U1
,
В
|
U2
,
В
|
I,
A
|
∆U'
,
В
|
∆U"
,
В
|
∆P,
Вт
|
η,
%
|
| 1 |
2 |
3 |
4 |
5 |
6 |
7 |
8 |
9 |
10 |
| 1 |
Мідні
|
| 2 |
| 3 |
| 4 |
сталеві
|
| 5 |
| 6 |
Обчислюємо втрати напруги ∆U'
, ∆U"
, втрати потужності ∆P, ККД η за формулами




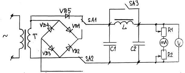
Лабораторна робота № 10
«Дослідження роботи однонапівперіодного і двохнапівперіодного
однофазного випрямлячів»
Мета роботи : вивчити роботу випрямлячів; виявити вплив згладжу вальногофільтру на випрямлену напругу
Прилади і матеріали: генератор низької частоти ГНЧШ, осцилограф ОМШ-2-76, лабораторний макет випрямлячів, вольтметр і амперметр магнітоелектричної системи, з’єднувальні проводи
ВИКОНАННЯ РОБОТИ
Таблиця 10.1 Технічні характеристики приладів
| Найменування приладу, його шифр |
Система приладу |
Клас точності |
Діапазон вимірювання |
Рід
струму
|
Рис. 10.1 – Схема лабораторної установки для дослідження випрямлячів
Таблиця 10.2 Результати дослідження випрямлячів без фільтру
Тип
випрямляча
|
Параметр
випрямляча
|
Дані спостереження |
Однонапівперіодний
без фільтру
|
Напруга U, В |
| Струм І, mA |
Двохнапівперіодний
без фільтру
|
Напруга U, В |
| Струм І, mA |
Таблиця 10.3 Результати дослідження випрямлячів з фільтром
Тип
випрямляча
|
Параметр
випрямляча
|
Дані спостереження |
Однонапівперіодний
з фільтром
|
Напруга U, В |
| Струм І, mA |
Двохнапівперіодний
з фільтром
|
Напруга U, В |
| Струм І, mA |
|