“Белорусский государственный университет информатики и радиоэлектроники”
Кафедра защиты информации
РЕФЕРАТ
на тему:
«Выпрямители с умножением напряжения. Многофазные схемы выпрямителей»
МИНСК, 2009
Схема выпрямителей с умножением напряжения
Простейшей схемой является схема удвоения напряжения.

Рисунок 1
Можно построить схему с многократным умножением напряжения.

Рисунок 2
Качественное выпрямление при небольших пульсациях возможно лишь при слабых потреблениях тока нагрузки.
Для активно-емкостной нагрузки (RC) имеем:
(1)
(2)
(3)
(4)
(5)
(6)
(7)
(8)
(9)
(0)
(10)
(11)
Существует значительное разнообразие схем выпрямителей с умножением напряжения.
Достоинства:
- сравнительная простота, с увеличением умножения по напряжению;
- заменяет исключительно сложный и малонадёжный высоковольтный трансформатор;
- есть возможность получить сетку питания напряжений постоянного тока;
Недостаток:
- невозможность питаниями нагрузок с большими токами: при больших токах емкости существенно разряжаются, следовательно, пульсация на выходе по напряжению растёт и, следовательно, падает значение этого напряжения. Резкая зависимость от потребляемого нагрузкой тока соответствует большему (100-ни Ом) сопротивлению выпрямителя с умножением частоты.
Все схемы для однофазной сети переменного тока имеют общие недостатки:
- с их помощью затруднительно реализовать питание мощных потребителей (более 1 кВт);
- значительная величина коэффициента пульсации (1,57 - в 1п/п, 0,67 – в 2п/п сх.);
- сравнительно меньшей является частота пульсаций 1-й гармоники;
От указанных недостатков свободны многофазные схемы выпрямителей.
Многофазные схемы выпрямителей
Источником питания в многофазном выпрямителе является электроэнергетическая сеть трёхфазного переменного тока промышленной частоты 50 Гц с напряжением U=220(фазное)/380(линейное) В.
Схема Миткевича.

Рисунок 3
Достоинства:
- является простейшей схемой среди многофазных схем;
- вентили могут быть размещены на одном радиаторе;
- минимальное количество вентилей для трехфазной схемы, т.к. в каждый момент времени работы только 1 вентиль;
- существенно меньше Кп в однофазных схемах и существенно выше fп.
Недостатки:
- сравнительно высокое обратное напряжение на вентилях;
Это устройство целесообразно использовать для работы на R,L нагрузки.
Таблица 1.
Параметры работы схемы Миткевича на активную (Rн) и активно-индуктивную (LRн) нагрузку
| Rн |
LRн |
 |
 |
Схема Ларионова.

Рисунок 4
Её целесообразно использовать на активную и индуктивную нагрузку. В схеме в каждый момент времени работает пара вентилей: один из группы {1,3,5} и один из {2,4,6}.
В группе {1,3,5} открыт тот вентиль, напряжение на катоде которого отрицательно по отношению к аноду и имеет наименьшую величину в группе. Ток через нагрузку протекает импульсами 6 раз за период, поэтому:
(12)
(13)
Обратное напряжение на вентилях при одинаковых выходных напряжениях на нагрузках в схеме Ларионова оказывается в 2 раза меньше, чем в схеме Миткевича.
Таблица 2.
Параметры работы схемы Миткевича на активную (Rн) и активно-индуктивную (LRн) нагрузку
| Rн |
LRн |
 |
 |
Выпрямление в этой схеме лучше и имеет пульсацию в 6 раз меньшую и постоянная составляющая почти одинакова с выпрямленным напряжением.
Достоинства:
- схема Ларионова наиболее совершенная схема для трёхфазной сети, определяет её широкое распространение, обеспечивает малую величину коэффициента пульсации; высокая частота пульсации по 1-й гармонике; низкое обратное напряжение в вентиле;
- низкие требования к пропускной способности в вентиле по току;
- хорошее использование габаритной мощности трансформатора, отсутствует подмагничивание сердечника.
Недостатки:
- значительное количество вентилей;
- невозможность размещения вентилей на одном радиаторе;
- недостатки из-за повышенной сложности схемы: увеличенная масса, габариты, стоимости, уменьшение надёжности.
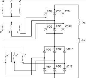
Ещё более высокое качество выпрямленного напряжения и лучших электрических показателей трёхфазного выпрямления обеспечивает схема выпрямителя с расщепленной фазой.
Выпрямитель с расщепленной фазой(Для трёхфазной сети).
В схеме имеется 2 системы вторичных обмоток, одна включена звездой, др.- треугольником. В схеме действует 12 импульсов тока за период.
(14)

Рисунок 5
Достоинства:
- повышенное качество напряжения;
- низкий Кп;
Недостатки:
- высокая сложность, большие габариты, большое кол-во вентилей, пониженная надежность;
В технике электропитания используют сглаживающие фильтры, исключающие остаточную пульсацию, или сглаживающие её.
ЛИТЕРАТУРА
1. Иванов-Цыганов А.И. Электротехнические устройства радиосистем: Учебник. - Изд. 3-е, перераб. и доп.-Мн: Высшая школа, 200
2. Алексеев О.В., Китаев В.Е., Шихин А.Я. Электрические устройства/Под ред. А.Я.Шихина: Учебник. – М.: Энергоиздат, 200– 336 с.
3. Березин О.К., Костиков В.Г., Шахнов В.А. Источники электропитания радиоэлектронной аппаратуры. – М.: Три Л, 2000. – 400 с.
4. Шустов М.А. Практическая схемотехника. Источники питания и стабилизаторы. Кн. 2. – М.: Альтекс а, 2002. –191 с.
|