Тема
Автоматичні апарати. Будова, монтаж і обслуговування. Управління електроприводом з їх допомогою
ЗМІСТ
1. Призначення, будова і принцип дії автоматичних апаратів
1.1 Загальні відомості
1.2 Вимикачі серії АП50
1.3 Автоматичні вимикачі УКРЕМ ВА-2000; ВА-2001; ВА-2003
1.4 Автоматичні вимикачі УКРЕМВА-2003
1.5 Диференціальний вимикач ДВ-2002
1.6 Реле
2.Пристрої захисту асинхронних двигунів
2.1 Пристрої вбудованого температурного захисту
2.2 Пристрій ЗОУП-25
2.3 Універсальний блок захисту асинхронних електродвигунів УБЗ-301
3. Монтаж і обслуговування автоматичних апаратів
Список використаної літератури
1. Призначення, будова і принцип дії автоматичних апаратів
1.1 Загальні відомості
Автоматичні вимикачі призначені для нечастих комутаційних перемикань (до 6 за годину) електричних ланцюгів в нормальному режимі роботи і відключення електроустановок від джерела живлення при збільшенні струму понад допустимі межі. На відміну від плавких запобіжників, що захищають електродвигуни тільки від коротких замикань, вимикачі є більш довершеним засобом захисту. Вони захищають електродвигуни від струмів короткого замикання і струмових перевантажень, запобігають роботі на двох фазах і дозволяють швидко відновити електричний ланцюг.
Залежно від призначення вимикачі можуть розрізнятися по роду струму (постійного або змінного); номінальному значенню струму; числу полюсів (одно-, двух- і трьохполюсні); по роду вбудовуваних розчеплювачів (з максимальним, тепловим, комбінованим або без розчеплювачів); номінальному струму розчеплювачів; виду зовнішніх приєднань (переднім, заднім, комбінованим).
Вимикачі випускаються в пластмасових корпусах, що складаються з основи і кришки, гвинтами, що скріпляють. На основі кожного корпусу вмонтовується комутуючий пристрій, що складається з нерухомих і рухомих контактів, увязнених в дугогасильні камери, розчеплювачі максимального струму і механізм управління.
Дугогасильні камери забезпечують гасіння дуги шляхом її дроблення і деіонізациї поперечними стальними пластинами.
Рухомі контакти укріплені на ізольованому валу (траверсі) і через механізм вільного расчеплення пов'язані з рукояткою (або кнопкою) вимикача. У включеному положенні рухома система утримується клямкою, пов'язаною з розчеплювачами.
Механізм вільного розчіплення забезпечує миттєве замикання і розмикання контактів з постійною швидкістю, незалежною від руху рукоятки або кнопки.
Розчеплювач максимального струму вбудовується в кожний полюс вимикача послідовно.
Тепловий розчеплювач при перевантаженнях спрацьовує із зворотньою залежною від струму витримкою часу, тобто ніж більший струм перевантаження, тим швидше відбудеться вимкнення.
Електромагнітний розчеплювач при струмі, що перевищує струм уставки, спрацьовує миттєво.
Комбінований розчеплювач складається з теплового і електромагнітного, тому відключення може відбуватися при дії будь-якого з них.
Промисловість випускає різні типи вимикачів - А3700; АЕ2000; АЕ1000; А63; АП50; А3100 і ін.
Вимикачі серії АЕ1000 випускаються з ручним управлінням і призначені для захисту мережі від перевантажень і коротких замикань. Вони встановлюються у виробничих, адміністративних, суспільних і побутових приміщеннях, а також в приміщеннях з хімічно активним середовищем і вбудовуються в герметизовані оболонки розподільних пристроїв типу РУС.
Ці вимикачі виготовляються з переднім і заднім приєднанням проводів і кріпляться до панелей двома гвинтами М4. Вони мають електромагнітний, тепловий або комбінований розчеплювачі максимального струму. Номінальний струм розчеплювача 6, 10, 16, 25А. При струмі 1,5 Ін часу відключення мережі тепловим розчеплювачем не перевищує 20 хв. Струм миттєвого спрацьовування електромагнітних розчеплювачів 12 1Н...18 Ін. Механічна зносостійкість допускає 50 000 циклів включень і відключень, комутаційна - 25 000 циклів. Номінальна комутаційна здатність - 2000Азмінного струму. Розміри вимикача 21X90X68 мм, маса - 0,15 кг.
Вимикачі серії А3100 випускаються п'яти типів . Чотири з них (А3110; А3120; А3130; А3140) виготовляються тільки двух- і трьохполюсними на номінальний струм 100, 200 і 600 А з електромагнітним і комбінованим розчеплювачами. П'ятий (А3160) виготовляється одно-, двух- і трьохполюсним, на номінальний струм 50 А, тільки з тепловим розчеплювачем і номінальним струмом уставок 15, 20, 25, 30, 40 і 50 А. Розчеплювачі вимикачів A3160 і A3 ПО вмонтовуються усередині їх корпусів, а решти типів - знімні і мають самостійний кожух. Уставки струму калібруються і в процесі експлуатації не регулюються. Вимикачі цієї серії можуть виготовлятися без розчеплювачів максимального струму як неавтоматичні вимикачі. Рукоятка управління розташовується в центрі лицьової панелі і може знаходитися в трьох положеннях: верхньому - «Включено», нижньому - «Вимкнено» уручну і проміжним - «Відключене» автоматично.
1.2 Вимикачі серії АП50
Вимикачі серії АП50 випускаються двух- і трех-полюсними на номінальний струм 50 А з електромагнітним (виконання М), тепловим (виконання Т) і електромагнітним і тепловим (виконання МТ) розчеплювачами. Теплові розчеплювачі виготовляються на номінальні струми 1,6; 2,5; 4; 6,4; 10; 16; 25; 40 і 50 А. Електромагнітні розчеплювачі вмонтовуються на передній стороні корпусу, а теплові - на задній і закриваються пластмасовою пластинкою. Вимикач, окрім основних, може мати 1 або замикаючих і розмикаючих допоміжних контактів.

Автоматичний вимикач АП-50:
1 – основа, 2 - кнопка «стоп», 3 - важіль, 4, Т, 8 - гвинти, 5 - нерухомий контакт,
6 - рухомий контакт, 9 - поворотна пружина, 10 – дусогасильна камера,
11 - кришка, 12 - виводи, 13 - сталеві пластини гнучке з'єднання,15 - траверса,
16 і 17 - електромагнітний і тепловий розчеплювач
Вимикачі виготовляються в пластмасовому корпусі, але можуть поставлятися і в додатковому пилонепроникному кожусі, що складається з корпусу і кришки, відлитих з алюмінієвого сплаву. З умов монтажу кожухи виготовляють двох виконань. Кожух виконання А має внизу штуцери для введення і виведення приєднуємих проводів. Виконання Б - універсальне; введення і виведення приєднуваних проводів можна через сальники знизу або зверху.
Однополюсні вимикачі типу А63 призначені для роботи в ланцюгах постійного струму напругою 110 В і ланцюгах змінного струму напругою 220 В частотою
50 Гц при температурі навколишнього середовища від - 40 до +40°С, відносній вологості середовища 90%. Вони виготовляються з електромагнітним розчеплювачем (виконання М) і електромагнітним розчеплювачем і гідравлічним сповільнювачем (виконання МІЛІГРАМА). Номінальний струм розчеплювачів 0,63; 0,8; 1; 1,25; 1,6; 2; 2,5; 3,2; 4; 5; 6,3; 8; 10; 12,5; 16; 20; 25 А.
Вимикач встановлюється вертикально виводами нерухомих контактів вгору (нахил не більш 10°) і кріпиться двома гвинтами на панелі або за панеллю так, щоб рукоятка виходила на її лицьову сторону. Дроти в другому випадку приєднуються до вивідних затисків також за панеллю.
Розчеплювач являє собою електромагнітний механізм клапанного типу з двома рухомими частинами - якорем і плунжером, що є частиною магнітної системи. Усередині котушки розміщена трубка, в яку вставляється плунжер з пружиною. У трубку заливають рідину, що уповільнює рух плунжера.
1.3 Автоматичні вимикачі УКРЕМВА-2000; ВА-2001; ВА-2003
Призначення:
Вимикачі автоматичні ( 1.2.) низьковольтні серій УКРЕМ ВА-2000, ВА-2001, ВА-2003 призначені для захисту низьковольтних електричних ланцюгів від перевантажень і струмів короткого замикання, а також для оперативних відключень і включень електричних ланцюгів. Вимикачі автоматичні відповідають стандарту ГОСТ 30325-95 (МЕК 898-87).

Серія автоматичних вимикачів УКРЕМ ВА-2000 випускається з час-струмовою характеристикою відключення тип В (номінальні струми від 1А до 63А), серія УКРЕМ ВА-2001 - з час-струмовою характеристикою відключення тип З (номінальні струми від 1А до 63А), серія УКРЕМ ВА-2003 - з час-струмовою характеристикою відключення тип D (номінальні струми від 63А до 100А).

Маркіровка:
Безпосередньо на вимикачах розміщені умовні позначення, що розкривають технічні характеристики даного виробу.
Будова:
Вимикачі УКРЕМ ВА-200* (де * - модифікація виробу) зібрані корпусах, що не підтримують горіння «1» з термоустійкої і міцної пластмаси і мають замки «2» для монтажу на DIN-рейку. Виробляються з кількістю полюсів від одного до чотирьох.
Вимикачі забезпечені двома типами захисту: тепловим - для захисту від тривалих струмових перевантажень, виконані на біметалічній пластині «3» і електромагнітним - для захисту від струмів короткого замикання, виконаним на електромагнітній котушці «4».
Струмовий розчеплювач «5» виконаний з міді і має посріблені контакти. Дугогасильна камера «6», що складається з дев'яти пластин, підвищує комутаційну зносостійкість і дає високі характеристики граничної коммутаційної здатності.
Надійний контакт з провідниками перетином від 1 до 25мм2
(для вимикачів з характеристиками за типом В і З) і від 2,5 до 50 мм2
(для вимикачів з характеристикою за типом D) забезпечують комбіновані затиски «7» з посрібленої міді і анодованої сталі.
Вимикачі з лицьового боку забезпечені індикаторами «8» положення Вкл/викл.

Принцип роботи:
При роботі в нормальному режимі низьковольтні автоматичні вимикачі УКРЕМ ВА-200* (де * - модифікація виробу) пропускають через себе електричний струм від наймінімальніших до відповідних маркіровці силових величин (In, А). У разі виникнення в ланцюзі перевантаження або короткого замикання, спрацьовує механізм захисту і автомат вимикається.
Тепловий захист працює таким чином: струм, що протікає при тривалому струмовому перевантаженні в ланцюзі, що захищається, нагріває біметалічну пластину «3», яка за різних коефіцієнтів теплового розширення згинається і штовхає важіль механізму вільного розчіплення. Рухомий контакт відходить від нерухомого, автомат спрацьовує, ланцюг розривається.
Електромагнітний захист забезпечується завдяки тому, що у момент появи в захищеному ланцюзі короткого замикання, що протікає по витках електромагнітної котушки «4» струму, значно зростає по відношенню до номінального, що приводить в рух осердя, що діє на важіль механізму вільного розчіплення, рухомий контакт відходить від нерухомого, автомат спрацьовує, ланцюг розривається.
Технічні характеристики:
Автоматичні вимикачі УКРЕМ з характеристиками відключення за типом В і З (від 1 до 63А) мають ширину корпусу 18мм.
Вони забезпечують граничну комутаційну здатність (Imax) до 6000А.
Технічні характеристики УКРЕМВА-2000 (тип В) і УКРЕМВА-2001 (тип З)
Кількість полюсів 1,2,3,4
Номінальний струм, In (A) 1,2,3,4,5,6,10,16,20,25,32,40,50,63
Номінальна напруга, Un (В) 220/380
Номінальна частота мережі, fn (Hz) 50
Характеристика відключення (тип) У, З
Комутаційна зносостійкість (циклів) Не меншого 6 000
Гранична комутаційна здатність Imax (A) 6 000
Перетин проводу, що підключається (мм2) 1,25
1.4 Автоматичні вимикачі УКРЕМВА-2003
 
Вимикачі з характеристикою відключення за типом D (від 63 до 100А) мають ширину корпусу 27мм.
Вони проводяться в конструктивного виконання, що забезпечує граничну комутаційну здатність 6000А і витримують кидки струму в електричних ланцюгах до 10 In, тому можуть застосовуватися в пускових ланцюгах асинхронних двигунів.
Технічні характеристики УКРЕМВА-2003 за типом D
Кількість полюсів 1,2,3,4
Номінальний струм, In (A) 63,80, 100
Номінальна напруга, Un (В) 230/415
Номінальна частота мережі, fn (Hz) 50
Характеристика відключення (тип) D
Комутаційна зносостійкість (циклів)
Не меншого 10 000
Гранична комутаційна здатність Imax (A) 6 000
Перетин проводу, що підключається (мм2) 2,5-50

1.5 Диференціальний вимикач ДВ-2002
Призначення:
Диференціальні вимикачі ДВ-2002 є комбінацією двох приладів: УЗО і автоматичного вимикача і застосовується в низьковольтних електричних ланцюгах промислового і побутового призначення для захисту електричних ланцюгів від перевантажень і струмів короткого замикання (автоматичний вимикач), а також від можливого витоку струму на землю і враження електричним струмом
у разі попадання людини під напругу (УЗО).
Відповідають стандарту МЕК 8Э8&755.
Маркіровка:
Безпосередньо на виробах, а також на пакувальних коробках диференціальних вимикачів розміщені умовні позначення, що розкривають їх технічні характеристики.
Технічні дані ДВ є комбінацією параметрів УЗО (номінальний відключаючий диференціальний струм та інші) і автоматичного вимикача (номінальний струм, вимикаюча здатність і т.д.).
Технічні характеристики ДВ-2002
Кількість полюсів 1P+N
Номінальна напруга, В 240/380
Номінальна частота мережі, Гц 50
Струм навантаження, А 6,10,16,20,25,32
Відключаючий диференціальний струм, мА 10,30
Характеристика відключення (автоматичного вимикача) у, з
Комутаційна зносостійкість, циклів 10000
Гранична комутаційна здатність, А 4500
Час відключення при номінальному струмі витоку, не більше 0,1
1.6 Реле
Широко поширений спосіб захисту електродвигунів від перегріву за допомогою теплових реле (ТРН, ТРП і ін.) простий, але недостатньо надійний. Головною причиною невисокої надійності є те, що нагрів обмоток контролюється не по значенню температури, а побічно, по параметру електричного струму в них. При цьому передбачається, що електричний струм вище номінального викличе однаковий перегрів як електродвигуна, так і теплового реле. Практично так не завжди виходить. При зміні частоти обертання (а значить, і вентиляція) при установці електродвигуна і теплового реле в приміщеннях з різною температурою повітря умови захисту порушуються.
Теплові реле призначені головним чином для захисту трифазних асинхронних двигунів з короткозамкнутим ротором від невеликих, але тривалих перевантажень. Основними елементами реле є біметалічна пластинка, нагрівальний елемент і розмикаючий контакт мостика, розрахований на комутаціюструму до 6 А. Нагрівальні елементи включаютсья в ланцюг головного струму послідовно обмоткам статора, а контакти - в ланцюг управління, послідовно з котушкою магнітного пускача.

Кінематична схема теплового реле типу ТРН
1 - нагревач; 2 - біметалічна пластинка; 3 - температурний компенсатор;
4 - ексцентриковий регулятор; 5 - важіль; 6 - клямка механізму; 7 - кнопка ручного повернення; 8 - рухомий мостиковийконтакт; 9 - нерухомий контакт
Якщо струм в головному ланцюзі (струм статора) превищує номінальний, біметалічна пластинка, нагріваючись, згинається і натискає на важіль, який виводить клямку із зачеплення. Шток під дією пружини переміщується і розмикає контакт.
У початкове положення реле повертається шляхом натиснення на кнопку повернення, яка є на його корпусі. Замикання контактів можливе тільки при біметалічної пластинці, що остигнула, тобто через 1...2 мін після спрацювання.
Теплові реле випускаються в двох виконань: однополюсному і двополюсному. Двополюсні реле типу ТРН мають симетричну компоновку. Нагрівальні елементи розташовані в крайніх осередках пластмасового корпусу. У середньому осередку розміщені температурний компенсатор, ексцентриковий регулятор струму уставки, защелочний механізм спрацьовування, мостіковий контакт і кнопка ручного повернення.
У реле ТРН-10А встановлюється незмінний нагрівач, закріплений на біметалічній пластинці. Решта типів реле забезпечується змінними нагрівачами, розташованими під біметалічними пластинками. До силових затисків реле нагрівач кріпиться двома гвинтами по кінцях. Нагревателі закриваються пластмасовою кришкою, яка утримується пружиною.
2. Пристрої захисту асинхронних двигунів
Останніми роками упроваджується принципово новий вигляд захисту електродвигунів від перегріву, виконаний на напівпровідникових елементах, контролюючих температуру. Такий захист електродвигунів від перегріву називають температурним. Вона складається з напівпровідникового пристрою, що управляє, і терморезисторів з позитивним температурним коефіцієнтом опору (перетворювачів теплоти). При використанні терморезисторів СТ14-1А і СТ14-1Бтемпература спрацьовування захисту відповідно складає 105 °С і 135 °С. Терморезистор СТ14-1Апредставляє собою диск діаметром 3 мм і завтовшки 1,5 мм.
Перетворювачі теплоти (по одному на фазу) встановлюють в асинхронному електродвигуні при його виготовленні або капітальному ремонті, а також в процесі експлуатації в лобових частинах з боку вільного кінця валу. Між собою їх сполучають послідовно ізольованими проводами з мідною жилою перетином не менше 0,5 мм2
, а вільні кінці виводять в коробку виводів і заміряють опір всьому ланцюгу терморезисторів, яке при температурі 20±5°С повинно бути в межах 120 ... 150 Ом.
2.1 Пристрої вбудованого температурного захисту
Пристрої вбудованого температурного захисту УВТЗ-1 і УВТЗ-4А, що випускаються промисловістю, не розрізняються за принципом дії, хоча схеми і конструкція апаратів різні. Пристрої уніфіковані для всіх типорозмірів електродвигунів, взаємозамінні і не вимагають регулювання при монтажі і експлуатації. Вони призначені для спільної роботи, з магнітними пускачами серії ПМЕ, ПА, ПАЕ і ін. в мережах напругою 220/380 В. Довготривалий допустимий струм контактів 4 А, розривна потужність 300 ВА.
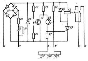
Пристрій УВТЗ-1 складається із струмового ключа, зібраного на транзисторах V7 і V8 і виконавчого релеК2, керованого тріністоромV9 (6.35). Вузол живлення включає діодний місток VI ... V4, стабілітрон V5, конденсатор С1 і резистори R1 і R2 для обмеження струму в ланцюзі живлення. Резистори R3, R4, R6 і терморезистори, що підключаються до затисків 5 і 6, створюють дільники напруги, до середніх точок яких підключені бази транзисторів V7 і V8.

Принципова електрична схема УВТЗ-1
При натисненні кнопки «Пуск» (52) пристрій УВТЗ-1 затисками 1 та 4 підключається до джерела живлення. Якщо температура обмотокелектродвигуна нижча за критичну температуру, то опір терморезисторів буде менше опору спрацьовування, транзистор V7 буде закритий, а транзісторV8 - відкритий. На перехід тріністораV9, що управляє, подається позитивний потенціал. Тріністор відкривається, замикаючи ланцюг котушки проміжного реле К2, яке своїми замикаючими контактами включає котушку магнітного пускача. Електродвигун підключається до джерела живлення.

Електрична схема включення УВТЗ-1 в ланцюг магнітного пускача
При підвищенні температури обмотки статора вище допустимої опір терморезисторів різко зростає, що приводить до замикання транзистора V8 і включенню транзистора V7. Керуючий перехід триністоpaV9, знеструмлюється, проміжне реле К2 відключається, розриваючи ланцюг котушки магнітного пускача, Електродвигун відключається від джерела живлення. Магнітний пускач залишиться розімкненим на час охолоджування обмоток статора, поки температура їх не стане менше максимально допустимої.
Можливі несправності в елементах схеми приводять до відключення електродвигуна, чим забезпечується автоматичний самоконтроль за її роботою.
Монтаж температурного захисту зводиться до установки і кріплення на опорній основі управляючого пристрою, відповідного типу магнітного пускача, з'єднанню їх між собою і з проводами терморезисторів, підключенню до джерела живлення.
Працездатність змонтованого пристрою перевіряють натисненням кнопки «Пуск» (S2). Якщо всі елементи схеми справні і вона зібрана правильно, електродвигун повинен включатися під напругу. Працездатність захисту перевіряють на холостому ході, розриваючи, а потім закорачуючи ланцюг терморезисторів в коробці виводів. В обох випадках електродвигун повинен відключатися.
Пристрої захисного відключення є високочутливими елементами захисту, що реагують на перевищення струму витоку понад допустиму величину в трифазних і однофазних мережах з глухозаземленою нейтраллю. Чутливість захисних пристроїв, що характеризується величиною струму спрацьовування, обумовлюється умовами пожежної безпеки і електробезпеки. Для виробничих електроустановок струм спрацьовування (струм уставки) захисно-відключаючих пристроїв приймається рівним 20 мА, а побутових - 10 мА.
У разі перевищення струму витоку (наприклад, при пошкодженні ізоляції електропроводки, ізоляції обмоток електродвигуна щодо корпусу, дотику людей або тварин з частинами електроустановки, що знаходяться або випадково опинилися під напругою) пристрій захисного відключення, впливаючи на комутаційний апарат (магнітний пускач, контактор, автоматичний вимикач з електромагнітним приводом), відключає електроустановку. Пристрої захисного відключення чутливі до вельми малих струмів витоку, але не відключають струмоприймачі при двух- і трифазних коротких замиканнях. Захисно-відключаючі пристрої, сумісні з вимикачами АЄ-2000, позбавлені цих недоліків.
2.2 Пристрій ЗОУП-25
Пристрої захисного відключення виготовляються різних типів (РУД-024; РУД-022; ЗОУП-25 і ін.) і конструкцій, але в основу роботи їх покладений один принцип: вимірювання геометричної суми струмів трьохфазних або однофазних електроприймачів з нульовим проводом за допомогою диференціальних трансформаторів струму.
Захисно-відключаючий пристрій ЗОУП-25 широко застосовується в виробничих електроустановках. Він призначений для комутації струму трифазних електричних ланцюгів напругою 380 В і силою струму до 25 А, живлених від електричних мереж з глухозаземленою нейтраллю, і для захисту людей і тварин від враження електричним струмом при зіткненні їх з частинами електроустановки, що знаходяться або випадково опинилися під напругою. Пристрій може нормально працювати при температурі від -40 до+40°С, відносної вологості до 90%, коливаннях напруги 0,85...1,1 номінального. Час відключення пошкодженої ділянки електричної мережі не більше 50 мс. Допустима частота включень (при відносній тривалості включення ПВ=40%) до 150 в годину.
Пристрій ЗОУП-25 є комбінованим апаратом, що складається з магнітного пускача типу ПМЕ-211 і блоку чутливого захисту, кнопок «Пуск», «Стоп», «Контроль», електрично зв'язаних між собою і вбудованих в кожух пилобризкозахисного виконання. На передню панель кожуха винесені кнопки і лінза сигнальної лампи, що світиться при включенні пристрою.

Принципова електрична схема захисно-відключаючого пристрою ЗОУП-25
Електрична схема пристрою ЗОУП-25 містить наступні вузли: диференціальний трансформатор струму ДТТ, підсилювач, виконаний на транзисторах V11, V12 і V13, вихідне реле К2, блок стабілізованого живлення, виконаний на діодному мостику V7...V10, стабілітроні V6, конденсаторах С2 і СЗ, резисторах R9 і R10, вузол контролю включеного стану, виконаний на резисторі R11 і сигнальній лампі Н, вузол імітації витоку, виконаний на резисторі R12 і кнопці S3 («Контроль»).
Пристрій ЗОУП-25 працює таким чином: при натисненні на кнопку «Пуск» напруга мережі подається одночасно до блоку захисту і до котушки магнітного пускача. Якщо в ланцюзі навантаження немає струму витоку або він менше струму уставки, то пристрій не спрацьовує і магнітний пускач включає електродвигун в мережу. За наявності або появі струму витоку, що перевищує струм уставки захисного пристрою, сигнал з вторинної обмотки диференціального трансформатора поступає в підсилювач, а з нього на котушку реле К2. Розмикаючими контактами реле розриває ланцюг котушки магнітного пускача і відключає електродвигун від джерела живлення.
Перевірка працездатності ЗОУП-25відбувається за допомогою кнопки S3 («Контроль»). При її натисненні через резистор R12 потече струм, більший струму уставки в 1,5 рази. При цьому захисний-відключаючий пристрій повинен відключити магнітний пускач.
2.3 Універсальний блок захисту асинхронних електродвигунів УБЗ-301
 
Призначений для постійного контролю параметрів мережевої напруги і значень фазних/лінійних струмів трифазного електроустаткування, що діють, 380 В/50 Гц, в першу чергу асинхронних електродвигунів, в т.ч. і в мережах з ізольованою нейтралью. Випускається трьома модифікаціями: 5-50 А, 10-100 А, 63-630 А.
Здійснює повний і ефективний захист електроустаткування шляхом короткочасного відключення від мережі або блокуванням його пуску в наступних випадках:
-неякісна мережева напруга (обрив, перекіс фаз, неприпустимі скачки і провали напруги, порушення чергування, злипання фаз);
-симетричне перевантаження по фазним/лінійним струмах викликаний механічними перевантаженнями;
-несиметричне перевантаження по фазних/лінійних струмах, пов'язаний з пошкодженням усередині двигуна;
-несимметрія фазних струмів без перевантаження, пов'язана з порушенням ізоляції усередині двигуна і/або кабелю;
-захист по мінімальному пусковому рабочому струму – зникнення моменту на валу двигуна ("сухий хід" для насосів);
-перевірка рівня опору ізоляції обмоток двигуна на корпус до пуску (при рівні < 0,5 Мом - блокування);
-захист по струмах витоку на "землю" під час роботи із забороною АПВ.
Проста і точна установка 1н (Ip) до пуску, з урахуванням тривалого допустимого перевантаження.
Спрацьовування по перевантаженню із залежною витримкою часу, шляхом рішення диференціального рівняння теплового балансу двигуна.
Наочна і логічна індикація.
3. Монтаж і обслуговування автоматичних апаратів
Електрообладнання підстанцій, електричних мереж, електроустановок споживача, повітряні та кабельні лінії електропередавання повинні бути захищені від коротких замикань і порушень нормальних режимів пристроями релейного захисту, автоматичними вимикачами або запобіжниками й оснащені засобами електроавтоматики та телемеханіки відповідно до ПУЗ та інших чинних НД.
Технічне обслуговування пристроїв РЗАіТ та їх вторинних кіл повинен здійснювати, як правило, персонал служб релейного захисту, автоматики і вимірів або електролабораторії споживача. У тих випадках, коли в обслуговуванні окремих видів пристроїв РЗАіТ беруть участь інші служби, то між ними відповідно до місцевих інструкцій повинні бути розмежовані зони обслуговування та обов'язки.
Під час проведення налагоджувальних робіт спеціалізованою налагоджувальною пзацкю у пристроях РЗАіТ їх приймання здійснює персонал споживача, який обслуговує ці пристрої.
Дозвіл на введення пристрою в роботу оформлюють записом у журналі РЗАіТ за підписами відповідальних представників споживача (або організації вищого рівня) і налагоджувальної організації, якщо остання здійснювала налагодження цього пристрою.
Під час здавання в експлуатацію пристроїв РЗАіТ і вторинних кіл повинна бути надана така технічна документація:
проектна документація, що скоригована під час монтажу (креслення, пояснювальні записки, кабельний журнал тощо), - монтажною організацією;
заводська документація (інструкції з експлуатації, паспорти електрообладнання і апаратури тощо) - монтажною організацією;
протоколи налагодження і випробувань, виконавчі принципово-монтажні (або принципові та монтажні) схеми - налагоджувальною організацією чи лабораторією споживача;
програмне забезпечення для керування та обслуговування мікропроцесорних пристроїв РЗАіТ у вигляді програм на відповідних носіях інформації - налагоджувальною організацією.
У споживача на кожне приєднання або пристрій РЗАіТ, що є в експлуатації, повинна бути, крім указаної така технічна документація:
паспорт-протокол пристрою;
методичні вказівки, інструкції або програми з технічного обслуговування, налагодження і перевірки (для складних пристроїв - для кожного типу пристрою чи його елементів);
технічні дані про пристрої у вигляді карт або таблиць уставок і характеристик.
Результати періодичних перевірок повинні бути занесені до паспорта-протоколу пристрою (докладні записи про складні пристрої РЗАіТ здійснюють за потреби в журналі релейного захисту).
Виконавчі схеми РЗАіТ необхідно приводити у відповідність після зміни реальної схеми. Зміни у схемах повинні бути підтверджені записами, які вказують причину й дату внесення змін та хто вніс зміни. Виконавчі схеми пристроїв РЗАіТ (у тому числі пристроїв АЧР та спеціальної автоматики вимкнення навантаження) погоджують з тією організацією, у керуванні (віданні) оперативного персоналу якого перебувають ці пристрої.
Автоматичні вимикачі, колодки запобіжників повинні мати маркування із зазначенням найменування приєднання і номінального струму. Персонал повинен мати запас каліброваних плавких вставок для заміни перегорілих.
В експлуатації повинні бути забезпечені умови для нормальної роботи електровимірювальних приладів, вторинних кіл і апаратури пристроїв РЗАіТ (допустима температура, вологість, вібрація, відхилення робочих параметрів від номінальних тощо).
Пристрої РЗАіТ, що перебувають в експлуатації, повинні бути завжди в роботі, за винятком тих пристроїв, що повинні виводитись з роботи відповідно до призначення і принципу дії, режимів роботи або за умовами селективності.
Уведення в роботу і виведення з роботи пристроїв РЗАіТ, що перебувають у віданні оперативного персоналу вищого рівня, здійснюють тільки з його дозволу (за диспетчерською заявкою).
У разі загрози неправильного спрацювання пристрою РЗАіТ він повинен бути виведений з роботи без дозволу оперативного персоналу вищого рівня, але з наступним його повідомленням (відповідно до інструкції з експлуатації). Пристрої, що залишилися в роботі, повинні забезпечувати повноцінний захист електрообладнання і ліній електропередавання від усіх видів пошкоджень та порушень нормального режиму. Якщо така умова не може бути виконана, топовинен бути введений тимчасовий захист або приєднання повинно бути вимкнене з повідомленням оперативного персоналу вищого рівня.
Особливу увагу необхідно звертати на контроль наявності оперативного струму, справність запобіжників і автоматичних вимикачів у вторинних колах, а також на контроль справності кіл керування вимикачами.
Уперше змонтовані пристрої РЗАіТ і вторинні кола перед уведенням у роботу підлягають налагодженню і приймальним випробуванням із записом до паспорта обладнання чи спеціальної відомості.
Реле і допоміжні пристрої РЗАіТ повинні бути опломбовані персоналом, який обслуговує ці пристрої, за винятком тих, уставки яких змінює оперативний персонал залежно від режиму роботи і схеми первинних з'єднань, або тих, у яких немає спеціальних пристосувань для зміни параметрів їх настроювання.
Реле, апарати і допоміжні пристрої РЗАіТ (за винятком тих, уставки яких змінює оперативний персонал) дозволено відкривати лише персоналу, який обслуговує пристрої РЗАіТ, чи за його вказівкою оперативному персоналу з подальшим записом в оперативному журналі.
На проводах, приєднаних до збірок (рядів) затискачів, повинне бути маркування, що відповідає схемам.
Опір ізоляції електрично з'єднаних вторинних кіл пристроїв РЗАіТ відносно землі, а також між колами різного призначення, електрично не з'єднаних (вимірні кола, кола оперативного струму, сигналізації), необхідно підтримувати у межах кожного приєднання відповідно до норм.
Усі випадки спрацювання і відмови пристроїв РЗАіТ, а також виявлені в процесі їх оперативного і технічного обслуговування дефекти (несправності) персонал, що обслуговує ці пристрої, повинен ретельно аналізувати. Виявлені дефекти повинні бути усунені.
Про кожен випадок неправильного спрацювання або відмови спрацювання пристроїв РЗАіТ необхідно повідомляти диспетчера електропередавальної організації, в оперативному керуванні або віданні якої перебувають ці пристрої.
Пристрої РЗАіТ і вторинні кола періодично перевіряють і випробовують відповідно до чинних положень та інструкцій.
Після неправильного спрацювання чи відмови спрацювання цих пристроїв повинні бути проведені додаткові (післяаварійні) перевірки за спеціальними програмами.
За наявності швидкодійних релейних захистів і пристроїв резервування відмови вимикачів усі операції з увімкнення ліній, шин і електрообладнання, а також операції з перемикання роз'єднувачами і вимикачами здійснюють з уведеними в дію цими захистами. Якщо їх неможливо ввести в дію, то необхідно ввести прискорення на резервних захистах або виконати тимчасовий захист, хоча б неселективний, але з необхідною швидкодією, або ввести прискорення на резервних захистах.
Апарати відкритого виконання, а також зворотний бік цих панелей (шаф) і пультів повинен очищати персонал, який обслуговує пристрої РЗАіТ, або оперативний персонал, що пройшов інструктаж.
Оперативні працівники повинні здійснювати:
контроль за правильністю положення перемикальних пристроїв на панелях (шафах) РЗАіТ і керування, кришок випробувальних блоків, а також за станом автоматичних вимикачів і запобіжників у колах РЗАіТ і керування;
уведення та виведення з роботи пристроїв РЗАіТ (їх ступенів), а також зміну їх дії та уставок за розпорядженням оперативного персоналу, у керуванні (віданні) якого перебувають ці пристрої, використовуючи спеціально передбачені перемикальні пристрої;
контроль за станом пристроїв РЗАіТ за показами наявних на панелях (шафах) і апаратах пристроїв зовнішньої сигналізації та індикації, а також за повідомленнями, що надходять від мікропроцесорних пристроїв РЗАіТ;
опробування високовольтних вимикачів та інших апаратів, а також пристроїв АПВ, АВР та фіксувальних приладів (індикаторів);
обмін сигналами високочастотних захистів і контроль параметрів високочастотних апаратів протиаварійної автоматики;
вимірювання струму небалансу в захисті шин і напруги небалансу в розімкнутому трикутнику трансформатора напруги;
заведення годинників автоматичних осцилографів аварійного запису тощо.
Перевірка заданих уставок РЗАіТ та ПА здійснюється з періодичністю, установленою для технічного обслуговування.
Періодичність випробування АВР проводиться не рідше одного разу на 6 місяців. Результати випробування фіксуються в оперативному журналі.
Споживачі повинні забезпечувати безперешкодний доступ персоналу Держенергонагляду (електропередавальної організації) для нагляду за технічним станом та уставками пристроїв РЗАіТ та ПА, контролю за обсягами підключеного навантаження й уставками АЧР, а також для пломбування накладок РЗАіТ і ПА.
Список використаної літератури
1. Атабеков В. Б.Ремонт електрооборудования промислових підприємств: Учебник для сред, проф.-техн. училищ. — 4-е изд., перераб. и доп. — М.: Висш. школа, 1979. — 256 с, ил. — (Профтехобразование. Енергетика).
2. Ботян А.М. монтаж электрооборудования в сельскохозяйственном производстве. – Мн.: Уроджай, 1980, 296 с., ил
|