БЕЛОРУССКИЙ ГОСУДАРСТВЕННЫЙ УНИВЕРСИТЕТ ИНФОРМАТИКИ И РАДИОЭЛЕКТРОНИКИ
Кафедра ЭТТ
РЕФЕРАТ
На тему:
"Аппарат для ультразвуковой терапии: обобщенная структура, применение ультразвука в хирургии"
МИНСК, 2008
Аппарат для ультразвуковой терапии.
Аппарат предназначен для лечения акушерско-гинекологических заболеваний, но применяется также в оториноларингологии, стоматологии, дерматологии и в других областях медицины.
Основные технические данные аппарата: частота ультразвуковых колебаний 2,64 МГц ±0,1%; интенсивность ультразвуковых колебаний регулируется четырьмя ступенями 0,05; 0,2; 0,5 и 1,0 Вт/см2
; эффективная площадь большого излучателя 2 см2
, малого — 0,5 см2
; предусмотрен импульсный режим работы при длительности импульсов 2, 4 и 10 мс, частоте следования 50 Гц; питание от сети переменного тока частотой 50 Гц напряжением 220 В ±10%; потребляемая мощность не более 50 ВА; по защите от поражения электрическим током аппарат выполнен по классу I; габаритные размеры 342×274×142 мм; масса (с комплектом) не более 10 кг.
Структурная схема аппарата УЗТ представлена на рисунке 1.

Рисунок 1 – Структурная схема аппарата УЗТ
Генератор высокочастотный создает немодулированные электрические колебания с частотой 2,64 МГц. Усиление мощности этих колебаний происходит в выходном усилителе, к которому подключается один из ультразвуковых излучателей, преобразующий электрические колебания в механические. Модулятор предназначен для получения импульсного режима при трех длительностях импульсов — 2, 4 и 10 мс и постоянной частоте следования — 50 Гц. Блок питания обеспечивает питание постоянным напряжением цепей модулятора и генератора.
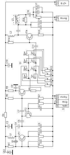
Принципиальная электрическая схема аппарата приведена на рисунке 2.

Рисунок 2 – Принципиальная электрическая схема аппарата УЗТ-31
Блоквысокочастотногогенератора (рисунок 3) включает в себя автогенератор, буферный каскад и усилитель.
Автогенератор (транзистор VT
1
) собран по осцилляторной схеме с кварцевой стабилизацией. С выхода автогенератора высокочастотное напряжение подается на буферный каскад, представляющий собой эмиттерный повторитель (транзистор VT
3
). В эмиттерной цепи повторителя включены контакты кнопочного переключателя S
1
, коммутирующие делитель на резисторе 9
и потенциометрах 10 — 13
. Кнопки переключателя выведены на панель управления аппарата ("Интенсивность, Вт/см2
"). При нажатии одной из кнопок в эмиттерную цепь включается соответствующий потенциометр, с движка которого напряжение через разделительный конденсатор 11
подается на усилитель. С помощью потенциометров 10 — 13
производится регулировка интенсивности на каждой ступени при производстве аппарата или его ремонте.
Усилитель (транзистор VT
4
) имеет на выходе четырехполюсник (конденсаторы 13 — 17
и катушка индуктивности 3
), согласующий выходное сопротивление транзистора VT
4
со входным сопротивлением выходного усилителя.
В блоке генератора находится также оконечный каскад (транзистор VT
2
) импульсного модулятора. Каскад работает в ключевом режиме по параллельной схеме. При подаче на его вход прямоугольного импульса (через контакты 11 — 12
вилки X
1
) транзистор VT
2
открывается, шунтируя вход буферного усилителя и создавая тем самым паузу в генерации ультразвуковых колебаний.

Рисунок 3 – Принципиальная электрическая схема высокочастотного генератора аппарата УЗТ-31
Обобщенная структура аппарата для ультразвуковой терапии.
Для проведения УЗ-процедуры очевидными являются наличие высокочастотного генератора ч пьезоэлектрических преобразователей, формирующих соответствующие ультразвуковые волны.
Проведение УЗ-процедуры возможно двумя основными способами:
1. При непосредственном контакте УЗ-излучателя с облучаемымучастком тела.
2. Косвенным контактом через иммерсионную жидкость, осуществляемым с помощью водяной панны или водяной подушки (пузыря из тонкой резины, наполненного водой).
При использовании первого способа необходимо исключить наличие воздушной прослойки между излучателем и поверхностью тела, поскольку даже тончайший слой воздуха приведет, практически, к полному отражению УЗ-волны от поверхности тела. Поэтому, перед сеансом поверхность кожи облучаемого участка тщательно смазывается вазелиновым маслом или специальной смазкой на основе парафинов.
При использовании косвенного контакта может использоваться как непрерывный, так и импульсный режим излучения, при неподвижном и подвижном излучателях.
При использовании водяной ванны можно производить облучение как прямым, так и наклонным лучом, что удобно при облучении суставов и участков тела с неровной поверхностью.
Аппараты УЗ-терапии могут быть стационарными и портативными. универсальными и специализированными. Типовая структура терапевтического ультразвукового аппарата представлена на рисунке 4.
Автогенератор АГ генерирует в непрерывном режиме колебания УЗ-частоты. Через модулятор М (управляемый ключ) У3-колебания передаются на предварительный усилитель ПУ со ступенчатой регулировкой коэффициента усиления и далее. через выходной усилитель, на излучатель ИЗ и индикатор ИНД, показывающий наличие переменного сигнала УЗ-частоты на выходе усилителя. Модулятор управляется генератором импульсов регулируемой длительности ГИ. Все регулировки осуществляются с помощью пульта управления снабженного процедурными часами ПЧиПУ, которые отключают блок питания БП по истечении установленного времени длительности процедуры.

Рисунок 4 – Структурная схема аппарата ультразвуковой терапии
Перед сеансом УЗ-терапии производят проверку исправности аппарата. Простейший способ проверки наличия генерации ультразвука состоит в том. что излучатель окунают в стакан с водой и. при наличии колебаний, наблюдают эффект дегазации (выделения пузырьков воздуха). С повышением интенсивности излучения газовыделение возрастает.
Периодически проводят проверку градуировки шкалы интенсивности генерируемого ультразвука. Для этой цели Используются специальные измерители мощности ультразвука, например, типа ИМУ-2 (3).
Для предохранения рук оператора от воздействия ультразвука, он должен работать в тонких нитяных перчатках, поверх которых надеты резиновые. Сохраняемый пол слоем резины слой воздуха отражает УЗ-колебания. предохраняя руки от воздействия ультразвука.
В таблице 1 приведены некоторые основные характеристики отечественных терапевтических УЗ-аппаратов.
Таблица 1 Характеристики отечественных терапевтических УЗ – аппаратов.
| Тип |
Назначенце |
Раб.частота кГц |
Макс.мощн.
Вт/см
|
Эффект. Площадь зонда, см |
| 1 |
. 2
|
3 |
5 |
6 |
| Ультразвук Т5 |
универсальный |
880 |
2 |
1 и 4 |
| ЛОР-З |
отоларингологиче ский |
880 |
1,6 |
2
и 0.4 |
| УЗТ-31 |
гинекологический |
2640 |
2,5 |
2 и 0.5 |
| УЗТ-101 |
неврологический |
880 |
2,5;1,25 |
1 и 4 |
| УЗТ-102 |
стоматологически й |
2.5 |
1 и 2 |
| УЗТ 1302 |
офтальмологическ ий |
880 |
2.5 |
0.5:1,0 |
| УЗТ 1305 |
гастроэнтерология , урология, прокто лог. |
880 |
2.5:1.25 |
(0.5;1.0;4,0. |
Интересным представляется воздействие ультразвуковыми волнами на биологически активные точки (БАТ) с целью достижения определенных терапевтических эффектов, называемое фонотерапией. Фонотерапия осуществляется с помощью терапевтических УЗ-аппаратов, позволяющих генерировать ультразвук малой интенсивности (0,05Вт/см в кв) и снабженных излучателями с малой площадью активной, поверхности (от 0,2 до 1см в кв), например, "ЛОР-3", "УЗТ-102", "УЗ-Т10" и др.
Применение ультразвука в хирургии.
Основная идея применения ультразвука в хирургии заключается в сообщении хирургическим инструментам ультразвуковых колебаний, что существенно увеличивает их эффективность, облегчает проведение операций и уменьшает травматические повреждения окружающих тканей. При этом выделяется несколько направлений: ультразвуковое резание мягких ткачей; ультразвуковая резка, сверление, трепанация, сварка и наплавка костной ткани: ультразвуковая эндартерэктомия (проведение восстановительных операций на пораженных атеросклерозом крупных сосудах).
Метод ультразвуковой резки мягких тканей основан на том, что на лезвие режущего инструмента, которому хирургом сообщается поступательное движение, накладываются продольные ультразвуковые колебания с частотой, лежащей в пределах 22 - 44кГц. с амплитудой не более 45мкм. Под действием УЗ-колебаннй. налагаемых на инструмент, скорость относительных продольных перемещении увеличивается, относительно поступательного перемещения лезвия, в несколько раз. При этом, за счет разрушении под воздействием кавитации клеточной структуры прилегающих к лезвия слоев ткани, сухое трение переходит в полусухое или даже жидкостное. Это приводит к существенному уменьшению как нормального, так и тангенциального усилия резания. Ультразвуковые колебания возбуждаются магнитострикторрм и с помощью концентратора передаются к режущему инструменту. Магнитостриктор изготовляют либо из ферритового броневого цилиндрического магнптопровода, в полость которого закладывается обмотка, либо набирается из Ш - образных пластин из никелевого сплава, на центральный стержень которых наматывается обмотка. При перемагннчивании материала возникает явление магнитострикции, вследствие которого продольные размеры стержней колеблются с частотой перемагничивающего тока. Чтобы избежать удвоения частоты механических колебаний сердечник магнитостриктора подмагничивается постоянным током практически до насыщения.
К магнитостриктору приклеивается конически-цилиндрический концентратор. Длина концентратора выбирается равной половине длины волны ультразвука на рабочей частоте. К концентратору, с помощью резьбы, присоединяют сменный инструмент, также имеющий форму полуволнового концентратора, у которого сечение сужается к инструменту по экспоненте. Благодаря уменьшению сечения конической части концентратора и инструмента, и работе их в резонансном режиме происходит усиление амплитуды УЗ-колебаний в несколько раз, при их прохождении от магнитостриктора до режущей части инструмента.
Конструкция акустического узла приведена на рисунке 5. Магнитостриктор 1 с приклеенным к нему концентратором 2 образует акустическую головку, которая с помощью демпфирующих резиновых колец 6 закрепляется в цилиндрическом кожухе 4.

Рисунок 5 – Конструкция акустического узла для резки мягких тканей.
Наличие сменных инструментов - насадок 4 различной конфигурации приводит к тому, что их резонансные частоты отличаются друг от друга. Чтобы обеспечить резонансные эффекты используют генератор с подстройкой частоты в диапазоне +-2% от номинальной.
Ручная подстройка осуществляется при смене насадок, для чего с ответствующие приборы снабжаются индикаторами резонанса, которые фиксируют максимум тока нагрузки выходного каскада усилителя мощности генератора. При работе с инструментом, при изменении нагрузки, резонансная частота поддерживается автоматически, схемой автоматической подстройки частоты. На рисунке 6 приведена структурная схема хирургического УЗ-аппарата.

Рисунок 6 – Схема УЗ-аппарата с автоматической подстройкой частоты
При операциях ил внутренних органа для удлинения инструмента используют составные многозвеньевые концентраторы, свинчивающиеся между собой.
УЗ-аппараты со структурой рисунка 6 могут использоваться не только для резки мягких тканей, но и для их сварки, а также для резки сварки и наплавки костных тканей.
В качестве примера универсальных хирургических УЗ-аппаратов можно назвать аппараты УСКР-7Н УРСК-2Н. УРСК-18.
На основе использования универсальных аппаратов для ультразвуковой хирургии разработаны методики ультразвуковом обработки поверхности ран, включающих раны послеоперационные, обеспечивающие очистку поверхности ран от некротической и поврежденной ткани, быструю диффузию дезинфинирующих и лекарственных веществ, растворяемых в жидкостях и активизацию защитных регенерационных возможностей организма.
В таблице 2 приведены основные технические характеристики ряда отечественных ультразвуковых хирургических аппаратов.
Таблица 2 Характеристика отечественных УЗ хирургических аппаратов
| Тип |
Назначение
аппарата
|
Раб. частота |
Макс, мощность |
Мощн.
акуст, головки.
|
Кол-во смен. Инструментов |
| 1 |
3
|
4 |
5 |
6 |
| УРСК-7Н |
Универсальный |
26.5+-0.5% |
250 |
90 (Згол.) |
14 ручн. |
| УРСК-7НМ |
Ондатерэктомия |
26.5+-7,5% |
250 |
90
(Згол.)
|
12 АПИ |
| УРСК-8Н |
Универсальный |
24.5+-26.7% |
55
|
40 1 гол.) |
14 ручн. |
| УРСК-18 |
Универсальный |
26.5+-7,5% |
55 |
40 (1гол.) |
12 ручн.,А ПИ |
| УРСК-I8C |
Сверление и фрезерование костн. ткани |
26.5+-7.5% |
55 |
40 (1гол.) |
| УЗТ-2 |
Трепанация |
22+-
1,5%
|
55 |
40(1 гол.) |
ЛИТЕРАТУРА
1. Системы комплексной электромагнитотерапии: Учебное пособие для вузов/ Под ред А.М. Беркутова, В.И.Жулева, Г.А. Кураева, Е.М. Прошина. – М.: Лаборатория Базовых знаний, 2000г. – 376с.
2. Электронная аппаратура для стимуляции органов и тканей /Под ред Р.И.Утямышева и М.Враны - М.: Энергоатомиздат, 2003.384с..
3. Ливенсон А.Р. Электромедицинская аппаратура. :[Учебн. пособие] - Мн.: Медицина, 2001. - 344с.
4.
Катона З. Электроника в медицине: Пер. с венг. / Под ред. Н.К.Розмахина - Мн.: Медицина 2002. - 140с.
|